
Item # _____________________________________
Quantity ___________________________________
C.S.I. Section 11400
SIDE LOADING OPTION
701 S Ridge Avenue, Troy, OH 45374
1-888-4HOBART • www.hobartcorp.com
STANDARD FEATURES
■ Automatically indexes rack at a 90° angle
■ Operates off the drive of the CL e and requires no
additional energy consumption
■ Easy to install
■ Stainless steel construction
■ Low maintenance
■ Easy to use
■ Saves valuable oor space
FOR CLe DISHWASHERS
MODELS
❑ SL23 – Adds 23" to length of machine
❑ SL30 – Adds 30" to length of machine
Specications, Details and Dimensions on Inside and Back.
SIDE LOADING OPTION FOR CLe DISHWASHERS
F-8066 – Side Loading Option for CLe Dishwashers Page 1 of 4

SIDE LOADING OPTION
FOR CLe DISHWASHERS
SPECIFICATIONS
DESIGN: A factory installed option to adapt any
Hobart CLe Dishwasher to a corner or side loading
operation. Model SL-23 adds 23" to length of
machine; SL-30 - 30". Specify model.
CONSTRUCTION: Sump, back and end shields of
formed 14-gauge stainless steel, heliarc-welded,
with coved corners and all joints ground smooth and
polished. Attached to dishmachine chamber with
stainless steel bolts and reinforced with rigid stainless steel diagonal supports. Sump has 11⁄2" drain
connection and perforated stainless steel strainer
cover over drain opening.
701 S Ridge Avenue, Troy, OH 45374
1-888-4HOBART • www.hobartcorp.com
CONVEYOR: Two stainless steel rack slides welded
to cross member support. Drive member is single
stainless steel pawl, connected to dishmachine
conveyor by a stainless steel rod. Rack drive pawl
operates on two rollers, supported by two stainless
steel rods and is beveled to permit rack to slide easily
into side-loading extension.
SHIPPING WEIGHT: Ships separately weighing
approximately 100 lbs. Field mount standard.
NOTE: Racks must have center and side index strips.
Page 2 of 4 F-8066 – Side Loading Option for CLe Dishwashers

SIDE LOADING OPTION
701 S Ridge Avenue, Troy, OH 45374
1-888-4HOBART • www.hobartcorp.com
FOR CLe DISHWASHERS
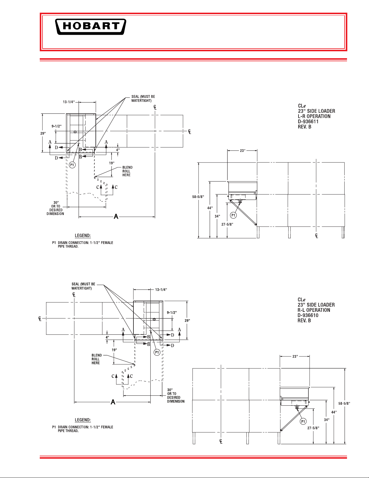
SL23 SIDE LOADER
LEFT TO RIGHT OPERATION
SL23 SIDE LOADER
RIGHT TO LEFT OPERATION
F-8066 – Side Loading Option for CLe Dishwashers Page 3 of 4

SIDE LOADING OPTION
FOR CLe DISHWASHERS
SL30 SIDE LOADER
LEFT TO RIGHT OPERATION
701 S Ridge Avenue, Troy, OH 45374
1-888-4HOBART • www.hobartcorp.com
SL30 SIDE LOADER
RIGHT TO LEFT OPERATION
As continued product improvement is a policy of Hobart, specications are subject to change without notice.
Page 4 of 4 F-8066 – Side Loading Option for CLe Dishwashers
F-8066 (REV. 10/08) LITHO IN U.S.A. (H-01)