Page 1

I. OTHERS
C-990ZOOM/D-490ZOOM
I. OTHERS
BLOCK DIAGRAMS ............................................................................................... I-2
OVERALL ....................................................................................................... I-2
CA1(MAIN) ...................................................................................................... I-3
CA1(LENS) ..................................................................................................... I-4
CCD ................................................................................................................ I-5
ST1(POWER) ................................................................................................. I-6
ST1(FLASH) ................................................................................................... I-7
SY1 ................................................................................................................. I-8
CIRCUIT DIAGRAMS.............................................................................................. I-9
OVERALL ....................................................................................................... I-9
CA1(MAIN) FOR NTSC(J) ............................................................................ I-10
CA1(MAIN) FOR NTSC ................................................................................. I-11
CA1(MAIN) FOR PAL ................................................................................... I-12
CA1(CCD)..................................................................................................... I-13
CA1(LCD) FOR NTSC(J) ............................................................................ I-14
CA1(LCD) FOR NTSC ................................................................................. I-15
CA1(LCD) FOR PAL .................................................................................... I-16
ST1 ............................................................................................................... I-17
SY1 ............................................................................................................... I-18
MOUNTING DIAGRAMS ....................................................................................... I-19
CA1 ............................................................................................................... I-19
ST1,SY1 ........................................................................................................ I-20
SERVER_DIS
I-1
Ver. 1
Page 2

I. OTHERS
C-990ZS/C-990ZOOM2/D-490ZOOM2
I. OTHERS
C-990ZS/C-990ZOOM2/D-490ZOOM2
BLOCK DIAGRAMS .................................................................................................. I-21
OVERALL ............................................................................................................ I-21
CA1(MAIN)........................................................................................................... I-22
CA1(LENS) .......................................................................................................... I-23
CCD ..................................................................................................................... I-24
ST1(POWER) ...................................................................................................... I-25
SY1 ...................................................................................................................... I-26
CIRCUIT DIAGRAMS ................................................................................................ I-27
OVERALL............................................................................................................. I-27
CA1(MAIN) FOR NTSC ........................................................................................ I-28
CA1(MAIN) FOR PAL ........................................................................................... I-29
CA1(CCD) ............................................................................................................ I-30
CA1(LCD) FOR NTSC ........................................................................................ I-31
CA1(LCD) FOR PAL............................................................................................ I-32
CA1(LENS)........................................................................................................... I-33
ST1 ....................................................................................................................... I-34
SY1 ....................................................................................................................... I-35
MOUNTING DIAGRAMS............................................................................................ I-36
CA1 ....................................................................................................................... I-36
ST1,SY1 ................................................................................................................ I-37
I-1-1
Ver.2/Rev.2SERVER_DIS
Page 3

BLOCK
SSFDC
Smart Media
Card
Driver
C-990ZOOM/D-490ZOOM BLOCK DIAGRAMS : OVERALL
64Mbit
64Mbit
SDRAM
SDRAM
Processor
Data2
Signal
Signal
Processor
JPEG
Controller
AF/AE.AWB
Integrator
JPEG
74LV273
8Mbit
8Mbit
Frash
Frash
RISC
RISC
CPU
CPU
SDRAM
Controller
SRAM
SRAM
Controller
Controller
Address2
Data1
Address1
UART
CA1_BLOCK
RS232C
Driver
LENS
10bitA/D
CDS AGC
1600x2000
IS-CCD
1.5v x 4
DC JACK
Battery
Encoder
SYSTEM
Y-C
MIX
ASIC
Video
Driver
SY_1
BLOCK
4MHz
CLK
PIO
PIO
8bit
CPU
32.768KHz
Video
Out
CLK
Y C
CLK
SG/TG
SG/TG
Electoronic
Flash
2
1
3
+
_
DC-DC
Converter
ST1_BLOCK
CLK
GEN
GEN
CSYNC
72MHz
8bit
D/A
LCD
Driver
Timing
Controller
TFT
LCD
8bit
D/A
I-2
Ver.1
Page 4

C-990ZOOM/D-490ZOOM BLOCK DIAGRAMS : CA1(MAIN)
CN101
TO
ST1
Smart Media
CA1
STROBO
IC141
SN74LV245
DATA BUFF
IC101
MB86836PMT2
SPARC
RISC CPU
STOP/TRIG
IC121
8Mbit
Frash
ROM
STROBO/LENS
CONTROL
IC106/IC107
SN74LV273
EXT PORT
D[0:15]
Address
Data
IC103
64Mbit
SDRAM
LENS
CONTROL
A[2:21]
D[0:15]
SD[0:15]
SA[0:13]
PCTRL
NAEN
NCEN
Y OUT
YC-MIX
ZIN[1:4]]
LDIN[1:4]
ACTRL[1:4]
B
ZNCE
ZMOE
Q9508
E
PPCS
C
IC102
MB87J1471PBT-G
SYSTEM
ASIC
C SYNC
C OUT
PAL:17.734476MHz
NTSC:14.31818MHz
IC112
14.31818MHz
IC152
DRIVER
TK15405M
IC953
LB1836M
DRIVER
IC957
LB1836M
DRIVER
FSC4I
IC111
PLL
IC954
LB1836M
DRIVER
SHUTTER
IC952
LA6358NM
CONSTANT-CURRENT
XSGA[1:2]
XSGB[1:2]
LCD DT
LCD CK
LCD LD
CK IN
ASIC CLK
IC171
IR3Y29B4
LCD
DRIVER
TXD
RXD
SDI
SCK
SREQ
SDO
CCD[0:9]
ADCK
PBLK
XCPOB
XSUB
SUBGT
CCDEN
CCDCK
CCDSD
XRG
XH[1:2]
XV[1:4]
XSHP
XSHD
R/G/B SIGNAL
ZOOM
FOCUS
IRIS
COMMUNICATION
IC131
ADM3202ARU
D/A CONVERTER
LC D TIMING
SIGNAL
VIDEO
CN952
CN951
CN951
Dout / Rin
JK131
RS232C
PC JACK
CN106
TO SY1
VCO
CN171
TO LCD
LENS
CN102
TO CA1
JK151
Video
Jack
I-3
Ver.1
Page 5

C-990ZOOM/D-490ZOOM BLOCK DIAGRAM : CA1 (LENS)
I-4
Ver.1
Page 6

C-990ZOOM/D-490ZOOM BLOCK DIAGRAMS : CCD
I-5
Ver.1
Page 7

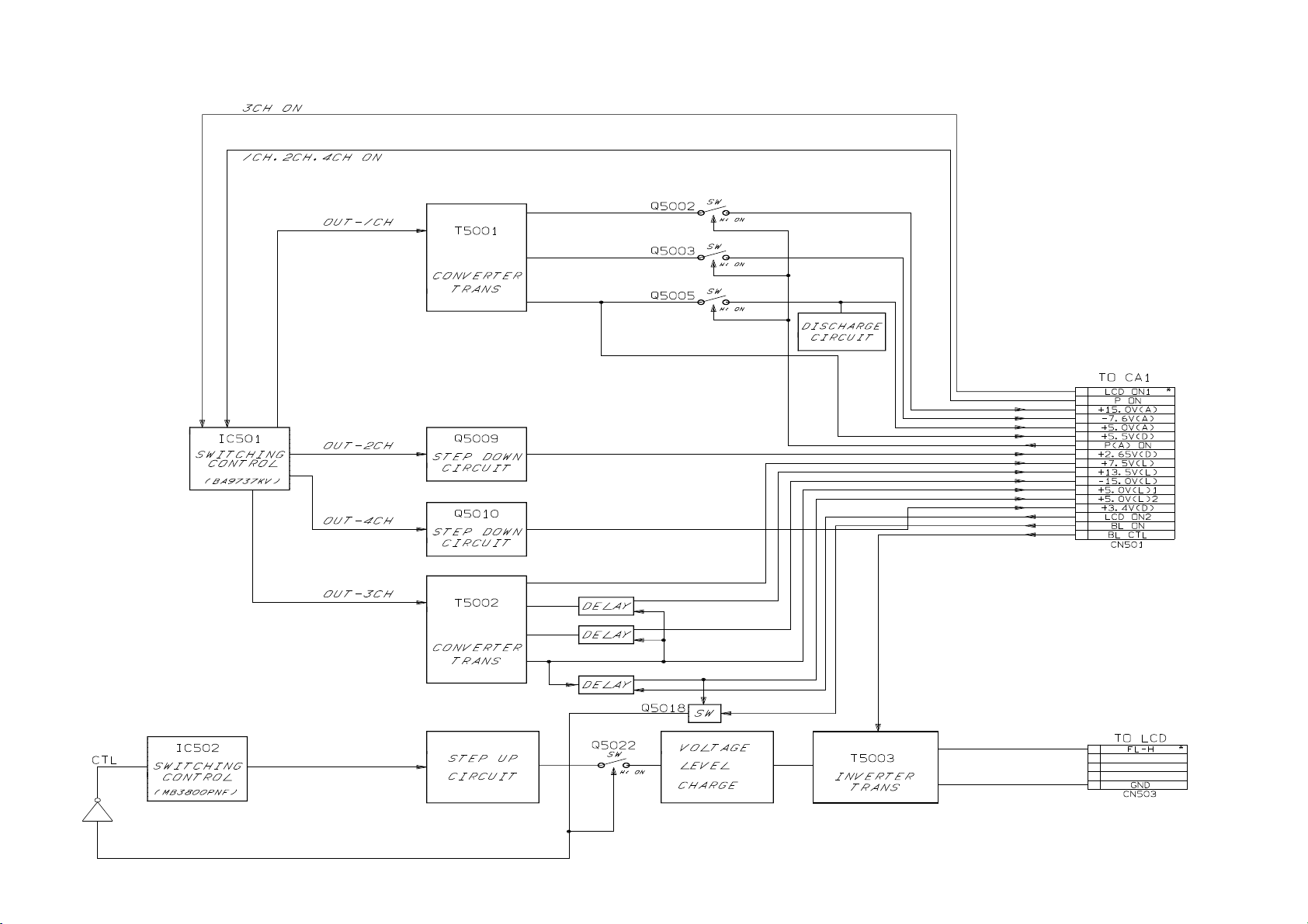
C-990ZOOM/D-490ZOOM BLOCK DIAGRAM : ST1 (POWER)
I-6
Ver.1
Page 8

C-990ZOOM/D-490ZOOM BLOCK DIAGRAMS : ST1(FLASH)
I-7
Ver.1
Page 9

SY-1
BACK UP
C-990ZOOM/D-490ZOOM BLOCK DIAGRAMS : SY1
LCD
1-18
32-46, 23-25
BL ON
22
1
82
X3002 32KHz
83
80
X3001 4MHz
79
72
86
87
75
76
77
97
98
96
95
69
66
65
71
70
74
73
68
67
1
AL3.2V
8
UNREG
2
LI
3
BAT
4
OFF
VDD
RESET
7
6
5
21
81
84
85
4
SCAN IN0
SCAN IN1
5
6
SCAN IN2
SCAN IN3
7
3
SCAN IN4
91
92
IC301
93
94
LCD ON1
LCD ON2
13
1
2
3
D3001
SELF LED
11
10
TO CA1 BOARD
CHG
VMONIT
UNREG
DIN CONNECT
RXD
S.REQ
ASIC SO
ASIC SI
ASIC SCK
ASIC RESET
MAIN RESET
ASIC TEST
LCD ON1
LCD ON2
BL ON
BL CTL
P ON
PA ON
V JACK
CARD
ZVMUTE
NTSC PAL
19
20
21
24
10
2
4
3
5
18
17
6
9
23
12
27
7
8
25
11
16
30
I-8
Ver.1
Page 10

C-990ZOOM/D-490ZOOM CIRCUIT DIAGRAM : OVERALL WIRING
I-9
Ver.1
Page 11

C-990ZOOM(J) NTSC CIRCUIT DIAGRAM : CA1 (MAIN)
I-10
Ver.1
Page 12

C-990ZOOM(NTSC)/D-490ZOOM CIRCUIT DIAGRAM : CA1 (MAIN)
I-11
Ver.1
Page 13

C-990ZOOM(PAL) CIRCUIT DIAGRAM : CA1 (MAIN)
I-12
Ver.1
Page 14

C-990ZOOM/D-490ZOOM CIRCUIT DIAGRAM : CA1 (CCD)
I-13
Ver.1
Page 15

C-990ZOOM(J)NTSC CIRCUIT DIAGRAM : CA1 (LCD)
I-14
Ver.1
Page 16

C-990ZOOM(NTSC)/D-490ZOOM CIRCUIT DIAGRAM : CA1 (LCD)
I-15
Ver.1
Page 17

C-990ZOOM(PAL) CIRCUIT DIAGRAM : CA1 (LCD)
I-16
Ver.1
Page 18

C-990ZOOM/D-490ZOOM CIRCUIT DIAGRAM : ST1
I-17
Ver.1
Page 19

C-990ZOOM/D-490ZOOM CIRCUIT DIAGRAM : SY1
I-18
Ver.1
Page 20

C-990ZOOM/D-490ZOOM CIRCUIT BOARD : CA1
I-19
Ver.1
Page 21

C-990ZOOM/D-490ZOOM CIRCUIT BOARD : ST1,SY1
I-20
Ver.1
Page 22

BLOCK
SSFDC
SSFDC
Smart Media
Card
10bitA/D
CDS AGC
LENS
C-990ZS/C-990ZOOM2/D-490ZOOM2 BLOCK DIAGRAMS : OVERALL
64Mbit
Driver
Driver
74LV273
74LV273
8Mbit
8Mbit
Frash
Frash
RISC
RISC
CPU
CPU
SDRAM
SDRAM
Controller
Controller
SRAM
SRAM
Controller
Controller
SG/TG
SG/TG
Address2
CLK
CLK
GEN
GEN
64Mbit
SDRAM
SDRAM
Processor
Data2
Signal
Signal
Processor
CSYNC
JPEG
JPEG
Controller
Controller
AF/AE.AWB
Encoder
Y
8bit
8bit
D/A
D/A
AF/AE.AWB
Integrator
Integrator
Encoder
8bit
8bit
D/A
D/A
Data1
Address1
JPEG
JPEG
UART
UART
SYSTEM
C
ASIC
PIO
PIO
CA1_BLOCK
Driver
Driver
RS232C
1600x 1200
IS-CCD
DC JACK
Battery
1.5Vx
72MHz
Y-C
Y-C
MIX
MIX
LCD
Driver
Electoronic
Electoronic
Flash
Flash
2
1
3
+
4
-
DC-DC
DC-DC
Converter
Converter
ST1_BLOCK
Timing
Timing
Controller
Controller
TFT
TFT
LCD
LCD
I-21
Video
Video
Driver
Driver
SY_1
BLOCK
4MHz
CLK
8bit
8bit
CPU
CPU
32.768kHz
CLK
Video
Out
Ver.2/Rev.2
Page 23

C-990ZS/C-990ZOOM2/D-490ZOOM2 BLOCK DIAGRAMS : CA1(MAIN)
CN101
TO
ST1
Smart Media
CA1
STROBO
IC141
SN74LV245
DATA BUFF
IC101
MB86836PMT2
SPARC
RISC CPU
STOP/TRIG
IC121
8Mbit
Frash
ROM
STROBO/LENS
CONTROL
IC106/IC107
SN74LV273
EXT PORT
D[0:15]
Address
Data
IC103
64Mbit
SDRAM
LENS
CONTROL
A[2:21]
D[0:15]
SD[0:15]
SA[0:13]
PCTRL
NCEN
NAEN
Y OUT
YC-MIX
ZIN[1:4]]
LDIN[1:4]
ACTRL[1:4]
B
Q9508
C
E
PPCS
ZNCE
ZMOE
IC102
MB87J1471PBT-G
SYSTEM
ASIC
C SYNC
C OUT
PAL:17.734476MHz
NTSC:14.31818MHz
IC112
14.31818MHz
IC152
Driver
TK15405M
IC953
LB1836M
DRIVER
IC957
LB1836M
DRIVER
CONSTANT-CURRENT
FSC4I
CK IN
ASIC CLK
IC111
PLL
5
59
61
IC954
LB1836M
DRIVER
IC952
LA6358NM
LCD DT
LCD LD
IC171
LV4127W
LCD
DRIVER
SHUTTER
TXD
RXD
SDI
SCK
SREQ
SDO
CCD[0:9]
ADCK
PBLK
XCPOB
XSUB
SUBGT
CCDEN
CCDCK
CCDSD
XRG
XH[1:2]
XSGA[1:2]
XSGB[1:2]
XV[1:4]
XSHP
XSHD
LCD CK
R/G/B SIGNAL
ZOOM
FOCUS
IRIS
COMMUNICATION
IC131
ADM3202ARU
D/A CONVERTER
LCD TIMING
SIGNAL
VIDEO
CN952
CN951
CN951
Dout/
Rin
JK131
RS232C
PC JACK
CN106
TO SY1
VCO
CN171
TO LCD
LENS
CN102
TO CA1
JK151
Video
Jack
I-22
Ver.2/Rev.2
Page 24

C-990ZS/C-990ZOOM2/D-490ZOOM2
BLOCK DIAGRAM : CA1 (LENS)
I-23
Ver.2/Rev.2
Page 25

C-990ZS/C-990ZOOM2/D-490ZOOM2 BLOCK DIAGRAMS : CCD
I-24
Ver.2/Rev.2
Page 26

C-990ZS/C-990ZOOM2/D-490ZOOM2 BLOCK DIAGRAMS : ST1(POWER)
I-25
Ver.2/Rev.2
Page 27

SY1
C-990ZS/C-990ZOOM2/D-490ZOOM2 BLOCK DIAGRAMS : SY1
A3001
LCD
BATTERY
1
2
LI
3
BAT
4 5
OFF
LEFT
OK
DOWN
RIGHT
ZOOM+ ZOOM-
MENU FLASH
UP
1
2
3
AL3.2V
8
UNREG
7
VDD
6
RESET
SELF
CAMERA
ON/OFF
TIMER
STORBE
MACRO
SHUTTER SHUTTER
2nd 1st
SW
CARD
MONITO
ON/OFF
D3001
TEST
21
81
84
85
4
5
6
7
3
91
92
93
94
13
11
10
IC301
PROCESSOR
12
1
100
82
83
80
79
72
86
87
75
76
77
97
98
96
95
69
66
65
71
70
74
73
68
67
VMONIT
UNREG
DIN
S.REQ
ASIC SO
ASIC SI
ASIC SCK
ASIC RESET
MAIN
ASIC
LCD ON1
LCD ON2
BL ON
BL CTL
PA ON
V JACK
ZVMUTE
NTSC/
CHG
RXD
P ON
CARD
PAL
19
20
21
24
10
2
4
3
5
18
17
6
9
23
12
27
7
8
25
11
16
30
I-26
Ver.2/Rev.2
Page 28

C-990ZS/C-990ZOOM2/D-490ZOOM2 CIRCUIT DIAGRAM : OVERALL
I-27
Ver.2/Rev.2
Page 29

C-990ZS/C-990ZOOM2/D-490ZOOM2 (NTSC) CIRCUIT DIAGRAM : CA1(MAIN)
I-28
Ver.2/Rev.2
Page 30

C-990ZOOM2 (PAL) CIRCUIT DIAGRAM : CA1(MAIN)
I-29
Ver.2/Rev.2
Page 31

C-990ZS/C-990ZOOM2/D-490ZOOM2 CIRCUIT DIAGRAM : CA1(CCD)
I-30
Ver.2/Rev.2
Page 32

C-990ZS/C-990ZOOM2/D-490ZOOM2 (NTSC) CIRCUIT DIAGRAM : CA1(LCD)
I-31
Ver.2/Rev.2
Page 33

C-990ZOOM2 (PAL) CIRCUIT DIAGRAM : CA1(LCD)
I-32
Ver.2/Rev.2
Page 34

C-990ZS/C-990ZOOM2/D-490ZOOM2 CIRCUIT DIAGRAM : CA1(LENS)
I-33
Ver.2/Rev.2
Page 35

C-990ZS/C-990ZOOM2/D-490ZOOM2 CIRCUIT DIAGRAM : ST1
I-34
Ver.2/Rev.2
Page 36

C-990ZS/C-990ZOOM2/D-490ZOOM2 CIRCUIT DIAGRAM : SY1
I-35
Ver.2/Rev.2
Page 37

C-990ZS/C-990ZOOM2/D-490ZOOM2 CIRCUIT BOARD : CA1
I-36
Ver.2/Rev.2
Page 38

C-990ZS/C-990ZOOM2/D-490ZOOM2 CIRCUIT DIAGRAM :ST1,SY1
I-37
Ver.2/Rev.2