
For Discount Troy Bilt Parts Call 606-678-9623 or 606-561-4983
TB21EC 41ADT21C966 Page 1 of 4
Engine Assembly
www.mymowerparts.com

For Discount Troy Bilt Parts Call 606-678-9623 or 606-561-4983
TB21EC 41ADT21C966 Page 2 of 4
Engine Assembly
Ref # Part Number Qty DescriptionS/P/F
1 753-06243 Rear Cover Assembly (Incl. Ref 2)1
2 791-181862 Starter Screw1 /P
3 753-06244 Starter Assembly (Incl. Ref 2)1
4 753-06245 Rear Engine Cover (Incl. Ref 5)1
5 791-181345 Cover Screw1 /P
6 753-06104 Adapter1
7 753-06091 Pawl Assembly1
8 753-06246 Flywheel Assembly1
9 753-06247 Washer1
10 753-06248 Spacer1
11 753-05860 Clutch Assembly1 /P
12 753-06249 Clutch Cover Assembly (Incl. Ref 2, 13-15 &
13 791-182519 Anti Rotation Screw1
14 753-04003 Clamp Screw1
15 791-180217 Clamp Nut1 S
16 753-06182 Muffler Assembly1
17 753-04619 Muffler Gasket1 /P
18 753-06250 Fuel Tank Assembly (Incl. Ref 19 & 20)1
19 791-181930 Tank Screw1
20 753-05057 Fuel Cap1 /P
21 791-182366 U-Shaped Nut1
22 753-05877 Lead Wires1
23 753-06251 Throttle Cable1
24 753-05420 Module Assembly1
25 753-06252 Cylinder Gasket1
26 710-04715 Cylinder Bolt1 /P
27 753-06193 Spark Plug1
28 753-06189 Insulator Assembly (Incl. Ref 28 & 29)1
29 753-06184 Insulator O-Ring1
30 753-06185 Carburetor O-Ring1
31 753-06190 Carburetor1
32 753-06253 Carburetor Gasket1
33 753-06191 Aircleaner Assembly (Incl. Ref 34)1
34 753-06085 Aircleaner Filter1
753-06254 Short Block Assembly (Incl. Ref 8-10, 24-27,
1
21)
1
Crankcase, Cylinder & Piston) Not shown
49M2027P953 Electric Starter Optional, Not shown1 S
49MESCBP953 Power Start Bit Optional, Not shown1
737-04041 Oil-2 cycle 3.20 oz Bottle Optional, Not
1 S
shown
www.mymowerparts.com

For Discount Troy Bilt Parts Call 606-678-9623 or 606-561-4983
TB21EC 41ADT21C966 Page 3 of 4
General Assembly
www.mymowerparts.com

For Discount Troy Bilt Parts Call 606-678-9623 or 606-561-4983
TB21EC 41ADT21C966 Page 4 of 4
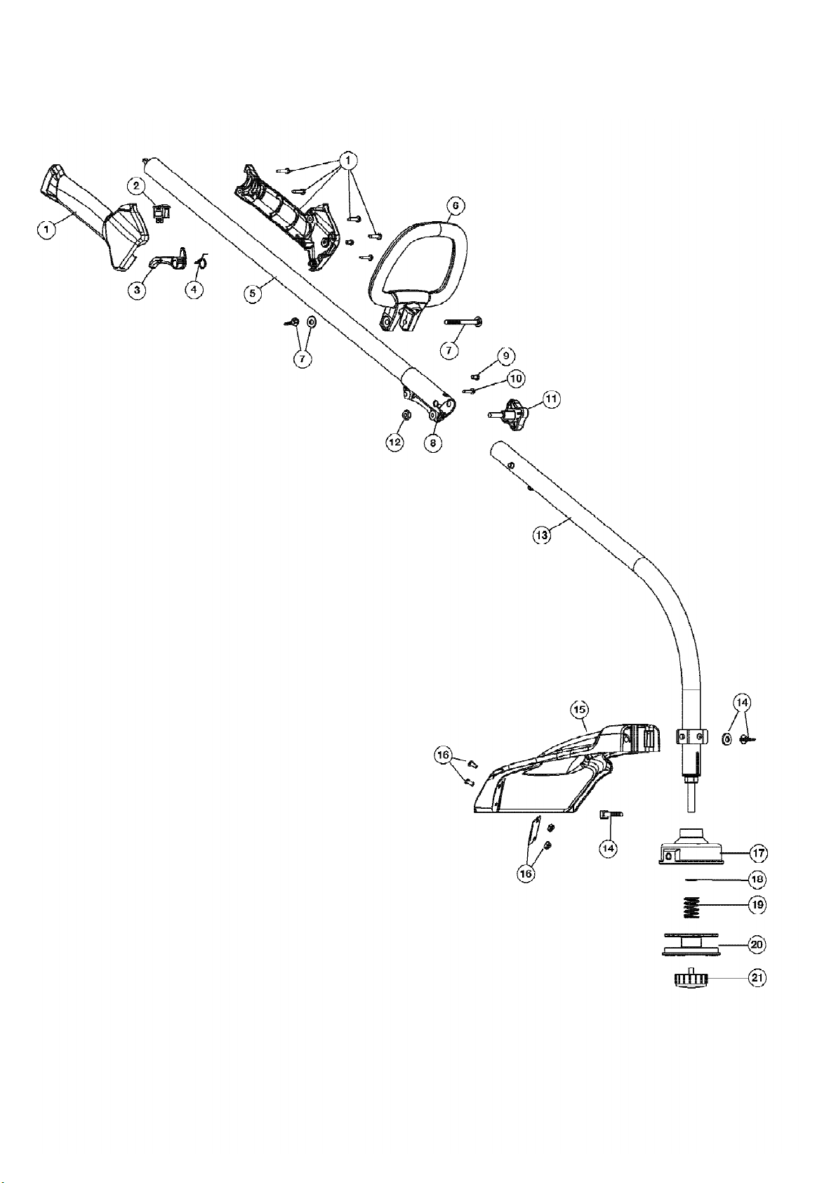
General Assembly
Ref # Part Number Qty DescriptionS/P/F
1 753-04234 Throttle Housing Assembly (Incl. Ref 2-4)1
2 791-182405 Switch1 /P
3 753-04119 Throttle Trigger1 /P
4 791-182690 Throttle Trigger Spring1
5 753-04344 Upper Shaft Housing Assembly1 /P
6 753-05461 D-Handle (Incl. Ref 7)1
7 791-181587 D-Handle Hardware Assembly1 /P
8 753-1190 Split Boom Coupler (Incl. Ref 9-12)1 /P
9 791-182057 Anti Rotation Screw1
10 791-181617 Bolt1
11 791-181618B Adjustment Knob1 /P
12 712-04018A Knob Retainer Nut1 /P
13 753-04508 Lower Shaft Housing Assembly1
14 753-04282 Shield Mounting Hardware1
15 753-04283 Shield Assembly (Incl. Ref 16)1
16 791-180553 Blade Assembly1
17 753-04284 Outer Spool Assembly (Incl. Ref 18)1
18 791-610660 Retainer1
19 791-610317B Spring1 /P
20 753-1155 Inner Reel1 /P
21 791-153066B Bump Head Knob Assembly1 /P
953-1156 Reel & Line Assembly Optional, Not shown1 /P
753-05778 Fixed Line Insert Optional, Not shown1
791-180920 .095 Replacement Line Optional, Not shown1
www.mymowerparts.com