
Установка
.........1
q
.........2
w
.........4
e
.........1
r
.........4
t
.........2
y
.........1
u
.........1
i
www.kenwoodshop.ru (095) 976-30-33 KenwoodShop
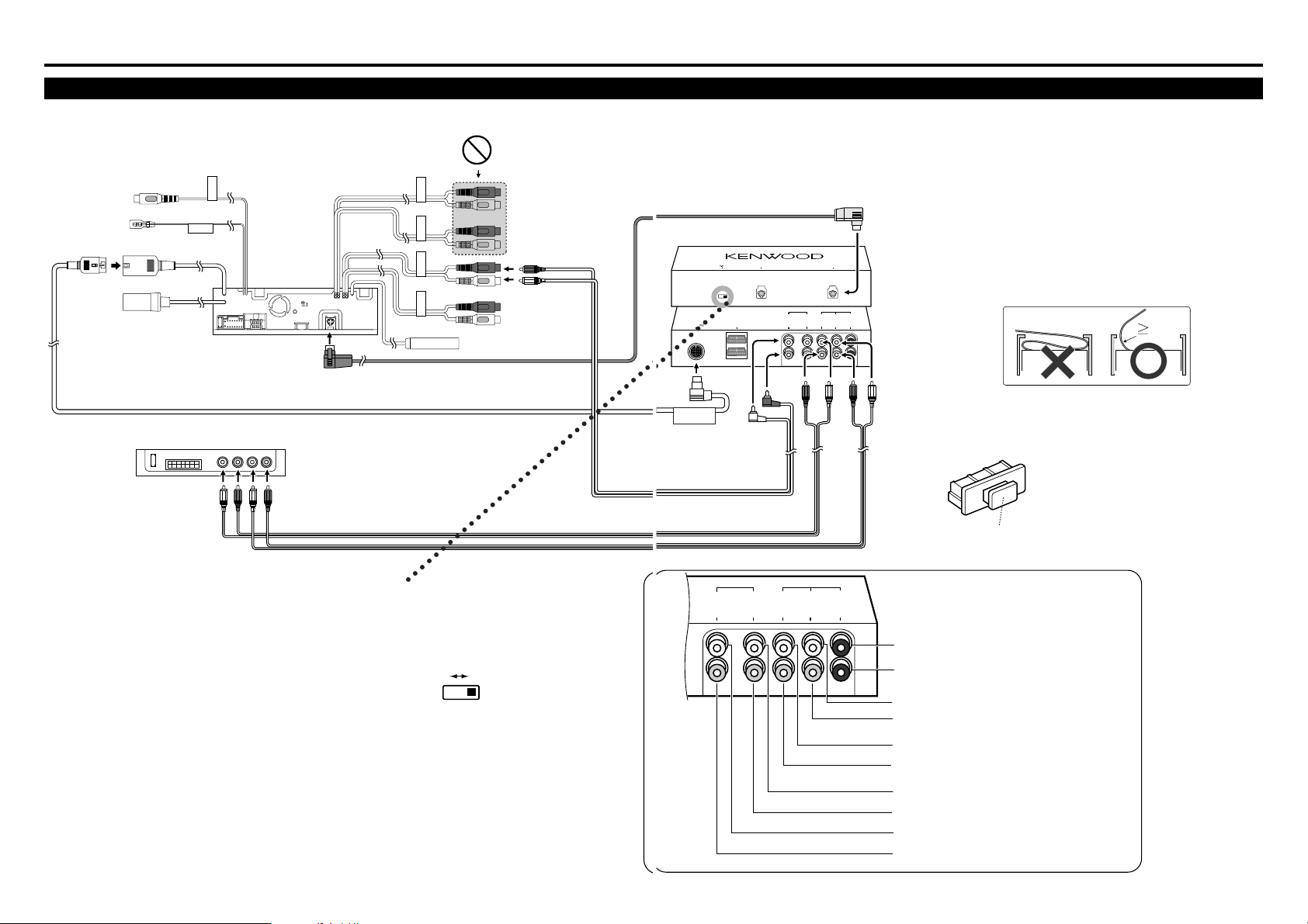
Подключение кабелей к гнездам (подключение по шине MZ-BUS)
(Черный)
Оптический кабель (6 м, принадлежность (4))
DVD-проигрыватель
M 4
Ресивер (лицевая сторона)
ЗАМЕЧАНИЕ
Установите снятые защитные
крышки на неиспользуемые
гнезда процессора KDS-P901.
Аудиокабель (приобретается дополнительно)
Защитная крышка
Дисковый чейнджер с шиной MZ-BUS
Соединительный кабель (в комплекте с чейнджером)
"1"}
Дисковый чейнджер
с шиной MZ-BUS (C929)
1-CH-2
ПРЕДУПРЕЖДЕНИЕ
Когда подключается оптический кабель C929, устанавливайте
переключатель в положение «1».
DVD-проигрыватель & ресивер:
KVT-910DVD/920DVD/930DVD/940DVD/960DVD
Соединительный кабель
(5,5 м, принадлежность (1))
TO NAV.I/F TO ANTENNA TO 5L I/F TO MZ-BUSTO MONITOR
KDS-P901
PROTOCOL SWITCH
BUS OTHER
HEAD UNIT
TO OTHER
(Черный)
HEAD UNIT
TO MZ-BUS
Принадлежности
Внешний вид
................................ Количество
ПРЕДУПРЕЖДЕНИЕ
Использование любых других принадлежностей, может привести к повреждению процессора. Используйте
только принадлежности, которые поставляются в комплекте с процессором и приведены выше.
Внешний вид
................................ Количество
Внешний вид
................................ Количество
Технические характеристики
Секция цифрового процессора сигналов (DSP)
Цифро-аналоговый преобразователь (ЦАП) .................................................................................. 24-битный
Аналого во-цифровой преобразователь (АЦП ) ............................................................................... 24-битный
Декодер ........................................................................... линейный РСМ/Dolby Pro Logic/Dolby Digital/DTS
Эквалайзер
4-полосный параметрический эквалайзер
Частоты 1 диапазона (BAND1) ................................................................... 60/80/100/120/160/200/250 Гц
Частоты 2 диапазона (BAND2) ..................................................................... 315/400/500/630/800/1000 Гц
Частоты 3 диапазона (BAND3) ............................................................................ 1,25/1,6/2/2,5/3,15/4 кГц
Частоты 4 диапазона (BAND4) ................................................................................. 5/6,3/8/10/12,5/16 кГц
Усиление ...................................................................................................................................................... +9 дБ
Контроль качества .................................................................................................................... 0,25/0,5/1,0/2,0
Кроссовер
Частота среза высокочастотного фильтра: ................................................ 30/60/90/120/150/180/250 Гц
Наклон частотной характеристики: ........................................................................................... 12/18/24 дБ
Частота среза низкочастотного фильтра: ................................................... 30/60/90/120/150/180/250 Гц
Наклон частотной характеристики: ........................................................................................... 12/18/24 дБ
Временные настройки
(Øàã 0,15 ì) ....................................................................................................................................... 0 - 3,0 ì
(Øàã 0,3 ì) ...................................................................................................................................... 3,0 - 6,0 ì
Центральный канал (шаг 0,15 м) .................................................................................................... 0 - 1,5 м
Уровень звучания канала ..................................................................................................................... + /-10 дБ
Секция усилителя
Уровень сигнала на выходе предварительного усилителя ...................................................... 4,5 В/10 кОм
Сопротивление выхода предварительного усилителя .................................................................... <=600 Ом
Максимальный уровень входного аудиосигнала .......................................................................... 1 В/22 кОм
Соотношение сигнал/шум ....................................................................................................................... 100 дБ
Общие гармонические искажения (20 кГц LPF, 1 кГц) .......................................................................... 0,01%
Диапазон воспроизводимых частот .......................................................................................... 10 Гц - 24 кГц
Общие характеристики
Установочный размер (ширина х высота х глубина) ....................................................... 208 х 40 х 163 мм
Âåñ ................................................................................................................................................................0,9 êã
72

DIGITAL IN
CD-CH 1
DIGITAL IN
DVD
REAR
R
REAR
L
LINE 1
R
LINE 1
L
(AUX)
FRONT
R
FRONT
L
CENTER
SUBW
T
H
LINE 2
R
LINE 2
L
OUTPUT
INPUT
FM /AM
ANTENNA
AV INPUT
AV INPUT
L R
L R
1
2
VIDEO
VIDEO FRONT REAR
PREOUT
NON-FAD
AV OUTPUT POWER
TO MONITOR UNIT
L R
LR
VIDEO
L L L
R R R
30R
REAR
R
REAR
L
LINE 1
R
LINE 1
L
(AUX)
FRONT
R
FRONT
L
CENTER
SUBW
LINE 2
R
LINE 2
L
OUTPUT
INPUT
Установка
www.kenwoodshop.ru (095) 976-30-33 KenwoodShop
Установка
Крепление к панели
1 Снимите предупреждающую наклейку и с обеих
сторон KDS-P901 прикрепите скобы крепления, воспользовавшись шурупами (М4х8 мм).
ПРЕДОСТЕРЕЖЕНИЕ
Для крепления KDS-P901 используйте шурупы, поставляемые в комплекте. Использование других шурупов может привести к неправильному функционированию устройства.
2 Используйте саморезы (диаметр 4 мм, 16 мм) для
крепления скрытого блока к аудиопанели.
Снимите защитные полоски с «липучек», прикрепите
их к дну скрытого блока и закрепите на коврике.
Крепление к напольному коврику
ПРЕДОСТЕРЕЖЕНИЕ
Пожалуйста, не устанавливайте процессор вблизи
задней полки, багажника или других важных компонентов. В противном случае вследствие механического воздействия на усилитель люди могут получить
серьезные травмы.
Для крепления должны использоваться саморезы.
(Крепление с помощью «липучек», несмотря на свою
легкость, может выдерживать серьезные механические воздействия).
Скобы крепления
(принадлежность (2))
Саморезы (16 мм,
диаметр 4 мм)
(принадлежность (5))
«Липучки» (принадлежность (6))
Болты (М4х8 мм)
(Принадлежность (3))
Предупреждающая наклейка
(Зеленый)
(Зеленый)
(Лицевая сторона)
(Тыльная сторона)
Аудиокабель (6 м: принадлежность (8))
Ресивер (тыльная сторона)
Оптический кабель (в комплекте с C929)
KDS-P901 (тыльная сторона)
Выход канала сабвуфера
Выход центрального канала
ПРЕДОСТЕРЕЖЕНИЕ
При использовании оптического соединительного
кабеля складывайте кабель кольцами радиусом не
менее 30 мм.
Если Вы будете складывать оптический кабель кольцами меньшего радиуса, оптические волокна внутри
кабеля могут быть повреждены. При установке DVDпроигрывателя в автомобиле убеждайтесь в том, что
оптический кабель не прижат между DVD-проигрывателем и корпусом автомобиля.
ПРЕДОСТЕРЕЖЕНИЕ
Установите переключатель PROTOCOL SWITCH в
положение «BUS». После изменения положения
переключателя выполните сброс параметров управляющего устройства.
Ничего не подключайте к гнезду «TO OTHER HEAD
UNIT».
PROTOCOL SWITCH
BUS OTHER
ЗАМЕЧАНИЕ
Оставляйте выходные гнезда ресивера открытыми.
Выход фронтального левого канала (белый)
Выход фронтального правого канала (красный)
Выход тылового левого канала (белый)
Выход тылового правого канала (красный)
Вход левого канала 1 (белый)
Вход правого канала 1 (красный)
Вход левого канала 2 (белый)
Вход правого канала 2 (красный)
6 3

Установка
DIGITAL IN
CD-CH 1
DIGITAL IN
DVD
REAR
R
REAR
L
LINE 1
R
LINE 1
L
(AUX)
FRONT
R
FRONT
L
CENTER
SUBW
TO MZ-BUS
HEAD UNIT
PROTOCOL SWITCH
BUS OTHER
TO OTHER
HEAD UNIT
LINE 2
R
LINE 2
L
OUTPUT
INPUT
REAR
R
REAR
L
LINE 1
R
LINE 1
L
(AUX)
FRONT
R
FRONT
L
CENTER
SUBW
LINE 2
R
LINE 2
L
OUTPUT
INPUT
30R
TO
DSP UNIT
www.kenwoodshop.ru (095) 976-30-33 KenwoodShop
Подключение кабелей к гнездам (другие способы подключения)
ЗАМЕЧАНИЕ
Оставляйте выходные гнезда
ресивера открытыми.
8mmMAX
(Черный)
FRONT
REAR
NON FADING
AUX IN
VIDEO OUT
PARKING
5
DVD-ресивер
Соединительный кабель (6 м: принадлежность (7))
10
Оптический кабель
(6 м: принадлежность (4))
KDS-P901
ПРЕДОСТЕРЕЖЕНИЕ
При использовании оптического соединительного
кабеля складывайте кабель кольцами радиусом
не менее 30 мм.
(Зеленый)
Если Вы будете складывать оптический кабель
кольцами меньшего радиуса, оптические волокна
внутри кабеля могут быть повреждены. При установке DVD-проигрывателя в автомобиле убеждайтесь в том, что оптический кабель не прижат
(лицевая сторона)
между DVD-проигрывателем и корпусом автомобиля.
(тыльная сторона)
ЗАМЕЧАНИЕ
Не снимайте защитные крышки с неиспользуемых гнезд шины BUS.
Усилитель (поставляется
вместе с DVD-ресивером)
Аудиокабель (поставляется
в комплекте с DVD-ресивером)
ПРЕДОСТЕРЕЖЕНИЕ
Установите переключатель PROTOCOL SWITCH в положение «OTHER». После изменения положения переключателя
выполните сброс параметров управляющего устройства.
Ничего не подключайте к шине BUS.
PROTOCOL SWITCH
BUS OTHER
Аудиокабель (6 м: принадлежность (8))
Защитная крышка
KDS-P901 (тыльная сторона)
Выход канала сабвуфера
Выход центрального канала
Выход фронтального левого канала (белый)
Выход фронт.правого канала (красный)
Выход тылового левого канала (белый)
DVD-проигрыватель & ресивер:
Выход тылового правого канала (красный)
Z910DVD/Z920DVD/KDV-Z93/KDV-Z940/KDV-Z960
Вход левого канала 1 (белый)
Вход правого канала 1 (красный)
Вход левого канала 2 (белый)
Вход правого канала 2 (красный)
4 5