 
   
     
   
Setup Guide Installationsanleitung Guide de configuration Guía de configuración Guida alla configurazione Guia de Configuração Руководство по настройке 设置指南 セットアップガイド
English
Deutsch
Francais
Español
Portuauês
Italiano
Рисский
| Montaggio delle spine Euroblock | 93 | 
| Collegamento dei cavi degli altoparlanti | 93 | 
| Collegamento di microfoni o dispositivi esterni | 94 | 
| Collegamento dei microfoni | 94 | 
| Collegamento di dispositivi esterni | 94 | 
| Utilizzo della funzione Mono Sum Input | 94 | 
| Collegamento dell'amplificatore PA2120 | 95 | 
| Collegamento di un pannello di controllo | 96 | 
| Gestione delle funzioni mediante il pannello di controllo | 96 | 
| Utilizzo del connettore [REMOTE] (Euroblock a 3 pin) | 97 | 
| Procedura per la modalità di configurazione | 98 | 
| Indicazione delle impostazioni dei parametri | 98 | 
| Procedura | 99 | 
| Disattivazione del filtro passa-alto per l'ingresso del microfono | 99 | 
| Applicazione del compressore all'ingresso del microfono | 99 | 
| Applicazione dell'EQ (equalizzatore) al segnale di ingresso | 100 | 
| Applicazione dell'eco/riverbero al segnale di ingresso | 101 | 
| Regolazione del livello di mix del riverbero | 101 | 
| Regolazione della sensibilità del ducker | 102 | 
| Regolazione del volume BGM (leveler) | 102 | 
| Impostazione del volume del segnale acustico | 103 | 
| Regolazione del volume di uscita di linea mediante la manopola [VOLUME] | 103 | 
| Soppressore di feedback del microfono | 104 | 
| Inizializzazione delle impostazioni mediante i pannelli di controllo collegati (configurazione DCP) | 104 | 
| Elenco delle impostazioni degli DIP switch | 105 | 
| DIP switch [SETUP] | 105 | 
| DIP switch [SPEAKER A] e [SPEAKER B] | 106 | 
Questa Guida alla configurazione spiega le impostazioni da definire dopo l'installazione e il collegamento dei pannelli di controllo e il controllo remoto.
Le illustrazioni e le schermate presenti in questo manuale hanno scopo puramente esplicativo e possono differire da quelle reali. Le denominazioni sociali e i nomi dei prodotti riportati in questo manuale sono marchi di fabbrica o marchi registrati delle rispettive società.
93
98
163
Esempio (collegamento al connettore [REMOTE])
     
   
I connettori di uscita [SPEAKERS] sul pannello posteriore costituiscono una morsettiera. Di seguito si descrivono le connessioni per due metodi: se si utilizza un capocorda a forcella e se si utilizza un cavo conduttore spellato.
Collegare i cavi in modo che i simboli dell'amplificatore "+" "-" corrispondano a quelli dell'altoparlante. Se vengono invertiti, anche la fase verrà invertita e il suono emesso non sarà quello corretto.
Allentare la vita, inserire dalla parte inferiore e per tutta la lunghezza il capocorda a forcella, quindi serrare la vite di bloccaggio.
     
   
Allentare la vite, avvolgere il cavo conduttore intorno al terminale della morsettiera, quindi serrare la vite di bloccaggio. Assicurarsi che il cavo conduttore spellato non sia in contatto con il telaio dell'amplificatore.
     
   
Collegare un microfono, un sintonizzatore BGM, un lettore CD o un altro lettore audio portatile a un connettore/jack [INPUT] utilizzando un cavo adeguato quando il dispositivo è spento. Dopo aver effettuato tutti i collegamenti, collegare il cavo di alimentazione ad una presa CA.
Quando si collega il cavo di alimentazione a una presa CA, il segnale di ingresso causerà l'accensione del dispositivo grazie alla funzione di attivazione automatica. Per evitare che il volume sia troppo alto, collegare i microfoni e i dispositivi esterni mentre sono spenti.
     
   
Per istruzioni sull'installazione delle spine Euroblock, vedere "Montaggio delle spine Euroblock".
Collegare i microfoni ai connettori [INPUT] 1 - 6 utilizzando una
Se si utilizza un microfono che richiede l'alimentazione phantom (+24V), impostare l'interruttore [GAIN] su "MIC(+24V)".
Per i microfoni che non richiedono l'alimentazione phantom,
impostare l'interruttore [GAIN] su "MIC".
Utilizzare la seguente procedura per collegare un dispositivo esterno a livello di linea.
Utilizzare una spina Euroblock per eseguire un collegamento mediante i connettori [INPUT] 1 - 6 e impostare l'interruttore [GAIN] su "LINE".
Se il dispositivo esterno ha un livello di uscita molto basso, impostare l'interruttore [GAIN] su "MIC" per aumentare il guadagno di input.
Utilizzare un cavo RCA per effettuare i collegamenti ai jack [INPUT] 7 e 8. Se la sorgente è stereo e si utilizzano la zona A e la zona B come stereo, impostare l'interruttore [MODE] su "STEREO". Se si utilizzano la zona A e la zona B separatamente, impostare l'interruttore [MODE] su "MONO" e utilizzare l'interruttore [ROUTE] per selezionare la zona che riceve l'uscita audio.
Utilizzare un connettore stereo mini per effettuare i collegamenti mediante il jack [AUX IN] sul pannello frontale. Il segnale proveniente dal jack [AUX IN] viene mixato nello stesso percorso del segnale del jack [INPUT] 8.
Gli ingressi [INPUT 5] e [INPUT 6] sono dotati della funzione Mono Sum Input. Ognuno può essere utilizzato per sommare una sorgente stereo a livello di linea o due origini mono separate. Il segnale di ingresso viene mixato direttamente in mono e trasmesso nella zona selezionata mediante l'interruttore [ROUTE] per il jack [INPUT] 5 e 6. Utilizzare i jack [MONO SUM INPUT] per collegare vari dispositivi esterni senza utilizzare un mixer a parte. Tenere presente, tuttavia, che, se è presente anche un segnale di ingresso inviato da prese Euroblock per i connettori [INPUT] 5 o 6, il segnale di ingresso da [MONO SUM INPUT] viene mixato con il segnale proveniente dai connettori [INPUT] 5 o 6.
Se si utilizzano molti altoparlanti e l'unità MA2120 non è in grado di gestirli, è possibile collegare un amplificatore PA2120 per aumentare la capacità.
Per utilizzare questa funzionalità, collegare il jack [LINE OUT] dell'unità MA2120 al jack [INPUT] dell'unità PA2120 mediante un cavo RCA mentre tutti i dispositivi sono spenti. Per aumentare ulteriormente la capacità, è possibile collegare un altro amplificatore PA2120. Basta collegare i jack [THRU OUT] dell'unità PA2120 ai jack [INPUT] dell'amplificatore PA2120 aggiuntivo. Dopo aver effettuato tutti i collegamenti, collegare il cavo di alimentazione ad una presa CA
Quando si collega il cavo di alimentazione a una presa CA, il segnale di ingresso causerà l'accensione del dispositivo grazie alla funzione di attivazione automatica. Per evitare che il volume sia troppo alto, collegare i microfoni e i dispositivi esterni mentre sono spenti.
Quando si abbassa il livello di uscita con le manopole [VOLUME] o un pannello di controllo esterno, la funzione Attivazione automatica del PA2120 potrebbe non operare correttamente a causa dell'assenza di un livello di ingresso. Assicurarsi di impostare un livello di uscita del PA2120 sufficiente per utilizzare correttamente la funzione Attivazione automatica.
     
   
In modalità di configurazione, è possibile definire se il livello di uscita dai jack [LINE OUT] dell'unità MA2120 è collegato al livello di uscita proveniente dai terminali [SPEAKERS] dell'unità MA2120 o se viene controllato indipendentemente. Impostare le manopole [VOLUME] dell'unità PA2120 al massimo per impostare il livello dell'unità PA2120 sullo stesso livello dell'unità MA2120. Per collegare il funzionamento mediante il pannello di controllo, utilizzare lo DIP switch [SETUP].
Se si collega un pannello di controllo digitale Yamaha (DCP1V4S, DCP4S, DCP4V4S) all'unità MA2120, è possibile controllare il volume, cambiare gli ingressi e così via in remoto. È possibile collegare fino a due pannelli di controllo digitali (DCP). Per il modello 24AWG, la lunghezza totale dei cavi dall'unità MA2120 all'ultimo pannello di controllo non deve essere superiore a 800 metri.
Quando si collegano i pannelli di controllo tramite DCH8, la lunghezza dei cavi al pannello di controllo finale deve essere minore di 200 m (in base alle specifiche dell'unità DCH8). Se è necessaria una lunghezza maggiore, si consiglia di non utilizzare l'unità DCH8 ma di collegare i dispositivi in una configurazione a margherita.
     
   
MA2120 - Pannello posteriore
Collegando un pannello di controllo, è possibile utilizzare molte funzioni utili dell'amplificatore MA2120.
Impostare lo DIP switch [SETUP] sul pannello posteriore su [SPEAKERS+LINE OUT] per controllare congiuntamente i livelli di uscita di [SPEAKERS] e [LINE OUT] mediante il pannello di controllo.
Il canale di ingresso di un dispositivo, ad esempio un microfono, può essere attivato e disattivato mediante l'interruttore sul pannello di controllo.
È possibile anche collegare l'attivazione o la disattivazione in modo che venga emesso un segnale acustico o che venga disattivato il segnale di ingresso dai jack[INPUT] 7 e 8.
È possibile collegare gli switch al connettore [REMOTE] del pannello posteriore e utilizzarli per attivare/disattivare in remoto l'esclusione audio delle uscite di tutti i canali o modificare lo stato di accensione da On a Standby e viceversa.
Da sinistra, il connettore [REMOTE] è costituito dai pin M (mute all, escludi tutto), S (standby) e G (ground, messa a terra).
Il connettore [REMOTE] utilizza una spina Euroblock. Per informazioni dettagliate su come collegare le spine Euroblock, vedere "Montaggio delle spine Euroblock".
     
   
Per configurare le impostazioni avanzate dell'amplificatore MA2120, utilizzare l'encoder [SETUP] e le manopole 1 - 8 del livello di ingresso.
     
   
Si possono utilizzare tre tipi di modalità di configurazione delle impostazioni avanzate. Le operazioni e la funzionalità di ogni tipo di modalità di configurazione sono le seguenti:
Soppressore di feedback, configurazione DCP
Attenersi alla procedura descritta di seguito per configurare le impostazioni avanzate.
| Selezionare la modalità di configurazione | → | Selezionare la funzione | → | Selezionare il canale | → | Impostare i parametri | 
|---|---|---|---|---|---|---|
| Encoder [SETUP] Manopole 1 e 2 del livello di ingresso | Manopole 1-8 del livello di ingresso | Manopole 1-8 del livello di ingresso | Encoder [SETUP] | 
Dopo aver eseguito le varie operazioni, l'indicatore corrispondente lampeggia rapidamente tre volte. Quando si selezionano le funzioni o i canali, l'indicatore lampeggia lentamente a indicare che le funzioni o i canali che si possono selezionare.
Quando si regola un parametro, è possibile premere una manopola del livello di ingresso in modo che l'indicatore [INPUT SIG] corrispondente (che mostra la funzione selezionata) e l'indicatore [INPUT PEAK] (che mostra il canale selezionato) lampeggino.
| Applicare il parametro e tornare alla | → Tornare alla selezione della | Tornare al funzionamento normale | |||
|---|---|---|---|---|---|
| selezione dei canali | funzione | ||||
| Encoder [SETUP] | Encoder [SETUP] | Encoder [SETUP] | |||
Dopo aver impostato il parametro, premere l'encoder [SETUP] per confermare l'impostazione. A questo punto, tenere premuto l'encoder [SETUP] per almeno quattro secondi per ripristinare l'impostazione predefinita del parametro corrente
Una volta confermato il parametro, la modalità del dispositivo torna alla selezione del canale. Premere di nuovo l'encoder [SETUP] per tornare alla selezione della funzione e premerlo un'altra volta per tornare alla modalità normale.
In modalità di configurazione, le impostazioni correnti sono segnalate da tre indicatori sopra l'encoder [SETUP].
Gli indicatori possono accendersi o lampeggiare per mostrare lo stato di attivazione o disattivazione del valore impostato. Inoltre,
a seconda del valore del parametro, il tipo di lampeggio potrebbe variare. Ad esempio, se si aumenta il tempo di delay dell'eco,
il tempo di accensione durante il lampeggio aumenta
In questa guida, il funzionamento degli indicatori è riportato come segue.
     
   
     
   
: Disattivato
Il filtro passa-alto per l'ingresso del microfono (frequenza di taglio: 120Hz) è attivato per impostazione predefinita. Ciò consente di ridurre i rumori causati dal vento e gli schiocchi quando si utilizza un microfono.
Il filtro passa-alto è abilitato per il canale di ingresso quando l'interruttore [GAIN] è impostato su "MIC(+24V)" o "MIC".
Il filtro passa-alto, inoltre, viene applicato all'ingresso [MONO SUM INPUT] quando l'interruttore [GAIN] per i jack INPUT 5 e 6 è impostato su "MIC(+24V)" o "MIC".
     
   
     
   
5 Premere l'encoder [SETUP] per applicare l'impostazione.
Lo stato torna alla selezione del canale (passo 3).
L'ingresso del microfono può essere elaborato con un compressore per comprimere correttamente il segnale e regolare automaticamente il livello di uscita.
Il livello di compressione è indicato da sette livelli con valori sempre più alti
Il compressore è abilitato per il canale di ingresso quando l'interruttore [GAIN] è impostato su "MIC(+24V)" o "MIC".
Il compressore viene applicato all'ingresso [MONO SUM INPUT] quando l'interruttore [GAIN] per i jack INPUT 5 e 6 è impostato su "MIC(+24V)" o "MIC".
     
   
Il valore del parametro cambia mentre si ruota l'encoder
Disattivato: 1: 2 e 3: 4: 5 e 6: 7: b
5 Premere l'encoder [SETUP] per applicare l'impostazione.
al segnale di ingresso è possibile applicare un EQ a due bande (TREBLE e BASS) per regolare la qualità del suono. La gamma dell'EQ è ±10dB e può essere impostata con intervalli di 1dB.
     
   
Il valore del parametro cambia mentre si ruota l'encoder.
     
   
Se il valore dell'EQ impostato per [INPUT 7] e [INPUT 8] supera i +5dB, viene avviata la funzione dell'enhancer e vengono aggiunti gli armonici.
5 Premere l'encoder [SETUP] per applicare l'impostazione.
Ai segnali di ingresso di INPUT 1 e INPUT 3 è possibile applicare l'eco/riverbero per rendere più corposo il suono Sono disponibili un tipo di eco, che consente di regolare il tempo di riverbero, o tre tipi di riverberi.
     
   
Lo stato torna alla selezione del canale (passo 3).
È possibile regolare il livello di mix del riverbero applicato ai segnali di ingresso di [INPUT 1] e [INPUT 3]. La percentuale di riverbero applicata al segnale originale può essere impostata tra 0% e 100%. Sono disponibili dieci livelli con intervalli del 10%.
5
     
   
Il valore del parametro cambia mentre si ruota l'encoder.
| 0%: | ||
|---|---|---|
| 10%: | ||
| Dal 20% al 40%: | ||
| 50%: | Impostazione predefinita | |
| Dal 60% al 90%: | ||
| 100%: | ••• | |
| Premere l'ence | oder [SETUP] | per applicare | 
È possibile regolare la sensibilità della funzione ducker. Se il jack [INPUT 1] o [INPUT 3] riceve un segnale di ingresso, questa funzione consente di disattivare l'ingresso del microfono per i canali al di fuori della specifica zona di uscita o abbassare il volume di ingresso di linea di 24dB.
La sensibilità di ingresso del ducker può essere impostata su "Low", "Mid" o "High".
La funzione ducker può essere attivata o disattivata spostando gli DIP switch [SETUP] 7 e 8 quando il dispositivo è spento o in modalità standhy
Per ulteriori informazioni, vedere "Controlli e funzioni" nel Manuale di istruzioni oppure "Elenco delle impostazioni degli DIP switch" a pagina 105.
O C
Il valore del parametro cambia mentre si ruota l'encoder
     
   
Lo stato torna alla selezione del canale (passo 3)
È possibile selezionare il livello di destinazione per la funzione leveler. Questa funzione consente di regolare il volume su una gamma quasi costante nel caso in cui i segnali di ingresso per [INPUT 7]/[INPUT 8] abbiano variazioni significative di volume. La funzione leveler consente di regolare un segnale su una gamma di ±6dB. Il livello di destinazione può essere impostato su "Off" (Disattivato) "I ow" (Basso) o "Normal" (Normale)
I canali in cui è abilitata la funzione leveler hanno un delay del segnale di uscita di circa 20 ms per via dei necessari tempi di elaborazione aritmetica.
     
   
3 Premere la manopola 7 o 8 del livello di ingresso per selezionare il canale di ingresso al quale applicare la funzione leveler.
4 Ruotare l'encoder [SETUP] per selezionare il livello di destinazione.
     
   
5 Premere l'encoder [SETUP] per applicare l'impostazione.
È possibile impostare il volume del segnale acustico emesso quando l'ingresso del microfono viene attivato o disattivato mediante l'interruttore del pannello di controllo.
Il volume può essere impostato su "Mute", "-12dB" o "-6dB". È possibile impostare volumi diversi per ogni zona.
     
   
Lo stato torna alla selezione del canale (passo 3)
È possibile attivare o disattivare il funzionamento collegato di [SPEAKERS] e [LINE OUT]. Questa funzione consente di regolare simultaneamente il livello del segnale di uscita proveniente dal jack [LINE OUT] quando di ruotano le manopole [VOLUME A] e [VOLUME B].
Quando si modifica questo parametro, impostare al minimo il volume del dispositivo collegato al connettore [LINE OUT].
     
   
     
   
5 Premere l'encoder [SETUP] per applicare l'impostazione.
È possibile attivare e disattivare il soppressore di feedback. Questa funzione consente di sopprimere automaticamente il feedback del microfono guando viene rilevato.
Il soppressore di feedback è abilitato per il canale di ingresso quando l'interruttore [GAIN] è impostato su "MIC(+24V)" o "MIC".
Il soppressore di feedback viene applicato all'ingresso [MONO SUM INPUT] quando l'interruttore [GAIN] per i jack INPUT 5 e 6
è impostato su "MIC(+24V)" o "MIC".
     
   
Inizializzazione delle impostazioni mediante i pannelli di controllo collegati (configurazione DCP)
| 3 2 1 4, 5 | Tenere premuti contemporaneamente l'encoder [SETUP] e la manopola 2 del livello di ingresso per almeno un secondo. Premere la manopola 2 del livello di ingresso. Premere la manopola 1 del livello di ingresso. Ruotare l'encoder [SETUP] per determinare se riutilizzare le impostazioni precedenti o se inizializzarle guando si accende l'unità. | |||
|---|---|---|---|---|
| Riutilizzare: | ||||
| Inizializzare: 🌑 | ||||
| 5 | Premere l'encoder [SETUP] per applicare | |||
Lo stato torna a essere quello del passo 3.
Le funzioni degli DIP switch sono elencate anche nella sezione "Controlli e funzioni" del Manuale di istruzioni.
Azionare gli DIP switch solo quando il dispositivo è spento o in modalità standby. La modifica all'impostazione verrà applicata dopo aver spento l'unità premendo il pulsante [1] nel pannello frontale.
Impostano le manopole e i controlli da bloccare nel pannello.
| 1 | 2 | Impostazione | 
|---|---|---|
| Disattivazione del blocco pannello (tutti i controlli sono abilitati) | ||
| Blocca la manopola [SETUP] | ||
| Blocca tutti i controlli tranne le manopole [VOLUME] | ||
| Attivazione del blocco pannello (tutti i controlli sono disabilitati) | 
Abilitano la funzione in base alla quale il dispositivo in modalità standby si attiva automaticamente quando rileva un segnale di ingresso.
| 3 | 4 | Impostazione | 
|---|---|---|
| Attivazione automatica attivata | ||
| Attivazione automatica attivata. Solo quando il sistema passa dallo stato spento alla modalità standby inseguito all'inserimento della presa CA o viene messo in modalità standby dalla funzione di standby automatico. | ||
| Attivazione automatica disattivata | 
La funzione di attivazione automatica è disabilitata del tutto se il dispositivo è stato messo in modalità standby mediante il connettore [REMOTE].
Determina se il volume di SPEAKER A e SPEAKER B è collegato. Se è collegato, il volume di entrambi gli altoparlanti può essere controllato con la manopola [VOLUME A]
| 5 | Impostazione | 
|---|---|
| Non collegato (i livelli di volume di SPEAKER A e SPEAKER B sono controllati indipendentemente) | |
| Collegato (i livelli di volume di SPEAKER A e SPEAKER B sono controllati dalla manopola [VOLUME A]) | |
Se si attiva il collegamento del volume A - B quando la funzione per controllare il volume di uscita di linea A e B mediante la manopola [VOLUME] è abilitata in modalità di configurazione, vengono collegati anche LINE OUT A e B.
Imposta se i livelli di uscita dei jack [SPEAKERS] e [LINE OUT] sono collegati quando il volume viene modificato mediante il pannello di controllo digitale (DCP).
| 6 | Impostazione | 
|---|---|
| Non collegato (i livelli di volume dei jack [SPEAKERS] e [LINE OUT] sono controllati indipendentemente) | |
| Collegato (l'uscita dei jack [SPEAKERS] e [LINE OUT] è controllata congiuntamente) | 
ΝΟΤΑ
Se la funzione di collegamento è attivata, è possibile controllare il volume utilizzando sia [SPEAKER] che [LINE OUT] sul dispositivo DCP.
Configurazione le impostazioni per la funzione ducker. Questa funzione consente di disattivare l'audio dell'ingresso del microfono per altri canali e abbassare il volume di ingresso di linea per i segnali presenti su [INPUT 1] o [INPUT 3].
| 7 | 8 | Impostazione | 
|---|---|---|
| Ducker disattivato | ||
| Ducker attivato quando i segnali vengono trasmessi su [INPUT 1]. | ||
| Ducker attivato quando i segnali vengono trasmessi su [INPUT 3]. | ||
| Ducker attivato quando i segnali vengono trasmessi su [INPUT 1] o [INPUT 3]. Se i segnali vengono trasmessi su entrambi gli ingressi, [INPUT 1] ha la precedenza. | 
DIP switch 1, 2 e 3: Configurazione della modalità dell'amplificatore
Se le impostazioni dei DIP switch non corrispondono all'impedenza effettiva degli amplificatori alla tensione di ingresso, il dispositivo potrebbe non funzionare correttamente e si potrebbero verificare malfunzionamenti o interruzioni dell'audio. Assicurarsi si scegliere sempre le impostazioni adequate
| 1 | 2 | 3 | Impostazione | |
|---|---|---|---|---|
| Uscita amplificatore 120W, alta impedenza 100V | ||||
| Uscita amplificatore 120W, alta impedenza 70V | ||||
| Uscita amplificatore 200W, alta impedenza 100V, uscita solo dal terminale [SPEAKERS] A | ||||
| Uscita amplificatore 200W, alta impedenza 70V, uscita solo dal terminale [SPEAKERS] A | ||||
| Uscita amplificatore 100W, bassa impedenza 8 Ω o più | ||||
| Uscita amplificatore 120W, bassa impedenza da 4 Ω a meno di 8 Ω | ||||
| Uscita amplificatore 100W, bassa impedenza da 3 Ω a meno di 4 Ω | ||||
| Uscita disattivata | ||||
Imposta l'EQ dell'altoparlante che corregge il segnale di uscita in modo che corrisponda al tipo di altoparlante collegato.
| 4 | 5 | 6 | Impostazione | 
|---|---|---|---|
| Disattivato | |||
| Filtro passa-alto 150Hz | |||
| Filtro passa-basso 150Hz | |||
| Filtro passa-basso 200Hz | |||
| Correzione della frequenza specifica per gli altoparlanti Yamaha serie VXS | |||
| Correzione della frequenza specifica per il subwoofer Yamaha VXS10S/ VXS10ST (45-150Hz) | |||
| Correzione della frequenza specifica per gli altoparlanti Yamaha serie VXC | 
| ID pan- nello | Encoder | Switch 1 | Switch 2 | Switch 3 | Switch 4 | 
|---|---|---|---|---|---|
| 0, 1 | Controllo volume | Encoder target controllo: SPEAKERS A | Encoder target controllo: SPEAKERS B | ||
| 2, 3 | Controllo volume | [INPUT 1] attivato/ disattivato Segale acustico attivato | [INPUT 3] attivato/ disattivato Segale acustico attivato | Encoder target controllo: SPEAKERS A | Encoder target controllo: SPEAKERS B | 
| 4, 5 | Controllo volume | [INPUT 1] attivato/ disattivato Segale acustico attivato Audio [INPUT] 7 e 8 disattivato | [INPUT 3] attivato/ disattivato Segale acustico attivato Audio [INPUT] 7 e 8 disattivato | Encoder target controllo: SPEAKERS A | Encoder target controllo: SPEAKERS B | 
| 6, 7 | Controllo volume | Encoder target controllo: LINE OUT A | Encoder target controllo: LINE OUT B | Encoder target controllo: SPEAKERS A | Encoder target controllo: SPEAKERS B | 
| ID pan- nello | Switch 1 | Switch 2 | Switch 3 | Switch 4 | 
|---|---|---|---|---|
| 0, 1 | Volume su: SPEAKERS A | Volume giù: SPEAKERS A | Volume su: SPEAKERS B | Volume giù: SPEAKERS B | 
| 2, 3 | Volume su: LINE OUT A | Volume giù: LINE OUT A | Volume su: LINE OUT B | Volume giù: LINE OUT B | 
| 4, 5 | [INPUT 1] attivato/ disattivato Segale acustico attivato | [INPUT 3] attivato/ disattivato Segale acustico attivato | ||
| 6, 7 | [INPUT 1] attivato/ disattivato Segale acustico attivato Audio [INPUT] 7 e 8 disattivato | [INPUT 3] attivato/ disattivato Segale acustico attivato Audio [INPUT] 7 e 8 disattivato | 
| ID pan- nello | Encoder 1 | Encoder 2 | Encoder 3 | Encoder 4 | 
|---|---|---|---|---|
| 0, 1 | Controllo volume | Controllo volume | Controllo volume | Controllo volume | 
| LINE OUT A | LINE OUT B | SPEAKERS A | SPEAKERS B | |
| 2 | Controllo volume | Controllo volume | Controllo volume | Controllo volume | 
| INPUT 1 | INPUT 2 | INPUT 3 | INPUT 4 | |
| 3 | Controllo volume | Controllo volume | Controllo volume | Controllo volume | 
| INPUT 5 | INPUT 6 | INPUT 7 | INPUT 8 | |
| 4, 5 | Controllo volume | me Controllo volume Controllo volu | Controllo volume | |
| INPUT 1 | INPUT 3 SPEAKERS | SPEAKERS B | ||
| 6, 7 | Controllo volume | Controllo volume | Controllo volume | Controllo volume | 
| INPUT 7 | INPUT 8 | SPEAKERS A | SPEAKERS B | |
| ID pan- nello | Switch 1 | Switch 2 | Switch 3 | Switch 4 | 
|---|---|---|---|---|
| 0, 1 | ||||
| 2 | [INPUT 1] attivato/ disattivato | [INPUT 2] attivato/ disattivato | [INPUT 3] attivato/ disattivato | [INPUT 4] attivato/ disattivato | 
| 3 | [INPUT 5] attivato/ disattivato | [INPUT 6] attivato/ disattivato | [INPUT 7] attivato/ disattivato | [INPUT 8] attivato/ disattivato | 
| 4, 5 | [INPUT 1] attivato/ disattivato Segale acustico attivato Audio [INPUT] 7 e 8 disattivato | [INPUT 3] attivato/ disattivato Segale acustico attivato Audio [INPUT] 7 e 8 disattivato | ||
| 6, 7 | 
Per un collegamento ad alta impedenza, un trasformatore per altoparlanti che aumenta l'impedenza a diverse centinaia o migliaia di ohm viene aggiunto al sistema di altoparlanti. Questo consente al sistema di altoparlanti di essere gestito in modo efficace con un impiego di corrente di gran lunga inferiore rispetto a quanto necessario per un collegamento a bassa impedenza. Di conseguenza, è possibile collegare sistemi con molti altoparlanti. Anche su lunghe distanze, la perdita di trasmissione è molto ridotta in quanto la resistenza del cavo è minima in relazione all'impedenza del sistema di altoparlanti. I collegamenti di altoparlanti ad alta impedenza di solito utilizzano una tensione massima di 100 o 70 volt
Il collegamento più tradizionale a bassa impedenza non utilizza trasformatori per altoparlanti I sistemi di altoparlanti vengono collegati direttamente all'amplificatore con un'impedenza nominale che si aggira di solito intorno ai 4 - 16 ohm. Per distanze brevi sulle quali la resistenza del cavo è insignificante, i collegamenti a bassa impedenza garantiscono una qualità del suono superiore ai collegamenti ad alta impedenza.
Le differenze tra i metodi di collegamento sono descritte di seguito.
Se il valore nominale della corrente in ingresso totale per tutti gli altoparlanti rientra nelle capacità di uscita della corrente dell'amplificatore, è possibile collegare qualsiasi numero di sistemi di altoparlanti in parallelo. Il valore nominale della corrente in ingresso è determinato dai sistemi di altoparlanti e dai trasformatori per altoparlanti utilizzati. È inoltre possibile collegare sistemi di altoparlanti con valori nominali di corrente di ingresso diversi. Nel caso di sistemi di altoparlanti in grado di cambiare i valori nominali di corrente di ingresso (Yamaha serie VXC e VXS e così via), ciò consente di variare il volume di ogni altoparlante.
     
   
Quando si collegano più sistemi di altoparlanti a bassa impedenza a un singolo canale, sono consentiti i seguenti metodi.
Quando più sistemi di altoparlanti con la stessa impedenza sono collegati in parallelo, l'impedenza totale diventa l'impedenza del sistema di altoparlanti singolo divisa per il numero di sistemi collegati.
     
   
Nel collegamento in serie, l'impedenza totale è semplicemente la somma delle impedenze dei sistemi di altoparlanti collegati. Tuttavia, se si verifica un malfunzionamento di un sistema di altoparlanti, il segnale elettrico non verrà passato e i successivi sistemi di altoparlanti non saranno interessati.
     
   
| Output Power | ||
|---|---|---|
| 20msec Burst | AMP MODE = 3Ω | 100W x 2ch | 
| (THD+N=1%) | AMP MODE = 4Ω | 120W x 2ch | 
| AMP MODE = 8Ω | 100W x 2ch | |
| AMP MODE = 70V/120W | 120W x 2ch | |
| AMP MODE = 100V/120W | 120W x 2ch | |
| AMP MODE = 70V/200W | 200W x 1ch | |
| AMP MODE = 100V/200W | 200W x 1ch | |
| Terminal | 7.62mm BARRIER STRIP 4pin | 
| LINE C | DUT | ||
|---|---|---|---|
| Actual source impedance | 600Ω | ||
| For use with nominal | 10kΩ Lines | ||
| Output Level | Nominal | -10dBV (316mV) | |
| Terminal | MONO RCA PIN x2, unbalanced | 
| MIC IN (INPUT | T 1-6) | ||
|---|---|---|---|
| Input L | _evel | Sensitivity | -56dBu (1.23mV) | 
| INPU | T 1-6, Euro, | Nominal | -36dBu (12.3mV) | 
| Dalai | iceu | Max before clip | -8dBu (0.309V) | 
| LINE IN (INPU | T 1-8) | ||
| Input L | _evel | Sensitivity | -24dBu (48.9mV) | 
| INPU balan | INPUT 1-6, Euro, balanced Input Level | Nominal | -4dBu (0.489V) | 
| Dalai | Max before clip | +24dBu (12.3V) | |
| Input L | _evel | Sensitivity | -30dBV (31.6mV) | 
| INPU | INPUT 5-8, RCA, unbalanced | Nominal | -10dBV (316mV) | 
| unba | Max before clip | +10dBV (3.16V) | |
| Input L | Input Level INPUT 8, ST mini phone, unbalanced | Sensitivity | -30dBV (31.6mV) | 
| INPU | Nominal | -10dBV (316mV) | |
| unba | lanceu | Max before clip | +10dBV (3.16V) | 
| Terminal | |||
| MIC/LI | INE IN | INPUT 1-6 | 3.5mm Euro Block 6pin x3 balanced | 
| LINE I | LINE IN | INPUT 5-6 | MONO RCA PIN x4 unbalanced | 
| INPUT 7-8 | STEREO RCA PIN x2 unbalanced | ||
| INPUT 8 (Front Panel) | 3.5mm STEREO mini phone x1 unbalanced | 
| Amplifier type (Output circuitry) | Class D | |
|---|---|---|
| THD+N | LINE IN to SPEAKER OUT, | |
| Half power@1kHz AMP MODE = 3Ω, 4Ω, 8Ω | ≤ 0.2% | |
| LINE IN to SPEAKER OUT, Half power@1kHz AMP MODE = 70V, 100V/120W | ≤ 0.2% | |
| LINE IN to SPEAKER OUT, Half power@1kHz AMP MODE = 70V, 100V/200W | ≤ 0.2% | |
| Frequency Response | LINE IN to SPEAKER OUT, 50Hz to 20kHz@1W AMP MODE = 3Ω, 4Ω, 8Ω | 0dB, -3.0dB, +1.0dB | 
| LINE IN to SPEAKER OUT, 90Hz to 20kHz@1W AMP MODE = 70V, 100V/120W | 0dB, -3.0dB, +1.0dB | |
| LINE IN to SPEAKER OUT, 90Hz to 20kHz@1W AMP MODE = 70V, 100V/200W | 0dB, -3.0dB, +1.0dB | |
| LINE IN to LINE OUT, 20Hz-20kHz | 0dB, -2.5dB, +1.0dB | |
| Crosstalk | MIC/LINE IN to other MIC/LINE IN | ≤ -70dB | 
| Load Protection | POWER/STANDBY SW on/off | Mute the output | 
| Output Voltage Protection | Compress output voltage when needed | |
| DC-fault | Power Supply shutdown | |
| Amplifier Protection | Thermal | Limit output → Mute → Shutdown | 
| Over current | Mute the output (with automatic restoration) | |
| Integrated Power Limit | Compress output | |
| Power Supply Protection | Thermal | Power supply shutdown | 
| Over voltage | Power supply shutdown | |
| Over current | Limit power → Power supply shutdown | |
| Cooling | Conventional cooling, bottom to up airflow | |
| Controls | Front Panel | POWER/STANDBY SW, INPUT volume x 8, SETUP encoder x 1 OUTPUT volume x 2, BASS EQ volume x 2, TREBLE EQ volume x 2 | 
| Rear Panel | SETUP DIP SW x1, SPEAKER A/B DIP SW x2, ROUTE SW x4, GAIN SW x3, MODE SW x1 | |
| Connectors | Analog In (MIC/LINE) | 3.5mm Euro Block 6pin x3 (Rear) | 
| Analog In (LINE) | MONO RCA PIN x4 (Rear), STEREO RCA PIN x2 (Rear), 3.5mm STEREO mini phone x1 (Front) | |
| Analog Out | MONO RCA PIN x2 (Rear/LINE OUT) | |
| Speakers | 7.62mm BARRIER STRIP 4pin x1 (Rear) | |
| Remote | RJ45 x1 (Rear/DCP), 3.5mm Euro Block 3pin x1 (Rear/REMOTE) | |
| Indicators AC Power Requirement | POWER x1 (Green/Orange), INPUT SIGNAL x8 (Green), INPUT PEAK x8 (Red), SETUP x3 (Green), OUTPUT SIGNAL x2 (Green), OUTPUT LIMIT x2 (Red) | |
| *1 It has confirmed that it is working with ±10% of the voltage of the rated supply voltage. | 
| Power Consumption | Standby, default setting AMP MODE = All | ≤ 1W | 
|---|---|---|
| Idle AMP MODE = 3Ω, 4Ω, 8Ω | 15W | |
| Idle AMP MODE = 70V, 100V | 20W | |
| 1/8 Output, Pink noise AMP MODE = 4Ω | 60W | |
| 1/8 Output, Pink noise AMP MODE = 70V/120W | 60W | |
| ENERGY STAR | 
 | 
| Precautions for rack mounting | Rack mountable (Leave more than 1U of spaces between this unit and others.) | 
|---|---|
| Operating temperature | 0℃ to +40℃ | 
| Storage temperature | -20℃ to +60℃ | 
| Dimensions (W x H x D, not including knob) | 480 x 44 x 351 mm 18.90 x 1.73 x 13.82 inch | 
| Net Weight | 4.9kg | 
| Included Accessories | AC power cord (2.0m) x1, 3.5mm Euroblock plug (6pin) x3, 3.5mm Euroblock plug (3pin) x1, Owner's Manual x1, Setup Guide x1 | 
| Optional accessories | Digital Control Panel (DCP1V4S-US/EU, DCP4V4S-US/EU, DCP4S-US/EU) | 
(unit: mm)
     
   
     
   
     
   
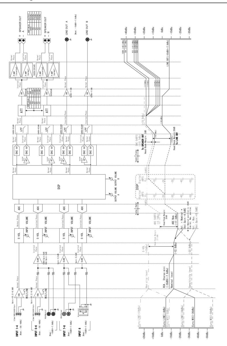
Level Diagram
     
   
1/8 power is typical of program material with occasional clipping. Refer to these figures for most applications. 1/3 power represents program material with extremely heavy clipping
Test signal: Pink Noise, bandwidth limited from 22Hz to 22kHz
1W = 0.860kcal/h, 1BTU = 0.252kcal
Note that Line Voltage [V] x Line Current [A] = [VA], not equals to [W]
| 230V/50Hz | Line Current (A) | Watt (W) | Thermal Dissipation | ||||||
|---|---|---|---|---|---|---|---|---|---|
| 230V | In | Out | Dissipated | Btu/h | kcal/h | ||||
| Sleep | 0.10 | 3.3 | 0.0 | 3.3 | 11.3 | 2.9 | |||
| AMP-MODE : 3Ω/4Ω/8Ω | 0.21 | 18 | 0.0 | 18 | 60 | 15 | |||
| Idle | AMP-MODE : 120W-70V/100V | 0.26 | 23 | 0.0 | 23 | 79 | 20 | ||
| AMP-MODE : 200W-70V/100V | V/50Hz Current (A) wait (w) Interview 230V In Out Dissipated Btu/ p=MODE : 3Ω/4Ω/8Ω 0.21 18 0.0 3.3 11.5 p=MODE : 120W-70V/100V 0.26 23 0.0 23 79 p=MODE : 200W-70V/100V 0.22 18 0.0 18 63 p=MODE : 3Ω 0.54 52 23 29 99 p=MODE : 4Ω 0.57 56 26 30 103 p=MODE : 120W-70V 0.55 53 25 28 96 p=MODE : 120W-70V 0.55 53 26 27 93 p=MODE : 120W-70V 0.48 46 23 23 79 P-MODE : 200W-100V 0.48 46 23 23 79 P-MODE : 3Ω 1.02 106 61 45 154 p=MODE : 3Ω 0.48 46 23 23 79 P-MODE : 3Ω 0.98 10 | 63 | 16 | ||||||
| AMP-MODE : 3Ω | 0.54 | 52 | 23 | 29 | 99 | 25 | |||
| AMP-MODE : 4Ω | 0.57 | 56 | 26 | 30 | 103 | 26 | |||
| AMP-MODE : 8Ω | 0.52 | 50 | 24 | 26 | 89 | 22 | |||
| 1/8 output power | AMP-MODE : 120W-70V | 0.55 | 53 | 25 | 28 | 96 | 24 | ||
| AMP-MODE : 120W-100V | 0.55 | 53 | 26 | 27 | 93 | 23 | |||
| AMP-MODE : 200W-70V | 0.49 | 47 | 23 | 24 | 82 | 21 | |||
| Idle I/8 output power I/3 output power Idle | AMP-MODE : 200W-100V | 0.48 | 46 | 23 | 23 | 79 | 20 | ||
| AMP-MODE : 3Ω | 1.02 | 106 | 61 | 45 | 154 | 39 | |||
| AMP-MODE : 4Ω | 1.10 | 115 | 68 | 47 | 161 | 41 | |||
| AMP-MODE : 8Ω | 0.98 | 101 | 63 | 38 | 130 | 33 | |||
| 1/3 output power | AMP-MODE : 120W-70V | 1.01 | 105 | 67 | 38 | 130 | 33 | ||
| AMP-MODE : 120W-100V | 1.02 | 106 | 69 | 37 | 127 | 32 | |||
| 1/3 output power | AMP-MODE : 200W-70V | 0.91 | 94 | 60 | 34 | 117 | 29 | ||
| Idle I/8 output power I/3 output power I/3 output power Idle Idle | AMP-MODE : 200W-100V | 0.90 | 92 | 61 | 31 | 106 | 27 | ||
| 120V/60Hz | Line Current (A) | Watt (W) | Thermal Dissipation | ||||||
| 120V | In | Out | Dissipated | Btu/h | kcal/h | ||||
| Sleep | 0.08 | 2.5 | 0.0 | 2.5 | 8.6 | 2.2 | |||
| AMP-MODE : 3Ω/4Ω/8Ω | 0.28 | 16 | 0.0 | 16 | 54 | 14 | |||
| Idle | AMP-MODE : 120W-70V/100V | 0.37 | 21 | 0.0 | 21 | 72 | 18 | ||
| Idle 1/8 output power 1/3 output power 1/4 output power | AMP-MODE : 200W-70V/100V | 0.30 | 17 | 0.0 | 17 | 57 | 14 | ||
| AMP-MODE : 3Ω | 0.87 | 52 | 23 | 29 | 99 | 25 | |||
| AMP-MODE : 4Ω | 0.92 | 55 | 25 | 30 | 103 | 26 | |||
| AMP-MODE : 8Ω | 0.82 | 49 | 24 | 25 | 86 | 22 | |||
| 1/8 output nower | 0.88 | 52 | 25 | 27 | 93 | 23 | |||
| 1/6 output power | AIVIP-IVIODE · 120W-70V | 0.00 | 52 | 20 | 21 | 93 | 23 | 
|---|---|---|---|---|---|---|---|
| AMP-MODE : 120W-100V | 0.88 | 52 | 26 | 26 | 89 | 22 | |
| AMP-MODE : 200W-70V | 0.78 | 46 | 23 | 23 | 79 | 20 | |
| AMP-MODE : 200W-100V | 0.77 | 45 | 23 | 22 | 75 | 19 | |
| AMP-MODE : 3Ω | 1.65 | 107 | 61 | 46 | 158 | 40 | |
| AMP-MODE : 4Ω | 1.78 | 117 | 68 | 49 | 168 | 42 | |
| AMP-MODE : 8Ω | 1.59 | 102 | 63 | 39 | 134 | 34 | |
| 1/3 output power | AMP-MODE : 120W-70V | 1.64 | 106 | 67 | 39 | 134 | 34 | 
| AMP-MODE : 120W-100V | 1.65 | 107 | 69 | 38 | 130 | 33 | |
| AMP-MODE : 200W-70V | 1.49 | 94 | 60 | 34 | 117 | 29 | |
| AMP-MODE : 200W-100V | 1.46 | 93 | 61 | 32 | 110 | 28 | 
| 100V/50Hz | Line Current (A) | Watt (W) | Thermal Dissipation | |||||
|---|---|---|---|---|---|---|---|---|
| 100V | In | Out | Dissipated | Btu/h | kcal/h | |||
| Sleep | 0.07 | 2.4 | 0.0 | 2.4 | 8.2 | 2.1 | ||
| AMP-MODE : 3Ω/4Ω/8Ω | 0.31 | 16 | 0.0 | 16 | 54 | 14 | ||
| Idle | AMP-MODE : 120W-70V/100V | 0.42 | 21 | 0.0 | 21 | 73 | 18 | |
| AMP-MODE : 200W-70V/100V | 0.33 | 17 | 0.0 | 17 | 57 | 14 | ||
| AMP-MODE : 3Ω | 0.99 | 52 | 23 | 29 | 99 | 25 | ||
| AMP-MODE : 4Ω | 1.05 | 55 | 25 | 30 | 103 | 26 | ||
| 1/8 output power | AMP-MODE : 8Ω | 0.94 | 49 | 23 | 26 | 89 | 22 | |
| AMP-MODE : 120W-70V | 1.00 | 53 | 25 | 28 | 96 | 24 | ||
| AMP-MODE : 120W-100V | 1.00 | 53 | 26 | 27 | 93 | 23 | ||
| AMP-MODE : 200W-70V | 0.90 | 46 | 23 | 23 | 79 | 20 | ||
| AMP-MODE : 200W-100V | 0.87 | 45 | 23 | 22 | 75 | 19 | ||
| AMP-MODE : 3Ω | 1.90 | 108 | 61 | 47 | 161 | 41 | ||
| AMP-MODE : 4Ω | 2.05 | 119 | 68 | 51 | 175 | 44 | ||
| AMP-MODE : 8Ω | 1.83 | 103 | 63 | 40 | 137 | 35 | ||
| 1/3 output power | AMP-MODE : 120W-70V | 1.89 | 107 | 67 | 40 | 137 | 35 | |
| AMP-MODE : 120W-100V | 1.91 | 108 | 69 | 39 | 134 | 34 | ||
| AMP-MODE : 200W-70V | 1.71 | 95 | 60 | 35 | 120 | 30 | ||
| 1 68 | 94 | 61 | 33 | 113 | 29 | |||
Yamaha Pro Audio global website http://www.yamahaproaudio.com/
Yamaha Downloads http://download.yamaha.com/
Manual Development Department © 2016 Yamaha Corporation
Published 02/2016 发行 KSHD-A0 Printed in China
雅马哈乐器音响(中国)投资有限公司 上海市静安区新闸路1818号云和大厦2楼 客户服务热线: 4000517700 公司网址: http://www.yamaha.com.cn
厂名: 雅马哈电子(苏州)有限公司 厂址: 江苏省苏州市苏州新区鹿山路18号
     
   


























 Loading...
 Loading...