 
   
     
   
Setup Guide Installationsanleitung Guide de configuration Guía de configuración Guida alla configurazione Guia de Configuração Руководство по настройке 设置指南 セットアップガイド
English
Deutsch
Francais
Español
Portuauês
Italiano
Рисский
| Fixação de plugues Euroblock | 
| Conexão dos cabos do alto-falante | 
| Conexão de microfones ou dispositivos externos | 
| Conexão de microfones | 
| Conexão de dispositivos externos | 
| Uso da entrada Mono Sum | 
| Conexão do amplificador de potência PA212077 | 
| Conexão de um painel de controle | 
| Funções acionadas por meio do painel de controle78 | 
| Uso do conector [REMOTE] (Euroblock de três pinos) | 
89
163
75
| Procedimento de operação do modo de configuração | 80 | 
|---|---|
| Indicação de configurações do parâmetro | 80 | 
| Procedimento de operação | 81 | 
| Como desligar o filtro passa-altas da entrada de microfone | 81 | 
| Aplicação do compressor à entrada de microfone | 81 | 
| Aplicação do EQ (equalizador) ao sinal de entrada | 82 | 
| Aplicação de eco/reverberação ao sinal de entrada | 83 | 
| Ajuste do nível de mixagem de reverberação | 83 | 
| Ajuste da sensibilidade do silenciador | 84 | 
| Regulação do volume BGM (nivelador) | 84 | 
| Ajuste do volume da campainha | 85 | 
| Ajuste do volume de saída de linha usando-se o botão giratório [VOLUME] | 85 | 
| Supressor de realimentação do microfone | 86 | 
| Inicialização das configurações por meio dos painéis de controle conectados | |
| (configuração do DCP) | 86 | 
| Lista de configurações das chaves DIP | 87 | 
| Chaves DIP [SETUP] | 87 | 
| Chaves DIP [SPEAKER A] e [SPEAKER B] | 88 | 
| ista de funções acionadas por meio do painel de controle | 89 | 
|---|---|
| Conexões de alta e baixa impedâncias | . 90 | 
| Recurso de acionamento do sistema de vários alto-falantes | . 90 | 
Este Guia de Configuração explica configurações a serem feitas após uma instalação e como conectar painéis de controle e controlador remoto.
As ilustrações deste manual servem apenas para fins instrutivos e podem apresentar diferenças em relação às exibidas no dispositivo.
Os nomes das empresas e dos produtos neste manual são as marcas comerciais ou as marcas comerciais registradas de suas respectivas empresas.
Exemplo (conexão com o conector [REMOTE])
     
   
Os conectores da saída [SPEAKERS] no painel traseiro são conectores do tipo faixa de barreira. As conexões estão descritas abaixo para dois métodos: usar um terminal forguilha e usar um fio nu.
Conecte os cabos de maneira que os símbolos "+" e "-" do amplificador correspondam aos do alto-falante. Se eles forem invertidos, a fase será invertida e o som não será reproduzido corretamente.
Afrouxe o parafuso, insira todo o terminal forquilha por baixo e aperte o parafuso.
     
   
Afrouxe o parafuso, enrole o fio nu em torno do terminal isolado e aperte o parafuso. Certifique-se de que o fio nu não toque o chassi.
     
   
Ligue um microfone, um sintonizador BGM, um CD player ou outro aparelho de áudio portátil a um conector [INPUT] usando um cabo apropriado quando o dispositivo estiver desligado. Depois de concluir todas as conexões, ligue o cabo de alimentação a uma tomada de corrente alternada (CA).
Ao ligar o cabo de alimentação a uma tomada de corrente alternada (CA), um sinal de entrada ligará a alimentação desse dispositivo pela função de despertador automático. Para evitar sons altos inesperados, não se esqueça de conectar microfones e dispositivos externos com a alimentação desligada.
     
   
Consulte "Fixação de pluques Euroblock" para saber mais sobre a instalação do pluque Euroblock.
Ligue microfones a conectores [INPUT] 1 - 6 usando um plugue Euroblock.
Ao usar um microfone que exija alimentação phantom (+24 V), coloque a chave [GAIN] em "MIC(+24V)".
Para microfones que não exijam alimentação phantom, coloque a chave [GAIN] em "MIC".
Use o procedimento a seguir para conectar um dispositivo externo de nível de linha.
Use um plugue Euroblock na conexão por meio de conectores [INPUT] 1 - 6. Neste momento, coloque a chave [GAIN] em "LINE". Caso o dispositivo externo tenha um nível de saída extremamente baixo, coloque a chave [GAIN] em "MIC" para melhorar o ganho de entrada.
Use um cabo RCA na conexão com conectores [INPUT] 7 e 8. Caso a fonte seja estéreo e você esteja usando as zonas A e B como estéreo, coloque a chave [MODE] em "STEREO". Caso você esteja usando as zonas A e B separadas uma da outra, coloque a chave [MODE] em "MONO" e use a chave [ROUTE] para selecionar qual zona recebe a saída de áudio.
Use um plugue miniestéreo na conexão por meio do conector [AUX IN] no painel frontal. O sinal do conector [AUX IN] é mixado no mesmo caminho do sinal do conector [INPUT] 8.
[INPUT 5] e [INPUT 6] estão equipados com a entrada mono sum. Cada um pode ser usado para somar uma fonte estéreo de nível de linha ou duas fontes mono separadas. O sinal de entrada é mixado diretamente em mono e reproduzido pela zona que foi selecionada usando-se a chave [ROUTE] dos conectores [INPUT] 5 e 6. O uso dos conectores [MONO SUM INPUT] pode permitir que um número maior de dispositivos externos seja conectado sem a necessidade de um mixer à parte. Porém, quando também há uma entrada por meio de plugues Euroblock para o conector [INPUT] 5 ou 6, a entrada do sinal de [MONO SUM INPUT] é mixada com o sinal do conector [INPUT] 5 ou 6.
Quando se usa um grande número de alto-falantes que o MA2120 não é capaz de alimentar sozinho, é possível conectar um amplificador de potência PA2120 para fornecer capacidade extra.
Para utilizar essa funcionalidade, ligue o conector [LINE OUT] do MA2120 ao conector [INPUT] do PA2120 usando um cabo RCA quando todos os dispositivos estiverem desligados. Caso você queira expandir ainda mais a capacidade, é possível conectar outro amplificador de potência PA2120. Basta ligar os conectores [THRU OUT] do PA2120 aos conectores [INPUT] do amplificador de potência PA2120. Depois de concluir todas as conexões, ligue o cabo de alimentação a uma tomada de corrente alternada (CA)
Ao ligar o cabo de alimentação a uma tomada de corrente alternada (CA), um sinal de entrada ligará a alimentação desse dispositivo pela função de despertador automático. Para evitar sons altos inesperados, não se esqueça de conectar microfones e dispositivos externos com a alimentação desligada.
Durante a diminuição do nível de saída com os botões giratórios [VOLUME] ou um painel de controle externo, a função Despertador automático do PA2120 talvez não funcione corretamente por causa da ausência de um nível de entrada. Não se esqueça de definir o nível de saída como o PA2120 suficiente para a função Despertador automático funcionar corretamente.
     
   
No modo de configuração, você pode definir se o nível de saída dos conectores MA2120 [LINE OUT] está vinculado ao nível de saída dos terminais MA2120 [SPEAKERS] ou se é controlado de maneira independente. Ajuste os botões giratórios [VOLUME] do PA2120 no máximo para colocar o nível do PA2120 no mesmo patamar do MA2120. A operação vinculada quando se usa o painel de controle pode ser definida usando-se a chave DIP [SETUP].
A conexão de um painel de controle digital Yamaha (DCP1V4S, DCP4S, DCP4V4S) ao MA2120 permite controlar o volume, alternar as entradas etc. remotamente. Você pode conectar até dois dispositivos DCP. O comprimento total dos cabos do MA2120 até o último painel de controle não deve exceder 800 metros se usar fio 24 AWG.
Durante a conexão de painéis de controle por meio de DCH8, o comprimento total dos cabos até o painel de controle final deve ser menor que 200 m (de acordo com as especificações de DCH8). Caso você precise de uma conexão mais longa, recomendamos não usar o DCH8, mas conectar os dispositivos em uma configuração em cadeia.
     
   
Painel traseiro MA2120
Diversos recursos úteis do amplificador de potência MA2120 podem ser utilizados conectando-se um painel de controle.
Coloque a chave DIP [SETUP] no painel traseiro em [SPEAKERS+LINE OUT] para permitir que o nível de saída de [SPEAKERS] e [LINE OUT] seia controlado em conjunto por meio do painel de controle.
O canal de entrada de um dispositivo como um microfone pode ser ligado e desligado usando-se a chave no painel de controle. Também é possível ligar/desligar a operação de maneira que ela acione uma campainha ou deixe o sinal de entrada dos conectores [INPUT] 7 e 8 sem áudio.
Você pode ligar chaves ao conector [REMOTE] do painel traseiro e usá-las para deixar as saídas de todos os canais com/sem áudio remotamente ou alternar o status da alimentação em espera/ligado.
Começando pela esquerda, o conector [REMOTE] consiste nos pinos M (tudo sem áudio), S (em espera) e G (terra).
O conector [REMOTE] usa um plugue Euroblock. Para saber detalhes sobre como conectar plugues Euroblock, consulte "Fixação de plugues Euroblock".
     
   
     
   
Com áudio
     
   
espera/ligado
Alternância do status de alimentação em
     
   
Como ligar a alimentação
As configurações avançadas do amplificador de potência MA2120 podem ser definidas usando-se o codificador [SETUP] e os botões giratórios de nível de entrada 1 - 8.
     
   
Existem três tipos de modos de configuração que podem ser usados para definir configurações avançadas. A operação e a funcionalidade de cada tipo do modo de configuração são mostradas a seguir
Volume da campainha, operação vinculada de [SPEAKERS] e [LINE OUT]
• Outro modo de configuração → Mantenha pressionado o codificador [SETUP] e o botão giratório de nível de entrada 2 por pelo menos um segundo.
Supressor de realimentação, configuração do DCP
As configurações avançadas podem ser definidas com o seguinte procedimento:
| Selecione o modo de configuração | → | Selecione a função | → | Selecione o canal | → | Ajuste os parâmetros | 
|---|---|---|---|---|---|---|
| Codificador [SETUP] Botões giratórios de nível de entrada 1 e 2 | Botões giratórios de nível de entrada 1 - 8 | Botões giratórios de nível de entrada 1 - 8 | Codificador [SETUP] | 
Assim que cada operação é realizada com êxito, o indicador correspondente pisca três vezes em alta velocidade Durante a seleção de funções ou canais, o indicador pisca lentamente para indicar quais funções ou canais podem ser selecionados Ao ajustar um parâmetro, você pode pressionar um botão giratório do nível de entrada de maneira que o indicador [INPUT SIG] correspondente (mostrando a função selecionada) e o indicador [INPUT PEAK] (mostrando o canal selecionado) pisquem.
| Aplicar o parâmetro e retornar à seleção do canal | Retornar à seleção da | → Retornar à operação convencional | |
|---|---|---|---|
| função | |||
| Codificador [SETLIP] | Codificador [SETLIP] | Codificador [SETLIP] | |
Depois de ajustar o parâmetro, pressione o codificador [SETUP] para confirmar a configuração.
Neste momento, mantenha pressionado o codificador [SETUP] por pelo menos quatro segundos para restaurar a configuração padrão do parâmetro atual.
Assim que o parâmetro tiver sido confirmado, o modo do dispositivo retornará à seleção do canal. Pressione o codificador [SETUP] novamente para retornar à seleção da função e mais uma vez para retornar ao modo regular.
No modo de configuração, as configurações atuais são apontadas pelos três indicadores acima do codificador [SETUP] Os indicadores podem ligar ou piscar para mostrar o estado ligado/desligado ou o valor ajustado no momento. Além disso. dependendo do valor do parâmetro, o comportamento ao piscar pode ser diferente. Por exemplo, quando o tempo de retardo do eco é aumentado, o tempo aceso durante a piscada fica maior
Neste guia, o comportamento dos indicadores é mostrado da maneira a seguir
     
   
O filtro passa-altas da entrada de microfone (frequência de corte: 120 Hz) permanece ligado por padrão. Isso pode reduzir o ruído do vento ou de estalidos guando se usa um microfone.
O filtro passa-altas permanece ativado para o canal de entrada guando a chave [GAIN] está em "MIC(+24V)" ou "MIC".
O filtro passa-altas também é aplicado a [MONO SUM INPUT] quando a chave [GAIN] de INPUT 5 e 6 está em "MIC(+24V)" ou "MIC".
     
   
     
   
O status retorna à seleção do canal (Etana 3)
A entrada de microfone pode passar por um compressor que comprime devidamente o sinal de entrada e ajusta o nível de saída automaticamente
O nível de compressão é mostrado como um dos sete níveis com os valores mais altos indicando um nível mais elevado de compressão
O compressor permanece ativado para o canal de entrada guando a chave [GAIN] está em "MIC(+24V)" ou "MIC".
O compressor é aplicado a [MONO SUM INPUT] quando a chave [GAIN] de INPUT 5 e 6 está em "MIC(+24V)" ou "MIC".
     
   
O valor do parâmetro muda a cada clique do codificador.
| Desligado: | (Configuração padrão) | |
|---|---|---|
| 1: | ||
| 2 e 3: | ||
| 4: | ||
| 5 e 6: | • • 💥 | |
| 7: | • | |
| _ | 
5 Pressione o codificador [SETUP] para aplicar a configuração.
Um EQ de duas bandas (TREBLE e BASS) pode ser aplicado ao sinal de entrada para ajustar a qualidade do som A faixa do EQ é ±10 dB e pode ser ajustada em intervalos de 1 dB.
     
   
O valor do parâmetro muda a cada clique do codificador. -10 dB:
     
   
Caso o valor do EQ definido para [INPUT 7] e [INPUT 8] exceda +5 dB, a função de aprimorador é iniciada e os sobretons harmônicos são adicionados.
5 Pressione o codificador [SETUP] para aplicar a configuração.
Eco/reverberação pode ser aplicado aos sinais de entrada INPUT 1 e INPUT 3 para adicionar mais reverberação ao som Há o tipo "Eco", que possibilita o ajuste do tempo de reverberação, e três tipos de "reverberação" disponíveis.
     
   
O status retorna à seleção do canal (Etapa 3).
Você pode ajustar o nível de mixagem da reverberação aplicado aos sinais de entrada [INPUT 1] e [INPUT 3]. A porcentagem de reverberação aplicada ao sinal original pode ser ajustada de 0% a 100%. Existem dez níveis possíveis com intervalos de 10%.
     
   
O valor do parâmetro muda a cada clique do codificador
| 0%: | ||
|---|---|---|
| 10%: | ||
| De 20% a 40%: | ||
| 50%: | (Configuração padrão) | |
| De 60% a 90%: | ||
| 100%: | ••• | 
5 Pressione o codificador [SETUP] para aplicar a configuração.
Você pode ajustar a sensibilidade da função do silenciador. Quando existe um sinal de entrada para [INPUT 1] ou [INPUT 3], essa função pode deixar a entrada de microfone sem áudio para canais fora dessa zona de saída em especial ou diminuir o volume de entrada de linha em 24 dB.
A sensibilidade da entrada do silenciador pode ser ajustada em "Low", "Mid" ou "High"
A função do silenciador pode ser ligada ou desligada girando-se as chaves DIP [SETUP] 7 e 8 quando o dispositivo estiver desligado ou no modo de espera.
Para obter mais informações, consulte "Controles e funções" do manual do proprietário, ou "Lista de configurações das chaves DIP" na página 87.
     
   
     
   
     
   
5 Pressione o codificador [SETUP] para aplicar a configuração.
O status retorna à seleção do canal (Etapa 3).
Você pode selecionar o nível de destino da função do nivelador. Essa função ajusta o volume em uma faixa praticamente constante quando há sinais de entrada [INPUT 7]/[INPUT 8] com uma variação significativa do volume. A função do nivelador pode ser usada para ajustar um sinal em até ±6 dB. O nível de destino pode ser ajustado em "Off", "Low" ou "Normal"
Os canais com a função do nivelador ativada têm um retardo do sinal de saída de aproximadamente 20 ms por causa do processamento aritmético necessário.
     
   
     
   
5 Pressione o codificador [SETUP] para aplicar a configuração.
Você pode ajustar o volume da campainha emitido quando a entrada de microfone está ligada ou desligada por meio da chave do painel de controle.
O volume pode ser ajustado em "Mute", "-12dB" ou "-6dB". Você pode ajustar volumes diferentes para cada zona
     
   
O status retorna à seleção do canal (Etapa 3)
Você pode ligar ou desligar a função de operação vinculada de [SPEAKERS] e [LINE OUT]. Essa função permite que o nível do sinal de saída do conector [LINE OUT] seja ajustado simultaneamente quando os botões giratórios [VOLUME A] e [VOLUME B] são acionados.
Ao alternar esse parâmetro, ajuste o volume do dispositivo ligado ao conector [LINE OUT] no mínimo
     
   
     
   
5 Pressione o codificador [SETUP] para aplicar a configuração.
Você pode ligar ou desligar a função do supressor de realimentação. Essa função suprime automaticamente a realimentação do microfone guando detectada.
O supressor de realimentação permanece ativado para o canal de entrada guando a chave [GAIN] está em "MIC(+24V)" ou "MIC".
O supressor de realimentação é aplicado a [MONO SUM INPUT] quando a chave [GAIN] de INPUT 5 e 6 está ajustada em "MIC(+24V)" ou "MIC".
     
   
| Quando a alimentação e ligada, isso deline se ira retornar as configuraço | les dos pameis de controle conectados ou inicializar. | 
|---|---|
| 
 | |
| Retomar: 👾 🔿 🔿 (Configuração padrão) | |
| Inicializar: 🌑 🜑 🜑 | |
| 5 | Pressione o codificador [SETUP] para aplicar | 
a configuração.
O status retorna à Etapa 3.
As funções das chaves DIP também estão listadas na seção "Controles e funções" do manual do proprietário.
Só acione chaves DIP quando o dispositivo estiver desligado ou no modo de espera. A mudança de configuração será aplicada depois de desligar e religar a alimentação pressionando o botão (0) no painel frontal.
Defina os botões giratórios e os controles a serem bloqueados no painel.
| 1 | 2 | Configuração | 
|---|---|---|
| Bloqueio do painel desligado (todos os controles estão ativados) | ||
| Bloqueia o botão giratório [SETUP] | ||
| Bloqueia controles que não sejam botões giratórios [VOLUME] | ||
| Bloqueio do painel ligado (todos os controles estão desativados) | 
Ative a função em que o dispositivo liga automaticamente saindo do modo de espera mediante a detecção de um sinal de entrada.
| 3 | 4 | Configuração | 
|---|---|---|
| Função de despertador automático ligada | ||
| Função de despertador automático ligada. Somente quando o sistema passa de CA desligada para modo de espera por causa da inserção do plugue CA ou é colocado no modo de espera pela função de modo de espera automático. | ||
| Função de despertador automático desligada | 
A função de despertador automático será totalmente desativada se o dispositivo tiver sido colocado no modo de espera por meio da operação pelo conector [REMOTE].
Define se os volumes de SPEAKER A e SPEAKER B estão vinculados. Quando vinculados, o volume de ambos os alto-falantes pode ser controlado usando-se o botão giratório [VOLUME A]
| 5 | Configuração | 
|---|---|
| Link desligado (os níveis de volume de SPEAKER A e SPEAKER B são controlados de maneira independente) | |
| Link ligado (os níveis de volume de SPEAKER A e SPEAKER B são controlados por meio do botão giratório [VOLUME A]) | |
Se você ligar "Link de volume A - B" quando a função para permitir o controle dos volumes A e B de saída de linha pelo botão giratório [VOLUME] estiver ativada no modo de configuração, LINE OUT A e B também serão vinculados.
Define se os níveis de saída dos conectores [SPEAKERS] e [LINE OUT] estão vinculados guando se altera o volume por meio do DCP.
| 6 | Configuração | 
|---|---|
| Link desligado (os níveis de volume dos conectores [SPEAKERS] e [LINE OUT] são controlados de maneira separada) | |
| Link ligado (a saída dos conectores [SPEAKERS] e [LINE OUT] é controlada em conjunto) | 
Quando a função link está ligada, você pode controlar o volume usando [SPEAKER] e [LINE OUT] no dispositivo DCP.
Define as configurações da função Silenciador. Isso pode deixar a entrada de microfone de outros canais sem áudio e diminuir o volume da entrada de linha guando os sinais entram em [INPLIT 1] ou [INPLIT 3]
| 7 | 8 | Configuração | 
|---|---|---|
| Silenciador desligado. | ||
| Silenciador ligado quando os sinais entram em [INPUT 1]. | ||
| Silenciador ligado quando os sinais entram em [INPUT 3]. | ||
| Silenciador ligado quando os sinais entram em [INPUT 1] ou [INPUT 3]. Caso os sinais entrem em ambos, [INPUT 1] tem precedência. | 
Chaves DIP 1, 2 e 3: configuração do modo amplificador
Caso as configurações da chave DIP não correspondam à impedância real do alto-falante ou à potência de entrada nominal, o dispositivo pode apresentar mau desempenho e isso pode acarretar mau funcionamento ou redução no som. Sempre verifique se as
| c • | ~ | c | ||
|---|---|---|---|---|
| aantiai | raaaa | opropriodo | otorom | addalbidaa | 
| ( ( )) ( ) | annunana | SIMAIN | ||
| oonnac | n aoooo | apropriada | JUUUIII | COCOLINGUL | 
| 1 | 2 | 3 | Configuração | 
|---|---|---|---|
| Saída do amplificador de 120 W, alta impedância, 100 V | |||
| Saída do amplificador de 120 W, alta impedância, 70 V | |||
| Saída do amplificador de 200 W, alta impedância, 100 V, saída apenas do terminal de saída [SPEAKERS] A | |||
| Saída do amplificador de 200 W, alta impedância, 70 V, saída apenas do terminal de saída [SPEAKERS] A | |||
| Saída do amplificador de 100 W, baixa impedância de 8 Ω ou mais | |||
| Saída do amplificador de 120 W, baixa impedância de 4 Ω a menos de 8 Ω | |||
| Saída do amplificador de 100 W, baixa impedância de 3 Ω a menos de 4 Ω | |||
| Saída sem áudio | 
Ajusta o EQ do alto-falante que corrige o sinal de saída de acordo com o tipo de alto-falante conectado.
| 4 | 5 | 6 | Configuração | 
|---|---|---|---|
| Desligado | |||
| Filtro passa-altas de 150 Hz | |||
| Filtro passa-baixas de 150 Hz | |||
| Filtro passa-baixas de 200 Hz | |||
| Correção de frequência personalizada para alto-falantes da série VXS | |||
| Correção de frequência personalizada para o subwoofer Yamaha VXS10S/ VXS10ST (45 - 150 Hz) | |||
| Correção de frequência personalizada para alto-falantes Yamaha série VXC | 
| ID do painel | Codificador | Chave 1 | Chave 2 | Chave 3 | Chave 4 | 
|---|---|---|---|---|---|
| 0, 1 | Controle de volume | Codificador destino da operação: SPEAKERS A | Codificador destino da operação: SPEAKERS B | ||
| 2, 3 | Controle de volume | [INPUT 1] ligado/ desligado Campainha ligada | [INPUT 3] ligado/ desligado Campainha ligada | Codificador destino da operação: SPEAKERS A | Codificador destino da operação: SPEAKERS B | 
| 4, 5 | Controle de volume | [INPUT 1] ligado/ desligado Campainha ligada [INPUT] 7 e 8 sem áudio | [INPUT 3] ligado/ desligado Campainha ligada [INPUT] 7 e 8 sem áudio | Codificador destino da operação: SPEAKERS A | Codificador destino da operação: SPEAKERS B | 
| 6, 7 | Controle de volume | Codificador destino da operação: LINE OUT A | Codificador destino da operação: LINE OUT B | Codificador destino da operação: SPEAKERS A | Codificador destino da operação: SPEAKERS B | 
| ID do painel | Chave 1 | Chave 2 | Chave 3 | Chave 4 | 
|---|---|---|---|---|
| 0, 1 | Mais volume: SPEAKERS A | Menos volume: SPEAKERS A | Mais volume: SPEAKERS B | Menos volume: SPEAKERS B | 
| 2, 3 | Mais volume: LINE OUT A | Menos volume: LINE OUT A | Mais volume: LINE OUT B | Menos volume: LINE OUT B | 
| 4, 5 | [INPUT 1] ligado/ desligado Campainha ligada | [INPUT 3] ligado/ desligado Campainha ligada | ||
| 6, 7 | [INPUT 1] ligado/ desligado Campainha ligada [INPUT] 7 e 8 sem áudio | [INPUT 3] ligado/ desligado Campainha ligada [INPUT] 7 e 8 sem áudio | 
| ID do painel | Codificador 1 | Codificador 2 | Codificador 3 | Codificador 4 | 
|---|---|---|---|---|
| 0, 1 | Controle de volume LINE OUT A | Controle de volume LINE OUT B | Controle de volume SPEAKERS A | Controle de volume SPEAKERS B | 
| 2 | Controle de volume INPUT 1 | Controle de volume INPUT 2 | Controle de volume INPUT 3 | Controle de volume INPUT 4 | 
| 3 | Controle de volume INPUT 5 | Controle de volume INPUT 6 | Controle de volume INPUT 7 | Controle de volume INPUT 8 | 
| 4, 5 | Controle de volume INPUT 1 | Controle de volume INPUT 3 | Controle de volume SPEAKERS A | Controle de volume SPEAKERS B | 
| 6, 7 | Controle de volume INPUT 7 | Controle de volume INPUT 8 | Controle de volume SPEAKERS A | Controle de volume SPEAKERS B | 
| ID do painel | Chave 1 | Chave 2 | Chave 3 | Chave 4 | 
| ID do painel 0, 1 | Chave 1 | Chave 2 | Chave 3 | Chave 4 | 
| ID do painel 0, 1 2 | Chave 1 [INPUT 1] ligado/ desligado | Chave 2 [INPUT 2] ligado/ desligado | Chave 3 [INPUT 3] ligado/ desligado | Chave 4 [INPUT 4] ligado/ desligado | 
| ID do painel 0, 1 2 3 | Chave 1 [INPUT 1] ligado/ desligado [INPUT 5] ligado/ desligado | Chave 2 [INPUT 2] ligado/ desligado [INPUT 6] ligado/ desligado | Chave 3 [INPUT 3] ligado/ desligado [INPUT 7] ligado/ desligado | Chave 4 [INPUT 4] ligado/ desligado [INPUT 8] ligado/ desligado | 
| ID do painel 0, 1 2 3 4, 5 | Chave 1 [INPUT 1] ligado/ desligado [INPUT 5] ligado/ desligado [INPUT 1] ligado/ desligado Campainha ligada [INPUT] 7 e 8 sem áudio | Chave 2 [INPUT 2] ligado/ desligado [INPUT 6] ligado/ desligado [INPUT 3] ligado/ desligado Campainha ligada [INPUT] 7 e 8 sem áudio | Chave 3 [INPUT 3] ligado/ desligado [INPUT 7] ligado/ desligado | Chave 4 [INPUT 4] ligado/ desligado [INPUT 8] ligado/ desligado | 
Para uma conexão de alta impedância, um transformador do alto-falante aumentando a impedância para diversas centenas ou milhares de ohms é adicionado ao sistema de alto-falante. Isso permite que o sistema de alto-falante seja efetivamente acionado com uma corrente muito menor do que a necessária para uma conexão de baixa impedância. Por isso, um grande número de sistemas de alto-falantes pode ser conectado. Mesmo em longas distâncias, existe pouquíssima perda de transmissão por causa da resistência do cabo insignificante em relação à impedância do sistema de alto-falante. As conexões de alto-falante de alta impedância normalmente funcionam em uma tensão máxima específica do amplificador de alimentação de 100 ou 70 volts.
A conexão de baixa impedância mais ortodoxa não usa um transformador de alto-falante. Os sistemas de alto-falantes estão conectados diretamente ao amplificador de potência com uma impedância nominal normalmente próxima de 4 - 16 ohms. Para distâncias curtas nas quais a resistência do cabo seja insignificante, as conexões de baixa impedância oferecem uma qualidade de som superior à das conexões de alta impedância.
As diferenças entre os métodos de conexão são explicadas a seguir.
Desde que a entrada de potência nominal total para todos os alto-falantes esteja dentro da capacidade de saída da potência do amplificador, qualquer número de sistemas de alto-falantes pode ser conectado em paralelo. A entrada de potência nominal é determinada pelos sistemas de alto-falantes e pelos transformadores de alto-falante usados. Também é possível conectar sistemas de alto-falantes com potências de entrada nominais diferentes. No caso de sistemas de alto-falantes capazes de mudar a potência de entrada nominal (Yamaha séries VXC e VXS etc.), isso pode ser utilizado para variar o volume de cada alto-falante.
     
   
Quando se conectam vários sistemas de alto-falantes de baixa impedância a um único canal, os métodos a seguir são possíveis.
Quando vários sistemas de alto-falantes com a mesma impedância estão conectados em paralelo, a impedância total se torna a impedância do sistema de alto-falante individual dividida pelo número de sistemas conectados.
     
   
Quando conectados em série, a impedância total é simplesmente a soma das impedâncias dos sistemas de alto-falantes conectados No entanto, se um sistema de alto-falante acabar falhando, o sinal elétrico não será passado e os sistemas de alto-falantes subsequentes serão afetados.
     
   
| Output Power | ||
|---|---|---|
| 20msec Burst | AMP MODE = 3Ω | 100W x 2ch | 
| (THD+N=1%) | AMP MODE = 4Ω | 120W x 2ch | 
| AMP MODE = 8Ω | 100W x 2ch | |
| AMP MODE = 70V/120W | 120W x 2ch | |
| AMP MODE = 100V/120W | 120W x 2ch | |
| AMP MODE = 70V/200W | 200W x 1ch | |
| AMP MODE = 100V/200W | 200W x 1ch | |
| Terminal | 7.62mm BARRIER STRIP 4pin | 
| LINE C | DUT | ||
|---|---|---|---|
| Actual source impedance | 600Ω | ||
| For use with nominal | 10kΩ Lines | ||
| Output Level | Nominal | -10dBV (316mV) | |
| Terminal | MONO RCA PIN x2, unbalanced | 
| MIC IN (INPU | T 1-6) | ||
|---|---|---|---|
| Input | Level | Sensitivity | -56dBu (1.23mV) | 
| INPL | JT 1-6, Euro, | Nominal | -36dBu (12.3mV) | 
| Dala | linced | Max before clip | -8dBu (0.309V) | 
| LINE IN (INPL | JT 1-8) | ||
| Input | Level | Sensitivity | -24dBu (48.9mV) | 
| INPL | JT 1-6, Euro, Incod | Nominal | -4dBu (0.489V) | 
| Dala | lilled | Max before clip | +24dBu (12.3V) | 
| Input | Level | Sensitivity | -30dBV (31.6mV) | 
| INPL | JT 5-8, RCA, | Nominal | -10dBV (316mV) | 
| unba | alanceu | Max before clip | +10dBV (3.16V) | 
| Input | Level | Sensitivity | -30dBV (31.6mV) | 
| INPL | JT 8, ST mini phone, | Nominal | -10dBV (316mV) | 
| unba | alanceu | Max before clip | +10dBV (3.16V) | 
| Terminal | |||
| MIC/L | INE IN | INPUT 1-6 | 3.5mm Euro Block 6pin x3 balanced | 
| LINE | IN | INPUT 5-6 | MONO RCA PIN x4 unbalanced | 
| INPUT 7-8 | STEREO RCA PIN x2 unbalanced | ||
| INPUT 8 (Front Panel) | 3.5mm STEREO mini phone x1 unbalanced | 
| Amplifier type (Output circuitry) | Class D | |
|---|---|---|
| THD+N | LINE IN to SPEAKER OUT, | |
| Half power@1kHz AMP MODE = 3Ω, 4Ω, 8Ω | ≤ 0.2% | |
| LINE IN to SPEAKER OUT, Half power@1kHz AMP MODE = 70V, 100V/120W | ≤ 0.2% | |
| LINE IN to SPEAKER OUT, Half power@1kHz AMP MODE = 70V, 100V/200W | ≤ 0.2% | |
| Frequency Response | LINE IN to SPEAKER OUT, 50Hz to 20kHz@1W AMP MODE = 3Ω, 4Ω, 8Ω | 0dB, -3.0dB, +1.0dB | 
| LINE IN to SPEAKER OUT, 90Hz to 20kHz@1W AMP MODE = 70V, 100V/120W | 0dB, -3.0dB, +1.0dB | |
| LINE IN to SPEAKER OUT, 90Hz to 20kHz@1W AMP MODE = 70V, 100V/200W | 0dB, -3.0dB, +1.0dB | |
| LINE IN to LINE OUT, 20Hz-20kHz | 0dB, -2.5dB, +1.0dB | |
| Crosstalk | MIC/LINE IN to other MIC/LINE IN | ≤ -70dB | 
| Load Protection | POWER/STANDBY SW on/off | Mute the output | 
| Output Voltage Protection | Compress output voltage when needed | |
| DC-fault | Power Supply shutdown | |
| Amplifier Protection | Thermal | Limit output → Mute → Shutdown | 
| Over current | Mute the output (with automatic restoration) | |
| Integrated Power Limit | Compress output | |
| Power Supply Protection | Thermal | Power supply shutdown | 
| Over voltage | Power supply shutdown | |
| Over current | Limit power → Power supply shutdown | |
| Cooling | Conventional cooling, bottom to up airflow | |
| Controls | Front Panel | POWER/STANDBY SW, INPUT volume x 8, SETUP encoder x 1 OUTPUT volume x 2, BASS EQ volume x 2, TREBLE EQ volume x 2 | 
| Rear Panel | SETUP DIP SW x1, SPEAKER A/B DIP SW x2, ROUTE SW x4, GAIN SW x3, MODE SW x1 | |
| Connectors | Analog In (MIC/LINE) | 3.5mm Euro Block 6pin x3 (Rear) | 
| Analog In (LINE) | MONO RCA PIN x4 (Rear), STEREO RCA PIN x2 (Rear), 3.5mm STEREO mini phone x1 (Front) | |
| Analog Out | MONO RCA PIN x2 (Rear/LINE OUT) | |
| Speakers | 7.62mm BARRIER STRIP 4pin x1 (Rear) | |
| Remote | RJ45 x1 (Rear/DCP), 3.5mm Euro Block 3pin x1 (Rear/REMOTE) | |
| Indicators AC Power Requirement | POWER x1 (Green/Orange), INPUT SIGNAL x8 (Green), INPUT PEAK x8 (Red), SETUP x3 (Green), OUTPUT SIGNAL x2 (Green), OUTPUT LIMIT x2 (Red) 100V, 120V, 230V-240V 50Hz/60Hz (*1) | |
| *1 It has confirmed that it is working with ±10% of the voltage of the rated supply voltage. | 
| Power Consumption | Standby, default setting AMP MODE = All | ≤ 1W | 
|---|---|---|
| Idle AMP MODE = 3Ω, 4Ω, 8Ω | 15W | |
| Idle AMP MODE = 70V, 100V | 20W | |
| 1/8 Output, Pink noise AMP MODE = 4Ω | 60W | |
| 1/8 Output, Pink noise AMP MODE = 70V/120W | 60W | |
| ENERGY STAR | 
 | 
| Precautions for rack mounting | Rack mountable (Leave more than 1U of spaces between this unit and others.) | 
|---|---|
| Operating temperature | 0°C to +40°C | 
| Storage temperature | -20℃ to +60℃ | 
| Dimensions (W x H x D, not including knob) | 480 x 44 x 351 mm 18.90 x 1.73 x 13.82 inch | 
| Net Weight | 4.9kg | 
| Included Accessories | AC power cord (2.0m) x1, 3.5mm Euroblock plug (6pin) x3, 3.5mm Euroblock plug (3pin) x1, Owner's Manual x1, Setup Guide x1 | 
| Optional accessories | Digital Control Panel (DCP1V4S-US/EU, DCP4V4S-US/EU, DCP4S-US/EU) | 
(unit: mm)
     
   
     
   
     
   
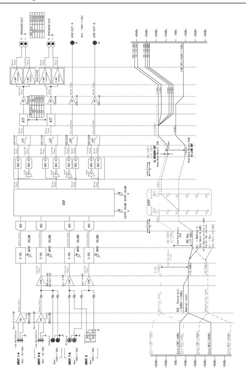
Level Diagram
     
   
1/8 power is typical of program material with occasional clipping. Refer to these figures for most applications. 1/3 power represents program material with extremely heavy clipping
Test signal: Pink Noise, bandwidth limited from 22Hz to 22kHz
1W = 0.860kcal/h, 1BTU = 0.252kcal
Note that Line Voltage [V] x Line Current [A] = [VA], not equals to [W]
| 230V/50Hz | Line Current (A) | Watt (W) | Thermal Dissipation | |||||
|---|---|---|---|---|---|---|---|---|
| 230V | In | Out | Dissipated | Btu/h | kcal/h | |||
| Sleep | 0.10 | 3.3 | 0.0 | 3.3 | 11.3 | 2.9 | ||
| AMP-MODE : 3Ω/4Ω/8Ω | 0.21 | 18 | 0.0 | 18 | 60 | 15 | ||
| Idle | AMP-MODE : 120W-70V/100V | 0.26 | 23 | 0.0 | 23 | 79 | 20 | |
| AMP-MODE : 200W-70V/100V | 0.22 | 18 | 0.0 | 18 | 63 | 16 | ||
| AMP-MODE : 3Ω | 0.54 | 52 | 23 | 29 | 99 | 25 | ||
| AMP-MODE : 4Ω | 0.57 | 56 | 26 | 30 | 103 | 26 | ||
| AMP-MODE : 8Ω | 0.52 | 50 | 24 | 26 | 89 | 22 | ||
| 1/8 output power | AMP-MODE : 120W-70V | 0.55 | 53 | 25 | 28 | Thermal I Btu/h 11.3 60 79 63 99 103 89 96 93 82 79 154 161 130 127 117 106 Thermal I Btu/h 8.6 54 72 57 99 103 86 93 86 | 24 | |
| AMP-MODE : 120W-100V | 0.55 | 53 | 26 | 27 | 93 | 23 | ||
| AMP-MODE : 200W-70V | 0.49 | 47 | 23 | 24 | 82 | 21 | ||
| AMP-MODE : 200W-100V | 0.48 | 46 | 23 | 23 | 79 | 20 | ||
| AMP-MODE : 3Ω | 1.02 | 106 | 61 | 45 | 154 | 39 | ||
| AMP-MODE : 4Ω | 1.10 | 115 | 68 | 47 | Inermal E ated Btu/h 3 11.3 60 79 63 99 103 99 103 89 96 93 82 79 154 161 130 130 127 117 106 Thermal ated Btu/h 5 8.6 54 72 57 99 103 86 93 8.6 | 41 | ||
| AMP-MODE : 8Ω | 0.98 | 101 | 63 | 38 | 33 | |||
| 1/3 output power | AMP-MODE : 120W-70V | 1.01 | 105 | 67 | 38 | 130 | 33 | |
| 230V/50Hz Current (A) Watt (W) T 230V In Out Dissipated Sleep 0.10 3.3 0.0 3.3 AMP-MODE : 3Ω/4Ω/8Ω 0.21 18 0.0 18 AMP-MODE : 120W-70V/100V 0.26 23 0.0 23 AMP-MODE : 20W-70V/100V 0.26 23 0.0 23 AMP-MODE : 20W-70V/100V 0.26 23 0.0 23 AMP-MODE : 3Ω 0.54 52 23 29 AMP-MODE : 4Ω 0.57 56 26 30 1 AMP-MODE : 120W-70V 0.55 53 26 27 1 AMP-MODE : 120W-70V 0.49 47 23 24 1 AMP-MODE : 200W-70V 0.49 47 23 24 1 AMP-MODE : 200W-70V 0.48 46 23 23 1 AMP-MODE : 3Ω 0.98 101 63 38 1 AMP-MODE : 4Ω 1. | 127 | 32 | ||||||
| AMP-MODE : 200W-70V | 0.91 | 94 | 60 | 34 | 117 | 29 | ||
| AMP-MODE : 200W-100V | 0.90 | 92 | 61 | 31 | Thermal I Btu/h 11.3 60 79 63 99 103 89 96 93 82 79 154 161 130 130 127 117 106 Thermal Btu/h 8.6 54 72 57 99 103 86 | 27 | ||
| 120V/60Hz | Line Current (A) | Watt (W) | Thermal I | Dissipation | ||||
| 120V | In | Out | Dissipated | Btu/h | kcal/h | |||
| Sleep | 0.08 | 2.5 | 0.0 | 2.5 | 8.6 | 2.2 | ||
| AMP-MODE : 3Ω/4Ω/8Ω | 0.28 | 16 | 0.0 | 16 | 54 | 14 | ||
| Idle | AMP-MODE : 120W-70V/100V | 0.37 | 21 | 0.0 | 21 | 72 | 18 | |
| AMP-MODE : 200W-70V/100V | 0.30 | 17 | 0.0 | 17 | Dissipated Btu/h 3.3 11.3 18 60 23 79 18 63 29 99 30 103 26 89 27 93 24 82 23 79 45 154 47 161 38 130 37 127 34 117 31 106 Dissipated Btu/h 2.5 8.6 16 54 21 72 17 57 29 99 30 103 25 86 27 93 | 14 | ||
| AMP-MODE : 3Ω | 0.87 | 52 | 23 | 29 | Thermal issipated Btu/h 3.3 11.3 18 60 23 79 18 63 29 99 30 103 26 89 27 93 24 82 23 79 45 154 47 161 38 130 37 127 34 117 31 106 Thermal issipated Btu/h 2.5 8.6 16 54 21 72 17 57 29 99 30 103 25 86 27 93 | 25 | ||
| AMP-MODE : 4Ω | 0.92 | 55 | 25 | 30 | 26 | |||
| AMP-MODE : 8Ω | 0.82 | 49 | 24 | 25 | 86 | 22 | ||
| 1/8 output nower | 0.88 | 52 | 25 | 27 | 93 | 23 | ||
| 1/6 output power | AIVIP-IVIODE · 12000-700 | 0.00 | 52 | 20 | 21 | 93 | 23 | 
|---|---|---|---|---|---|---|---|
| AMP-MODE : 120W-100V | 0.88 | 52 | 26 | 26 | 89 | 22 | |
| AMP-MODE : 200W-70V | 0.78 | 46 | 23 | 23 | 79 | 20 | |
| AMP-MODE : 200W-100V | 0.77 | 45 | 23 | 22 | 75 | 19 | |
| AMP-MODE : 3Ω | 1.65 | 107 | 61 | 46 | 158 | 40 | |
| AMP-MODE : 4Ω | 1.78 | 117 | 68 | 49 | 168 | 42 | |
| AMP-MODE : 8Ω | 1.59 | 102 | 63 | 39 | 134 | 34 | |
| 1/3 output power | AMP-MODE : 120W-70V | 1.64 | 106 | 67 | 39 | 134 | 34 | 
| AMP-MODE : 120W-100V | 1.65 | 107 | 69 | 38 | 130 | 33 | |
| AMP-MODE : 200W-70V | 1.49 | 94 | 60 | 34 | 117 | 29 | |
| AMP-MODE : 200W-100V | 1.46 | 93 | 61 | 32 | 110 | 28 | 
| 100V/50Hz | Line Current (A) | Watt (W) | Thermal Dissipation | ||||
|---|---|---|---|---|---|---|---|
| 100V | In | Out | Dissipated | Btu/h | kcal/h | ||
| Sleep | 0.07 | 2.4 | 0.0 | 2.4 | 8.2 | 2.1 | |
| Idle | AMP-MODE : 3Ω/4Ω/8Ω | 0.31 | 16 | 0.0 | 16 | 54 | 14 | 
| AMP-MODE : 120W-70V/100V | 0.42 | 21 | 0.0 | 21 | 73 | 18 | |
| AMP-MODE : 200W-70V/100V | 0.33 | 17 | 0.0 | 17 | 57 | 14 | |
| 1/8 output power | AMP-MODE : 3Ω | 0.99 | 52 | 23 | 29 | 99 | 25 | 
| AMP-MODE : 4Ω | 1.05 | 55 | 25 | 30 | 103 | 26 | |
| AMP-MODE : 8Ω | 0.94 | 49 | 23 | 26 | 89 | 22 | |
| AMP-MODE : 120W-70V | 1.00 | 53 | 25 | 28 | 96 | 24 | |
| AMP-MODE : 120W-100V | 1.00 | 53 | 26 | 27 | 93 | 23 | |
| AMP-MODE : 200W-70V | 0.90 | 46 | 23 | 23 | 79 | 20 | |
| AMP-MODE : 200W-100V | 0.87 | 45 | 23 | 22 | 75 | 19 | |
| 1/3 output power | AMP-MODE : 3Ω | 1.90 | 108 | 61 | 47 | 161 | 41 | 
| AMP-MODE : 4Ω | 2.05 | 119 | 68 | 51 | 175 | 44 | |
| AMP-MODE : 8Ω | 1.83 | 103 | 63 | 40 | 137 | 35 | |
| AMP-MODE : 120W-70V | 1.89 | 107 | 67 | 40 | 137 | 35 | |
| AMP-MODE : 120W-100V | 1.91 | 108 | 69 | 39 | 134 | 34 | |
| AMP-MODE : 200W-70V | 1.71 | 95 | 60 | 35 | 120 | 30 | |
| 1 68 | 94 | 61 | 33 | 113 | 29 | ||
Yamaha Pro Audio global website http://www.yamahaproaudio.com/
Yamaha Downloads http://download.yamaha.com/
Manual Development Department © 2016 Yamaha Corporation
Published 02/2016 发行 KSHD-A0 Printed in China
雅马哈乐器音响(中国)投资有限公司 上海市静安区新闸路1818号云和大厦2楼 客户服务热线: 4000517700 公司网址: http://www.yamaha.com.cn
厂名: 雅马哈电子(苏州)有限公司 厂址: 江苏省苏州市苏州新区鹿山路18号
     
   


























 Loading...
 Loading...