
POWERED AMPLIFIER
860/1500/2500MAX 860/1500/2500

POWERED AMPLIFIER
CONTENTS
MAX
PANEL LAYOUT..............................................................................................................................
SYSTEM BLOCK DIAGRAM..................... .. .. ... .. .. .. ... .. .. ..... .. .. .. ... .. .. .. ... .. .. .. ..... .. .. .. ... .. .......................4
PCB
MAIN BOARD PCB........................................................................................................5
SCHEMATIC
POWER AMP
POWER AMP INPUT(L) SCHEMATIC..............................................................................7
POWER AMP INPUT(R) SCHEMATIC..............................................................................8
860/1500/2500
860/1500/2500
SCHEMATIC.............................................................................................6
POWER AMP OUTPUT(L) SCHEMATIC...........................................................................9
POWER AMP OUTPUT(R) SCHEMATIC.........................................................................10
POWER AMPSUPPLY SCHEMATIC...............................................................................11
PART LIST
INPUT CONNECTORS
POWER AMP(L) & CONTROLS PART LIST......................................................................13
POWER AMP(R) & POWER SUPPLYPART LIST..............................................................14
MISCELLANEOUS ITEMS..............................................................................................21
POWER REQUIREMENT CLASSIFICATION....................... ...........................................24
IC LIST..........................................................................................................................25
DIMENSIONS................................................................................................................26
PART LIST ................................................................................12
Phonic reserves the right to improve or alter any information supplied within this
document without prior notice.
PHONIC CORPORATION
V2.1 Dec. 27, 2002
MAX860/1500/2500 SERVICE MANUAL
2=CA

PANEL LAYOUT
PANEL LAYOUT
PHONIC CORPORATION
MAX860/1500/2500 SERVICE MANUAL
2=CA "2=CA !

SYSTEM BLOCK DIAGRAM
SYSTEM BLOCK DIAGRAM
PHONIC CORPORATION
MAX860/1500/2500 SERVICE MANUAL
Page 4Page 4

MAINBOARDPCB
MAINBOARDPCB
+100V
PHONICCORPORATION
MAX860/1500/2500 SERVICEMANUAL
Page5

POWERAMPSCHEMATIC
POWERAMPSCHEMATIC
PHONICCORPORATION
MAX860/1500/2500 SERVICEMANUAL
Page6

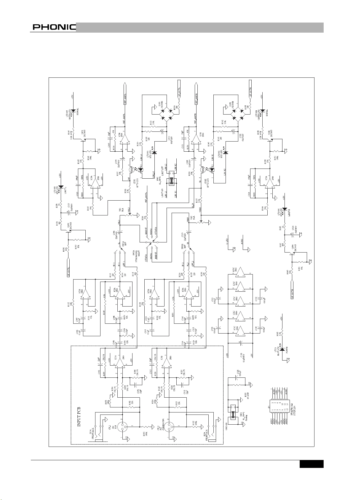
POWERAMPINPUT(L)SCHEMATIC
POWERAMPINPUT(L)SCHEMATIC
PHONICCORPORATION
MAX860/1500/2500 SERVICEMANUAL
Page7

POWERAMPINPUT(R)SCHEMATIC
POWERAMPINPUT(R)SCHEMATIC
PHONICCORPORATION
MAX860/1500/2500 SERVICEMANUAL
Page8

POWERAMPOUTPUT(L)SCHEMATIC
POWERAMPOUTPUT(L)SCHEMATIC
PHONICCORPORATION
MAX860/1500/2500 SERVICEMANUAL
Page9

POWERAMPOUTPUT(R)SCHEMATIC
POWERAMPOUTPUT(R)SCHEMATIC
PHONICCORPORATION
MAX860/1500/2500 SERVICEMANUAL
Page10

POWERAMPSUPPLYSCHEMATIC
POWERAMPSUPPLYSCHEMATIC
PHONICCORPORATION
MAX860/1500/2500 SERVICEMANUAL
Page11

INPUTCONNECTORSPARTLIST
Ref. Phonic Part No. Specification
IC1 160-00007-500-0 IC NJM 2068D JRC
JK2A.3A 211-01602-560-0 6D4/J YLJ-6405-300
(NUT&WASHER)
JK2.3 211-03300-160-0 XLR/J SKCA229-1K3F2
JK4.5 211-03400-021-0 SPEAKON/J SVP563S-CH
A2 212-10010-680-0 1P WAFER/P 80MM UL1015#14 BLK
A4 212-10010-690-0 1P WAFER/P 80MM BWN
A1 212-10010-720-0 1P WAFER/P 80MM UL1015#14 RED
A3 212-10010-730-0 1P WAFER/P 80MM UL1015#14
ORANGE
JP1 212-11214-000-0 IC/P 120MM
R101.103.122.124 006-10032-440-0 MF RES. 100K F 0.25 W
R104-107.125-128 006-15022-440-0 MF RES. 15K F 0.25 W T
R102.123 006-22022-440-0 MF RES 22K F 0.25W T
C131.132 042-10326-050-0 C/C2 0.01MFM 50V 5 T
C101.102.112.113 042-22024-050-0 C/C2 22PF J 50V 5 T
INPUTCONNECTORSPARTLIST
PHONICCORPORATION
MAX860/1500/2500 SERVICEMANUAL
Page12

Ref. Phonic Part No. Specification
R281 003-20071-602-0 CEMENT RES. 20 J 2W
R416 003-22071-602-0 CEMENT RES. 22 J 2W
R241.242.243.248.249.250 003-22093-602-0 CEMENT RES. 0.22 J 5W
R240.247 006-10003-420-0 MF RES. 100F 0.5W M
R153 006-10073-420-0 MF RES. 10F 0.5W M
R272 006-27023-420-0 MF RES.27K F 0.5W M
R280.269 006-33023-420-0 MF RES.33K F 0.5W M
R215.218 006-47083-420-0 MF RES. 4.7 F 0.5W M
CDS1.2 010-00001-010-0 CDS P873-G35-552 HAMAMATSU
NTC401 011-10020-001-0 THERMISTER NSA05C310-301
SVR201 020-47138-000-6 T/VR 470J T-085C-B470 0.5W
VR1.2 023-50230-050-0 D.ROT/VR 5KA
C404.405 046-10414-060-0 M/C0.1MF J 100V 5 T
C103.104.105.114.115.116 050-33404-001-0 M.M/C 0.33MF J 100V 10
L401 075-10082-100-0 INDUCTANCE 1UH K M
RA1 076-02421-050-0 RELA Y PCF-124D1M
D204.205.402.405.406 090-00007-020-0 DIODE IN4004 SILTEK T
D214.215 090-00016-000-0 DIODE 1N5404
D207-210.219.220 090-02004-000-0 DIODE 1N4935 T
D211.212.216.217.221.222 090-02007-000-0 DIODE FR602
D101.102 090-10000-000-0 B/DIODE PB154
LED101.102.105.106 100-00010-030-0 LED BL-B5141 RED
LED405 100-00040-000-0 LED 204YD YLW
LED103.104 100-00050-000-0 LED BL-B2141 GRN
LED1 100-00070-030-0 LED 204UBD D3 BLUE
Q205.221 120-00005-000-0 TRAN MJE340 MOTOROLA
Q215.216.217 120-00008-600-0 TRAN 2SC5200-OTOSHIBA
Q203.401 120-00008-800-0 TRAN MJE802 MOTOROLA
Q209 120-00009-500-0 TRAN 2SC4793-M TOSHIBA
Q222.223.224 121-00006-000-0 TRAN 2SA1943-OTOSHIBA
Q202.416 121-00006-100-0 TRAN MJE350 MOTOROLA
Q206 121-00007-200-0 TRAN 2SA1837-M TOSHIBA
Q210.228 122-00002-600-0 MOSFET IRFP260N IR
IC2.3.4.5 160-00007-500-0 IC NJM 2068D JRC
IC201 160-00021-900-0 IC NJM5534D JRC
TMP1 210-10090-001-0 TMP/SW US-602SXRFQC
SW1.2.3.4 210-60001-000-0 SLD/SW SLD-43-10
PHONICCORPORATION MAX860/1500/2500 SERVICEMANUAL
Page13

Ref. Phonic Part No. Specification
CN1.2 211-09142-000-0 14P B.E./S 180DEGREE
CN4.5 211-10021-161-0 2P WAFER/S TJC3-2A P=2.5MM
180DEGREE
CN5
212-10023-470-0 2P WAFER/P 150MM
J1-J1 212-10032-000-6 3PWAFER/P L=350MM
313-00000-000-0 TRANSISTORWASHER TO-220
Q210.228 313-00010-000-0 WASHER TO-3P
H+ H- L+ L P_GND- V+VAC 315-00012-000-0 LUG PIN JP-15
D101.102*1 322-05000-100-0 TUBE 5MM*D1
R240.247.215.218.D211.212.216.217
.221.222.214.215*2.LED405*1
322-31000-100-0 TUBE 10MM*D1
526-20053-010-0 HEA T SINK MAX SERIES PHONIC
552-20065-400-0 IC FIXED MAX2500
THERMAL SW*2 STHERMAL RES.*1
IC*6
590-43010-100-0 M/E PAN SCR. M3.0*10 NI
FIX TRANSISTOR 590-43012-100-0 M/EP AN SCR. M3.0*12 NI
PAD ON FIX TRANSISTOR 590-43014-100-0 M/E PAN SCR M3.0*14 NI
610-00300-501-0 PLA. WAS. D3.0*D7.0*0.5 NI
610-60300-501-0 P AN SPR. WAS D3.0*D7*0.5 NI
615-60026-620-0 LED BOSS LET5-3
R154.155.158.162.213.214.220.221.4
26.438
006-10002-440-0 MF RES. 100 F 0.25 W T
R159.163.203.204.212.216.217.219.2
79.441
006-10012-420-0 MF RES. 1K F 0.25W M
R117.138.145.150.157.161.208.211.2
65.267.276.424.431.432.439
006-10022-440-0 MF RES. 10KF 0.25W T
R146.151.427.434 006-10032-440-0 MF RES. 100K F 0.25WT
R207.234.235.236.254.255.256 006-10072-440-0 MF RES 10 F 1/4W
R108.129.430 006-12022-440-0 MF RES 12KF 0.25W T
R120.141 006-15002-420-0 MF RES. 150 F 0.25W M
R274 006-18022-440-0 MF RES. 18KF 0.25W T
R113.114.115.134.135.136 006-22002-410-0 MF RES. 220F 0.25W P
R147.152.222.224.228.229.423.435 006-22012-440-0 MF RES 2K2 F 0.25W T
R112.133.425.436.437.440 006-22022-440-0 MF RES 22K F 0.25W T
R420.421.422 006-22032-420-0 MF RES. 220K F 0.25 W M
R225.226 006-24022-440-0 MF RES. 24K F 0.25W T
PHONICCORPORATION MAX860/1500/2500 SERVICEMANUAL
Page14

Ref. Phonic Part No. Specification
R275 006-27032-420-0 MF RES. 270K F 0.25 W M
R223.227 006-30012-440-0 MF RES. 3K F 0.25W T
R273 006-30022-420-0 MF RES. 30K F 0.25 W M
R266 006-33002-440-0 MF RES. 330F 0.25W T
R116.119.137.140.165.428 006-33012-440-0 MF RES. 3K3 F 0.25W T
R164.268.442 006-33022-440-0 MF RES. 33K F 0.25 W T
R121.142.205.206.417.418 006-39012-420-0 MF RES. 3K9 F 0.25 W M
R143.148 006-39022-440-6 MF RES 39K F 0.25W T
R110.131 006-43012-400-0 MF RES. 4K3F 0.25W T
R118.139 006-43022-420-0 MF RES. 43K F 0.25 W M
R271 006-47012-420-0 MF RES. 4K7F 0.25W M
R111.132 006-47022-440-0 MF RES. 47K F 0.25W T
R201 006-49912-440-0 MF RES. 4K99 F 0.25 W T
R230.260.264.277.278 006-51072-420-0 MF RES. 51F 0.25W M
R429 006-56022-440-6 MF RES. 56K +/-1% 0.25W T
R270.419 006-68012-440-0 MF RES. 6K8 F 0.25W T
R156.160.209.210.433 006-68022-420-0 MF RES. 68K F 0.25 W M
R144.149 006-68032-440-0 MF RES. 680K F 0.25W T
R401 006-75002-420-0 MF RES. 750F 0.25W M
R202 006-75022-420-0 MF RES. 75K F 0.25 W T
R109.130 006-82022-440-0 MF RES. 82K F 0.25W T
C126 030-10484-0A0-0 E/C 0.1MFJ 100V 5T
C409 030-10558-0A0-0 E/C 1MF Z 50V 5*11 T
C127 030-10656-0A0-0 E/C 10MF M 50V 5*11 T
C219.226.408 030-10725-0A0-0 E/C 100MF K 16V T
C108.109.119.120 030-22628-0A0-0 E/C 22MF Z 16V 5*11T
C410.411.412 030-22638-0A0-0 E/C 22MF Z 25V 5*11 T
C406
030-22728-0A0-0 E/C 220MF Z 16V 8*11 T
C111.122.413.414 030-47638-0A0-0 E/C 47MF Z 25V 6.3*11 T
C212.217 030-47695-000-0 E/C 47MF K 160V P
C205 032-10636-0A0-0 NP E/C 10MF M 25V 6.3*11T
C106.107.117.118 040-10425-160-0 ML/C 0.1UF 50V K X7R P
C222 042-03020-000-0 C/C2 3PF C 50V 5
C123.124..220.221 042-10144-050-0 C/C2 100PF J 100V 5T
C207.209.225 042-10225-050-0 C/C2 0.001MF K 50V 5 T
C125.129.130 042-10326-050-0 C/C2 0.01MFM 50V 5 T
PHONICCORPORATION MAX860/1500/2500 SERVICEMANUAL
Page15

Ref. Phonic Part No. Specification
C214.215 042-10345-160-6 C/C2 0.01UF K 100V T
C231.415.416 042-10426-050-0 C/C2 0.1MFM 50V 5 T
C223.224.227.230 042-104A8-000-0 C/C2 0.1MF Z 250V 5
C229 042-201A5-000-0 C/C2 200PF K 250V
C110.121.206 042-33024-050-0 C/C2 33PF J 50V 5 T
C228 042-391A4-050-0 C/C2 390PF J 250V 5 T
C407 042-47124-050-0 C/C2 470PF J 50V 5 T
C213.216 042-47164-050-0 C/C2 470PF J 350V 5 T
C202.204 042-47325-050-0 C/C2 0.047MF K 50V 5 T
C218 42-56224-050-0 C/C2 0.0056MF J 50V T
ZD206 090-01103-010-0 Z/DIODE 10VK 0.5W FAIRC
ZD207 090-01153-010-0 Z/DIODE 15VK 0.5W UNIZON
ZD402 090-01472-020-0 ZENER DIODE 4.7V J 0.5W T
ZD203.204.205.401 090-01682-000-0 ZEN/DIODE 6.8V J0.5W UNIZO
ZD201.202 090-01752-010-0.. ZEN/DIODE 7V5K 0.5W FAIRCH
D201.202.203.206.403.404 090-02000-020-0 DIODE 1N4148 T26MM MINI
Q101.102.103.104.406.408.409.410.4
12.414 .415
120-00000-800-0 TRAN. 2SC1815GR TOSHIBA
Q201 120-00001-400-0 TRAN. 2N5551 MOTOROLA
Q208 120-00009-700-0
TRAN. BC546B PHILIPS(代 BC550)
Q407.411.413 121-00000-200-0 TRAN. 2SA1015 GR TOSHIBA
Q204.214.232.233 121-00000-300-0 TRAN. 2N5401 MOTOROLA
Q207 121-00007-500-0 TRAN. BC556B PHILIPS ( BC560)
CE-3839 290-34680-204-0 PCB MAX SERIES PWR-AMP
PHONICCORPORATION
MAX860/1500/2500 SERVICEMANUAL
Page4Page16

Ref. Phonic Part No. Specification
R381 003-20071-602-0 CEMENT RES. 20 J 2W
R516 003-22071-602-0 CEMENT RES. 22 J 2W
R341.342.343.348.349.350 003-22093-602-0 CEMENT RES. 0.22 J 5W
R340.347 006-10003-420-0 MF RES. 100F 0.5W M
R372 006-27023-420-0 MF RES.27K F 0.5W M
R1.2.3.4.369.380 006-33023-420-0 MF RES.33K F 0.5W M
R315.318 006-47083-420-0 MF RES. 4.7 F 0.5W M
NTC1.2.3 012-250B0-010-0 NTC TERMISTOR N15SP2R5L
SVR301 020-47138-000-6 T/VR 470J T-085C-B470 0.5W
C1.2.3.4 030-10968-001-0 E/C 10000MFZ 63V 35*50 P
C7.8 030-22848-002-0 E/C 2200MFZ 35V 16*27 P
C5.6 030-33876-000-0 E/C 3300MFM 80V 30*31 P
C504.505 046-10414-060-0 M/C 0.1MF J 100V 5 T
MC1 058-68325-100-0 MEX-683K 0.068MF/250V 18*13.5
P=15
L501 075-10082-100-0 INDUCTANCE 1UH K M
RA2 076-02421-050-0 RELA Y PCF-124D1M
D1.2.3.4.304.305.502.505.506 090-00007-020-0 DIODE IN4004 SILTEK T
D314.315 090-00016-000-0 DIODE 1N5404
D307-310.319.320 090-02004-000-0 DIODE 1N4935 T
D311.312.316.317.321.322 090-02007-000-0 DIODE FR602
BD3 090-10000-000-0 B/DIODE PB154
BD1.2 090-10016-000-0 B/DIODE KBPC5006
LED505 100-00040-000-0 LED 204YD YLW
Q305.321 120-00005-000-0 TRAN MJE340 MOTOROLA
Q315.316.317 120-00008-600-0 TRAN 2SC5200-OTOSHIBA
Q303 120-00008-800-0 TRAN MJE802 MOTOROLA
Q309 120-00009-500-0 TRAN 2SC4793-M TOSHIBA
Q322.323.324 121-00006-000-0 TRAN 2SA1943-OTOSHIBA
Q302.516 121-00006-100-0
Q306 121-00007-200-0 TRAN 2SA1837-M TOSHIBA
Q310.328 122-00002-600-0 MOSFET IRFP260N IR
IC2 160-00002-909-0 IC 7915
PHONICCORPORATION
MAX860/1500/2500 SERVICEMANUAL
Page4Page17

Ref. Phonic Part No. Specification
IC1 160-00005-909-0 IC 7815
IC301 160-00021-900-0 IC NJM5534D JRC
TMP2 210-10090-001-0 TMP/SW US-602SXRFQC VERIAL
CN7 211-10021-161-0 2P WAFER/S TJC3-2A P=2.5MM
180DEGREE
CN9 211-10084-020-0 8P WAFER/S 396108 180 P=3.96MM
CN8 212-10023-470-0 2P WAFER/P 150MM
JP2 212-11214-000-0 IC/P 120MM
FUSE1 281-00000-010-0 FUSE CLIP FH-1208
FUSE2.3 281-00000-020-0 FUSE CLIP FH-1206
CE-2752 313-00000-000-0 TRANSISTORWASHER TO-220
Q310.328 313-00010-000-0 WASHER TO-3P
H+ H- L+ L- P2-P9 P_GND V+AC V 315-00012-000-0 LUG PIN JP-15
BD3*1 322-05000-100-0 TUBE 5MM*D1
R340.347.502.315.318.D311.312.316
.317.32
322-31000-100-0 TUBE 10MM*D1
1.322.D314.315*2.LED505*1
KBPC5006 526-20046-010-0 HEAT SINK MAR2000
CE-2628 526-20053-010-0 HEAT SINK MAX PHONIC
CE-267 552-20065-400-0 IC FIXED MAX2500
KBPC5006 590-24020-200-0 M/E BID SCR. M4*20 BLK
THERMAL 590-43010-100-0 M/E PAN SCR. M3.0*10NI
FIX TRANSISTOR 590-43012-100-0 M/E PAN SCR. M3.0*12 NI
PAD ON FIX TRANSISTOR 590-43014-100-0 M/E PAN SCR M3.0*14 NI
IC1.2 590-53008-100-0 M/E SET SCR. M3.0*8N
CE-2752 610-00300-501-0 PLA.WAS. D3.0*D7.0*0.5 NI
IC1.2 610-60300-501-0 PAN SPR. WAS D3.0*D7*0.5 NI
KBPC5006 610-60401-001-0 PAN SPR. WAS. D4*7.6*1.0 NI
IC1.2 615-60033-630-0 BOSS CU L=24
R313.314.320.321.526.538 006-10002-440-0 MF RES. 100 F 0.25 W T
R303.304.312.316.317.319.379.541 006-10012-420-0 MF RES. 1K F 0.25W M
R308.311.365.367.376.524.531.532.5
39
006-10022-440-0 MF RES. 10KF 0.25W T
R527.534 006-10032-440-0 MF RES. 100K F 0.25W T
R307.334.335.336.354.355.356 006-10072-440-0 MF RES 10 F 1/4W
R530 006-12022-440-0 MF RES 12KF 0.25W T
R374 006-18022-440-0 MF RES. 18KF 0.25W T
R322.324.328.329.523.53 006-22012-440-0 MF RES 2K2 F 0.25W T
PHONICCORPORATION
MAX860/1500/2500 SERVICEMANUAL
Page4Page18

Ref. Phonic Part No. Specification
R525.536.537.540 006-22022-440-0 MF RES 22K F 0.25W T
R520.521.522 006-22032-420-0 MF RES. 220K F 0.25 W M
R325.326 006-24022-440-0 MF RES. 24K F 0.25W T
R375 006-27032-420-0 MF RES. 270K F 0.25 W M
R323.327 006-30012-440-0 MF RES. 3K F 0.25W T
R373 006-30022-420-0 MF RES. 30K F 0.25 W M
R366 006-33002-440-0 MF RES. 330F 0.25W T
R528 006-33012-440-0 MF RES. 3K3F 0.25W T
R368.542 006-33022-440-0 MF RES. 33K F 0.25W T
R305.306.517.518 006-39012-420-0 MF RES. 3K9 F 0.25W M
R371 006-47012-420-0 MF RES. 4K7F 0.25W M
R301 006-49912-440-0 MF RES. 4K99 F 0.25 W T
R330.360.364.377.378 006-51072-420-0 MF RES. 51F 0.25W M
R529 006-56022-440-6 MF RES. 56K +/-1% 0.25W T
R370.519 006-68012-440-0k MF RES. 6K8 F 0.25W T
R309.310.533 006-68022-420-0 MF RES. 68K F 0.25 W M
R302 006-75022-420-0 MF RES. 75K F 0.25 W T
C509 030-10558-0A0-0 E/C 1MF Z 50V 5*11 T
C9.10.301.303.310. 030-10656-0A0-0 E/C 10MF M 50V 5*11 T
C319.326.508 030-10725-0A0-0 E/C 100MF K 16V T
C510.511.512 030-22638-0A0-0 E/C 22MF Z 25V 5*11 T
C506 030-22728-0A0-0 E/C 220MF Z 16V 8*11 T
C312.317 030-47695-000-0 E/C 47MF K 160V P
C305 032-10636-0A0-0 NP E/C 10MF M 25V 6.3*11T
C322 042-03020-000-0 C/C2 3PF C 50V 5
CE-3021 C320.321042-101
44-050-0
C/C2 100PF J 100V 5T
C307.309.325 042-10225-050-0 C/C2 0.001MF K 50V 5 T
C314.315 042-10345-160-6 C/C2 0.01UF K 100V T
C331.515.516 042-10426-050-0 C/C2 0.1MFM 50V 5 T
C323.324.327.330 042-104A8-000-0 C/C2 0.1MF Z 250V 5
C329 042-201A5-000-0 C/C2 200PF K 250V
C306 042-33024-050-0 C/C2 33PF J 50V 5 T
C328 042-391A4-050-0 C/C2 390PF J 250V 5 T
C507 042-47124-050-0 C/C2 470PF J 50V 5 T
C313.316 042-47164-050-0 C/C2 470PF J 350V 5 T
C302.304 042-47325-050-0 C/C2 0.047MF K 50V 5 T
PHONICCORPORATION
MAX860/1500/2500 SERVICEMANUAL
Page4Page19

Ref. Phonic Part No. Specification
C318 042-56224-050-0 C/C2 0.0056MF J 50V T
ZD306 090-01103-010-0 Z/DIODE 10VK 0.5W FAIRC
ZD307 090-01153-010-0 Z/DIODE 15VK 0.5W UNIZON
ZD502 090-01472-020-0 ZENER DIODE 4.7V J 0.5 W T
ZD303.304.305.501 090-01682-000-0 ZEN/DIODE 6.8V J0.5W UNIZO
ZD301.302 090-01752-010-0 ZEN/DIODE 7V5K 0.5W FAIRCH
D301.302.303.306.503.504 090-02000-020-0 DIODE 1N4148 T26MM MINI
Q506.508.509.510.512.514.515 120-00000-800-0 TRAN. 2SC1815GR TOSHIBA
Q301 120-00001-400-0 TRAN. 2N5551 MOTOROLA
Q308 120-00009-700-0 TRAN. BC546B PHILIPS(BC550)
Q507.511.513 121-00000-200-0 TRAN. 2SA1015 GR TOSHIBA
Q304.314.332.333 121-00000-300-0 TRAN. 2N5401 MOTOROLA
Q307 121-00007-500-0 TRAN. BC556B PHILIPS (BC560)
PHONICCORPORATION
MAX860/1500/2500 SERVICEMANUAL
Page20

Ref. Phonic Part No. Specification
POWER SW 210-03101-070-0 SSA/SW
211-17000-410-0 BINDING POST BP-47-2P
SPK-L 212-10010-650-0 1P WAFER/P 100MM UL1015#14
RED
E-444 212-10010-750-6 1P WAFER/P 1617#14 AWG 370MM
BLUE
E-444 212-10010-760-6 1P WAFER/P 1617#14 AWG 320MM
RED
VAC 212-10010-770-0 1P WAFER/P 220MM BLK
P_GND 212-10010-780-0 1P WAFER/P 240MMBWN
V+ 212-10010-790-0 1P WAFER/P 260MM RED
L- 212-10010-800-0 1P WAFER/P 280MM ORANGE
L+ 212-10010-810-0 1P WAFER/P 300MM YLW
H- 212-10010-820-0 1P WAFER/P 320MM BLUE
H+ 212-10010-830-0 1P WAFER/P 340MM W HT
SPK_L 212-10010-840-0 1P WAFER/P 320MM RED
SPK_R 212-10010-850-0 1P WAFER/P 160MM ORANGE
SPK_GND_L 212-10010-860-0 1P WAFER/PP 150MM BLK
SPK_GND_R 212-10010-870-0 1P WAFER/P 150MM BWN
307-00000-070-0 CORD CONNECTORC5
315-00000-000-0 LUG D4 GROUND
321-00000-070-0 CABLE TIE HW-100MM
347-00000-201-0 FAN JF0825S2H-419
510-21000-902-0 P ANEL MAX2500
511-20680-101-0 BACK P ANELMAX2500
516-20440-100-0 TOP COV.MAX SERIES PHONIC
517-20600-100-0 BOT COV.MAX SERIES PHONIC
518-20270-100-0 FAN COV. MAX SERIES PHONIC
525-00009-100-0 FEET D26.5*11 BLK
526-10056-110-0 LINK HEAT SINK
528-00000-000-0 FAN NET WHT PWA22008"
528-60012-000-0 NET MAX860/1500/2500
540-20390-120-0 R/KNOB D18*18MM BLK
551-20074-200-0 FIXED SECC T=1.5MM BRKT/R MAX
551-60055-200-0 FIXED SECC T=1.5MM BRKT/L MAX
552-20048-420-0 ADHESIVE FIXED FW-5D-3M
560-21070-100-0 CARTONMAX2500 570*540*100
PHONICCORPORATION
MAX860/1500/2500 SERVICEMANUAL
Page21

Ref. Phonic Part No. Specification
561-21300-900-0 G/B MAX2500 555*525*180 A=B
565-60077-000-0 POLYLON MAX SERIES
565-60078-000-0 POLYLON MAX860/1500/2500
568-00003-000-0 PE BAG #10 240*340*0.05
568-20018-000-0 PE BAG 630*630*0.07
572-00000-050-0 DRYER 5g
573-10124-010-0 GND LABEL MAR2
573-20340-001-0 LABEL D25 BLK
573-60240-000-0 BAR CODE LABEL PHONIC
573-60343-000-0 LABEL LEVERL METER LABEL
BLUE D=8mm
574-34680-110-0 OWN. MANU. MAX2500/1500/860
PHONIC
579-00000-068-0 MINI CATALOGPHONIC SERIES
FIX BOT COVER&FAN BRKT*4 FIX
BOT/TOPCOV&PANEL*10
590-03006-200-0 M/E FLT SCR. M3.0*6 BLK
FLX FAN&FAN BRKT*4 590-03006-200-1
FIX NEUTRIK*4 590-03010-200-0 M/E FLT SCR. M3.0*10 BLK
FIX HEAT SINK*4BOT COV&PCB*13 590-33008-100-0 M/E RUD SCR M3.0*8 NI
FIX BACK FAN&FAN COV .&BACK
PANEL*4
590-43032-100-0 M/E PAN SCR.M3.0*32 NI
FIX PANEL&HEADLE*4 BOT
COV&HEA T SINK*6
590-44008-200-0 M/E PAN SCR. M4.0*8 BLK
GND SCRERW 590-44010-200-0 M/E PAN SCR M4*10 BLK
TOP COV&BOP COV*6 TOP
COV&P ANEL*2TOP COV&BACK
PANEL*2
590-53006-200-0 M/E SET SCR. M3.0*6 BLK
FIX COMBO*4 591-03008-200-0 T/P FLT SCR. D3.0*8 BLK
FIX FEET*4 591-54010-200-0 T/P SET SCR. D4.0*10 BLK
FIX XLR*4 600-00302-210-0 HEX. NUT M3.0*2.2 NI
GND 600-00403-510-0 HEX. NUT M4.0*3.5 NI
GND CU 600-00602-010-0 HEX. NUT M6.0*2.0 NI
610-00300-516-0 FIBER WAS. D3*D8*0.5 RED
FAN NET 610-00408-001-0 PLA. WAS. D4.0*8.0*1.0 NI
610-20901-001-0 TOOTH WAS D9*12*1 NI
610-30300-501-0 TOOTH WAS. D3.0*D6.5*0.5 NI
PHONICCORPORATION
MAX860/1500/2500 SERVICEMANUAL
Page22

Ref. Phonic Part No. Specification
GND 610-30400-501-0 TOOTH WAS. D4.0*D8.5*0.5 NI
GND LUG 610-60401-001-0 P AN SPR. WAS. D4*7.6*1.0 NI
GND CU 615-10001-130-0 EARTH BOSS 2+5 NI
615-10002-130-0 EARTH BOSS 10+5NI (EARTH
BOSS)
SELECTIVE VOLTAGE 618-14180-662-0 SPEC FIXED PIN SR-2 WHT
619-06380-320-0 PLA RIVET SR-3L BLACK
510-21000-402-F PANEL MAX2500
511-20680-101-F BACK PANEL MAX2500
516-20440-100-F TOP COV. MAX860/1500/2500
517-20600-100-F BOT COV. MAX860/1500/2500
551-20074-300-F FIXED R/BRKT MAX860/1500/2500
551-60055-300-F FIXED L/BRKT MAX860/1500/2500
PHONICCORPORATION
MAX860/1500/2500 SERVICEMANUAL
Page4Page23

POWERREQUIREMENTCLASSIFICATION
Ref. Phonic Part No. Specification
BS
070-20588-800-0 X'MER 115/230V MAX2500
280-1538B-000-0 FUSE 15A 250V UL/CSA/JIS S
FUSE2.3 280-20263-000-0 FUSE T2A 250V VDE S
370-26640-432-6 P/CORD 250V/15A 2.5M 3P BS
527-11000-000-0 STR.REL BUSHING 6W3-4 R
(6N3-4 )
573-10032-010-0 POWER LABEL (ONLY USED IN BS)
JIS
070-20580-600-0 X'MER 100V JIS MAX2500
280-2026B-000-0 FUSE 2A 250V UL/CSA/JIS S
280-2538B-000-0 FUSE 25A 250V S UL/CSA/JIS
370-24810-602-0 P/CORD 125V/15A 2.0MM/2P 2.5M
JIS
527-11000-000-0 STR.REL BUSHING 6W3-4 R (6N3-4)
SA
070-20588-800-0 X'MER 115/230V MAX2500
280-1538B-000-0 FUSE 15A 250V UL/CSA/JIS S
280-20263-000-0 FUSE T2A 250V VDE S
370-15020-829-0 P/CORD 15A/250V 1.0MM*3 6F 3P
527-11000-000-0 STR.REL BUSHING 6W3-4 R (6N3-4)
IEC
070-20588-800-0 X'MER 115/230V MAX2500
280-1538B-000-0 FUSE 15A 250V UL/CSA/JIS S
280-20263-000-0 FUSE T2A 250V VDE S
370-23610-902-0 P/CORD 230V 15A 2.5M3P
527-11000-000-0 STR.REL BUSHING 6W3-4 R (6N3-4)
POWERREQUIREMENTCLASSIFICATION
PHONICCORPORATION
MAX860/1500/2500 SERVICEMANUAL
Page24

Ref. Phonic Specifications Supplier
IC2.3.4.5 160-00007-500-0 IC NJM 2068D JRC http://www.njr.com
IC201 160-00021-900-0 IC NJM5534D JRC http://www.njr.com
IC2 160-00002-909-0 IC 7915 http://w ww.onsemi.com/home
IC1 160-00005-909-0 IC 7815 http://w ww.onsemi.com/home
IC301 160-00021-900-0 IC NJM5534D JRC http://www.njr.com
IC1 160-00007-500-0 IC NJM 2068D JRC http://www.njr.com
ICLIST
ICLIST
PHONICCORPORATION
MAX860/1500/2500 SERVICEMANUAL
Page4Page25

DIMENSIONS
DIMENSIONS
482.00/18.98
DIMENSIONSARESHOWENINMM/INCH.
PHONICCORPORATION
MAX860/1500/2500 SERVICEMANUAL
Page26