
1
Motorola Bipolar Power Transistor Device Data
The 2N6547 transistor is designed for high–voltage, high–speed, power switching
in inductive circuits where fall time is critical. They are particularly suited for 115 and
220 volt line operated switch–mode applications such as:
• Switching Regulators
• PWM Inverters and Motor Controls
• Solenoid and Relay Drivers
• Deflection Circuits
Specification Features —
High Temperature Performance Specified for:
Reversed Biased SOA with Inductive Loads
Switching Times with Inductive Loads
Saturation Voltages
Leakage Currents
ОООООООО
ОООООООО
ОООООООО
Collector–Emitter Voltage
ОООООООО
ОООООООО
ОООООООО
Collector–Emitter Voltage
ОООООООО
ОООООООО
ОООООООО
Collector–Emitter Voltage
ОООООООО
ОООООООО
ОООООООО
ОООООООО
ОООООООО
ОООООООО
Collector Current— Continuous
— Peak (2)
ОООООООО
ОООООООО
ОООООООО
ОООООООО
Base Current — Continuous
— Peak (2)
ОООООООО
ОООООООО
ОООООООО
Emitter Current— Continuous
— Peak (2)
ОООООООО
ОООООООО
ОООООООО
ОООООООО
Total Power Dissipation
@ TC = 25_C
@ TC = 100_C
Derate above 25_C
ОООООООО
ОООООООО
ОООООООО
ОООООООО
ОООООООО
Operating and Storage Junction Temperature Range
ОООООООО
ОООООООО
ОООООООО
ОООООООО
ОООООООО
ОООООООО
Thermal Resistance, Junction to Case
ОООООООО
ОООООООО
ОООООООО
Maximum Lead Temperature for Soldering
Purposes: 1/8″ from Case for 5 Seconds
ОООООООО
ОООООООО
ОООООООО
ОООООООО
_
C
Designer’s and SWITCHMODE are trademarks of Motorola, Inc.
Designer’s Data for “Worst Case” Conditions — The Designer’s Data Sheet permits the design of most circuits entirely from the information presented. SOA Limit
curves — representing boundaries on device characteristics — are given to facilitate “worst case” design.
SEMICONDUCTOR TECHNICAL DATA
Order this document
by 2N6547/D
15 AMPERE
NPN SILICON
POWER TRANSISTORS
300 and 400 VOLTS
175 WATTS
CASE 1–07
TO–204AA
(TO–3)
REV 4

2N6547
2
Motorola Bipolar Power Transistor Device Data
*ELECTRICAL CHARACTERISTICS (T
C
= 25_C unless otherwise noted)
Collector–Emitter Sustaining Voltage
(IC = 100 mA, IB = 0) 2N6546
2N6547
Collector–Emitter Sustaining Voltage
(IC = 8.0 A, V
clamp
= Rated V
CEX
, TC = 100_C) 2N6546
2N6547
(IC = 15 A, V
clamp
= Rated V
CEO
= 100 V, 2N6546
TC = 100_C) 2N6547
ÎÎÎÎ
ÎÎÎÎ
ÎÎÎÎ
ÎÎÎÎ
ÎÎÎÎ
ÎÎÎÎ
Collector Cutoff Current
(V
CEV
= Rated Value, V
BE(off)
= 1.5 Vdc)
(V
CEV
= Rated Value, V
BE(off)
= 1.5 Vdc, TC = 100_C)
Collector Cutoff Current
(VCE = Rated V
CEV
, RBE = 50 Ω, TC = 100_C)
Emitter Cutoff Current
(VEB = 9.0 Vdc, IC = 0)
Second Breakdown Collector Current with base forward biased
t = 1.0 s (non–repetitive) (VCE = 100 Vdc)
DC Current Gain
(IC = 5.0 Adc, VCE = 2.0 Vdc)
(IC = 10 Adc, VCE = 2.0 Vdc)
Collector–Emitter Saturation Voltage
(IC = 10 Adc, IB = 2.0 Adc)
(IC = 15 Adc, IB = 3.0 Adc)
(IC = 10 Adc, IB = 2.0 Adc, TC = 100_C)
Base–Emitter Saturation Voltage
(IC = 10 Adc, IB = 2.0 Adc)
(IC = 10 Adc, IB = 2.0 Adc, TC = 100_C
Current–Gain — Bandwidth Product
(IC = 500 mAdc, VCE = 10 Vdc, f
test
= 1.0 MHz)
Output Capacitance
(VCB = 10 Vdc, IE = 0, f
test
= 1.0 MHz)
SWITCHING CHARACTERISTICS
Resistive Load
Delay Time
IB1 = IB2 = 2.0 A, tp = 100 µs,
Duty Cycle v 2.0%)
C
= 10 A(pk), V
clamp
= Rated V
CEX
, IB1 = 2.0 A,
(IC = 10 A(pk), V
clamp
= Rated V
CEX
, IB1 = 2.0 A,
V
BE(off)
= 5.0 Vdc, TC = 100_C)
C
= 10 A(pk), V
clamp
= Rated V
CEX
, IB1 = 2.0 A,
(IC = 10 A(pk), V
clamp
= Rated V
CEX
, IB1 = 2.0 A,
V
BE(off)
= 5.0 Vdc, TC = 25_C)
µs
*Indicates JEDEC Registered Data.
(1) Pulse Test: Pulse Width = 300 µs, Duty Cycle = 2%.
(VCC = 250 V, IC = 10 A,
(I
(I

2N6547
3
Motorola Bipolar Power Transistor Device Data
TYPICAL ELECTRICAL CHARACTERISTICS
TS)
100
Figure 1. DC Current Gain
IC, COLLECTOR CURRENT (AMP)
5.0
50
30
20
1.4
Figure 2. Collector Saturation Region
IC, COLLECTOR CURRENT (AMP)
1.0
0.6
0.4
0.2
0
TJ = 25°C
V
BE(sat)
@ IC/IB = 5.0
2.0
Figure 3. “On” Voltages
IB, COLLECTOR CURRENT (AMP)
0
0.07 0.2 0.3 0.5 1.0 7.0
1.6
70
h
FE
, DC CURRENT GAIN
TJ = 150°C
25°C
–55°C
TJ = 25°C
IC = 2.0 A
10 A
V, VOLTAGE (VOLTS)
2.5
Figure 4. Temperature Coefficients
IC, COLLECTOR CURRENT (AMP)
V
, TEMPERATURE COEFFICIENTS (mV/ C)
°θ
2.0
1.0
0
–2.5
θ
VB
for V
BE
*
θ
VC
for V
CE(sat)
*APPLIES FOR IC/IB
v
h
FE
@ V
CE
+
2.0 V
3
V
BE(on)
@ VCE = 2.0 V
1.2
0.8
0.1 0.7
1.2
0.8
0.4
1.5
–1.0
–1.5
10
7.0
0.2 0.3 1.0 2.0 3.0 20
5.0 A
2.0 5.0
V
CE(sat)
@ IC/IB = 5
0.2 0.3 1.0 7.00.5 2.0 3.0 20 0.5 1.0 2.0 3.0 100.7 7.05.0 20
0.3
0.2
–55°C to 25°C
25°C to 150°C
25°C to 150°C
VCE = 2.0 V
VCE = 10 V
0.5 5.0 7.0 10 3.0
15 A
0.5
5.0 10
–0.5
–2.0
–55°C to 25°C
3.0 k
Figure 5. Turn–On Time
IC, COLLECTOR CURRENT (AMP)
0.02 20
VCC = 250 V
IC/IB = 5.0
TJ = 25°C
1.00.1 2.0
t
r
td @ V
BE(off)
= 5.0 V
t, TIME (ns)
30
2.0 k
1.0 k
700
500
300
200
100
70
50
0.05 100.2 0.5
Figure 6. Turn–Off Time
IC, COLLECTOR CURRENT (AMP)
VCC = 250 V
IC/IB = 5.0
IB1 = I
B2
TJ = 25
°
C
t
s
t
f
10 k
7.0 k
5.0 k
3.0 k
2.0 k
1.0 k
700
500
100
300
200
t, TIME (ns)
5.0 0.02 201.00.1 2.00.05 100.2 0.5 5.0
, COLLECTOR–EMITTER VOLTAGE (VOL
CE
V

2N6547
4
Motorola Bipolar Power Transistor Device Data
MAXIMUM RATED SAFE OPERATING AREAS
VCE, COLLECTOR–EMITTER VOLTAGE (VOLTS)
BONDING WIRE LIMITED
THERMAL LIMIT (SINGLE PULSE)
SECOND BREAKDOWN LIMIT
50
Figure 7. Forward Bias Safe Operating Area
5.0
10 20 400
TC = 25°C
0.2
10
0.5
20
70
1.0
0.005
dc
5.0 1007.0
2N6546
2N6547
CURVES APPLY BELOW RATED V
CEO
5.0 ms
1.0 ms
100 µs
I
C
, COLLECTOR CURRENT (AMP)
0.1
0.01
30 50 300200
0.02
0.05
2.0
10 ms
TURN OFF LOAD LINE
BOUNDARY FOR 2N6547.
FOR 2N6546, V
CEO
AND
V
CEX
ARE 100 VOLTS LESS.
20
Figure 8. Reverse Bias Safe Operating Area
100 500
V
CEX(sus)
8.0
16
VCE, COLLECTOR–EMITTER VOLTAGE (VOLTS)
12
0
0 400
V
CEO(sus)
V
CEX(sus)
8.0 V
I
C
, COLLECTOR CURRENT (AMP)
4.0
300200
V
BE(off)
v 5 V
TC
v
100°C
100
80
60
20
0
0 40 80 120 160 200
Figure 9. Power Derating
TC, CASE TEMPERATURE (°C)
POWER DERATING FACTOR (%)
THERMAL DERATING
40
SECOND BREAKDOWN
DERATING
There are two limitations on the power handling ability of a
transistor: average junction temperature and second breakdown. Safe operating area curves indicate IC – VCE limits of
the transistor that must be observed for reliable operation;
i.e., the transistor must not be subjected to greater dissipation than the curves indicate.
The data of Figure 7 is based on TC = 25_C; T
J(pk)
is
variable depending on power level. Second breakdown pulse
limits are valid for duty cycles to 10% but must be derated
when TC ≥ 25_C. Second breakdown limitations do not derate the same as thermal limitations. Allowable current at the
voltages shown on Figure 7 may be found at any case temperature by using the appropriate curve on Figure 9.
T
J(pk)
may be calculated from the data in Figure 10. At
high case temperatures, thermal limitations will reduce the
power that can be handled to values less than the limitations
imposed by second breakdown.
Figure 10. Thermal Response
t, TIME (ms)
1.0
0.01
0.01
0.7
0.5
0.3
0.2
0.1
0.07
0.05
0.03
0.02
0.02 0.05 0.1 0.2 0.5 1.0 2.0 5.0 10 20 50 100 200 1.0 k500
Z
θ
JC
(t) = r(t) R
θ
JC
R
θ
JC
= 1.0
°
C/W MAX
D CURVES APPLY FOR POWER
PULSE TRAIN SHOWN
READ TIME AT t
1
T
J(pk)
– TC = P
(pk)
Z
θ
JC(t)
P
(pk)
t
1
t
2
DUTY CYCLE, D = t1/t
2
D = 0.5
0.2
0.05
0.02
0.01
SINGLE PULSE
0.1
r(t), TRANSIENT THERMAL RESISTANCE
(NORMALIZED)

2N6547
5
Motorola Bipolar Power Transistor Device Data
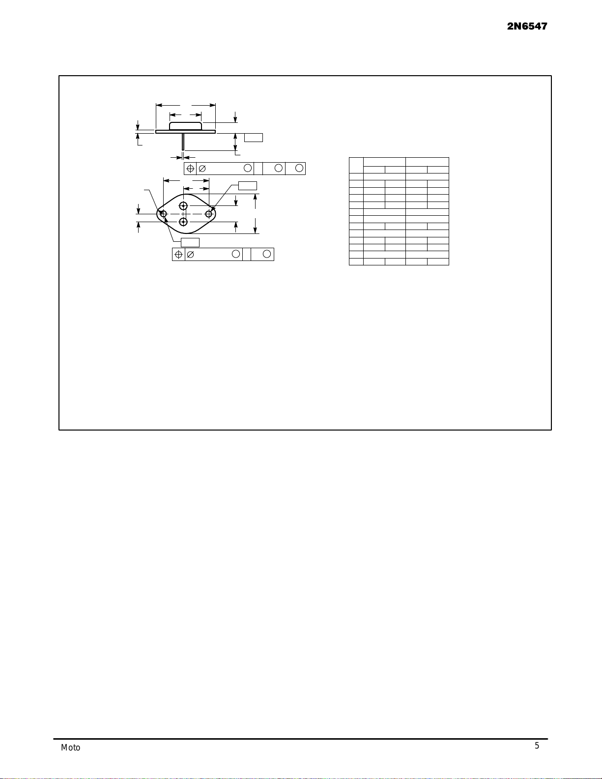
PACKAGE DIMENSIONS
NOTES:
1. DIMENSIONING AND TOLERANCING PER ANSI
Y14.5M, 1982.
2. CONTROLLING DIMENSION: INCH.
3. ALL RULES AND NOTES ASSOCIATED WITH
REFERENCED TO–204AA OUTLINE SHALL APPLY.
STYLE 1:
PIN 1. BASE
2. EMITTER
CASE: COLLECTOR
DIM MIN MAX MIN MAX
MILLIMETERSINCHES
A 1.550 REF 39.37 REF
B ––– 1.050 ––– 26.67
C 0.250 0.335 6.35 8.51
D 0.038 0.043 0.97 1.09
E 0.055 0.070 1.40 1.77
G 0.430 BSC 10.92 BSC
H 0.215 BSC 5.46 BSC
K 0.440 0.480 11.18 12.19
L 0.665 BSC 16.89 BSC
N ––– 0.830 ––– 21.08
Q 0.151 0.165 3.84 4.19
U 1.187 BSC 30.15 BSC
V 0.131 0.188 3.33 4.77
A
N
E
C
K
–T–
SEATING
PLANE
2 PLD
M
Q
M
0.13 (0.005) Y
M
T
M
Y
M
0.13 (0.005) T
–Q–
–Y–
2
1
U
L
G
B
V
H
CASE 1–07
TO–204AA (TO–3)
ISSUE Z

2N6547
6
Motorola Bipolar Power Transistor Device Data
How to reach us:
USA / EUROPE: Motorola Literature Distribution; JAPAN: Nippon Motorola Ltd.; Tatsumi–SPD–JLDC, Toshikatsu Otsuki,
P.O. Box 20912; Phoenix, Arizona 85036. 1–800–441–2447 6F Seibu–Butsuryu–Center, 3–14–2 Tatsumi Koto–Ku, Tokyo 135, Japan. 03–3521–8315
MFAX: RMFAX0@email.sps.mot.com – TOUCHTONE (602) 244–6609 HONG KONG: Motorola Semiconductors H.K. Ltd.; 8B Tai Ping Industrial Park,
INTERNET: http://Design–NET.com 51 Ting Kok Road, Tai Po, N.T., Hong Kong. 852–26629298
Motorola reserves the right to make changes without further notice to any products herein. Motorola makes no warranty , representation or guarantee regarding
the suitability of its products for any particular purpose, nor does Motorola assume any liability arising out of the application or use of any product or circuit,
and specifically disclaims any and all liability, including without limitation consequential or incidental damages. “T ypical” parameters can and do vary in different
applications. All operating parameters, including “T ypicals” must be validated for each customer application by customer’s technical experts. Motorola does
not convey any license under its patent rights nor the rights of others. Motorola products are not designed, intended, or authorized for use as components in
systems intended for surgical implant into the body, or other applications intended to support or sustain life, or for any other application in which the failure of
the Motorola product could create a situation where personal injury or death may occur. Should Buyer purchase or use Motorola products for any such
unintended or unauthorized application, Buyer shall indemnify and hold Motorola and its officers, employees, subsidiaries, affiliates, and distributors harmless
against all claims, costs, damages, and expenses, and reasonable attorney fees arising out of, directly or indirectly, any claim of personal injury or death
associated with such unintended or unauthorized use, even if such claim alleges that Motorola was negligent regarding the design or manufacture of the part.
Motorola and are registered trademarks of Motorola, Inc. Motorola, Inc. is an Equal Opportunity/Affirmative Action Employer.
2N6547/D
*2N6547/D*
◊