Die Erläuterungen der einzelnen Kapitel sind in sich abgeschlossen. Ein Studium der gesamten Anleitung ist damit nicht erforderlich. Selbstverständlich resultieren daraus, bei chronologischer Betrachtung, einige Wiederholungen.
| 1.0 | aus dem Gehäuse und entfernen | 1.0 | from its Case | ||
|---|---|---|---|---|---|
| des Auflegers | 1 | and removing depositor | 1 | ||
| 1.1 | Antrieb | 1 | 1.1 | Transport Mechanism | 1 |
| 1.2 | Kupplungen | 5 | 1.2 | Clutches | 5 |
| 1.3 |
Prüfung und Einstellung
der Fühlhebel |
6 | 1.3 |
Checking and Adjusting
the Sensing Levers |
6 |
| 1.4 |
Prüfung und Einstellung
des Bandzugkomparators |
6 | 1.4 |
Checking and Adjusting
the Tape Tension Comparator |
6 |
| 1.5 |
Prüfung und Einstellung
des Vor-Rücklaufes |
8 | 1.5 |
Checking and Adjusting the Fast
Forward and Rewind Functions |
8 |
| 1.6 |
Prüfung und Einstellung
der Aufwickelkupplung |
8 | 1.6 | Checking and Adjusting the Wind-on Clutch | 8 |
| 1.7 |
Prüfung und Einstellung
der Bremsen |
9 | 1.7 | Checking and Adjusting the Brakes | 9 |
| 1.8 |
Austausch der Friktionsräder
und der Antriebsriemen |
9 | 1.8 |
Replacing the Friction Wheels
and Driving Belts |
9 |
| 1.9 |
Prüfung und Einstellung
des Bandgeschwindigkeitswählers |
10 | 1.9 |
Checking and Adjusting
the Tape Speed Selector |
10 |
| 2.0 | Austausch des Reibrades | 11 | 2.0 | Replacing the Idler | 11 |
| 2.1 |
Prüfung und Einstellung des Druckes
der Andruckwelle an die Tonwelle |
11 | 2.1 |
Checking and Adjusting
the Pressure Between the Pressure Roller and the Capstan |
11 |
| 2.2 | Schnellstop | 12 | 2.2 | Rapid Stop | 12 |
| 2.3 | Bandführungen | 12 | 2.3 | Tape Guides | 12 |
| 2.4 | Kopfträger | 13 | 2.4 | Head Support Assembly | 13 |
| 2.5 |
Prüfung und Einstellung
der Kontaktfedersätze und Schalter |
14 | 2.5 |
Checking and Adjusting the Contact
Spring Assemblies and Switches |
14 |
| 2.6 | Schmierung und Wartung | 15 | 2.6 | Lubrication and Maintenance | 15 |
| 2.7 |
Prüfung der Aussteuerungs-
automatik (A 503 ) |
16 | 2.7 |
Checking the Automatic Recording
Level Control(A 503) |
16 |
Contents
Each chapter of this manual provides com-
plete information on the topic covered. Thus,
it will not be necessary to study the entire
booklet. As a result of this construction of
the manual, you will discover a few repeats
when studying more than one chapter.
Dans les présentes instructions, chaque chapitre constitue en lui-même un tout indépendant et peut donc être consulté séparément, selon les travaux à exécuter sur le magnétophone. Il s'ensuit que, de chapitre en chapitre, certaines répétitions sont inévitables.
| 1.0 | Extraction du magnétophone hors | |
|---|---|---|
| de la plague de recouvrement | 1 | |
| 1.1 | Mécanisme d'entrainement | 1 |
| 1.2 | Embrayages | 5 |
| 1.3 |
Contrôle et réglage
des leviers palpeurs |
6 |
| 1.4 |
Contrôle et réglage
du comparateur de traction |
6 |
| 1.5 |
Contrôle et réglage
du défilement accéléré en avant et en arrière |
8 |
| 1.6 |
Contrôle et réglage de
l'embrayage enrouleur |
8 |
| 1.7 | Contrôle et réglage des freins | 9 |
| 1.8 |
Echange des roues à friction
et des courroies |
9 |
| 1.9 |
Contrôle et réglage
du sélecteur de vitesses |
10 |
| 2.0 |
Echange de la roue à friction
du sélecteur de vitesses |
11 |
| 2.1 |
Contrôle et réglage de la pression
du galet sur le cabestan |
11 |
| 2.2 | Arrêt instantané de la bande | 12 |
| 23 | Guide-bande | 12 |
| 2.4 | Têtes magnétiques | 13 |
| 2.5 |
Contrôle et réglage des jeux
de lames de contact et des commu- tateurs de correction à la lecture |
14 |
| 2.6 | Lubrification et entretien | 15 |
| 2.7 |
Contrôle du système de réglage
automatique du niveau d'enregistreme |
ent |
| (A 503) | 16 |
"Système International d'Unités")
Die bisher übliche Maßeinheit der Kraft, das "Pond (p)", bzw. "Kilopond (kp)", muß in Zukunft durch "Newton (N)" ersetzt werden, wobei 1 kp=9,80655 N≈10 N ist. Gemäß DIN 1301 wird das Newton definiert als 1 N=1 kgm/s², d. h. 1 N ist die Kraft, die der Masse 1 kg die Beschleunigung 1 m/s²
NF-Voltmeter Ri 10 MΩ
(Units of the
"Système International d'Unités")
The unit of measure of force, customary until recently, the pond (p), or kilopond (kp), must in future be substituted by "Newton (N)" in connection with which 1 kp = 9.80665 N (approx. 10 N).
In compliance with DIN 1301 the Newton is defined as 1 N = 1 kgm/s2, i.e. 1 N is in practice the force which imparts to the mass 1 kg the acceleration of 1 m/sec2.
AF voltmeter Ri ≥ 10 MΩ
(Unités du «Système International d'Unités»)
En raison des nouvelles unités introduites dans le système international S.I. les unités de mesure usuelles de la force — la pound (p) et la kilopound (kp) — doivent être remplacées à l'avenir par le Newton (N), 1 kp équivalent à 9.80665 N — c'est-à-dire env. 10 N
Conformément à la norme DIN 1301, le N équivaut à la force qui communique à un corps ayant une masse de 1 kilogramme une accélération de 1 m par seconde (1 N = 1 kgm/s2).
BF voltmètre Ri ≧ 10 MΩ
I/005/1175 F
Um die Servicearbeiten auszuführen, wird das Gerät aus dem Gehäuse herausgeschwenkt bzw. der Aufleger entfernt.
Der Bandgeschwindigkeitswähler schaltet gleichzeitig den Netzschalter und die zur Bandgeschwindigkeit gehörende Entzerruna (B), das in die ieweiligen Stufen der Motorrolle (A) und der Schwungmasse (C) ein-
Die Besonderheit des Antriebssystemes ermöglicht den Betrieb des Gerätes in horizontaler und vertikaler Lage. Die nötige Voraus-
zugkomparators ist zunächst der Aufbau der Kupplungen zu betrachten (siehe auch aufgebaut sind, genügt die Beschreibung
(a) Swinging out the recorder:
The tape speed selector at the same time
Changing over the tape speed causes a change in the position of the friction wheel
The special design of the transport mechanism allows the recorder to be operated in corder, is called the "Tape Tension Com-
For the better understanding of the functiondiscuss the design of the clutches (see also paragraph 1.2). Since the two clutches are of identical design, it will suffice to describe
Pour l'exécution des travaux de réglage et d'entretien, il est nécessaire d'extraire le magnétophone hors de son coffret ou de retirer la plaque de recouvrement.
L'actionnement du sélecteur de vitesses pour le choix d'une des vitesses de défilement met en même temps le magnétophone sous teur du secteur et le réseau correcteur cor-Le réglage de la vitesse de défilement sur la valeur voulue déplace la roue à friction (B) qui s'engage dans le gradin respectif de la poulie (A) et du volant (C).
Le magnétophone peut travailler aussi bien en position horizontale qu'en position vertimécanisme d'entraînement avec embrayages extrêmement sensible, appelé «comparateur de traction», est efficace dans toutes les positions et pour tous les modes opératoires. du comparateur de bande, il convient tout d'abord d'étudier la structure des embravages (voir sous 1.2). Les deux embravages étant identiques, un seul sera décrit ci-
Der die Bandspule aufnehmende Spulenteller ist fest mit einer Kupplungsscheibe verbunden, die an ihrer Unterseite mit einem Filzbelag versehen ist. Gegen diese filzbelegte Kupplungsscheibe wird eine Druckscheibe stärker oder schwächer angedrückt. Dadurch wird das Mitnahmemoment der aufwickelnden Kupplung bestimmt. Die horizontale Bewegung des Fühlhebels wird umgesetzt in Der Fühlhebel ändert seine Stellung mit dem
Im folgenden wird erklärt, wie der Bandzug entsteht und geregelt wird.
Der Bandzug entsteht durch die Reibung der beiden Kupplungsteile (Kupplungsscheibe und Druckscheibe) gegeneinander. Die Größe des Bandzuges wird durch Vorspannen der Komparatorfeder eingestellt. Die Komparatorfeder greift an dem Fühlhebel an. Ihre Zugkraft ist der Kraft des Abwickel- bzw Aufwickelzuges entgegengesetzt gerichtet Die Geichmäßigkeit des Bandzuges über die gesamte Bandlänge wird durch die Regelung des Mitnahmemomentes der Kupplungen
Nachfolgend wird das Zusammenwirken von Bandzugkomparator und Laufwerk bei den Betriebsarten "Pause", "Start", "Vorlauf" und "Rücklauf" dargestellt und erläutert.
The turntable, which receives the tape reel, is rigidly connected with a clutch disk which. in turn, has a felt lining on its bottom side. A thrust disk is pressed against this feltlined clutch disk with varying force.
This force determines the torque of the takeup clutch. The horizontal movement of the sensing lever is transformed into vertical thrust against the thrust disk. The sensing lever will alter its position in accordance with the diameter of the tape roll.
Origin and control of the tape tension are
The tape tension originates due to the friction between the clutch disk and the thrust disk. The amount of tape tension is adjusted by pretensioning the corresponding comparator spring. The comparator spring is linked the comparator spring opposes the force exerted by the pay-out tape tension or takeup tape tension respectively. A constant tape tension along the entire length of the tape is adjusted by controlling the torgue of the clutches.
The combined operation of the tape tension comparator and the other parts of the transport mechanism in the modes "Pause". "Start". "Fast Forward" and "Rewind" is now described and explained in detail.
Le plateau qui supporte la bobine de la bande magnétique est solidaire d'un disque d'embravage, dont la face inférieure est garnie d'une rondelle de feutre. Un plateau presseur qui s'appuie plus ou moins fortement sur cette face détermine le couple d'entraînement de l'embrayage enrouleur. Le mouvement horizontal du levier palpeur est converti en un effort vertical sur le plateau presseur. En outre, le levier palpeur modifie sa position en fonction du «diamètre de bobinage» de la bande, c'est-à-dire en fonction de la longueur de bande encore disponible sur la bobine.
La traction exercée sur la bande résulte de l'effort de friction entre le disque d'embrayage et le plateau presseur. L'effort de traction dépend de la tension d'un ressort qui agit sur le levier palpeur, à savoir à l'encontre de l'effort de déroulement ou d'enroulement. La régularité du défilement sur toute la longueur de la bande s'obtient par la stabilisation du couple d'entraînement
L'interaction du comparateur de bande et du mécanisme d'entraînement est expliquée et représentée ci-dessous en régime «Pause». «Start», «Défilement accéléré avant» et «Défilement accéléré arrière».
Die auf der Achse des Spaltpolmotors sitzende Motorrolle (A) ist entsprechend den drei Bandgeschwindigkeiten abgestuft und treibt über das Reibrad (B) die Schwungmasse (C) und damit die Tonwelle an.
Der von der Motorrolle (A) getriebene Riemen (D) bewegt das linke Friktionsrad (E), das Antriebsrad (F) und die Druckscheibe (G) der aufwickelnden Kupplung
(G) abgehoben. Die Druckscheibe (G) kann sich ungehindert drehen. Die anliegende
Von einer Mechanik, welche den rechten Fühlhebel nach links drückt, wird das Mitnahmemoment der Aufwickelkupplung bestimmt.
The motor pulley (A) situated on the shaft of the motor is stepped in accordance with (C) via the friction pulley (B) and thus also the capstan.
The motor pulley (A) drives the belt (D), which the drive wheel (F) and the thrust disk (G)
The brake (H) is lifted from the thrust disk (G). The thrust disk (G) can now rotate freely while the applied brake (I) blocks the rota-
is determined by a mechanical unit which presses the right-hand sensing lever to the
La poulie (A) assise sur l'axe du moteur com-(G) par l'intermédiaire de la roue à friction (B) et par conséquent le cabestan.
(F) et au plateau presseur (G) de l'embravage
Le frein (H) se détache du plateau presseur (I) reste par contre appliqué sur le plateau
gauche le levier palpeur droit, détermine le rouleur.
In Stellung "Start" wird das Band mittels der Andruckrolle an die Tonwelle gedrückt und transportiert
Zugleich beginnen die Fühlhebel (L) und (M) und die Komparatorfedern (N) und (O) zu arbeiten. Die horizontale Bewegung der Fühlhebel (I) und (M) wird mittels der Winkelhebel (P) und (Q) auf die Druckscheiben (G) und (K) übertragen. Abhängig vom Bandwickeldurchmesser der beiden Spulen halten die Fühlhebel den Bandzug konstant.
In position "Start" the tape is pressed against the capstan with the aid of the pres-
At the same time the sensing levers (L) and (M) and the comparator springs (N) and (O) the sensing levers (L) and (M) are transmitted to the thrust disks (G) and (K) respectively by means of the angular thrust levers (P) and (O). As a function of the diameters of the rolles, the sensing levers keep the tape tension constant.
Dans la position «Start» la bande magnétique est appliquée au cabestan par l'intermédiaire du plateau presseur et ainsi trans-
En même temps les leviers palpeurs (L) et (M) ainsi que les ressorts (N) et (O) du comparateur entrent en action. Le mouvement horizontal des leviers palpeurs (L) et (M) est transmis par les leviers coudés (P) et (O) sur les plateaux presseurs (G) et (K). L'effort de traction est stabilisé par l'intermédiaire des leviers palpeurs et dosé en fonction de la longeur de bande enroulée sur les deux
Von einem Hebelwerk wird das von der Motorrolle (A) über den Riemen (D) getriebene Friktionsrad (E) gegen das Zwischenrad (R) und dieses gegen die Druckscheibe (G) gedrückt.
Gleichzeitig wird die Bandzugstange (S) in Pfeilrichtung bewegt. Dadurch wird die Komparatorfeder (O) vorgespannt, die Komparatorfeder (N) entspannt und die Bremse (H) von der Druckscheibe (G) abgehoben. Die Bremse (I) dagegen spert die Druckscheibe (K) in ihrer gewollten Drehrichtung. Durch die vorgespannte Komparatorfeder (O) wird über den Fühlhebel (M) und den Winkelhebel (Q) ein so großer Druck auf die Druckscheibe (G) übertragen, daß das Mitnahmemoment genügend groß wird, um die volle Umspulkraft vom Friktionsrad (R) zu übernehmen. Der Fühlhebel (M) sorgt nunmehr dafür, daß die für den Umspulvorgang benötigte Kraftübertragung in gleicher Größe erhalten bleibt. Durch die entspannte Komparatorfeder (N) wird über den Fühlhebel (L) und den Winkelhebel (P) ein geringer Druck auf die Druckscheibe (K) übertragen. Der Fühlhebel (L) sorgt jetzt dafür, daß mit dem sich änderaden Bandwickeldurchmesser der abwickelnden Kupplung deren Bremsmoment geregelt und damit der Bandzug konstant gehalten wird. Beim Abschalten der Stellung "Vorlauf" bleibt das Tonband stehen, weil die fördernde Kraft des Zwischenrades (R) aufgehoben wird, und die linke gesperrte Druckscheibe
The friction wheel (E) which is driven by the motor pulley (A) via the belt (D), is pressed against the idler (R) by means of a lever system. The idler (R) in turn is pressed against the thrust disk (G).
Simultaneously, the tape tension rod (S) is moved in the direction of the arrow. By this, the comparator spring (O) is being prestressed, the comparator spring (N) is being relaxed, and the brake (H) is lifted from the thrust disk (G), whereas the brake (I) blocks the rotation of the thrust disk (K). Due to the prestressed state of the comparator spring (O), a force is exterted via the sensing lever (M) and the angular thrust lever (Q) onto the thrust disk (G) which makes the friction within the clutch great enough to enable the clutch to transmit the entire torque provided by the friction wheel (R). The sensing lever (M) keeps the winding torque constant.
Due to the relaxed state of the comparator spring (N), only a small force is exerted on the thrust disk (K) via the sensing lever (L) and the angular thrust lever (P). The sensing lever (L) controls the braking action of the pay-out clutch as a function of the diameter of the tape roll and thus keeps the tape tension constant.
When disconnecting position "Wind On", the tape stops, since the driving power of the intermediate pulley (R) is canceled and the left-hand locked pressure disk (K) brakes the clutch disk.
Un système de leviers presse la roue à friction (E) — entraînée par la poulie (A) du moteur et par la courroie (D) — contre la roue intermédiaire (R) qui agit à son tour sur le plateau presseur (G).
En même temps, la barre de traction (S) est déplacée dans le sens de la flèche. A la suite de ce mouvement, le ressort (O) se tend, le ressort (N) se détend et le frein (H) du plateau presseur (G) se soulève. Le frein (I) bloque par contre le plateau presseur (K) dans le sens de rotation spontané. Par l'intermédiaire du levier palpeur (M) et du levier coudé (Q), le ressort tendu (O) transmet une si grande force sur le plateau presseur (G), que le moment d'entrainement est suffisant pour reprendre le plein effort de bobinage de la roue à friction (R). Le levier palpeur (H) dose alors la force nécessaire à transmettre pour le réembobinage de la bande.
Le ressort (N) étant détendu, il ne transmet qu'une faible force sur le plateau presseur (K) par l'intermédiaire du levier palpeur (L) et du levier coudé (P). A son tour, le levier palpeur (L) dose en permanence le moment de freinage de l'embrayage dérouleur en fonction de la longueur de bande encore disponible sur la bobine, ce qui stabilise la traction exercée sur la bande.
A l'arrêt du «Défilement accéléré avant», la bande magnétique s'immobilise, du fait que la force motrice de la roue intermédiaire (R) est supprimée et que le plateau presseur gauche (K) bloqué freine le disque d'embrayage.
torrolle (A) über den Riemen (D) getriebene Friktionsrad (E) gegen die Druckscheibe (K) gedrückt. Gleichzeitig wird die Bandzugstange (S) in Pfeilrichtung bewegt. Dadurch wird die Komparatorfeder (N) vorgespannt, die Komparatorfeder (O) entspannt und die Bremse (I) von der Druckscheibe (K) abgehoben. Die Bremse (H) dagegen sperrt die Druckscheibe (G) in ihrer gewollten Drehrichtunc
In Stellung "Stop" bzw. "Start" ist die im linken Fühlhebel (L) eingehängte Feder (B) Gegebenenfalls ist das lustierblech (C) nachzubiegen. Der Bandzug wird nur von der im Justierlappen (C) eingehängten Komparator-
Beim Schalten auf "Rücklauf" wird mit der Bandzugstange der Justierlappen (C) nach außen bewegt. Zusätzlich zur Kraft der Komparatorfeder (N) wirkt jetzt die Kraft der Feder (B). Mit dem Fühlhebel (L) wird jetzt ein so großer Druck auf die Druckscheibe übertragen, daß das Mitnahmemoment der des Motors ohne Schlupf zu übernehmen.
Durch die entspannte Komparatorfeder (O) wird über den Fühlhebel (M) und den Druckwinkel (Q) ein geringer Druck auf die Druckscheibe (G) übertragen.
Der Fühlhebel (M) sorgt jetzt dafür, daß mit der abwickelnden Kupplung deren Bremsmoment geregelt und damit der Bandzug
Beim Abschalten der Stellung "Rücklauf" bleibt das Tonband stehen, weil die fördernde Kraft des Friktionsrades (E) aufgehoben wird, und die rechte gesperrte Druckscheibe (G) die Kupplungsscheibe abbremst.
The friction wheel (E) which is driven by the motor pulley (A) via the belt (D) is pressed against the thrust disk (K) by means of a lever system. Simultaneously, the tape tenarrow. By this, the comparator spring (N) is being prestressed, the comparator spring (O) is being relaxed and the brake (I) is lifted from the thrust disk (K), whereas the brake (H) blocks the rotation of the thrust disk (G).
In position "Stop" and "Start" respectively, ing lever (L) has no tension. Spring (B) may switching over to "Rewind". As required, rebend adjusting plate (C). Tape tension is only determined by the comparator spring
When switching over to "Rewind", the adspring (B) becomes effective. With the sensing lever (L) a pressure of such force is transferred to the pressure disc that the driving moment of the clutch suffices for taking on the full rewind power of the motor without
Due to the relaxed state of the comparator spring (O) only a small force is exerted on the thrust disk (G) via the sensing lever (M) and the angular thrust lever (O).
The sensing lever (M) controls the braking action of the pay-out clutch as a function of the diameter of the tape roll and thus keeps the tape tension constant.
When disconnecting in position "Rewind the tape stops, since the driving power of friction pulley (E) is canceled and the righthand blocked pressure disk (G) brakes the coupling disk.
Un système de leviers presse la roue à fricmoteur et par la courroie (D) — contre le plateau presseur (K). En même temps, la barre de traction (S) est déplacée dans le sens de la flèche. A la suite de ce mouvement, le ressort (N) est tendu, le ressort (O) se détend et le frein (I) du plateau presseur (K) se soulève. Le frein (H) bloque par contre le plateau presseur (G) dans le sens de
En régime «Stop» ou «Start», le ressort (B) n'est pas tendu. Lors de l'enclenchement du régime «Défilement accéléré arrière», le ressort (B) doit se tendre et s'allonger sur 0.5 mm au maximum. Corriger éventuellement le cambrage de la patte d'ajustage (C). ne dépend que du ressort de comparateur (N) suspendu dans la patte d'ajustage (C). régime «Défilement accéléré arrière», la patte d'ajustage (C) est repoussée vers l'extérieur par la tringel de traction. L'effort du ressort (B) s'aioute alors à l'effort du ressort de comparateur (N). Le levier palpeur (L) transmet une si grande force sur le plateau presseur que le moment d'entraînement de l'embrayage suffit pour reprendre le plein effort de bobinage du moteur, sans aucun patine-
qu'une faible force sur le plateau presseur (G) par l'intermédiaire du levier palpeur (M) et du levier coudé (Q). A son tour, le levier palpeur (M) dose le moment de freinage de l'embrayage dérouleur en fonction de la longueur de bande encore disponible sur la bobine, ce qui stabilise la traction exercée sur la bande.
A l'arrêt du «Défilement accéléré arrière», la bande magnétique s'immobilise, du fait que supprimée et que le plateau presseur droit
Im Aufbau der Kupplungen besteht kein Unterschied. Sie setzen sich aus folgenden Teilen zusammen:
The two clutches are of identical design. Each clutch consists of the following parts:
Les deux embravages ont une structure identique et se composent des pièces suivantes:
Die Kupplungen arbeiten lageunabhängig Spulenteller (A) und Kupplungsscheibe (G) sind nach dem Einbau durch den Mitnehmer-
stift (B) gegen eine Verdrehung gesichert. Durch die Wellensicherung (I) und die Sternfeder (H) wird die Kupplungsscheibe (G) ohne axiales Spiel auf der Achse des Spulentellers (A) gehalten. Zusätzlich preßt die Sternfeder (H) die beiden Kugellager (D) und (F) fest in das Chassis (E). Der vom Bandwickeldurchmesser der beiden Spulen abhängige Druck auf die Fühlhebel wird vom Winkelhebel (M), dem Drucklager (L) und der Druckscheibe (K) auf die Kupplungsscheibe (G) übermittelt und steuert so das Mitnahmemoment bzw. Bremsmoment der
Mit den Stellschrauben (N) wird der Ausgangspunkt des Regelbereiches der Fühlhebel eingestellt (siehe auch Abs. 1.3).
The clutches will operate regardless of the position of the recorder.
Spool holder (A) and clutch disk (G) are The clutch disk (G) is retained on the shaft of the turntable (A) without any axial play. by the circlip (I) and the star-shaped spring (H). In addition, the star-shaped spring (H) and (F) into their respective chassis (E). The forces which are functions of the diameters of the tape rolls on the turntables, which act on the sensing levers (H) and (I) respectively, are transmitted by the angular thrust lever of the clutch in question to the the clutch disk (G) of the respective clutch, thus regulating the torque or braking action respectively of the corresponding turntable. The friction within the clutches is adjusted on the basis of a tape-tension measurement by adjusting the comparator springs. The set-screws (N) adjust the starting point of the control range of the sensing levers (see also paragraph 1.3).
Les embrayages peuvent travailler dans une
Après leur assemblage, le plateau de bobine (A) et le disque d'embrayage (G) sont fixés
Le disque d'embrayage (G) est maintenu sans jeu axial sur l'axe du plateau de bobine (A) par la rondelle de sécurité (I) et par le ressort étoilé (H). Ce ressort presse en outre les deux roulements à billes (D) et (F) dans la cage (E). L'effort subi par les leviers palpeurs en fonction de la longueur de bande enroulée sur la bobine réceptrice et encore disponible sur la bobine débitrice, est transtermédiaire du levier coudé (M), du palier presseur (L) et du plateau presseur (K). Le couple d'entraînement ou le couple de freinage de l'embrayage respectif est ainsi corrigé en permanence.
Le début de la plage de correction des leviers palpeurs est réglée à l'aide des vis (N) (voir sous 1.3).
SG 520 Variocord
Funktionswähler in Stellung "Stop" bringen Zwischen den Außenkanten des Fühlhebels (A) bzw. (B) und dem Einstich des Bandführungsbolzen (C) muß ein Abstand von 40 +
Set function selector to position "Stop". The edges of the sensing lever (A) or (B) respecgroove in tape guide bolt (C).
Mettre le sélecteur de fonctions en position «Stop» Un écart de 40 + 1.5 mm doit exister entre les arêtes du levier palpeur (A) resp. (B) et le collet de la cheville guide-bande (C).
Nach Lockern der Kontermutter (A) kann stand von 40 ± 1.5 mm zwischen dem Einhebel eingestellt werden. Es ist dabei darauf zu achten, daß die Stellschraube (B) mit ihrer Mitte auf die Kugel (C) des Drucklagers drückt. Bei jeder Prüfung oder Einstellung ist die Oberfläche der Kugel mit Öl (siehe Abs. 2.6) zu benetzen. Nach jeder Einstellung sind die Bandzugkomparatoren gemäß Abs. 1.4 zu prüfen.
After slackening the lock nut (A), the gap adjusted by turning the set screw (B). Attention must be paid that set screw (B) presses with its center onto ball (C) of the tened with oil (see para 2.6). After each ad-
1.32 Réglage (voir fig. 7)
Desserrer le contre-écrou (A) et, à l'aide de la vis (B), ajuster l'écart prescrit de 40 ± 1,5 mm entre le levier palpeur et le collet de la cheville quide-bande. Veiller à ce que la vis (B) presse verticalement sur la bille (C) de contrôle ou de réglage, humecter la surcéder au contrôle du comparateur de tension
Vor jeder Prüfung sind sowohl die Gummiriemen als auch die Laufflächen aller rotierenden und durch Friktion getriebenen Teile des Laufwerkes mit Alkohol zu reinigen
Voraussetzung für ein genaues Ergebnis der nachfolgenden Messungen ist die exakte Einstellung der Fühlhebel (siehe Abs. 1.3), ein sauberer bzw. neuwertiger Filzbelag auf den Kupplungsscheiben, sowie die einwandfreie Beschaffenheit der Kupplungsfläche der Druckscheiben
Whenever the recorder is checked, always clean the rubber belts and the treads of all
It is a basic requirement for the accurate result of the subsequent measurements that the sensing levers (see para. 1.3) have been accurately set and the felt linings on the clutch disks are clean or in a new condition and that the coupling surfaces of the pressure disks are in a satisfactory state.
Avant d'entreprendre le contrôle et le réglail convient de nettoyer avec de l'alcool les courroies de caoutchouc, ainsi que toutes les ou entraînées par friction. Les mesures décrites ci-après donnent des résultats exacts rectement ajustés (voir sous 1.3), si le feutre des disques d'embrayage est propre (éventuellement, le nettoyer ou le remplacer) et si la surface d'accouplement des plateaux presseurs se trouve dans un état impeccable.
Die Prüfung des Bandzugkomparators erfolgt über die Messung des Abwickel- bzw. Aufwickelzuges in den Betriebsstellungen "Stop", "Vorlauf" bzw. "Stop", "Rücklauf",
a) Messung des Abwickelzuges
Bandgeschwindigkeitswähler auf 19 cm/s und Funktionswähler auf "Stop" stellen. Eine mit ca. 5 m Band bewickelte Bandspule auf den linken Spulenteller auflegen. gezeigte Wert muß 85±5 p bzw. 0,85± 0,05 N betragen.
Gerät auf "Vorlauf" schalten und Messung wiederholen. Der angezeigte Wert muß jetzt 35 ± 5 p bzw. 0,35 ± 0,05 N betragen.
Die Messungen des Aufwickelzuges am rechten Spulenteller erfolgen sinngemäß beschrieber
Sollwert in Stellung "Stop" 95 ± 5 p bzw. 0.95 ± 0.05 N.
the basis of measurements of the unwinding tension and the winding tension during the modes "Stop", "Fast Forward" or "Stop", "Rewind" respectively.
a) Measuring the Unwinding Tension
Set the speed selector at 7 1/2 ips and the function selector at "Stop". Place on approx 5 meters (15 feet) of tape. Hook a balance must read 85 ± 5 p and 0.85 ±
dicated value must now be 35±5p or 0.35 ± 0.05 N.
The winding tension is measured on the right-hand turntable as described in the preceding paragraph with respect to the unwinding tension. Bated value in the "Stop" position:
95 ± 5 p or 0.95 ± 0.05 N.
Rated value in the "Rewind" position:
Le contrôle du comparateur de bandes s'opère par la mesure de la traction de déroulement en régime «Stop» et «Défilement accéléré avant» ou de la traction d'enroulement en régime «Stop» et «Défilement accéléré arrière».
a) Mesure de la traction de déroulement
Mettre le sélecteur de vitesses dans sa position 19 cm/s et le sélecteur de fonctions dans sa position «Stop». Sur le plateau gauche, poser une bobine garnie Suspendre un pèse-ressort à l'extrémité de 85+5 p resp. 0.85+0.05 N doit être
Enclencher le régime «Défilement accéléré avant» et répéter la mesure. Le pèse-ressort doit indiquer une valeur de 35 ± 5 p resp. 0,35 ± 0,05 N.
b) Mesure de la traction d'enroulement
Procéder comme pour la mesure de la traction de déroulement, mais avec une bobine posée sur le plateau droit et en régime «Défilement accéléré arrière». Valeur nominale en régime «Stop»: 95 ± 5 p resp. 0.95 ± 0.05 N. Valeur nominale en régime «Défilement
Abb. 9
35 ± 5 p resp. 0.35 ± 0.05 N.
Die in Abs. 1.41 beschriebenen Meßwerte 85±5p bzw. 95±5p können durch Voroder Entspannen der zu jedem Fühlhebel gehörenden Komparatorfeder (A) eingestellt werden. Bei zu geringem Abwickel- bzw. Aufgen der Einhängelasche (C) vom Fühlhebel weg, bei zu großem Zug dagegen durch Biegen zum Fühlhebel hin. Die Sollwerte 35 ± 5 p bei Vorlauf bzw. Rücklauf müssen sich aus der vorher beschriebenen Einstellung er-
In Stellung "Stop" bzw. "Start" ist die im linken Fühlhebel (L) eingehängte Feder (B) Schalten auf "Rücklauf" max. 0,5 mm weiten. Gegebenenfalls ist das Justierblech (C) nachzubiegen. Der Bandzug wird nur von der im Justierlappen (C) eingehängten Komparatorfeder (A) bestimmt.
The measured values 85 ± 5 p and 95 ± 5 p respectively given in para. 1.41 can be adjusted by pretensioning or relaxing the corresponding comparator spring (A), one of which pertains to each of the two sensing levers. If the unwinding or winding tension is too weak, adjust by bending the flap (C) away from the corresponding sensing lever. bent towards the sensing lever. The nominal values 35 ± 5 p during Fast Forward and Fast
In position "Stop" and "Start" respectively, the spring (B) hooked into the left-hand sensing lever (L) has no tension. Spring (B) may only expand by a maximum of 0.5 mm when switching over to "Rewind". As required, rebend adjusting plate (C). Tape tension is only determined by the comparator spring (A) hooked into the adjusting lug (C).
Les valeurs nominales mentionnées sous 1.41 (85 ± 5 p et 95 ± 5 p) peuvent être obtenues par la tension ou la détente du ressort (A) de chaque levier palpeur. Si la traction de déroulement ou d'enroulement est trop faible, la bride de suspension (C) doit être cambrée dans la direction opposée au levier palpeur (+). Si la traction est trop forte, la bride de suspension est à cambrer en direction du levier palpeur (---). La valeur nominale de 35 ± 5 p en régime «Défilement acrière» doit résulter de l'ajustage décrit cidessus.
En régime «Stop» ou «Start», le ressort (B) accroché dans le levier palpeur gauche (L) n'est pas tendu. Lors de l'enclenchement du régime «Défilement accéléré arrière», le ressort (B) doit se tendre et s'allonger sur 0,5 mm au maximum. Corriger éventuellement le cambrage de la patte d'ajustage (C). La traction exercée sur la bande magnétique ne dépend que du ressort de comparateur (A) suspendu dans la patte d'ajustage (C).
SG 520 Variocord
Voraussetzung für die einwandfreie Funktion des Vor-Rücklaufes sind saubere bzw. neuwertige Gummibeläge der Friktionsräder, sowie die richtige Einstellung der Bandzugkomparatoren (siehe Abs. 1.4).
Volle 18-cm-Bandspule auflegen und umspulen. Die Umspulgeschwindigkeit darf gegen was Tonband zurückspulen und erneut bis der die volle Umspulgeschwindigkeit erreicht lauf" und in Stellung "Rücklauf" durchgeführt werden
In Ruhestellung muß der Betätigungshebe (A) für den Vor-Rücklauf so stehen, daß er von Stellung "Stop" auf Stellung "Start" geschaltet wird. Nach Lockern der Schrauben der Lagerachse (C) eingestellt werden.
Gerät auf "Stop" schalten. Rechtes Friktionsrad (L) leicht an die rechte Druckscheibe (M) andrücken. Der Justierlappen (E) ist durch Biegen so einzustellen, daß das linke Friktionsrad (D) gleich große Abstände zur lin-
Das rechte Friktionsrad (L) muß in Stellung "Stop" gleich große Abstände zum linken Friktionsrad (D) und der rechten Druckscheibe (M) aufweisen. Diese Abstände werden durch Biegen der Lasche (N) am Justierblech (H) eingestellt.
Vor Durchführung dieser Prüfung sind die Friktionsflächen der Druckscheiben zu reinigen. Ebenso muß der Bandzugkomparator nach Abs. 1.4 eingestellt sein.
Gerät ein- und auf "Start" schalten. Rechtes Kupplungsoberteil festhalten (dabei den tion zwischen dem linken Friktionsrad, dem Antriebsrad und der rechten Druckscheibe scheibe mit unverminderter Geschwindigkeit
The fast forward and rewind functions will not perform properly unless the tape tension to paragraph 1.4 and the rubber linings of the friction wheels are clean and as good
Put on a full 7"-reel of tape and rewind the near the end of the tape. Then rewind a length of tape and wind once more until the full winding speed. Perform this check for
When the control lever (A) is in its rest position, it must not move when the function to its "Start" position. When the screws (B) have been slackened, the rest position
Switch the instrument to "Stop". Lightly press the right-hand friction pulley (L) on to the right-hand pressure disk (M). Set the adiusting lug (F) by bending it in such a manner spacings from the left pressure disk (F) and the right friction pulley (L).
When the recorder is set for "Stop", the right-hand friction wheel (L) must be at equal (D) and the right-hand thrust disk (M). These clearances can be adjusted by bending the flap (N) of the adjusting plate (H).
Before carrying out this check, clean the friction surfaces of the pressure disks. In the same manner the tape tension comparator must be set in accordance with para 1.4.
Switch on and set instrument to "Start". Grip the right-hand upper part of the clutch (do doing this). Friction between the left-hand friction pulley, the driving pullev and the right-hand pressure disk must now be so great that the right-hand pressure disk continues to run at undiminished speed.
Vérifier tout d'abord le réglage correct des comparateurs de traction (voir sous 1.4), puis s'assurer que la garniture de caoutchouc des roues à friction n'est ni usée, ni malpropre.
Poser une bobine pleine de 18 cm de diamètre sur l'embrayage gauche ou sur l'embravage droit, puis faire défiler la bande en régime accéléré. La vitesse de bobinage ne biner une courte longueur de bande et dé-La vitesse de bobinage maximale doit être atteinte. Effectuer ce contrôle en régime
En position de repos, le levier d'actionnement (A) doit demeurer immobile lorsque le sélecteur de fonctions est déplacé de la po sition «Stop» dans la position «Start». Après le desserrage des vis (B), corriger éventuellement la position de repos par le décalage
Mettre le sélecteur de fonctions dans sa position «Stop». Appuyer légèrement la roue à friction (L) contre le plateau presseur (M). Cambrer la patte d'ajustage (E) de façon identique par rapport au plateau presseur
En régime «Stop», la roue à friction droite (L) doit présenter le même écart par rapport à la roue à friction gauche (D) et au plateau inférieur (M) de l'embravage droit. Régler éventuellement cet écart par le cambrage de la bride (N) sur la tôle d'ajustage (H).
Avant de procéder au contrôle et au réglage de l'embrayage enrouleur, nettoyer les sur-S'assurer en outre que le comparateur de tension de la bande a été ajusté auparavant
Mettre le sélecteur de fonctions dans sa position «Start» et immobiliser avec la main le plateau supérieur de l'embrayage droit (éviter tout contact avec le levier palpeur la roue à friction gauche, la roue d'entraînement et le plateau presseur droit doit être assez élevé pour que le plateau presseur droit continue à tourner sans aucune réduction de sa vitesse.
Funktionswähler über die Stellung "Start" nach rechts bis zum Anschlag drehen. In dieser Stellung muß die Betätigungsnase (I) einen Abstand von 0.5 ± 0.1 mm zum Lagerarm (G) aufweisen. Eine gegebenenfalls erforderliche Einstellung kann durch Biegen der Betätigungsnase (I) erfolgen.
Die Bremsen arbeiten richtungsabhängig und wirken auf die Druckscheiben der Kupplungen. In Stellung "Start", "Pause" und "Vorlauf" muß die rechte, in Stellung "Rücklauf" muß die linke Bremse abheben. In allen übrigen Betriebsstellungen liegen beide Bremsen
Betriebsstellung "Rücklauf" einschalten. Nach Lockern der Schrauben (O) kann der Betätigungshebel (P) so weit verschoben werden, daß die linke Bremse (Q) 1,5 mm bis 2 mm
Die Einstellung der rechten Bremse erfolgt sinngemäß in Betriebsstellung "Vorlauf".
Turn the function selector via position "Start" as far as the end stop in a clockwise direction. In this position the actuating lug (I) must have a spacing of 0.5 ± 0.1 mm from the bearing arm (G). Should an adjustment be required, it can be effected by bending the actuating lug (I) .
The brakes act on the respective thrust disks of the clutches and will function only in one sense of rotation of the latter. When the function selector is either in its "Start". "Pause" or "Fast Forward" position, the right-hand brake must lift; when the function selector is in its "Rewind" position, the lefthand brake must lift. During all other settings, both brakes rest against the thrust
Set the recorder for rewind operation. slacken the screws (O) and slide the actuator (P) as far as to lift the left-hand brake
The right-hand brake is adjusted in an analogous manner while the recorder is set for fast forward operation.
Déplacer le sélecteur de fonctions vers la droite jusqu'à sa butée, c'est-à-dire au-delà de la position «Start». L'ergot (I) du levier d'actionnement doit alors avoir un écart de 0,5 ± 0,1 mm par rapport au bras d'appui(G). Corriger éventuellement par un cambrage adéquat de l'ergot (l).
Les freins travaillent en fonction du sens de défilement de la bande magnétique et agissent sur les plateaux presseurs des embrayages. En régime «Start», «Pause» et «Défilement accéléré avant*, le frein droit doit être dégagé. En régime «Défilement accéléré arrière», c'est le frein gauche qui doit se soulever. En régime «Stop», les deux freins doivent s'appliquer sur les plateaux pres-
Enclencher le régime «Défilement accéléré arrière». Desserrer les vis (O) et déplacer le levier d'actionnement (P) jusqu'à ce que le frein gauche (O) se détache du plateau Exécuter de facon identique le réglage du frein droit, mais en régime «Défilement ac-
Schraube (B) entfernen, Haltestreifen (S) ausschwenken, Antriebsriemen (T) aus der Laufrille des Friktionsrades (D) heben und Einbau ist sinngemäß in umgekehrter Reihenfolge vorzunehmen. Der Haltestreifen (S) muß leicht auf das Lager des Friktionsrades
Remove the screw (R), swing aside the flat spring (S), remove the driving belt (T) from the groove of the friction wheel (D) and pull the friction wheel (D) off its shaft. Install the new friction wheel in reverse order. The flat spring (S) must exert a slight force
Dégager la vis (R), détourner la barrette de (T) hors de la gorge de roulement de la roue à friction (D) et retirer cette roue. Remonter la nouvelle roue à friction dans l'ordre de suite inverse. La barrette de retenue (S) doit presser légèrement sur le palier de la roue
Nach Entfernen des Seegerringes (U) und Aushängen der Feder (V) wird der Lagerarm gehoben. Das Friktionsrad (L) kann nach Entfernen des nunmehr freiliegenden Seegersinngemäß in umgekehrter Reihenfolge vor-Unterlegscheiben wieder eingebaut werden. Das Friktionsrad muß ein axiales Spiel von
(siehe Abb. 10)
Linkes Friktionsrad (D) gemäß Abs. 1.81 auskann jetzt leicht ausgetauscht werden. Der Einbau ist sinngemäß in umgekehrter Reihendaß die Achse (Y) so weit eingeschoben wird, daß das Axialspiel des Antriebsrades ca
(siehe Abb, 10)
Nach Entfernen der Schraube (R) und Ausschwenken des Haltestreifens (S) kann der Antriebsriemen (T) aus den Laufrillen geho-
Der Antriebsriemen wird aus der Laufrille des Antriebsrades am Bandzählwerk gehoben. Mit einer Pinzette läßt sich nunmehr der Riemen aus der Laufrille im Spulenteller herausziehen. Der Einbau ist sinngemäß in umgekehrter Reihenfolge vorzunehmen.
After removing the retaining ring (U) and unhooking spring (V), the supporting arm (W) is lifted out together with the right-hand fricaccessible, and replace the friction wheel (1) Install the new friction wheel in reverse order. Take care to replace all washers. The
Remove the left-hand friction wheel (D) acin the shaft (Y) far enough as to adjust an
pulley and the left-hand friction wheel. Install the new driving belt in reverse order.
Lift the driving belt from the groove of the driving wheel on the digital counter. Then the
Retirer la rondelle Seeger (U) et décrocher le ressort (V). Sortir ensuite le bras d'appui (W) en même temps que la roue à friction droite (L). La roue à friction (L) peut être échangée après l'éloignement de la rondelle Seeger directement accessible. Remonter la nouvelle roue à friction dans l'ordre du suite inverse et insérer soigneusement toutes les rondelles d'épaisseur. La roue à friction doit
Démonter la roue à friction gauche (D) comme décrit sous 1.81, desserrer la vis (X) et roue d'entraînement (Z) s'opère alors aisément. Procéder au remontage dans l'ordre suffisamment, afin que la roue d'entraîne-
Dégager la vis (R) et détourner la réglette ment (T) qui relie la poulie du moteur à la
Sortir la courroie hors de la gorge de la roue pincettes, hors de la gorge de roulement du plateau de la bobine. Procéder au remontage
Die Umschaltung der Bandgeschwindigkeit erfolgt durch Verändern des Übersetzungsverhältnisses des Reibradgetriebes. Das Reibrad wird mit einer der drei Stufen der Motorrolle in Friktion gebracht und übermittelt ein Drehmoment auf die Schwung-
The different tape speeds are selected by changing the reduction ratio of the friction gear. The idler frictionally engages one of the three steps of the motor pulley and thus transmits the torgue to the flywheel. Check for absolute cleanliness of the rubber tread
La commutation des vitesses de défilement s'opère par la modification du rapport de transmission d'un engrenage à friction. La roue à friction s'engage dans un des trois gradins de la poulie du moteur et transmet un couple sur le volant. La garniture de
Gummilauffläche des Reibrades, sowie der Laufflächen der Motorrolle und der Schwungmasse ist zu achten.
In der Stellung 9,5 cm/s des Bandgeschwindigkeitswählers muß die Unterkante des Reibrades (A) und die Unterkante der Schwungmasse (B) bündig sein. Es ist darauf zu achten, daß in jeder Stellung des Bandgeschwindigkeitswählers die Unterkante des Beibrades (A) frei läuft ohne an der nächsten Stufe der Motorrolle (C) zu streifen.
Die Einstellung des Reibrades (A) erfolgt nach Lockern der Kontermutter (B) durch
In den 0-Stellungen zwischen den verschiedenen Bandgeschwindigkeiten darf das Reib-Motorrolle angedrückt werden. Gegebenenfalls kann der Betätigungswinkel (D) folgen-Schrauben (F) ist der Betätigungswinkel (D)
Nocke am Lagerarm des Reibrades (A) drückt. Durch entsprechendes Biegen des Lappens ist die Stellung des Reibrades (A) wie oben
Bei Geräten, die längere Zeit in eingeschalteden, können Druckstellen im Gummibelag des Reibrades auftreten. Geräuschbildung oder Gleichlaufschwankungen sind die Folge Der ursprüngliche Zustand kann sich jedoch nach 1-2stündiger Betriebszeit wieder einstellen. Das Reibrad muß nicht sofort gewechselt werden.
Zeigt der Gummibelag des Reibrades bleibende Veränderungen, so muß das Reibrad ausgetauscht werden. Dazu ist wie folgt zu
Bandgeschwindigkeitswähler auf die 0-Stellung zwischen 4,75 cm/s und 9.53 cm/s
Der Einbau ist sinngemäß in umgekehrter
Volles Doppelspielband 18 cm Ø auf den linken Spulenteller auflegen und Band einlegen; Gerät auf Bandgeschwindigkeit 19 cm/s und "Start" schalten. Federwaage (Meßbereich 1000 p bzw. 10 N) an der Achse der Andruckrolle einhängen und so weit abziehen, bis das eingelegte Tonband zum Stehen kommt. Der in dieser Stellung von der Federwaage angezeigte Wert muß 600 +
masse. Auf unbedingte Sauberkeit der of the idler as well as of the treads of the caoutchouc de la roue à friction. ainsi que
When the speed selector is set for 3 3/4 ips. the lower edge of the idler (A) and the must be flush. Make sure that, at any position of the tape speed selector, the lower edge of the idler (A) runs freely and does
When the speed selector is in any one of its age the flywheel nor the capstan. If adjusted in the following manner: slacken the screws (E) and slide the actuating lever (D) so that the center of the flap of the actuating lever (D) engages the center of the cam on the mounting arm of the idler (A). The position of the idler (A) can be adjusted, as described above, by correspond-
If the recorder is left switched on for a long time but disconnected from the mains, the rubber tread of the friction wheel may become dented. Such friction wheel will cause noise and will impair the speed stability of the recorder. These dents may disappear after approximately one to two hours of ope-
If the dents in the rubber lining prove to be
Place a full 7 in. dia-double-play tape on the left-hand reel support and thread tape: set the instrument to a tape speed of 7 1/2 ips and to position "Start". Suspend a spring balance (range 1000 p or 10 N) from the spindle of the pressure pulley and exert tension until the inserted tape stops running. in this position must be 600 + 100 p or 6 +
la surface de roulement de la poulie du moteur et du volant doivent se trouver toujours dans un état de propreté impeccable.
Dans la position «9,5 cm/s» du sélecteur de vitesses, l'arête inférieure de la roue à friction (A) doit se trouver au même niveau que l'arête inférieure du volant (B). A toutes les vitesses de défilement, l'arête inférieure de la roue à friction (A) doit rouler librement sans entrer en contact avec le gradin adjacent de la poulie du moteur (C).
Le réglage de la roue à friction (A) s'opère à l'aide de la vis (C) après le desserrage du contre-écrou (B)
Dans les positions intermédiaires (entre deux la roue à friction (A) ne doit être appliquée ni sur le volant, ni sur la poulie du moteur. Le cas échéant, l'équerre d'actionnement (D) peut être ajustée comme suit. Desserrer les vis (E) et décaler l'équerre d'actionnement (D) jusqu'à ce que le milieu de sa patte coïncide avec le centre de la came appartenant au bras d'appui de la roue à friction (A). Aiuster ensuite la position de cette roue par le cambrage de la patte de l'équerre d'actionnement.
Si le sélecteur de vitesses (interrupteur principal) du magnétophone demeure longtemps enclenché, sans toutefois être mis sous courant, des dépressions apparaissent dans la garniture de caoutchouc de la roue ou des fluctuations de la vitesse de défileson état intial après une ou deux heures de de l'échanger immédiatement.
Si les déformations de la garniture de caoutchouc subsistent, l'échange de la roue à friction devient alors inévitable. Procéder
Mettre le sélecteur de vitesse dans sa posicm/s» «Desserrer la vis (F), détourner le ressort-lame (G) dans le sens de la flèche et sortir vers le haut la roue à friction (A). Remonter la nouvelle roue dans l'ordre de suite inverse. Vérifier ensuite sa position
Insérer une bande double durée. Enclencher le magnétophone, régler le sélecteur de vitesse sur 19 cm/s et mettre le sélecteur de fonctions dans sa position «Start». Accrocher un pèse-ressort (étendue de mesure 1000 p resp. 10 N) dans l'axe du galet presseur et l'étirer jusqu'à ce que la bande s'immobilise. Dans cette position, le pèse-ressort doit indiquer une valeur de 600 p + 100 p resp. de
Die Einstellung des Druckes der Andruckrolle an die Tonwelle erfolgt in Stellung "Start". Nach Lockern der Kontermutter (H) kann durch Drehen der Stellschraube (I) im Durch Biegen des Lappens (K) am Zwischenhebel (L) wird ein Abstand von 0.5 mm zum Anschlag (M) am Lagerhebel (N) eingestellt.
Funktionswähler auf "Pause" schalten. Die Andruckrolle muß 0.4 ± 0.1 mm von der Tonwelle entfernt sein. Die aufwickelnde Kupplung darf das Band nur noch leicht spannen
Der Abstand von 0.4 ± 0.1 mm zwischen Andruckrolle und Tonwelle kann durch Biegen der Justiernase (Q) am Schnellstopbetätigungshebel (O) eingestellt werden. Das Mitnahmemoment der aufwickelnden Kupplung wird vom Schnellstopbetätigungshebel (O) der Schaltstange (R), dem Hebel (S) und dem rechten Fühlhebel bestimmt. Im Bedarfsfall kann durch Biegen der Schaltstange (B) das Mitnahmemoment verändert werden.
Die Einstellung der Bandführungen am Tonkopfträger ist beim Umrüsten von Vierspur auf Zweispur oder umgekehrt nicht erforderim Tonkopfträger notwendig werden.
Vordere Tonkopfabdeckung abziehen. Tonband einlegen. Gerät in Betrieb setzen und auf Stellung "Start" schalten. Das Tonband muß ohne an den oberen und unteren Begrenzungen der Bandführungen zu streifen,
Adjusting the pressure of the pressure roller against the capstan is effected in position "Start". After slackening of the check nut (H) set screw (I) clockwise. Adjust a clearance (M) on the mounting arm (N) by bending the flap (K) of the lever (L).
Set the function selector to the "Pause" position. The pressure roller must be spaced 0.4 ± 0.1 millimeter from the capstan. The take-up clutch must only slightly tension the
In order to adjust the clearance of 0.4±0.1 mm between the pressure roller and the capstan bend the adjusting flap (O) on the pause actuating lever (O). The torque of the take-up clutch is determined by the pause actuating lever (O), the rod (R) the lever (S) and the right-hand sensing lever. If necessary, the torque may be changed by bending rod (R).
When the recorder is converted from 4-track operation to 2-track operation or vice versa, the tape guides near the head assembly need not be readjusted. Readjustment will parts in the head assembly.
Pull off the front sound head cover, thread the tape. Turn on the recorder and set for "Start". The tape must pass the upper or lower limits of the tape guides without touch-
Le réglage de la pression du galet sur le cabestan s'onère dans la position «Start» Après le desserrage du contre-écrou (H), la pression du galet peut être augmentée par le sens des aiguilles d'une montre. Par le diaire (L), ajuster un écart de 0,5 mm entre ce levier et la butée (M) du levier d'appui (N).
Mettre le sélecteur de fonctions dans sa position «Pause». Le galet presseur doit se déta<del>c</del>her du cabestan sur un écart de 0,4 ± 0,1 mm. L'embrayage enrouleur ne doit tendre que faiblement la bande magnétique.
L'écart prescrit de 0,4 ± 0,1 mm entre le galet presseur et le cabestan peut être ajusté par le cambrage de la patte (Q) au levier d'actionnement (O). Le moment d'entraînement de l'embrayage récepteur est déterminé par le levier d'actionnement (O), la barette de commutation (R), le levier (S) et le levier palpeur droit. Le cas échéant, le moment d'entraînement peut être changé par le cambrage de la barrette de commutation (R).
Le réglage des guide-bande sur l'unité de têtes magnétiques n'est pas nécessaire lors l'unité «bipiste», ou vice versa. Il n'est à prévoir qu'après l'échange de certaines pièces détachées dans l'unité des têtes
Retirer la coiffe avant de l'unité de têtes magnétiques. Insérer une bande, enclencher le magnétophone et mettre le sélecteur de fonctions dans sa position «Start». La bande doit passer exactement entre les limites supérieure et inférieure des guides, sans les effleurer
Bezugspunkt für die Einstellung sind die in ihrer Höhe unveränderlichen Bandführungen. Die Bandführung (C) wird durch Verstellen der selbstsichernden Mutter (D) auf richtige Höhe gebracht. — Nach Lockern der Kontermutter (E) wird durch Drehen der Schraube (F) die Bandführung (G) neben dem Kombikopf eingestellt.
The tape guides, whose height cannot be adjusted, serve as the point of reference for the adjustment. Set the tape guide pulley (C) to the correct height by adjusting the self-locking nut (D). The tape guide (G), which is located close to the recording playback head, is adjusted by slackening the check nut (E) and turning the screw (F).
Pour les opérations de réglage, il convient de se référer aux guide-bande dont la hauteur est invariable. Le guide-bande (C) — est amené sur sa hauteur correcte à l'aide de l'écrou autobloguant (D).
Le guide-bande (G) à côté de la tête d'enregistrement et d'effacement — se règle à l'aide de la vis (F), après le desserrage du contre-écrou (E).
Eine Einstellung der Köpfe am Kopfträger ist beim Umrüsten von Vierspur auf Zweispur oder umgekehrt nicht erforderlich. Die Kopfträger sind bereits optimal justiert.
Zum Auswechseln eines Kopfes ist gegebenenfalls eine Einstellung in nachstehender Reihenfolge vorzunehmen.
Zum Auswechseln des Löschkopfes ist die Befestigungsmutter (H) zu lösen und der auf der Montageplatte sitzende Kopf auszubauen. Beim Einbau ist die Befestigungsmutter (H) so stark anzuziehen, daß die darunterliegende Feder vorgespannt wird. Beim Vierspurkopfträger muß die Spaltoberkante des Löschkopfes mit der Bandoberkante abschließen. Beim Zweispurkopfträger müssen die Spaltkanten des
When the recorder is converted from 4-track operation to 2-track operation or vice versa, readjustment of the sound heads will not be necessary. The head assemblies have been very precisely adjusted in the factory.
In order to replace a magnetic head, it will have to be readjusted in the manner described below, if necessary.
In order to exchange the erase head, slacken the retaining nut (H) and remove the head which is mounted on a mounting bracket. When installing the new head, the retaining nut (H) must be tightened forcefully enough to prestress the underlying spring.
With the four-track sound-head assembly, the top edge of the gap of the erasing head must be flush with the top edge of the tape. With the two-track sound-head assembly,
Le réglage des têtes magnétiques n'est pas nécessaire lors de l'échange de l'unité «quatre pistes» contre l'unité «bipiste» et vice versa, du fait que les unités de têtes magnétiques sont soumises à un ajustage optimal dans les usines du constructeur. Pour l'échange d'une tête magnétique il convient ensuite de procéder éventuellement à un réglage dans l'ordre de suite suivant.
Pour l'échange de la tête d'effacement l'écrou de fixation (H) doit être desserré et la tête agencée sur une platine doit être retirée. Lors de la mise en place de la nouvelle tête, l'écrou de fixation (H) doit être retirée. Lors de la mise en place de la nouvelle tête, l'écrou de fixation doit être serré à fond et tendre le ressort de maintien sur lequel il agit.
Avec la version «quatre pistes» de l'unité de têtes interchangeable, l'arête supérieure de l'entrefer de la tête d'effacement doit se trouver au même niveau que l'arête supérieure de la bande.
Löschkopfes oben und unten aleich weit über die Bandkanten herausragen. Die Höherverstellung des Löschkopfes erfolgt mit den Schrauben (K), (L) und (M), Durch aleichmäßiges Drehen der Schrauben wird eine Schrägstellung der Stirnflächen vermieden.
(siehe Abb. 13)
Zum Auswechseln des Kombikopfes ist die Beim Einbau ist die Befestigungsmutter (I)
Zur Einstellung des Kombikopfes ist das dem Gerätetyp entsprechende UHER-Zweispur-
NF-Voltmeter (Ri ≥ 10 MΩ) an die Kontakte 3 und 2 (2 = Masse) der Buchse "Radio/ Phono" anschließen. UHER-Justierband aufrät auf Wiedergabe schalten. Kombikopf die iedem Justierband beiliegende Anweisung zu beachten. Ein Neigen des Kopfes nach Drehen beider Schrauben zu vermeiden. Durch Drehen der Schraube (P) wird die maximale Ausgangsspannung des Justierdie Senkrechtstellung des Kombikopfes er-
(siehe Abb. 13)
Zum Auswechseln des DIA-Pilot-Kopfes ist die Befestigungsmutter (T) zu lösen und der auf der Montageplatte sitzende Kopf auszubauen. Beim Einbau ist die Befestigungsmutter (T) so stark anzuziehen, daß die darunterliegende Feder vorgespannt wird. - Der Dia-Pilot-Kopf ist so zu justieren, daß der Die Höhenverstellung des Dia-Pilot-Kopfes erfolgt mit der Schraube (Q), (R) und (S). Durch gleichmäßiges Drehen der Schrauben wird eine Schrägstellung der Stirnflächen
2.5 Prüfung und Einstellung der Kontaktfedersätze und Schalter
Die Stummkontakte müssen so justiert sein. daß sie nur in Stellung "Stop" des Funktionswählers schließen. Die Einstellung kann nach Lockern der Schraube (T) erfolgen.
the edges of the gap of the sound-head assembly must project evenly above the edges
The height adjustment of the erase head is performed by means of the screws (K). (L) and (M). Turning the screws simultaneously and by the same amounts, will avoid tilting
In order to change the recording-playback ing bracket. When installing the new head, fully enough to prestress the underlying aligned with the aid of the UHER Two-Track as the case may be.
Connect LF voltmeter (Zi ≥ 10 MΩ) to contacts 3 and 2 (2 = chassis) of the "Radio/ Phono" socket. Thread the UHER Test Tape, wind and rewind the entire length of the tape and set the recorder for playback. Adjust for proper height of the playback. head by turning the screws (N) and (O). Follow the instructions supplied with the Test Tape. Turning the two screws simultaneously and by the same amounts will avoid tilting of the head toward the front or back of the recorder. Adjust for maximum output voltage of the test signal to be read on the LF voltmeter (Zi > 10 MQ) by turning the screw (P). This completes proper azimuth alignment of the playback
In order to exchange the DIA-Pilot-Head, head which is mounted on a mounting bracket. When installing the new head, the retaining nut (T) must be tightened forcefully enough to prestress the underlying
The Dia-Pilot-Head must be adjusted so that its gap is flush with the lower edge of the tape. Height adjustment of the Dia-Pilot-
Turning the screws simultaneously and by the same amounts, will avoid tilting of the
The short-circuit contacts must be adjusted in such a manner that they will close only in position "Stop" of the input selector. The adjustment can be made after slackening
Avec la version «bipiste», les arêtes supérieure et inférieure de l'entrefer de la tête dépassement par rapport à l'arête supérieure
Le réglage en hauteur de la tête d'effacement s'opère à l'aide des vis (K), (L) et (M) Un serrage ou desserrage uniforme des vis évite l'inclinaison en avant ou en arrière de la tête
Pour l'échange de la tête d'enregistrementlecture. l'écrou de fixation (I) doit être desêtre retirée. Lors de la mise en place de la nouvelle tête. l'écrou de fixation (I) doit être
Pour le réglage de la tête d'enregistrementquatre pistes (pour la version «quatre pis-
Brancher un voltmètre BF (Ri ≥ 10 MΩ) sur les bornes 3 et 2 (2 = masse) de la prise «Radio/Phono». Insérer la bande d'ajustage UHER, puis la faire défiler une magnétophone en régime «Reproduction». sulter à cet effet les instructions jointes à la bande d'ajustage. Un serrage ou desserrage uniforme des deux vis évite l'inclinaison en avant ou en arrière de la tête. Avec la vis (P), régler la tonalité d'ajustage tion rigoureusement verticale de la tête de lecture est ainsi obtenue.
Pour l'échange de la tête de commande du DIA-Pilot l'écrou de fixation (T) doit être desserré et la tête agencée sur une platine la nouvelle tête, l'écrou de fixation (T) doit être retirée. Lors de la mise en place de la nouvelle tête, l'écrou de fixation doit être serré à fond et tendre le ressort de maintien sur lequel il agit.
La tête de commande du Dia-Pilot doit être aiustée de manière que l'arête inférieure de son entrefer se trouve au même niveau que l'arête inférieure de la bande magnétique. Le réglage en hauteur s'effectue à l'aide des
Un serrage ou desserrage uniforme des vis évite l'inclinaison en avant ou en arrière de
Les contacts de court-circuit doivent être ajustés de manière qu'ils ne se ferment que dans la position «Stop» du sélecteur de fonctions. Le réglage s'opère par le desserrage
Bandgeschwindigkeitswähler einschalten (z. B. 9,5 cm/s). Der Betätigungshebel des Bandendabschalters liegt in seiner Ruhestellung in einer Nut am Kopfträger. Er muß bereits kurz vor Austreten aus der Nut den Bandendabschalter betätigen und damit die Stromversorgung des Gerätes einschalten. Gegebenenfalls kann der Bandendabschalter nach Lockern der beiden Befestigungsschrauben nachgestellt werden.
Die Entzerrerumschalter müssen so eingestellt sein, daß in jeder Geschwindigkeitsstufe die Kontaktfedern der Schiebeschalter genau über zwei Messerkontakten stehen und keine Zwischenstellung einnehmen. Die Justierung erfolgt nach Lockern der Befestigungsschrauben durch Verschieben der Schiebeschalter auf den Mitnehmern.
Alle wichtigen rotierenden Teile sind in dauergeschmierten Sintermetallagern gelagert. Normale Schmieröle werden von diesen Lagern nicht angenommen. Die Schmierung muß stets mit Sinterlageröl erfolgen. Eine Nachschmierung ist jedoch erfahrungsgemäß erst nach jahrelangem Betrieb erforderlich. Alle Gleit- und Reibstellen sind jeweils nach ca. 500 Betriebsstunden mit nichtverharzendem Mehrzweckfett zu schmieren. Auf jeden Fall muß ein Übermaß an Schmiermitteln sorgfältig vermieden werden, da überschüssiges Fett oder Öl auf Reibungsbeläge oder Antriebsriemen geraten kann und dort unweigerlich Betriebsstörungen verursacht. Die zu verwenden Fette und Öle sind im UHER. Schmiermittelnetz. (Best Nr. 00046)
UHER Schmiermittelsatz (Best.-Nr. 09046) zusammengestellt.
Absolute Sauberkeit der Tonkopfstirnflächen und Bandführungen ist von größter Wichtigkeit. Bandführungen, Tonwelle, Andruckrolle und Tonkopfstirnflächen sind nach Entfernen der vorderen Tonkopfkappe von etwa anhaftenden Bandschichtteilen oder Staubablagerungen sorgfältig zu reinigen. Hierzu dient ein Holzstäbchen mit darübergezogenem, alkoholgetränktem Lappen. Bei jeder Bearbeitung des Gerätes sind sowohl die Antriebsriemen als auch die Laufflächen aller rotierenden und durch Friktion getriebenen Teile des Laufwerks mit einem alkoholgetränkten Lappen zu reinigen
Alle Kontakte sind auf Sauberkeit zu kontrollieren und gegebenenfalls zu säubern.
Switch on tape speed selector (e.g. 9.5 cm/ sec.). The actioning lever of the End-Of-Tape Stop Contact K2 lies in its rest position in a notch at the sound head assembly. It must action the End-Of-Tape Stop Contact already shortly before coming out of the notch and therewith switch on the power supply of the machine. If necessary the End-Of-Tape Stop Contact may be re-adjusted by slackening the two retaining nuts.
The equalizer switches must be adjusted in such a manner that at any selected tape speed, the contact springs precisely meet two knife-blade contacts and are not in any intermediate position. If necessary, adjust by slackening the fastening screws and sliding the sliding switches relative to the carriers.
All important parts are supported in permanently lubricated sintered metal bearings. Normal grades of lubricating oils will not be accepted by these bearings. Always lubricate with oil for sintered metal bearings. Additional lubrication is, however, not required from experience gained in practice over a great many years. All sliding and frictional points must be lubricated with a non-gumming multi-purpose grease after approximately 500 hours of operation. In any event avoid a too generous use of lubricants, since surplus grease or oil may reach friction linings or drive belts and then will undoubtedly be the cause of operating faults.
The greases and oils to be used have been listed in the UHER set of lubricants (Order No. 09046).
Absolute cleanliness of the sound head faces and the tape guides is of utmost importance. After removal of the front sound head cover, the tape guides, capstan, pressure roller and sound head faces must be carefully cleaned of any adhering tape coating particles or dust. For this purpose use a small wooden stick which is covered with a piece of cloth soaked with alcohol. Whenever the recorder is serviced or repaired, the rubber belts and the treads of all rotating parts which are driven by friction, must be cleaned by means of a piece of cloth soaked with alcohol
Check all contact points for cleanliness and clean them if necessary.
Actionner le selecteur de vitesses (p, e, 9,5 cm/sec.). Le levier d'actionnement du contact d'arrêt automatique en fin de bande se trouve dans sa position de repos dans une rainure de l'unité de têtes magnétiques. Il doit actionner le contact d'arrêt automatique en fin de bande déjà peu avant il ressort de la rainure et en même temps voir à la mise en courant du magnétophone. Le contact d'arrêt automatique en fin de bande peut être réajusté le cas échéant en desserrant les deux écrous de fixation.
A toutes les vitesses de défilement, les ressorts de contact des commutateurs doivent se trouver exactement au-dessus de deux broches de contact; ils ne doivent donc prendre aucune position intermédiaire. Pour le réglage, desserrer les vis de fixation et déplacer les commutateurs par rapport à l'entraîneur respectif.
Tous les organes qui exécutent un mouvement de rotation sont pourvus de paliers autolubrifiants en métal fritté. Une lubrification n'est donc nécessaire qu'après plusieurs années de fonctionnement. Les paliers de métal fritté ne doivent pas être traités avec une huile normale, mais avec une huile spéciale.
Tous les points de glissement et de frottement doivent être lubrifiés après environ 500 heures de fonctionnement, avec une graisse universelle non résineuse. Il faut absolument éviter tout excès de lubrificant, car l'huile ou la graisse superflue risque de parvenir sur les garnitures de friction ou sur les courroies d'entrainement et de donner lieu à de graves anomalies.
Les huiles et les graisses convenables sont fournies avec l'assortiment de lubrifiants UHER (No. de référence 09046).
La face frontale des tête magnétiques et les guide-bande doivent se trouver toujours dans un état de propreté absolue. Après le démontage de la coiffe avant des têtes magnétiques, nettoyer soigneusement les guidebande, le cabestan, le galet presseur et la face frontale des têtes magnétiques où s'est formé un dépôt de poussière et de substance magnétique. Utiliser à cet effet une petite spatule de bois garnie d'un chiffon imbibé d'alcool. Nettoyer également avec un chiffon imbibé d'alcool les courroies d'entraînement, ainsi que la surface de roulement de tous les organes animés d'un mouvement de rotation ou entraînés par friction.
Contrôler la propreté de tous les contacts et nettover ces derniers le cas échéant.
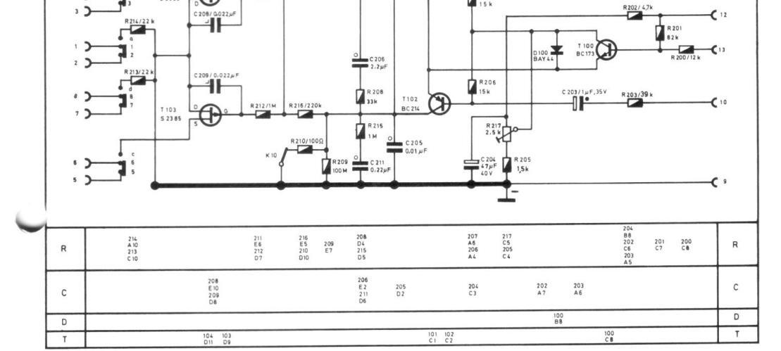
Zur Prüfuna und Einstelluna muß die Aussteuerungsautomatik(A 503)in ein einwandfrei arbeitendes Gerät UHER SG 520 VARIO-CORD eingebaut sein. Der Regelwiderstand R 217 wird wie folgt eingestellt
Zweispurkopfträger Z 347 aufsetzen oder Brücke einlöten zwischen Kontakt 13 und 9 der Aussteuerungsautomatik (A 503) (Brücke nach Einstellung wieder entfernen). Gerät auf Aufnahme "Stereo" schalten und Taste "ALC" niederdrücken
Tongenerator an die Kontakte 3 und 2 der Buchse "Mikro I" anschließen und 15 mV/ 1000 Hz einspeisen. NF-Voltmeter an den Kontakt 41 der Aufnahmetaste anschließen. Einstellwiderstand R 217 so einstellen, daß das NF-Voltmeter ca. 2.5 V anzeigt. Jetzt wird der Einstellwiderstand R 217 so weit verdreht, bis die Ausgangsspannung sprunghaft ansteigt. Einstellwiderstand R 217 ca. 10°
Die Prüfung der Regelzeit muß mit einem Vierspurkopfträger Z 348 erfolgen.
Buchse "Mikrofon I" und NF-Voltmeter an ßen. Ausgangsspannung des Tongenerators 15 mV/1000 Hz
Mit manueller Aussteuerung Regler "Pegel I" so weit nach rechts drehen, bis das NF-Voltmeter 1,5 mV anzeigt. Taste "Automatic" drücken. Aussteuerung darf sich um -2 dB
Ausgangsspannung des Tongenerators um 20 dB verringern. Nach 12 sec ± 5 sec muß wieder Vollaussteuerung, Toleranz —2 dB, erreicht sein
Messung sinngemäß am rechten Kanal wiederholen. Dabei wird der Tongenerator an die Kontakte 3 und 2 der Buchse "Mikrofon II" und das NF-Voltmeter an den Kontakt 50 der Aufnahmetaste angeschlossen.
Tongenerator an die Kontakte 1/4 (parallel schalten) und 2 der Buchse "Radio" anschlie-Ben und 80 mV/1000 Hz einspeisen. NF-Voltmeter zur Messung des linken Kanals am Kontakt 41, zur Messung des rechten Kanals am Kontakt 50 der Aufnahmetaste anschließen
Mit manueller Aussteuerung Regler "Pegel I" so weit nach rechts drehen, bis das NF-Voltmeter 1,5 V anzeigt. Taste "ALC"
drücken. Die Anzeige des NF-Voltmeters darf sich max. um -2 dB ändern; Ausgangsspannung des Tongenerators um -20 dB verringern. Nach 130 sec + 50 sec muß wieder Vollaussteuerung, Toleranz —2 dB, er-
For testing and adjusting, the automatic level control(A 503)must built into a properly working UHER SG 520 VARIOCORD tape record-
Place the two-track head support Z 347 in position or alternatively solder bridge piece control (A 503) (remove bridge piece after the
of socket "Microl" and feed in 15 mV/ 1000 Hz. Connect | F voltmeter to contact 41 LF voltmeter indicates approx. 2.5 V. Now the adjustable resistor R 217 is turned until the output voltage rises suddenly. Turn back the adjustable resistor R 217 by approx. 10
with a four-track head support Z 348
contact 41 of the recording push-button. 1000 Hz
Using the manual level control "Level I", turn the control clockwise until the LF voltmeter indicates 1.5 mV. Press pushbutton "Automatic". Level control may vary by -2 dB
Reduce output voltage of audio oscillator by 20 dB. After 12 sec ± 5 sec, maximum recording level, with a tolerance of -2 dB, must be reached once more.
Repeat measurement logically at the righthand channel. Here, the audio oscillator is connected to contacts 3 and 2 of socket "Microphone II" and the LF voltmeter to contact 50 of the recording pushbutton.
Connect audio oscillator to contacts 1/4 (connect in parallel) and 2 of socket "Radio" and feed in 80 mV/1000 Hz. Connect LF voltmeter for measuring the left-hand channel to contact 41, for measuring the right-hand channel to contact 50 of the recording push-
Using manual level control "Level I", turn the control clockwise until the LF voltmeter indicates 1.5 V. Press pushbutton "ALC"
The indication of the LF voltmeter may vary by -2 dB max.; reduce output voltage of the audio oscillator by -20 dB. After 130 sec + 50 sec. maximum recordwith a tolerance of -2 dB
Pour son contrôle et son ajustage, le système corporé dans un magnétophone UHER SG 520VARIOCORD en parfait état de fonction-
Monter une unité de têtes magnétiques «2 pistes» type Z 347 ou souder un pont entre le magnétophone en régime «Enregistrement — stéréo» et enfoncer la touche «ALC».
Brancher un générateur BF sur les contacts signal de 1000 Hz à 15 mV. Raccorder un voltmètre à lampe BF sur le contact 41 de la touche «Enregistrement». Ajuster le poindique une valeur de 2,5 V. Régler ensuite le potentiomètre R 217 pour que la tension de sortie s'accroisse brusquement, puis le
Le contrôle du temps de correction doit être «4 pistes» type Z 348.
Brancher un générateur BF sur les contacts un signal de 1000 Hz à 15 mV. Baccorder un voltmètre à lampe BF sur le contact 41 de la touche «Enregistrement».
Manœuvrer vers la droite le bouton du régleur «Niveau I», jusqu'à ce que voltmètre indique une valeur de 1,5 mV. Enfoncer la touche «Automatique». Le niveau (1,5 mV) indiqué
Diminuer de 20 dB le niveau de sortie du générateur BF. Après 12 sec. ±5 sec. le rétabli (tolérance - 2 dB).
droite. A cet effect, brancher le générateur BF sur les contacts 3 et 2 de la prise «Microphone II» et raccorder le voltmètre BF sur le contact 50 de la touche «Enregistrement». Brancher un générateur BE sur les contact 1/4 (à monter en parallèle) et 2 de la prise «Radio» et appliquer un signal de 1000 Hz à 80 mV. Raccorder un voltmètre à lampe BF sur le contact 41 de la touche «Enregistrement» (canal de gauche) ou sur le contact 50 de la même touche (canal de droite).
leur «Niveau l» jusqu'à ce que le voltmètre indique une valeur de 1,5 V. Enfoncer le touche «ALC». Le niveau (1,5 V) indiqué par le voltmètre ne doit pas varier de plus de -2 dB. Diminuer de -20 dB le niveau de sortie du générateur BF. Après 150 sec. ± 50 sec., le niveau maximal d'enregistrement doit être rétabli (tolérance
Reprendre la même mesure pour le canal de
UHER SG 520 Variocord
| Eingangsem | pfindlichkeit | Input sensiti | vity | Sensibilité d'entrée | |
|---|---|---|---|---|---|
| manuelle Aussteuerung | manual level control |
Réglage du niveau
d'enregistrement manuel |
|||
| Mikrofon |
≧ 0,14 mV max. 30 mV/4-Spur
≧ 0,28 mV max. 60 mV/2-Spur |
Microphone |
≧ 0.14 mV max. 30 mV/4-track
≧ 0.28 mV max. 60 mV/2-track |
Microphone |
≧ 0,14 mV max. 30 mV/4 pistes
≧ 0,28 mV max. 60 mV/2 pistes |
| Radio |
≧ 1,6 mV max. 600 mV/4 Spur
≧ 3,1 mV max. 1,2 V/2-Spur |
Radio |
≧ 1.6 mV max. 600 mV/4-track
≧ 3.1 mV max. 1.2 V/2-track |
Radio |
≧ 1,6 mV max. 600 mV/4 pistes
≧ 3,1 mV max. 1,2 V/2 pistes |
| Phono I | ≥ 70 mV max. 7 V/4-Spur ≥ 140 mV max. 14 V/2-Spur | Phono I |
≧ 70 mV max. 7 V/4-track
≧ 140 mV max. 14 V/2-track |
Phono I |
≧ 70 mV max. 7 V/4 pistes
≧ 140 mV max. 14 V/2 pistes |
| Phono II |
≧ 150 mV max. 25 V/4-Spur
≧ 300 mV max. 50 V/2-Spur |
Phono II |
≧ 150 mV max. 25 V/4-track
≧ 300 mV max. 50 V/2-track |
Phono II |
≧ 150 mV max. 25 V/4 pistes
≧ 300 mV max. 50 V/2 pistes |
| automatische Aussteuerung | automatic level control |
Réglage du niveau
d'enregistrement autom. |
|||
| Mikrofon |
≧ 0,4 mV max. 17 mV/4-Spur
≧ 0,5 mV max. 20 mV/2-Spur |
Microphone |
≧ 0.4 mV max. 17 mV/4-track
≧ 0.5 mV max. 20 mV/2-track |
Microphone |
≥ 0,4 mV max. 17 mV/4 pistes
≥ 0,5 mV max. 20 mV/2 pistes |
| Radio |
≧ 2,8 mV max. 100 mV/4-Spur
≧ 5 mV max. 200 mV/2-Spur |
Radio |
≧ 2.8 mV max. 100 mV/4-track
≧ 5 mV max. 200 mV/2-track |
Radio |
≥ 2,8 mV max. 100 mV/4 pistes
≥ 5 mV max. 200 mV/2 pistes |
| Phono I | ≥ 40 mV max. 3 V/4-Spur | Phono I | ≧ 40 mV max. 3 V/4-track | Phono I | ≥ 40 mV max. 3 V/4 pistes |
| Phono II |
keine automatische
Aussteuerung an diesem Eingang möglich |
Phono II | no automatic recording level control facility at this input | Phono II |
un réglage automatique du
niveau d'enregistrement n'est pas possible à cette entrée |
| Hochregelze | eit der Aussteuerungsautomatik | Upward-control period of the automatic re- | Temps de correction du système de réglage | ||
hach einem Pegelsprung von 20 dB. Eingang Mikro: 12 s ± 5 s.
Aussteuerungsautomatik · Automatic-Level-Control
Alle Schalter in Ruhestellung gezeichnet.
niveau de 20 dB: 12 secondes ± 5 sec.,
(à l'entrée «Micro»).
-C 14
R294/39 k
All switches are shown in rest position.
æ
Aussteuerungsautomatic — ALC — 200
Ansicht der Bestückungsseite / Shown in components side
Ansicht der Leiterseite / Shown in printed side.
Ansicht der Bestückungsseite / Shown in components side
Endstufe Output
Ansicht der Leiterseite / Shown in printed side.
Folgende Änderungen wurden durch unterschiedliche Toleranzen der Bauteile von verschiedenen Herstellern notwendig:
R 11, R 12 / 10 kΩ → 13 kΩ R 26, R 27 / 8,2 kΩ → 10 kΩ R 28, R 31 / 15 kΩ → 18 kΩ R 29, R 32 / 390 kΩ → 510 kΩ R 301, R 302 /270 kΩ → 330 kΩ; R 4/18 Ω → 10 Ω parallel zu R 4 einen Tantalkondensator von 10 μF 35 V (C 82) schalten, + an Emitter T 17 C 4, C 5 / 500 pF → 300 pF C 60, C 7 / 1000 pF → 470 pF C 20, C 21 / 5600 pF → 3900 pF C 32, C 33 / 0,012 μF → 0,01 μF C 80, C 81 / 33 pF (4 Spur) → 68 pF (2 Spur) Netztransformator 00615 → 661 - 44 835
tufe Output stage 300
Ansicht der Bestückungsseite / Shown in components side
Due to the different clearances of the component parts of various manufacturers the following alterations were necessary:
R 11, R 12 / 10 kΩ → 13 kΩ R 26, R 27 / 8,2 kΩ → 10 kΩ R 28, R 31 / 15 kΩ → 18 kΩ R 29, R 32 / 390 kΩ → 510 kΩ R 301, R 302 / 270 kΩ → 330 kΩ R 4/18 Ω → 10 Ω solder a tantalum capacitor of 10 μF/35 V (C 82) parallel to R 4 instead + of C 82 at emitter of T 17 C 4, C 5 / 500 pF → 300 pF C 6, C 7 / 1000 pF → 470 pF C 20, C 21 / 5600 pF → 3900 pF C 32, C 33 / 0,012 μF → 0,01 μF C 80, C 81/33 pF (4 Track) → 68 pF (2 Track) Line transformer 00615 → 661 - 44 835




















Loading...