
For Discount Troy Bilt Parts Call 606-678-9623 or 606-561-4983
TB15CS 41ADT15C966 Page 1 of 5
Boom & Trimmer
www.mymowerparts.com

For Discount Troy Bilt Parts Call 606-678-9623 or 606-561-4983
TB15CS 41ADT15C966 Page 2 of 5
Boom & Trimmer
Ref # Part Number Qty DescriptionS/P/F
1 753-04114 Throttle Housing Assembly (includes 2 & 3)1
2 791-610314 Throttle Trigger1
3 753-04115 Throttle Trigger Spring1
4 753-04278 Throttle Cable1 S
5 753-04236 Upper Drive Shaft Housing Assembly1 /P
6 791-153064 D-Handle (includes 7)1 /P
7 791-153317 Handle Hardware1 S
8 753-1190 Split Boom Coupler (includes 9-12)1 /P
9 791-182057 Screw1
10 791-181617 Bolt1
11 791-181981 Adjustment Knob1
12 753-04386 Knob Retaining Nut1 S
13 753-04508 Lower Drive Shaft Housing Assembly1
14 753-04282 Guard Mounting Hardware1
15 753-04283 Guard (includes 16)1
16 791-180553 Blade Assembly1
17 753-04284 Outer Spool Assembly (includes 18)1
18 791-610660 Retainer1
19 791-610317B Spring1 /P
20 753-1155 Inner Reel1 /P
21 791-153066B Bump Head Knob Assembly1 /P
791-153577B Reel and Line Assembly (optional
1 /P
accessories - not shown)
791-682075B Shoulder Strap Assembly (optional
1 /P
accessories - not shown)
www.mymowerparts.com

For Discount Troy Bilt Parts Call 606-678-9623 or 606-561-4983
TB15CS 41ADT15C966 Page 3 of 5
Engine Parts
www.mymowerparts.com

For Discount Troy Bilt Parts Call 606-678-9623 or 606-561-4983
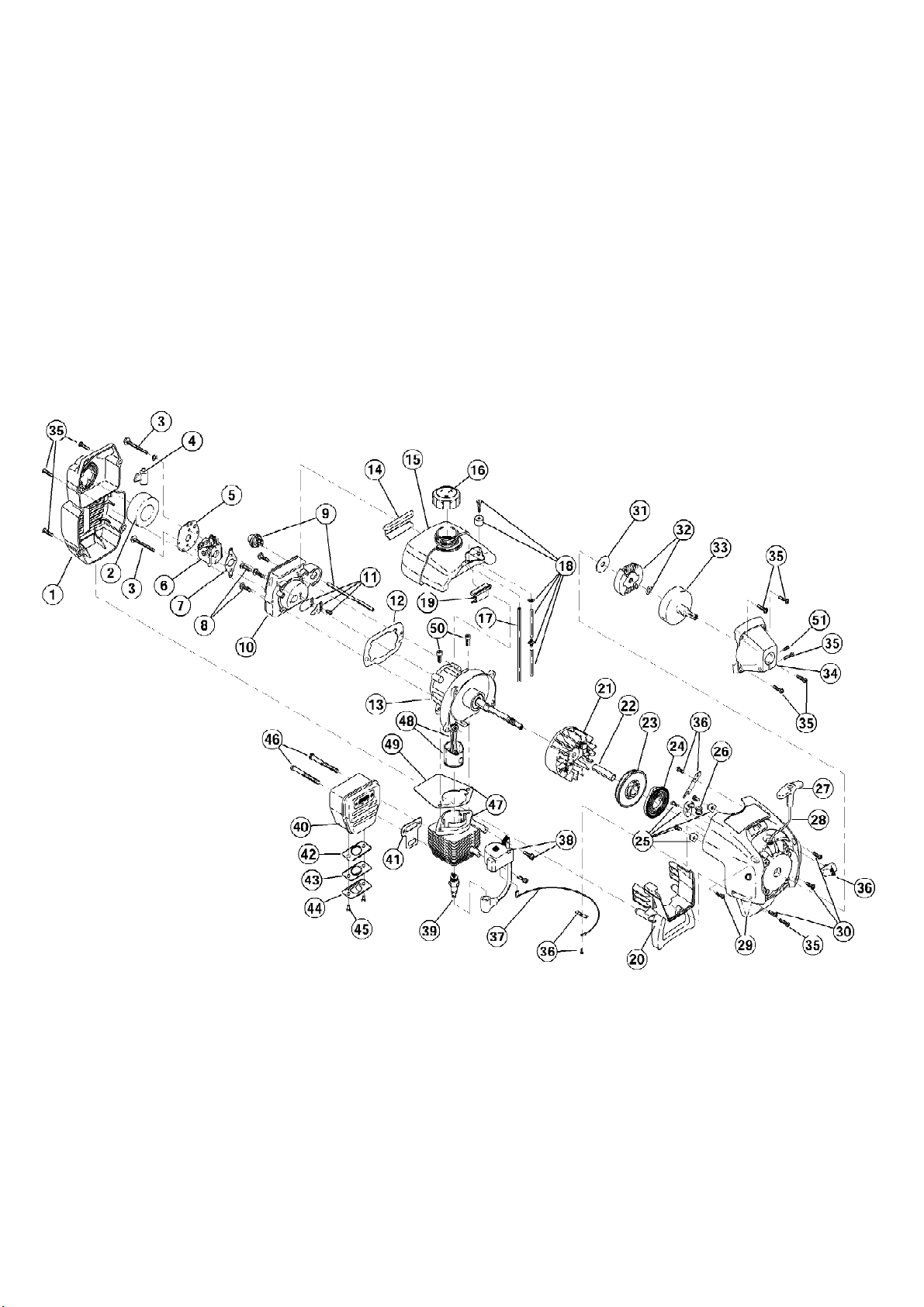
TB15CS 41ADT15C966 Page 4 of 5
Engine Parts
Ref # Part Number Qty DescriptionS/P/F
1 753-04810 Air Cleaner Cover Assembly (includes 2 &
2 791-180350B Air Cleaner Filter1 /P
3 791-180351 Carburetor Mounting Screw Assembly1
4 753-04227 Choke Lever1 /P
5 753-1194 Choke Plate1 S
6 753-04331 Carburetor Assembly (includes 7 & 18)1 S
7 791-610675 Carburetor Gasket1
8 791-181860 Carb Mount Screw1
9 791-683974B Primer and Hose Assembly1 /P
10 753-1196 Carb Mount Assembly (includes 8,11 & 12)1 /P
11 791-684451 Reed Assembly1
12 753-1208 Carburetor Mount Gasket1 /P
13 753-04332 Crank Case Service Assembly (includes 8)1
14 791-612134 Rear Mounting Pad1
15 753-04311 Fuel Tank Assembly (includes 16-18)1 /P
16 791-182529 Fuel Cap Assembly1
17 791-181086 Fuel Return Line1 /P
18 753-04886 Fuel Line Assembly1 S
19 791-145308 Front Mounting Pad1
20 753-04702 Shroud Extension & Stand (includes 35)1
21 791-182736 Flywheel Assembly1 S
22 791-181065 Spacer1
23 753-04744 Recoil Pulley Assembly1
24 791-613102 Recoil Spring1
25 791-181441 Pulley Retainer Assembly1
26 791-611061 Rope Guide1
27 791-181079 Pull Handle1 S
28 791-613103 Rope1
29 791-182619 Starter Housing Assembly (includes 23-28,
1
35)
1
30, & 35-37)
30 791-181862 Housing Screw1 /P
31 791-182368 Clutch Washer1 S
32 791-181445 Clutch Rotor Assembly1
33 791-153592 Clutch Drum Assembly1 /P
34 753-04889 Clutch Cover Assembly (includes 35 & 48)1 /P
35 791-181345 Screw1 /P
36 791-181442 Switch Assembly1
37 791-180036 Wire Lead1
38 753-04324 Module Assembly1
39 791-610311B Spark Plug1 /P
40 753-04618 Muffler Assembly (includes 41-43)1 S
41 753-04619 Exhaust Gasket1 /P
42 753-04689 Spark Arrestor Screen1
43 753-04690 Exhaust Diverter Hood1
44 753-04691 Exhaust Diverter1
45 753-04315 Screw1 S
46 753-04620 Muffler Mounting Bolt Assembly1 S
47 753-04814 Cylinder Assembly (includes 46 & 47)1 /P
48 753-04367 Piston and Rod Assembly1 /P
49 753-04182 Cylinder Gasket1
50 791-182723 Cylinder Bolt1
www.mymowerparts.com

For Discount Troy Bilt Parts Call 606-678-9623 or 606-561-4983
TB15CS 41ADT15C966 Page 5 of 5
Engine Parts
Ref # Part Number Qty DescriptionS/P/F
51 791-182519 Anti-Rotation Screw1
753-04134 Engine Gasket Kit (not shown)1 /P
753-1209 Piston Ring (not shown)1
753-04898 Short Block Assembly (includes 13, 40, 44, &
791-181501 Starter Housing Screw Set (not shown)1
791-181599 Clutch Springs (Qty. 2) (not shown)1
1
45) (not shown)
www.mymowerparts.com