FILE NO. 030-9822
PRINTED IN JAPAN Oct., 1998 (T)
| SAFETY INSTRUCTIONS | 3 | |
|---|---|---|
| SET-UP ADJUSTMENT | 4 | |
| SERVICE MODE | 6 | |
| DESIGN MODE | 9 | |
| ELECTRICAL ADJUSTMENTS | 10 | |
| CIRCUIT CHECK | 17 | |
| CHA | PTER 2 SPECIFIC INFORMATIONS | |
| SETTING & ADJUSTING DATA | 18 | |
| LOCATION OF CONTROLS | 19 | |
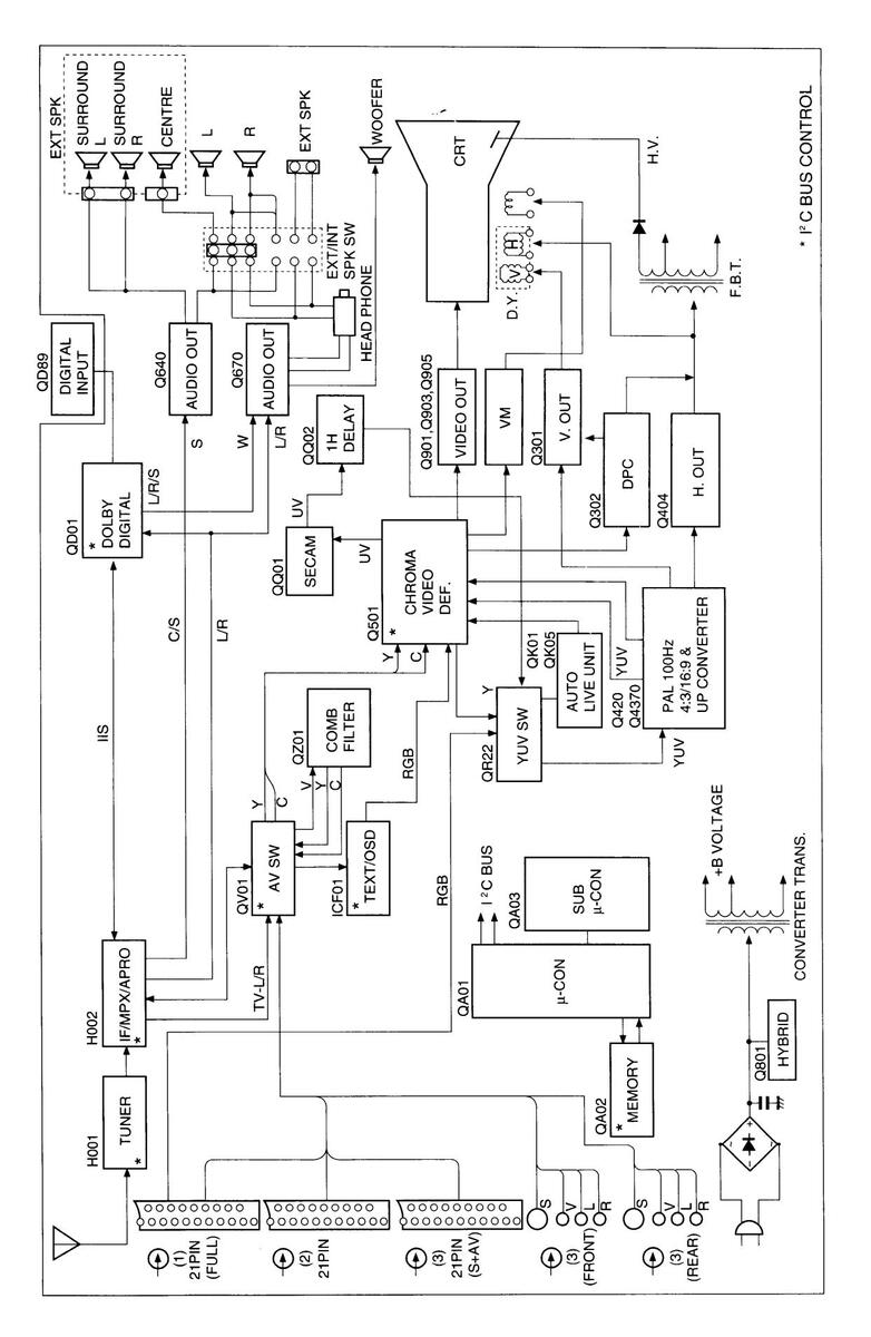
| CIRCUIT BLOCK DIAGRAM | 21 | |
| CHASSIS AND CABINET REPLACEMENT PARTS LIST | 22 | |
| PC BOARDS BOTTOM VIEW | 43 | |
| TERMINAL VIEW OF TRANSISTORS | 55 | |
| SPECIFICATIONS | 59 | |
| APPENDIX: |
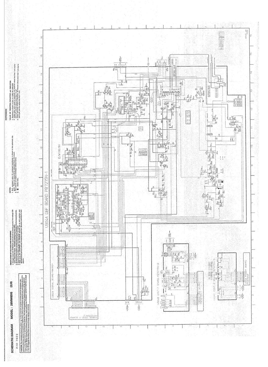
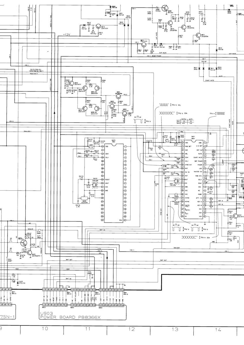
CIRCUIT DIAGRAM
WARNING: BEFORE SERVICING THIS CHASSIS, READ THE "X-RAY RADIATION PRECAUTION", "SAFETY PRECAU-TION" AND "PRODUCT SAFETY NOTICE" INSTRUCTIONS BELOW.
Excessive high voltage can produce potentially hazardous X-RAY RADIATION. To avoid such hazards, the high voltage must not be above the specified limit. The nominal value of the high voltage of this receiver is (A) kV at zero beam current (minimum brightness) under a (C) V AC power source. The high voltage must not, under any circumstances, exceed (B) kV.
Refer to table-1 for high voltage (A), (B) & AC voltage (C). (See SETTING & ADJUSTING DATA on page 18)
Each time a receiver requires servicing, the high voltage should be checked following the HIGH VOLTAGE CHECK procedure in this manual. It is recommended that the reading of the high voltage be recorded as a part of the service record. It is important to use an accurate and reliable high voltage meter.
WARNING : Service should not be attempted by anyone unfamiliar with the necessary precautions on this receiver. The following are the necessary precautions to be observed before servicing this chassis.
Many electrical and mechanical parts in this chassis have special safety-related characteristics. These characteristics are often passed unnoticed by a visual inspection and the protection afforded by them cannot necessarily be obtained by using replacement components rated for higher voltage, wattage, etc. Replacement parts which have these special safety characteristics are identified in this manual and its supplements; electrical components having such features are identified by the international hazard symbols on the schematic diagram and the parts list.
Before replacing any of these components, read the parts list in this manual carefully. The use of substitute replacement parts which do not have the same safety characteristics as specified in the parts list may create shock, fire, X-ray radiation or other hazards.
WARNING: BEFORE SERVICING THIS CHASSIS, READ THE "X-RAY RADIATION PRECAUTION", "SAFETY PRECAU-TION" AND "PRODUCT SAFETY NOTICE" ON PAGE 3 OF THIS MANUAL.
TAPES
Figure 1.
NOTE: Before attempting any convergence adjustments, the receiver should be operated for at least fifteen minutes.
Press of button once on Remote Control.
(Service mode display)
The following key entry during display of adjustment menu provides special functions.
| A single horizontal line ON/OFF: | - / button (on Remote) or -⊙ button (on TV) |
|---|---|
| lest signal selection : | 🛨 button (on Remote) |
| Selection of the adjustment items : | Channel ▲/▼ (on TV or Remote) |
| Change of the data value : | Volume +/- (on TV or Remote) |
| Adjustment menu mode ON/OFF : | MENU button (on TV) |
| Initialization of the memory (QA02) : | CALL + Channel button on TV (A) |
| Reset the count of operating protect | |
| circuit to "00": | CALL + Channel button on TV (▼) |
| "RCUT" selection : | 1 button |
| "GCUT" selection : | 2 button |
| "BCUT" selection : | 3 button |
| "CNTX" (or "SCNT") selection : | 4 button |
| "COLC" selection : | 5 button- – Color thickness correction |
| "TNTC" selection : | 6 button note: Displayed differently as shown below de- |
| Test audio signal ON/OFF (1kHz) : | 8 button pending on the setting of the receiving color |
| Self diagnostic display ON/OFF : | 9 button system. |
| COLP (PAL) | |
| COLC (NTSC) | |
| COLS (SECAM) | |
CAUTION : Never try to perform initialization unless you have changed the memory IC.
Every pressing of CHANNEL ▲ button in the service mode changes the adjustment items in the order of table-2. (▼ button for reverse order)
Refer to table-2 for preset data of adjustment mode. (See SETTING & ADJUSTING DATA on page 18)
Pressing of VOLUME → +/- button will change the value of data in the range from 00H to FFH. The variable range depends on the adjusting item.
1) Pressing POWER button to turn off the TV once.
Perform "Auto search Memory" on the owner's manual
CAUTION: Never attempt to initialize the data unless QA02 has been replaced.
1) Every pressing of -€ button on the Remote Control changes the built-in test patterns on screen as described below in SERVICE MODE.
Signal off ------ NTSC signals (14 patterns)
▲ PAL signals (14 patterns) ◄
| Signals | Picture |
|---|---|
| Red raster Green raster Blue raster All Black All White | |
| Black & White | |
|
|
| Black cross-hatch White cross-hatch | |
| Black cross-dot White cross-dot | |
|
* The signals marked with I are not usable to display in the Test signal for some model.
|
|
|
|---|---|
| 12345 |
2390****
POWER : 00 BUS LINE : OK BUS CONT : OK BLOCK : UV V1 V2 QV01 |
When indication is other than "00", overcurrent apts to flow. and circuit parts may possibly be damaged.
| Standard States and States | A REAL PROPERTY OF THE REAL PROPERTY OF THE REAL PROPERTY OF THE REAL PROPERTY OF THE REAL PROPERTY OF THE REAL PROPERTY OF THE REAL PROPERTY OF THE REAL PROPERTY OF THE REAL PROPERTY OF THE REAL PROPERTY OF THE REAL PROPERTY OF THE REAL PROPERTY OF THE REAL PROPERTY OF THE REAL PROPERTY OF THE REAL PROPERTY OF THE REAL PROPERTY OF THE REAL PROPERTY OF THE REAL PROPERTY OF THE REAL PROPERTY OF THE REAL PROPERTY OF THE REAL PROPERTY OF THE REAL PROPERTY OF THE REAL PROPERTY OF THE REAL PROPERTY OF THE REAL PROPERTY OF THE REAL PROPERTY OF THE REAL PROPERTY OF THE REAL PROPERTY OF THE REAL PROPERTY OF THE REAL PROPERTY OF THE REAL PROPERTY OF THE REAL PROPERTY OF THE REAL PROPERTY OF THE REAL PROPERTY OF THE REAL PROPERTY OF THE REAL PROPERTY OF THE REAL PROPERTY OF THE REAL PROPERTY OF THE REAL PROPERTY OF THE REAL PROPERTY OF THE REAL PROPERTY OF THE REAL PROPERTY OF THE REAL PROPERTY OF THE REAL PROPERTY OF THE REAL PROPERTY OF THE REAL PROPERTY OF THE REAL PROPERTY OF THE REAL PROPERTY OF THE REAL PROPERTY OF THE REAL PROPERTY OF THE REAL PROPERTY OF THE REAL PROPERTY OF THE REAL PROPERTY OF THE REAL PROPERTY OF THE REAL PROPERTY OF THE REAL PROPERTY OF THE REAL PROPERTY OF THE REAL PROPERTY OF THE REAL PROPERTY OF THE REAL PROPERTY OF THE REAL PROPERTY OF THE REAL PROPERTY OF THE REAL PROPERTY OF THE REAL PROPERTY OF THE REAL PROPERTY OF THE REAL PROPERTY OF THE REAL PROPERTY OF THE REAL PROPERTY OF THE REAL PROPERTY OF THE REAL PROPERTY OF THE REAL PROPERTY OF THE REAL PROPERTY OF THE REAL PROPERTY OF THE REAL PROPERTY OF THE REAL PROPERTY OF THE REAL PROPERTY OF THE REAL PROPERTY OF THE REAL PROPERTY OF THE REAL PROPERTY OF THE REAL PROPERTY OF THE REAL PROPERTY OF THE REAL PROPERTY OF THE REAL PROPERTY OF THE REAL PROPERTY OF THE REAL PROPERTY OF THE REAL PROPERTY OF THE REAL PROPERTY OF THE REAL PROPERTY OF THE REAL PROPERTY OF THE REAL PROPERTY OF THE REAL PROPERTY OF THE REAL PROPERTY OF THE REAL PROPERTY OF THE REAL PROPERTY OF THE REAL PROPERTY OF THE REAL PROPERTY OF THE REAL PROPERTY OF THE REAL PR | |
| I V & R. BERGER V & C. C. Market | 14 immed manda ( C)4 | а |
| 8 JE 84 BER 618 BER 63 BER 618 C. C. B. B. C. | ġ, | |
| 8 | ||
| 3 2.00 | 2 | |
| 12 inhid mode (402 | a | |
| ä. | ||
| а. |
Indicated color of mode now selected : Green and Red Indicated color of other modes
* The items marked with I are not usable to display in the SELF DIAGNOSTIC FUCTION for some model
When QA02 is initialized, items "OPT0" and "OPT1" of DESIGN MODE are set to the data of the representative model of this chassis family
Therefore, because ON-SCREEN specification remains in the state of the representative of model. This model is required to reset the data of items "OPT0" and "OPT1".
Every pressing of CHANNEL ▼ button in the design mode changes the adjustment items in the order of table-3. (▲ button for reverse order)
Refer to table-3 for data of design mode. (See SETTING & ADJUSTING DATA on page 18)
Pressing of VOLUME ▲ or ▼ button will change the value of data.
| ITEM | ADJUSTMENT PROCEDURE | |||||
|---|---|---|---|---|---|---|
| FOCUS VR ADJ |
|
|||||
|
SUB-BRIGHTNESS
(BRTC) Note: Constrict the picture height until the vertical retrace line appears adjusting the item HIT (HEIGHT). |
|
|||||
|
HORIZONTAL POSITION
ADJUSTMENT (HPOS) VERTICAL POSITION ADJUSTMENT (VPOS) |
|
|||||
|
VERTICAL AMPLITUDE
ADJUSTMENT (HIT) |
|
|||||
| ITEM | ADJUSTMENT PROCEDURE | ||||||
|---|---|---|---|---|---|---|---|
|
WHITE BALANCE
ADJUSTMENT • CUTOFF ADJUSTMENT (RCUT) (GCUT) (BCUT) • DRIVE ADJUSTMENT (GDRV) (BDRV) |
|
||||||
| Adjustment standard | 2.3 ± 0.2 Vp-p |
4 ± 1.5 lines
Screen adjustment |
1.2 ± 0.2 Vp-p | Bright part Dark part (103cd/m 2 ) |
8750K- 8750K-
0.002uv 0.002uv |
Bright part (CA100) | |||
|---|---|---|---|---|---|---|---|---|---|
| Adjustment procedure |
|
|
|
|
|
|
|
|
|
| lts) | Measurement |
Q501#55
(TP501) |
Screen
adjustment |
Q501#55
(TP501) |
Screen
adjustment |
||||
| ice ractory adjustmer | Input signal |
Sub-bright signal
(PAL-I signal) |
Sub-bright signal |
Sub-bright signal
(PAL) |
|||||
|
Setting
(User control) |
Dynamic
mode |
Dynamic
mode |
Dynamic
mode |
[RCUT] : 40H
[GCUT] : 40H [BCUT] : 40H |
Horizontal
straight-line mode |
[GDRV] : 40H
[BDRV] : 40H |
|||
| Name | Sub-contrast | Sub-bright center |
Sub-color center
PAL |
R cut-off
G cut-off B cut-off |
G drive
B drive |
||||
| Item | [SCNT] | [BRTC] | [COLP] |
[RCUT]
[GCUT] [RCUT] |
Screen VR |
[GDRV]
[BDRV] |
| nts) | |
|---|---|
| tme | |
| snip | |
| y ac | |
| factor | |
| ğ | |
| (Referei | |
| WIDE) | |
| 100Hz | |
| -TAL- | |
| : C7SS | |
| NAME | |
| MODEL | |
| Adjustment standard | 100 ± 10% | 0 ± 40 mV | 0 ± 40 mV |
1.6 ± 0.2 (0-p)
* (Pedestal to Peak) |
|---|---|---|---|---|
| Adjustment procedure |
|
|
|
|
|
Measurement
point |
QQ01#21
(TPM01) |
Q501#55
(TP501) |
Q501#55
(TP501) |
Q501#55
(TP501) |
| Input signal | SECAM color bar | SECAM color bar | SECAM color bar | SECAM color bar |
|
Setting
(User control) |
Dynamic
mode |
Dynamic
mode |
Dynamic
mode |
|
| Name | BELL filter |
SECAM R-Y black
level |
SECAM R-Y black
level |
Sub-color center
SECAM |
| Item | [BELL] | [SRY] | [SBY] | [COLS] |
| Adjustment conditions and procedures | +12.0V to the HVCC terminal (P813B#57). | a frequency counter, adjust the VR so that the fre- | / at the Q420#16 terminal becomes 31.36 ±0.15H2. | plying power, connect the power supply to GND of | ide of C4311. | ||
|---|---|---|---|---|---|---|---|
| Adjustment signal | 2 Using a | dneucy | ※ When supp | negative si | |||
| Incut to Control | DEF UNIT | ||||||
| Adjustment parts | Horizontal synchronizing | VR adjustment. | R4450 |
- 13 -
| nt Procedure |
Contacting
mode |
Contacting
point in Super- Live mode |
Black Black Contacting point in CINEMA mode | |
|---|---|---|---|---|
| Adjustmer |
PAL WG Phillips pattern, User adjustment standard.
Adjust the vertical amplitude by [HIT] so that both upper and lower flags disappear from the screen. |
PAL Phillips pattern, User adjustment standard.
Adjust the vertical position [GMPO] so that the vertical screen position of the Phillips pattern comes to the center of the screen (see the right sketch). |
PAL Phillips pattern, User adjustment standard.
Adjust the vertical amplitude by [HIT] so that the top and bottom of the circle of the Phillips pattern touch the CPT mask (see the right sketch). |
Phillips pattern, User adjustment standard.
Adjust the vertical amplitude by [HIT] so that the points shown in the right bottom sketch touch the CRT mask (see the right sketch). |
| Adjustment Item |
WIDE mode
Vertical amplitude HIT |
Vertical position GMPO |
Super-Live mode
Vertical amplitude HIT |
CINEMA mode
Vertical amplitude HIT |
| Vertical |
- 14 -
| Adjustment Procedures |
Conditions) PAL, RETMA signal
WIDE mode, User adjustment standard Adjustment) With the center of the screen being the best focus, set the focus volume (F1) of the focus pack (Z410) to the fully counterclockwise position. |
Conditions) PAL, RETMA signal
WIDE mode, User adjustment standard Adjustment) With the center of the screen being the best focus, set the focus volume (F2) of the focus pack (Z410) to the fully counterclockwise position. |
Conditions) PAL, RETMA signal
WIDE mode, User adjustment standard Adjustment) With the center of the screen being the best focus, set the focus volume of the flyback transformer (T461) to the fully counterclockwise position. |
Conditions) PAL, WG Phillips pattern
WIDE mode, User adjustment standard Adjustment) Adjust [GMPO] so that both top and bottom positions touch the mask. (This adjustment shall be done with the CPT facing south or north. If this cannot be done, offset the deviation.) |
Conditions) PAL, WG Phillips pattern
WIDE mode, User adjustment standard With the VR (R451), adjust the frame of both left and right flags to the mask. (If necessary, also adjust the horizontal amplitude.) |
|---|---|---|---|---|---|
| Adjustment Item |
Focus adjustment (1)
HOR. FOCUS |
Focus adjustment (2)
VERT. FOCUS |
Focus adjustment |
Vertical position
adjustment |
Horizontal position
adjustment |
| Applicable Models | 32MW8DG | I | 28MW8DG | All models | All models |
| ٥N |
|
2 | ю |
| Adjustment Procedures | With the PAL, WG Phillips pattern, in the WIDE mode, adjust the horizontal amplitude so that the mask comes to the frames of left and right flags. |
With the PAL, WG Phillips pattern, in the WIDE mode, adjust the horizontal position to minimize the side pincushion distortion and trapezoidal distortion.
Note) This adjustment shall be done at the same time as the horizontal position adjustment item in the volume adjustment. If the horizontal position cannot be adjusted to the center by the volume, adjust the horizontal amplitude until the flag frame touches the mask. |
Confirm the side pincushion distortion in the 4:3 mode.
(If necessary, reconfirm it with observing the quality of the side panel in 4:3 mode.) |
In the WIDE mode with the PAL Phillips pattern : Flag |
Adjust the 5th bar in the left and right flags to the mask.
Adjust to minimize the side pincushion distortion and trapezoidal distortion. |
5th bar |
In the CINEMA mode with the PAL Phillips pattern :
Adjust the horizontal amplitude so that mask comes to the frames of the left and right flags. Adjust to minimize the side pincushion distortion and trapezoidal distortion. |
|---|---|---|---|---|---|---|---|
| Adjustment Item |
WIDE mode
(4:3 mode) |
Horizontal position (R451)
Horizontal amplitude [WIDE] Side DPC [PARA] Trapezoidal distortion [TRAP] |
Super-Live mode |
Side DPC
Trapezoidal distortion |
CINEMA mode
Horizontal amplitude Side DPC Trapezoidal distortion |
||
| Horizontal |
|
L |
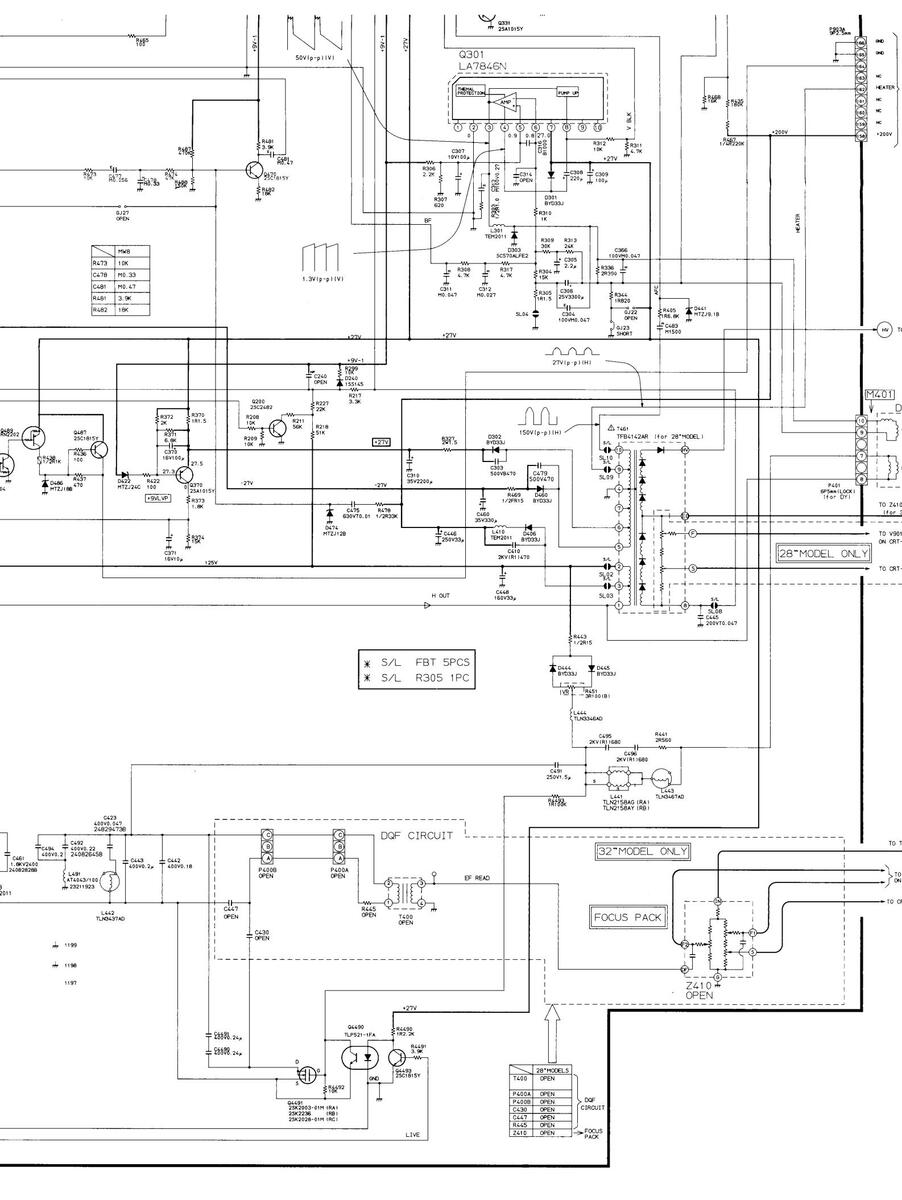
CAUTION: There is no HIGH VOLTAGE ADJUSTMENT on this chassis. Checking should be done following the steps below.
| p | - | ÿ., | tr | . + | - | h | • | 1 | 4 | - | - | - | . 1 | D | ¥ | |||||||||||||
|---|---|---|---|---|---|---|---|---|---|---|---|---|---|---|---|---|---|---|---|---|---|---|---|---|---|---|---|---|
| Ľ | " | ** | ••• | wr | ~ | III. | ۲ | 9 | a e | • • | щ | ۶. | ||||||||||||||||
| I S | f | Į. | 1 | J. | 8 | k | 3. | Л | П | ю | D | A | or | 1 [ | 0 | 9 ' | 8 |
4. Vary the BRIGHTNESS control to both extremes to be sure the high voltage does not exceed the limit under any conditions.
| 32" | 28" | ||
|---|---|---|---|
| HIGH VOLTAGE AT ZERO BEAM: | (A) | 33.9 kV | 33.2kV |
| MAX HIGH VOLTAGE: | (B) | 34.0 kV | 34.0kV |
| AV VOLTAGE | (C) | 220~240 V | 220~240V |
Table-1
| Preset | 28" | 32" | Item | Name of adjustment | Preset | 28" | 32" | ||
|---|---|---|---|---|---|---|---|---|---|
|
RCUT
GCUT BCUT GDRV BDRV BRTC COLP COLS HIT HIT HIT HIT VLIN |
R CUTOFF (B/W)
G CUTOFF (B/W) B CUTOFF (B/W) G DRIVE B DRIVE SUB BRIGHT CEN SUB COLOR CEN PAL SUB COLOR CEN SECAM HEIGHT (SUPER LIVE) (CINEMA) (14:9) ONLY V-LINEARITY |
40H
40H 40H 40H 80H 2AH F0H 28H 30H 45H 38H 15H |
↓↓↓↓↓↓↓
33BH 45H 16H |
4 |
VLIN
VLIN WID PARA PARA PARA TRAP TRAP TRAP GMPO GMPO GMPO |
(CINEMA)
(14:9) ONLY PICTURE WIDTH (SUP.) (CINEMA) E-W PARABOLA (SUPER LIVE) (CINEMA) TRAPEZIUM (SUPER LIVE) (CINEMA) GMPO (SUPER LIVE) (CINEMA) |
16H
15H 2BH 2AH 1CH 1EH 31H 48H 48H 48H 45H 00H 00H |
17H
18H 18H 10 + |
16H
15H ↓↓↓↓↓↓↓↓↓↓ |
Table-2
| Item | Name of adjustment | Data | ||
|---|---|---|---|---|
| Preset Data | Remarks | |||
| * | There are no adjusting item in the D | DESIGN MODE. | ||
Table-3
- 18 -
| ON/STAND-BY | |
|---|---|
| ≰⊀ | Sound mute |
| F | (Quick/advanced operation) |
| CALL | (On-screen call)/ (index. initial) |
| PICTURE MENU | |
| ا | SOUND MENU |
| O 1/1 |
|
| 1~9, 0 | TEN KEY |
| -/ | 1 or 2 place |
| -••• | VIDEO INPUT (EXTERNAL INPUT SOURCE SW.) |
| ⊿ | VOLUME |
| + | LEVEL PLUS (VOLUME, MENU) |
| – | LEVEL MINUS (VOLUME, MENU) |
| ▲ | UP (POSI., CH., TEXT PAGE) |
| ▼ | DOWN (POSI., CH., TEXT PAGE) |
| TXT/TV TEXT, MIX, TV MODE SW. | |
| ፼ HOLD | |
| IELE- | (FULL, TOP, BOTTOM) |
| IEXI | ◎/図 TIME DISPLAY (TV MODE) |
| TEXT CLEAR (TEXT MODE) | |
| FLOF COLOUR KEY (4 key used) | |
| Red/Green/Yellow/Blue | |
| ⊲? • | Super woofer |
| ▼ | Still |
| ⋈ | DSP/Surround |
| +l⊒⊧⊦ | Selectable picture |
| MENU | TUNING & OTHER MENU |
| o Menu select | |
| ( )/ ( | oLevel down/up |
| PIC SI | ZE PIC SIZE (Picture size select) |
| STR | Store |
| ▲/▼ | Menu Select |
| +/ | Level up/down |
| VTR c | ontrol |
| 0 I | Power on/standby |
| Play | |
| Stop | |
| Rewind | |
| ast forward |
SPECIFIC INFORMATIONS
WARNING: BEFORE SERVICING THIS CHASSIS, READ THE "X-RAY RADIATION PRECAUTION", "SAFETY PRECAUTION" AND "PRODUCT SAFETY NOTICE" ON PAGE 3 OF THIS MANUAL
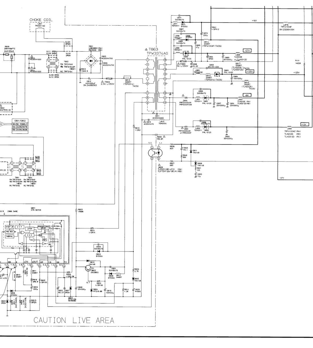
CAUTION : The international hazard symbols ".((), " in the schematic diagram and the parts list designate components which have special characteristics important for safety and should be replaced only with types identical to those in the original circuit or specified in the parts list. The mounting position of replacements is to be identical with originals. Before replacing any of these components, read carefully the PRODUCT SAFETY NOTICE. Do not degrade the safety of the receiver through improper servicing.
NOTICE
Capacitors ...
Resistors .....
(All CD and PF capacitors are ±5%, 50V and all resistors, ±5%, 1/6W unless otherwise noted.)
| No. | Part No. | Description |
Location
No. |
Part No. | Description |
|---|---|---|---|---|---|
| CAPACITOR | RS | C312 | 24590273 | PF, 0.027μF | |
| C101 | 24797229 | EL, 2.2μF, ±20%, 50V | C313 | 24082058 | PF, 0.27μF, 100V |
| C105 | 24232103 | CD, 0.01µF, +80%, -20% | C315 | 24797229 | EL, 2.2μF, ±20%, 50V |
| C106 | 24797100 | EL, 10μF, ±20%, 50V | C316 | 24212102 | CD, 1000pF, ±10% |
| C107 | 24794221 | EL, 220µF, ±20%, 16V | C331 | 24797101 | EL, 100μF, ±20%, 50V |
| C108 | 24793471 | EL, 470μF, ±20%, 10V | C366 | 24082049 | PF, 0.047μF, 100V |
| C109 | 24232103 | CD, 0.01µF, +80%, -20% | C370 | 24794101 | EL, 100μF, ±20%, 16V |
| C116 | 24794221 | EL, 220µF, ±20%, 16V | C371 | 24794100 | EL, 10µF, ±20%, 16V |
| C117 | 24232103 | CD, 0.01µF, +80%, -20% | C401 | 24538104 | PF, 0.1μF |
| C118 | 24232103 | CD, 0.01µF, +80%, -20% | C403 | 24591103 | PF, 0.01μF |
| C119 | 24232103 | CD, 0.01µF, +80%, –20% | C404 | 24797229 | EL, 2.2μF, ±20%, 50V |
| C120 | 24232103 | CD, 0.01µF, +80%, -20% | C410 | 24092341 | CD, 470pF, ±10%, 2kV |
| C183 | 24797479 | EL, 4.7μF, ±20%, 50V | C413 | 24214332 | CD, 3300pF, ±10%, 500V |
| C198 | 24232103 | CD, 0.01µF, +80%, -20% | C416 | 24668101 | EL, 100µF, ±20%, 35V |
| C199 | 24794221 | EL, 220µF, ±20%, 16V | C417 | 24214391 | CD, 390pF, ±10%, 500V |
| C201 | 24669100 | EL, 10μF, ±20%, 50V | C419 | 24212102 | CD, 1000pF, ±10% |
| C203 | 24538104 | PF, 0.1μF | C420 | 24666101 | EL, 100μF, ±20%, 16V |
| C204 | 24669010 | EL, 1μF, ±20%, 50V | C421 | 24538104 | PF, 0.1μF |
| C205 | 24669229 | EL, 2.2μF, ±20%, 50V | C423 | 24829473 | PF, 0.047μF, 400V |
| C206 | 24797220 | EL, 22µF, ±20%, 50V | C430 | 24814103 | Chip, 0.01µF, +80%,-20% |
| C207 | 24781100 | Chip, 10pF, ±0.5%, SL | C431 | 24232103 | CD, 0.01µF, +80%, -20% |
| C208 | 24781100 | Chip, 10pF, ±0.5%, SL | C431 | 24763102 | EL, 1000µF, ±20%, 16V |
| C209 | 24781100 | Chip, 10pF, ±0.5%, SL | C439 | 24082830 | PF, 3000pF, ±3%, 1800V |
| C212 | 24794100 | EL, 10μF, ±20%, 16V | C440 | 24082830 | PF, 3000pF, ±3%, 1800V |
| C213 | 24473100 | CD, 10pF | C442 | 24082643 | PF, 0.18μF, 400V |
| C214 | 24591334 | PF, 0.33μF | C443 | 24082644 | PF, 0.2μF, 400V |
| C215 | 24781101 | Chip, 100pF, SL | C444 | 24082828 | PF, 2400pF, ±3%, 1800V |
| C216 | 24781101 | Chip, 100pF, SL | C445 | 24828473 | PF, 0.047μF, 200V |
| C218 | 24781390 | Chip, 39pF, SL | C446 | 24679330 | EL, 33μF, ±20%, 250V |
| C230 | 24763221 | EL, 220μF, ±20%, 16V | C447 | 24082644 | PF, 0.22µF, 400V (32MW8DG) |
| C231 | 24473330 | CD, 33pF | C448 | 24640908 | EL, 33μF, ±20%, 160V |
| C273 | 24797229 | EL, 2.2μF, ±20%, 50V | C460 | 24796331 | EL, 330μF, ±20%, 35V |
| C303 | 24214471 | CD, 470pF, ±10%, 500V | C461 | 24082828 | PF, 2400pF, ±3%, 1800V |
| C304 | 24082049 | PF, 0.047μF, 100V | C462 | 24795222 | EL, 2200μF, ±20%, 25V |
| C305 | 24617912 | EL, 2.2μF, ±10%, 50V | C463 | 24212392 | CD, 3900pF, ±10% |
| C306 | 24795332 | EL, 3300μF, 25V | C464 | 24640900 | EL, 4.7μF, ±20%, 100V |
| C307 | 24793101 | EL, 100μF, ±20%, 10V | 24820822 | PF, 8200pF, 630V | |
| C308 | 24797221 | EL, 220μF, ±20%, 50V | 24/94220 | EL, 22μF, ±20%, 16V | |
| C309 | 24797101 | EL, 100μF, ±20%, 50V | 24538474 | PF, U.4/μF | |
| C310 | 24796222 | EL, 2200μF, ±20%, 35V | 24669010 | EL, IµF, ±20%, 50V | |
| L311 | 245904/3 | ΥF, U.U4/μF | C475 | 2409588/ | γγ, υ.υιμγ, ±3%, 630V |
| - | ||
|---|---|---|
| _ | ||
| 100 | ||
| - | ||
| 1000 | ||
| - | ||
| and the second | ||
| 1. Y. | ||
| Location | Part No. | Description | Location | Part No. | Description | |
| C 477 | 24501562 | 0000 | ||||
| 24591563 | 0.669 | 24668330 | EL, 33μF, ±20%, 35V | |||
| 2456/334 | PF, 0.33µF | C670 | 24668330 | EL, 33μF, ±20%, 35V | ||
| 24214471 | CD, 470pF, ±10%, 500V | C671 | 24212102 | CD, 1000pF, ±10% | ||
| C481 | 24567474 | ΡΕ, 0.47μΕ | Ì | C671 | 24797010 | EL, 1μF, ±20%, 50V |
| C483 | 24591152 | PF, 1500pF | C672 | 24212102 | CD, 1000pF, ±10% | |
| C491 | 24082749 | PF, 1.5μF, 250V | C673 | 24797010 | EL, 1μF, ±20%, 50V | |
| C492 | 24082645 | PF, 0.22μF, 400V | C673 | 24474102 | CD, 1000pF, ±10% | |
| C494 | 24082644 | PF, 0.2μF, 400V | C674 | 24797010 | EL, 1μF, ±20%, 50V | |
| C495 | 24092343 | CD, 680pF, ±10%, 2kV | C674 | 24474102 | CD, 1000pF, ±10% | |
| C496 | 24092343 | CD, 680pF, ±10%, 2kV | l l | C675 | 24795470 | EL, 47μF, ±20%, 25V |
| C501 | 24781101 | Chip, 100pF, SL | ĺ . | C675 | 24474102 | CD, 1000pF, ±10% |
| C502 | 24814103 | Chip, 0.01µF, +80%, -20% | C676 | 24797479 | EL, 4.7μF, ±20%, 50V | |
| C503 | 24763221 | EL, 220μF, ±20%, 16V | C676 | 24474102 | CD. 1000pF. ±10% | |
| C504 | 24591222 | PF, 2200pF | C677 | 24590102 | PE. 1000pF | |
| C505 | 24774120 | Chip. 12pF. CH | C677 | 24212102 | CD 1000pE +10% | |
| C507 | 24774120 | Chip 12pE CH | C678 | 24474102 | CD 1000pE +10% | |
| C508 | 24669100 | EL 10//E +20% 50V | C678 | 24590102 | PE 1000pF | |
| C500 | 24003100 | EL 100//E +20% 16V | C670 | 24530102 | ||
| C510 | 24762101 | EL 100 µE ±20%, 16V | C670 | 24556104 |
FF, 0.1μF
CD 1000 - E +109/ |
|
| C510 | 24/03/01 | EL, 100µF, ±20%, 16V | 24474102 | |||
| 0511 | 24814103 | Chip, 0.01μF, +80%, -20% | 24668102 | EL, 1000μF, ±20%, 35V | ||
| C512 | 24206228 | EL, 0.22μF, 50V | C680 | 24212102 | CD, 1000pF, ±10% | |
| 6513 | 24814103 | Chip, 0.01µF, +80%, −20% | C681 | 24474102 | CD, 1000pF, ±10% | |
| C514 | 24538104 | PF, 0.1μF | C681 | 24668471 | EL, 470µF, ±20%, 35V | |
| C515 | 24538104 | PF, 0.1μF | C682 | 24474102 | CD, 1000pF, ±10% | |
| C516 | 24781102 | Chip. 1000pF, SI | C682 | 24668471 | EL, 470μF, ±20%, 35V | |
| C517 | 24774010 | Chip, 1pF, ±0.25pF | C683 | 24232103 | CD, 0.01µF, +80%, –20% | |
| CE19 | 24774010 |
Chip, 1pF, ±0.25p
|
C683 | 24668102 | EL, 1000μF, ±20%, 35V | |
| C520 | 24781102 | Chip, 1000pF, SL | C684 | 24232103 | CD, 0.01µF, +80%, -20% | |
| C521 | 24781102 | Chip, 1000pF, SL | C684 | 24590124 | PF, 0.12µF | |
| C522 | 24781470 | Chip, 47pF, SL | C685 | 24590124 | PF, 0.12µF | |
| C523 | 24781470 | Chip, 47pF, SL | C685 | 24232103 | CD. 0.01µF. +80%20% | |
| C524 | 24781122 | Chip. 1200pF. SL | C686 | 24590124 | PF. 0.12 µ F | |
| C525 | 24774181 | Chip 180pF. SI | C686 | 24232103 | CD 0.01 µ E +80% -20% | |
| C526 | 24474101 | CD 100pF +10% | C687 | 24232103 | CD 0.01//F +80% -20% | |
| C526 | 24092178 | Chip 0.1//E +10% B | C688 | 24202100 | EL 22/JE +20% 16V | |
| C527 | 24851104 | CD 0 1//E +10% 25V | C689 | 24203220 | EL, 22µ1, ±20%, 10V | |
| C612 | 24031104 | EL 100 (E ±20% 16)/ | C600 | 24/5/010 | DE E600pE | |
| C620 | 24/94101 | EE, 100μF, ±20%, 10V | C601 | 24590502 | ||
| C630 | 24590102 | 0091 | 24590333 | |||
| 0000 | 24206010 | 0704 | 24/62222 | EL, 2200μF, ±20%, 10V | ||
| C632 | 24/9/4/9 | EL, 4./μF, ±20%, 50V | C/04 | 24232103 | CD, 0.01µF, +80%, -20% | |
| C633 | 24538124 | ΡΕ, 0.12μΕ | C705 | 24/9/229 | EL, 2.2μF, ±20%, 50V | |
| C634 | 24796471 | EL, 470μF, ±20%, 35V | C707 | 24794470 | EL, 47μF, ±20%, 16V | |
| C641 | 24206010 | EL, 1μF, 50V | C712 | 24666470 | EL, 47μF, ±20%, 16V | |
| C644 | 24206010 | EL, 1μF, 50V | C713 | 24790100 | EL, 10μF, ±20%, 160V | |
| C645 | 24795470 | EL, 47μF, ±20%, 25V | C714 | 24436101 | CD, 100pF | |
| C647 | 24591102 | PF, 1000pF | C715 | 24214472 | CD, 4700pF, ±10%, 500V | |
| C648 | 24590562 | PF, 5600pF | C716 | 24436101 | CD, 100pF | |
| C649 | 24206229 | EL, 2.2μF, 50V | C717 | 24214472 | CD, 4700pF, ±10%, 500V | |
| C650 | 24796101 | EL, 100μF, ±20%. 35V | I | C718 | 24794470 | EL, 47μF, ±20%, 16V |
| C651 | 24668471 | EL. 470µE. +20%, 35V | C719 | 24435151 | CD. 150pF. 500V | |
| C652 | 24668471 | EL 470//E +20% 35V | C720 | 24790100 | EL 10µE +20% 160V | |
| C654 | 24591124 | PE 0 12//F | C721 | 24794470 | EL 47/JE +20% 16V | |
| C655 | 24591124 | PE 0.12//E | A C801 | 24082927 | PE 0.22μE +20% ΔC275V | |
| C055 | 24031124 | 24002027 | PE 0.22/JE +20% AC275V | |||
| 0000 | 24232103 | C905 | 24002327 | CD 4700pE +20% AC250V | ||
| 0001 | 24206229 | EL, 2.2μF, 50V | 0005 | 24092201 | CD, 4700pF, ±20%, AC250V | |
| 24538104 |
ΓΓ, U.IμΓ
ΕΙ 2.2μΕ ±200/ ΕΔΥ/ |
C000 | 24092281 |
CD, 4700μF, ±20%, AC250V
EL 220μE ±20% 251/ |
||
| 0003 | 24/9/229 |
ΕL, Ζ.ΖμΓ, ΞΖΟ%, ΟΟΥ
ΕL 10.4Ε ±20%/ 10\/ |
000 | 2400/331 | LL, 330µF, ±20%, 23V | |
| 24203100 | EL, ΙUμr, ±20%, 16V | 010 | 242144/1 | |||
| C665 | 24206229 | EL, 2.2μF, 50V | 0183 | 24086063 | EL, 330µF, ±20%, 400V | |
| C666 | 24206229 | EL, 2.2μF, 50V | A C811 | 24092557 | CD, 2200pF, ±20%, AC275V | |
| C667 | 24232103 | CD, 0.01µF, +80%, –20% | 1 | △C813 | 24092555 | CD, 1000pF, ±20%, AC250V |
| C667 | 24797229 | EL, 2.2μF, ±20%, 50V | ▲C814 | 24092555 | CD, 1000pF, ±20%, AC250V | |
| C668 | 24232103 | CD, 0.01µF, +80%, -20% | | | ▲C815 | 24092553 | CD, 470pF, ±20%, AC250V |
| C668 | 24794100 | EL, 10μF, ±20%, 16V | | | C816 | 24669221 | EL, 220μF, ±20%, 50V |
| J | ||||||
|
Location
No. |
Part No. | Description | ||
|---|---|---|---|---|
| C817 | 24092341 | CD, 470pF, ±10%, 2kV | C | |
| C818 | 24095931 | PF, 2200pF, 1250V | Ċ | |
| C819 | 24676220 | EL, 22µF, ±20%, 100∨ | c l | |
| C820 | 24092343 | CD, 680pF, ±10%, 2kV | l c | |
| C821 | 24214471 | CD, 470pF, ±10%, 500V | c | |
| C822 | 24538474 | PF, 0.47μF | C | |
| C829 | 24590182 | PF, 1800pF | C | |
| C831 | 24794470 | EL, 47μF, ±20%, 16V | C | |
| C832 | 24/944/0 | EL, 47μF, ±20%, 16V | C | |
| C833 | 24669100 | EL, 10µF, ±20%, 50V | C | |
| C835 | 24/9/100 | EL, 10μF, ±20%, 50V | ||
| C836 | 24794470 |
EL, 47μF, ±20%, 16V
EL 47μE ±20% 16V |
||
| C841 | 24669100 | EL, 47, 47, ±20%, 10V | ||
| C842 | 24669100 | EL 10//F +20% 50V | ||
| C843 | 24538104 | PF. 0.1 µ F | ||
| C846 | 24538104 | PF, 0.1μF | c c | |
| C847 | 24538474 | PF, 0.47μF | Ċ | |
| C871 | 24214471 | CD, 470pF, ±10%, 500V | С | |
| C872 | 24669221 | EL, 220µF, ±20%, 50V | С | |
| C876 | 24666101 | EL, 100μF, ±20%, 16V | С | |
| C884 | 24086916 | EL, 330μF, ±20%, 160V | С | |
| △ C885 | 24214471 | CD, 470pF, ±10%, 500∨ | С | |
| C887 | 24214471 | CD, 470pF, ±10%, 500V | С | |
| C889 | 24668332 | EL, 3300µF, ±20%, 35V | C | |
| C902 | 2400/332 | EL, 3300µF, ±20%, 25V | ; | C |
| C892 | 24000222 | EL, 2200µF, ±20%, 35V | ||
| C895 | 24669470 | EL 47//E +20% 50V | ||
| C896 | 24003470 | CD 470pE +10% 500V | ||
| C897 | 24667332 | EL. 3300µE. +20%, 25V |
C
C |
|
| C898 | 24538224 | PF, 0.22μF | č | |
| C899 | 24214471 | CD, 470pF, ±10%, 500∨ | č | |
| C902 | 24092353 | CD, 4700pF, ±10%, 2kV | С | |
| C904 | 24436471 | CD, 470pF | С | |
| C905 | 24436471 | CD, 470pF | С | |
| C907 | 24436471 | CD, 470pF | С | |
| C909 | 24679220 | EL, 22μF, ±20%, 250V | C | |
| C910 | 24/9/4/8 | EL, 0.47µF, ±20%, 50V | C | |
| C911 | 24203100 | EL, 10µF, ±20%, 16V | C | |
| C912 | 24794102 | EL, 1000µF, ±20%, 16V | ||
| C914 | 24703102 | CD 0.01//E ±10% |
с
С |
|
| C915 | 24092398 | CD. 0.1µF. +80% -20% | c | |
| C920 | 24591104 | PF, 0.1μF | c | |
| C921 | 24591104 | PF, 0.1μF | č | |
| C930 | 24214101 | CD, 100pF, ±10%, 500V | Č | |
| C931 | 24214101 | CD, 100pF, ±10%, 500V | С | |
| C940 | 24436390 | CD, 39pF | С | |
| C4031 | 24591562 | PF, 5600pF | С | |
| C4041 | 24797229 | EL, 2.2μF, ±20%, 50V | С | |
| C4301 | 24797010 | EL, 1μF, ±20%, 50V | С | |
| C4303 | 24591433 | PF, 0.043μF | С | |
| C4304 | 24591153 | PF, 0.015μF | C | |
| C4305 | 24/94101 | EL, ΙΟΟμΓ, ±20%, 16V | C | |
| C4300 | 24232103 |
CD, 0.01μF, +80%, -20%
CD, 0.01μF, +80%, -20% |
C
c |
|
| C4311 | 24794471 | EL, 470μF, ±20%. 16V |
C
C |
|
| C4372 | 24617915 | EL, 1μF, ±10%, 50V | c. | |
| C4373 | 24539474 | PF, 0.47μF | c | |
| C4375 | 24591203 | PF, 0.02μF | C | |
| C4377 | 24590102 | PF, 1000pF | С | |
| C4378 | 24617787 | EL, 470μF, ±20%, 16V | С | |
| C4379 | 24794101 | EL, 100μF, ±20%, 16V | С | |
|
Location
No. |
Part No. | Description |
|---|---|---|
| C4380 | 24212102 | CD 1000pE +10% |
| C4381 | 24797478 | EL. 0.47μF. +20%, 50V |
| C4382 | 24539684 | PF, 0.68µF |
| C4401 | 24232103 | CD, 0.01µF, +80%, -20% |
| C4402 | 24232103 | CD, 0.01µF, +80%, -20% |
| C4403 | 24501561 | PF, 560pF |
| C4404 | 24501132 | PF, 1300pF |
| C4405 | 24797479 | EL, 4.7μF, ±20%, 50V |
| C4406 | 24232103 | CD, 0.01µF, +80%, -20% |
| C4408 | 24766229 | EL, 2.2µF, ±20%, 50V |
| C4412 | 24501132 | PF, 1300pF |
| C4413 | 24501102 | PF, 1000pF |
| C4414 | 24232103 | CD, 0.01µF, +80%, -20% |
| C4415 | 2456/4/4 | PF, 0.47μF |
| C4410 | 24501161 | PF, 160pF |
|
C4417
C4421 |
24090332 | |
| C4466 | 24353330 | PE 4700pE 630V |
| C4490 | 24020472 | PE 0.24//E 400\/ |
| C4491 | 24082646 | PF. 0.24µF. 400V |
| CA13 | 24474101 | CD. 100pF. +10% |
| CA30 | 24474101 | CD, 100pF, ±10% |
| CA33 | 24232103 | CD, 0.01µF, +80%, -20% |
| CA42 | 24794100 | EL, 10μF, ±20%, 16V |
| CA43 | 24232103 | CD, 0.01µF, +80%, -20% |
| CA44 | 24232103 | CD, 0.01µF, +80%, -20% |
| CA68 | 24794100 | EL, 10μF, ±20%, 16V |
| CA69 | 24232103 | CD, 0.01µF, +80%, -20% |
| CA101 | 24232103 | CD, 0.01µF, +80%, -20% |
| CA102 | 24232103 | CD, 0.01µF, +80%, –20% |
| CA103 | 24436330 | CD, 33pF |
| CA104 | 24436330 | CD, 33pF |
| CA 105 | 24232103 | CD, 0.01μF, +80%, -20% |
| CA100 | 24/94100 | EL, 10μF, ±20%, 16V |
| CB01 | 24232103 | CD, 0.01μF, +80%, -20% |
| CB90 | 24232103 | CD 0.01//E +80% -20% |
| CC10 | 24781101 | Chip 100pE SI |
| CC20 | 24781102 | Chip, 1000pF, SI |
| CC21 | 24781470 | Chip, 47pF, SL |
| CC22 | 24781470 | Chip, 47pF, SL |
| CC37 | 24212103 | CD, 0.01µF, ±10% |
| CD01 | 24092293 | Chip, 0.1µF, +80%,-20%, 25V |
| CD02 | 24092293 | Chip, 0.1µF, +80%,−20%, 25V |
| CD03 | 24092293 | Chip, 0.1µF, +80%,−20%, 25V |
| CD04 | 24092293 | Chip, 0.1µF, +80%,−20%, 25V |
| CD05 | 24092293 | Chip, 0.1µF, +80%,−20%, 25V |
| CD06 | 24092293 | Chip, 0.1µF, +80%,-20%, 25V |
| 24092293 | Chip, 0.1μF, +80%,-20%, 25V | |
| 24092293 | Chip, 0.1µF, +80%,-20%, 25V | |
| CD09 | 24/014/0 |
Chip, 47pF, SL
Chip, 47pE, SL |
| 24/014/0 | ||
| CD12 | 24032233 | Chip 0.047./F ±80% =20% |
| CD13 | 24092293 | Chip. 0.1μF. +80% -20% 25\/ |
| CD14 | 24092293 | Chip, 0.1µF, +80%,-20%, 25V |
| CD15 | 24092293 | Chip, 0.1μF, +80%,-20%, 25V |
| CD16 | 24092293 | Chip, 0.1μF, +80%,-20%, 25V |
| CD17 | 24781470 | Chip, 47pF, SL |
| CD18 | 24781470 | Chip, 47pF, SL |
| CD20 | 24815222 | Chip, 2200pF, ±10% |
| CD21 | 24203100 | EL, 10μF, ±20%, 16V |
| CD22 | 24203100 | EL, 10μF, ±20%, 16V |
| CD23 | 24203100 | EL, 10μF, ±20%, 16V |
| Location | ||
|---|---|---|
| No. | Part No. | Description |
| CD24 | 24092293 | Chip 0 1//E +80% -20% 25V |
| CD25 | 24815222 | Chip, 2200pF, +10% |
| CD26 | 24203100 | EL, 10μF, ±20%, 16V |
| CD27 | 24203100 | EL, 10μF, ±20%, 16V |
| CD28 | 24665471 | EL, 470μF, ±20%, 10V |
| CD29 | 24092293 | Chip, 0.1µF, +80%,-20%, 25V |
| CD30 | 24203100 | EL, 10μF, ±20%, 16V |
| CD31 | 24203220 | EL, 22μF, ±20%, 16V |
| CD32 | 24206010 | EL, 1μF, 50V |
| CD33 | 24092178 | Chip, 0.1μF, ±10%, Β |
| 24092178 | Chip, 0.1µF, ±10%, B | |
| CD35 | 24092178 | Chip, 0.1µF, ±10%, B |
| CD37 | 24781102 | EI 1000F, SL |
| CD38 | 24206010 | EL, 100µ1, ±20%, 100 |
| CD39 | 24206010 | EL. 1μF. 50V |
| CD40 | 24206010 | EL, 1μF, 50V |
| CD41 | 24814103 | Chip, 0.01µF, +80%, -20% |
| CD42 | 24203101 | EL, 100μF, ±20%, 16V |
| CD43 | 24206010 | EL, 1μF, 50V |
| CD44 | 24815273 | Chip, 0.027µF, ±10% |
| CD45 | 24815822 | Chip, 8200pF, ±10% |
| CD46 | 24815273 | Chip, 0.027µF, ±10% |
| CD47 | 24206010 | EL, 1μF, 50V |
| CD48 | 24815273 | Chip, 0.027μF, ±10% |
| CD49 | 24815822 | Chip, 8200pF, ±10% |
| 24815822 | Chip, 8200pF, ±10% | |
|
CD51
CD52 |
24203100 | EL, 10μF, ±20%, 16V |
|
CD52
CD53 |
24203100 | EL, 10μF, ±20%, 16V |
| CD54 | 24203100 | Chip 0.1//E +80% -20% 25V |
| CD55 | 24815223 | Chip 2200nF +10% |
| CD56 | 24814103 | Chip 0.01//E +80% -20% |
| CD57 | 24814103 | Chip, 0.01µF, +80%, -20% |
| CD58 | 24202101 | EL, 100μF, 10V |
| CD59 | 24092293 | Chip, 0.1µF, +80%,−20%, 25V |
| CD60 | 24815222 | Chip, 2200pF, ±10% |
| CD61 | 24203100 | EL, 10μF, ±20%, 16V |
| CD62 | 24203100 | EL, 10μF, ±20%, 16V |
| CD63 | 24203100 | EL, 10μF, ±20%, 16V |
| CD64 | 24092293 | Chip, 0.1µF, +80%,−20%, 25V |
| CD65 | 24815222 | Chip, 2200pF, ±10% |
| 24203100 | EL, 10µF, ±20%, 16V | |
| CD67 | 24203100 |
EL, ΙΟμΓ, ±20%, Ίδν
EL 100μΕ 10V |
| CD69 | 24202101 | Chip 0.1//F +80% -20% 25// |
| CD70 | 24815223 | Chip. 2200pF +10% |
| CD72 | 24092293 | Chip. 0.1µF. +80% -20% 251/ |
| CD73 | 24092293 | Chip, 0.1µF. +80%20%. 25V |
| CD74 | 24665471 | EL, 470μF, ±20%, 10V |
| CD75 | 24092293 | Chip, 0.1µF, +80%,−20%, 25∨ |
| CD76 | 24092293 | Chip, 0.1µF, +80%,−20%, 25V |
| CD77 | 24665471 | EL, 470μF, ±20%, 10V |
| CD78 | 24092293 | Chip, 0.1µF, +80%,-20%, 25V |
| CD79 | 24092293 | Chip, 0.1µF, +80%,−20%, 25V |
| CD80 | 24665471 | EL, 470μF, ±20%, 10V |
| CD81 | 24202221 | EL, 220μF, ±20%, 10V |
| 24092293 | Cnip, U.1µF, +80%,-20%, 25V | |
| CD84 |
240004/1
24002202 |
EL, 470μF, ±20%, 10V
Chip 0.1μΕ 90% 20% 25V |
| CD85 | 24665471 | FI 470//F +20% 10\/ |
| CD86 | 24092293 | Chip. 0.1 µ F +80% -20% 251/ |
| CD87 | 24567334 | PF, 0.33µF |
| CD88 | 24794100 | EL, 10μF, ±20%, 16V |
|
Location
No. |
Part No. | Description |
|---|---|---|
| CD88 | 24538104 | PE_0.1//E |
| CD89 | 24092293 | Chip. 0.1µF. +80% -20% 25V |
| CD91 | 24814103 | Chip, 0.01µF, +80%, -20% |
| CD92 | 24203220 | EL, 22μF, ±20%, 16V |
| CD93 | 24092293 | Chip, 0.1µF, +80%,-20%, 25V |
| CD94 | 24092293 | Chip, 0.1µF, +80%,-20%, 25V |
| CD101 | 24814103 | Chip, 0.01µF, +80%, -20% |
| CD102 | 24814103 | Chip, 0.01µF, +80%, -20% |
| CD103 | 24781330 | Chip, 33pF, SL |
| CD104 | 24781330 | Chip, 33pF, SL |
| CD105 | 24814103 | Chip, 0.01µF, +80%,-20% |
| CD106 | 24203100 | EL, 10μF, ±20%, 16V |
| CD108 | 24287103 | Chip, 0.01µF, +80%,-20% |
| CD203 | 24815123 | Chip, 0.012μF, ±10% |
| CD204 | 24815123 | Chip, 0.012μF, ±10% |
| CD205 | 24085988 | EL, 1μF, ±20%, 50V, NP |
| CD206 | 24085988 | EL, 1μF, ±20%, 50V, NP |
| CD207 | 24815822 | Chip, 8200pF, ±10% |
| CD208 | 24815822 | Chip, 8200pF, ±10% |
| CD209 | 248154/3 | Chip, 0.047µF, ±10% |
| CD210 | 24203100 | EL, 10µF, ±20%, 16V |
| 24014103 | Chip, 0.01µF, +80%, -20% | |
|
CD212
CD213 |
24014103 | Chip, 0.01µF, +80%, -20% |
| CD213 | 24014103 | EI 100, E +20% 16V |
| CD215 | 24203470 |
EL, 100μ1, ±20%, 10V
EL 47μE +20% 16V |
| CF03 | 24567104 | PF 0 1//F |
| CF04 | 24766101 | PF. 0.1µF |
| CF05 | 24766101 | PF. 0.1 µ F |
| CF06 | 24774220 | Chip, 22pF, CH |
| CF07 | 24774220 | Chip, 22pF, CH |
| CF08 | 24567104 | PF, 0.1μF |
| CF09 | 24567104 | PF, 0.1μF |
| CF10 | 24206100 | EL, 10μF, 50V |
| CF11 | 24567104 | PF, 0.1μF |
| CF12 | 24814103 | Chip, 0.01µF, +80%, -20% |
| CF14 | 24814103 | Chip, 0.01µF, +80%, -20% |
| CF17 | 24794101 | EL, 100μF, ±20%, 16V |
| CF18 | 24794101 | EL, 100μF, ±20%, 16V |
| CF19 | 24814103 | Chip, 0.01µF, +80%, -20% |
| CK01 | 24436101 | CD, 100pF |
| 24436101 | ||
| CK03 | 24430330 | |
| 24430101 | ||
| CK06 | 24430101 | |
| CK00 | 24430471 | |
| CK08 | 24/3/4/3 | CD 33pE |
| CK09 | 24436330 | CD 33pF |
| CK10 | 24436330 | CD 33pF |
| CK11 | 24436330 | CD, 33pF |
| CK12 | 24436330 | CD, 33pF |
| CK13 | 24436330 | CD, 33pF |
| CK14 | 24212103 | CD, 0.01µF, ±10% |
| CK15 | 24436330 | CD, 33pF |
| CK16 | 24436101 | CD, 100pF |
| CK17 | 24436330 | CD, 33pF |
| CK18 | 24436330 | CD, 33pF |
| CK19 | 24212103 | CD, 0.01µF, ±10% |
| CK20 | 24794100 | EL, 10μF, ±20%, 16V |
| CK21 | 24212103 | CD, 0.01µF, ±10% |
| 24212103 |
CD, 0.01μF, ±10%
EL 10μE ±20% 10% |
|
|
CK3U
CK31 |
24/94100 |
EL, ΙUμF, ±20%, Ίδν
EL 1μΕ +20% ΕΩΥ |
| 24/3/010 | LL, 1µF, ±20%, 50V |
| - |
| - |
| 0 |
| m |
| 20 |
| Location | D N | B 1.11 | Location | |||
|---|---|---|---|---|---|---|
| No. | Part No. | Description | No. | Part No. | Description | |
| - | | ||||||
| CK32 | 24797010 | EL, 1μF, ±20%, 50V | CR08 | 24794100 | EL, 10μF, ±20%, 16V | |
| CK50 | 24795470 | EL, 47μF, ±20%, 25V | CR09 | 24814103 | Chip. 0.01µF. +80% -20% | |
| CK51 | 24567104 | PF, 0.1μF | CR12 | 24567104 | PE. 0.1 µ E | |
| CK52 | 24567104 | PF, 0.1μF | CB12 | 24567104 | ||
| CK53 | 24085958 | EL 1.00E +20% 50V NP | CB13 | 24567104 | ||
| CK54 | 24436561 | CD 560pE | CR14 | 24507104 | ||
| CK55 | 24797010 | EL 1//E +20% 501/ | CE01 | 24507104 | FF, 0.1μF | |
| CKEE | 24737010 | CD 0.01.4E | 0000 | 24085944 | EL, 2.2μF, ±20%, 50V, NP | |
| CKET | 24232103 | CD, 0.01µF, +80%, -20% | 0502 | 24085944 | EL, 2.2μF, ±20%, 50V, NP | |
| 24430081 | CD, 680pF | CS03 | 24206229 | EL, 2.2μF, 50V | ||
| CK58 | 24436331 | CD, 330pF | CS04 | 24206229 | EL, 2.2μF, 50V | |
| CK60 | 2456/104 | ΡΕ, 0.1μΕ | CS05 | 24206229 | EL, 2.2μF, 50V | |
| CK190 | 24794100 | EL, 10μF, ±20%, 16V | CS06 | 24206229 | EL, 2.2μF, 50V | |
| CK191 | 24794100 | EL, 10μF, ±20%, 16V | CS07 | 24206229 | EL, 2.2μF, 50V | |
| CQ01 | 24781102 | Chip, 1000pF, SL | CS08 | 24206229 | EL, 2.2μF, 50V | |
| CQ02 | 24781820 | Chip, 82pF, SL | CS09 | 24206010 | EL. 1µF. 50V | |
| CQ03 | 24781102 | Chip, 1000pF, SL | CS12 | 24474102 | CD 1000pE +10% | |
| CQ04 | 24203100 | EL, 10μF, ±20%, 16V | CS13 | 24474102 | CD 1000pE ±10% | |
| CQ05 | 24591563 | PF. 0.056 µ F | CS14 | 24206100 | ||
| CQ07 | 24591203 | PE, 0.02 µ E | CS15 | 24200100 | EL, 10µF, 50V | |
| C008 | 24567683 | PE 0.068//E | CS 15 | 24200100 | ||
| 0000 | 24307003 | 0010 | 24203100 | EL, 10μF, ±20%, 16V | ||
| CQ10 | 24200229 | ΕL, 2.2μΓ, 500 | CS 18 | 24203100 | EL, 10μF, ±20%, 16V | |
| 24591223 | 1 1 | CS19 | 24206478 | EL, 0.47μF, 50V | ||
| 24206229 | EL, 2.2μF, 50V | CS22 | 24666100 | EL, 10μF, ±20%, 16V | ||
| CQ12 | 24/81820 | Chip, 82pF, SL | CS23 | 24666100 | EL, 10μF, ±20%, 16V | |
| CQ13 | 24669010 | EL, 1μF, ±20%, 50V | CV01 | 24590103 | PF, 0.01μF | |
| CQ14 | 24669010 | EL, 1μF, ±20%, 50V | CV02 | 24085970 | EL, 10μF, ±20%, 16V, NP | |
| CQ15 | 24763101 | EL, 100μF, ±20%, 16V | CV03 | 24666100 | EL, 10μF, ±20%, 16V | |
| CQ16 | 24814103 | Chip, 0.01µF, +80%, –20% | CV04 | 24666100 | EL, 10μF, ±20%, 16V | |
| CQ17 | 24774150 | Chip, 15pF, CH | CV05 | 24232103 | CD. 0.01µF. +80% -20% | |
| CQ18 | 24781820 | Chip, 82pF, SL | CV06 | 24666100 | EL 10µE +20% 16V | |
| CQ19 | 24590103 | PF, 0.01µF | CV07 | 24232103 | CD 0.01//E +80% -20% | |
| CQ20 | 24567104 | PF. 0.1 µ F | | | | CV08 | 24763102 | EL 1000/JE +20% 16V |
| CO21 | 24794470 | FL 47/JE +20% 16V | | | | CV00 | 24703102 | EL, 1000µF, ±20%, 16V |
| CO22 | 24934490 | Chip 0.01//E 190% 20% | | | | CV09 | 24000100 | EL, 10µF, ±20%, 16V |
| CO23 | 24567104 | CV10 | 24065970 | EL, 10μF, ±20%, 16V, NP | ||
| C023 | 24507104 | 24436331 | CD, 330pF | |||
| 2450/104 | CV12 | 24092398 | CD, 0.1µF, +80%,-20% | |||
| 24/9/100 | EL, 10μF, ±20%, 50V | CV13 | 24232103 | CD, 0.01µF, +80%, −20% | ||
| CQ26 | 2456/104 | PF, 0.1μF | CV14 | 24474102 | CD, 1000pF, ±10% | |
| CQ27 | 24567104 | PF, 0.1μF | | | | CV15 | 24474102 | CD, 1000pF, ±10% |
| CQ28 | 24797478 | EL, 0.47μF, ±20%, 50V | CV16 | 24474102 | CD, 1000pF, ±10% | |
| CQ29 | 24794101 | EL, 100μF, ±20%, 16V | CV17 | 24474102 | CD, 1000pF, ±10% | |
| CQ30 | 24814103 | Chip, 0.01µF, +80%, –20% | CV18 | 24474102 | CD, 1000pF, ±10% | |
| CQ31 | 24797478 | EL, 0.47μF, ±20%, 50V | CV19 | 24474102 | CD, 1000pF, ±10% | |
| CQ32 | 24590103 | PF, 0.01μF | | | | CV20 | 24353330 | CD. 33pF |
| CQ33 | 24567104 | PF, 0.1μF | | | | CV23 | 24666101 | EL 100µE: +20% 16V |
| CQ34 | 24567104 | PF, 0.1μF | | | | CV24 | 24232103 | CD 0.01//F +80% -20% |
| CQ35 | 24206478 | EL. 0.47µF. 50V | | | | CV25 | 24763471 | EL 470//E +20% 16V |
| CO36 | 24206478 | | | | CV34 | 24/034/1 | CD 1000pE ±10% | |
| CO37 | 24669010 | EL 1//E +20% 50V | CV35 | 24474102 | CD 1000pF ±10% | |
| CO38 | 24669010 | EL 1//E +20% 50V | | | | CV35 | 24212102 | |
| CO30 | 24660010 | EL 1//E +20% 50V | CV37 | 244/4102 | ||
| CQ39 | 24009010 | EL, ΙμΓ, ±20%, 50V | CV39 | 24000101 | EL, 100μF, ±20%, 16V | |
| CQ40 | 24/81820 | CV40 | 24232103 | CD, 0.01µF, +80%, −20% | ||
| 24/81090 | CV46 | 24212332 | CD, 3300pF, ±10% | |||
| CU42 | 24/81090 | Chip, 9pF, SL | CV47 | 24212332 | CD, 3300pF, ±10% | |
| CQ43 | 24781090 | Chip, 9pF, SL | CV48 | 24212102 | CD, 1000pF, ±10% | |
| CQ45 | 24781102 | Chip, 1000pF, SL | CV65 | 24666101 | EL, 100μF, ±20%, 16V | |
| CQ46 | 24781102 | Chip, 1000pF, SL | CV66 | 24666101 | EL, 100μF, ±20%, 16V | |
| CR01 | 24567104 | PF, 0.1μF | CV67 | 24763471 | EL, 470μF, ±20%, 16V | |
| CR02 | 24567104 | PF, 0.1μF | CV68 | 24763471 | EL, 470μF, ±20%, 16V | |
| CR03 | 24567104 | PF, 0.1μF | CV80 | 24232103 | CD, 0.01µF, +80%, -20% | |
| CR04 | 24567104 | PF, 0.1μF | CX201 | 24774100 | Chip, 10pF, ±0.5pF, CH | |
| CR05 | 24567104 | PF, 0.1μF | CX202 | 24774101 | Chip, 100pF, ±10%, CH | |
| CR06 | 24567104 | PF, 0.1μF | CX203 | 24774560 | Chip, 56pF. CH | |
| CR07 | 24814103 | Chip, 0.01µF, +80% -20% | CX204 | 24794221 | EL. 220µE. +20% 16V | |
| 1 L |
| ഹ | |
|---|---|
| 0 | |
| 9 | |
| III. | |
| C | |
| 0 | |
| 5 | |
| 5 | |
|
Location
No. |
Part No. | Description |
Location
No. |
Part No. | Description | |
|---|---|---|---|---|---|---|
| CX205 | 24092294 | Chip, 0.33µF, +80%, -20%, 16V | CX301 | 24781220 | Chip, 22pF, SL | |
| CX207 | 24774101 | Chip, 100pF, ±10%, CH | CX302 | 24781820 | Chip, 82pF, SL | |
| CX208 | 24774271 | Chip, 270pF, CH | CX303 | 24781820 | Chip, 82pF, SL | |
| CX209 | 24092178 | Chip, 0.1μF, ±10%, Β | CX304 | 24781220 | Chip, 22pF, SL | |
| CX210 | 24774101 | Chip, 100pF, ±10%, CH | CX305 | 24781220 | Chip, 22pF, SL | |
| CX211 | 24774271 | Chip, 270pF, CH | CX306 | 24781220 | Chip, 22pF, SL | |
| CX212 | 24/934/1 | EL, 4/0µF, ±20%, 10V | CX307 | 24794221 | EL, 220μF, ±20%, 16V | |
| CX213 | 24092294 | Chip, 0.33µF, +80%, -20%, 16V | CX308 | 240921/8 | Chip, 0.1µF, ±10%, B | |
| CX214 | 24014103 | CX309 | 24/934/1 | EL, 470μF, ±20%, 10V | ||
| CX216 | 24814103 | Chip 0.01/JE +80% -20% | CX310 | 24092178 |
Chip, 0.1μF, ±10%, B
EL 47.1E +20% 16\/ |
|
| CX217 | 24092294 | Chip, 0.33 u F, +80%, -20%, 16V | CX320 | 24203470 | Chip 0.1//E +10% B | |
| CX218 | 24206479 | EL, 4.7μF, 50V | CX323 | 24092178 | Chip, 0.1µF, ±10%, B | |
| CX219 | 24092441 | Chip, 1µF, +80%, -20%, 16V | CX326 | 24781330 | Chip, 33pF, SL | |
| CX220 | 24206479 | EL, 4.7μF, 50V | CX329 | 24206228 | EL, 0.22μF, 50V | |
| CX221 | 24092294 | Chip, 0.33µF, +80%, -20%, 16V | CX400 | 24781221 | Chip, 220pF, SL | |
| CX222 | 24092294 | Chip, 0.33µF, +80%, -20%, 16V | • | CX401 | 24781330 | Chip, 33pF, SL |
| CX223 | 24815473 | Chip, 0.047µF, ±10% | CX402 | 24781330 | Chip, 33pF, SL | |
| CX224 | 24793471 | EL, 470μF, ±20%, 10V | CX403 | 24781221 | Chip, 220pF, SL | |
| CX225 | 24092178 | Chip, 0.1μF, ±10%, Β | CX404 | 24781221 | Chip, 220pF, SL | |
| CX229 | 24092178 | Chip, 0.1µF, ±10%, B | CX405 | 24781221 | Chip, 220pF, SL | |
| CX230 | 24092178 | Chip, 0.1µF, ±10%, B | 24/81221 |
Chip, 220pF, SL
Chip, 220pF, SL |
||
| CX231 | 24092178 | Chip, 0.1//F, ±10%, B | CX407 | 24/01331 |
Chip, 330pF, SL
Chip, 220pE, SL |
|
| CX233 | 24092178 | Chip, 0.1µF, ±10%, B | CX405 | 24781221 | Chip, 220pF, SE | |
| CX235 | 24202221 | EL. 220µF. ±20%. 10V | CX511 | 24202470 | EL 47µE +20% 10V | |
| CX236 | 24092178 | Chip, 0.1μF, ±10%, Β | CX512 | 24092178 | Chip, 0.1µF, ±10%, B | |
| CX237 | 24092178 | Chip, 0.1µF, ±10%, B | CX514 | 24815472 | Chip, 4700pF, ±10%, B | |
| CX238 | 24092178 | Chip, 0.1µF, ±10%, B | CX601 | 24092178 | Chip, 0.1µF, ±10%, B | |
| CX239 | 24203100 | EL, 10μF, ±20%, 16V | CX602 | 24092178 | Chip, 0.1µF, ±10%, B | |
| CX240 | 24774560 | Chip, 56pF, CH | CX603 | 24092178 | Chip, 0.1µF, ±10%, B | |
| CX241 | 24774030 | Chip, 3pF, CH | CX604 | 24092178 | Chip, 0.1µF, ±10%, B | |
| CX242 | 24203100 | EL, 10μF, ±20%, 16V | CX605 | 24762102 | EL, 1000μF, ±20%, 10V | |
| CX243 | 24//4560 | CX611 | 24092178 | Chip, 0.1µF, ±10%, B | ||
| CX244 | 24/81100 |
Chip, Tupr, ±0.5%, SL
El 10,/E +20% 16V |
CX612 | 24203101 | EL, 100μF, ±20%, 16V | |
| CX245 | 24203100 | Chip 56pF CH | CX621 | 24092178 | Chip, 0.1µF, ±10%, B | |
| CX247 | 24774100 | Chip, 10pF, +0.5pF, CH | CX622 | 24092178 | Chip, 0.1µF, ±10%, B | |
| CX248 | 24092178 | Chip, 0.1µF, ±10%, B | CX623 | 24092178 | Chip, 0.1µF, ±10%, B | |
| CX249 | 24794221 | EL, 220μF, ±20%, 16V | CX624 | 24092178 | Chip, 0.1μF, ±10%, Β | |
| CX252 | 24092178 | Chip, 0.1µF, ±10%, B | CX641 | 24092178 | Chip, 0.1µF, ±10%, B | |
| CX253 | 24092178 | Chip, 0.1µF, ±10%, B | CX642 | 24092178 | Chip, 0.1µF, ±10%, B | |
| CX254 | 24774120 | Chip, 12pF, CH | CX643 | 24092178 | Chip, 0.1µF, ±10%, B | |
| CX255 | 24774120 | Chip, 12pF, CH | CX644 | 24092178 | Chip, 0.1µF, ±10%, B | |
| CX256 | 24092178 | Chip, 0.1µF, ±10%, B | CX652 | 24774221 | Chip, 220pF, CH | |
| CX257 | 24092178 | Chip, 0.1µF, ±10%, B | CX701 | 24781271 | Chip, 270pF, SL | |
| 24092178 | Chip, 0.1//F, ±10%, B | 240921/8 | Chip, 0.1µF, ±10%, B | |||
| CX260 | 24092170 | Chip, 0.1/F, ±10%, B | CX712 | 24/01221 |
Chip, 220pF, SL
Chip, 220pE, SL |
|
| CX261 | 24092170 | EI 1//E 50V | CX713 | 24/01221 |
Chip, 22001, 32
Chip, 0.1//E +10% B |
|
| CX262 | 24206100 | EL. 10μF. 50V | CX731 | 24092178 | Chip, 0.1µF, ±10%, B | |
| CX263 | 24092178 | Chip, 0.1µF, ±10%, B | CX741 | 24781221 | Chip, 220pF, SL | |
| CX265 | 24206010 | EL, 1μF, 50V | CZ08 | 24203100 | EL, 10μF, ±20%, 16V | |
| CX266 | 24203100 | EL, 10μF, ±20%, 16V | CZ09 | 24436220 | CD, 22pF | |
| CX267 | 24815473 | Chip, 0.047µF, ±10% | CZ10 | 24473180 | CD, 18pF | |
| CX269 | 24206010 | EL, 1μF, 50V | CZ11 | 24473100 | CD, 10pF | |
| CX270 | 24203100 | EL, 10μF, ±20%, 16V | CZ12 | 24232103 | CD, 0.01µF, +80%, -20% | |
| CX271 | 24815473 | Chip, 0.047µF, ±10% | 24092398 | CD, 0.1µF, +80%, -20% | ||
| 24//44/0 | CZ14 | 2401/816 | EL, ΙUμr, ±20%, 50V | |||
| CX277 | 24//44/0 |
Chip, 4/pr, CH
Chip, 6pE, SI |
CZ15 | 24232103 |
CD, U.UIμF, +80%, -20%
EL 0.47.μΕ 50\/ |
|
| CX278 | 24/01000 |
Chip, OPF, SE
Chip, 33nF, SI |
CZ10 | 24200478 | CD 0.01μF +80% -20% | |
| CX279 | 24781330 | Chip, 33pF, SI | CZ19 | 24436181 | CD. 180pF | |
| CX280 | 24092178 | Chip, 0.1µF, ±10%, B | CZ20 | 24538103 | PF, 0.01μF | |
| · · | ||||||
| • |
|
Location
No. Part No. Description No. CZ21 24436390 CD, 39pF R304 CZ23 24092386 CD, 0.1µF, 480%, -20% R305 CZ24 24092386 CD, 0.1µF, 480%, -20% R306 CZ25 24203101 EL, 100µF, ±20%, 16V R308 CZ26 24232103 CD, 0.01µF, +80%, -20% R310 CZ29 242323103 CD, 0.01µF, +80%, -20% R311 CZ30 24617816 EL, 10µF, ±20%, 50V R311 CZ31 24436120 CD, 12pF R317 CZ32 24436100 CD, 12pF R317 CZ33 24092398 CD, 0.1µF, +80%, -20% R322 CZ37 24092398 CD, 0.1µF, ±0%, -20% R323 CZ48 24092398 CD, 0.1µF, ±0%, -20% R324 CZ48 24092398 CD, 0.1µF, ±0%, -20% R325 CZ48 24092398 CD, 0.1µF, ±0%, -20% R324 R243223 OMF, 22k ohm, 1W R325 R201 24386233 C |
_ | ||||
|---|---|---|---|---|---|
| No. No. CZ21 24433390 CD. 39pF CZ22 24617816 EL. 10 µF , ±80%, -20% R306 CZ23 24092398 CD. 0.1 µF , ±80%, -20% R307 CZ24 24092398 CD. 0.1 µF , ±80%, -20% R307 CZ25 24232103 CD. 0.01 µF , ±80%, -20% R309 CZ28 24232103 CD. 0.01 µF , ±80%, -20% R311 CZ30 24617816 EL. 10 µF , ±20%, 50V R312 CZ31 24438120 CD. 12 µF R313 CZ32 24437120 CD. 12 µF R313 CZ33 24438120 CD. 12 µF R321 CZ34 24092398 CD. 0.1 µF , ±80%, -20% R322 CZ37 24473120 CD. 12 µF R323 CZ38 24092398 CD. 0.1 µF , ±80%, -20% R322 CZ48 24092398 CD. 0.1 µF , ±80%, -20% R323 CZ48 24092398 CD. 0.1 µF , ±80%, -20% R324 CZ45 24436100 CD. 0.1 µF , ±80%, -20% R325 | Location | Part No | Description | Location | |
| CZ21 24436390 CD, 39pF R304 CZ22 24617816 EL, 10µF, ±20%, 50V R306 CZ23 24092398 CD, 0.1µF, ±80%, -20% R307 CZ26 24202101 EL, 100µF, ±20%, 16V R308 CZ28 24232103 CD, 0.01µF, ±80%, -20% R310 CZ29 24232103 CD, 0.01µF, ±80%, -20% R311 CZ30 24617816 EL, 10µF, ±20%, 50V R311 CZ31 24436120 CD, 12pF R313 CZ32 24436100 CD, 12pF R311 CZ34 24473120 CD, 12pF R322 CZ37 24092398 CD, 0.1µF, ±80%, -20% R324 CZ45 24203470 EL, 47µF, ±20%, 16V R325 R101 24386223 OMF, 22k ohm, 1W R326 R102 24366104 CF, 100k ohm R336 R102 24366104 CF, 100k ohm, 1/16W R370 R201 2487281 Chip, 100 ohm, 1/16W R370 R201 2487281 Chi | No. | Tarrivo. | Description | No. | |
| C221 24467816 EL, 10, F, ±20%, 50V R305 C223 24092398 CD, 0.1, Jr, ±80%, -20% R306 C224 24092398 CD, 0.1, Jr, ±80%, -20% R307 C225 24203101 EL, 100, Jr, ±80%, -20% R308 C226 24232103 CD, 0.01, Jr, ±80%, -20% R310 C230 24092398 CD, 0.1, Jr, ±80%, -20% R311 C231 24436120 CD, 12pF R313 C232 24436120 CD, 12pF R312 C233 24437102 CD, 12pF R321 C234 24473120 CD, 12pF R322 C235 24473120 CD, 12pF R322 C238 24092398 CD, 0.1µF, ±80%, -20% R324 C245 2436100 CD, 10pF, ±20%, 16V R325 R101 24382223 OMF, 22k ohm, 1W R330 R102 24366104 CF, 100 ohm R366 R201 24366104 CF, 100 ohm R360 R201 24366104 CH, 100 oh | 0721 | 24426200 | CD 20-F | ||
| C223 24092398 CD. 0.1µF, 480%, -20% R306 C224 24092398 CD. 0.1µF, 480%, -20% R307 C225 24232103 CD. 0.1µF, 480%, -20% R309 C226 24232103 CD. 0.01µF, 480%, -20% R311 C228 24232103 CD. 0.01µF, 480%, -20% R311 C230 24617816 EL. 100µF, ±20%, 50V R312 C331 24438120 CD. 12pF R313 C233 24438120 CD. 12pF R321 C234 24473120 CD. 12pF R321 C235 24473120 CD. 10pF, ±80%, -20% R323 C238 24092398 CD. 0.1µF, ±80%, -20% R323 C238 24092398 CD. 0.1µF, ±80%, -20% R324 C245 24438100 CD. 10pF, ±0.25pF R325 C248 24092398 CD, 10pF, ±0.25pF R326 R101 24386233 CF, 100k ohm R366 R101 24386333 CF, 33k ohm R344 R201 24872201 | CZ21 | 24430390 | R304 | ||
| C223 24092386 CD, 0, 1/µ, +80%, -20% F307 C225 24203101 EL, 100µ, ±20%, 16V F308 C226 24232103 CD, 0, 1/µ, +80%, -20% F310 C228 24232103 CD, 0, 1/µ, +80%, -20% F311 C230 24092386 CD, 0, 1/µ, +80%, -20% F311 C231 24436120 CD, 12pF F313 C232 24436120 CD, 12pF F313 C233 24437120 CD, 12pF F312 C235 24473120 CD, 14pF, +80%, -20% F322 C237 24092398 CD, 0, 1/µF, +40%, -20% F322 C248 2403470 EL, 47µF, ±20%, 16V F325 C248 2403470 EL, 47µF, ±20%, 16V F325 R101 24382223 OMF, 22k ohm, 1W F336 R102 24366104 CF, 100 ohm R366 R103 24366133 CF, 33k ohm R344 R201 24872101 Chip, 820 ohm, 1/16W R371 R202 2487220 | CZ22 | 2401/010 | EL, 10µF, ±20%, 50V | R305 | |
| C224 2409239 CD, 0.1µF, +80%, -20% R307 C226 24232103 CD, 0.01µF, +80%, -20% R308 C228 24232103 CD, 0.01µF, +80%, -20% R310 C228 24232103 CD, 0.01µF, +80%, -20% R311 C230 24617816 EL, 10µF, ±20%, 50V R311 C232 24436120 CD, 12pF R313 C233 24436120 CD, 12pF R317 C234 24473120 CD, 12pF R322 C237 24092398 CD, 0.1µF, +80%, -20% R323 C238 24092398 CD, 0.1µF, +80%, -20% R323 C248 24436100 CD, 12pF R323 C248 24092398 CD, 0.1µF, ±20%, 16V R325 R101 24386223 OMF, 22k ohm, 1W R330 R102 24386104 CF, 100k ohm R336 R201 24386223 OMF, 22k ohm, 1W R330 R201 24386101 CF, 100 ohm R336 R201 24386101 CF, 100 o | CZ23 | 24092398 | CD, 0.1µF, +80%, -20% | R306 | |
| C226 2422103 CD 100µr, ±20%, 16V R309 C228 24232103 CD 0.01µF, +80%, -20% R310 C229 24032398 CD 0.1µF, +80%, -20% R311 C230 24617816 EL 10µF, ±20%, 50V R311 C232 24436120 CD 12pF R311 C233 24436120 CD 12pF R311 C234 24473120 CD 12pF R321 C235 24473120 CD 12pF R322 C238 24092398 CD 0.1µF, +80%, -20% R322 C248 24203470 EL, 47µF, ±20%, 16V R325 R326 C248 24203470 EL, 47µF, ±20%, 16V R330 R336 R101 24386104 CF, 100 chm R336 R331 R201 24366104 CF, 100 chm R330 R201 24386104 CF, 100 chm, 1/16W R371 R202 24872101 Chip, 100 chm, 1/16W R371 | CZ24 | 24092398 | CD, 0.1μF, +80%, -20% | R307 | |
| C226 24232103 CD, 0.01/μ + , +80%, -20% R309 C229 24092398 CD, 0.1/μ + , +80%, -20% R311 C30 24617816 EL, 10/μ + , ±20%, 50V R312 C323 24436120 CD, 12p + R317 C333 24436120 CD, 12p + R317 C334 2443120 CD, 12p + R317 C335 24473120 CD, 12p + R321 C355 24473120 CD, 10p + , ±0%, -20% R323 C235 24436100 CD, 10p + , ±0%, -20% R323 C245 24436100 CD, 10p + , ±0%, 16V R325 R248 24092398 CD, 0.1p + , ±0%, 16V R325 R244 2436104 CF, 100k ohm R326 R24 2436223 OMF, 22k ohm, 1W R330 R101 24386233 CF, 33k ohm R344 R201 24872881 Chip, 680 ohm, 1/16W R371 R201 2487281 Chip, 100 ohm, 1/16W R371 R205 24872101 | 0700 | 24203101 | EL, 100μF, ±20%, 16V | R308 | |
| C228 24232103 CD. 0.01,F. +80%, -20% R310 C230 24617816 EL. 10,F. +80%, -20% R311 C232 24436120 CD. 12pF R313 C233 24436120 CD. 12pF R317 C234 24473120 CD. 12pF R321 C235 24473120 CD. 12pF R322 C237 24092398 CD. 0.1µF, +80%, -20% R323 C238 24092398 CD. 0.1µF, +80%, -20% R323 C248 24203470 EL, 47µF, ±20%, 16V R325 C248 24203470 EL, 47µF, ±20%, 16V R326 R101 24386101 CF, 100 chm, 116V R336 R102 24866104 CF, 100 chm, 116W R370 R201 24872821 Chip, 680 chm, 1/16W R371 R204 24872101 Chip, 100 chm, 1/16W R373 R206 24872101 Chip, 100 chm, 1/16W R371 R204 24872101 Chip, 100 chm, 1/16W R381 R205 24872101 | CZ26 | 24232103 | CD, 0.01µF, +80%, -20% | R309 | |
| C239 24082393 CD. 0.1μF, +80%, -20% R311 C230 24617816 EL, 10μF, ±20%, 50V R313 C232 24436120 CD, 12pF R313 C233 24436120 CD, 12pF R317 C234 24473120 CD, 12pF R322 C235 24473120 CD, 11μF, +80%, -20% R323 C238 24092398 CD, 0.1µF, ±20%, -20% R323 C245 24436100 CD, 10pF, ±0.25pF R325 C245 24436101 CF, 100k ohm R326 R101 24382223 OMF, 22k ohm, 1W R330 R102 24366101 CF, 100k ohm R336 R103 24366101 CF, 100 ohm R360 R201 2487281 Chip, 680 ohm, 1/16W R371 R204 24872101 Chip, 100 ohm, 1/16W R373 R204 24872101 Chip, 100 ohm, 1/16W R371 R204 24872101 Chip, 100 ohm, 1/16W R381 R205 24872101 Chip, 100 | CZ28 | 24232103 | CD, 0.01µF, +80%, -20% | R310 | |
| C230 24436120 CD, 12pF R313 C233 24436120 CD, 12pF R313 C233 24436120 CD, 12pF R317 C234 24473120 CD, 12pF R317 C235 24473120 CD, 12pF R321 C237 24092398 CD, 0.1µF, +80%, -20% R323 C238 24092398 CD, 0.1µF, ±20%, 16V R324 C245 24436100 CD, 10pF, ±0.25pF R325 CZ48 24203470 EL, 47µF, ±20%, 16V R330 R101 24386104 CF, 100 chm R336 R103 24366104 CF, 100 chm R360 R201 24386104 CF, 100 chm, 1/16W R371 R202 24872821 Chip, 100 chm, 1/16W R371 R204 24872101 Chip, 100 chm, 1/16W R371 R206 24872101 Chip, 100 chm, 1/16W R374 R206 24872101 Chip, 100 chm, 1/16W R381 R208 24366103 CF, 100 chm | CZ29 | 24092398 | CD, 0.1µF, +80%,-20% | R311 | |
| C232 24436120 CD, 12pF R313 C233 24436120 CD, 12pF R317 C234 24473120 CD, 12pF R321 C235 24473120 CD, 12pF R321 C235 24473120 CD, 1µF, +80%, -20% R322 C238 24092398 CD, 0.1µF, +80%, -20% R324 C245 24436100 CD, 10pF, ±0.25pF R325 C248 24203470 EL, 47µF, ±20%, 16V R328 R101 24386101 CF, 100k ohm R336 R102 24366101 CF, 100 ohm R344 R201 2487281 Chip, 680 ohm, 1/16W R371 R202 24872821 Chip, 100 ohm, 1/16W R373 R205 24872101 Chip, 100 ohm, 1/16W R374 R205 24872101 Chip, 100 ohm, 1/16W R381 R206 2487222 Chip, 200 ohm, 1/16W R381 R206 24872101 Chip, 100 ohm, 1/16W R381 R206 24872101 Chip, 100 ohm | 0700 | 2461/816 | EL, 10μF, ±20%, 50V | R312 | |
| C233 24436120 CD, 12pF R317 C234 24473120 CD, 12pF R321 C235 24473120 CD, 12pF R322 C237 24092398 CD, 0.1µF, +80%, -20% R323 C245 24436120 CD, 10pF, ±0.25pF R325 C248 24203470 EL, 47µF, ±20%, 16V R327 RESISTORS R330 R101 24386223 OMF, 22k ohm, 1W R336 R103 24366104 CF, 100k ohm R336 R201 24366104 CF, 100k ohm, 1/16W R370 R201 2487281 Chip, 680 ohm, 1/16W R372 R205 2487210 Chip, 100 ohm, 1/16W R372 R205 24872101 Chip, 100 ohm, 1/16W R372 R206 2487222 Chip, 200 ohm, 1/16W R380 R206 24872101 Chip, 100 ohm, 1/16W R381 R206 24872101 Chip, 100 ohm, 1/16W R381 R208 2486103 CF, 10k ohm | 0700 | 24436120 | CD, 12pF | R313 | |
| C234 244/3120 CD, 12pF R321 C235 24473120 CD, 12pF R322 C237 24092398 CD, 0.1µF, +80%, -20% R323 C245 24436100 CD, 10pF, +0.25pF R325 C248 24203470 EL, 47µF, ±20%, 16V R325 R101 24382223 OMF, 22k ohm, 1W R336 R102 24366104 CF, 100k ohm R344 R201 24366101 CF, 100 ohm R346 R201 2437281 Chip, 820 ohm, 1/16W R371 R202 24872821 Chip, 220 ohm, 1/16W R371 R204 24872104 Chip, 100 ohm, 1/16W R373 R205 24872101 Chip, 100 ohm, 1/16W R374 R206 24872101 Chip, 100 ohm, 1/16W R374 R207 24872101 Chip, 100 ohm, 1/16W R381 R208 24872101 Chip, 100 ohm, 1/16W R381 R209 2436103 CF, 50k ohm R381 R211 2436653 CF | CZ33 | 24436120 | CD, 12pF | R317 | |
| C235 244/3120 CD, 12pF R322 C237 24092398 CD, 0.1µF, +80%, -20% R324 C245 24436100 CD, 10pF, ±0.25pF R325 C248 24203470 EL, 47µF, ±20%, 16V R325 RESISTORS R326 R327 R101 24382223 OMF, 22k ohm, 1W R330 R102 24366104 CF, 100k ohm R336 R103 24366333 CF, 33k ohm R344 R201 24872681 Chip, 680 ohm, 1/16W R370 R202 24872821 Chip, 200 ohm, 1/16W R371 R204 24872210 Chip, 100 ohm, 1/16W R372 R205 24872101 Chip, 100 ohm, 1/16W R373 R206 24872210 Chip, 100 ohm, 1/16W R380 R208 24366103 CF, 10k ohm R381 R208 24366103 CF, 10k ohm R383 R209 24366103 CF, 56k ohm R383 R209 24366103 CF, 700 ohm R384 | 0705 | 244/3120 | CD, 12pF | R321 | |
| C237 24092398 CD, 0.1µF, +80%, -20% R323 C245 24436100 CD, 10pF, ±0.25pF R325 CZ48 24203470 EL, 47µF, ±20%, 16V R327 RESISTORS R324 R327 R328 R101 24382223 OMF, 22k ohm, 1W R336 R102 24366104 CF, 100k ohm R336 R103 24366333 CF, 33k ohm R344 R201 24366104 CF, 100 ohm R336 R202 24872821 Chip, 820 ohm, 1/16W R370 R202 2487281 Chip, 820 ohm, 1/16W R371 R204 24872101 Chip, 100 ohm, 1/16W R373 R206 24872101 Chip, 100 ohm, 1/16W R373 R208 24366103 CF, 10k ohm R381 R209 24872101 Chip, 100 ohm, 1/16W R381 R209 24366103 CF, 56k ohm R384 R211 2436653 CF, 56k ohm R384 R212 24366472 CF, 4700 ohm | CZ35 | 24473120 | CD, 12pF | R322 | |
| C238 24092398 CD, 0.1µF, ±00%, -20% R324 C245 24436100 CD, 10pF, ±0.25pF R325 CZ48 24203470 EL, 47µF, ±20%, 16V R325 RESISTORS R330 R101 24382223 OMF, 22k ohm, 1W R330 R102 24366104 CF, 100k ohm R336 R201 24872681 Chip, 680 ohm, 1/16W R370 R202 24872821 Chip, 680 ohm, 1/16W R371 R204 24872104 Chip, 100 ohm, 1/16W R372 R205 24872101 Chip, 100 ohm, 1/16W R372 R206 24872101 Chip, 100 ohm, 1/16W R380 R208 24866103 CF, 10k ohm R382 R208 24366103 CF, 10k ohm R381 R211 24366513 CF, 56k ohm R387 R214 24366513 CF, 56k ohm R387 R213 2436613 CF, 700 ohm R388 R214 24366513 CF, 51k ohm | CZ3/ | 24092398 | CD, 0.1µF, +80%,–20% | R323 | |
| C245 24436100 CD, 10pF, ±0.25pF R325 C248 24203470 EL, 47µF, ±20%, 16V R325 RESISTORS R328 R101 24382223 OMF, 22k ohm, 1W R330 R102 24366104 CF, 100k ohm R336 R330 R103 24366104 CF, 100 ohm R360 R201 24366121 Chip, 680 ohm, 1/16W R371 R202 24872821 Chip, 820 ohm, 1/16W R371 R204 24872101 Chip, 100 ohm, 1/16W R373 R205 24872101 Chip, 100 ohm, 1/16W R373 R206 24872101 Chip, 100 ohm, 1/16W R381 R208 24366103 CF, 10k ohm R382 R209 24366103 CF, 10k ohm R384 R211 24366463 CF, 56k ohm R388 R212 24366472 CF, 4700 ohm R384 R211 24366472 CF, 4700 ohm R388 R213 24366472 CF, 510k ohm R3897 | CZ38 | 24092398 | CD, 0.1µF, +80%,–20% | R324 | |
| C248 24203470 EL, 47μF, ±20%, 16V R325 RESISTORS R327 R101 24382223 OMF, 22k ohm, 1W R328 R102 24366101 CF, 100 ohm R336 R103 24366033 CF, 33k ohm R344 R201 24872681 Chip, 680 ohm, 1/16W R370 R202 2487222 Chip, 820 ohm, 1/16W R371 R204 24872101 Chip, 820 ohm, 1/16W R373 R205 24872101 Chip, 100 ohm, 1/16W R374 R207 24872101 Chip, 100 ohm, 1/16W R374 R208 2436103 CF, 10k ohm R381 R209 24872101 Chip, 100 ohm, 1/16W R383 R209 2436613 CF, 68 ohm R387 R211 24366472 CF, 4700 ohm R388 R213 2436613 CF, 51k ohm R389 R214 24366472 CF, 4700 ohm R389 R215 24872102 Chip, 1k ohm, 1/16W R399 | CZ45 | 24436100 | CD, 10pF, ±0.25pF | R325 | |
| RESISTORS R327 R101 24382223 OMF, 22k ohm, 1W R330 R102 24366104 CF, 100k ohm R336 R103 24366333 CF, 33k ohm R344 R201 24372681 Chip, 680 ohm, 1/16W R370 R202 24872821 Chip, 680 ohm, 1/16W R371 R204 24872104 Chip, 100 ohm, 1/16W R373 R206 24872101 Chip, 100 ohm, 1/16W R373 R206 24872101 Chip, 100 ohm, 1/16W R381 R208 24872101 Chip, 100 ohm, 1/16W R381 R208 24872101 Chip, 100 ohm, 1/16W R383 R209 24366103 CF, 10k ohm R384 R211 24366633 CF, 56k ohm R387 R212 24366472 CF, 4700 ohm R388 R211 24366472 CF, 4700 ohm R389 R214 2436632 CF, 3300 ohm R401 R213 2436613 CF, 51k ohm R402 < | CZ48 | 24203470 | EL, 47μF, ±20%, 16V | R325 | |
| RESISTORS R328 R101 24382223 OMF, 22k ohm, 1W R330 R102 24366104 CF, 100k ohm R336 R103 24366333 CF, 33k ohm R344 R201 24366401 CF, 100 ohm R360 R201 24872821 Chip, 820 ohm, 1/16W R371 R204 24872104 Chip, 100 ohm, 1/16W R373 R205 24872101 Chip, 100 ohm, 1/16W R374 R206 24872101 Chip, 100 ohm, 1/16W R374 R207 24872101 Chip, 100 ohm, 1/16W R381 R208 24872101 Chip, 100 ohm, 1/16W R381 R209 24872101 Chip, 100 ohm, 1/16W R383 R209 24366103 CF, 10k ohm R384 R211 24366472 CF, 4700 ohm R388 R213 24366102 CF, 300 ohm R397 R214 24366222 CF, 200 ohm R397 R215 24872102 Chip, 1k ohm, 1/16W R398 | R327 | ||||
| R101 2438223 OMF, 22k ohm, 1W R336 R102 24366104 CF, 100k ohm R336 R103 24366333 CF, 33k ohm R344 R201 24366101 CF, 100 ohm R360 R201 2487281 Chip, 680 ohm, 1/16W R370 R202 24872821 Chip, 820 ohm, 1/16W R371 R204 24872104 Chip, 100 ohm, 1/16W R372 R205 24872101 Chip, 100 ohm, 1/16W R374 R206 24872101 Chip, 100 ohm, 1/16W R380 R208 24366103 CF, 10k ohm R381 R209 24366103 CF, 10k ohm R383 R209 24366103 CF, 4700 ohm R383 R211 24366472 CF, 4700 ohm R388 R213 24366472 CF, 4700 ohm R398 R214 24366533 CF, 51k ohm R401 R213 24366513 CF, 51k ohm R402 R214 24366513 CF, 51k ohm R402 | RESISTORS | R328 | |||
| R102 24366104 CF, 100k ohm R336 R103 24366333 CF, 33k ohm R344 R201 24366333 CF, 33k ohm R344 R201 24872681 Chip, 680 ohm, 1/16W R370 R202 24872821 Chip, 820 ohm, 1/16W R371 R204 24872104 Chip, 100 ohm, 1/16W R372 R205 24872101 Chip, 100 ohm, 1/16W R373 R206 24872101 Chip, 100 ohm, 1/16W R3880 R208 24872101 Chip, 100 ohm, 1/16W R381 R208 24366103 CF, 10k ohm R382 R209 24872101 Chip, 100 ohm, 1/16W R383 R209 24366103 CF, 10k ohm R384 R211 24366472 CF, 4700 ohm R388 R213 24366472 CF, 4700 ohm R389 R214 24366532 CF, 51k ohm, 1/16W R401 R215 24872102 Chip, 1k ohm, 1/16W R403 R214 24366532 CF, 51k ohm R401 R215 24872102 Chip, 1k ohm, 1/16W | R101 | 24382223 | OMF, 22k ohm, 1W | R330 | |
| R103 24366333 CF, 33k ohm R344 R201 24366101 CF, 100 ohm R360 R201 2437281 Chip, 680 ohm, 1/16W R370 R202 24872821 Chip, 100 ohm, 1/16W R371 R204 24872104 Chip, 100 ohm, 1/16W R373 R205 24872101 Chip, 100 ohm, 1/16W R373 R206 24872202 Chip, 100 ohm, 1/16W R374 R207 24872101 Chip, 100 ohm, 1/16W R380 R208 24366103 CF, 10k ohm R382 R209 24366103 CF, 10k ohm R384 R211 24366472 CF, 4700 ohm R388 R213 24366472 CF, 4700 ohm R389 R214 2436632 CF, 5300 ohm R397 R215 24872102 Chip, 1k ohm, 1/16W R398 R214 24366212 CF, 10k ohm R401 R215 24872102 Chip, 1k ohm, 1/16W R399 R214 2436632 CF, 51k ohm R401 R215 24872102 Chip, 1k ohm, 1/16W | R102 | 24366104 | CF, 100k ohm | R336 | |
| R201 24366101 CF, 100 ohm, 1/16W R360 R201 24872821 Chip, 680 ohm, 1/16W R371 R202 24872821 Chip, 100 ohm, 1/16W R371 R205 24872101 Chip, 100 ohm, 1/16W R373 R206 24872101 Chip, 100 ohm, 1/16W R373 R206 24872101 Chip, 100 ohm, 1/16W R374 R207 24872101 Chip, 100 ohm, 1/16W R380 R208 24872101 Chip, 100 ohm, 1/16W R381 R208 24366103 CF, 10k ohm R383 R209 24366103 CF, 10k ohm R384 R211 24366472 CF, 4700 ohm R388 R212 24366472 CF, 4700 ohm R388 R214 24366222 CF, 2200 ohm R397 R215 24872102 Chip, 1k ohm, 1/16W R399 R214 24366332 CF, 51k ohm R401 R218 2436632 CF, 51k ohm, 1/16W R402 R220 24872102 Chip, 1k ohm, 1/16W R402 R221 24872102 Chip, | R103 | 24366333 | CF, 33k ohm | R344 | |
| R201 24872681 Chip, 680 ohm, 1/16W R370 R202 24872821 Chip, 820 ohm, 1/16W R371 R204 24872104 Chip, 100k ohm, 1/16W R372 R205 24872101 Chip, 100 ohm, 1/16W R373 R206 24872101 Chip, 100 ohm, 1/16W R374 R207 24872101 Chip, 100 ohm, 1/16W R380 R208 24366103 CF, 10k ohm R382 R209 24366103 CF, 10k ohm R383 R209 24366103 CF, 10k ohm R384 R211 24366472 CF, 4700 ohm R388 R213 24366472 CF, 4700 ohm R388 R213 24366472 CF, 4700 ohm R389 R214 24366533 CF, 51k ohm R389 R215 24872102 Chip, 1k ohm, 1/16W R399 R217 24366332 CF, 51k ohm R402 R220 24872102 Chip, 1k ohm, 1/16W R403 R221 24872102 Chip, 1k ohm, 1/16W R403 R221 24872102 Chip, 1k ohm, 1/16W | R201 | 24366101 | CF, 100 ohm | R360 | |
| R202 24872821 Chip, 820 ohm, 1/16W R371 R204 24872104 Chip, 100 ohm, 1/16W R372 R205 24872101 Chip, 100 ohm, 1/16W R373 R206 24872222 Chip, 100 ohm, 1/16W R374 R207 24872101 Chip, 100 ohm, 1/16W R380 R208 24366103 CF, 10k ohm R382 R209 24366103 CF, 10k ohm R383 R209 24366103 CF, 10k ohm R383 R211 24366472 CF, 4700 ohm R388 R212 24366472 CF, 4700 ohm R388 R213 24366472 CF, 4700 ohm R399 R214 24366222 CF, 2200 ohm R399 R215 24872102 Chip, 10k ohm, 1/16W R402 R220 24872102 Chip, 1k ohm, 1/16W R403 R221 24872102 Chip, 1k ohm, 1/16W R403 R221 24872102 Chip, 1k ohm, 1/16W R405 R222 24872102 Chip, 1k ohm, 1/16W R405 R223 24866211 CF, 270 ohm | R201 | 24872681 | Chip, 680 ohm, 1/16W | R370 | |
| R204 24872104 Chip, 100 ohm, 1/16W R372 R205 24872101 Chip, 100 ohm, 1/16W R373 R206 24872222 Chip, 2200 ohm, 1/16W R374 R207 24872101 Chip, 100 ohm, 1/16W R380 R208 24872101 Chip, 100 ohm, 1/16W R381 R208 24872101 Chip, 100 ohm, 1/16W R382 R209 24872101 Chip, 100 ohm, 1/16W R383 R209 24872101 Chip, 100 ohm, 1/16W R383 R209 24872102 Chip, 100 ohm, 1/16W R384 R211 24366472 CF, 4700 ohm R388 R212 24366472 CF, 4700 ohm R388 R213 24366472 CF, 2200 ohm R397 R215 24872102 Chip, 1k ohm, 1/16W R403 R216 24872102 Chip, 1k ohm, 1/16W R403 R221 2486513 CF, 51k ohm R401 R223 2486210 CF, 10k ohm, 1/16W R405 R223 24872102 Chip, 1k ohm, 1/16W R405 R223 2486213 | R202 | 24872821 | Chip, 820 ohm, 1/16W | R371 | |
| R205 24872101 Chip, 100 ohm, 1/16W R373 R206 24872222 Chip, 2200 ohm, 1/16W R374 R207 24872101 Chip, 100 ohm, 1/16W R380 R208 24872101 Chip, 100 ohm, 1/16W R381 R208 24366103 CF, 10k ohm R382 R209 24872101 Chip, 100 ohm, 1/16W R383 R209 24366103 CF, 10k ohm R383 R211 24366472 CF, 4700 ohm R388 R212 24366472 CF, 4700 ohm R388 R213 24372102 Chip, 1k ohm, 1/16W R399 R214 24366222 CF, 2200 ohm R399 R215 24872102 Chip, 1k ohm, 1/16W R398 R216 24872102 Chip, 1k ohm, 1/16W R402 R220 24872102 Chip, 1k ohm, 1/16W R402 R221 24866513 CF, 51k ohm R401 R218 24366513 CF, 51k ohm R401 R218 24872102 Chip, 1k ohm, 1/16W R407 R222 24872102 Chip, 1k ohm | R204 | 24872104 | Chip, 100k ohm, 1/16W | R372 | |
| R206 24872222 Chip, 2200 ohm, 1/16W R374 R207 24872101 Chip, 100 ohm, 1/16W R380 R208 24366103 CF, 10k ohm R382 R209 24366103 CF, 10k ohm R382 R209 24366103 CF, 10k ohm R383 R209 24366103 CF, 10k ohm R384 R211 243666472 CF, 4700 ohm R388 R212 24366472 CF, 4700 ohm R389 R214 24366472 CF, 4700 ohm R397 R215 24872102 Chip, 1k ohm, 1/16W R398 R216 24872102 Chip, 1k ohm, 1/16W R403 R220 24872102 Chip, 1k ohm, 1/16W R403 R221 2486513 CF, 51k ohm R401 R223 24866102 CF, 1k ohm, 1/16W R405 R223 24866102 CF, 1k ohm, 1/16W R411 R224 24366102 CF, 10 ohm R415 R227 24366271 CF, 270 ohm R | R205 | 24872101 | Chip, 100 ohm, 1/16W | R373 | |
| R207 24872101 Chip, 100 ohm, 1/16W R380 R208 24872101 Chip, 100 ohm, 1/16W R381 R208 24366103 CF, 10k ohm R382 R209 24366103 CF, 10k ohm R382 R209 24366103 CF, 10k ohm R383 R209 24366103 CF, 56k ohm R387 R211 24366522 CF, 4700 ohm R389 R213 24366472 CF, 4700 ohm R389 R214 24366222 CF, 2200 ohm R397 R215 24872102 Chip, 10k ohm, 1/16W R398 R216 24872102 Chip, 10k ohm, 1/16W R401 R217 24366513 CF, 51k ohm R401 R218 24366513 CF, 51k ohm, 1/16W R403 R221 24872102 Chip, 1k ohm, 1/16W R403 R221 24872102 Chip, 1k ohm, 1/16W R403 R221 24872102 Chip, 1k ohm, 1/16W R405 R223 24366102 CF, 1k ohm R411 R224 R2366271 CF, 270 ohm R415< | R206 | 24872222 | Chip, 2200 ohm, 1/16W | R374 | |
| R208 24872101 Chip, 100 ohm, 1/16W R381 R208 24366103 CF, 10k ohm R382 R209 24366103 CF, 10k ohm R383 R209 24366103 CF, 10k ohm R383 R211 24366563 CF, 56k ohm R387 R212 24366472 CF, 4700 ohm R388 R213 24366472 CF, 4700 ohm R389 R214 24366222 CF, 2200 ohm R397 R215 24872102 Chip, 10k ohm, 1/16W R398 R216 24872102 Chip, 10k ohm, 1/16W R398 R217 24366513 CF, 51k ohm R401 R218 24366513 CF, 51k ohm, 1/16W R403 R221 24872102 Chip, 1k ohm, 1/16W R405 R222 24872102 Chip, 1k ohm, 1/16W R407 R223 24366102 CF, 120 ohm R411 R224 24366271 CF, 270 ohm R417 R231 24366100 CF, 100 ohm, 1/16W R417 R232 24366101 CF, 100 ohm R422 | R207 | 24872101 | Chip, 100 ohm, 1/16W | R380 | |
| R208 24366103 CF, 10k ohm R382 R209 24872101 Chip, 100 ohm, 1/16W R383 R209 24366103 CF, 10k ohm R384 R211 24366563 CF, 56k ohm R387 R212 24366472 CF, 4700 ohm R388 R213 24366472 CF, 4700 ohm R389 R214 24366222 CF, 2200 ohm R397 R215 24872102 Chip, 1k ohm, 1/16W R398 R216 24872103 CHip, 1k ohm, 1/16W R399 R217 24366322 CF, 3300 ohm R401 R218 24366513 CF, 51k ohm R402 R220 24872102 Chip, 1k ohm, 1/16W R403 R221 24872102 Chip, 1k ohm, 1/16W R405 R222 24872102 CHip, 1k ohm, 1/16W R407 R223 24366100 CF, 10 ohm R411 R224 24366102 CF, 10 ohm R411 R224 24366103 CF, 10 ohm R422 R231 24366103 CF, 10 ohm R422 < | R208 | 24872101 | Chip, 100 ohm, 1/16W | R381 | |
| R209 24872101 Chip, 100 ohm, 1/16W R383 R209 24366103 CF, 10k ohm R384 R211 24366563 CF, 56k ohm R387 R212 24366472 CF, 4700 ohm R388 R213 24366472 CF, 4700 ohm R389 R214 24366222 CF, 2200 ohm R397 R215 24872102 Chip, 1k ohm, 1/16W R398 R216 24872103 Chip, 1k ohm, 1/16W R399 R217 24366513 CF, 51k ohm R401 R218 24366103 CF, 51k ohm R402 R220 24872102 Chip, 1k ohm, 1/16W R403 R221 24872102 Chip, 1k ohm, 1/16W R403 R221 24872102 Chip, 1k ohm, 1/16W R416 R223 2436102 CF, 100 ohm R415 R224 24366271 CF, 270 ohm R416 R229 24872472 Chip, 4700 ohm, 1/16W R422 R231 24366100 CF, 100 ohm R422 R232 24366101 CF, 100 ohm R426 | R208 | 24366103 | CF, 10k ohm | R382 | |
| R209 24366103 CF, 10k ohm R384 R211 24366563 CF, 56k ohm R387 R212 24366472 CF, 4700 ohm R388 R213 24366472 CF, 4700 ohm R389 R214 24366222 CF, 2200 ohm R397 R215 24872102 Chip, 1k ohm, 1/16W R398 R216 24872103 CF, 51k ohm R401 R218 24366513 CF, 51k ohm R402 R220 24872102 Chip, 1k ohm, 1/16W R403 R221 24872102 Chip, 1k ohm, 1/16W R403 R222 24872102 Chip, 1k ohm, 1/16W R407 R223 24872102 Chip, 1k ohm, 1/16W R407 R223 24872102 Chip, 1k ohm, 1/16W R411 R224 24366102 CF, 10 ohm R415 R227 24367223 CF, 22k ohm, ±2% R416 R229 24872472 Chip, 4700 ohm, 1/16W R422 R233 24366100 CF, 100 ohm R424 R233 24366101 CF, 100 ohm R424 | R209 | 24872101 | Chip, 100 ohm, 1/16W | R383 | |
| R211 24366563 CF, 56k ohm R387 R212 24366472 CF, 4700 ohm R388 R213 24366472 CF, 4700 ohm R389 R214 24366222 CF, 2200 ohm R397 R215 24872102 Chip, 1k ohm, 1/16W R398 R216 24872103 Chip, 1k ohm, 1/16W R399 R217 24366332 CF, 3300 ohm R401 R218 24366513 CF, 51k ohm R402 R220 24872102 Chip, 1k ohm, 1/16W R403 R221 24872102 Chip, 1k ohm, 1/16W R405 R223 24872102 Chip, 1k ohm, 1/16W R405 R223 24872102 Chip, 1k ohm, 1/16W R407 R223 24366102 CF, 270 ohm R411 R224 24366102 CF, 10 ohm R417 R231 24366100 CF, 100 ohm R422 R232 24366100 CF, 100 ohm R425 R233 24366101 CF, 100 ohm R424 R233 24366101 CF, 100 ohm R426 | R209 | 24366103 | CF. 10k ohm | R384 | |
| R212 24366472 CF, 4700 ohm R388 R213 24366472 CF, 4700 ohm R389 R214 24366222 CF, 2200 ohm R397 R215 24872102 Chip, 1k ohm, 1/16W R398 R216 24872103 Chip, 10k ohm, 1/16W R399 R217 24366332 CF, 3300 ohm R401 R220 24872102 Chip, 1k ohm, 1/16W R402 R221 24872102 Chip, 1k ohm, 1/16W R403 R221 24872102 Chip, 1k ohm, 1/16W R403 R223 24872102 Chip, 1k ohm, 1/16W R405 R223 24872102 Chip, 1k ohm, 1/16W R407 R223 24366102 CF, 1k ohm R411 R224 24366271 CF, 270 ohm R415 R227 24367223 CF, 22k ohm, ±2% R416 R232 24366100 CF, 100 ohm R422 R232 24366101 CF, 100 ohm R424 R233 24366101 CF, 100 ohm R426 R234 243665611 CF, 560 ohm R428 | R211 | 24366563 | CF, 56k ohm | R387 | |
| R213 24366472 CF, 4700 ohm R389 R214 24366222 CF, 2200 ohm R397 R215 24872102 Chip, 1k ohm, 1/16W R398 R216 24872103 Chip, 1k ohm, 1/16W R399 R217 24366332 CF, 3300 ohm R401 R218 24366513 CF, 51k ohm R402 R220 24872102 Chip, 1k ohm, 1/16W R403 R221 24872102 Chip, 1k ohm, 1/16W R403 R221 24872102 Chip, 1k ohm, 1/16W R405 R223 24872102 Chip, 1k ohm, 1/16W R407 R223 24366102 CF, 1k ohm R411 R224 24366271 CF, 270 ohm R416 R227 24367223 CF, 22k ohm, 1/16W R417 R231 24366100 CF, 10 ohm R422 R232 24366101 CF, 100 ohm R422 R233 24366101 CF, 270 ohm R426 R232 24366101 CF, 100 ohm R424 R233 24366101 CF, 100 ohm R426 | R212 | 24366472 | CF, 4700 ohm | R388 | |
| R214 24366222 CF, 2200 ohm R397 R215 24872102 Chip, 1k ohm, 1/16W R398 R216 24872103 Chip, 10k ohm, 1/16W R399 R217 24366332 CF, 3300 ohm R401 R218 24366513 CF, 51k ohm R402 R220 24872102 Chip, 1k ohm, 1/16W R403 R221 24872102 Chip, 1k ohm, 1/16W R403 R222 24872102 Chip, 1k ohm, 1/16W R405 R223 24872102 Chip, 1k ohm, 1/16W R405 R223 24872102 Chip, 1k ohm, 1/16W R405 R223 24866102 CF, 1k ohm R411 R224 24366271 CF, 270 ohm R415 R227 24367223 CF, 22k ohm, ±2% R416 R223 24366100 CF, 10 ohm R422 R231 24366103 CF, 10 ohm R422 R232 24366104 CF, 100 ohm, 1/16W R424 R233 24366104 CF, 100 ohm R425 R235 24872472 Chip, 4700 ohm, 1/16W | R213 | 24366472 | CF, 4700 ohm | R389 | |
| R215 24872102 Chip, 1k ohm, 1/16W R398 R216 24872103 Chip, 10k ohm, 1/16W R399 R217 24366332 CF, 3300 ohm R401 R218 24366513 CF, 51k ohm R402 R220 24872102 Chip, 1k ohm, 1/16W R403 R221 24872102 Chip, 1k ohm, 1/16W R405 R223 24872102 Chip, 1k ohm, 1/16W R407 R223 24872102 Chip, 1k ohm, 1/16W R407 R223 2486102 CF, 1k ohm R411 R224 24366271 CF, 270 ohm R415 R227 24367223 CF, 22k ohm, ±2% R416 R231 24366100 CF, 10 ohm R422 R231 24366103 CF, 100 ohm R422 R232 24366103 CF, 100 ohm R424 R233 24366104 CF, 100k ohm R424 R233 24366101 CF, 100 ohm R426 R234 24366271 CF, 560 ohm R426 R235 24872472 Chip, 14 ohm, 1/16W R427 | R214 | 24366222 | CF, 2200 ohm | R397 | |
| R216 24872103 Chip, 10k ohm, 1/16W R399 R217 24366332 CF, 3300 ohm R401 R218 24366513 CF, 51k ohm R402 R220 24872102 Chip, 1k ohm, 1/16W R403 R221 24872102 Chip, 1k ohm, 1/16W R403 R223 24872102 Chip, 1k ohm, 1/16W R407 R223 24366102 CF, 1k ohm R411 R224 24366271 CF, 270 ohm R415 R227 24367223 CF, 22k ohm, ±2% R416 R229 24872472 Chip, 4700 ohm, 1/16W R417 R231 24366100 CF, 10k ohm R422 R232 24366103 CF, 10k ohm R422 R232 24366104 CF, 100k ohm R422 R233 24366104 CF, 100 ohm R424 R235 24872472 Chip, 4700 ohm, 1/16W R426 R235 24866101 CF, 100 ohm R428 R236 24872102 Chip, 1k ohm, 1/16W R429 R236 24872102 Chip, 1k ohm, 1/16W | R215 | 24872102 | Chip. 1k ohm. 1/16W | R398 | |
R217
24366332
CF, 3300 ohm
R401
R218
24366513
CF, 51k ohm
R402
R220
24872102
Chip, 1k ohm, 1/16W
R403
R221
24872102
Chip, 1k ohm, 1/16W
R403
R223
24872102
Chip, 1k ohm, 1/16W
R407
R223
2486102
CF, 1k ohm
R411
R224
24366271
CF, 270 ohm
R416
R227
24367223
CF, 22k ohm, ±2%
R416
R229
24872472
Chip, 4700 ohm, 1/16W
R417
R231
24366100
CF, 10 ohm
R422
R232
24366103
CF, 10k ohm
R422
R233
24366104
CF, 100 ohm
R424
R233
24366101
CF, 100 ohm
R426
R234
24366271
CF, 270 ohm
R426
R235
24872472
Chip, 4700 ohm, 1/16W
R427
R235
24366101
CF, 100 ohm
R426
R235
243666101
CF, 560 ohm
R435
R236
24366561
CF, 560 ohm
R435
|
R216
|
24872103
|
Chip, 10k ohm 1/16W
|
R399
|
|
|
| R218 24366513 CF, 51k ohm R402 R220 24872102 Chip, 1k ohm, 1/16W R403 R221 24872102 Chip, 1k ohm, 1/16W R405 R223 24872102 Chip, 1k ohm, 1/16W R407 R223 24872102 Chip, 1k ohm, 1/16W R407 R223 24366102 CF, 1k ohm R411 R224 24366271 CF, 270 ohm R415 R227 24367223 CF, 22k ohm, ±2% R416 R229 24872472 Chip, 4700 ohm, 1/16W R417 R231 24366100 CF, 10 ohm R422 R232 24366103 CF, 10 ohm R422 R233 24366104 CF, 100 ohm, 1/16W R424 R233 24366101 CF, 270 ohm R426 R234 24366271 CF, 270 ohm R426 R235 24872102 Chip, 4700 ohm, 1/16W R427 R236 24872102 Chip, 1k ohm, 1/16W R428 R235 24366561 CF, 560 ohm R435 R237 24366473 CF, 47k ohm R436< | R217 | 24366332 | CE 3300 ohm | R401 | |
| R220 24872102 Chip, 1k ohm, 1/16W R403 R221 24872102 Chip, 1k ohm, 1/16W R405 R223 24872102 Chip, 1k ohm, 1/16W R407 R223 2486102 CF, 1k ohm R411 R224 24366271 CF, 270 ohm R415 R227 24367223 CF, 22k ohm, ±2% R416 R229 24872472 Chip, 4700 ohm, 1/16W R417 R231 24366100 CF, 10 ohm R422 R232 24366103 CF, 10 ohm R422 R233 24366104 CF, 10 ohm R424 R233 24366104 CF, 100 ohm, 1/16W R425 R234 24366271 CF, 270 ohm R426 R233 24366104 CF, 100 ohm R426 R235 24872472 Chip, 4700 ohm, 1/16W R427 R235 24872102 Chip, 1k ohm, 1/16W R428 R236 24872102 Chip, 10k ohm, 1/16W R428 R236 24872103 Chip, 10k ohm, 1/16W R436 R273 24366473 CF, 47k ohm < | R218 | 24366513 | CF. 51k ohm | R402 | |
| R221 24872102 Chip, 1k ohm, 1/16W R405 R223 24872102 Chip, 1k ohm, 1/16W R407 R223 24366102 CF, 1k ohm R411 R224 24366271 CF, 270 ohm R415 R227 24367223 CF, 22k ohm, ±2% R416 R229 24872472 Chip, 4700 ohm, 1/16W R417 R231 24366100 CF, 10 ohm R422 R232 24366103 CF, 10 ohm R422 R233 24366104 CF, 10 ohm R425 R234 24366271 CF, 270 ohm R426 R233 24366104 CF, 100 ohm, 1/16W R427 R234 24366271 CF, 270 ohm R426 R235 24872472 Chip, 4700 ohm, 1/16W R428 R235 24866101 CF, 100 ohm R428 R235 24366561 CF, 560 ohm R435 R237 24366473 CF, 47k ohm R436 R273 24366473 CF, 100 ohm R437 R274 243666102 CF, 10k ohm R438 R | R220 | 24872102 | Chip. 1k ohm. 1/16W | R403 | |
| R223 24872102 Chip, 1k ohm, 1/16W R407 R223 24366102 CF, 1k ohm R411 R224 24366271 CF, 270 ohm R415 R227 24367223 CF, 22k ohm, ±2% R416 R229 24872472 Chip, 4700 ohm, 1/16W R417 R231 24366100 CF, 10 ohm R422 R232 24366103 CF, 10k ohm R422 R233 24366104 CF, 100k ohm R425 R234 24366271 CF, 270 ohm R426 R233 24366104 CF, 100k ohm R425 R234 24366271 CF, 270 ohm R426 R235 24872472 Chip, 4700 ohm, 1/16W R427 R235 24366101 CF, 100 ohm R428 R236 24872102 Chip, 1k ohm, 1/16W R429 R236 24872103 Chip, 10k ohm, 1/16W R436 R273 24366102 CF, 47k ohm R437 R274 24366102 CF, 100 ohm R438 R275 24366103 CF, 100 ohm R441 | R221 | 24872102 | Chip, 1k ohm, 1/16W | R405 | |
| R223 24366102 CF, 1k ohm R411 R224 24366271 CF, 270 ohm R415 R227 24367223 CF, 22k ohm, ±2% R416 R229 24872472 Chip, 4700 ohm, 1/16W R417 R231 24366100 CF, 10 ohm R422 R232 24366103 CF, 10 k ohm R425 R232 24366104 CF, 100k ohm R425 R233 24366104 CF, 270 ohm R426 R233 24366104 CF, 100k ohm R427 R234 24366271 CF, 270 ohm R426 R235 24872472 Chip, 4700 ohm, 1/16W R427 R235 24366101 CF, 100 ohm R428 R236 24872102 Chip, 1k ohm, 1/16W R429 R236 24366561 CF, 560 ohm R435 R237 24366473 CF, 47k ohm R437 R273 24366102 CF, 1k ohm R438 R275 24366102 CF, 100 ohm R441 R276 24366683 CF, 68k ohm R443 R2 | R223 | 24872102 | Chip, 1k ohm, 1/16W | R407 | |
| R224 24366271 CF, 270 ohm R415 R227 24367223 CF, 22k ohm, ±2% R416 R229 24872472 Chip, 4700 ohm, 1/16W R417 R231 24366100 CF, 10 ohm R422 R232 24366103 CF, 10 ohm R422 R232 24366104 CF, 10k ohm R425 R233 24366104 CF, 100k ohm R426 R233 24366104 CF, 270 ohm R426 R235 24872472 Chip, 4700 ohm, 1/16W R427 R235 24872102 Chip, 1k ohm, 1/16W R428 R236 24872102 Chip, 1k ohm, 1/16W R428 R236 24366561 CF, 560 ohm R435 R237 24872103 Chip, 10k ohm, 1/16W R436 R273 243666101 CF, 17k ohm R437 R274 24366102 CF, 1k ohm R438 R275 24366103 CF, 100 ohm R441 R276 24366603 CF, 68k ohm R443 R277 24366103 CF, 10k ohm R451 < | R223 | 24366102 | CF. 1k ohm | R411 | |
| R227 24367223 CF, 22k ohm, ±2% R416 R229 24872472 Chip, 4700 ohm, 1/16W R417 R231 24366100 CF, 10 ohm R422 R232 24366103 CF, 10k ohm R424 R233 24366104 CF, 100k ohm R425 R234 24366271 CF, 270 ohm R426 R235 24872472 Chip, 4700 ohm, 1/16W R427 R235 24872472 Chip, 4700 ohm, 1/16W R428 R235 24366101 CF, 100 ohm R428 R236 24872102 Chip, 1k ohm, 1/16W R429 R236 24366561 CF, 560 ohm R435 R237 24366473 CF, 47k ohm R436 R273 24366473 CF, 47k ohm R437 R274 24366102 CF, 100 ohm R438 R275 24366103 CF, 68k ohm R441 R276 24366683 CF, 68k ohm R443 R277 24366103 CF, 10k ohm R451 R299 24366103 CF, 10k ohm R460 | R224 | 24366271 | CF, 270 ohm | R415 | |
| R229 24872472 Chip, 4700 ohm, 1/16W R417 R231 24366100 CF, 10 ohm R422 R232 24366103 CF, 10k ohm R424 R233 24366104 CF, 100k ohm R425 R234 24366271 CF, 270 ohm R426 R235 24872472 Chip, 4700 ohm, 1/16W R427 R235 24872472 Chip, 4700 ohm, 1/16W R428 R235 24366101 CF, 100 ohm R428 R236 24872102 Chip, 1k ohm, 1/16W R429 R236 24366561 CF, 560 ohm R435 R237 24872103 Chip, 10k ohm, 1/16W R436 R273 24366473 CF, 47k ohm R437 R274 24366102 CF, 1k ohm R438 R275 24366101 CF, 100 ohm R441 R276 24366683 CF, 68k ohm R443 R277 24366103 CF, 10k ohm R451 R299 24366103 CF, 10k ohm R460 R303 24321109 MF, 1 ohm, 1/2W R461 | R227 | 24367223 | CF, 22k ohm, ±2% | R416 | |
| R231 24366100 CF, 10 ohm R422 R232 24366103 CF, 10k ohm R424 R233 24366104 CF, 100k ohm R425 R234 24366271 CF, 270 ohm R426 R235 24872472 Chip, 4700 ohm, 1/16W R427 R235 24366101 CF, 100 ohm R428 R235 24366101 CF, 100 ohm R429 R236 24872102 Chip, 1k ohm, 1/16W R429 R236 24366561 CF, 560 ohm R435 R237 24872103 Chip, 10k ohm, 1/16W R436 R273 24366473 CF, 47k ohm R437 R274 24366102 CF, 100 ohm R438 R275 24366101 CF, 100 ohm R441 R276 24366683 CF, 68k ohm R443 R277 24366103 CF, 10k ohm R451 R299 24366103 CF, 10k ohm R460 R303 24321109 MF, 1 ohm, 1/2W R461 | R229 | 24872472 | Chip, 4700 ohm. 1/16W | R417 | |
| R232 24366103 CF, 10k ohm R424 R233 24366104 CF, 100k ohm R425 R234 24366271 CF, 270 ohm R426 R235 24872472 Chip, 4700 ohm, 1/16W R427 R235 24366101 CF, 100 ohm R428 R235 24366101 CF, 100 ohm R429 R236 24872102 Chip, 1k ohm, 1/16W R429 R236 24366561 CF, 560 ohm R435 R237 24872103 Chip, 10k ohm, 1/16W R436 R273 24366473 CF, 47k ohm R437 R274 24366102 CF, 1k ohm R438 R275 24366101 CF, 100 ohm R441 R276 24366683 CF, 68k ohm R443 R277 24366103 CF, 10k ohm R451 R299 24366103 CF, 10k ohm R460 R303 24321109 MF, 1 ohm, 1/2W R461 | R231 | 24366100 | CF, 10 ohm | R422 | |
| R233 24366104 CF, 100k ohm R425 R234 24366271 CF, 270 ohm R426 R235 24872472 Chip, 4700 ohm, 1/16W R427 R235 24366101 CF, 100 ohm R428 R236 24872102 Chip, 1k ohm, 1/16W R429 R236 24872102 Chip, 1k ohm, 1/16W R429 R236 24366561 CF, 560 ohm R435 R237 24872103 Chip, 10k ohm, 1/16W R436 R273 24366473 CF, 47k ohm R437 R274 24366102 CF, 1k ohm R438 R275 24366101 CF, 100 ohm R441 R276 24366683 CF, 68k ohm R443 R277 24366103 CF, 10k ohm R451 R299 24366103 CF, 10k ohm R460 R303 24321109 MF, 1 ohm, 1/2W R461 | R232 | 24366103 | CF. 10k ohm | R424 | |
| R234 24366271 CF, 270 ohm R426 R235 24872472 Chip, 4700 ohm, 1/16W R427 R235 24366101 CF, 100 ohm R428 R236 24872102 Chip, 1k ohm, 1/16W R429 R236 24872103 Chip, 1k ohm, 1/16W R435 R237 24866561 CF, 560 ohm R436 R273 24366473 CF, 47k ohm R437 R274 24366102 CF, 1k ohm R438 R275 24366101 CF, 100 ohm R441 R276 24366683 CF, 68k ohm R443 R277 24366103 CF, 10k ohm R451 R299 24366103 CF, 10k ohm R460 R303 24321109 MF, 1 ohm, 1/2W R461 | R233 | 24366104 | CF, 100k ohm | R425 | |
| R235 24872472 Chip, 4700 ohm, 1/16W R427 R235 24366101 CF, 100 ohm R428 R236 24872102 Chip, 1k ohm, 1/16W R429 R236 24366561 CF, 560 ohm R435 R237 24872103 Chip, 10k ohm, 1/16W R436 R273 24366473 CF, 47k ohm R437 R274 24366102 CF, 1k ohm R438 R275 24366101 CF, 100 ohm R441 R276 24366683 CF, 68k ohm R443 R277 24366103 CF, 10k ohm R451 R299 24366103 CF, 10k ohm R460 R303 24321109 MF, 1 ohm, 1/2W R461 | R234 | 24366271 | CF, 270 ohm | R426 | |
| R235 24366101 CF, 100 ohm R428 R236 24872102 Chip, 1k ohm, 1/16W R429 R236 24366561 CF, 560 ohm R435 R237 24872103 Chip, 10k ohm, 1/16W R436 R273 24366473 CF, 47k ohm R437 R274 24366102 CF, 1k ohm R438 R275 24366101 CF, 100 ohm R441 R276 24366683 CF, 68k ohm R443 R277 24366103 CF, 10k ohm R451 R299 24366103 CF, 10k ohm R460 R303 24321109 MF, 1 ohm, 1/2W R461 | R235 | 24872472 | Chip, 4700 ohm, 1/16W | R427 | |
| R236 24872102 Chip, 1k ohm, 1/16W R429 R236 24366561 CF, 560 ohm R435 R237 24872103 Chip, 10k ohm, 1/16W R436 R273 24366473 CF, 47k ohm R437 R274 24366102 CF, 1k ohm R438 R275 24366101 CF, 100 ohm R441 R276 24366683 CF, 68k ohm R443 R277 24366103 CF, 10k ohm R451 R299 24366103 CF, 10k ohm R460 R303 24321109 MF, 1 ohm, 1/2W R461 | R235 | 24366101 | CF, 100 ohm | R428 | |
| R236 24366561 CF, 560 ohm R435 R237 24872103 Chip, 10k ohm, 1/16W R436 R273 24366473 CF, 47k ohm R437 R274 24366102 CF, 1k ohm R438 R275 24366101 CF, 100 ohm R441 R276 24366683 CF, 68k ohm R443 R277 24366103 CF, 10k ohm R451 R299 24366103 CF, 10k ohm R460 R303 24321109 MF, 1 ohm, 1/2W R461 | R236 | 24872102 | Chip, 1k ohm, 1/16W | R429 | |
| R237 24872103 Chip, 10k ohm, 1/16W R436 R273 24366473 CF, 47k ohm R437 R274 24366102 CF, 1k ohm R438 R275 24366101 CF, 100 ohm R441 R276 24366683 CF, 68k ohm R443 R277 24366103 CF, 10k ohm R451 R299 24366103 CF, 10k ohm R460 R303 24321109 MF, 1 ohm, 1/2W R461 | R236 | 24366561 | CF, 560 ohm | R435 | |
| R273 24366473 CF, 47k ohm R437 R274 24366102 CF, 1k ohm R438 R275 24366101 CF, 100 ohm R441 R276 24366683 CF, 68k ohm R443 R277 24366103 CF, 10k ohm R451 R299 24366103 CF, 10k ohm R460 R303 24321109 MF, 1 ohm, 1/2W R461 | R237 | 24872103 | Chip, 10k ohm, 1/16W | R436 | |
| R274 24366102 CF, 1k ohm R438 R275 24366101 CF, 100 ohm R441 R276 24366683 CF, 68k ohm R443 R277 24366103 CF, 10k ohm R451 R299 24366103 CF, 10k ohm R460 R303 24321109 MF, 1 ohm, 1/2W R461 | R273 | 24366473 | CF, 47k ohm | R437 | |
| R275 24366101 CF, 100 ohm R441 R276 24366683 CF, 68k ohm R443 R277 24366103 CF, 10k ohm R451 R299 24366103 CF, 10k ohm R460 R303 24321109 MF, 1 ohm, 1/2W R461 | R274 | 24366102 | CF, 1k ohm | R438 | |
| R276 24366683 CF, 68k ohm R443 R277 24366103 CF, 10k ohm R451 R299 24366103 CF, 10k ohm R460 R303 24321109 MF, 1 ohm, 1/2W R461 | R275 | 24366101 | CF, 100 ohm | R441 | |
| R277 24366103 CF, 10k ohm R451 R299 24366103 CF, 10k ohm R460 R303 24321109 MF, 1 ohm, 1/2W R461 | R276 | 24366683 | CF, 68k ohm | R443 | |
| R299 24366103 CF, 10k ohm R460 R303 24321109 MF, 1 ohm, 1/2W R461 | R277 | 24366103 | CF, 10k ohm | R451 | |
| R303 24321109 MF, 1 ohm, 1/2W R461 | R299 | 24366103 | CF, 10k ohm | R460 | |
| R303 | 24321109 | MF, 1 ohm, 1/2W | R461 | ||
|
Location
No. |
Part No. | Description |
|---|---|---|
| R304 | 24366153 | CF. 15k ohm |
| R305 | 24322159 | OMF. 1.5 ohm 1W |
| R306 | 24366222 | CF, 2200 ohm |
| R307 | 24366621 | CF, 620 ohm |
| R308 | 24366472 | CF, 4700 ohm |
| R309 | 24366303 | CF, 30k ohm |
| R310 | 24366102 | CF, 1k ohm |
| R311 | 24366472 | CF, 4700 ohm |
| R312 | 24366103 | CF, 10k ohm |
| R313 | 24366243 | CF, 24k ohm |
| R317 | 24366472 | CF, 4700 ohm |
| R321 | 24366183 | CF, 18k ohm |
| R322 | 24366102 | CF, 1k ohm |
| R323 | 24366103 | CF, 10k ohm |
| R324 | 24366681 | CF, 680 ohm |
| R325 | 24366103 | CF, 10k ohm |
| R325 | 24366103 | CF, 10k ohm |
| R327 | 24339159 | MF, 1.5 ohm, 2W |
|
R328
R320 |
24366471 | CF, 470 ohm |
|
N330
D226 |
24366123 | CF, 12k ohm |
| D244 | 24383391 | OMF, 390 ohm, 2W |
| R260 | 24362821 | |
| R370 | 24300103 | |
| R370 | 24322159 | CE 6900 abm |
| R372 | 24366202 | |
| R372 | 24300202 | CF, 2K OHH |
| R374 | 24366153 | CF 15k ohm |
| R380 | 24366103 | CF 10k ohm |
| R381 | 24366103 | CF 10k ohm |
| R382 | 24366302 | CF. 3k ohm |
| R383 | 24366272 | CF, 2700 ohm |
| R384 | 24366102 | CF, 1k ohm |
| R387 | 24382121 | OMF, 120 ohm, 1W |
| R388 | 24382121 | OMF, 120 ohm, 1W |
| R389 | 24383121 | OMF, 120 ohm, 2W |
| R397 | 24382121 | OMF, 120 ohm, 1W |
| R398 | 24382121 | OMF, 120 ohm, 1W |
| R399 | 24366684 | CF, 680k ohm |
| R401 | 24872391 | Chip, 390 ohm, 1/16W |
| R402 | 24366103 | CF, 10k ohm |
| R403 | 24872392 | Chip, 3900 ohm, 1/16W |
| R405 | 24553682 | OMF, 6800 ohm, 1W |
| R407 | 248/2103 | Chip, 10k ohm, 1/16W |
|
R411
R415 |
24300560 | |
|
R410
R416 |
24003001 | ONE Set above 1/004/ |
| R417 | 24301303 | Compart 100 phys 514/ |
| R417 | 24310101 | CE 100 ohm |
| R422 | 24300101 | CF, 100 0hm |
| R425 | 24366182 | CE 1800 ohm |
| R426 | 24366202 | CF 2k ohm |
| R427 | 24366392 | CF. 3900 ohm |
| R428 | 24366561 | CF, 560 ohm |
| R429 | 24552560 | OMF, 56 ohm, 1/2W |
| R435 | 24366184 | CF, 180k ohm |
| R436 | 24366101 | CF, 100 ohm |
| R437 | 24366471 | CF, 470 ohm |
| R438 | 24552102 | OMF, 1k ohm, 1/2W |
| R441 | 24383561 | OMF, 560 ohm, 2W |
| R443 | 24381150 | OMF, 15 ohm, 1/2W |
| R451 | 24061546 | VR, 100 ohm, 3W |
| K460 | 24552332 | OMF, 3300 ohm, 1/2W |
| N40 I | 24552182 | UIVIE, 1800 ohm, 1/2W |
|
Location
No. |
Part No. | Description | ||
|---|---|---|---|---|
| R463 | 24323229 | MF, 2.2 ohm, 2W | ||
| R464 | 24366273 | CF, 27k ohm | ||
| R465 | 24366101 | CF, 100 ohm | ||
| R466 | 24366562 | CF, 5600 ohm | ||
| R467 | 24327224 | MF, 220k ohm, ±1%, 1/4W | ||
| R468 | 24366163 | CF, 16k ohm | ||
| R469 | 24531150 | FR, 15 ohm, 1/2W | ||
| R470 | 24339568 | OMF, 0.56 ohm, 2W | ||
| R471 | 24531271 | FR, 270 ohm, 1/2W | ||
| R473 | 24366103 | CF, 10k ohm | ||
| R474 | 24366473 | CF, 47k ohm | ||
| R478 | 24381333 | OMF, 33k ohm, 1/2W | ||
| R479 | 24531680 | FR, 68 ohm, 1/2W | ||
| R481 | 24366392 | CF, 3900 ohm | ||
| R482 | 24366183 | CF, 18k ohm | ||
| R487 | 24366474 | CF, 470k ohm | ||
| R488 | 24366154 | CF, 150k ohm | ||
|
R490
R401 |
24366101 | |||
|
R491
R402 |
24300101 | |||
| R501 | 243002/2 | |||
| R502 | 240/2223 |
Chip, 22K Offin, 1/16WV
Chip, 100 ohm, 1/16W/ |
||
| R502 | 24872101 | Chip, 100 ohm, 1/16W | ||
| R505 | 24872107 | Chip, 160 0mm, 1/16W | ||
| R506 | 24072102 | Chip, 10k ohm 1/16W | ||
| R508 | 24872103 | Chip 1k ohm 1/16W | ||
| R509 | 24872102 | Chip 1k ohm 1/16W | ||
| R510 | 24872102 | Chip, 1k ohm 1/16W | ||
| R511 | 24872101 | Chip, 100 ohm, 1/16W | ||
| R512 | 24872101 | Chip, 100 ohm, 1/16W | ||
| R513 | 24366472 | CF, 4700 ohm | ||
| R514 | 24366472 | CF, 4700 ohm | ||
| I | R515 | 24366472 | CF, 4700 ohm | |
| I | R516 | 24872101 | Chip, 100 ohm, 1/16W | |
| R517 | 24872101 | Chip, 100 ohm, 1/16W | ||
| R518 | 24872472 | Chip, 4700 ohm, 1/16W | ||
| R519 | 24872101 | Chip, 100 ohm, 1/16W | ||
| R520 | 24872103 | Chip, 10k ohm, 1/16W | ||
| I | R521 | 24872223 | Chip, 22k ohm, 1/16W | |
| R522 | 248/24/3 | Chip, 4/k ohm, 1/16W | ||
|
R530
R531 |
248/2223 | Chip, 22k onm, 1/16W | ||
| Rena | 240/2103 | |||
| R610 | 24300303 | CF 10k ohm | ||
| R611 | 24366103 | CF 10k ohm | ||
| R612 | 24366103 | CF. 10k ohm | ||
| R613 | 24366224 | CF. 220k ohm | ||
| R630 | 24366222 | CF, 2200 ohm | ||
| R631 | 24366562 | CF, 5600 ohm | ||
| R632 | 24366223 | CF, 22k ohm | ||
| R633 | 24366223 | CF, 22k ohm | ||
| R634 | 24366229 | CF, 2.2 ohm | ||
| R640 | 24366222 | CF, 2200 ohm | ||
| R641 | 24366392 | CF, 3900 ohm | ||
| R642 | 24366183 | CF, 18k ohm | ||
| R643 | 24366562 | CF, 5600 ohm | ||
| R644 | 24366473 | |||
| 24366229 | ||||
|
11040
D649 |
24300223 | |||
| R661 | 24300229 | OME 220 obm 1/2\// | ||
| R661 | 24002221 | Cement 15 ohm 5\// | ||
| R662 | 24552221 | OMF. 220 ohm 1/2W | ||
| R670 | 24366153 | CF, 15k ohm | ||
|
Location
No. |
Part No. | Description |
|---|---|---|
| R671 | 24366392 | CF, 3900 ohm |
| R671 | 24366102 | CF, 1k ohm |
| R672 | 24366102 | CF, 1k ohm |
| R672 | 24366153 | CF, 15k ohm |
| R673 | 24366102 | CF, 1k ohm |
| R673 | 24366392 | CF, 3900 ohm |
| R674 | 24366222 | CF, 2200 ohm |
| R675 | 24366122 | CF, 1200 ohm |
| R6/5 | 24366102 | CF, 1k ohm |
|
R0/0
R677 |
24300223 | CF, 22k ohm |
| R678 | 24366223 | CF 22k ohm |
| R679 | 24366223 | CF. 22k ohm |
| R680 | 24366223 | CF. 22k ohm |
| R680 | 24366473 | CF, 47k ohm |
| R681 | 24366223 | CF, 22k ohm |
| R682 | 24366104 | CF, 100k ohm |
| R683 | 24366273 | CF, 27k ohm |
| R684 | 24366229 | CF, 2.2 ohm |
| R685 | 24366229 | CF, 2.2 ohm |
| R686 | 24366229 | CF, 2.2 ohm |
| R08/ | 24366222 |
CF, 2200 ohm
CF, 2200 ohm |
| R689 | 24300222 |
CF, 2200 Onm
CF, 100k obm |
| R690 | 24366681 | CF 680 ohm |
| R691 | 24366681 | CF 680 ohm |
| R692 | 24366681 | CF. 680 ohm |
| R693 | 24366681 | CF, 680 ohm |
| R694 | 24366563 | CF, 56k ohm |
| R695 | 24366153 | CF, 15k ohm |
| R702 | 24552221 | OMF, 220 ohm, 1/2W |
| R712 | 24366101 | CF, 100 ohm |
| R715 | 24366223 | CF, 22k ohm |
| R/16 | 24366273 | CF, 27k ohm |
|
R/I/
D710 |
24366333 | CF, 33k onm |
| R722 | 24300102 | OME 470 obm 1/2\// |
| R723 | 24366151 | CE 150 obm |
| R724 | 24366680 | CF. 68 ohm |
| R725 | 24366182 | CF. 1800 ohm |
| R730 | 24552100 | OMF, 10 ohm, 1/2W |
| R731 | 24553331 | OMF, 330 ohm, 1W |
| R732 | 24366220 | CF, 22 ohm |
| R733 | 24366683 | CF, 68k ohm |
| R734 | 24366220 | CF, 22 ohm |
| R/35 | 24366683 | CF, 68k ohm |
| R/30 | 24366560 | CF, 56 ONM |
|
R/3/
D720 |
24300152 |
CF, 1500 onm
CF, 13k ohm |
| R720 | 24300123 |
CF, 12k onm
CF, 1500 obm |
| R740 | 24366560 | CE 56 ohm |
| R741 | 24366279 | CF. 2.7 ohm |
| R742 | 24366279 | CF, 2.7 ohm |
| R743 | 24554101 | OMF, 100 ohm, 2W |
| R744 | 24366122 | CF, 1200 ohm |
| R745 | 24366122 | CF, 1200 ohm |
| ∆ R80 1 | 24009954 |
Metal-Glazed Resistor,
2.2M ohm, 1/2W |
| R802 | 24321568 | MF, 0.56 ohm, 1/2W |
| R803 | 24382683 | OMF, 68k ohm, 1W |
| R805 | 24552101 | OMF, 100 ohm, 1/2W |
| R806 | 24552392 | OMF, 3900 ohm, 1/2W |
| K808 | 24019340 | PIC Thermistor, 18 ohm |
| 010 | 24007863 | Cement, 3.3 onm, 15W |
|
Location
No. |
Part No. | Description |
Location
No. |
Part No. | Description |
|---|---|---|---|---|---|
| R811 | 24568271 | Cement, 270 ohm, 7W | R946 | 24366470 | CF 47 ohm |
| R814 | 24366122 | CF, 1200 ohm | R960 | 24383153 | OMF. 15k ohm 2W |
| R815 | 24552102 | OMF, 1k ohm, 1/2W | R961 | 24383153 | OMF, 15k ohm, 2W |
| R816 | 24323689 | MF, 6.8 ohm, 2W | R962 | 24383153 | OMF. 15k ohm. 2W |
| R818 | 24019460 | MF, 0.1 ohm, 2W | R963 | 24383153 | OME 15k ohm 2W |
| R819 | 24321209 | MF, 2 ohm, 1/2W | R964 | 24383153 | OME 15k ohm 2W |
| R821 | 24366101 | CF, 100 ohm | B965 | 24383153 | OME 15k ohm 2W |
| R822 | 24552103 | OMF, 10k ohm, 1/2W | R966 | 24383153 | OME 15k ohm 2W |
| R823 | 24366272 | CF, 2700 ohm | R967 | 24383153 | OME 15k ohm 2W |
| R824 | 24569101 | Cement, 100 ohm, 10W | R968 | 24383153 | OME 15k ohm 2W |
| R825 | 24569100 | Cement, 10 ohm, 10W | R969 | 24366101 | CE 100 ohm |
| R827 | 24366681 | CF, 680 ohm | R970 | 24366101 | CF. 100 ohm |
| R828 | 24366821 | CF, 820 ohm | R971 | 24366101 | CF, 100 ohm |
| R829 | 24321109 | MF, 1 ohm, 1/2W | R977 | 24366681 | CF, 680 ohm |
| R831 | 24366471 | CF, 470 ohm | R980 | 24366471 | CF, 470 ohm |
| R832 | 24366472 | CF, 4700 ohm | R981 | 24366471 | CF. 470 ohm |
| R833 | 24366222 | CF, 2200 ohm | R982 | 24366682 | CF. 6800 ohm |
| R834 | 24366471 | CF, 470 ohm | R983 | 24366222 | CF. 2200 ohm |
| R841 | 24531120 | FR, 12 ohm, 1/2W | R984 | 24366821 | CF. 820 ohm |
| R842 | 24552392 | OMF, 3900 ohm, 1/2W | R985 | 24366471 | CF. 470 ohm |
| R846 | 24366561 | CF, 560 ohm | R986 | 24366681 | CF 680 ohm |
| R847 | 24366472 | CF, 4700 ohm | R987 | 24366681 | CF 680 ohm |
| R849 | 24366471 | CF, 470 ohm | R988 | 24366472 | CF. 4700 ohm |
| R890 | 24553333 | OMF, 33k ohm, 1W | R989 | 24366822 | CF 8200 ohm |
| A R899 | 24005007 | Metal-Glazed Resistor. | R990 | 24366222 | CF 2200 ohm |
| 8.2M ohm. 1W | R991 | 24366681 | CF 680 ohm | ||
| R901 | 24376821 | CF. 820 ohm. 1/2W | R992 | 24366150 | CE 15 ohm |
| R902 | 24376821 | CF. 820 ohm 1/2W | R4034 | 24366332 | CE 3300 obm |
| R903 | 24376821 | CF. 820 ohm. 1/2W | R4301 | 24366222 | CE 2200 ohm |
| R904 | 24366472 | CF. 4700 ohm | R4302 | 24366103 | CE 10k obm |
| R905 | 24366150 | CF 15 ohm | R4303 | 24000100 | ME 330k ohm +1% 1/4\/ |
| R906 | 24366102 | CF. 1k ohm | R4305 | 24366332 | CE 3300 ohm |
| R907 | 24366102 | CF. 1k ohm | B4306 | 24366393 | CF 39k ohm |
| R908 | 24366102 | CF, 1k ohm | R4350 | 24000249 | MF. 47k ohm. +1% 1/4W |
| R909 | 24366222 | CF, 2200 ohm | R4371 | 24366684 | CE. 680k ohm |
| R910 | 24552121 | OMF, 120 ohm, 1/2W | R4372 | 24366153 | CF. 15k ohm |
| (32MW8DG) | R4373 | 24366101 | CF, 100 ohm | ||
| R912 | 24366102 | CF. 1k ohm | B4374 | 24366101 | CE 100 ohm |
| R914 | 24366101 | CF, 100 ohm | R4375 | 24366101 | CE. 100 ohm |
| R915 | 24366560 | CF, 56 ohm | R4378 | 24366474 | CF 470k ohm |
| R916 | 24366470 | CF. 47 ohm | R4379 | 24366334 | CF 330k ohm |
| R917 | 24366271 | CF, 270 ohm | B4380 | 24366114 | CF 110k ohm |
| R918 | 24366100 | CF. 10 ohm | R4381 | 24366822 | CF 8200 ohm |
| R919 | 24366102 | CF. 1k ohm | R4382 | 24366153 | CF 15k ohm |
| R920 | 24000880 | FR, 5.1 ohm, 1W | R4384 | 24552222 | OME, 2200 ohm 1/2W |
| R921 | 24366101 | CF, 100 ohm | R4385 | 24367301 | CF, 300 ohm, ±2% |
| R922 | 24366560 | CF, 56 ohm | (32MW8DG) | ||
| R924 | 24366100 | CF, 10 ohm | R4401 | 24366103 | CF. 10k ohm |
| R925 | 24366271 | CF, 270 ohm | R4402 | 24366222 | CF. 2200 ohm |
| R926 | 24366102 | CF, 1k ohm | R4403 | 24000639 | MF. 22k ohm. +1%. 1/4W |
| R928 | 24366101 | CF, 100 ohm | R4404 | 24000364 | MF, 1800 ohm, +1%, 1/4W |
| R929 | 24366560 | CF, 56 ohm | R4405 | 24000247 | MF. 39k ohm. +1%. 1/4W |
| R930 | 24366100 | CF, 10 ohm | R4406 | 24000220 | MF. 390 ohm. +1%. 1/4W |
| R932 | 24366332 | CF, 3300 ohm | R4408 | 24000637 | MF. 15k ohm. +1%. 1/4W |
| R933 | 24366750 | CF, 75 ohm | R4409 | 24000361 | MF. 1300 ohm. +1%. 1/4W |
| R934 | 24366391 | CF, 390 ohm | R4410 | 24552470 | OMF, 47 ohm. 1/2W |
| R935 | 24366821 | CF, 820 ohm | R4411 | 24366472 | CF, 4700 ohm |
| R936 | 24366750 | CF, 75 ohm | R4412 | 24366103 | CF, 10k ohm |
| R937 | 24366271 | CF, 270 ohm | R4413 | 24366132 | CF, 1300 ohm |
| R939 | 24366680 | CF, 68 ohm | R4420 | 24000639 | MF, 22k ohm, ±1%, 1/4W |
| R942 | 24366392 | CF, 3900 ohm | R4421 | 24366103 | CF, 10k ohm |
| R943 | 24366392 | CF, 3900 ohm | R4422 | 24366473 | CF, 47k ohm |
| R944 | 24366392 | CF, 3900 ohm | R4423 | 24366223 | CF, 22k ohm |
| R945 | 24366470 | CF, 47 ohm | R4450 | 24066878 | VR, 2k ohm, 0.3W |
| I |
|
Location
No. |
Part No. | Description |
|---|---|---|
| R4490 | 24382222 | OME 2200 ohm 1W/ |
| R4491 | 24366392 | CE 3900 ohm |
| R4492 | 24366103 | CF. 10k ohm |
| R4493 | 24382104 | OMF. 100k ohm. 1W |
| RA04 | 24366102 | CF. 1k ohm |
| RA05 | 24366102 | CF, 1k ohm |
| RA07 | 24366102 | CF, 1k ohm |
| RA08 | 24366102 | CF, 1k ohm |
| RA09 | 24366102 | CF, 1k ohm |
| RA10 | 24366102 | CF, 1k ohm |
| RA11 | 24366102 | CF, 1k ohm |
| RA12 | 24366473 | CF, 47k ohm |
| RA13 | 24366153 | CF, 15k ohm |
| RA16 | 24366102 | CF, 1k ohm |
| RA17 | 24366102 | CF, 1k ohm |
| RA18 | 24366102 | CF, 1k ohm |
| RAZ/ | 24366102 | |
| RA33 | 24366102 | |
| RA35 | 24366102 | CF, IK ONM |
|
RA30
DA37 |
243004/2 |
CF, 4700 onm
CF, 100 ohm |
| DA20 | 24300101 | CF, 100 ohm |
| 24300101 | ||
| RA41 | 24366102 | CE 1k ohm |
| RA44 | 24366102 | CE 10k ohm |
| BA61 | 24366103 | CE 10k ohm |
| BA62 | 24366103 | CF. 10k ohm |
| RA63 | 24366103 | CF, 10k ohm |
| RA64 | 24366103 | CF, 10k ohm |
| RA69 | 24366470 | CF, 47 ohm |
| RA70 | 24366333 | CF, 33k ohm |
| RA71 | 24366683 | CF, 68k ohm |
| RA72 | 24366223 | CF, 22k ohm |
| RA73 | 24366103 | CF, 10k ohm |
| RA74 | 24366103 | CF, 10k ohm |
| RA75 | 24366333 | CF, 33k ohm |
| RA/6 | 24366103 | CF, 10k ohm |
| 243004/2 | CF, 4700 onm | |
| 243004/2 | ||
| RA111 | 24300103 | CF, 10k ohm |
| RΔ112 | 24366101 | CF 100 ohm |
| BA118 | 24366472 | CE 4700 ohm |
| BA119 | 24366472 | CF. 4700 ohm |
| RB01 | 24366271 | CF, 270 ohm |
| RB02 | 24366271 | CF, 270 ohm |
| RB09 | 24366470 | CF, 47 ohm |
| RB10 | 24366101 | CF, 100 ohm |
| RB11 | 24366103 | CF, 10k ohm |
| RB30 | 24366103 | CF, 10k ohm |
| RB40 | 24366103 | CF, 10k ohm |
| RB41 | 24366182 | CF, 1800 ohm |
| RB42 | 24366102 | CF, 1k ohm |
| RB43 | 24366103 | CF, 10k ohm |
| RB44 | 24366103 | CF, 10k ohm |
| RB45 | 24366101 | CF, 100 ohm |
| 24300122 | ||
| RB82 | 24300123 | |
| RB84 | 24366562 | CF. 5600 ohm |
| BB90 | 24366392 | CF, 3900 ohm |
| RB91 | 24366473 | CF, 47k ohm |
| RB92 | 24366271 | CF, 270 ohm |
| RB93 | 24366271 | CF, 270 ohm |
|
Location
No. |
Part No. | Description |
|---|---|---|
| RB94 | 24366222 | CE 2200 obm |
| RB95 | 24366222 | CF 2200 ohm |
| RB96 | 24366273 | CF 27k ohm |
| RB97 | 24366273 | CF. 27k ohm |
| RB98 | 24366102 | CF. 1k ohm |
| RD01 | 24871101 | Chip. 100 ohm 1/8W |
| RD03 | 24872101 | Chip, 100 ohm 1/16W |
| RD04 | 24872101 | Chip. 100 ohm. 1/16W |
| RD05 | 24872101 | Chip, 100 ohm, 1/16W |
| RD06 | 24872101 | Chip, 100 ohm, 1/16W |
| RD09 | 24872101 | Chip, 100 ohm, 1/16W |
| RD10 | 24872101 | Chip, 100 ohm, 1/16W |
| RD11 | 24872222 | Chip, 2200 ohm, 1/16W |
| RD12 | 24872103 | Chip, 10k ohm, 1/16W |
| RD13 | 24872101 | Chip, 100 ohm, 1/16W |
| RD21 | 24872221 | Chip, 220 ohm, 1/16W |
| RD23 | 24872221 | Chip, 220 ohm, 1/16W |
| RD27 | 24872101 | Chip, 100 ohm, 1/16W |
| RD28 | 24872101 | Chip, 100 ohm, 1/16W |
| RD29 | 24872101 | Chip, 100 ohm, 1/16W |
| RD30 | 24872223 | Chip, 22k ohm, 1/16W |
| RD31 | 24872223 | Chip, 22k ohm, 1/16W |
| RD32 | 24872223 | Chip, 22k ohm, 1/16W |
| RD33 | 24872101 | Chip, 100 ohm, 1/16W |
| RD34 | 248/2102 | Chip, 1k ohm, 1/16W |
| RD35 | 248/2102 | Chip, 1k ohm, 1/16W |
| 248/2101 | Chip, 100 ohm, 1/16W | |
| 24672101 | Chip, 100 ohm, 1/16W | |
| 240/2101 | Chip, 100 Ohm, 1/16W | |
| RD41 | 24672223 | Chip, 22k Ohm, 1/16W |
| RD42 | 24872101 | Chip 100 ohm 1/16W |
| RD43 | 24872101 | Chip 100 ohm 1/16W |
| RD51 | 24072101 | Chip 220 ohm 1/16W |
| RD53 | 24872221 | Chip 220 ohm 1/16W |
| RD54 | 24872822 | Chip, 8200 ohm, 1/16W |
| RD55 | 24872822 | Chip, 8200 ohm, 1/16W |
| RD56 | 24872273 | Chip, 27k ohm, 1/16W |
| RD57 | 24872273 | Chip, 27k ohm, 1/16W |
| RD58 | 24872822 | Chip, 8200 ohm, 1/16W |
| RD59 | 24872822 | Chip, 8200 ohm, 1/16W |
| RD61 | 24872221 | Chip, 220 ohm, 1/16W |
| RD63 | 24872221 | Chip, 220 ohm, 1/16W |
| RD64 | 24872822 | Chip, 8200 ohm, 1/16W |
| RD65 | 24872822 | Chip, 8200 ohm, 1/16W |
| RD66 | 24872273 | Chip, 27k ohm, 1/16W |
| RD67 | 24872273 | Chip, 27k ohm, 1/16W |
| RD68 | 24872822 | Chip, 8200 ohm, 1/16W |
| RD69 | 24872822 | Chip, 8200 ohm, 1/16W |
| RD/1 | 24366100 | |
| RD72 | 248/1122 | Chip, 1200 ohm, 1/8W |
| 240/1102 | ||
| 24300100 | ||
| RD81 | 24300100 | ME 1 ohm 1/2\W |
| RD82 | 24871151 | Chip 150 ohm 1/8W/ |
| RD85 | 24872151 | Chip, 150 ohm, 1/16W |
| RD87 | 24872151 | Chip, 150 ohm. 1/16W |
| RD88 | 24872222 | Chip, 2200 ohm, 1/16W |
| RD89 | 24872151 | Chip, 150 ohm, 1/16W |
| RD92 | 24872473 | Chip, 47k ohm, 1/16W |
| RD93 | 24872222 | Chip, 2200 ohm, 1/16W |
| RD94 | 24872101 | Chip, 100 ohm, 1/16W |
| RD101 | 24872331 | Chip, 330 ohm, 1/16W |
|
Location
No, |
Part No. | Description |
Location
No. |
Part No. | Description | |
|---|---|---|---|---|---|---|
| RD102 | 24872331 | Chip, 330 ohm, 1/16W | RK35 | 24366102 | CF. 1k ohm | |
| RD103 | 24872331 | Chip, 330 ohm, 1/16W | RK36 | 24366333 | CF, 33k ohm | |
| RD104 | 24872331 | Chip, 330 ohm, 1/16W | RK37 | 24366223 | CF, 22k ohm | |
| RD105 | 24872472 | Chip, 4700 ohm, 1/16W | RK38 | 24366101 | CF, 100 ohm | |
| RD106 | 24872472 | Chip, 4700 ohm, 1/16W | RK39 | 24366102 | CF, 1k ohm | |
| RD107 | 24872472 | Chip, 4700 ohm, 1/16W | RK40 | 24366103 | CF, 10k ohm | |
| RD108 | 24872472 | Chip, 4700 ohm, 1/16W | RK41 | 24366103 | CF, 10k ohm | |
| RD109 | 24872472 | Chip, 4700 ohm, 1/16W | RK43 | 24366223 | CF, 22k ohm | |
| RD110 | 24872472 | Chip, 4700 ohm, 1/16W | RK51 | 24366101 | CF, 100 ohm | |
| RD111 | 24872101 | Chip, 100 ohm, 1/16W | RK52 | 24366101 | CF, 100 ohm | |
| RD112 | 24872101 | Chip, 100 ohm, 1/16W | RK53 | 24366101 | CF, 100 ohm | |
| RD113 | 24872472 | Chip, 4700 ohm, 1/16W | RK54 | 24366103 | CF, 10k ohm | |
| RD201 | 248/2101 | Chip, 100 ohm, 1/16W | RK55 | 24366102 | CF, 1k ohm | |
| RD202 | 248/2101 | Chip, 100 ohm, 1/16VV | RK56 | 24366561 | CF, 560 ohm | |
| RD203 | 240/2392 | Chip, 3900 ohm, 1/1600 | 24366102 | CF, 1k ohm | ||
| BD205 | 24071392 | Chip 100 ohm 1/16W | 24300153 | |||
| BD206 | 24872101 | Chip, 100 ohm, 1/16W | RK60 | 24300101 | ||
| RD207 | 24872474 | Chip 470k ohm 1/16W | RK61 | 24366822 | ||
| RD208 | 24872472 | Chip, 4700 ohm 1/16W | BK62 | 24366103 | ||
| RD209 | 24872472 | Chip, 4700 ohm, 1/16W | RK63 | 24366103 | CE 10k ohm | |
| RF01 | 24872222 | Chip, 2200 ohm, 1/16W | RK64 | 24366103 | CF. 10k ohm | |
| RF03 | 24872472 | Chip, 4700 ohm, 1/16W | RK65 | 24366103 | CF. 10k ohm | |
| RF04 | 24872472 | Chip, 4700 ohm, 1/16W | RK66 | 24366103 | CF, 10k ohm | |
| RF06 | 24872102 | Chip, 1k ohm, 1/16W | RK67 | 24366102 | CF, 1k ohm | |
| RF08 | 24872100 | Chip, 10 ohm, 1/16W | RK68 | 24366563 | CF, 56k ohm | |
| RF09 | 24872100 | Chip, 10 ohm, 1/16W | RK69 | 24366392 | CF, 3900 ohm | |
| RF10 | 24872100 | Chip, 10 ohm, 1/16W | RK70 | 24366472 | CF, 4700 ohm | |
| RF11 | 24872103 | Chip, 10k ohm, 1/16W | RK71 | 24366272 | CF, 2700 ohm | |
| RF12 | 24872101 | Chip, 100 ohm, 1/16W | RK72 | 24366822 | CF, 8200 ohm | |
| RF13 | 24872101 | Chip, 100 ohm, 1/16W | RK73 | 24366822 | CF, 8200 ohm | |
| RF14 | 248/2101 | Chip, 100 ohm, 1/16W | RK74 | 24366222 | CF, 2200 ohm | |
| RF 15 | 248/2103 | Chip, 10k onm, 1/16W | RK76 | 24366102 | CF, 1k ohm | |
| 248/24/1 | Chip, 470 onm, 1/16W |
RK/9
RK100 |
24366822 | |||
| RF20 | 240/2222 | Chip, 2200 Onn, 1/16W | RK 190 | 24300223 | ||
| BE22 | 24072471 | Chip, 470 ohm, 1/16W | RK 192 | 24300022 | CF, 8200 01111 | |
| RF26 | 24872102 | Chip, 1k ohm, 1/16W | RK193 | 24366103 | ||
| RJ001 | 24000824 | Chip, Jumper, 2125 type | RK194 | 24366103 | CF, 10k ohm | |
| RJ003 | 24000824 | Chip, Jumper, 2125 type | RK195 | 24366222 | CF, 2200 ohm | |
| RK01 | 24366102 | CF, 1k ohm | RK196 | 24366100 | CF, 10 ohm | |
| RK02 | 24366102 | CF, 1k ohm | RQ01 | 24872102 | Chip, 1k ohm, 1/16W | |
| RK03 | 24366101 | CF, 100 ohm | RQ03 | 24872102 | Chip, 1k ohm, 1/16W | |
| RK04 | 24366102 | CF, 1k ohm | RQ04 | 24872511 | Chip, 510 ohm, 1/16W | |
| RK05 | 24366101 | CF, 100 ohm | RQ05 | 24872471 | Chip, 470 ohm, 1/16W | |
| RK06 | 24366103 | CF, 10k ohm | RQ06 | 24872471 | Chip, 470 ohm, 1/16W | |
| RK09 | 24366102 | CF, 1k ohm | RQ07 | 24872103 | Chip, 10k ohm, 1/16W | |
| RK10 | 24366102 | RU08 | 248/2102 | Chip, 1k ohm, 1/16W | ||
| 24300102 | RQ09 | 24872102 | Chip, IK onm, 1/16VV | |||
| RK12 | 24300102 |
RO10
PO11 |
240/2102 | Chip, IK onm, 1/16W | ||
| RK14 | 24366102 |
CF, 4700 onim
CF, 1k ohm |
BO12 | 24672561 | Chip 560 ohm 1/16W | |
| RK15 | 24366102 | CE 10k ohm | R012 | 24872201 | Chip 20k ohm 1/16W | |
| BK16 | 24366101 | CE 100 ohm | RO14 | 24872273 | Chip 27k ohm 1/16W | |
| RK17 | 24366101 | CF. 100 ohm | RO20 | 24872563 | Chip, 56k ohm, 1/16W | |
| RK22 | 24366101 | CF, 100 ohm | RR01 | 24872181 | Chip, 180 ohm, 1/16W | |
| RK23 | 24366472 | CF, 4700 ohm | RR02 | 24872181 | Chip, 180 ohm, 1/16W | |
| RK24 | 24366103 | CF, 10k ohm | 1 | RR03 | 24872181 | Chip, 180 ohm, 1/16W |
| RK25 | 24366103 | CF, 10k ohm | RR10 | 24872103 | Chip, 10k ohm, 1/16W | |
| RK30 | 24366562 | CF, 5600 ohm | RR11 | 24872473 | Chip, 47k ohm, 1/16W | |
| RK31 | 24366103 | CF, 10k ohm | RR12 | 24872102 | Chip, 1k ohm, 1/16W | |
| RK32 | 24366333 | CF, 33k ohm | RR13 | 24872622 | Chip, 6200 ohm, 1/16W | |
| RK33 | 24366223 | KK20 | 24366103 | CF, TUK Ohm | ||
| nK34 | 24300101 | nn22 | 24300100 | Cr, IV ONM | ||
|
Location
No. |
Part No. | Description |
|---|---|---|
| BB28 | 24366473 | CE 47k ohm |
| BR29 | 24366473 | CF 47k ohm |
| BB33 | 24366101 | CE 100 ohm |
| BB40 | 24872102 | Chip 1k ohm 1/16W |
| BS01 | 24366681 | CE 680 ohm |
| BS02 | 24366681 | CE 680 ohm |
| BS03 | 24366101 | CE 100 ohm |
| BS04 | 24366101 | CE 100 ohm |
| BS05 | 24366472 | CE 4700 ohm |
| BS06 | 24366472 | CE 4700 ohm |
| BS07 | 24366472 | CE 4700 ohm |
| BS08 | 24366472 | CF 4700 ohm |
| BS09 | 24366472 | CE 4700 ohm |
| RS10 | 24366472 | CE 4700 ohm |
| BS11 | 24366101 | CF 100 ohm |
| BS13 | 24366101 | CF 100 ohm |
| RS14 | 24366101 | CF 100 ohm |
| BS15 | 24366104 | CE 100k ohm |
| BS16 | 24366104 | CE 100k ohm |
| BS17 | 24366223 | CE 22k obm |
| BS18 | 24366223 | CE 22k ohm |
| RS19 | 24366102 | CF 1k ohm |
| BS20 | 24366102 | CF 1k ohm |
| BS21 | 24366222 | CE 2200 obm |
| BS22 | 24366222 | CF 2200 ohm |
| BS23 | 24366101 | CE 100 ohm |
| RS24 | 24366101 | CE 100 ohm |
| BS27 | 24366104 | CE 100k ohm |
| BS28 | 24366104 | CE 100k ohm |
| BS29 | 24366223 | CF 22k ohm |
| BS30 | 24366223 | CE 22k ohm |
| BS31 | 24366103 | CF 10k ohm |
| BS32 | 24366104 | CF 100k ohm |
| RS35 | 24366223 | CF. 22k ohm |
| RS36 | 24366223 | CF. 22k ohm |
| RS37 | 24366104 | CF. 100k ohm |
| RS38 | 24366104 | CF, 100k ohm |
| RS43 | 24366681 | CF, 680 ohm |
| RS44 | 24366681 | CF, 680 ohm |
| RS45 | 24366681 | CF, 680 ohm |
| RS46 | 24366681 | CF, 680 ohm |
| RV01 | 24366101 | CF, 100 ohm |
| RV02 | 24366101 | CF, 100 ohm |
| RV03 | 24366101 | CF, 100 ohm |
| RV04 | 24366101 | CF, 100 ohm |
| RV05 | 24366101 | CF, 100 ohm |
| RV06 | 24366101 | CF, 100 ohm |
| RV07 | 24366162 | CF, 1600 ohm |
| RV08 | 24366162 | CF, 1600 ohm |
| RV09 | 24366101 | CF, 100 ohm |
| RV10 | 24366101 | CF, 100 ohm |
| RV12 | 24366681 | CF, 680 ohm |
| RV13 | 24366681 | CF, 680 ohm |
| RV16 | 24366471 | CF, 470 ohm |
| RV18 | 24366123 | CF, 12k ohm |
| RV19 | 24366101 | CF, 100 ohm |
| RV22 | 24366102 | CF, 1k ohm |
| RV23 | 24552101 | OMF, 100 ohm, 1/2W |
| RV25 | 24366101 | CF, 100 ohm |
| RV26 | 24366181 | CF, 180 ohm |
| RV27 | 24366750 | CF, 75 ohm |
| RV28 | 24366683 | CF, 68k ohm |
| RV29 | 24366273 | CF, 27k ohm |
| RV30 | 24366750 | CF, 75 ohm |
|
Location
No. |
Part No. | Description |
|---|---|---|
| BV32 | 24366750 | CE 75 ohm |
| RV33 | 24366123 | CF 12k ohm |
| RV34 | 24366123 | CF. 12k ohm |
| RV35 | 24366103 | CF 10k ohm |
| RV36 | 24366101 | CE 100 ohm |
| RV38 | 24366750 | CE 75 ohm |
| RV40 | 24366471 | CF 470 ohm |
| RV60 | 24366471 | CF 470 ohm |
| RV61 | 24552101 | OMF, 100 ohm 1/2W |
| RV62 | 24366101 | CF. 100 ohm |
| RV63 | 24552151 | OMF, 150 ohm, 1/2W |
| RV64 | 24366750 | CF, 75 ohm |
| RV65 | 24552101 | OMF, 100 ohm, 1/2W |
| RV66 | 24366101 | CF, 100 ohm |
| RV67 | 24552151 | OMF, 150 ohm, 1/2W |
| RV68 | 24366750 | CF, 75 ohm |
| RV70 | 24366101 | CF, 100 ohm |
| RV71 | 24366472 | CF, 4700 ohm |
| RV78 | 24366221 | CF, 220 ohm |
| RV79 | 24366680 | CF, 68 ohm |
| RV80 | 24366102 | CF, 1k ohm |
| RV81 | 24366750 | CF, 75 ohm |
| RV81 | 24366472 | CF, 4700 ohm |
| RV82 | 24366153 | CF, 15k ohm |
| RV83 | 24366103 | CF, 10k ohm |
| RV85 | 24366750 | CF, 75 ohm |
| RV80 | 24366750 | CF, 75 ohm |
| 24300750 | ||
|
RV89
RV00 |
24300/50 | CF, 75 ONM |
| RV90 | 24300001 | |
| R\/92 | 24366100 | |
| RV93 | 24366104 | CE 100k ohm |
| RV94 | 24366103 | CF 10k ohm |
| BV95 | 24366222 | CE, 2200 ohm |
| RV96 | 24366391 | CF, 390 ohm |
| RV97 | 24366101 | CF, 100 ohm |
| RV98 | 24366750 | CF, 75 ohm |
| RX201 | 24872470 | Chip, 47 ohm, 1/16W |
| RX202 | 24872122 | Chip, 1200 ohm, 1/16W |
| RX203 | 24872151 | Chip, 150 ohm, 1/16W |
| RX204 | 24872392 | Chip, 3900 ohm, 1/16W |
| RX205 | 24872103 | Chip, 10k ohm, 1/16W |
| RX206 | 24871331 | Chip, 330 ohm, 1/8W |
| RX207 | 24872220 | Chip, 22 ohm, 1/16W |
| HX208 | 24872511 | Chip, 510 ohm, 1/16W |
| RX210 | 248/2122 | Chip, 1200 ohm, 1/16W |
| KX211 | 248/2221 | Chip, 220 ohm, 1/16W |
|
RAZ 12
DV212 |
248/1561 | Chip, 560 ORM, 1/899 |
|
RAZIS
DV014 |
248/2220 | Chip, 22 onm, 1/16W |
| DV216 | 240/2011 | Chip, 510 Ohn, 1/16W |
| BX210 | 240/2122 | Chip, 1200 01111, 1/16W |
| RX218 | 24072221 | Chip 560 ohm 1/8/M |
| BX219 | 24071301 | Chip 22 ohm 1/16W |
| RX220 | 24872101 | Chip. 100 ohm. 1/16W |
| RX221 | 24872153 | Chip, 15k ohm, 1/16W |
| RX222 | 24872390 | Chip, 39 ohm, 1/16W |
| RX223 | 24872103 | Chip, 10k ohm, 1/16W |
| RX224 | 24872103 | Chip, 10k ohm, 1/16W |
| RX225 | 24872122 | Chip, 1200 ohm, 1/16W |
| RX226 | 24872181 | Chip, 180 ohm, 1/16W |
| RX227 | 24872102 | Chip, 1k ohm, 1/16W |
| RX228 | 24871471 | Chip, 470 ohm, 1/8W |
|
Location
No. |
Part No. | Description |
|---|---|---|
| RX229 | 24872680 | Chip. 68 ohm. 1/16W |
| RX230 | 24872430 | Chip, 43 ohm 1/16W |
| RX232 | 24872103 | Chip 10k ohm 1/16W |
| BX233 | 24872103 | Chip, 10k ohm, 1/16W |
| BX234 | 24072103 | Chip, 100 ohm, 1/1000 |
| BX225 | 240/14/1 | Chip, 470 Ohm, 1/800 |
| BY226 | 240/22/1 | |
| 248/2222 | Chip, 2200 ohm, 1/1600 | |
| 248/14/1 | Chip, 4/0 ohm, 1/8W | |
| RX238 | 248/2680 | Chip, 68 ohm, 1/16W |
| RX239 | 248/24/0 | Chip, 47 ohm, 1/16W |
| RX241 | 248/2103 | Chip, 10k ohm, 1/16W |
| RX242 | 24872103 | Chip, 10k ohm, 1/16W |
| RX243 | 24871471 | Chip_470 ohm, 1/8W |
| RX244 | 24872271 | Chip, 270 ohm, 1/16W |
| RX245 | 24872222 | Chip, 2200 ohm, 1/16W |
| RX246 | 24871471 | Chip, 470 ohm, 1/8W |
| RX247 | 24872680 | Chip, 68 ohm, 1/16W |
| RX248 | 24872271 | Chip, 270 ohm, 1/16W |
| RX249 | 24872821 | Chip, 820 ohm, 1/16W |
| RX250 | 24872271 | Chip, 270 ohm, 1/16W |
| RX251 | 24872821 | Chip, 820 ohm, 1/16W |
| RX253 | 24872103 | Chip, 10k ohm, 1/16W |
| RX254 | 24872103 | Chip, 10k ohm, 1/16W |
| RX255 | 24872103 | Chip. 10k ohm 1/16W |
| RX256 | 24872103 | Chip, 10k ohm 1/16W |
| BX257 | 24872334 | Chip 33k ohm 1/16W |
| BX259 | 24872472 | Chip 4700 obm 1/16W |
| BX260 | 24872100 | Chip 10 obm 1/16W |
| BX261 | 24072100 | Chip, 10 ohn, 1/16W |
| BX262 | 24072103 | Chip, 10k ohm, 1/16W |
| BX263 | 24072103 | Chip, 10k ohm, 1/16W |
| RX264 | 24072103 | Chip, 10k ohm, 1/16W |
| RX266 | 24072103 | Chip, 10k Onth, 1/16W |
| DV267 | 240/24/2 | Chip, 4700 Ohm, 1/1600 |
| DV260 | 240/24/2 | Chip, 4700 ohm, 1/16W |
| 240/24/2 | Chip, 4700 onm, 1/1600 | |
| RX209 | 248/24/2 | Chip, 4700 ohm, 1/16W |
| RX270 | 248/24/2 | Chip, 4700 ohm, 1/16W |
| RX2/1 | 248/24/2 | Chip, 4700 ohm, 1/16W |
| RX272 | 24872472 | Chip, 4700 ohm, 1/16W |
| RX273 | 24872472 | Chip, 4700 ohm, 1/16W |
| RX274 | 24872472 | Chip, 4700 ohm, 1/16W |
| RX277 | 24872103 | Chip, 10k ohm, 1/16W |
| RX278 | 24872103 | Chip, 10k ohm, 1/16W |
| RX279 | 24872103 | Chip, 10k ohm, 1/16W |
| RX280 | 24872103 | Chip, 10k ohm, 1/16W |
| RX283 | 24872103 | Chip, 10k ohm, 1/16W |
| RX284 | 24872472 | Chip, 4700 ohm, 1/16W |
| RX286 | 24872274 | Chip, 270k ohm, 1/16W |
| RX287 | 24872271 | Chip, 270 ohm, 1/16W |
| RX288 | 24872332 | Chip, 3300 ohm, 1/16W |
| RX289 | 24872331 | Chip, 330 ohm. 1/16W |
| RX290 | 24872331 | Chip. 330 ohm. 1/16W |
| RX291 | 24872332 | Chip. 3300 ohm 1/16W |
| RX292 | 24872331 | Chip. 330 ohm 1/16W/ |
| RX293 | 24872102 | Chip. 1k ohm 1/16W/ |
| RX294 | 24872332 | Chip 3300 ohm 1/16W |
| RX295 | 24872333 | Chip. 33k ohm 1/16W |
| RX296 | 24872470 | Chip, 47 ohm 1/16W |
BX305
RX309
RX400
RX401
RX402
RX403
24872470 Chip, 47 ohm, 1/16W
24872102 Chip, 1k ohm, 1/16W
24872181 Chip, 180 ohm, 1/16W
24872471 Chip, 470 ohm, 1/16W
24872471 Chip, 470 ohm, 1/16W
24872101 Chip, 100 ohm, 1/16W
Location
|
Location
No |
Part No. | Description |
|---|---|---|
| RX404 | 24872102 | Chip, 1k ohm, 1/16W |
| RX405 | 24872221 | Chip, 220 ohm, 1/16W |
| RX406 | 24872221 | Chip, 220 ohm, 1/16W |
| RX408 | 24872221 | Chip, 220 ohm, 1/16W |
| RX409 | 24872221 | Chip, 220 ohm, 1/16W |
| RX413 | 24872100 | Chip, 10 ohm, 1/16W |
| RX415 | 24872100 | Chip, 10 ohm, 1/16W |
| RX511 | 24872681 | Chip, 680 ohm, 1/16W |
| RX512 | 24872103 | Chip, 10k ohm, 1/16W |
| RX514 | 248/2332 | Chip, 3300 ohm, 1/16W |
| BX602 | 248/2330 | Chip, 33 onm, 1/16W |
| BX603 | 24072330 | Chip, 33 Ohm, 1/16W |
| RX611 | 24872470 | Chip, 33 0111, 1/16W |
| RX612 | 24872470 | Chip 47 ohm 1/16W |
| RX613 | 24872470 | Chip, 47 ohm 1/16W |
| RX614 | 24872470 | Chip, 47 ohm, 1/16W |
| RX615 | 24872470 | Chip, 47 ohm, 1/16W |
| RX616 | 24872470 | Chip, 47 ohm, 1/16W |
| RX617 | 24872470 | Chip, 47 ohm, 1/16W |
| RX618 | 24872470 | Chip, 47 ohm, 1/16W |
| RX619 | 24872470 | Chip, 47 ohm, 1/16W |
| RX620 | 24872470 | Chip, 47 ohm, 1/16W |
| FX621 | 24872470 | Chip, 47 ohm, 1/16W |
| RX622 | 24872470 | Chip, 47 ohm, 1/16W |
| RX623 | 24872470 | Chip, 47 ohm, 1/16W |
| RX631 | 248/2470 | Chip, 47 ohm, 1/16W |
| RX632 | 248/24/0 | Chip, 47 ohm, 1/16W |
| RX624 | 248/24/0 | Chip, 47 ohm, 1/16W |
| RX635 | 248/24/0 | Chip. 47 onm, 1/16W |
| BX636 | 24872470 | Chip, 47 Ohm, 1/16W |
| BX637 | 24872470 | Chip, 47 chm, 1/16W |
| RX638 | 24872470 | Chip, 47 ohm, 1/16W |
| RX639 | 24872470 | Chip, 47 ohm, 1/16W |
| RX640 | 24872470 | Chip, 47 ohm, 1/16W |
| RX641 | 24872470 | Chip, 47 ohm, 1/16W |
| RX642 | 24872470 | Chip, 47 ohm, 1/16W |
| RX653 | 24872100 | Chip, 10 ohm, 1/16W |
| RX654 | 24872183 | Chip, 18k ohm, 1/16W |
| RX655 | 24872100 | Chip, 10 ohm, 1/16W |
| RX660 | 24872221 | Chip, 220 ohm, 1/16W |
| RX661 | 24872100 | Chip, 10 ohm, 1/16W |
| RX663 | 248/2100 | Chip, 10 ohm, 1/16W |
| RX/01 | 248/2183 | Chip, 18k ohm, 1/16W |
| RX705 | 24072100 | Chip, 10 ohm, 1/16W |
| RX711 | 24072100 | Chip, 10 0hm, 1/16W |
| BX712 | 24872100 | Chip, 10 ohm 1/16W |
| RX713 | 24872100 | Chip 100 ohm 1/16W |
| RX714 | 24872183 | Chip, 18k ohm, 1/16W |
| RX721 | 24872100 | Chip, 10 ohm, 1/16W |
| RX731 | 24872272 | Chip, 2700 ohm, 1/16W |
| RX732 | 24872392 | Chip, 3900 ohm, 1/16W |
| RX733 | 24872222 | Chip, 2200 ohm, 1/16W |
| RX734 | 24872682 | Chip, 6800 ohm, 1/16W |
| RX735 | 24872101 | Chip, 100 ohm, 1/16W |
| RX736 | 24872102 | Chip, 1k ohm, 1/16W |
| RX741 | 24872100 | Chip, 10 ohm, 1/16W |
| KX/42 | 24872100 | Chip, 10 ohm, 1/16W |
|
ΠΛ/44
ΒΥ745 |
248/2183 | Chip, 18k onm, 1/16W |
| R701 | 240/2100 | |
| RZ02 | 24366152 | CF 1500 obm |
| 24000102 |
| • | - | |||||
|---|---|---|---|---|---|---|
| P | ۰. | ٠ | ||||
| - | - | |||||
| - | π. | |||||
| Ł | - | ۲ | ||||
| μ. | - | |||||
| - | ||||||
| R. | ||||||
| - | 60 | |||||
| - | ||||||
| - | ||||||
| - | ||||||
| r | ۰. | |||||
| • | - 28 | |||||
| ۰. | ||||||
| - | ||||||
| ٠ | ||||||
| r | ||||||
| - | 1.5 | |||||
| а. | ||||||
| ~ | ||||||
| - | ||||||
| - | а | |||||
| ۰. | ||||||
| F | - | |||||
| F | - | |||||
| - | ||||||
| e | ||||||
| - | ||||||
| - | ||||||
| c | ۰. | |||||
| æ | ||||||
| - | ||||||
| ы | ||||||
| , | ||||||
| - 44 | ||||||
| R. | ||||||
| r | ~ | |||||
| • | ||||||
| ۰. | - | |||||
| - | ||||||
| - | ||||||
| - | ||||||
| 68 | ٠ | |||||
| ۰. | ||||||
| - | -1 | r | ||||
| ٠ | ||||||
| ο. | ||||||
| L | ||||||
| ~ | - 1 | |||||
| - | а | |||||
| - | - | - | ||||
| r | - | |||||
| F | s | ۰. | ٠ | |||
| I | ê | 1 | ŧ | 3 | ||
| l | ¢ | J | ŧ. | 2 | ||
| - | 1 | 8 | ||||
| ÷ | 4 |
| Location | Part No. | Description | |
| No. | |||
| RZ04 | 24366332 | CF. 3300 ohm | |
| RZ05 | 24366332 | CF. 3300 ohm | |
| RZ06 | 24366821 | CF, 820 ohm | |
| RZ07 | 24366222 | CF, 2200 ohm | Í |
| RZ08 | 24366302 | CF, 3k ohm | |
| RZ12 | 24366471 | CF, 470 ohm | |
| RZ18 | 24366821 | CF, 820 ohm | |
| RZ19 | 24366471 | CF, 470 ohm | |
| RZ20 | 24366122 | CF, 1200 ohm | i |
| RZ21 | 24366680 | CF, 68 ohm | |
| RZ22 | 24366101 | CF. 100 ohm | |
| RZ23 | 24366821 | CF, 820 ohm | Ì |
| RZ24 | 24366821 | CF, 820 ohm | |
| RZ25 | 24366101 | CF, 100 ohm | |
| RZ26 | 24366101 | CF, 100 ohm | |
| RZ28 | 24366821 | CF, 820 ohm | |
| RZ29 | 24366331 | CF, 330 ohm | |
| RZ30 | 24366331 | CF, 330 ohm | |
| RZ31 | 24366102 | CF, 1k ohm | |
| COILS & | TRANSFORI | MERS | |
| L101 | 23221803 | Coil, Choke, TLN3040D | |
| L200 | 23289479 | Coil, Peaking, TRF44R7AF | |
| L201 | 23238710 | Coil, Peaking, TRF4220AJ | |
| L201 | 23103845 | EMI, TEM2030AY | |
| L202 | 23103845 | EMI, TEM2030AY | |
| L202 | 23238708 | Coil, Peaking, TRF4330AJ | |
| L301 | 23103859 | Coil (Ferrite Bead), TEM2011 | |
| L333 | 23238702 | Coil, Peaking, TRF4101AJ | |
| L400 | 23289101 | Coil, Peaking, TRF4101AF | |
| L400 | 23221886 | Coil, Choke, TLN3073 | |
| L410 | 23103859 | Coil (Ferrite Bead), TEM2011 | |
| L441 | 23233982 | Coil, LIN, TLN2158AG | |
| L442 | 23248164 | Coil, Choke, TLN3437AD | |
| L443 | 23248199 | Coil, Choke, TLN3467AD | |
| L444 | 23248186 | Coil, Choke, LTN3346AD | |
| L449 | 23103859 | Coil (Ferrite Bead), TEM2011 | |
| L461 | 23248111 | Coil, Choke, TLN3349D | |
| L470 | 23103859 | Coil (Ferrite Bead), TEM2011 | |
| L491 | 23211923 | Coil, Choke, AT4043/100 | |
| L501 | 23289100 | Coil, Peaking, TRF4100AF | ۳ |
| L502 | 23103824 | Fiiter, TEM2028K | ŀ |
| L503 | 23289470 | Coil, Peaking, TRF4470AF | l |
| L510 | 23238718 | Coil, Peaking, TRF4479AJ | |
| L643 | 23103859 | Coil (Ferrite Bead), TEM2011 | |
| L645 | 23103859 | Coil (Ferrite Bead), TEM2011 | |
| L671 | 23103859 | Coil (Ferrite Bead), TEM2011 | l |
| L672 | 23103859 | Coil (Ferrite Bead), TEM2011 | |
| L676 | 23238562 | Coil, Peaking, TRF4109AJ | |
| L677 | 23238720 | Coil, Peaking, TRF4339AJ | I |
| L.682 | 23238562 | Coil, Peaking, TRF4109AJ | 1 |
| L683 | 23238562 | Coil, Peaking, TRF4109AJ | 1 |
| L684 | 23238562 | Coil, Peaking, TRF4109AJ | |
| L685 | 23238562 | Coil, Peaking, TRF4109AJ | l |
| L701 | 23289100 | Coll, Peaking, TRF4100AF | 1 |
| L702 | 23261974 | Coil, Choke, HC5-035 | |
| L704 | 23103859 | Coll (Ferrite Bead), TEM2011 | 1 |
| L705 | 23103859 | Coll (Ferrite Bead), TEM2011 | 1 |
| L811 | 23103859 | Coll (Ferrite Bead), TEM2011 | |
| 23221/47 | Coll, Choke, TRF9253D | 1 | |
| LOID | 23103937 | Coll (Ferrite Bead), TEM2004 | |
| 23280016 | Coll, Feaking, TRF4100AZ | ||
| 23103859 |
Coil (Ferrite Bead), TEM2011
Coil Peaking TRE410047 |
||
| 10/3 | 23200010 | CON, FEAKING, INF4100AZ | 1 |
|
Location
No. |
Part No. | Description |
|---|---|---|
| L876 | 23289100 | Coil, Peaking, TRF4100AF |
| L883 | 23221747 | Coil, Choke, TRF9253D |
| L885 | 23248073 | Coil, Choke, TLN3299D |
| L886 | 23103859 | Coil (Ferrite Bead), TEM2011 |
| L889 | 23222694 | Coil, Width, TLN2026 |
| L891 | 23103859 | Coil (Ferrite Bead), TEM2011 |
| L892 | 23103859 | Coil (Ferrite Bead), TEM2011 |
| L893 | 23280016 | Coil, Peaking, TRF4100AZ |
| L894 | 23289100 | Coil, Peaking, TRF4100AF |
| L896 | 23103859 | Coil (Ferrite Bead), TEM2011 |
| L897 | 23222694 | Coil, Width, TLN2026 |
| 77601 | 23200299 |
Coll, Degaussing, TSB-2370AR
(32MW8DG) |
| ∆L901 | 23200309 |
Coil, Degaussing, TSB-2374AR
(28MW8DG) |
| L902 | 23289101 | Coil, Peaking, TRF4101AF |
| L903 | 23289101 | Coil, Peaking, TRF4101AF |
| L904 | 23289101 | Coil, Peaking, TRF4101AF |
| L905 | 23289220 | Coil, Peaking, TRF4220AF |
| L906 | 23289220 | Coil, Peaking, TRF4220AF |
| L907 | 23289220 | Coil, Peaking, TRF4220AF |
| L908 | 23289100 | Coil, Peaking, TRF4100AF |
| L910 | 23289109 | Coll, Peaking, TRF41R0AF |
| L912 | 23289150 | Coll, Peaking, TRF4150AF |
| L913 | 23289150 | Coll, Peaking, TRF4150AF |
| L914 | 23289150 | Coll, Peaking, TRF4150AF |
| 23209101 | Coil Posking, TRE410TAF | |
| 23289080 | Coil Peaking, TRF4000AF | |
| 23289100 | Coil Peaking, TRE4100AF | |
| 1.005 | 23238562 | Coil Peaking TBF4109A |
| LC06 | 23103859 | Coil (Ferrite Bead), TEM2011 |
| LC07 | 23238562 | Coil. Peaking, TRF4109AJ |
| LC08 | 23238562 | Coil, Peaking, TRF4109AJ |
| LD81 | 23289479 | Coil, Peaking, TRF44R7AF |
| LD83 | 23103859 | Coil (Ferrite Bead), TEM2011 |
| LD89 | 23289470 | Coil, Peaking, TRF4470AF |
| LD102 | 23238714 | Coil, Peaking, TRF4100AJ |
| LF01 | 23238506 | Coil, Peaking, TRF4229AJ |
| LF02 | 23238506 | Coil, Peaking, TRF4229AJ |
| LF03 | 23238506 | Coil, Peaking, TRF4229AJ |
| LF04 | 23238506 | Coil, Peaking, TRF4229AJ |
| LF06 | 23238562 | Coil, Peaking, TRF4109AJ |
| LF07 | 23238562 | Coil, Peaking, TRF4109AJ |
| LF08 | 23238/14 | Coll, Peaking, TRF4100AJ |
| 23238714 | Coll, Peaking, TRF4100AJ | |
| 23238562 | Coll, Peaking, TRF4109AJ | |
| LETA | 23289109 | Coll, Peaking, TRF41RUAF |
| 23209100 | Coil Posking, TRF4100AF | |
| 23209100 | Coil Peaking, TRE4100AF | |
| 23289100 | Coil Peaking, TRE4100AF | |
| 23238709 | Coil Peaking, TRF4270A.I | |
| L002 | 23237991 | Coil, Peaking, TRF4479AC |
| LQ03 | 23289470 | Coil, Peaking, TRF4470AF |
| LQ04 | 23238718 | Coil, Peaking, TRF4479AJ |
| LR01 | 23289100 | Coil, Peaking, TRF4100AF |
| LR22 | 23103824 | Filter, TEM2028K |
| LV06 | 23238562 | Coil, Peaking, TRF4109AJ |
| LV07 | 23238562 | Coil, Peaking, TRF4109AJ |
| LV08 | 23289330 | Coil, Peaking, TRF4330AF |
| LV09 | 23289100 | Coil, Peaking, TRF4100AF |
| 23103824 | Filter, TEM2028K | |
| LVII | 23103824 | FIITER, TEIVIZUZ8K |
|
Location
No. |
Part No. | Description |
| 1\/12 | 22102924 | |
| 23103624 | Coll Docking TDE 1100AE | |
| 23289100 | ||
| 23289100 | Coll, Peaking, TRF4100AF | |
| LV49 | 23103824 | Filter, TEM2028K |
| LX201 | 23103822 | Chip (Ferrite Bead), TEM2117T |
| LX202 | 23103822 | Chip (Ferrite Bead), TEM2117T |
| LX204 | 23245829 | Chip Inductor, TRF48R2CB |
| LX205 | 23245835 | Chip Inductor, TRF4270CB |
| LX206 | 23245835 | Chip Inductor, TRF4270CB |
| LX208 | 23103822 | Chip (Ferrite Bead) TEM2117T |
| LX209 | 23103822 | Chip (Ferrite Bead) TEM2117T |
| 1 X211 | 23103822 | Chip (Ferrite Bead) TEM2117T |
| LX213 | 23103822 | Chip (Ferrite Bead), TEM2117T |
| 1 2215 | 20100022 | Chip (Ferrite Bead), TEM2117T |
| 23103022 | ||
| 23238/13 | Coll, Peaking, TRF4120AJ | |
| LX218 | 23245831 | Chip Inductor, TRF4120CB |
| LX219 | 23245831 | Chip Inductor, TRF4120CB |
| LX220 | 23103822 | Chip (Ferrite Bead), TEM2117T |
| LX221 | 23103822 | Chip (Ferrite Bead), TEM2117T |
| LX222 | 23103822 | Chip (Ferrite Bead), TEM2117T |
| LX223 | 23103822 | Chip (Ferrite Bead), TEM2117T |
| LX224 | 23103822 | Chip (Ferrite Bead). TEM2117T |
| LX230 | 23103822 | Chip (Ferrite Bead) TFM2117T |
| LX231 | 23245822 | Chip. Inductor 2 20H |
| LX232 | 23103922 | Chin (Ferrite Read) TEM2117T |
| 1 X 400 | 23739562 | Coil Posting TRE4100A |
| 23230302 | Chip Industor TRE42000 | |
| 23243623 | Chip Inductor, TRF43R9CB | |
| 23245625 | ||
| LX403 | 23238562 | Coil, Peaking, TRF4109AJ |
| LX404 | 23238562 | Coil, Peaking, TRF4109AJ |
| LX405 | 23238562 | Coil, Peaking, TRF4109AJ |
| LX406 | 23238562 | Coil, Peaking, TRF4109AJ |
| LX407 | 23238562 | Coil, Peaking, TRF4109AJ |
| LX408 | 23245818 | Chip Inductor, TRF41R0CB |
| LX409 | 23245818 | Chip Inductor, TRF41R0CB |
| LX511 | 23103822 | Chip (Ferrite Bead), TEM2117T |
| LX601 | 23103822 | Chip (Ferrite Bead), TEM2117T |
| LX611 | 23103822 | Chip (Ferrite Bead), TEM2117T |
| I X621 | 23103822 | Chip (Ferrite Bead) TEM2117T |
| 1 X 6 2 3 | 23103822 | Chip (Forrito Boad), TEM2117T |
| LX6/1 | 23103822 | Chip (Ferrite Bead), TEM2117T |
| 23103022 | Chip (Ferrite Bead), TEM211/1 | |
| 23103822 | Chip (Ferrite Bead), TEM211/1 | |
| 23103822 | Chip (Ferrite Bead), TEM21171 | |
| LX/31 | 23103822 | Chip (Ferrite Bead), TEM2117T |
| LZ01 | 23238712 | Coil, Peaking, TRF4150AJ |
| LZ02 | 23238716 | Coil, Peaking, TRF4689AJ |
| LZ03 | 23238716 | Coil, Peaking, TRF4689AJ |
| LZ04 | 23238709 | Coil, Peaking, TRF4270AJ |
| LZ05 | 23238716 | Coil, Peaking, TRF4689AJ |
| LZ06 | 23238709 | Coil, Peaking, TRF4270AJ |
| LZ07 | 23238709 | Coil, Peaking, TRF4270AJ |
| LZ08 | 23238707 | Coil, Peaking, TRF4390AJ |
| LZ09 | 70131060 | Filter, ZBF253D-00 |
| 1710 | 70131060 | Filter 7BF253D-00 |
| 1711 | 23280270 | Coil Peaking TREA270AE |
| T400 | 22203210 | Transformer Foous |
| 1400 | 20224004 | |
| T401 | 22224271 | Transformer Heriz Drive |
| 202240/1 | ||
| A T/61 | 22226517 | Transformer Elubast |
| 2323051/ | ||
| A T461 | 0000000 | THE SU/SAK (SZIVIV8DG) |
| 45 | 46 | | 23236537 | TED 41 49 A.B. (2014) 4(20.0) |
| T461 A | 00000++7 | TEB414ZAK (28MW8DG) |
| 1401A | 2323644/ | Cadle, Anode |
|
Location
No. |
Part No. | Description |
|---|---|---|
| T461B | 23236447 | Cable, Focus |
| T461C | 23236447 | Cable, Screen |
| T801 | 23211670 | Line Filter, TRF3164G |
| T802 | 23211670 | Line Filter, TRF3164G |
| T804 | 23211670 | Line Filter, TRF3164G |
| ∆ T863 | 23217359 | Transformer, Converter, |
| TPW3374AG | ||
| SEMICONDI | ICTORS | |
| 0200 | A6330059 | Transistor 2SC2482(C) |
| Q201 | A6541130 | Transistor 2SA1162-Y |
| Q203 | A6734590 | Transistor, 2SC752(G)TM-Y |
| Q204 | A6335470 | Transistor, 2SC2712-Y |
| Q205 | A6335470 | Transistor, 2SC2712-Y |
| Q205 | A6317440 | Transistor, 2SC1815-Y |
| Q207 | A6342206 | Transistor, 2SC2878-A(TE |
| Q208 | A6534053 | Transistor, 2SA1015-Y(TE |
| Q270 | A6002040 | Transistor, RN1204 |
| Q271 | A6002040 | Transistor, RN1204 |
| Q272 | A6012040 | Transistor, RN2204 |
| Q273 | A6317440 | Transistor, 2SC1815-Y |
| Q301 | 23905610 | IC, LA7846N |
| Q301B | /0391355 | Screw, BITTB3X8SZN |
| 0303 | A6534053 | Transistor, 2SA1015-Y(TE |
| 0304 | A631/440 | Transistor, 2SC1815-Y |
| 0331 | A6534053 | Transistor, 2SA1015-Y(TE |
| 0224 | A631/440 | Transistor, 2SC1815-Y |
| 0334 | A6319576 | Transistor, 2SC20/3FA-4 |
| 0261 | A6002040 | Transistor, RN1204 |
| 0362 | A6002040 | Transistor, RN1204 |
| 0370 | A6534053 | Transistor, 2SA1015-V/TE |
| Q402 | A6325419 | Transistor, 2SC2235-O(FA |
| Q404 | A6371775 | Transistor, 2SC5144 |
| Q404B | A8012650 | Spacer, AC263 |
| Q404D | 72471082 | Screw, BRDT2W3X10 SZN |
| Q418 | 23314141 | Transistor, 2SC3852 |
| Q418B | 70391355 | Screw, BITTB3X8SZN |
| Q420 | 23314141 | Transistor, 2SC3852 |
| Q420 | 23316816 | IC, LA7860 |
| Q420B | 70391355 | Screw, BITTB3X8SZN |
| Q421 | A6317440 | Transistor, 2SC1815-Y |
| Q430 | 23314141 | Transistor, 2SC3852 |
| Q430B | /0391356 | Screw, BITTB3X10 SZN |
| 04321 | A0002040 | |
| 04370 | DU3000003 |
IC, TATZ4TAN
Transistor 2001915 V |
| 04421 | Δ6002040 | Transistor BN1204 |
| 04423 | A6325419 | Transistor 2SC2235-O/FA |
| Q4490 | A8641063 | Photo Coupler TI P521-1 |
| Q4491 | 23314917 | FET. 2SK2003-01MR |
| Q4493 | A6317440 | Transistor, 2SC1815-Y |
| Q460 | 23314850 | Transistor, 2SA1788-E |
| Q460B | 23037312 | Screw, PB4X07X10SBN |
| Q462 | A6317440 | Transistor, 2SC1815-Y |
| Q470 | A6317440 | Transistor, 2SC1815-Y |
| Q487 | A6317440 | Transistor, 2SC1815-Y |
| Q488 | A6002040 | Transistor, RN1204 |
| Q489 | A6012020 | Transistor, RN2202 |
| 0501 | B0385990 | |
| 0502 | A63354/0 | Transistor, 2SC2/12-Y |
| 0510 | ADJJ54/U | Transistor, 25C2/12-Y |
| 0518 | A03354/U | Transistor 2902712-1 |
| , 10000470 |
| l | 4 | f | ł | Þ | ŝ | ||||
|---|---|---|---|---|---|---|---|---|---|
| 1 | ł | ŝ | ł | ||||||
| i | , | - | J | ||||||
| ľ | • | 4 | 2 | l | |||||
| ٣ | ł | ٠ | ×, | ||||||
| ľ | 4 | i | c | h | 1 | ||||
| L | ÷ | • | ۲ | i | |||||
| Ē | • | ۰ | * | • | ١ | ||||
| ſ | з | ||||||||
| ÷. | I | ||||||||
| ł | â | l | 1 | 1 | |||||
| Ē | C | ÷ | ÷ | з | |||||
| l | 2 | ŝ | 2 | 1 | |||||
| ľ | 1 | - | 1 | ||||||
| i | ÷ | 2 | 2 | 1 | ١ | ||||
| ľ | Ş | ÷ | ł | ||||||
| t | * | 1 | * | ł | |||||
| ľ | ĩ | ۰, | • | ł | |||||
| E | 2 | 3 | |||||||
| ۲ | 2 | 1 | 1 | ١ | |||||
| e | b | ł | |||||||
| ł | s, | 2 | í | ||||||
| 1 | 1 | ||||||||
| Ł | 2 | ì | |||||||
| C | J | ||||||||
| ł | ۰, | 5 | đ | ||||||
| ł | - | 1 | ÷ | ł | |||||
| L | J | ||||||||
| L | i, | ||||||||
| ľ | d | ł | 1 | ||||||
| L | 2 | ٢. | j | ||||||
| Ē | 2 | 2 | 3 | ||||||
| F | ľ | 1 | |||||||
| Ē | - | 2 | ł | ||||||
| Ē | - | 3 | |||||||
| ľ | Э | s | 2 | ١ | |||||
| L | 9 | P | j | ||||||
| ŀ | t | ۲ | 1 | f | 1 | ||||
| 2 | 1 | B | l | ||||||
| l | ~ | • | ł | ||||||
| ľ | ŝ | 1 | |||||||
| Ē | 2 | ì | 2 | ||||||
| ľ | 3 | P | ۲ | 2 | ١ | ||||
| L | ٠ | ١ | ŝ | ¢ | į | ||||
| h | ś | ŝ | e | ||||||
|
Location
No. |
Part No. | Description |
Location
No. |
Part No. | Description | |
| 0519 | A6534053 | Transistor 2SA1015-Y/TE | 0892 | A6317440 | Transistor 2SC1815 V | |
| Q611 | A6534053 | Transistor, 2SA1015-Y(TE | 0B93 | A6534053 | Transistor, 2501015-V/TE | |
| Q612 | A6534053 | Transistor, 2SA1015-Y(TE | 0B94 | A6534053 | Transistor 2SA1015-Y(TE | |
| Q640 | B0377341 | IC. TA8256H(V31 | 0B95 | A6534053 | Transistor 2SA1015-V(TE | |
| Q640B | 70391355 | Screw, BITTB3X8SZN | 0B96 | A6534053 | Transistor, 25A1015-1(TE | |
| Q641 | A6342206 | Transistor, 2SC2878-A(TE | OD01 | 23906068 | ||
| Q642 | A6342206 | Transistor, 2SC2878-A(TE | | | | 0002 | 23906069 | |
| Q643 | A6342206 | Transistor, 2SC2878-A(TE | 0D04 | A6030620 | IC TC7S04F | |
| Q670 | B0377341 | IC, TA8256H(V31 | OD05 | A6030620 | ||
| Q670B | 70391355 | Screw, BITTB3X8SZN | OD06 | 23906069 | IC AK4309AVM-E2 | |
| Q671 | A6342206 | Transistor, 2SC2878-A(TE | 0D07 | 23906069 | IC AK4309AVM-E2 | |
| Q672 | A6342206 | Transistor, 2SC2878-A(TE | QD08 | 23906585 | IC. NJM2058M-TE2 | |
| Q673 | A6342206 | Transistor, 2SC2878-A(TE | QD30 | B0385647 | IC. TA1217AN | |
| Q688 | A6002040 | Transistor, RN1204 | QD80 | 23314141 | Transistor, 2SC3852 | |
| Q705 | A6317440 | Transistor, 2SC1815-Y | QD81 | B0372560 | IC, TA78L005AP | |
| Q706 | A6317440 | Transistor, 2SC1815-Y | QD89 | A6335470 | Transistor, 2SC2712-Y | |
| Q707 | A6734590 | Transistor, 2SC752(G)TM-Y | QD102 | 70119743 | IC, PST523D | |
| Q709 | A6317440 | Transistor, 2SC1815-Y | QD103 | 23314314 | Transistor, XN4501 | |
| Q710 | A6534053 | Transistor, 2SA1015-Y(TE | QD201 | 23905560 | IC, M62420SP | |
| Q711 | 23314911 | Transistor, 2SB1569A | QF01 | 23906346 | IC, SDA5273-2S | |
| Q711B | 70391355 | Screw, BITTB3X8SZN | QF03 | 23314204 | Transistor, 2SC2412K,Q | |
| Q712 | 23314914 | Transistor, 2SD2400A | QF04 | A6734590 | Transistor, 2SC752(G)TM-Y | |
| Q712B | 70391355 | Screw, BITTB3X8SZN | QF10 | 23906641 | IC, AS4C14400 | |
| Q719 | A6319311 | Transistor, 2SC1959-Y(TE | QK05 | 23906179 | IC, MM1327XD | |
| Q801 | 23905084 | IC, STR-S6709 | QK06 | A6317440 | Transistor, 2SC1815-Y | |
| Q801B | 72471082 | Screw, BRDT2W3X10 SZN | QK07 | 70119743 | IC, PST523D | |
| Q802 | 23314141 | Transistor, 2SC3852 | QK08 | A6534053 | Transistor, 2SA1015-Y(TE | |
| ▲ Q826 | A8643108 | Photo Coupler, TLP621(GR-LF | QK10 | A6317440 | Transistor, 2SC1815-Y | |
| Q830 | 23314141 | Transistor, 2SC3852 | QK190 | A6317440 | Transistor, 2SC1815-Y | |
| Q830B | 70391355 | Screw, BITTB3X8SZN | QK191 | A6317440 | Transistor, 2SC1815-Y | |
| Q831 | 23314141 | Transistor, 2SC3852 | QK30 | A6317440 | Transistor, 2SC1815-Y | |
| Q831B | 70391355 | Screw, BIT⊤B3X8SZN | QK31 | A6317440 | Transistor, 2SC1815-Y | |
| Q832 | 23905977 | IC, PQ09RD11 | QK32 | A6317440 | Transistor, 2SC1815-Y | |
| Q832B | 70391355 | Screw, BIT⊤B3X8SZN | QQ01 | B0385755 | IC, TA1229N | |
| Q833 | 23314141 | Transistor, 2SC3852 | QQ02 | B0383881 | IC, TA8772AN | |
| Q833B | 70391355 | Screw, BITTB3X8SZN | 0003 | A6335470 | Transistor, 2SC2712-Y | |
| Q840 | 23318299 | IC, L/8MR05 | 0004 | A6335470 | Transistor, 2SC2712-Y | |
| Q840B | /0391356 | Screw, BITIB3X10 SZN | QR01 | B0386235 | ||
| Q901 | A0308/00 | Fransistor, 25C4544 | QRZI | A631/440 | Transistor, 25C 1815-Y | |
| 09018 | /0391355 | Screw, BITTB3X85ZIN | | | | 0601 | A6335470 | |
| 0902 | A0317440 | Transistor, 25C4544 | 0501 | A0342200 | Transistor, 25C2878-A(TE | |
| 0003P | 70201255 | Corow BITTP2V9C7N | 0502 | A0342200 | Transistor, 25C2878-A(TE | |
| 09030 | A6217440 | Transistor 25C1915 V | 0503 | A0342200 | Transistor, 25C2070-A(TE | |
| 0905 | A0317440 | Transistor, 25C1515-1 | 0505 | A0342200 | Transistor, 25C2070-A(TE | |
| 09058 | 70201255 | Sorow BITTR2Y8S7N | 0506 | A0342200 | Transistor, 25C2070-A(TE | |
| 0906 | A6217440 | Transistor 25C1915 V | 0507 | A0342200 | Transistor, 23C2878-A(TE | |
| 0907 | A6509154 | Transistor, 25C1015-1 | 0508 | A6342206 | Transistor, 25C2878 A/TE | |
| 0908 | A6321265 | Transistor, 25A3021W-T(T) | 0509 | A6342200 | Transistor, 25C2070-A(TE | |
| 0910 | A6317440 | Transistor, 25C2126 T(TE) | 0V01 | B0385650 | ||
| 0911 | A6317440 | Transistor, 2SC1815-Y | 0/02 | A6317440 | Transistor 2SC1815-Y | |
| 0912 | A6534053 | Transistor 2SA1015-Y(TE | | | | 01/06 | A6534053 | Transistor 2SA1015-Y(TE |
| 0913 | A6534053 | Transistor 2SA1015-Y(TE | 0V07 | A6342206 | Transistor 2SC2878-A(TE | |
| 0914 | A6317440 | Transistor 2SC1815-Y | | | | 0V08 | A6317440 | Transistor 2SC1815-Y |
| 0A01 | 23906726 | IC. TMP87CS38N-3606 | 0V09 | A6317440 | Transistor, 2SC1815-Y | |
| 0A02 | 23905320 | IC. NM24C16EN | QV10 | A6317440 | Transistor, 2SC1815-Y | |
| QA04 | A6002040 | Transistor, RN1204 | QV11 | A6534053 | Transistor, 2SA1015-Y(TE | |
| QA05 | A6734590 | Transistor, 2SC752(G)TM-Y | | | | QV12 | A6317440 | Transistor, 2SC1815-Y |
| QA06 | 70119743 | IC, PST523D | QV14 | A6317440 | Transistor, 2SC1815-Y | |
| QB01 | A6317440 | Transistor, 2SC1815-Y | QV80 | A6534053 | Transistor, 2SA1015-Y(TE | |
| QB30 | A6317440 | Transistor, 2SC1815-Y | QX201 | 23314204 | Transistor, 2SC2412K,Q | |
| QB81 | A6342206 | Transistor, 2SC2878-A(TE | QX202 | 23314204 | Transistor, 2SC2412K,Q | |
| QB82 | A6342206 | Transistor, 2SC2878-A(TE | QX204 | 23314202 | Transistor, 2SA1037K-Q | |
| QB83 | A6534053 | Transistor, 2SA1015-Y(TE | QX206 | 23314202 | Transistor, 2SA1037K-Q | |
| - • |
| No. | Part No. | Description |
|---|---|---|
| QX207 | 23905540 | IC, TDA8755T |
| QX209 | 23905541 | IC, SAA7165WP |
| QX210 | 23314202 | Transistor, 2SA1037K-O |
| QX211 | 23314204 | Transistor 2SC2412K O |
| QX212 | 23314202 | Transistor, 2562412K,0 |
| OX213 | 23314204 | Transistor, 25C2412K O |
| 0X214 | 23314204 | Transistor, 25A1027K O |
| 01214 | 23314202 | Transistor, 2SA103/K-Q |
| 0X210 | 23314204 | Transistor, 2SC2412K,Q |
| 0,7219 | 23906/3/ | IC, 83C654EBA584 |
| 0X220 | A6030871 | IC, TC7W04F(BRA) |
| QX221 | 23906467 | IC, SAA4952WP |
| UX222 | 23905013 | IC, TLC2932IPW |
| QX223 | 23905013 | IC, TLC2932IPW |
| QX224 | 23905013 | IC, TLC2932IPW |
| QX227 | A6030107 | IC, TC7S14F |
| QX228 | 70119743 | IC, PST523D |
| QX231 | 23314204 | Transistor, 2SC2412K,Q |
| QX232 | 23314204 | Transistor, 2SC2412K,Q |
| QX235 | B0370000 | IC, TA78L05F |
| QX411 | A6030630 | IC, TC7S08F |
| QX412 | A6030630 | IC, TC7S08F |
| QX511 | A6030871 | IC, TC7W04F(BRA) |
| QX512 | A6361770 | Transistor, 2SC3437-Y |
| QX601 | 23906466 | IC, SAA4991WP |
| QX611 | 23906484 | IC, BA033T |
| QX621 | 23906468 | IC, SAA4955TJ |
| QX641 | 23906468 | IC, SAA4955TJ |
| QX651 | A6030640 | IC, TC7S32F |
| QX710 | A6030630 | IC, TC7S08F |
| QX720 | A6030640 | IC, TC7S32F |
| QX730 | 23314527 | Transistor, XN4401 |
| QX731 | A6361770 | Transistor, 2SC3437-Y |
| QX740 | A6030640 | IC, TC7S32F |
| QZ01 | B0410688 | IC, TC9090AN |
| QZ02 | A6317440 | Transistor, 2SC1815-Y |
| QZ03 | A6317440 | Transistor, 2SC1815-Y |
| QZ04 | A6317440 | Transistor, 2SC1815-Y |
| QZ06 | A6317440 | Transistor, 2SC1815-Y |
| D101 | 23316411 | Diode, Zener, HZT33-12 |
| D201 | 23118041 | Diode, MA111-(TX) |
| D240 | 23316553 | Diode, 1SS145 |
| D301 | 23118479 | Diode, BYD33J |
| D302 | 23118479 | Diode, BYD33J |
| D303 | 23316794 | Diode, SC570A |
| D312 | 23115599 | Diode, 1N4148 |
| D370 | 23316658 | Diode, Zener, MTZJ3.6A |
| D371 | 23115599 | Diode, 1N4148 |
| D404 | 23357043 | Diode, FMQ-G5GS |
| D404C | /2471082 | Screw, BRDT2W3X10 SZN |
| D406 | 23118479 | Diode, BYD33J |
| D419 | 23316/16 | Diode, Zener, MTZJ11B |
| D420 | 23316/16 | Diode, Zener, MTZJ11B |
| D421 | 23316672 | Diode, Zener, MIZJ5.6B |
| D422 | 23316726 | Diode, Zener, MTZJ15C |
| D431 | 23316678 | Diode, Zener, MTZJ6.8B |
| D432 | 23316678 | Diode, Zener, MTZJ6.8B |
| D430 | 23115599 | |
| 2331668/ | Diode, Zener, MIZJ9.1B | |
| D444 | 231104/9 |
Diode, BYD33J
Diodo BYD22 - |
| D445 | 231104/9 | Diode, BYD33J |
| D400 | 231104/9 |
Diode, BTD33J
Diode, EMULC165 |
| D463 | 23310003 | Diode, FNID-G105 |
| D464 | 23316718 | Diode Zener MTZ 112A |
| 20010/10 | Didde, Zener, WITZUTZA |
|
Location
No. |
Part No. | Description |
|---|---|---|
| D466 | 23316672 | Diode, Zener, MTZJ5.6B |
| D467 | 23118479 | Diode, BYD33J |
| D474 | 23316719 | Diode, Zener, MTZJ12B |
| D486 | 23316731 | Diode, Zener, MTZJ18B |
| D490 | 23115599 | Diode, 1N4148 |
| D501 | 23115599 | Diode, 1N4148 |
|
D502
D611 |
23115599 |
Diode, 1N4148
Diode, 1N4148 |
| D612 | 23115599 | Diode, 1N4148 |
| D613 | 23115599 | Diode, 1N4148 |
| D615 | 23115599 | Diode, 1N4148 |
| D617 | 23115599 | Diode, 1N4148 |
| D618 | 23115599 | Diode, 1N4148 |
| D620 | 23115599 | Diode, 1N4148 |
| D621 | 23115599 | Diode, 1N4148 |
| D622 | 23115599 | Diode, 1N4148 |
| D641 | 23115599 |
Diode, 1N4148
Diode, 1N4148 |
| D642 | 23115599 | Diode, 1N4148 |
| D643 | 23115599 | Diode 1N4148 |
| D647 | 23115599 | Diode, 1N4148 |
| D648 | 23115599 | Diode, 1N4148 |
| D670 | 23115599 | Diode, 1N4148 |
| D671 | 23115599 | Diode, 1N4148 |
| D674 | 23115599 | Diode, 1N4148 |
| D675 | 23115599 | Diode, 1N4148 |
| D683 | 23115599 | Diode, 1N4148 |
| D685 | 23115599 |
Diode, IN4148
Diode, 1N4148 |
| D704 | 23115599 | Diode, 1N4148 |
| D705 | 23115599 | Diode, 1N4148 |
| D715 | 23115599 | Diode, 1N4148 |
| D721 | 23115599 | Diode, 1N4148 |
| D801 | 23357041 | Diode, LN6SB60-F05 |
| D801B | 70391355 | Screw, BITTB3X8SZN |
| D803 | 23118479 | Diode, BYD33J |
| D804 | 23316678 | Diode, Zener, MTZJ6.8B |
| D805 | 23115599 |
Diode, IN4148
Diodo BVD221 |
| D808 | 23118479 | Diode BYD331 |
| D810 | 23115599 | Diode, 1N4148 |
| D811 | 23115599 | Diode, 1N4148 |
| D812 | 23118451 | Diode, RU-4A |
| D815 | 23316725 | Diode, Zener, MTZJ15B |
| D828 | 23115599 | Diode, 1N4148 |
| D836 | 23316673 | Diode, Zener, MTZJ5,6C |
| D871 | 231184/9 |
Diode, BYD33J
Diode, EMI, C16S |
| D883B | 70391355 | Screw BITTB3X8S7N |
| D885 | 23316184 | Diode FML-G12S |
| D885B | 70391355 | Screw, BITTB3X8SZN |
| D891 | 23316184 | Diode, FML-G12S |
| D891B | 70391355 | Screw, BITTB3X8SZN |
| D892 | 23316184 | Diode, FML-G12S |
| D892B | 70391355 | Screw, BITTB3X8SZN |
|
D893
D893 |
23316673 | Diode, Zener, MTZJ5,6C |
| D896 | 233100/3 | Diode BYD331 |
| D901 | 23115599 | Diode, 1N4148 |
| D903 | 23115599 | Diode, 1N4148 |
| D904 | 23115599 | Diode, 1N4148 |
| D905 | 23115599 | Diode, 1N4148 |
| D906 | 23115599 | Diode, 1N4148 |
| DA0\ | 23115599 | Uiode, 1N4148 |
|
Location
No. |
Part No. | Description |
|---|---|---|
| D908 | 23115599 | Diode 1N4148 |
| D909 | 23115599 | Diode, 1N4148 |
| D910 | 23115599 | Diode, 1N4148 |
| D911 | 23118479 | Diode, BYD33J |
| D912 | 23115599 | Diode, 1N4148 |
| D913 | 23115599 | Diode, 1N4148 |
| D914 | 23115599 | Diode, 1N4148 |
| D4301 | 23316726 | Diode, Zener, MTZJ15C |
| D4371 | 23115599 | Diode, 1N4148 |
| D4386 | 23316718 | Diode, Zener, MTZJ12A |
| D4387 | 23316718 | Diode, Zener, MTZJ12A |
| D4388 | 23316718 | Diode, Zener, MTZJ12A |
| D4399 | 23115599 | |
| DB01 | 233300000 | |
| DB30 | 23336503 | Diode 1N4148 |
| DD81 | 23316661 | Diode Zener MTZ I3 9B |
| DF01 | 23316654 | Diode Zener MTZ-13.0A |
| DR01 | 23316666 | Diode, Zener, MTZJ4.7B |
| DR02 | 23115599 | Diode, 1N4148 |
| DV01 | 23316687 | Diode, Zener, MTZJ9.1B |
| DV02 | 23316687 | Diode, Zener, MTZJ9.1B |
| DV03 | 23316687 | Diode, Zener, MTZJ9.1B |
| DV04 | 23316687 | Diode, Zener, MTZJ9.1B |
| DV05 | 23316687 | Diode, Zener, MTZJ9.1B |
| DV06 | 23316687 | Diode, Zener, MTZJ9.1B |
| DV07 | 23316687 | Diode, Zener, MTZJ9.1B |
| DV10 | 23115599 | Diode, 1N4148 |
| 23115599 | Diode, IN4148 | |
| 23310007 | Diode, Zener, WIZJ9.1B | |
| DV00 | 23118041 | Diode MA111-(TX) |
| DX731 | 23118041 | Diode, MA111-(TX) |
| DX741 | 23118041 | Diode, MA111-(TX) |
| DX742 | 23118041 | Diode, MA111-(TX) |
| DZ01 | 23316690 | Diode, Zener, MTZJ10B |
| OUS | ||
| BB00A | 23903022 | Socket, 8P, 2.5 |
| BB01 | 23300027 |
Flug, 8F, 2.5
Socket 9P 2 5 |
| BB10 | 23903022 | Socket 8P 25 |
| BB10A | 23368627 | Plug 8P 25 |
| BB11 | 23903022 | Socket. 8P. 2.5 |
| BB20 | 23903022 | Socket, 8P, 2.5 |
| BB20A | 23368627 | Plug, 8P, 2.5 |
| BB21 | 23903022 | Socket, 8P, 2.5 |
| BB30 | 23903022 | Socket, 8P, 2.5 |
| BB30A | 23368627 | Plug, 8P, 2.5 |
| BB31 | 23903022 | Socket, 8P, 2.5 |
| BB40 | 23903022 | Socket, 8P, 2.5 |
| BB40A | 23368627 | Plug, 8P, 2.5 |
| BB41 | 23903022 | Socket, 8P, 2.5 |
| BBENA | 23303022 |
ουσκει, ος, 2.5
Ρίμα 8Ρ 2 5 |
| BB51 | 23903027 | Socket 8P. 25 |
| BB60 | 23903022 | Socket, 8P, 2.5 |
| BB60A | 23368627 | Plug, 8P, 2.5 |
| BB61 | 23903022 | Socket, 8P, 2.5 |
| BB70 | 23903022 | Socket, 8P, 2.5 |
| BB70A | 23368627 | Plug, 8P, 2.5 |
| BB71 | 23903022 | Socket, 8P, 2.5 |
| BB80 | 23903022 | Socket, 8P, 2.5 |
| RRSOA | 23368627 | Plug, 8P, 2.5 |
|
Location
No. |
Part No. | Description |
|---|---|---|
| BB81 | 23903022 | Socket, 8P, 2.5 |
| BB90 | 23903022 | Socket, 8P, 2.5 |
| BB90A | 23368627 | Plug, 8P, 2.5 |
| BB91 | 23903022 | Socket, 8P, 2.5 |
| B202 | 23470484 | Frame, Terminal |
| B221 | 23037312 | Screw, PB4X07X10SBN |
| B223 | 23035412 | Screw, BIB4X12SZN |
| 0224 | 2303/312 | Screw, PB4X07X10SBN |
| F470A | 23165433 |
Fuse, 1.25A
Holder Fuse |
| ∆F801 | 23144507 | Fuse, 3.15A |
| F801A | 23165433 | Holder, Fuse |
| ∿ F802 | 23144506 | Fuse, 2.5A |
| F802A | 23165433 | Holder, Fuse |
| £ F889 | 23144458 | Fuse, 5.0A |
| F889A | 23165433 | Holder, Fuse |
| G401 | 23103859 | Coil (Ferrite Bead), TEM2011 |
| G402 | 23103859 | Coll (Ferrite Bead), TEM2011 |
| G403 | 23103859 | Coll (Ferrite Bead), TEM2011 |
| G405 | 24366101 | CE 100 obm (32MW8DG) |
| G430 | A7568460 | Diode, TVR-1B |
| G465 | 23316672 | Diode, Zener, MTZJ5.6B |
| G510 | 23289479 | Coil, Peaking, TRF44R7AF |
| G601 | 23238714 | Coil, Peaking, TRF4100AJ |
| G602 | 23238714 | Coil, Peaking, TRF4100AJ |
| G4385 | 24367681 | CF, 680 ohm, ±2% (32MW8DG) |
| GF01 | 23238562 | Coil, Peaking, TRF4109AJ |
| GJ02 | 24000824 | Chip, Jumper, 2125 type |
| G105 | 24000824 | Chip, Jumper, 2125 type |
| GV05 | 24000624 | Coil Peaking TRE4109A L |
| GV13 | 24366681 | CE 680 ohm |
| GV17 | 23289109 | Coil, Peaking, TRF41R0AF |
| GV80 | 24366681 | CF, 680 ohm |
| GV81 | 24366681 | CF, 680 ohm |
| H002 | 23148326 | Module, MVGS49B, IFMPX |
| KB01 | 23904946 | Remote Sensor, |
| D 00 ( | RPM-676CBR-S | |
| P004 | 23161/02 | Terminal, 8P |
| P501A | 23903025 |
Socket, 25P
Socket, 25P |
| P661 | 23363607 | Headphone lack 3 5mm |
| NP801 | 23372014 | Power Cord |
| P831A | 23164965 | Plug, 4P |
| PD04 | 23364092 | Pin Jack |
| PD05 | A5812240 | IC, TORX176 |
| PD30 | 23368511 | Plug, 7P 2.5MM |
| PD30A | 23902742 | Socket, 7P |
| PD31 | 23367722 | Plug, 13P, 2.5MM |
| PD31A | 23902746 | Socket, 13P |
| PEOIA | 23902055 | Connector B B 15P |
| PK01A | 23902213 | Socket 10P 2 5MM |
| PK01B | 23368130 | Plug, 10P 2.5MM |
| PK02A | 23902655 | Socket, B-B, 15P |
| PK02B | 23367724 | Connector, B-B, 15P |
| PU01 | 23368634 | Plug, 25P 1.5MM |
| PU02 | 23368634 | Plug, 25P 1.5MM |
| PV03 | 23365515 |
Jack, SVHS
Bin Look Valley |
| PV04 | 23303252 | Fin Jack, reliow |
| PV11A | 23902863 | Socket 20P 2MM |
| PV11B | 23368520 | Plug, 20P 2MM |
| . |
| Location | Part No | Description | |
| No. | Tarrino. | Description | |
| PV01A | 00000055 | ||
| PX01A | 23902055 | Socket, B-B, 15P | |
| PY02A | 2330//24 | Connector, B-B, 15P | |
|
FAUZA
BY02B |
23902781 | Socket, 12P, 2.5MM | |
| P701A | 23308531 | Plug, 12P, 2.5MM | |
| P701P | 23902213 | Socket, TUP 2.5MM | |
| FZ01D | 23368130 | Plug, 10P 2.5MM | |
| A S901 | 23145355 | Switch, Slide, 4C-2P | |
| SA01 | 23344395 | Switch, Power | |
| 5401 | 23145430 | Switch, Push, 1C1P | |
| SAUZ | 23145430 | Switch, Push, 1C1P | |
| SAUS | 23145430 | Switch, Push, 1C1P | |
| 5404 | 23145430 | Switch, Push, 1C1P | |
| A V001 A | 23145430 | Switch, Push, 1C1P | |
| 23903027 | Socket, CRT, 8P (32MW8DG) | ||
| 23902891 | Socket, CRT, 10P (28MW8DG | ||
| 44001 | 23351116 | Speaker, SPK-1382, | |
| W/662 | 22251116 | Strachan OPK 1999 | |
| VV002 | 23351110 | Speaker, SPK-1382, | |
| 14/662 | 22251107 | Suz Izumm, 8 ohm | |
| 11003 | 23351107 | Speaker, SPK-13/4, | |
| MEEA | 22251107 | BUX 120mm, 8 ohm | |
| I | VV004 | 23351107 | Speaker, SPK-13/4, |
| I | 1//665 | 22251000 | BUX 120mm, 8 Ohm |
| I | 0005 | 23351080 | Speaker, SPK-1352, |
| V401 | 00450704 | 100x100mm, 6 ohm | |
| I | A401 | 23153721 | Ceramic Resonator, |
| X401 | 00150704 | 503kHz, TCR1023 | |
| l | A401 | 23153721 | Ceramic Resonator, |
| L | VE01 | 00450004 | 503kHz, TCR1023 |
| L |
X501
X502 |
23153961 | Crystal, 3.58MHz |
|
X503
XA01 |
23153979 | Crystal, 4.43MHz | |
| L | AUT | 23153325 | |
| L | VA101 | 22152225 | 8.00M, TCR1056 |
| L | 23153325 | ||
| VE01 | 22152424 | 8.00M, TCR1056 | |
| 23153421 | |||
|
XQ01
XX201 |
23153969 | ||
| L | 7201 | 23153930 | Crystal, 12.0MHz |
| L | 2201 | 23107519 | Ceramic Video Trap, |
| L | 7410 | 22110040 | 4.43MHz, ICF1066 |
| 2410 | 23110840 | Focus Pack, TPA6029, | |
| A 7420 | 22144520 | ||
| ľ | 2420 | 23144539 | Protector, PRF20005491, |
| L | A 7420 | 00144500 | IZSV, ZA |
| 4 | 12430 | 23144536 | Protector, PRF10005491, |
| 7001 | 22102000 | 125V, 1A | |
| L |
2001
0 7901 |
23103839 | Filter, TFE1012 |
| Ľ | A 7900 | 23904998 | |
| 4 | 2890 | 23144543 | Protector, PRF50005491, |
| L | A 7001 | 22144542 | IZ5V, 5A |
| 4 | 12091 | 23144543 | Protector, PRF50005491, |
| L | $ 7904 | 22144520 | 125V, 5A |
| ľ | L 2094 | 23144539 | Protector, PRF20005491, |
| 1 7906 | 22144520 | 125V, ZA | |
| Ľ | 17 2030 | 23144539 | Protector, PRF20005491, |
| 1 7907 | 22144520 | ||
| ľ | 23144539 | Frotector, PKF20005491, | |
| 7001 | 22107626 |
IZUV, ZA
Filtor TEM1000 |
|
| ZD101 | 2310/020 | Caramia Reconstant 0.00M | |
| 1 | 20101 | 20100020 | |
| ZK01 | 22262661 | ||
| ZK02 | 23202001 | Ceramia Reconstar 9 00M | |
| LIVE | 20100020 | ||
ZX201
23103823
Filter, TEM2027D
ZX301
23303181
Filter, TEM1012N
PC BOARD ASSEMBLIES
Dolby-D Board, PB8210Y-1
* U101A
23782135
Dolby-D Board, PB8210Y-2
* U101B
23782135
Dolby-D Board, PB8210Y-2
* U101A
2378235
VCD Board, PB8210Y-2
* U103
23782381
Digital-IN Board, PB8210Y-2
* U104A
23782381
Digital-Scan Board, PB8351X
* U105A
23782381
Digital-Scan Board, PB8351X
* U901
23782514
CRT Drive Board, PB8352X
(28MW8DG)
*
U902
23709659
* U902
23709659
Signal Board, PB8352X
(28MW8DG)
*
U902
23709659
* U902
23709659
Signal Board, PB8352X
(28MW8DG)
*
U904
23782373
VU904
23782373
POwer Board, PB7275N-1
(28MW8DG)
*
U904A
23782379
VU904B
23782379
CONT-1 Board, PB7275N-2
(28MW8DG)
* U904C
23782391
Back-T Board, PB7275N-3
(28MW8DG)
|
No.
|
Part No.
|
Description
|
|
|---|---|---|---|
| ZX301 23303181 Filter, TEM1012N ZX302 23303181 Filter, TEM1012N PC BOARD ASSEMBLIES | ZX201 | 23103822 | Filter TEM2027D |
ZX302
23303181
Filter, TEM1012N
PC BOARD ASSEMBLIES
|
ZX301 | 23303181 | Filter TEM1012N |
| PC BOARD ASSEMBLIES * U101A 23782134 Dolby-D Board, PB8210Y-1 * U101B 2378135 VCD Board, PB8059 * U101A 23782135 Digital-IN Board, PB8059 * U103 23781836 VCD Board, PB728W * U104A 23782381 Digital-Scan Board, PB7466Y * U901 23782382 CRT Drive Board, PB7466Y (28MW8DG) * U901 23782514 * U901 23782537 Power Board, PB8352X (28MW8DG) * U902 23796985 * U902 23796985 Signal Board, PB8352Y (28MW8DG) * U902 23782373 Power Board, PB7275H-1 (28MW8DG) * U904A 23782375 DEF Board, PB7275N-1 (28MW8DG) * U904B 23782379 * U904B 23782371 DEF Board, PB7275N-1 (28MW8DG) * U904C 2378238 * U904C 23782380 CONT-1 Board, PB7275N-2 (28MW8DG) * U904C 23782375 | ZX302 | 23303181 | Filter TEM1012N |
| PC BOARD ASSEMBLIES * U101A 23782134 Dolby-D Board, PB8210Y-1 * U101B 23782135 Digital-IN Board, PB8210Y-2 * U103 2378136 VCD Board, PB82517 * U104A 23782381 Digital-Scan Board, PB7466Y * U104A 23782392 CRT Drive Board, PB7212R * U901 23782514 CRT Drive Board, PB7212R * U902 23796985 Signal Board, PB8352X * U902 23796985 Signal Board, PB8352Y * U902 23709659 Signal Board, PB8352Y * U903 23782373 Power Board, PB7275H-1 * U904 23782517 DEF Board, PB7275N-1 (28MW8DG) * U904A 23782518 CONT-1 Board, PB7275N-2 (28MW8DG) * U904B * U904C 23782319 Back-T Board, PB7275N-3 (32MW8DG) * U904C * U904C 23782319 Back-T Board, PB7275N-3 (28MW8DG) * U904C * U905 23782319 Back-T Board, PB7276Y | 20000101 | ||
| * U101A 23782134 Dolby-D Board, PB8210Y-1 * U101B 23782135 Digital-IN Board, PB8210Y-2 * U103 2378136 VCD Board, PB3059 * U104A 23782157 Text Board, PB7928W * U105A 23782381 Digital-Scan Board, PB7466Y * U901 23782514 CRT Drive Board, PB7212R (28MW8DG) * U902 23796985 * U902 23796985 Signal Board, PB8352Y (28MW8DG) * U902 23709659 Signal Board, PB8352Y (28MW8DG) * U903 23782373 Power Board, PB7275H-1 (28MW8DG) * U904A 23782517 DEF Board, PB7275N-1 (28MW8DG) * U904A 23782518 CONT-1 Board, PB7275N-2 (28MW8DG) * U904B 23782379 CONT-2 Board, PB7275N-3 (32MW8DG) * U904C 23782380 CONT-2 Board, PB7275N-3 (32MW8DG) * U904C 23782374 DGI-COMB Board, PB7275N-3 (32MW8DG) * U905 23782375 Auto Live Board, PB7275N-3 (32MW8DG) * U906 23782374 DGI-COMB Board, PB8353X * U907 | PC BOARD | ASSEMB | LIES |
| ** U101B 23782135 Digital-IN Board, PB8210Y-2 ** U103 23781836 VCD Board, PB8059 ** U104A 23782381 Digital-Scan Board, PB7466Y ** U105A 23782392 CRT Drive Board, PB7466Y ** U901 23782514 CRT Drive Board, PB7212R ** U901 23782514 CRT Drive Board, PB7212R ** U902 23796985 Signal Board, PB8352X ** U902 23709659 Signal Board, PB8352Y ** U902 23709659 Signal Board, PB8352Y ** U903 23782373 Power Board, PB7275H-1 (28MW8DG) * U904A 23782517 U904A 23782518 CONT-1 Board, PB7275H-1 (28MW8DG) * U904E 23782518 * U904C 23782518 CONT-1 Board, PB7275H-2 (28MW8DG) * U904C 23782374 DGI-COMB Board, PB7275H-3 (28MW8DG) * U904C 23782375 Auto Live Board, PB7276Y DGI-COMB Board, PB353X * U905 23782374 DGI-COMB Board, PB353X (28MW8DG) * U907 23312707 Picture Tube, W76ESF031X44 (32MW8DG) | * U101A | 23782134 | Dolby-D Board, PB8210Y-1 |
* U103
23781836
VCD Board, PB8059
* U104A
23782157
Text Board, PB7928W
* U105A
23782392
CRT Drive Board, PB7466Y
(32MW8DG)
*
U901
23782514
CRT Drive Board, PB7212R
(28MW8DG)
*
U902
23796985
Signal Board, PB8352X
(32MW8DG)
*
U902
23796985
Signal Board, PB8352X
(28MW8DG)
*
U902
23709659
Signal Board, PB8352X
(28MW8DG)
*
U902
23709659
Signal Board, PB8352X
(28MW8DG)
*
U903
23782373
Power Board, PB8365X
(28MW8DG)
*
U904A
23782517
DEF Board, PB7275H-1
(32MW8DG)
*
U904B
23782518
CONT-1 Board, PB7275H-2
(28MW8DG)
*
U904C
23782319
CONT-2 Board, PB7275H-3
(28MW8DG)
*
U904C
23782374
DIGI-COMB Board, PB7275H-3
(28MW8DG)
*
U904C
23782375
Auto Live Board, PB7275H-3
(28MW8DG)
*
U904C
23782374
DIGI-COMB Board, PB7275Y-3
|
* U101B
|
23782135
|
Digital-IN Board, PB8210Y-2
|
|
| * U104A 23782157 Text Board, PB7928W * U105A 23782381 Digital-Scan Board, PB8351X * U901 23782392 CRT Drive Board, PB7466Y * U901 23782392 CRT Drive Board, PB7212R * U901 23782514 CRT Drive Board, PB8352X * U902 23796985 Signal Board, PB8352X * U902 23709659 Signal Board, PB8352Y * U903 23782373 Power Board, PB7275H-1 * U904A 23782379 POWer Board, PB7275N-1 (28MW8DG) * U904A 23782379 CONT-1 Board, PB7275N-1 (28MW8DG) * U904B 23782379 CONT-1 Board, PB7275N-2 (28MW8DG) * U904C 23782380 CONT-2 Board, PB7275N-2 (28MW8DG) * U904C * U904C 23782379 CONT-2 Board, PB7275N-3 (28MW8DG) * U904C * U904 23782519 CONT-2 Board, PB7275N-3 (28MW8DG) * U904C * U904 23782375 Auto Live Board, PB8353X * U907 2378 | * U103 | 23781836 | VCD Board, PB8059 |
| * U105A 23782381 Digital-Scan Board, PB351X * U901 23782392 CRT Drive Board, PB7466Y * U901 23782514 CRT Drive Board, PB7212R (28MW8DG) * U902 23796985 * U902 23796985 Signal Board, PB8352X (32MW8DG) * U902 23796985 * U902 23709659 Signal Board, PB8352Y (28MW8DG) * U903 23782373 Power Board, PB7275H-1 (28MW8DG) * U904A 23782517 DEF Board, PB7275N-1 (28MW8DG) * U904A 23782518 * U904B 23782518 CONT-1 Board, PB7275N-2 (28MW8DG) * U904C 23782380 * U904C 23782318 Boch-1 Board, PB7275N-3 (32MW8DG) * U904C 23782380 CONT-2 Board, PB7275N-3 (32MW8DG) * U904C 23782375 Auto Live Board, PB8353X * U905 23782371 Back-T Board, PB7276Y * U904 23782375 Auto Live Board, PB8354X PICTURE TUBE | * U104A | 23782157 | Text Board, PB7928W |
| * U901 23782392 CRT Drive Board, PB7466Y (32MW8DG) * U901 23782514 CRT Drive Board, PB7212R (28MW8DG) * U902 23796985 Signal Board, PB8352X (32MW8DG) * U902 23709659 Signal Board, PB8352Y (28MW8DG) * U902 23709659 Signal Board, PB8366X * U903 23782373 Power Board, PB7275H-1 (32MW8DG) * U904A 23782377 DEF Board, PB7275H-1 (32MW8DG) * U904A 23782377 CONT-1 Board, PB7275H-2 (32MW8DG) * U904B 23782378 CONT-1 Board, PB7275H-2 (32MW8DG) * U904B 23782380 CONT-2 Board, PB7275H-2 (28MW8DG) * U904C 23782380 CONT-2 Board, PB7275N-3 (28MW8DG) * U904C 23782391 Back-T Board, PB7275N-3 (28MW8DG) * U905 23782375 Auto Live Board, PB353X * U905 23782375 Auto Live Board, PB3553X * U905 23782375 Auto Live Board, PB354X PICTURE TUBE | * U105A | 23782381 | Digital-Scan Board, PB8351X |
|
* U901
23782514
CRT Drive Board, PB7212R
(28MW8DG) * U902 23796985 Signal Board, PB8352X (32MW8DG) * U902 237096985 Signal Board, PB8352Y (28MW8DG) * U903 23782373 Power Board, PB8366X * U904A 23782378 DEF Board, PB7275H-1 (32MW8DG) * U904A 23782379 CONT-1 Board, PB7275N-1 (28MW8DG) * U904B 23782379 CONT-1 Board, PB7275N-2 (32MW8DG) * U904B 23782379 CONT-1 Board, PB7275N-2 (28MW8DG) * U904C 23782380 CONT-2 Board, PB7275N-3 (32MW8DG) * U904C 23782381 CONT-2 Board, PB7275N-3 (32MW8DG) * U904C 23782391 Back-T Board, PB7275N-3 (28MW8DG) * U905 23782391 Back-T Board, PB7276Y * U906 23782375 Auto Live Board, PB8353X * U907 23782375 Auto Live Board, PB8354X PICTURE TUBE △ V901 23312708 Picture Tube, W76ESF031X44 (32MW8BG) (28MW8BG) TUNER H001 23306176 H001 2330572 Battery Cover Y101 Y102 23563452 Owner's Manual, |
* U901 | 23782392 |
CRT Drive Board, PB7466Y
(32MW8DG) |
|
* U902
23796985
Signal Board, PB8352X
(32MW8DG) * U902 23709659 Signal Board, PB8352Y (28MW8DG) * U903 23782373 Power Board, PB8366X * U904A 23782378 DEF Board, PB7275H-1 (32MW8DG) U904A 23782517 DEF Board, PB7275N-1 (28MW8DG) * U904B 23782517 DEF Board, PB7275N-2 (28MW8DG) * U904B 23782518 CONT-1 Board, PB7275N-2 (28MW8DG) * U904C 23782519 CONT-2 Board, PB7275N-3 (32MW8DG) * U904C 23782519 CONT-2 Board, PB7275N-3 (28MW8DG) * U904C 23782519 CONT-2 Board, PB7275N-3 (28MW8DG) * U905 23782374 DIGI-COMB Board, PB7276Y DIGI-COMB Board, PB8353X * U907 23782375 Auto Live Board, PB8354X PICTURE TUBE △ V901 23312708 Picture Tube, W76ESF031X44 (32MW8DG) △ V901 23312727 Picture Tube, W66ESF002X44 (28MW8DG) ▲ V901 23321316 Tuner, EGA21LX2 ACCESSORIES K902 (2306176 Remote Hand Unit, CT-9868 Battery Cover Y101 M102 23563452 Owner's Manual, English, 32/ |
* U901 | 23782514 |
CRT Drive Board, PB7212R
(28MW8DG) |
|
* U902
23709659
Signal Board, PB8352Y
(28MW8DG) * U903 23782373 Power Board, PB8366X * U904A 23782378 DEF Board, PB7275H-1 (32MW8DG) U904A 23782517 DEF Board, PB7275N-1 (28MW8DG) * U904B 23782379 CONT-1 Board, PB7275N-2 (32MW8DG) * U904B 23782518 CONT-1 Board, PB7275N-2 (28MW8DG) * U904C 23782519 CONT-2 Board, PB7275N-3 (32MW8DG) * U904C 23782519 CONT-2 Board, PB7275N-3 (28MW8DG) * U904C 23782519 CONT-2 Board, PB7275N-3 (28MW8DG) * U905 23782375 Auto Live Board, PB7276Y * U906 23782375 Auto Live Board, PB8353X * U907 23312707 Picture Tube, W76ESF031X44 (32MW8DG) & V901 23312727 Picture Tube, W66ESF002X44 (28MW8DG) & V901 23321316 Tuner, EGA21LX2 ACCESSORIES K902 23306176 AT04 23305572 Battery Cover Y101 23563452 Owner's Manual, English, 32/28MW8G Y102 23563453 Owner's Manual, German, 32/28MW8G Y103 235634 |
* U902 | 23796985 |
Signal Board, PB8352X
(32MW8DG) |
| * U903 23782373 Power Board, PB8366X * U904A 23782378 DEF Board, PB7275H-1 (32MW8DG) U904A 23782517 DEF Board, PB7275N-1 (28MW8DG) * U904B 23782517 DEF Board, PB7275N-2 * U904B 23782518 CONT-1 Board, PB7275N-2 (32MW8DG) * U904B 23782518 CONT-1 Board, PB7275N-2 (28MW8DG) * U904C 23782519 CONT-2 Board, PB7275N-3 (32MW8DG) * U904C 23782519 CONT-2 Board, PB7275N-3 (32MW8DG) * U904C 23782391 Back-T Board, PB7275N-3 (28MW8DG) * U905 23782391 Back-T Board, PB7276Y YU906 * U906 23782375 Auto Live Board, PB8353X * U907 23782375 Auto Live Board, PB8354X PICTURE TUBE Picture Tube, W76ESF031X44 (32MW8DG) & V901 23312708 Picture Tube, W76ESF032X44 & V901 23312727 Picture Tube, W66ESF002X44 (28MW8DG) Y011 23321316 Tuner, EGA21LX2 ACCESSORIES K902 23306176 Remote Hand Unit, CT-9868 Ba | * U902 | 23709659 |
Signal Board, PB8352Y
(28MW8DG) |
|
* U904A
23782378
DEF Board, PB7275H-1
(32MW8DG) U904A 23782517 DEF Board, PB7275N-1 (28MW8DG) * U904B 23782517 CONT-1 Board, PB7275H-2 (32MW8DG) * U904B 23782518 CONT-1 Board, PB7275N-2 (28MW8DG) * U904C 23782380 CONT-2 Board, PB7275N-3 (32MW8DG) * U904C 23782391 Back-T Board, PB7275N-3 (28MW8DG) * U904C 23782391 Back-T Board, PB7276Y * U905 23782375 DIGI-COMB Board, PB8353X * U907 23782375 Auto Live Board, PB8354X PICTURE TUBE Auto Live Board, PB8354X PICTURE TUBE Picture Tube, W76ESF031X44 (32MW8DG) & V901 23312707 Picture Tube, W76ESF031X44 (32MW8DG) & V901 23312727 Picture Tube, W66ESF002X44 (28MW8DG) MV901 23312727 Picture Tube, W66ESF002X44 (28MW8DG) MV901 23306176 Remote Hand Unit, CT-9868 Battery Cover Y101 Sa563452 Moner's Manual, English, 32/28MW8G Su2/28MW8G Y103 Y103 23563454 Owner's Manual, German, 32/28MW8G Y104 23563455 Owner's Manual, Italian, 32/28MW8G | * U903 | 23782373 | Power Board PB8366Y |
|
U904A
23782517
DEF Board, PB7275N-1
(28MW8DG) * U904B 23782517 CONT-1 Board, PB7275N-2 (32MW8DG) * U904B 23782518 CONT-1 Board, PB7275N-2 (28MW8DG) * U904C 23782380 CONT-2 Board, PB7275N-3 (32MW8DG) * U904C 23782519 CONT-2 Board, PB7275N-3 (28MW8DG) * U904C 23782391 Back-T Board, PB7276Y * U905 23782374 DIGI-COMB Board, PB8353X * U907 23782375 Auto Live Board, PB8354X PICTURE TUBE △ V901 23312708 Picture Tube, W76ESF031X44 (32MW8DG) △ V901 23312707 Picture Tube, W66ESF002X44 (28MW8DG) △ V901 23312727 Picture Tube, W66ESF002X44 (28MW8DG) ▲ V901 23321316 Tuner, EGA21LX2 ACCESSORIES K902 23306176 Aremote Hand Unit, CT-9868 AT04 23305572 Battery Cover Y101 23563453 Owner's Manual, English, 32/28MW8G Y102 23563453 Owner's Manual, German, 32/28MW8G Y104< |
* U904A | 23782378 | DEF Board, PB7275H-1 |
|
U904A
23782517
DEF Board, PB7275N-1
(28MW8DG) * U904B 23782379 CONT-1 Board, PB7275N-2 (32MW8DG) * U904B 23782518 CONT-1 Board, PB7275N-2 (28MW8DG) * U904C 23782380 CONT-2 Board, PB7275N-3 (32MW8DG) * U904C 23782519 CONT-2 Board, PB7275N-3 (28MW8DG) * U905 23782391 Back-T Board, PB7276Y * U906 23782374 DIGI-COMB Board, PB8353X * U907 23782375 Auto Live Board, PB8354X PICTURE TUBE △ V901 23312708 Picture Tube, W76ESF031X44 (32MW8DG) △ V901 23312727 Picture Tube, W66ESF002X44 (28MW8DG) △ V901 23312727 Picture Tube, W66ESF002X44 (28MW8DG) ▲ V901 23321316 Tuner, EGA21LX2 ACCESSORIES K902 23306176 Arto4 23305572 Battery Cover Y101 23563452 Owner's Manual, English, 32/28MW8G Y102 23563453 Owner's Manual, German, 32/28MW8G Y104 23563455 |
(32MW8DG) | ||
|
* U904B
23782379
CONT-1 Board, PB7275H-2
(32MW8DG) * U904B 23782518 CONT-1 Board, PB7275N-2 (28MW8DG) * U904C 23782380 CONT-2 Board, PB7275H-3 (32MW8DG) * U904C 23782519 CONT-2 Board, PB7275N-3 (32MW8DG) * U904C 23782391 Back-T Board, PB7276Y * U905 23782374 DIGI-COMB Board, PB8353X * U907 23782375 Auto Live Board, PB8354X PICTURE TUBE △ V901 23312708 Picture Tube, W76ESF031X44 (32MW8DG) ▲ V901 23312727 Picture Tube, W66ESF002X44 (28MW8DG) ▲ V901 23312727 Picture Tube, W66ESF002X44 (28MW8DG) ▲ V901 23306176 Remote Hand Unit, CT-9868 AT04 23305572 Battery Cover Y101 23563452 Y102 23563453 Owner's Manual, English, 32/28MW8G Y103 23563454 Owner's Manual, German, 32/28MW8G Y104 23563455 Owner's Manual, Italian, 32/28MW8G |
U904A | 23782517 |
DEF Board, PB7275N-1
(28MW8DG) |
|
* U904B
23782518
CONT-1 Board, PB7275N-2
(28MW8DG) * U904C 23782380 CONT-2 Board, PB7275H-3 (32MW8DG) * U904C 23782519 CONT-2 Board, PB7275N-3 (28MW8DG) * U905 23782391 Back-T Board, PB7276Y * U906 23782375 Auto Live Board, PB8353X * U907 23782375 Auto Live Board, PB8354X PICTURE TUBE △ V901 23312708 Picture Tube, W76ESF031X44 (32MW8DG) △ V901 23312707 Picture Tube, W66ESF002X44 (28MW8DG) ▲ V901 23312727 Picture Tube, W66ESF002X44 (28MW8DG) ▲ V901 23321316 Tuner, EGA21LX2 ACCESSORIES K902 23306176 Remote Hand Unit, CT-9868 AT04 23305572 Battery Cover Y101 23563452 Owner's Manual, English, 32/28MW8G Y102 23563453 Owner's Manual, German, 32/28MW8G Y103 23563454 Owner's Manual, Italian, 32/28MW8G Y104 23563455 Owner's Manual, Italian, 32/28MW8G |
* U904B | 23782379 |
(20000800)
CONT-1 Board, PB7275H-2 |
|
* U904C
23782380
CONT-2 Board, PB7275H-3
(32MW8DG) * U904C 23782519 CONT-2 Board, PB7275N-3 (28MW8DG) * U905 23782391 Back-T Board, PB7276Y * U906 23782374 DIGI-COMB Board, PB8353X * U907 23782375 Auto Live Board, PB8354X PICTURE TUBE ▲ V901 23312708 Picture Tube, W76ESF031X44 (32MW8DG) ▲ V901 23312727 Picture Tube, W66ESF002X44 (28MW8DG) ▲ V901 23312727 Picture Tube, W66ESF002X44 (28MW8DG) TUNER H001 23321316 Funer, EGA21LX2 ACCESSORIES K902 23306176 K902 23306176 AT04 23305572 Battery Cover Y101 23563452 Y102 23563453 Owner's Manual, English, 32/28MW8G Y103 23563454 Owner's Manual, German, 32/28MW8G Y104 23563455 Owner's Manual, Italian, 32/28MW8G |
* U904B | 23782518 |
(SZIVIVV8DG)
CONT-1 Board, PB7275N-2 |
|
(32MW8DG)
* U904C
23782519
CONT-2 Board, PB7275N-3
(28MW8DG) * U905 23782391 Back-T Board, PB7276Y * U906 23782374 DIGI-COMB Board, PB8353X * U907 23782375 Auto Live Board, PB8354X PICTURE TUBE △ V901 23312708 Picture Tube, W76ESF031X44 (32MW8DG) △ V901 23312727 Picture Tube, W66ESF002X44 (28MW8DG) TUNER H001 23321316 Tuner, EGA21LX2 ACCESSORIES K902 23306176 AT04 23305572 Battery Cover Y101 23563453 Owner's Manual, English, 32/28MW8G Y103 23563454 Y104 23563455 Owner's Manual, German, 32/28MW8G |
* U904C | 23782380 |
(28MW8DG)
CONT-2 Board, PB7275H-3 |
| (28MW8DG) * U905 23782391 Back-T Board, PB7276Y * U906 23782374 DIGI-COMB Board, PB8353X * U907 23782375 Auto Live Board, PB8354X PICTURE TUBE △ V901 23312708 Picture Tube, W76ESF031X44 (32MW8DG) 23312727 Picture Tube, W66ESF002X44 △ V901 23312727 Picture Tube, W66ESF002X44 (28MW8DG) Picture Tube, W66ESF002X44 ▲ V901 23321316 Tuner, EGA21LX2 ACCESSORIES K902 23306176 Remote Hand Unit, CT-9868 AT04 23305572 Battery Cover Y101 23563453 Owner's Manual, English, 32/28MW8G Y102 23563453 Owner's Manual, German, 32/28MW8G Y103 23563454 Owner's Manual, Italian, 32/28MW8G Y104 23563455 Owner's Manual, Italian, 32/28MW8G | * U904C | 23782519 |
(32MW8DG)
CONT-2 Board, PB7275N-3 |
| * 0905 23782391 Back-1 Board, PB7276Y * 0906 23782374 DIGI-COMB Board, PB8353X * 0907 23782375 Auto Live Board, PB8354X PICTURE TUBE △ V901 23312708 Picture Tube, W76ESF031X44 (32MW8DG) △ V901 23312727 Picture Tube, W66ESF002X44 (28MW8DG) TUNER H001 23321316 Tuner, EGA21LX2 ACCESSORIES K902 23306176 Remote Hand Unit, CT-9868 AT04 23305572 Battery Cover Y101 23563453 Owner's Manual, English, 32/28MW8G Y102 23563454 Owner's Manual, German, 32/28MW8G Y104 23563455 Owner's Manual, Italian, 32/28MW8G | * LI005 | 20700004 | (28MW8DG) |
| ★ 0906 23/823/4 DIGI-COMB Board, PB8353X ★ 0907 23782375 Auto Live Board, PB8354X PICTURE TUBE ▲ V901 23312708 Picture Tube, W76ESF031X44 (32MW8DG) Auto Live Board, PB8353X ▲ V901 23312708 Picture Tube, W76ESF031X44 (32MW8DG) Picture Tube, W66ESF002X44 ▲ V901 23312727 Picture Tube, W66ESF002X44 (28MW8DG) Picture Tube, W66ESF002X44 TUNER H001 23321316 Tuner, EGA21LX2 ACCESSORIES K902 23306176 Remote Hand Unit, CT-9868 AT04 23305572 Battery Cover Y101 23563452 Owner's Manual, English, 32/28MW8G Y102 23563453 Owner's Manual, German, 32/28MW8G Y104 23563455 Owner's Manual, Italian, 32/28MW8G |
本 U905
* U006 |
23/82391 | Back-1 Board, PB7276Y |
| PICTURE TUBE ▲ V901 23312708 Picture Tube, W76ESF031X44 (32MW8DG) ▲ V901 23312727 Picture Tube, W66ESF002X44 (28MW8DG) TUNER H001 23321316 Tuner, EGA21LX2 ACCESSORIES K902 23306176 Remote Hand Unit, CT-9868 AT04 23305572 Battery Cover Y101 23563452 Owner's Manual, English, 32/28MW8G Y102 23563453 Y103 23563454 Y104 23563455 |
* U906
* U907 |
23/823/4 | DIGI-COMB Board, PB8353X |
|
PICTURE TUBE
▲ V901
23312708
Picture Tube, W76ESF031X44
(32MW8DG) ▲ V901 23312727 Picture Tube, W66ESF002X44 (28MW8DG) ▲ V901 23321376 Tuner, EGA21LX2 TUNER H001 23306176 Remote Hand Unit, CT-9868 AT04 23305572 Battery Cover Y101 23563452 Owner's Manual, English, 32/28MW8G Y102 23563453 Owner's Manual, German, 32/28MW8G Y103 23563455 Owner's Manual, Italian, 32/28MW8G Y104 23563455 Owner's Manual, Italian, 32/28MW8G |
23/023/3 | Auto Live Board, FB8354X | |
| ▲ V901 23312708 Picture Tube, W76ESF031X44 (32MW8DG) ▲ V901 23312727 Picture Tube, W66ESF002X44 ▲ V901 23312727 Picture Tube, W66ESF002X44 (28MW8DG) Picture Tube, W66ESF002X44 (28MW8DG) TUNER H001 23321316 Tuner, EGA21LX2 ACCESSORIES K902 23306176 K902 23305572 Battery Cover Y101 23563452 Owner's Manual, English, 32/28MW8G Y102 23563453 Owner's Manual, French, 32/28MW8G Y103 23563454 Owner's Manual, German, 32/28MW8G Y104 23563455 Owner's Manual, Italian, 32/28MW8G | PICTURE TU | JBE | |
|
▲ V901
23312727
Picture Tube, W66ESF002X44
(28MW8DG) TUNER H001 23321316 Tuner, EGA21LX2 ACCESSORIES K902 23306176 Remote Hand Unit, CT-9868 AT04 23305572 Battery Cover Y101 23563452 Owner's Manual, English, 32/28MW8G Y102 23563453 Owner's Manual, French, 32/28MW8G Y103 23563454 Owner's Manual, German, 32/28MW8G Y104 23563455 Owner's Manual, Italian, 32/28MW8G |
∆V901 | 23312708 |
Picture Tube, W76ESF031X44
(32MW8DG) |
| K901 23321316 Tuner, EGA21LX2 ACCESSORIES Remote Hand Unit, CT-9868 AT04 23305572 Battery Cover Y101 23563452 Owner's Manual, English, 32/28MW8G Y102 23563453 Owner's Manual, French, 32/28MW8G Y103 23563454 Owner's Manual, German, 32/28MW8G Y104 23563455 Owner's Manual, Italian, 32/28MW8G | ∕∆ V901 | 23312727 |
Picture Tube, W66ESF002X44
(28MW8DG) |
| H001 23321316 Tuner, EGA21LX2 ACCESSORIES K902 23306176 Remote Hand Unit, CT-9868 AT04 23305572 Battery Cover Y101 23563452 Owner's Manual, English, 32/28MW8G Y102 23563453 Owner's Manual, French, 32/28MW8G Y103 23563454 Owner's Manual, German, 32/28MW8G Y104 23563455 Owner's Manual, Italian, 32/28MW8G | |||
| Huur 23321316 Tuner, EGA21LX2 ACCESSORIES K902 23306176 Remote Hand Unit, CT-9868 AT04 23305572 Battery Cover Y101 23563452 Owner's Manual, English, 32/28MW8G Y102 23563453 Owner's Manual, French, 32/28MW8G Y103 23563454 Owner's Manual, German, 32/28MW8G Y104 23563455 Owner's Manual, Italian, 32/28MW8G | - | ||
|
ACCESSORIES
K902
23306176
Remote Hand Unit, CT-9868
AT04
23305572
Battery Cover
Y101
23563452
Owner's Manual, English,
32/28MW8G Y102 23563453 Owner's Manual, French, 32/28MW8G Y103 23563454 Owner's Manual, German, 32/28MW8G Y104 23563455 Owner's Manual, Italian, 32/28MW8G |
H001 | 23321316 | Tuner, EGA21LX2 |
|
K902
23306176
Remote Hand Unit, CT-9868
AT04
23305572
Battery Cover
Y101
23563452
Owner's Manual, English,
32/28MW8G Y102 23563453 Owner's Manual, French, 32/28MW8G Y103 23563454 Owner's Manual, German, 32/28MW8G Y104 23563455 Owner's Manual, Italian, 32/28MW8G |
ACCESSORI | ES | |
|
AT0423305572Battery CoverY10123563452Owner's Manual, English,
32/28MW8GY10223563453Owner's Manual, French, 32/28MW8GY10323563454Owner's Manual, German, 32/28MW8GY10423563455Owner's Manual, Italian, 32/28MW8G |
K902 | 23306176 | Remote Hand Unit, CT-9868 |
|
Y101
23563452
Owner's Manual, English,
32/28MW8G Y102 23563453 Owner's Manual, French, 32/28MW8G Y103 23563454 Owner's Manual, German, 32/28MW8G Y104 23563455 Owner's Manual, Italian, 32/28MW8G |
AT04 | 23305572 | Battery Cover |
|
Y102
23563453
Owner's Manual, French,
32/28MW8G Y103 23563454 Owner's Manual, German, 32/28MW8G Y104 23563455 Owner's Manual, Italian, 32/28MW8G |
Y101 | 23563452 |
Owner's Manual, English,
32/28MW8G |
|
Y10323563454Owner's Manual, German,
32/28MW8GY10423563455Owner's Manual, Italian, 32/28MW8G |
Y102 | 23563453 |
Owner's Manual, French,
32/28MW8G |
|
Y104 23563455 Owner's Manual, Italian,
32/28MW8G |
Y103 | 23563454 |
Owner's Manual, German,
32/28MW8G |
| Y104 | 23563455 |
Owner's Manual, Italian,
32/28MW8G |
|
|
Location
No. |
Part No. | Description |
|---|---|---|
| CABINET | PARTS | |
| A214 | 23035412 | Screw, BTB4X12SZN |
| A215 | 23035412 | Screw, BTB4X12SZN |
| A233 | 23430354 | Lens, Remote (32MW8DG) |
| A233 | 23430394 | Lens, Remote (28MW8DG) |
| A234 | 23430355 | Piece, LED (32MW8DG) |
| A234 | 23430395 | Piece, LED (28MW8DG) |
| A241 | 70368125 | Push Catch for Door |
| ⚠A401 | 23426956 | Back Cover (32MW8DG) |
| ▲A401 | 23427107 | Back Cover (28MW8DG) |
| A411 | 23550188 | Label, Model No. (32MW8DG) |
| A411 | 23550224 | Label, Model No. (28MW8DG) |
| A420 | 23460940 |
Trim, Back Terminal
(32MW8DG) |
| A420 | 23460899 |
Trim, Back Terminal
(28MW8DG) |
| A501 | 23030187 | Screw, CRT5X30 |
| A701 | Carton (32MW8DG) | |
| A701 | 23525700 | Carton (28MW8DG) |
| A/02 | 23935564 | Bottom Packing (32MW8DG) |
| A702 | 23935625 | Bottom Packing (28MW8DG) |
| A703 | 23935565 | Top Packing (32MW8DG) |
| A703 | 23935626 | Top Packing (28MW8DG) |
| A710 | 23550189 | Label, Carton (32MW8DG) |
| ocation | - | ||
|---|---|---|---|
| No | Part No. | Description |
THIS PAGE IS INTENTIONALLY LEFT BLANK.
- 44 -
- 43 -
- 43 -
- 4
BOTTOM (FOIL) SIDE
POWER BOARD PB8366X BOTTOM (FOIL) SIDE
- 45 -
- 46 -
OWER BOARD PB8366X BOTTOM (FOIL) SIDE
- 48 -
- 47 -
BACK TERMINAL/AV BOARD PB7276Y BOTTOM (FOIL) SIDE
DIG-IN BOARD PB8210Y-2 BOTTOM (FOIL) SIDE
DIG-COMB BOARD PB8353X BOTTOM (FOIL) SIDE
AUTO LIVE BOARD PB8354X BOTTOM (FOIL) SIDE
V/C/D BOARD PB8059 BOTTOM (FOIL) SIDE
| • | ||
| пл |
|
• |
- 58 -
| SPECIFICATIONS (28MW8DG) | ||||||
|---|---|---|---|---|---|---|
| Input Power Rating: | AC 220 ~ 240 | Volts, 50 Hz, ' | 165W | |||
| Aerial Input Impedance: | 75 ohm unba | lanced type fo | or VHF, UHF ar | nd CATV | ||
| Receiving Channels: | System | Channel | VHF | UHF | CATV | |
| - | PAL B/G | CCIR | 2 ~ 12 | 21 ~ 69 | S1 ~ S41 | X ~ Z + 2. |
| SECAM B/G | CCIR | 2 ~ 12 | 21 ~ 69 | S1 ~ S41 | X ~ Z +2. | |
| PAL D/K | CHINA | 1 ~ 12 | 13 ~ 57 | Z-1 ~ Z-35 | ||
| PAL I | UK | 21 ~ 69 | ||||
| SECAM D/K | OIRT | 1 ~ 12 | 21 ~ 69 | X-1 ~ X-19 | ||
| SECAM L FRA | ANCE/CCIR | FB ~ F6 | 21 ~ 69 | X ~ Z + 2 | S1 ~ S41 | |
| PAL, SECAM | 50 Hz/60 Hz (F | or Video Disk | play back) | |||
| 4.43 NTSC (Fo | or VCR playba | ck), 3.58 NTS | C (For VCR pl | ayback) | ||
| Intermediate Frequencies: Picture I-F carrier frequency | ||||||
| Sound I-F car | rier frequency | ý | ||||
| B/G Syster | m | 3 | 33.4 MHz | |||
| D/K Syster | ຠ | 3 | 32.4 MHz | |||
| Picture Tube: | 28 inches, W6 | 6ESF002X44, | 600 mm (mea | asured on dia | igonal of viewable | e picture area) |
| 110° deflectio | 'n | |||||
| Sound Output: | 10 W + 10W ( | at 10% Distort | tion, Main), 5 | W + 5W (at 1 | 0% Distortion, Cer | nter) |
| 13W ( | at 10% Distort | tion, Woofer), | 10 W + 10W | (at 10% Distortion | n, Surround) | |
| Speakers: | 60 mm × 120 | mm oval, 2 p | cs (Main) | |||
| 100 mm, rour | nd, 1 pc (Woof | (er) | ||||
| 60 × 120 mm, | oval, 2 pcs (C | Center) | ||||
| Aux. Terminals: | 21 pin socket | (FULL), 21 pir | socket (S-VID | DEO/AV), MO | NITOR OUTPUT. | STEREO |
| HEADPHONE | JACK (3.5mm | 1). | ||||
| Cabinet: | Table type | |||||
| Dimensions: | Height | Ę | 514 mm | |||
| Width | 8 | 312 mm | ||||
| Depth | •••••• | E | 518.5 mm | |||
| Mass: | 35.8 kg | |||||
| SPECIFICATIONS (32MW8DG) | ||||||
|---|---|---|---|---|---|---|
| Input Power Rating: | AC 220 ~ 240 | Volts, 50 Hz, 1 | 175W | |||
| anceo type to | ||||||
| Receiving Channels: | System | Channel | VHF | UHF | CATV | |
| PAL B/G | 2~12 | 21~69 | S1 ~ S41 | X ~ Z + 2, | ||
| SECAM B/G | CUIR | 2~12 | 21~69 | S1 ~ S41 | X ~ Z +2, | |
| 1~12 | 13~5/ | Z-1 ~ Z-35 | ||||
| 1 1 2 | 21~09 | V 1 V 10 | ||||
| SECAMI ER/ | FB ~ F6 | 21~09 | X 7 2 | C1 C41 | ||
| PAL. SECAM | 50 Hz/60 Hz (F | or Video Disk | play back) | ~ 2 + 2 | 31~ 341 | |
| 4.43 NTSC (F | or VCR playba | ck), 3.58 NTS | C (For VCR pl | ayback) | ||
| Intermediate Frequencies: |
Picture I-F car
Sound I-F car B/G Syster D/K Syster |
rier frequenc
rier frequency m m |
y
y |
38.9 MHz (L
33.4 MHz 32.4 MHz |
/L) | |
| Picture Tube: |
32 inches, W7
110° deflectio |
6ESF031X44, | 760 mm (mea | asured on dia | igonal of viewable | e picture area) |
| Sound Output: |
10 W + 10W (
13W ( |
at 10% Distor
at 10% Distor |
tion, Main), 5
tion, Woofer), |
W + 5W (at 1
10 W + 10W |
0% Distortion, Cei
(at 10% Distortior |
nter)
h, Surround) |
| Speakers: |
60 mm × 120
100 mm, rour 80 mm, roun |
mm oval, 2 p
nd, 1 pc (Woof d, 2 pcs (Cente |
cs (Main)
er) er) |
|||
| Aux. Terminals: |
21 pin socket
HEADPHONE |
(FULL), 21 pir
JACK (3.5mm |
n socket (S-VII
n). |
DEO/AV), MO | NITOR OUTPUT, | STEREO |
| Cabinet: | Table type | |||||
| Dimensions: |
Height
Width Depth |
581.4 mm
912 mm 563 mm |
||||
| Mass: | 49.5 kg | |||||
* Please refer to owner's manual in detail.
- 59 -
030-9822
1. Voltages re volts colou
OBSERVATIO
CAUTION: The international hazard symbols "A" in the schematic diagram and the parts list designate components which have special characteristics important for safety and should be replaced only with types identical to those in the original circuit or specified in the parts list. The mounting position of replaced only will types identical with originals. Before replacing any of these components, read carefully the PRODUCT SAFETY NOTICE on page 3. Do not degrade the safety of the receiver through improper servicing.
ad with VTVM from point shown to chassis ground, line voltage 220 ur bar signal. Voltages reading may vary ±20%.
ms are taken using a wide band oscilloscope and a low capacity probe.
The are taken using a wide band oscilloscope and a low capacity probe. s are taken using a standard colour bar signal. that CONTRAST and COLOUR controls are in mid position and SS control is almost in maximum position. Set other controls for best
VALUE OF RESISTOR, CAPACITOR and INDUCTOR
ohm, k=1,000, M=1,000,000 ed in schematic, all capacitor values less than 1 are expres-
es more than 1 in pF. d in schematic, all inductor values more than 1 are expresies less than 1 in H
CAUTION : The international hazard symbols "A" in the schematic diagram and the parts list designate components which have special characteristics important for safety and should be replaced only with types identical to those in the original circuit or specified in the parts list. The mounting position of replacements is to be identical with originals. Before replacing any of these components, read carefully the PRODUCT SAFETY NOTICE on page 3. Do not degrade the safety of the receiver through improper servicing.
ages read with VTVM from point shown to chassis ground, line voltage 220 s, colour bar signal. Voltages reading may vary ±20%
waveforms are taken using a wide band oscilloscope and a low capacity probe. vaverorms are taken using a wide band oscinoscope and a low capacity probe. veforms are taken using a standard colour bar signal. the sure that CONTRAST and COLOUR controls are in mid position and
The sure that CONTRAST and COLOOR controls are in find position and GHTNESS control is almost in maximum position. Set other controls for best ure
principal transformer is shown in this schematic diafor separated from the circuit. change without notice.
| Э | 1 0 | 1 1 | 12 | 13 | 14 |
|---|
CAUTION : The international hazard symbols "A" in the schematic diagram and the parts list designate components which have special characteristics important for safety and should be replaced only with types identical to those in the original circuit or specified in the parts list. The mounting position of replacements is to be identical with originals. Before replacing any of these components, read carefully the PRODUCT SAFETY NOTICE on page 3. Do not degrade the safety of the receiver through improper servicing.
pal transformer is shown in this schematic diaparated from the circuit. without notice.
| Э | 1 0 | 1 1 | 12 | 13 | 14 | I |
|---|
n in ohm, k=1,000, M=1,000,000 noted in schematic, all capacitor values less than 1 are expres-values more than 1 in pF. oted in schematic, all inductor values more than 1 are expres-values less than 1 in H.
| 4 5 6 7 8 9 | ||||||
|---|---|---|---|---|---|---|
| 4 | 5 | 6 | 7 | 8 | 9 |
|
UNIT SN.
POWER SN.2378237 SN. SN. SN. |
COPPER SIDE PARTS SN. SN. | ||||
|---|---|---|---|---|---|
| 10 | 1 1 | 12 | 13 | 14 |
CAUTION : The international hazard symbols "A" in the schematic diagram and the parts list designate components which have special characteristics important for safety and should be replaced only with types identical to those in the original circuit or specified in the parts list. The mounting position of replacements is to be identical with originals. Before replacing any of these components, read carefully the PRODUCT SAFETY NOTICE on page 3. Do not degrade the safety of the receiver through improper servicing.
own in ohm, k=1,000, M=1,000,000 se noted in schematic, all capacitor values less than 1 are expres-e values more than 1 in pF. e noted in schematic, all inductor values more than 1 are expres-ne values less than 1 in H.
CAUTION : The international hazard symbols "A" in the schematic diagram and the parts list designate components which have special characteristics important for safety and should be replaced only with types identical to those in the original circuit or specified in the parts list. The mounting position of replacements is to be identical with originals. Before replacing any of these components, read carefully the PRODUCT SAFETY NOTICE on page 3. Do not degrade the safety of the receiver through improper servicing.




































































































Loading...