Page 1

AIR CONDITIONING
2000 Dodge Caravan
2000 Dodge Caravan
2000 System Wiring Diagrams Dodge - Caravan
2000 System Wiring Diagrams Dodge - Caravan
2000 System Wiring Diagrams
Dodge - Caravan
Page 2

2000 Dodge Caravan
2000 System Wiring Diagrams Dodge - Caravan
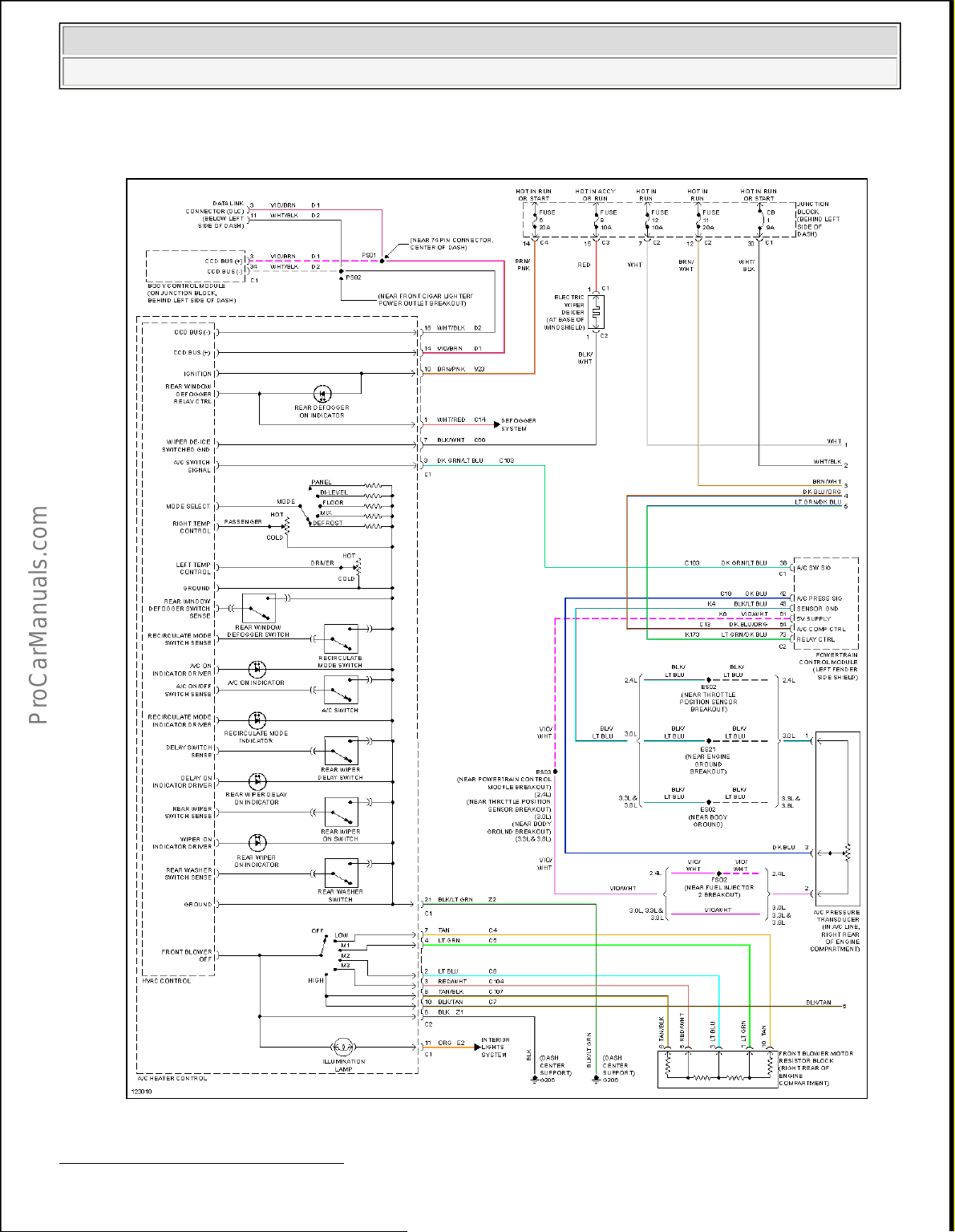
Fig. 1: Heater Circuit
Page 3

2000 Dodge Caravan
2000 System Wiring Diagrams Dodge - Caravan
Fig. 2: Manual A/C Circuit (1 of 3
Page 4

2000 Dodge Caravan
2000 System Wiring Diagrams Dodge - Caravan
Fig. 3: Manual A/C Circuit (2 of 3
Page 5

2000 Dodge Caravan
2000 System Wiring Diagrams Dodge - Caravan
Fig. 4: Manual A/C Circuit (3 of 3)
ANTI-LOCK BRAKES
Page 6

2000 Dodge Caravan
2000 System Wiring Diagrams Dodge - Caravan
Fig. 5: Anti-lock Brake Circuits
ANTI-THEFT
Page 7

2000 Dodge Caravan
2000 System Wiring Diagrams Dodge - Caravan
Fig. 6: Anti-theft Circuit
BODY COMPUTER
Page 8

2000 Dodge Caravan
2000 System Wiring Diagrams Dodge - Caravan
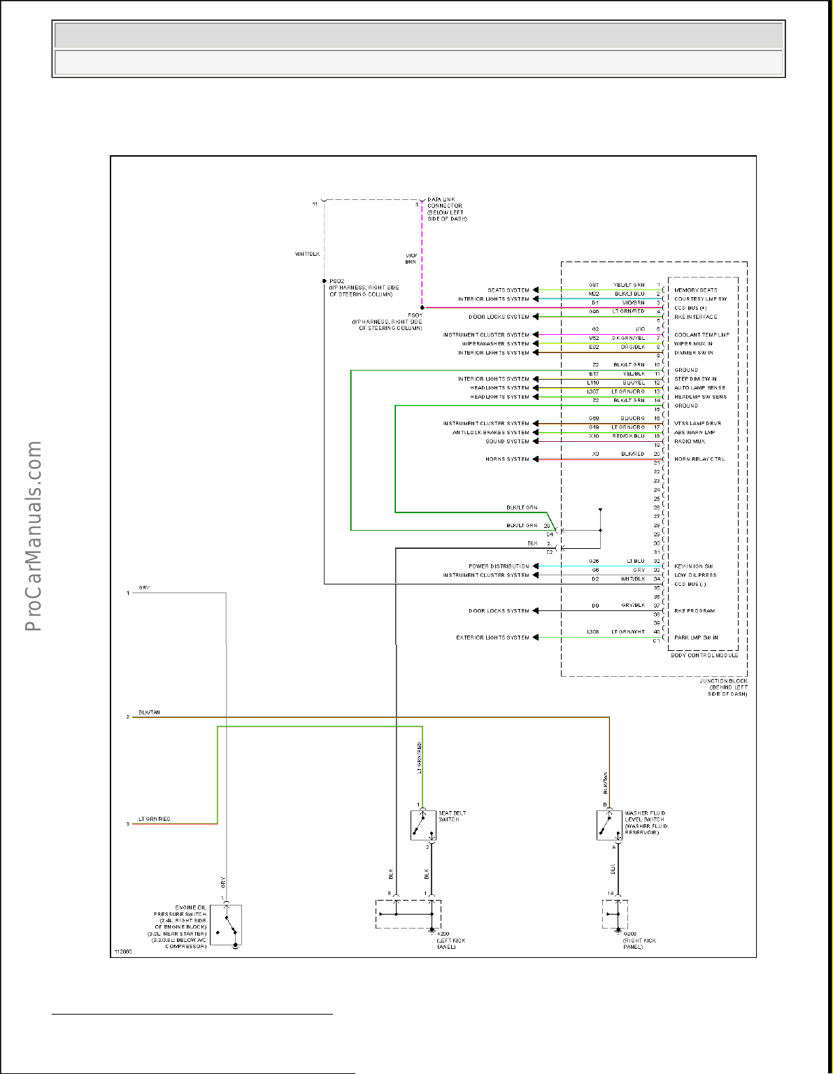
Fig. 7: Body Computer Circuits (1 of 2
Page 9

2000 Dodge Caravan
2000 System Wiring Diagrams Dodge - Caravan
Fig. 8: Body Computer Circuits (2 of 2)
COMPUTER DATA LINES
Page 10

2000 Dodge Caravan
2000 System Wiring Diagrams Dodge - Caravan
Fig. 9: Computer Data Lines
COOLING FAN
Page 11

2000 Dodge Caravan
2000 System Wiring Diagrams Dodge - Caravan
Fig. 10: Cooling Fan Circuit
CRUISE CONTROL
Page 12

2000 Dodge Caravan
2000 System Wiring Diagrams Dodge - Caravan
Fig. 11: Cruise Control Circuit
DEFOGGERS
Page 13

2000 Dodge Caravan
2000 System Wiring Diagrams Dodge - Caravan
Fig. 12: Defogger Circuit
ENGINE PERFORMANCE
Page 14

2000 Dodge Caravan
2.4L
2000 System Wiring Diagrams Dodge - Caravan
. 13: 2.4L, Engine Performance Circuits (1 of 3
Fi
Page 15

2000 Dodge Caravan
2000 System Wiring Diagrams Dodge - Caravan
Fig. 14: 2.4L, Engine Performance Circuits (2 of 3
Page 16

2000 Dodge Caravan
2000 System Wiring Diagrams Dodge - Caravan
Fig. 15: 2.4L, Engine Performance Circuits (3 of 3)
3.0L
Page 17

2000 Dodge Caravan
2000 System Wiring Diagrams Dodge - Caravan
Fig. 16: 3.0L, Engine Performance Circuits (1 of 3
Page 18

2000 Dodge Caravan
2000 System Wiring Diagrams Dodge - Caravan
Fig. 17: 3.0L, Engine Performance Circuits (2 of 3
Page 19

2000 Dodge Caravan
2000 System Wiring Diagrams Dodge - Caravan
Fig. 18: 3.0L, Engine Performance Circuits (3 of 3)
3.3L
Page 20

2000 Dodge Caravan
2000 System Wiring Diagrams Dodge - Caravan
Fig. 19: 3.3L Flex Fuel, Engine Performance Circuits (1 of 3
Page 21

2000 Dodge Caravan
2000 System Wiring Diagrams Dodge - Caravan
Fig. 20: 3.3L Flex Fuel, Engine Performance Circuits (2 of 3
Page 22

2000 Dodge Caravan
2000 System Wiring Diagrams Dodge - Caravan
Fig. 21: 3.3L Flex Fuel, Engine Performance Circuits (3 of 3
Page 23

2000 Dodge Caravan
2000 System Wiring Diagrams Dodge - Caravan
Fig. 22: 3.3L, Engine Performance Circuits (1 of 3
Page 24

2000 Dodge Caravan
2000 System Wiring Diagrams Dodge - Caravan
Fig. 23: 3.3L, Engine Performance Circuits (2 of 3
Page 25

2000 Dodge Caravan
2000 System Wiring Diagrams Dodge - Caravan
Fig. 24: 3.3L, Engine Performance Circuits (3 of 3)
3.8L
Page 26

2000 Dodge Caravan
2000 System Wiring Diagrams Dodge - Caravan
Fig. 25: 3.8L, Engine Performance Circuits (1 of 3
Page 27

2000 Dodge Caravan
2000 System Wiring Diagrams Dodge - Caravan
Fig. 26: 3.8L, Engine Performance Circuits (2 of 3
Page 28

2000 Dodge Caravan
2000 System Wiring Diagrams Dodge - Caravan
Fig. 27: 3.8L, Engine Performance Circuits (3 of 3)
EXTERIOR LIGHTS
Page 29

2000 Dodge Caravan
2000 System Wiring Diagrams Dodge - Caravan
Fig. 28: Back-up Lamps Circuit
Page 30

2000 Dodge Caravan
2000 System Wiring Diagrams Dodge - Caravan
Fig. 29: Exterior Lamps Circuit, W/ Trailer Tow
Page 31

2000 Dodge Caravan
2000 System Wiring Diagrams Dodge - Caravan
Fig. 30: Exterior Lamps Circuit, W/O Trailer Tow
GROUND DISTRIBUTION
Page 32

2000 Dodge Caravan
2000 System Wiring Diagrams Dodge - Caravan
Fig. 31: Ground Distribution Circuit (1 of 3
Page 33

2000 Dodge Caravan
2000 System Wiring Diagrams Dodge - Caravan
Fig. 32: Ground Distribution Circuit (2 of 3
Page 34

2000 Dodge Caravan
2000 System Wiring Diagrams Dodge - Caravan
Fig. 33: Ground Distribution Circuit (3 of 3)
HEADLIGHTS
Page 35

2000 Dodge Caravan
2000 System Wiring Diagrams Dodge - Caravan
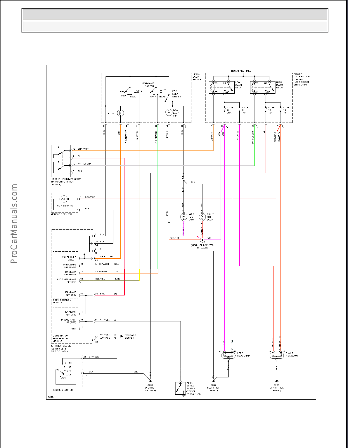
Fig. 34: Headlight Circuit, W/ DRL
Page 36

2000 Dodge Caravan
2000 System Wiring Diagrams Dodge - Caravan
Fig. 35: Headlight Circuit, W/O DRL
HORN
Page 37

2000 Dodge Caravan
2000 System Wiring Diagrams Dodge - Caravan
Fig. 36: Horn Circuit
INSTRUMENT CLUSTER
Page 38

2000 Dodge Caravan
2000 System Wiring Diagrams Dodge - Caravan
Fig. 37: Instrument Cluster Circuit (1 of 2
Page 39

2000 Dodge Caravan
2000 System Wiring Diagrams Dodge - Caravan
Fig. 38: Instrument Cluster Circuit (2 of 2
Page 40

2000 Dodge Caravan
2000 System Wiring Diagrams Dodge - Caravan
Fig. 39: Overhead Console Circuit
INTERIOR LIGHTS
Page 41

2000 Dodge Caravan
2000 System Wiring Diagrams Dodge - Caravan
Fig. 40: Interior Light Circuit (1 of 2
Page 42

2000 Dodge Caravan
2000 System Wiring Diagrams Dodge - Caravan
Fig. 41: Interior Light Circuit (2 of 2)
POWER DISTRIBUTION
Page 43

2000 Dodge Caravan
2000 System Wiring Diagrams Dodge - Caravan
Fig. 42: Power Distribution Circuit (1 of 3
Page 44

2000 Dodge Caravan
2000 System Wiring Diagrams Dodge - Caravan
Fig. 43: Power Distribution Circuit (2 of 3
Page 45

2000 Dodge Caravan
2000 System Wiring Diagrams Dodge - Caravan
Fig. 44: Power Distribution Circuit (3 of 3)
POWER DOOR LOCKS
Page 46

2000 Dodge Caravan
2000 System Wiring Diagrams Dodge - Caravan
Fig. 45: Power Door Lock Circuit
POWER MIRRORS
Page 47

2000 Dodge Caravan
2000 System Wiring Diagrams Dodge - Caravan
Fig. 46: Power Mirror Circuit
POWER SEATS
Page 48

2000 Dodge Caravan
2000 System Wiring Diagrams Dodge - Caravan
Fig. 47: 6-Way Power Seat Circuit
Page 49

2000 Dodge Caravan
2000 System Wiring Diagrams Dodge - Caravan
Fig. 48: Heated Seats Circuit
POWER WINDOWS
Page 50

2000 Dodge Caravan
2000 System Wiring Diagrams Dodge - Caravan
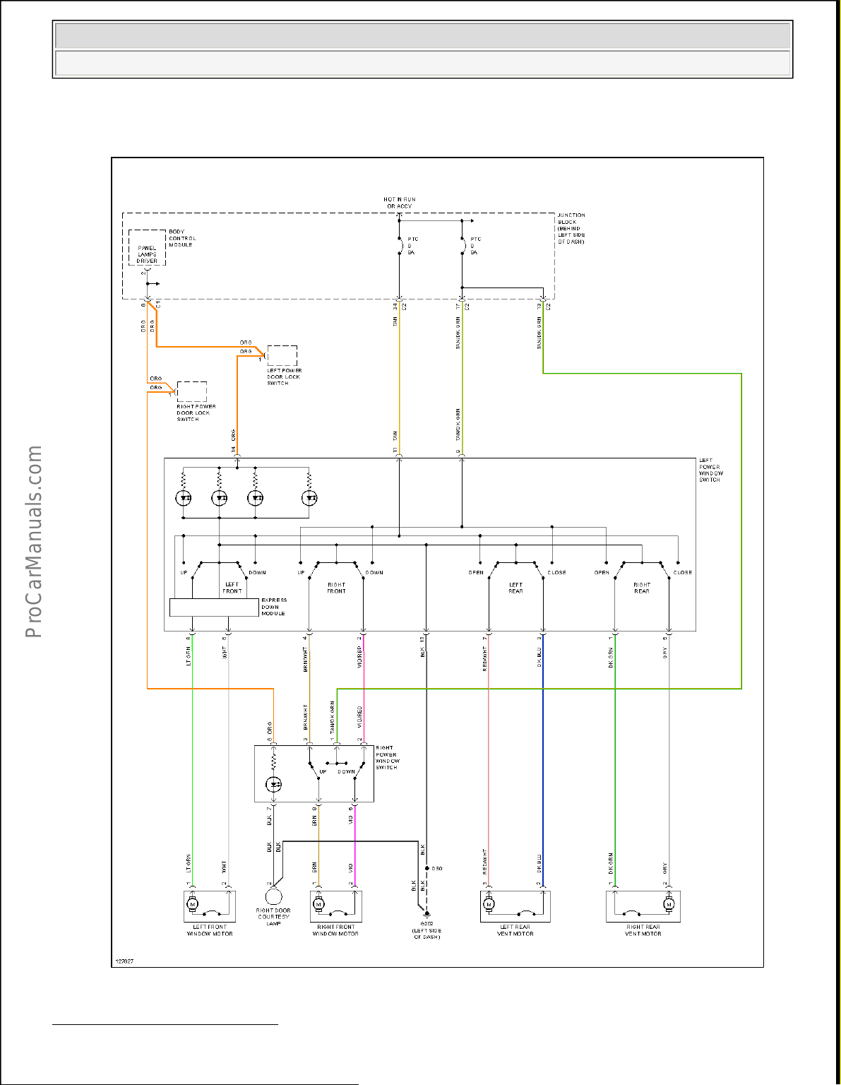
Fig. 49: Power Window Circuit
RADIO
Page 51

2000 Dodge Caravan
2000 System Wiring Diagrams Dodge - Caravan
Fig. 50: Premium Sound Radio Circuit
Page 52

2000 Dodge Caravan
2000 System Wiring Diagrams Dodge - Caravan
Fig. 51: Radio Circuits, Base
SHIFT INTERLOCKS
Page 53

2000 Dodge Caravan
2000 System Wiring Diagrams Dodge - Caravan
Fig. 52: Shift Interlock Circuit
STARTING/CHARGING
Page 54

2000 Dodge Caravan
2000 System Wiring Diagrams Dodge - Caravan
Fig. 53: Charging Circuit
Page 55

2000 Dodge Caravan
2000 System Wiring Diagrams Dodge - Caravan
Fig. 54: Starting Circuit
SUPPLEMENTAL RESTRAINTS
Page 56

2000 Dodge Caravan
2000 System Wiring Diagrams Dodge - Caravan
Fig. 55: Supplemental Restraint Circuit
TRANSMISSION
Page 57

2000 Dodge Caravan
2.4L
2000 System Wiring Diagrams Dodge - Caravan
. 56: 2.4L, TCC Solenoid Circuit
Fi
Page 58

2000 Dodge Caravan
3.0L
2000 System Wiring Diagrams Dodge - Caravan
. 57: 3.0L, A/T Circuit (1 of 2
Fi
Page 59

2000 Dodge Caravan
2000 System Wiring Diagrams Dodge - Caravan
Fig. 58: 3.0L, A/T Circuit (2 of 2)
3.3L
Page 60

2000 Dodge Caravan
2000 System Wiring Diagrams Dodge - Caravan
Fig. 59: 3.3L Flex Fuel, A/T Circuit (1 of 2
Page 61

2000 Dodge Caravan
2000 System Wiring Diagrams Dodge - Caravan
Fig. 60: 3.3L Flex Fuel, A/T Circuit (2 of 2
Page 62

2000 Dodge Caravan
2000 System Wiring Diagrams Dodge - Caravan
Fig. 61: 3.3L, A/T Circuit (1 of 2
Page 63

2000 Dodge Caravan
2000 System Wiring Diagrams Dodge - Caravan
Fig. 62: 3.3L, A/T Circuit (2 of 2)
WARNING SYSTEMS
Page 64

2000 Dodge Caravan
2000 System Wiring Diagrams Dodge - Caravan
Fig. 63: Warning System Circuits
WIPER/WASHER
Page 65

2000 Dodge Caravan
2000 System Wiring Diagrams Dodge - Caravan
Fig. 64: Wiper/Washer Circuit