
SHEET OF
1 1
5.00
[.197 in]
[.039 in]
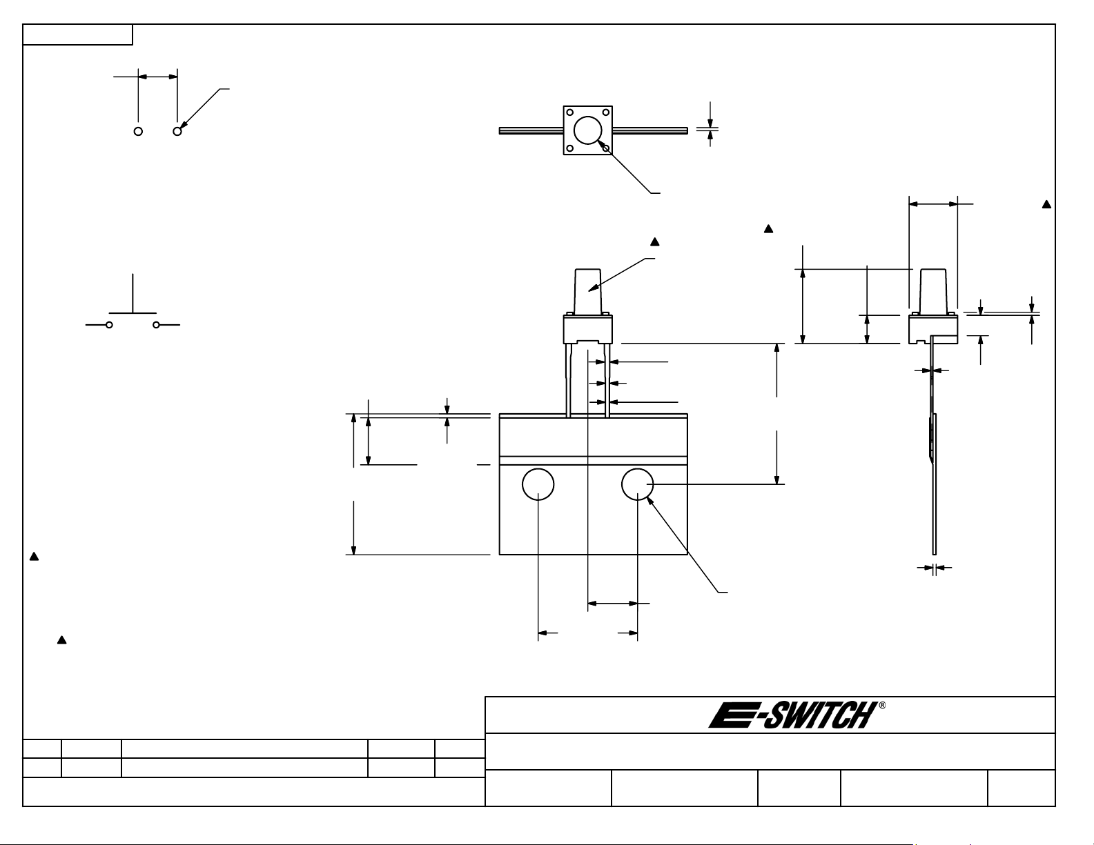
PCB LAYOUT
SCHEMATIC
NOTES:
1. ALL DIMENSIONS IN MM [INCH]
2. GENERAL TOLERANCE: X.X=
X.XX=
3. CONTACT RATING: 50mA @ 12VDC
4. CONTACT MATE R IAL: SILVER
5. OPERATING FORCE: 160
6. TRAVEL: 0.25
7. CONTACT RESISTANCE: 100m
8. ELECTRICAL LIFE: 80,000 CYCLES
9. PACKAGING: 1,000 PCS RADIAL
10. 2002/95/EC (ROHS) COMPLIANT
11. DENOTES CRITICAL PRAMETERS.
`0.1mm
`0.4mm
`0.25mm
`50gf
W MAX.
n1.00
6.00
[.236 in]
18.00
[.709 in]
.50
[.020 in]
12.70
[.500 in]
.40
[.016 in]
n3.50
[.138 in]
ACTUATOR COLOR:
BLACK
.70
[.028 in]
.60
[.024 in]
[.250 in]
.50
[.020 in]
6.35
18.00
[.709 in]
n4.00
[.157 in]
9.50
[.374 in]
3.60
[.142 in]
.30
[.012 in]
.40
[.016 in]
o
[.244 in]
2.60
[.102 in]
6.20
.40
[.016 in]
A
REV
20796 RELEASED FOR PRODUCTION
PCR NO DESCRIPTION
THE INFORMATION CONTAINED IN THIS DOCUMENT IS PROPRIETARY
TO E-SWITCH AND IS NOT TO BE COPIED OR TRANSFERRED
10/01/12
DATE BY
rc
TITLE
SCALE
TL59BF160Q
DATE DR
2:1
10/1/2012
RC
DWG
J100567
REV
A

Mouser Electronics
Authorized Distributor
Click to View Pricing, Inventory, Delivery & Lifecycle Information:
E-Switch:
TL59BF160Q