
Features
• Low forward voltage drop
• High frequency properties and switching speed
• Guard ring for over-voltage protection
FYP1504DN
FYP1504DN
Applications
• Switched mode power supply
• Freewheeling diodes
1 2 3
TO-220
1. Anode 2.Cathode 3. Anode
SCHOTTKY BARRIER RECTIFIER
Absolute Maximum Ratings T
Symbol Parameter Value Units
V
RRM
V
R
I
F(AV)
I
FSM
T
J, TSTG
Maximum Repetitive Reverse Voltage 40 V
Maximum DC Reverse Voltage 40 V
Average Rectified Forward Current @ TC = 134°C15 A
Non-repetitive Peak Surge Current (per diode)
60Hz Single Half-Sine Wave
Operating Junction and Storage Temperature -65 to +150 °C
Thermal Characteristics
Symbol Parameter Value Units
R
θJC
Maximum Thermal Resistance, Junction to Case (per diode) 2.5 °C/W
Electrical Characteristics
Symbol Parameter Value Units
V
FM
*
I
RM
*
* Pulse Test: Pulse Width=300µs, Duty Cycle=2%
Maximum Instantaneous Forward Voltage
Maximum Instantaneous Reverse Current
= 7.5A
I
F
I
= 7.5A
F
= 15A
I
F
= 15A
I
F
@ rated V
=25°°°°C unless otherwise noted
C
(per diode)
TC = 25 °C
R
T
= 25 °C
C
T
= 125 °C
C
= 25 °C
T
C
= 125 °C
T
C
= 125 °C
T
C
100 A
0.55
0.49
0.67
0.65
1
60
V
mA
©2001 Fairchild Semiconductor Corporation Rev. A, March 2001

Typical Characteristics
FYP1504DN
100
10
[A]
F
1
Forward C u rre nt, I
0.1
0.01
0.0 0.5 1.0 1.5
TJ=125 oC
TJ=75 oC
TJ=25 oC
Forward Voltage Drop, VF[V]
Figure 1. Typical Forward Volta ge C haracteristics
(per diode)
1000
900
800
700
600
[pF]
J
500
400
300
200
TJ=25 oC
100
10
[mA]
R
1
0.1
Reverse Current, I
0.01
0.001
0 10203040
TJ=150 oC
TJ=125 oC
TJ=75 oC
TJ=25 oC
Reverse Voltage, VR[V]
Figure 2. Typical Reverse Current
vs. Reverse Voltage (p er diode)
10
C/W]
o
1
Junction Capacitance, C
100
0 10203040
Reverse Voltage, VR[V]
Figure 3. Typical Junction Capacitance
(per diode)
18
[A]
15
F(AV)
12
9
6
Square Wave
3
Duty Cycle=0.5
Average Forward Current, I
0
0 20406080100120140160
Case Temperature, TC[oC]
Figure 5. Forward Current Derating Curve
Transient Thermal Impedance [
100µ 1m 10m 100m 1 10
Pulse Duration [s]
Figure 4. Thermal Impedance Characte rist ics
(per diode)
120
[A]
100
FSM
80
60
40
20
Max. Forward Su rge Cu rren t, I
0
1 10 100
Number of Cycles @ 60Hz
Figure 6. Non-Repetive Sureg Current
(per diode)
©2001 Fairchild Semiconductor Corporation
Rev. A, March 2001

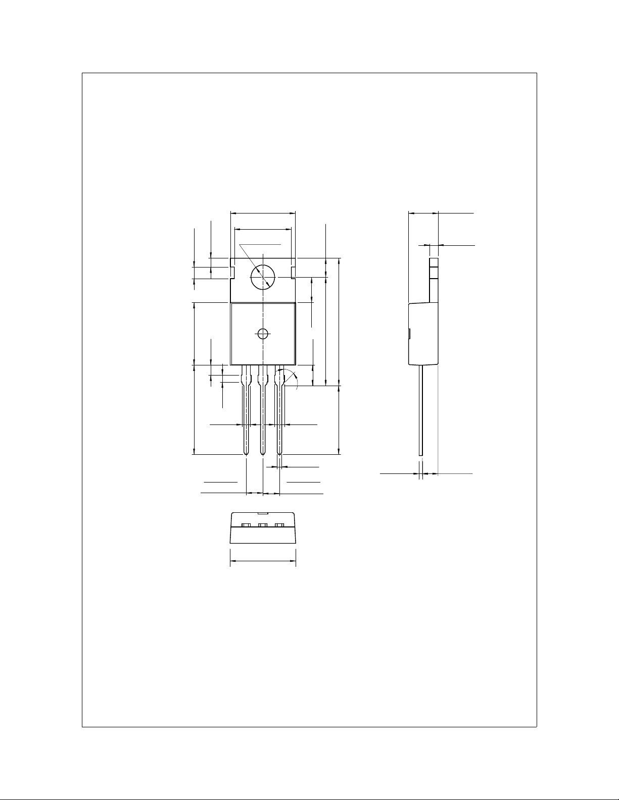
Package Demensions
±0.10
(1.70)
1.30
±0.20
9.20
(1.46)
9.90
(8.70)
ø3.60
TO-220
±0.20
±0.10
(45°)
(3.70)(3.00)
±0.10
2.80
±0.20
15.90
18.95MAX.
4.50
1.30
±0.20
+0.10
–0.05
FYP1504DN
±0.20
13.08
(1.00)
1.27
2.54TYP
[2.54
±0.10
±0.20
]
10.00
±0.20
1.52
±0.10
0.80
±0.10
2.54TYP
±0.20
[2.54
±0.30
10.08
+0.10
0.50
–0.05
2.40
±0.20
]
©2001 Fairchild Semiconductor Corporation
Dimensions in Millimeters
Rev. A, March 2001

TRADEMARKS
The following are registered and unregistered trademarks Fairchild Semiconductor owns or is authorized to use and is not
intended to be an exhaustive list of all such trademarks.
ACEx™
Bottomless™
CoolFET™
CROSSVOLT™
DenseTrench™
DOME™
EcoSPARK™
2
E
CMOS™
EnSigna™
FACT™
FACT Quiet Series™
®
FAST
FASTr™
GlobalOptoisolator™
GTO™
HiSeC™
ISOPLANAR™
LittleFET™
MicroFET™
MICROWIRE™
OPTOLOGIC™
OPTOPLANAR™
PACMAN
™
POP™
PowerTrench
®
QFET™
QS™
QT Optoelectronics™
Quiet Series™
SLIENT SWITCHER
SMART START™
Star* Power™
Stealth™
SuperSOT™-3
SuperSOT™-6
SuperSOT™-8
SyncFET™
TinyLogic™
UHC™
UltraFET
®
VCX™
®
DISCLAIMER
FAIRCHILD SEMICONDUCTOR RESERVES THE RIGHT TO MAKE CHANGES WITHOUT FURTHER NOTICE TO ANY
PRODUCTS HEREIN TO IMPROVE RELIABILITY, FUNCTION OR DESIGN. FAIRCHILD DOES NOT ASSUME ANY
LIABILITY ARISING OUT OF THE APPLICATION OR USE OF ANY PRODUCT OR CIRCUIT DESCRIBED HEREIN;
NEITHER DOES IT CONVEY ANY LICENSE UNDER ITS PATENT RIGHTS, NOR THE RIGHTS OF OTHERS.
LIFE SUPPORT POLICY
FAIRCHILD’S PRODUCTS ARE NOT AUTHORIZED FOR USE AS CRITICAL COMPONENTS IN LIFE SUPPORT
DEVICES OR SYSTEMS WITHOUT THE EXPRESS WRITTENAPPROVAL OF FAIRCHILD SEMICONDUCTOR
CORPORATION.
As used herein:
1. Life support devices or systems are devices or systems
which, (a) are intended for surgical implant into the body,
or (b) support or sustain life, or (c) whose failure to perform
when properly used in accordance with instructions for use
provided in the labeling, can be reasonably expected to
result in significant injury to the user.
2. A critical component is any component of a life support
device or system whose failure to perform can be
reasonably expected to cause the failure of the life support
device or system, or to affect its safety or effectiveness.
PRODUCT STATUS DEFINITIONS
Definition of Terms
Datasheet Identification Product Status Definition
Advance Information Formative or In
Design
Preliminary First Production This datasheet contains preliminary data, and
No Identification Needed Full Production This datasheet contains final specifications. Fairchild
Obsolete Not In Production This datasheet contains specifications on a product
©2001 Fairchild Semiconductor Corporation Rev. H1
This datasheet contains the design specifications for
product development. Specifications may change in
any manner without notice.
supplementary data will be published at a later date.
Fairchild Semiconductor reserves the right to make
changes at any time without notice in order to improve
design.
Semiconductor reserves the right to make changes at
any time without notice in order to improve design.
that has been discontinued by Fairchild semiconductor.
The datasheet is printed for reference information only.