
M
o
d
e
l
G
r
o
u
p
:
D
V
D
-
2
1
0
M
o
d
e
l
G
r
o
u
p
:
D
V
D
-
M
o
d
e
l
G
r
o
u
p
:
D
V
D
-
2
2
1
1
0
0
2
2
2
2
Model:
DVD-2102SE(DK1)
Model No: DVD-2102SE(DK1)
Version 1.0

3
CONTENTS
SPECIFICATION .............................................................................................................................4
BLOCK DIAGRAM......................................................................................................................... 5
TROUBLE SHOOTING GUIDE .....................................................................................................6
CIRCUIT DIAGRAM....................................................................................................................... 8
EXPLODED VIEW & PART LIST ................................................................................................ 15
Model No: DVD-2102SE(DK1)
Version 1.0

SPECIFICATION
Mode Description
TV mode NTSC/PAL
4
Disc mode
Image resolution
S/N
Frequency respond Fs96KHz: 20Hz~20KHz: +/-1dB
Audio S/N
Dynamic range
Distortion 0.01%
D/A conversion 96KHz/24bit
Video output 1Vp-p (75)
S_Video output Y:1 Vp-p (75) C:0.3Vp-p (75)
Audio output
Digital audio output Coaxial, Optical
AC-3 5.1 channel output
DCD,VCD、CD,SVCD MP3、CD-R、CD-RW、DVD-R、DVD-RW.
≥500lines
≥65dB
≥90dB
≥90dB
2.0V±0.2V
Power supplier AC 90-240V 50/60HZ
Power consumer
Model No: DVD-2102SE(DK1)
Version 1.0
≤25W

BLOCK DIAGRAM
Loader
PVR-502
Remote
control
Power
10380
E2PROM
AT24C014
SDRAM
1m*16*2
ROM 4m
29C40
VFD drive
PT6312
5V
+8V
-8V
-25V
AC
AZ
Decoder + RF
ZR36707+ZR36768
Audio D/A
PCM1606
Digital Audio drive
5
Video output
S-Video output
R/G/B output
Left and Righ
channel output
Surround channel
output
Center, Subwoofe
output
Coxcial, Optical output
Model No: DVD-2102SE(DK1)
Version 1.0

6
TROUBLE SHOOTING GUIDE
PROBLEM CAUSES SOLUTION
DVD player is stuck; buttons
and remote controller are
invalid; picture is frozen or
blurred
No picture, no sound, no
indicators
The player works properly
except no picture and no sound
The player works properly,
except no picture or bad picture
The discs can be loaded but can
not be read; picture is normal
Model No: DVD-2102SE(DK1)
Version 1.0
1. Bend or scratched disc
2. Environment temperature
exceeds 0-45 ℃
3. Improper operations
4. Violent electricity
interference
Power supply faults:
1. Improper connection of
power plug
2. Power voltage is out of the
range of 90V-240V
3. Fuse is broken
Faults may come from audio
D/A, audio circuits
Faults may come from video
D/A or video circuits
Faults may come from laser
head or servo parts
Switch the player and start
again.
1. Exclude man-made faults
2. Check D7 part
3. Check IC1
4. Check IC2 or short circuit
in output.
1. check if there are signal
outputs in P113,
P114,P115,P116,P118 of
ZR36768; if no, ZR36768
does not work
2. Check if there are audio
inputs in each input root; if
no, D/A or audio power is
down
3. Check if there are signal
output in each output root.
1. Check if there are digital
signal outputs from
PIN158- -162 roots in
ZR36768; if no, ZR36768
does not work properly
2. Check if there is video
signal output in PCM1606
3. Output circuits works
improperly
1. Clean laser head
2. Change laser head or
loader.

PROBLEM CAUSES SOLUTION
Disc can not be loaded or
unloaded; picture is normal
No picture and sound, indicator
lights
VDF display does not lights Faults may come from VFD or
Model No: DVD-2102SE(DK1)
Version 1.0
Faults may come from loader or
power supply parts
Faults may come from decoder
part
drive part
Check if VFD display works
properly; if no, loader or lines
faults; if yes, loader or 5V
power supply faults
1. Check if 27m crystal is
vibrant
2. Check if flash 29f800 is
connected
3. Zr36768 or AT24C02
works improperly
1. Check if lines are
connected
2. Check power supply and
–25 voltage
3. VFD does not work
4. PT6312 does not work
7

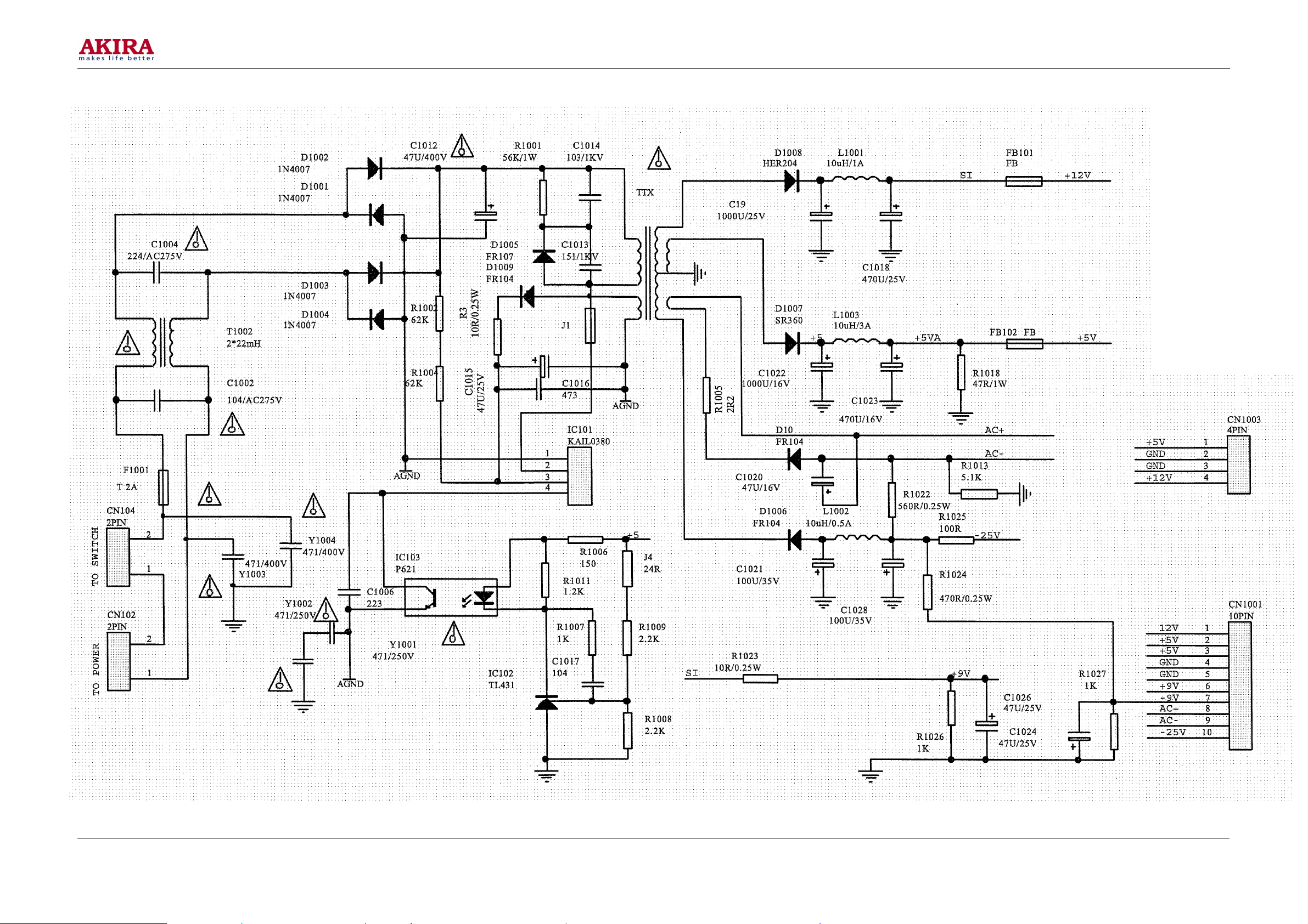
CIRCUIT DIAGRAM
8
Model No: DVD-2102SE(DK1)
Model No: DVD-2102SE(DK1)
Version 1.0
Version 1.0

9
Model No: DVD-2102SE(DK1)
Version 1.0

10
Model No: DVD-2102SE(DK1)
Version 1.0

11
Model No: DVD-2102SE(DK1)
Version 1.0

12
Model No: DVD-2102SE(DK1)
Version 1.0

13
Model No: DVD-2102SE(DK1)
Version 1.0

14
Model No: DVD-2102SE(DK1)
Version 1.0

EXPLODED VIEW
15
MIRROR
Model No: DVD-2102SE(DK1)
Version 1.0