Page 1

CSD-TD20
K
CSD-TD21
EZ, U
SERVICE MANUAL
COMPACT DISC STEREO RADIO
CASSETTE RECORDER
• Replace this Service Manual with ”Revision Publishing” when it is issued.
BASIC TAPE MECHANISM : TN-21ZVC-2000
BASIC CD MECHANISM : DA11T3C
S/M Code No. 09-001-426-7T1
SIMPLE
DATA
Page 2

ELECTRICAL MAIN PARTS LIST - 1/5
NOTE: The characters in the suffix column indicate the part usage.
21USC ..................XX..................................A...................
21EZSC .................XX...................................B..................
20KSC ..................XX....................................C.................
KANRI
REF.NO PARTS NO. NO. DESCRIPTION SUFFIX
C 608 87-010-196-080 CHIP CAPACITOR,0.1-25 ABCD................
C 604 87-010-312-080 C-CAP,S 15P-50 CH ABCD................
C 601 87-010-313-080 CAP, CHIP 18P ABCD................
C 602 87-010-315-080 C-CAP,S 27P-50 CH ABCD................
C 605 87-010-317-080 C-CAP,S 39P-50 CH ABCD................
C 603 87-010-319-080 C-CAP,S 56P-50 CH ABCD................
C 607 87-A10-826-080 C-CAP,S 1-10 K B ABCD................
C 614 87-010-196-080 CHIP CAPACITOR,0.1-25 ABCD................
C 615 87-010-493-040 CAP,E 0.47-50 GAS ABCD................
C 616 87-010-494-040 CAP,E 1-50 GAS ABCD................
C 613 87-010-495-040 CAP,E 2.2-50 GAS ABCD................
C 612 87-A10-189-040 CAP,E 220-10 ABCD................
C 620 87-015-785-080 CHIP CAPACITOR, 0.1FZ-25Z ABCD................
C 627 87-A10-826-080 C-CAP,S 1-10 K B ABCD................
CN 601 87-099-033-010 16P 6216 H ABCD................
CN 602 87-099-201-010 CONN,8P 6216 H ABCD................
CNA 603 8A-CD9-624-010 CONN ASSY,4P TU-FR ABCD................
CNA 604 8A-CH9-623-010 CONN ASSY,2P KEY ABCD................
D 601 87-020-465-080 DIODE,1SS133 (110MA) ABCD................
D 602 87-020-465-080 DIODE,1SS133 (110MA) ABCD................
D 611 87-020-465-080 DIODE,1SS133 (110MA) ABCD................
D 612 87-020-465-080 DIODE,1SS133 (110MA) ABCD................
D 623 87-020-465-080 DIODE,1SS133 (110MA) A...................
D 622 87-020-465-080 DIODE,1SS133 (110MA) .BCD................
D 627 87-020-465-080 DIODE,1SS133 (110MA) ABCD................
IC 601 8A-CH4-661-010 C-IC,LC867132V-**** ABCD................
L 601 87-003-102-080 COIL, 10UH ABCD................
LCD 601 8Z-CH4-635-010 LCD,HLC7365 ZCH-4 ABCD................
LED 601 88-CD6-630-010 LED,934ID RED ABCD................
LED 608 88-CD6-630-010 LED,934ID RED ABCD................
LED 602 88-CD6-630-010 LED,934ID RED ABCD................
LED 607 88-CD6-630-010 LED,934ID RED ABCD................
LED 606 88-CD6-630-010 LED,934ID RED ABCD................
LED 604 88-CD6-630-010 LED,934ID RED ABCD................
LED 603 88-CD6-630-010 LED,934ID RED ABCD................
LED 610 88-CD6-631-010 LED,934GD GRN ABCD................
Q 601 87-026-237-080 CHIP-TR,DTC124XK ABCD................
Q 603 87-026-237-080 CHIP-TR,DTC124XK ABCD................
Q 609 87-026-239-080 TR,DTC114TK (0.2W) ABCD................
Q 608 87-026-239-080 TR,DTC114TK (0.2W) ABCD................
Q 604 87-026-239-080 TR,DTC114TK (0.2W) ABCD................
Q 606 87-026-239-080 TR,DTC114TK (0.2W) ABCD................
Q 607 87-026-239-080 TR,DTC114TK (0.2W) ABCD................
Q 605 87-026-239-080 TR,DTC114TK (0.2W) ABCD................
Q 602 87-026-463-080 TR,2SA933S (0.3W) ABCD................
Q 610 87-026-239-080 TR,DTC114TK (0.2W) ABCD................
S 608 87-A91-704-080 SW,TACT EVQ 214 05R ABCD................
S 607 87-A91-704-080 SW,TACT EVQ 214 05R AB..................
S 601 87-A91-704-080 SW,TACT EVQ 214 05R ABCD................
S 603 87-A91-704-080 SW,TACT EVQ 214 05R ABCD................
S 602 87-A91-704-080 SW,TACT EVQ 214 05R ABCD................
S 606 87-A91-704-080 SW,TACT EVQ 214 05R ..CD................
S 605 87-A91-704-080 SW,TACT EVQ 214 05R ABCD................
S 604 87-A91-704-080 SW,TACT EVQ 214 05R ABCD................
S 614 87-A91-704-080 SW,TACT EVQ 214 05R AB..................
X 601 87-030-273-010 VIB,XTAL 32.768K5PPM ABCD................
X 602 87-030-376-080 VIB,CER CSA5.76MG200 ABCD................
CN 204 87-A60-685-010 CONN,4P H WHT EH ABCD................
CN 605 87-A60-113-010 CONN,2P H S2M-2WR ABCD................
CNA 203 8A-CD9-628-010 CONN ASSY,3P MA-HP ABCD................
J 251 87-A60-569-010 JACK,HTJ-035-18 ABCD................
S 609 87-A91-704-080 SW,TACT EVQ 214 05R ABCD................
S 610 87-A91-704-080 SW,TACT EVQ 214 05R ABCD................
S 611 87-A91-704-080 SW,TACT EVQ 214 05R ABCD................
S 612 87-A91-704-080 SW,TACT EVQ 214 05R ABCD................
S 613 87-A91-704-080 SW,TACT EVQ 214 05R ABCD................
C 902 87-010-192-080 C-CAP,S 0.022-50 F ABCD................
C 904 87-010-192-080 C-CAP,S 0.022-50 F ABCD................
C 903 87-010-192-080 C-CAP,S 0.022-50 F ABCD................
C 901 87-010-192-080 C-CAP,S 0.022-50 F ABCD................
CNA 901 8A-CD9-627-010 CONN ASSY,3P PWR ABCD................
D 904 87-A40-465-010 DIODE,FR202 ABCD................
D 901 87-A40-465-010 DIODE,FR202 ABCD................
D 903 87-A40-465-010 DIODE,FR202 ABCD................
D 902 87-A40-465-010 DIODE,FR202 ABCD................
PR 901 87-A90-092-080 PROTECTOR,2.5A 491 ABCD................
SP 902 87-CD6-213-010 SPR-C,BATT (-) ABCD................
SP 904 87-CD6-213-010 SPR-C,BATT (-) ABCD................
SP 903 87-CD6-213-010 SPR-C,BATT (-) ABCD................
SP 901 87-CD6-213-010 SPR-C,BATT (-) ABCD................
C 211 87-010-805-080 CAP, S 1-16 ABCD................
C 212 87-010-805-080 CAP, S 1-16 ABCD................
C 216 87-016-460-080 C-CAP,S 0.22-16 B ABCD................
C 215 87-016-460-080 C-CAP,S 0.22-16 B ABCD................
Page 3

ELECTRICAL MAIN PARTS LIST - 2/5
C 239 87-010-197-080 CAP, CHIP 0.01 DM AB..................
C 232 87-010-213-080 C-CAP,S 0.015-50 B ABCD................
C 231 87-010-213-080 C-CAP,S 0.015-50 B ABCD................
C 237 87-010-408-080 CAP, ELECT 47-50V ABCD................
C 239 87-010-805-080 CAP, S 1-16 ..CD................
C 236 87-016-669-080 C-CAP,S 0.1-25 K B ABCD................
C 235 87-016-669-080 C-CAP,S 0.1-25 K B ABCD................
C 234 87-A10-201-080 C-CAP,S0.33-16 KB ABCD................
C 233 87-A10-201-080 C-CAP,S0.33-16 KB ABCD................
C 240 87-010-197-080 CAP, CHIP 0.01 DM AB..................
C 248 87-010-401-080 CAP, ELECT 1-50V ABCD................
C 247 87-010-401-080 CAP, ELECT 1-50V ABCD................
C 240 87-010-805-080 CAP, S 1-16 ..CD................
C 310 87-010-248-080 CAP, ELECT 220-10V ABCD................
C 484 87-012-156-080 C-CAP,S 220P-50 CH ABCD................
C 483 87-012-156-080 C-CAP,S 220P-50 CH ABCD................
C 819 87-010-426-080 C-CAP,S 0.012-25 B ABCD................
C 820 87-010-426-080 C-CAP,S 0.012-25 B ABCD................
D 310 87-020-465-080 DIODE,1SS133 (110MA) ABCD................
IC 203 87-A21-443-040 C-IC,M62495AFP ..CD................
IC 203 87-A21-520-040 C-IC,M61509FP AB..................
C 267 87-010-112-080 CAP, ELECT 100-16V ABCD................
C 268 87-010-112-080 CAP, ELECT 100-16V ABCD................
C 264 87-010-178-080 CHIP CAP 1000P ABCD................
C 263 87-010-178-080 CHIP CAP 1000P ABCD................
C 265 87-010-263-080 CAP, ELECT 100-10V ABCD................
C 266 87-010-263-080 CAP, ELECT 100-10V ABCD................
C 261 87-010-402-080 CAP, ELECT 2.2-50V ABCD................
C 262 87-010-402-080 CAP, ELECT 2.2-50V ABCD................
C 271 87-010-237-080 CAP, ELECT 1000-16V ABCD................
C 272 87-010-237-080 CAP, ELECT 1000-16V ABCD................
C 279 87-010-385-080 CAP, ELECT 220-25V ABCD................
C 278 87-010-405-080 CAP, ELECT 10-50V ABCD................
CN 202 8A-CH4-689-010 CONN,3P V 2.5 ABCD................
IC 202 87-A21-064-010 IC,LA4227 ABCD................
C 308 87-010-221-080 CAP, ELECT 470-10V ABCD................
C 307 87-010-401-080 CAP, ELECT 1-50V ABCD................
C 306 87-010-404-080 CAP, ELECT 4.7-50V ABCD................
C 301 87-016-495-000 CAP,E 3300-25 M SMG ABCD................
C 311 87-010-374-080 CAP, ELECT 47-10V ABCD................
C 312 87-010-385-080 CAP, ELECT 220-25V ABCD................
C 325 87-010-405-080 CAP, ELECT 10-50V ABCD................
CN 301 8A-CH4-689-010 CONN,3P V 2.5 ABCD................
D 303 87-070-345-080 DIODE,IN4148 ABCD................
D 306 87-070-345-080 DIODE,IN4148 ABCD................
D 305 87-070-345-080 DIODE,IN4148 ABCD................
D 304 87-A40-648-080 ZENER,MTZJ8.2A ABCD................
D 311 87-027-702-080 DIODE,ZENER HZ6C2L (200MA) ABCD................
Q 303 87-026-291-080 TR,DTC124XS ABCD................
Q 305 87-026-462-080 TR,2SC1740 S(RS 0.3W) ABCD................
Q 302 87-026-463-080 TR,2SA933S (0.3W) ABCD................
Q 301 89-112-965-080 TR,2SA1296 (0.75W) ABCD................
Q 304 89-213-702-080 TR,2SB1370E ABCD................
Q 310 89-318-154-080 TR,2SC1815 (0.4W) ABCD................
C 30 87-010-260-080 CAP, ELECT 47-25V ABCD................
C 801 87-010-248-080 CAP, ELECT 220-10V ABCD................
C 807 87-010-405-080 CAP, ELECT 10-50V ABCD................
C 808 87-010-405-080 CAP, ELECT 10-50V ABCD................
C 809 87-010-405-080 CAP, ELECT 10-50V ABCD................
C 805 87-012-365-080 C-CAP,S 0.027-25VBK ABCD................
C 806 87-012-365-080 C-CAP,S 0.027-25VBK ABCD................
C 811 87-010-178-080 CHIP CAP 1000P ABCD................
C 812 87-010-178-080 CHIP CAP 1000P ABCD................
C 816 87-010-180-080 C-CER 1500P ABCD................
C 817 87-010-180-080 C-CER 1500P ABCD................
C 810 87-010-405-080 CAP, ELECT 10-50V ABCD................
C 829 87-010-178-080 CHIP CAP 1000P ABCD................
C 824 87-010-178-080 CHIP CAP 1000P ABCD................
C 823 87-010-178-080 CHIP CAP 1000P ABCD................
C 822 87-010-401-080 CAP, ELECT 1-50V ABCD................
C 821 87-010-401-080 CAP, ELECT 1-50V ABCD................
C 830 87-010-178-080 CHIP CAP 1000P ABCD................
C 831 87-010-198-080 CAP, CHIP 0.022 ABCD................
C 834 87-010-248-080 CAP, ELECT 220-10V ABCD................
C 835 87-010-322-080 C-CAP,S 100P-50 CH ABCD................
C 836 87-010-322-080 C-CAP,S 100P-50 CH ABCD................
C 833 87-018-195-080 CAP, CER 1200P-16V ABCD................
C 845 87-010-178-080 CHIP CAP 1000P ABCD................
C 843 87-010-197-080 CAP, CHIP 0.01 DM ABCD................
C 846 87-010-263-080 CAP, ELECT 100-10V ABCD................
C 844 87-018-124-080 CAP, CER 270P-50V ABCD................
C 852 87-010-178-080 CHIP CAP 1000P ABCD................
C 851 87-010-186-080 CAP,CHIP 4700P ABCD................
C 853 87-A11-145-080 CAP,TC U 0.01-50 Z F ABCD................
CN 801 87-A60-110-010 CONN,4P V S2M-4W ABCD................
CN 802 8A-CH4-687-010 CONN,4P V 2.5 ABCD................
D 308 87-017-978-080 DIODE,1N4003 ABCD................
D 309 87-070-345-080 DIODE,IN4148 ABCD................
D 809 87-020-465-080 DIODE,1SS133 (110MA) ABCD................
D 808 87-070-345-080 DIODE,IN4148 ABCD................
D 807 87-070-345-080 DIODE,IN4148 ABCD................
D 810 87-020-465-080 DIODE,1SS133 (110MA) ABCD................
Page 4

ELECTRICAL MAIN PARTS LIST - 3/5
IC 801 87-A21-431-010 IC,BA4560N ABCD................
L 801 87-007-342-010 COIL,OSC 85K BIAS ABCD................
Q 801 89-318-154-080 TR,2SC1815 (0.4W) ABCD................
Q 810 87-026-464-080 TR,DTC114TS (0.3W) ABCD................
R 840 87-029-124-010 RES,FUSE 2.2-1/4 ABCD................
SW 801 8Z-CD9-609-010 SW,SL 1-6-2 PS62D01 ABCD................
C 321 87-010-197-080 CAP, CHIP 0.01 DM ABCD................
C 322 87-010-263-080 CAP, ELECT 100-10V ABCD................
CN 201 87-099-018-010 CONN,16P ABCD................
CN 302 8A-CD9-629-010 CONN ASSY,6P MA-TU ABCD................
D 32 87-027-399-080 ZENER,HZ7A3L (200MA) A...................
D 32 87-027-607-080 ZENER,HZ7B3L .BCD................
D 323 87-070-345-080 DIODE,IN4148 .BCD................
Q 321 89-318-154-080 TR,2SC1815 (0.4W) ABCD................
Q 841 87-026-291-080 TR,DTC124XS ABCD................
C 407 87-010-178-080 CHIP CAP 1000P ABCD................
C 405 87-010-197-080 CAP, CHIP 0.01 DM ABCD................
C 402 87-010-197-080 CAP, CHIP 0.01 DM ABCD................
C 408 87-010-198-080 CAP, CHIP 0.022 ABCD................
C 409 87-010-248-080 CAP, ELECT 220-10V ABCD................
C 404 87-010-248-080 CAP, ELECT 220-10V ABCD................
C 403 87-010-263-080 CAP, ELECT 100-10V ABCD................
C 406 87-010-374-080 CAP, ELECT 47-10V ABCD................
C 401 87-010-403-080 CAP, ELECT 3.3-50V ABCD................
C 418 87-010-213-080 C-CAP,S 0.015-50 B ABCD................
C 410 87-010-263-080 CAP, ELECT 100-10V ABCD................
C 412 87-010-401-080 CAP, ELECT 1-50V ABCD................
C 414 87-010-405-080 CAP, ELECT 10-50V ABCD................
C 416 87-010-545-080 CAP, ELECT 0.22-50V ABCD................
C 417 87-012-157-080 C-CAP,S 330P-50 CH ABCD................
C 413 87-016-369-080 C-CAP,S 0.033-25 B K ABCD................
C 411 87-A11-177-080 C-CAP,S 0.15-16 K B ABCD................
C 419 87-A11-608-080 C-CAP,S 0.33-25 K B ABCD................
C 425 87-010-176-080 C-CAP,S 680P-50 SL ABCD................
C 422 87-010-184-080 CHIP CAPACITOR 3300P(K) ABCD................
C 429 87-010-186-080 CAP,CHIP 4700P ABCD................
C 428 87-010-197-080 CAP, CHIP 0.01 DM ABCD................
C 423 87-010-992-080 C-CAP,S 0.047-25 B ABCD................
C 420 87-016-369-080 C-CAP,S 0.033-25 B K ABCD................
C 421 87-A11-177-080 C-CAP,S 0.15-16 K B ABCD................
C 424 87-A11-606-080 C-CAP,S 0.22-25 K B ABCD................
C 426 87-A11-608-080 C-CAP,S 0.33-25 K B ABCD................
C 439 87-010-178-080 CHIP CAP 1000P ABCD................
C 434 87-010-184-080 CHIP CAPACITOR 3300P(K) ABCD................
C 435 87-010-197-080 CAP, CHIP 0.01 DM ABCD................
C 436 87-010-374-080 CAP, ELECT 47-10V ABCD................
C 432 87-010-374-080 CAP, ELECT 47-10V ABCD................
C 433 87-010-401-080 CAP, ELECT 1-50V ABCD................
C 437 87-010-404-080 CAP, ELECT 4.7-50V ABCD................
C 431 87-010-545-080 CAP, ELECT 0.22-50V ABCD................
C 430 87-012-156-080 C-CAP,S 220P-50 CH ABCD................
C 438 87-016-669-080 C-CAP,S 0.1-25 K B ABCD................
C 441 87-010-197-080 CAP, CHIP 0.01 DM ABCD................
C 442 87-010-313-080 CAP, CHIP 18P ABCD................
C 448 87-010-315-080 C-CAP,S 27P-50 CH ABCD................
C 445 87-012-368-080 C-CAP,S 0.1-50 F ABCD................
C 446 87-012-368-080 C-CAP,S 0.1-50 F ABCD................
C 447 87-012-368-080 C-CAP,S 0.1-50 F ABCD................
C 455 87-010-247-080 CAP, ELECT 100-50V ABCD................
C 459 87-010-263-080 CAP, ELECT 100-10V ABCD................
C 457 87-010-312-080 C-CAP,S 15P-50 CH ABCD................
C 458 87-010-312-080 C-CAP,S 15P-50 CH ABCD................
C 450 87-012-140-080 CAP 470P ABCD................
C 451 87-012-156-080 C-CAP,S 220P-50 CH ABCD................
C 463 87-010-197-080 CAP, CHIP 0.01 DM ABCD................
C 461 87-010-197-080 CAP, CHIP 0.01 DM ABCD................
C 462 87-010-248-080 CAP, ELECT 220-10V ABCD................
C 467 87-010-263-080 CAP, ELECT 100-10V ABCD................
C 465 87-010-404-080 CAP, ELECT 4.7-50V ABCD................
C 469 87-012-154-080 C-CAP,S 150P-50 CH ABCD................
C 466 87-012-368-080 C-CAP,S 0.1-50 F ABCD................
C 460 87-015-819-080 CAPACITOR,0.01 ABCD................
C 473 87-010-196-080 CHIP CAPACITOR,0.1-25 ABCD................
C 471 87-010-196-080 CHIP CAPACITOR,0.1-25 ABCD................
C 477 87-010-197-080 CAP, CHIP 0.01 DM ABCD................
C 475 87-010-197-080 CAP, CHIP 0.01 DM ABCD................
C 479 87-010-197-080 CAP, CHIP 0.01 DM ABCD................
C 476 87-010-236-080 CAP,E 1000-10 SME ABCD................
C 478 87-010-263-080 CAP, ELECT 100-10V ABCD................
C 470 87-010-544-080 CAP, ELECT 0.1-50V ABCD................
C 474 87-015-785-080 CHIP CAPACITOR, 0.1FZ-25Z ABCD................
C 472 87-015-785-080 CHIP CAPACITOR, 0.1FZ-25Z ABCD................
C 480 87-010-221-080 CAP, ELECT 470-10V ABCD................
C 481 87-010-405-080 CAP, ELECT 10-50V ABCD................
C 482 87-010-405-080 CAP, ELECT 10-50V ABCD................
C 489 87-012-368-080 C-CAP,S 0.1-50 F ABCD................
C 494 87-010-197-080 CAP, CHIP 0.01 DM ABCD................
C 490 87-012-368-080 C-CAP,S 0.1-50 F ABCD................
C 495 87-016-669-080 C-CAP,S 0.1-25 K B ABCD................
C 502 87-010-322-080 C-CAP,S 100P-50 CH ABCD................
C 505 87-010-322-080 C-CAP,S 100P-50 CH ABCD................
C 506 87-010-322-080 C-CAP,S 100P-50 CH ABCD................
Page 5

ELECTRICAL MAIN PARTS LIST - 4/5
C 503 87-010-322-080 C-CAP,S 100P-50 CH ABCD................
C 504 87-010-322-080 C-CAP,S 100P-50 CH ABCD................
C 501 87-012-368-080 C-CAP,S 0.1-50 F ABCD................
C 510 87-016-669-080 C-CAP,S 0.1-25 K B ABCD................
CN 205 87-A60-109-010 CONN,2P V S2M-2W ABCD................
CN 403 87-099-201-010 CONN,8P 6216 H ABCD................
CN 401 87-A60-424-010 CONN,16P V TOC-B ABCD................
CNA 402 8A-CD9-625-010 CONN ASSY,6P CD-ME ABCD................
D 402 87-070-345-080 DIODE,IN4148 ABCD................
D 401 87-070-345-080 DIODE,IN4148 ABCD................
D 403 87-070-345-080 DIODE,IN4148 ABCD................
IC 401 87-A20-446-010 C-IC,LA9241ML ABCD................
IC 402 87-A20-459-010 C-IC,LC78622ED ABCD................
IC 404 87-A21-093-010 IC,LA6541D ABCD................
L 401 87-003-102-080 COIL, 10UH ABCD................
L 404 87-003-152-080 COIL, 100UH ABCD................
Q 408 87-026-210-080 CHIP-TR,DTC144EK ABCD................
Q 407 87-026-210-080 CHIP-TR,DTC144EK ABCD................
Q 406 87-026-239-080 TR,DTC114TK (0.2W) ABCD................
Q 403 87-026-295-080 TR,DTC144TK ABCD................
Q 405 87-026-295-080 TR,DTC144TK ABCD................
Q 404 87-026-295-080 TR,DTC144TK ABCD................
Q 401 89-109-332-380 TR,2SA933RS ABCD................
Q 402 89-113-187-080 TR,2SA1318TU ABCD................
SFR 430 87-024-437-080 SFR100K,RH063EC ABCD................
X 401 8Z-CD5-633-010 VIB, CER16.93MHZ FCR16.93M2 ABCD................
C 491 87-010-197-080 CAP, CHIP 0.01 DM ABCD................
C 492 87-010-221-080 CAP, ELECT 470-10V ABCD................
D 494 87-070-345-080 DIODE,IN4148 ABCD................
D 491 87-070-345-080 DIODE,IN4148 ABCD................
Q 492 87-026-291-080 TR,DTC124XS ABCD................
Q 491 89-112-965-080 TR,2SA1296 (0.75W) ABCD................
C 6 87-010-313-080 CAP, CHIP 18P A...................
C 3 87-010-314-080 C-CAP,S 22P-50V ABCD................
C 1 87-010-314-080 C-CAP,S 22P-50V ABCD................
C 2 87-010-316-080 C-CAP,S 33P-50 CH ABCD................
C 8 87-012-349-080 C-CAP,S 1000P-50 CH ABCD................
C 5 87-012-360-080 CAP, CER 1-10 .BCD................
C 7 87-014-049-080 CAP,PP 470P-100 J ABCD................
C 5 87-016-669-080 C-CAP,S 0.1-25 K B A...................
C 13 87-010-150-080 C-CAP,S 6P-50 CH ABCD................
C 15 87-010-178-080 CHIP CAP 1000P ABCD................
C 11 87-010-197-080 CAP, CHIP 0.01 DM ABCD................
C 12 87-010-197-080 CAP, CHIP 0.01 DM ABCD................
C 10 87-010-197-080 CAP, CHIP 0.01 DM ABCD................
C 17 87-010-198-080 CAP, CHIP 0.022 ABCD................
C 19 87-010-263-080 CAP, ELECT 100-10V ABCD................
C 14 87-010-303-080 C-CAP,S 330P-50CH ABCD................
C 16 87-010-374-080 CAP, ELECT 47-10V ABCD................
C 18 87-015-835-080 C-CAP,0.047 D ABCD................
C 21 87-010-197-080 CAP, CHIP 0.01 DM ABCD................
C 23 87-010-197-080 CAP, CHIP 0.01 DM ABCD................
C 22 87-010-197-080 CAP, CHIP 0.01 DM ABCD................
C 24 87-010-303-080 C-CAP,S 330P-50CH ABCD................
C 20 87-010-404-080 CAP, ELECT 4.7-50V ABCD................
C 25 87-016-460-080 C-CAP,S 0.22-16 B ABCD................
C 29 87-016-669-080 C-CAP,S 0.1-25 K B ABCD................
C 28 87-016-669-080 C-CAP,S 0.1-25 K B ABCD................
C 27 87-A11-067-080 C-CAP,S 1-10 K B ABCD................
C 37 87-010-197-080 CAP, CHIP 0.01 DM ABCD................
C 30 87-010-198-080 CAP, CHIP 0.022 A...................
C 31 87-010-198-080 CAP, CHIP 0.022 A...................
C 30 87-010-213-080 C-CAP,S 0.015-50 B .BCD................
C 31 87-010-213-080 C-CAP,S 0.015-50 B .BCD................
C 36 87-010-263-080 CAP, ELECT 100-10V ABCD................
C 38 87-010-374-080 CAP, ELECT 47-10V ABCD................
C 39 87-010-404-080 CAP, ELECT 4.7-50V ABCD................
C 33 87-012-358-080 C-CAP,S 0.47-10 F Z ABCD................
C 34 87-012-358-080 C-CAP,S 0.47-10 F Z ABCD................
C 35 87-015-819-080 CAPACITOR,0.01 ABCD................
C 41 87-010-178-080 CHIP CAP 1000P ABCD................
C 43 87-010-178-080 CHIP CAP 1000P ABCD................
C 42 87-010-178-080 CHIP CAP 1000P ABCD................
C 40 87-010-197-080 CAP, CHIP 0.01 DM ABCD................
C 47 87-010-197-080 CAP, CHIP 0.01 DM ABCD................
C 48 87-010-197-080 CAP, CHIP 0.01 DM ABCD................
C 46 87-010-197-080 CAP, CHIP 0.01 DM ABCD................
C 44 87-010-311-080 CAP 12P ABCD................
C 45 87-010-312-080 C-CAP,S 15P-50 CH ABCD................
C 49 87-012-140-080 CAP 470P ABCD................
C 52 87-010-197-080 CAP, CHIP 0.01 DM .BCD................
C 53 87-010-197-080 CAP, CHIP 0.01 DM .BCD................
C 50 87-010-197-080 CAP, CHIP 0.01 DM ABCD................
C 55 87-010-197-080 CAP, CHIP 0.01 DM .BCD................
C 51 87-010-316-080 C-CAP,S 33P-50 CH .BCD................
C 54 87-014-055-080 CAP,PP 820P-100 J .BCD................
C 73 87-010-197-080 CAP, CHIP 0.01 DM ABCD................
C 75 87-010-197-080 CAP, CHIP 0.01 DM ABCD................
C 71 87-010-197-080 CAP, CHIP 0.01 DM ABCD................
C 72 87-010-263-080 CAP, ELECT 100-10V ABCD................
C 93 87-010-197-080 CAP, CHIP 0.01 DM ABCD................
C 92 87-010-197-080 CAP, CHIP 0.01 DM ABCD................
Page 6

ELECTRICAL MAIN PARTS LIST - 5/5
C 91 87-012-140-080 CAP 470P ABCD................
CF 3 87-008-261-010 FILTER, SFE10.7MA5-A ABCD................
CF 2 87-008-261-010 FILTER, SFE10.7MA5-A ABCD................
CF 1 87-A91-094-010 FLTR,CDA10.7 MG80A ABCD................
CN 2 87-099-854-010 CONN,6P S2M-6W ABCD................
CN 3 87-A60-110-010 CONN,4P V S2M-4W ABCD................
D 6 87-017-072-080 ZENER,HZS3B1 ABCD................
D 1 87-070-345-080 DIODE,IN4148 ABCD................
D 2 87-070-345-080 DIODE,IN4148 ABCD................
D 4 87-A40-128-080 C-VARI-CAP,HVU202A ABCD................
D 5 87-A40-128-080 C-VARI-CAP,HVU202A ABCD................
D 3 87-A40-616-070 VARI-CAP,SVC384(S/T) ABCD................
HD 2 88-CD6-661-010 HLDR,BAR ANT. ABCD................
HD 1 88-CD6-661-010 HLDR,BAR ANT. ABCD................
IC 2 87-A21-185-040 C-IC,LC72121M ABCD................
IC 1 87-A21-550-010 IC,TA2149N ABCD................
L 8 87-005-849-080 COIL,10UH(CECS) ABCD................
L 4 87-A50-420-010 COIL,MW OSC(SYN) ABCD................
L 2 87-A50-560-010 COIL,FM BPF(ACD) ABCD................
L 5 87-A50-566-010 COIL,FM RF EX(ACH) ABCD................
L 6 87-A50-567-010 COIL,FM OSC(ACH) ABCD................
L 7 87-A91-308-010 FLTR,PCFAZH- 450T (TOK) ABCD................
L 3 8A-CH4-670-010 BAR-ANT,MW 2B-ACH(COI) A...................
L 3 8A-CH4-671-010 BAR-ANT,MW/LW 3B-ACH(COI) .BCD................
L 51 87-A50-421-010 COIL,LW OSC(SYN) .BCD................
Q 4 87-026-213-080 CHIP-TR,DTC114YK ABCD................
Q 2 87-026-447-080 TR,2SC1740S R ABCD................
Q 3 89-111-624-080 TR,2SA1162Y ABCD................
Q 1 89-327-143-080 TR,2SC2714 (0.1W) ABCD................
Q 54 87-026-230-080 CHIP-TR,DTA114YK .BCD................
Q 52 87-026-447-080 TR,2SC1740S R .BCD................
Q 53 89-320-011-080 TR,2SC2001 (15W) .BCD................
Q 51 89-503-025-010 C-FET,2SK302GR .BCD................
Q 71 89-327-125-080 CHIP TR,2SC2712GR ABCD................
TC 1 87-011-254-080 TRIMER,20P LAR ABCD................
TC 51 87-A91-659-010 TRIMMER,50P 4.0X4.5 ECRL .BCD................
X 1 87-A70-061-010 VIB,XTAL 4.500MHZ CSA-309 ABCD................
Page 7

MECHANICAL PARTS LIST - 1/1
NOTE: The characters in the suffix column indicate the part usage.
21USC ..................XX..................................A...................
21EZSC .................XX...................................B..................
20KSC ..................XX....................................C.................
KANRI
REF.NO PARTS NO. NO. DESCRIPTION SUFFIX
87-B00-010-010 BADGE,AIWA 30.5-5.2 S 2.5L ABCD................
8A-CD9-005-010 CHAS,CD A ABCD................
8A-CD9-007-010 WINDOW,CD ABCD................
8A-CD9-008-010 BOX,CASS ABCD................
8A-CD9-009-010 WINDOW,CASS ABCD................
8A-CD9-011-010 HANDL,ARM ABCD................
8A-CD9-012-010 HANDL,GRIP ABCD................
8A-CD9-022-010 LENS,LED ABCD................
8A-CD9-024-010 KEY,CASS TN21 ABCD................
8A-CH9-005-010 WINDOW,LCD ABCD................
8A-CH9-006-010 PANEL,VOL CH ABCD................
8A-CH9-009-010 CABI,FR A2-X ASSY A...................
8A-CH9-012-010 BOX,CD A AB..................
8A-CH9-014-010 BOX,CD AL ..CD................
8Z-CDB-169-010 PANEL,CD SANYO ABCD................
* 8A-CD9-010-010 LID,BATT ABCD................
* 8A-CH9-002-010 CABI,REAR A2 ABCD................
* 8A-CH9-007-010 CABI,FR A2 ASSY .B..................
* 8A-CH9-011-010 CABI,FR A2L ASSY ..CD................
8A-CD9-014-010 BTN,VOL ABCD................
8A-CD9-015-010 BTN,CD A ABCD................
8A-CD9-016-010 BTN,CD B ABCD................
8A-CD9-017-010 BTN,QSOUND ..CD................
8A-CD9-028-010 BTN,Q/BASS AB..................
8A-CH4-036-010 PLATE,AC ABCD................
84-CD5-215-010 GEAR ABCD................
84-CD5-216-010 BRACKET ABCD................
84-CD5-217-010 PLATE,MAGNET ABCD................
86-CT4-218-010 CUSHION,FOOT/PORON ABCD................
87-036-368-010 MAGNET ABCD................
87-CD6-213-010 SPR-C,BATT (-) ABCD................
8A-CD9-223-010 SPR-P,REC TN21 ABCD................
8A-CD9-231-010 SPR-T,CD ABCD................
8A-CD9-232-010 SPR-T,CASS ABCD................
8Z-CH4-211-010 BASE,CHUCK ABCD................
8Z-CH4-212-010 RING,CHUCK ABCD................
* 8A-CD9-201-010 HLDR,DISPLAY ABCD................
* 8A-CD9-202-010 GUIDE,LED ABCD................
* 8A-CD9-203-010 GUIDE,VOL ABCD................
* 8A-CD9-211-010 HLDR,PWB L ABCD................
* 8A-CD9-212-010 HLDR,PWB R ABCD................
* 8A-CD9-221-010 HLDR,ANT ABCD................
* 8A-CD9-222-010 HLDR,SPEAKER ABCD................
* 8A-CH4-209-010 HLDR,PT ABCD................
* 8Z-CH4-225-010 HLDR,CHUCK A(S) ABCD................
87-067-566-010 TAPPING SCREW, VFTT+3-6 ABCD................
87-251-073-410 SCREW,U+2.6-6 ABCD................
87-255-096-410 U+3-10 NI ABCD................
87-342-074-010 UT2+2.6-8 ABCD................
87-352-075-210 VT2+2.6-10 ABCD................
87-571-032-410 VIT+2-3 ABCD................
87-571-033-410 TAPPING SCREW, VIT+2-4 ABCD................
87-661-095-410 VFT1+3-8 ABCD................
87-661-097-410 TAPPING SCREW, VFT1+3-12 ABCD................
87-741-096-410 UT2+3-10 ABCD................
87-B10-239-010 QT2+3-8 W/O CR ABCD................
87-B10-242-010 UT2+3-30 W/O CR ABCD................
87-B10-269-010 UT2+3-12 W/O CR ABCD................
87-WA5-253-010 W,3.3-10-0.8 ABCD................
* 87-751-094-410 VT2+3-6 W10SL0T ABCD................
* 87-036-389-010 SW,PUSH LOCK ABCD................
* 87-A60-177-010 JACK,AC U W/SW A...................
* 87-A60-178-010 JACK,AC E W/SW .BCD................
* 8Z-CD5-634-010 COVER,AC SOCKET ABCD................
* 8Z-CH4-640-010 ANT,ROD ABCD................
CNA 0 8A-CD9-626-010 CONN ASSY,2P DOOR ABCD................
CNA 0 8A-CD9-630-010 CONN ASSY,4P RPH ABCD................
CNA 0 8A-CD9-631-010 CONN ASSY,4P TP-ME ABCD................
CNA 0 8A-CD9-633-010 CONN ASSY,4P SP ABCD................
PT 901 8A-CD9-606-010 PT,U 2.5W A...................
PT 901 8A-CD9-607-010 PT,E 2.5W .BCD................
SP 0 88-CD9-626-010 SPKR,100 7OHM 3W ABCD................
W 0 8A-CD9-620-010 FF-CABLE, 16P FR-MAIN ABCD................
W 0 8A-CD9-621-010 FF-CABLE, 16P CD-RF ABCD................
W 0 8A-CD9-622-010 FF-CABLE, 8P CD-FR ABCD................
Page 8

ACCESSORIES / PACKAGE LIST - 1/1
NOTE: The characters in the suffix column indicate the part usage.
21USC ..................XX..................................A...................
21EZSC .................XX...................................B..................
20KSC ..................XX....................................C.................
KANRI
REF.NO PARTS NO. NO. DESCRIPTION SUFFIX
8A-CH9-903-010 IB,U(ESF)B A...................
8A-CH9-905-010 IB,K(E)B ..C.................
8A-CH9-906-010 IB,EZ(9L)B .B.D................
87-A80-034-010 AC CORD SET ASSY,K W/F MAY-BG ..C.................
87-A80-036-010 AC CORD SET ASSY,E W/FLTR VOL .B.D................
87-A80-109-010 AC CORD,HK7281 BLK U A...................
Page 9

SCHEMATIC DIAGRAM _ 1 (MAIN 1/3)
Page 10

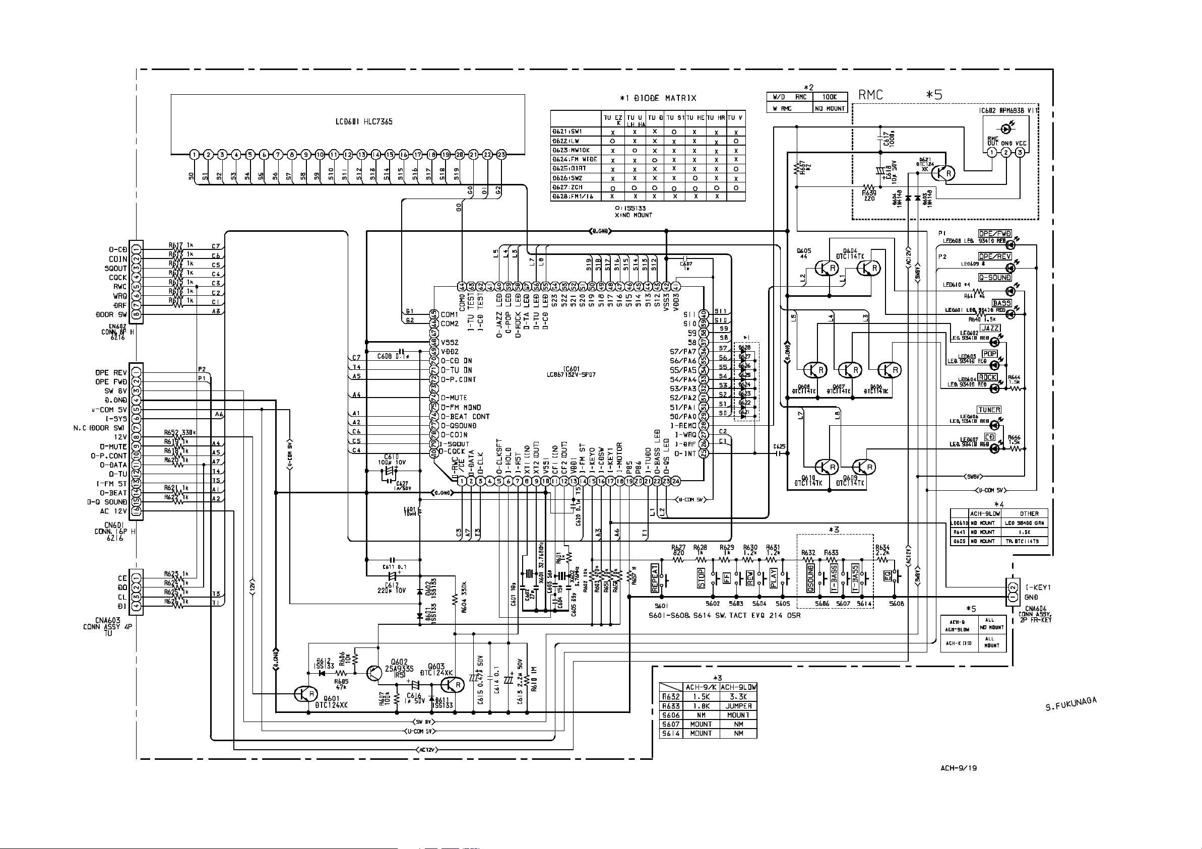
SCHEMATIC DIAGRAM _ 2 (MAIN 2/3)
Page 11

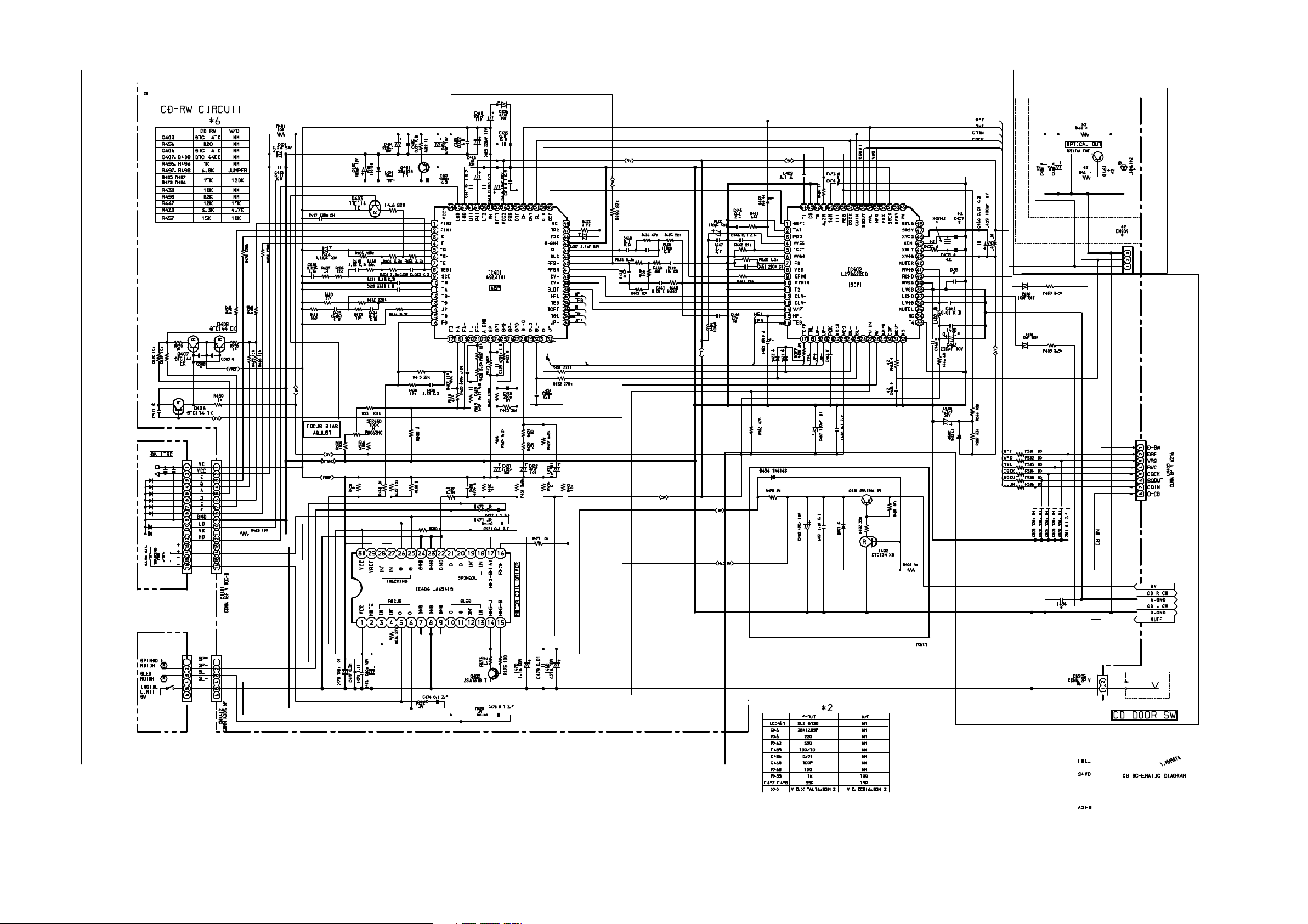
SCHEMATIC DIAGRAM _ 3 (MAIN 3/3)
Page 12

SCHEMATIC DIAGRAM _ 4 (FRONT)
Page 13

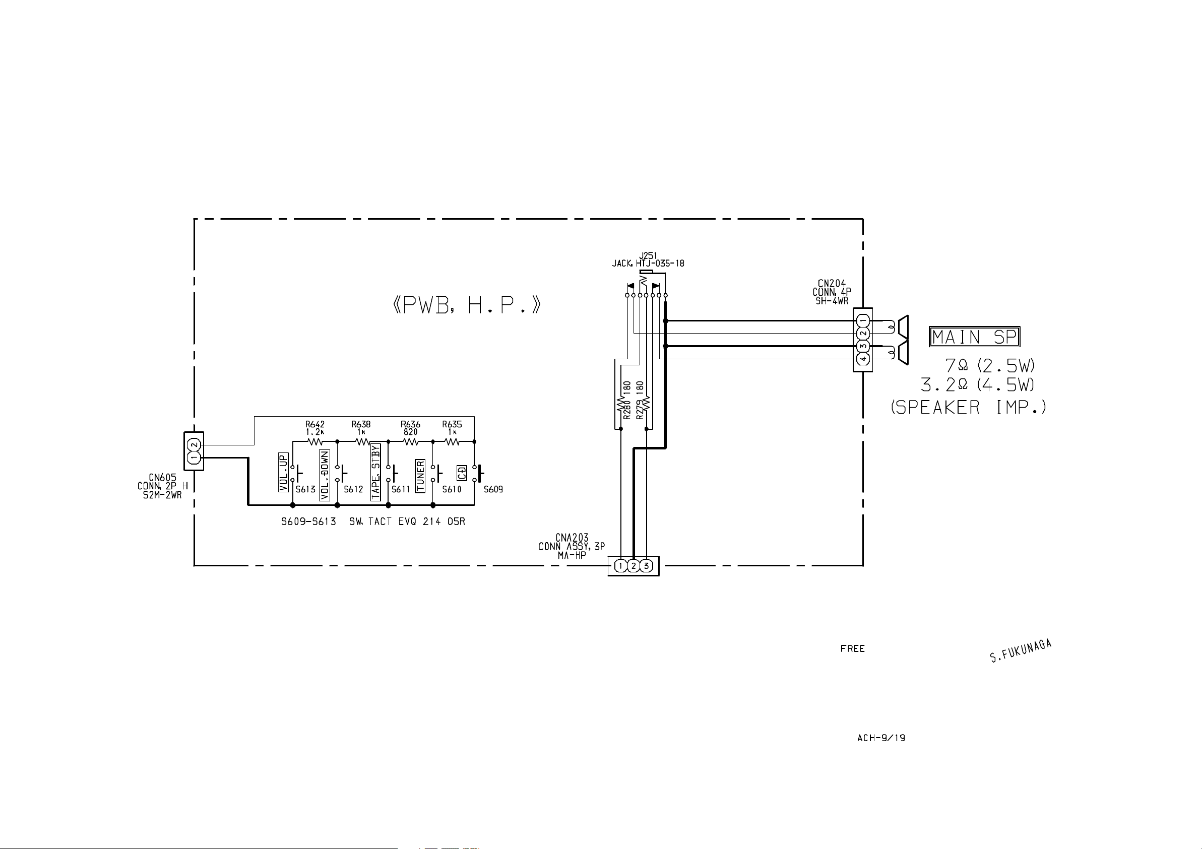
SCHEMATIC DIAGRAM _ 5 (H.P.)
Page 14

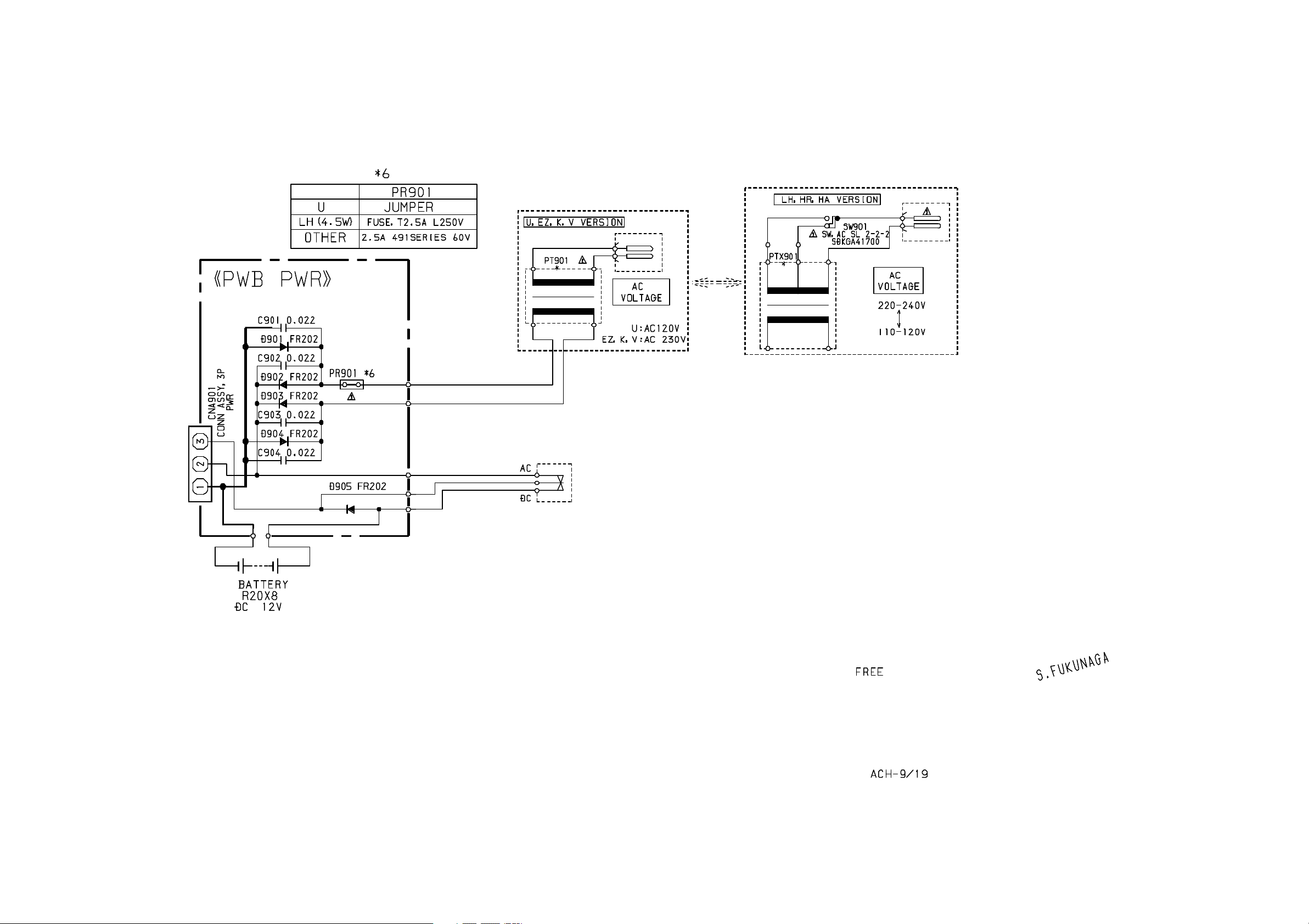
SCHEMATIC DIAGRAM _ 6 (POWER)
Page 15

"
9920588
2–11, IKENOHATA 1–CHOME, TAITO-KU, TOKYO 110, JAPAN TEL:03 (3827) 3111
Printed in Singapore