Page 1

AC伺服驱动器
大容量Σ-V系列
用户手册设置篇
旋转型
伺服单元/变流器 SGDV
伺服电机 SGMVV
资料编号 SICP S800000 89A
设置操作概要
安装
接线和连接
安全功能
试运行(确认伺服电机动作)
1
2
3
4
5
Page 2

版权所有 © 2013 株式会社 安川電機
未经本公司的书面许可,禁止转载或复制本书的一部分或全部内容。
Page 3

请事先务必阅读
本手册对 Σ-V 系列伺服驱动器的安装、接线和连接以及伺服电机单体的动作
确认 (JOG 运行)进行说明。
进行基本设定时,请务必参照本手册,正确进行作业。
请妥善保管本手册,以便需要时可以随时查阅。
除本手册外,请根据使用目的阅读下页所示的相关资料。
本手册使用的基本术语
如无特别说明,本手册使用以下术语。
基本术语 含义
伺服电机
伺服单元
变流器
伺服驱动器
伺服系统
模拟量、脉冲型 接口规格为模拟量电压、脉冲序列指令型的伺服单元
M-II 型 接口规格为 MECHATROLINK-II 通信指令型的伺服单元
M-III 型 接口规格为 MECHATROLINK-III 通信指令型的伺服单元
指令选购模块安装型 安装了指令选购模块的伺服单元
伺服 ON 电机通电
伺服 OFF 电机不通电
基极封锁 (BB)
主回路电缆
光标 数字操作器上显示的数据输入位置
Σ-V 系列的 SGMVV 型伺服电机
Σ-V 系列的 SGDV-H、SGDV-J 型伺服放大
器
Σ-V 系列的 SGDV-COA 型变流器
将伺服电机、伺服单元 (型号:SGDV-H、
-J)与变流器组合而成的驱动器
由伺服驱动器和上位装置以及外围设备配套而成的
一套完整的系统
因切断伺服单元的功率晶体管的基极电流而形成的
不通电状态
连接于主回路端子的电缆 (主回路电源电缆、控制
电源电缆、伺服电机主回路电缆等)
iii
Page 4

关于重要说明
对于需要特别注意的说明,标示了以下符号。
重要
本手册的书写规则
在本手册中,取反信号名 (L 电平时有效的信号)通过在信号名前加 (/)来
表示。
<书写示例>
S-ON
Σ-V 系列的相关资料
请根据使用目的,阅读所需的资料。
资料名称
大容量 Σ-V 系列
产品样本
(资料编号:KACP S800000 86)
大容量 Σ-V 系列
用户手册
设计·维护篇
模拟量电压·脉冲序列
指令型/旋转型
(资料编号:SICP S800000 88)
大容量 Σ-V 系列
用户手册
设计·维护篇
MECHATROLINK-II
通信指令型 / 旋转型
(资料编号:SICP S800000 90)
Σ-V 系列 /
大容量 Σ-V 系列
用户手册
MECHATROLINK-II
指令篇
(资料编号:SICP S800000 54)
大容量 Σ-V 系列
用户手册
设计·维护篇
MECHATROLINK-III
通信指令型 / 旋转型
(资料编号:SICP S800000 93)
∗ 有关操作时可能发生的故障及其处理方法,请参照上述资料。(“大容量 Σ-V 系列 用
户手册 设计·维护篇 指令选购模块安装型 / 旋转型”中介绍了指令选购模块通用的
故障及处理方法。)
iv
· 表示说明中特别重要的事项。也表示发出警报等,但还不至于造成装置
损坏的轻度注意事项。
书写为 /S-ON。
机型或外
围设备的
选型
想了解额
定值与特
性
进行系统
设计
{{
{{{ {
{{{ {
{{{ {
进行柜内
安装与接
线
进行试运
行
进行试运
行和伺服
调整
{{{
进行维护
或检查
∗
{
∗
{
∗
{
Page 5

资料名称
Σ-V 系列 /
大容量 Σ-V 系列
用户手册
MECHATROLINK-III
指令篇
(资料编号:SICP S800000 63)
大容量 Σ-V 系列
用户手册
设计·维护篇
指令选购模块安装型 / 旋转型
(资料编号:SICP S800000 98)
Σ-V 系列 /
大容量 Σ-V 系列
用户手册
数字操作器操作篇
(资料编号:SICP S800000 55)
Σ-V 系列 /
大容量 Σ-V 系列
用户手册
INDEXER 模块
(资料编号:SICP C720829 02)
Σ-V 系列
用户手册
Devicenet 模块
(资料编号:SICP C720829 07)
AC SERVOMOTOR
SAFETY PRECAUTIONS
(日英双语版)
(资料编号:TOBP C230200 00)
Σ-V Series
SAFETY PRECAUTIONS
For Use with Large-Capacity
Models (日英双语版)
(
资料编号:TOBP C710829 07)
Σ-V Series/
Σ-V Series for Large-
Capacity Models
SAFETY PRECAUTIONS
Option Module (日英双语版)
(资料编号:TOBP C720829 00)
Σ-V Series
SAFETY PRECAUTIONS
Digital Operator
(日英双语版)
(资料编号:TOBP C730800 00)
∗ 有关操作时可能发生的故障及其处理方法,请参照上述资料。(“大容量 Σ-V 系列
用户手册 设计·维护篇 指令选购模块安装型 / 旋转型”中介绍了指令选购模块通
用的故障及处理方法。)
(续)
机型或外
围设备的
选型
想了解额
定值与特
性
进行系统
设计
进行柜内
安装与接
线
进行试运
行
进行试运
行和伺服
调整
进行维护
或检查
{{{
{{{ {{
{{{
{{{ {
{{{ {
∗
{
∗
{
{{
{{{
{{{
{
v
Page 6

安全标识的说明
本手册根据与安全有关的内容,使用了下列标记。有关安全标记的说明,均为
重要内容,请务必遵守。
表示错误使用时,将会引发危险情况,有可能导致人身伤亡。
表示错误使用时,将会引发危险情况,导致轻度或中度人身伤害,
损坏设备。
另外,即使是 中说明的事项,根据具体情况,有时也可
能导致重大事故。
表示禁止 (绝对不能做)。例如严禁烟火时,表示为:
表示强制 (必须做)。例如接地时,表示为:
注意
vi
Page 7

安全注意事项
本节就产品的保管与搬运、安装、接线、运行、维护与检查、废弃等用户必须
遵守的重要事项进行说明。
· 在电机运行时,请绝对不要触摸其旋转部位。
否则会导致受伤。
· 连接机械开始运行前,请确保可以随时紧急停止运行。
否则会导致受伤或机械损坏。
· 请绝对不要触摸伺服单元 / 变流器的内部。
否则会导致触电。
· 在通电状态下,请务必安装好前外罩。
否则会导致触电。
· 刚切断电源后或刚进行耐压试验后,在 CHARGE 充电指示灯亮灯期间,请勿触
摸端子。有关主回路电容放电时间的详细说明,请参照 “3.2 主回路电容器
放电时间”。
否则会因残留电压而导致触电。
· 请按与产品相应的用户手册中说明的步骤和指示进行试运行。
在将伺服电机安装在机械上的状态下,如果发生操作错误,则不仅会造成机械
损坏,有时还可能导致人身伤害事故。
·大容量Σ-V 系列绝对值检测系统的旋转量串行数据的输出范围与原系统 (15
位编码器、12 位编码器)不同。特别是用大容量 Σ-V 系列构建 Σ 系列的 “无
限长定位系统”时,请务必变更系统。
· 除了特殊用途以外,没有必要变更旋转圈数上限值。
无故改变该数据会导致危险。
· 发生 “旋转圈数上限值不一致”警报时,请务必首先确认伺服单元的参数
Pn205 是否正确。
如果在参数值保持错误的状态下对旋转圈数上限值设定 (Fn013)进行操作,
则会将错误的值设定给编码器。此时虽然解除了警报,但位置检出会有很大偏
差,机械会移动到预计之外的位置,导致危险发生。
· 请勿在通电状态下拆下机器正面的前外罩、电缆、插头以及选购件类。
否则会导致触电或机械损坏。
· 请勿损伤或用力拉扯电缆,也不要使电缆承受过大力、放在重物下面或者被夹
具啮入。
否则会导致触电、产品停止运行或引发火灾。
· 请绝对不要改造本产品。
否则会导致机械损坏、火灾,甚至造成人员受伤。
危险
vii
Page 8

危险
· 请在机械侧安装制动装置以确保安全。
伺服电机的保持制动器不是用于确保安全的制动装置,请勿将其用于制动。
否则会导致受伤。
· 如果在运行过程中发生瞬时停电后又恢复供电,机械可能会突然再起动,因此
切勿靠近机械。请采取措施以确保再起动时不会危及到人身安全。
否则会导致受伤。
· 请勿弄错再生电阻单元的接线。尤其勿使 B1-B2 间短接。
否则会导致机器损坏或火灾。
· 请务必将伺服单元 / 变流器的接地端子 与接地极连接 (200V 电源输入伺服
单元 / 变流器的接地电阻为 100Ω 以下,400V 电源输入伺服单元 / 变流器的接
地电阻为 10Ω 以下)。
否则会导致触电或火灾。
· 为了防止电机过热,请务必将伺服电机内置的恒温器连接到上位装置或主回路
电磁接触器的动作回路上。
有关详细内容,请参照 “2.2.5 其他注意事项”的 “ 电机的保护”。
否则会导致机械损坏、火灾,甚至造成人员受伤。
· 非指定人员请勿进行安装、拆卸或修理。
否则会导致触电或受伤。
· 在对使用安全功能 (硬接线基极封锁功能)的系统进行设计时,须由熟知相
关安全标准的技术人员在理解大容量 Σ-V 用户手册设计·维护篇的内容后进
行。
否则会导致受伤或机械损坏。
viii
保管和搬运
注意
· 请勿保管或安装在下述环境中。
否则会导致火灾、触电或机器损坏。
· 阳光直射的场所
· 环境温度超过保管、安装温度条件的场所
· 相对湿度超过保管、安装湿度条件的场所
· 温差大、结露的场所
· 有腐蚀性气体、可燃性气体的场所
· 尘土、灰尘、盐分及金属粉末较多的场所
· 易溅上水、油及药品等的场所
· 振动或冲击会传到主体的场所
· 搬运电机时,请抓牢电机的底部,切勿持握电缆、电机轴或端子箱。
否则会导致受伤或故障。
· 请勿过多地将本产品堆积在一起。(请根据指示。)
否则会导致受伤或故障。
· 需要对包装用的木质材料 (含木框、胶合板、栈板)进行消毒、杀虫处理时,
请务必采用熏蒸以外的方法。
例:热处理 (材料芯部温度 56°C 以上、处理时间在 30 分钟以上)
或在包装前对包装材料进行处理,而不要在包装后对整体进行处理。
使用经过熏蒸处理的木质材料包装电气产品 (单体或安装于机械上的产品)
时,包装材料所产生的气体和蒸气可能会对电子产品造成致命的损伤。尤其是
卤素类消毒剂 (氟、氯、溴、碘等)可能会对电容器内部造成腐蚀。
Page 9

安装
接线
注意
· 请勿在会溅到水的场所或易发生腐蚀的环境中以及易燃性气体的环境中和可燃
物的附近使用本产品。
否则会导致触电或火灾。
· 请勿踩踏本产品或在产品上面放置重物。
否则会导致受伤或故障。
· 请勿堵塞吸气口与排气口。也不要使产品内部进入异物。
否则会因内部元件老化而导致故障或火灾。
· 请务必遵守安装方向的要求。
否则会导致故障。
· 安装时,请确保伺服单元 / 变流器与控制柜内表面以及其他机器之间保持规定
的间距。
否则会导致火灾或故障。
· 请使产品免受打击。
否则会导致故障。
注意
· 请正确、可靠地进行接线。
否则会导致电机失控、人员受伤或机器故障。
· 请勿在伺服单元的伺服电机连接端子 U、V、W 上连接工频电源。
否则会导致受伤或火灾。
· 请牢固地连接主回路端子。
否则会引发火灾。
· 请勿使主回路电缆和输入输出信号用电缆 / 编码器电缆使用同一套管,也不要
将其绑扎在一起。接线时,主回路电缆与输入输出信号用电缆 / 编码器电缆应
离开 30cm 以上。
距离太近会导致误动作。
· 输入输出信号用电缆以及编码器电缆请使用双股绞合线或多芯双股绞合屏蔽
线。
· 请使用变流器附带的母线排,切实连接伺服单元 - 变流器之间的 P、N 端子。
· 输入输出信号用电缆的接线长度最长为 3m,伺服电机主回路电缆及编码器电
缆的长度最长各为 50m,400V 变流器的控制电源电缆 (+24V,0V)的长度最
长为 10m。
· 即使关闭电源,伺服单元 / 变流器内部仍然会残留高电压,因此请勿在主回路
电容放电时间内触摸电源端子。有关主回路电容放电时间的详细说明,请参照
“3.2 主回路电容器放电时间”。
CHARGE 充电指示灯熄灭后,请用万用表等测量主回路 DC 电压端子 (P、N 之
间)的电压,确认安全后再进行接线与检查作业。
· 对伺服单元 / 变流器的主回路端子及插头进行接线时 , 请务必遵守下述注意事
项。
· 在包括主回路端子在内的整体接线作业未完成前,请勿将伺服单元 / 变流
器的电源置于 ON。
· 主回路端子为插头时,请将插头从伺服单元 / 变流器主体上拆下后再接线。
· 主回路端子的一个电线插口只能插入 1 根电线。
· 在插入电线时,请勿使芯线的毛刺与邻近的电线接触 (短路)。
ix
Page 10

接线 (续)
注意
· 请将电池单元安装在上位装置或伺服单元这两者的任意一侧。
如果同时在上位装置和伺服单元上安装电池单元,电池之间则会形成循环回
路,非常危险。
· 请使用规定的电源电压。
否则会导致火灾或故障。
· 请勿弄错极性 (P、N)。
否则会导致破裂、破损。
· 电源状况不佳时,应确保电压波动在所规定的范围内再进行供电。
否则会导致机器损坏。
· 请安装断路器等安全装置以防止外部接线短路。
否则会引发火灾。
· 在以下场所使用时,请采取适当的屏蔽措施。
· 因静电等而产生干扰时
· 产生强电场或强磁场的场所
· 可能有放射线辐射的场所
· 附近有电源线的场所
否则会导致机器损坏。
· 连接电池时,请注意极性。
否则会导致电池、伺服单元及伺服电机损坏和爆炸。
· 请由专业技术人员进行接线或检查作业。
· 400V 变流器的控制电源用 DC24V 电源应使用双重绝缘或强化绝缘的设备。
运行
注意
· 伺服电机与伺服单元 / 变流器请按照指定的组合使用。
否则会导致火灾或故障。
· 为防止意外事故的发生,请对伺服电机进行单独 (机械不与伺服电机的传动
轴连接的状态)试运行。
否则会导致受伤。
· 试运行时,请确认保持制动器是否正确动作。另外,请确保即使发生信号线断
线等故障也不会危及安全。
否则会导致受伤或机械损坏。
· 安装到机械上开始运行时,请预先设定与该机械相符的参数。
如果不进行设定而开始运行,则会导致机械失控或发生故障。
· 请避免频繁 ON/OFF 电源。
· 频繁地 ON/OFF 电源会导致伺服单元 / 变流器内的元件老化,因此请勿将其
用于需要频繁 ON/OFF 电源的用途。
· 开始实际运行 (通常运行)后,ON/OFF 电源的时间间隔应在 1 小时以上。
· JOG 运行 (Fn002)、原点搜索运行 (Fn003)、EasyFFT (Fn206)时,因正转
侧超程和反转侧超程而引起的紧急停止功能无效,敬请注意。
否则会导致机器损坏。
· 在垂直轴上使用伺服电机时,请设置安全装置以免工件在警报、超程等状态下
掉落。另外,请在发生超程时进行通过零位固定停止的设定。
否则会导致工件在超程状态时掉落。
x
Page 11

运行 (续)
· 在不使用免调整功能时,请务必设定正确的转动惯量比 (Pn103)。
如果转动惯量比设定错误,则可能会引起振动。
· 通电时或者电源刚刚断开时,伺服单元 / 变流器的散热片、再生电阻单元、电
机等可能会处于高温状态,因此请勿触摸。
否则会导致烫伤。
· 过度的参数调整和设定变更会导致伺服系统的动作变得不稳定,请绝对不要进
行这类操作。
否则会导致受伤或机械损坏。
· 发生警报时,请在排除原因并确保安全后进行警报复位,重新开始运行。
否则会导致机器损坏、火灾或受伤。
· 伺服电机自带保持制动器时,请勿将其用于制动。
否则会导致故障。
· 如果在使用 SigmaWin+ 或数字操作器时进行与上位装置的通信,则可能会发生
警报 / 警告,敬请注意。
发生警报 / 警告时,可能会引起正在执行的处理中断和系统停止。
维护与检查
· 请勿拆卸伺服单元 / 变流器。
否则会导致触电或受伤。
· 请勿在通电状态下改接线。
否则会导致触电或受伤。
· 更换伺服单元时,请将要更换的伺服单元的参数复制到新的伺服单元,然后再
重新开始运行。
否则会导致机器损坏。
· 操作塑料外罩内的按钮、开关等时,请确认已彻底消除静电后再操作。
否则会导致机器损坏。
注意
注意
废弃
注意
· 本产品请按一般工业废弃物处置。
一般注意事项
请在使用时予以注意
· 为了进行详细说明,本手册中的部分插图在描绘时去掉了外罩或安全保护体。
在实际运行时,请务必按规定将外罩或安全防护盖安装到原来的位置,再根据
用户手册的说明进行运行。
· 本手册中的插图为代表性图例,可能会与您收到的产品有所不同。
· 因破损或遗失而需索取本手册时,请与本公司代理店或封底记载的最近的分公
司联系。联系时请告知资料编号。
xi
Page 12

关于保证
(1)保证内容
保修期限
购买产品 (以下称为交付产品)的保修期限为向指定场所交付产品后满 1 年,
或是产品自本公司出厂后满 18 个月,以先到者为准。
保修范围
在上述保证期内,因本公司的责任而引起故障时,本公司将提供替代品或提供
免费修理。
因交付产品寿命到期而造成的故障以及易耗件、有寿命期限部件的更换不属于
保修对象。
此外,当故障原因符合下列情形之一时,不属于保修对象范围:
1. 在产品样本或说明书、另行签署的规格书规定外的、不适当条件或环境下
2. 因交付产品以外的原因而引发的故障。
3. 因本公司以外的改造或修理而引发的故障。
4. 因将产品用于原本用途以外时引发的故障。
5. 因产品出厂时的科学、技术水平所无法预见的原因而引发的故障。
6. 其他天灾人祸等不属于本公司的原因而引发的故障。
安装、使用时引发的故障。
(2)免责事项
1. 因交付产品的故障而造成的损失及给客户带来的不便,本公司将不负任何
责任。
2. 对于可编程的本公司产品,本公司以外的人员进行的编程 (包含各种参
数的设定)以及因此而造成的后果,本公司概不负责。
3. 产品样本或说明书中记载的信息,旨在帮助客户购买符合用途的适当产
品。并不保证或承诺使用这些信息不会对本公司及第三方的知识产权或其
他权利造成侵权。
4. 因使用产品样本或说明书中记载的信息而对第三方的知识产权及其他权利
造成侵害时,本公司概不负责。
xii
Page 13

(3)确认正确的用途及使用条件
1. 将本公司的产品与其他公司产品配套使用时,请客户确认适用的标准、应
遵守的法规或条例。
2. 请客户确认本公司产品与客户使用的系统、机械、装置的适用性。
3. 将产品用于以下用途时,请在与本公司协商的基础上决定使用与否。如果
可行,则应采用额定值、性能方面有余量的使用方法,或者采取万一发生
故障时能将风险降至最低的安全措施。
·在室外使用或在有潜在化学污染、电气干扰的环境中使用,或者在产品
样本、手册中未介绍的条件和环境下使用时。
·原子能控制设备、焚烧设备、铁路 / 航空 / 车辆设备、医疗器械、娱乐
器材及符合行政机构和各行业限制规定的设备上使用时。
·在可能危及人身、财产安全的系统、机械、装置上使用时。
·在燃气、自来水、电气供应系统或 24 小时连续运行系统等要求有高度
可靠性的系统中使用时。
·在其他属于上述各项的要求有高度安全性的系统中使用时。
4. 将本公司的产品用于可能会对人身或财产带来重大危险的用途时,请务必
通过危险警告或冗余设计,事先确认可确保必要的安全性,以及本公司产
品已进行了正确的配电设置。
5. 产品样本或说明书中记载的回路事例及其他应用事例仅供参考。请在确认
所用设备、装置的功能和安全性后再使用。
6. 请在彻底理解所有使用禁止事项和使用注意事项的基础上,正确使用本公
司产品,以免给第三方带来意外损失。
(4)规格的变更
产品样本或手册中介绍的产品名称、规格、外观及附件等可能会因产品改良或
其他原因而变更,恕不另行通知。变更后,产品样本或手册的资料编号将更
新,并作为改订版发行。探讨或订购资料中介绍的产品时,请事先咨询销售窗
口。
xiii
Page 14

对应 UL 标准、欧洲 EC 标准、安全标准
北美·安全标准 (UL)
机器名称 (型号)
伺服单元
(SGDV-H、-J)、
变流器 (SGDV-COA)
伺服电机 (SGMVV)
欧洲 EC 标准
机器名称 (型号) 欧洲标准 协调标准
伺服单元
(SGDV-H、-J)、
变流器 (SGDV-COA)
伺服电机 (SGMVV)
UL 标准
(UL File No.)
UL508C
(E147823)
UL1004
(E165827)
机械安全标准
2006/42/EC
EMC 标准
2004/108/EC
低电压标准
2006/95/EC
EMC 标准
2004/108/EC
低电压标准
2006/95/EC
认证标记
EN ISO13849-1:
2008、EN 954-1
EN 55011
group 1 class A、
EN 61000-6-2、
EN 61800-3
EN 50178、
EN 61800-5-1
EN 55011
group 1 class A、
EN 61000-6-2、
EN 61800-3
EN 60034-1、
EN 60034-5/A1
xiv
Page 15

安全标准
机器名称 (型号) 安全标准 标准
伺服单元
(SGDV-H、-J)、
变流器 (SGDV-COA)
安全性能
项目 标准 性能等级
安全度等级
(Safety Integrity Level)
每小时的危险失效概率
(Probability of dangerous failure
per hour)
等级
(Category)
性能等级
(Performance Level)
平均危险失效时间
(Mean time to dangerous failure of
each channel)
诊断覆盖率
(Average diagnostic coverage)
停止等级
(Stop category)
安全功能
(Safety function)
验证测试间隔
(Proof test interval)
机械安全
功能安全
EMC IEC 61326-3-1
IEC 61508 SIL2
IEC 62061 SILCL2
IEC 61508、
IEC 62061
EN 954-1 Category 3
EN ISO 13849-1 PL d (Category 3)
EN ISO 13849-1 MTTFd:High
EN ISO 13849-1 DCave:Low
IEC 60204-1 Stop category 0
IEC 61800-5-2 STO
IEC 61508 10 年
EN ISO13849-1: 2008、
EN 954-1、
IEC 60204-1
IEC 61508 series、
IEC 62061、
IEC 61800-5-2
PFH⇐1.7 × 10-9[1/h]
(0.17% of SIL2)
xv
Page 16

目录
请事先务必阅读 . . . . . . . . . . . . . . . . . . . . . . . . . . iii
安全注意事项 . . . . . . . . . . . . . . . . . . . . . . . . . . . vii
关于保证 . . . . . . . . . . . . . . . . . . . . . . . . . . . . . xii
对应 UL 标准、欧洲 EC 标准、安全标准 . . . . . . . . . . . . . . . . xiv
第 1 章 设置操作概要 . . . . . . . . . . . . . . . . . . . . . 1-1
第 2 章 安装 . . . . . . . . . . . . . . . . . . . . . . . . . 2-1
2.1 安装环境和适用标准 . . . . . . . . . . . . . . . . . . . . . . . . . . . 2-2
2.1.1 伺服电机的安装环境 . . . . . . . . . . . . . . . . . . . . . . . . 2-2
2.1.2 伺服单元 / 变流器的安装环境 . . . . . . . . . . . . . . . . . . . . 2-3
2.1.3 适用标准下的安装条件 . . . . . . . . . . . . . . . . . . . . . . .2-4
2.2 伺服电机的安装 . . . . . . . . . . . . . . . . . . . . . . . . . . . . . 2-4
2.2.1 安装方向 . . . . . . . . . . . . . . . . . . . . . . . . . . . . . 2-4
2.2.2 安装标准 . . . . . . . . . . . . . . . . . . . . . . . . . . . . . 2-4
2.2.3 伺服电机与机械结合 . . . . . . . . . . . . . . . . . . . . . . . . 2-5
2.2.4 保护构造 . . . . . . . . . . . . . . . . . . . . . . . . . . . . . 2-5
2.2.5 其他注意事项 . . . . . . . . . . . . . . . . . . . . . . . . . . . 2-6
2.3 伺服单元 / 变流器的安装 . . . . . . . . . . . . . . . . . . . . . . . . 2-10
2.3.1 安装方向 . . . . . . . . . . . . . . . . . . . . . . . . . . . . 2-10
2.3.2 安装标准 . . . . . . . . . . . . . . . . . . . . . . . . . . . . 2-11
2.4 EMC 安装条件 . . . . . . . . . . . . . . . . . . . . . . . . . . . . . 2-12
2.4.1 SGDV-01A 型 (模拟量、脉冲型) . . . . . . . . . . . . . . . 2-12
2.4.2 SGDV-11A 型 (M-II 型) . . . . . . . . . . . . . . . . . . . 2-16
2.4.3 SGDV-21A 型 (M-III 型) . . . . . . . . . . . . . . . . . . 2-20
2.4.4 SGDV-E1A 型 (指令选购模块安装型) . . . . . . . . . . . . . 2-23
2.4.5 其他注意事项 . . . . . . . . . . . . . . . . . . . . . . . . . . 2-23
第 3 章 接线和连接 . . . . . . . . . . . . . . . . . . . . . . 3-1
3.1 接线时的注意事项 . . . . . . . . . . . . . . . . . . . . . . . . . . . . 3-2
3.2 主回路电容器放电时间 . . . . . . . . . . . . . . . . . . . . . . . . . . 3-3
3.3 系统构成示例 . . . . . . . . . . . . . . . . . . . . . . . . . . . . . . 3-4
3.3.1 SGDV-01A 型 (模拟量、脉冲型) . . . . . . . . . . . . . . . . 3-4
3.3.2 SGDV-11A 型 (M-II 型) . . . . . . . . . . . . . . . . . . . . 3-6
3.3.3 SGDV-21A 型 (M-III 型) . . . . . . . . . . . . . . . . . . . 3-8
3.3.4 SGDV-E1A 型 (指令选购模块安装型) . . . . . . . . . . . . . 3-10
3.4 主回路的接线 . . . . . . . . . . . . . . . . . . . . . . . . . . . . . 3-12
3.4.1 主电路端子的名称及功能 . . . . . . . . . . . . . . . . . . . . . 3-12
3.4.2 插头之间的连接 . . . . . . . . . . . . . . . . . . . . . . . . . 3-15
3.4.3 端子之间的连接 . . . . . . . . . . . . . . . . . . . . . . . . . 3-16
3.4.4 主回路电线 . . . . . . . . . . . . . . . . . . . . . . . . . . . 3-18
3.4.5 典型的主回路接线示例 . . . . . . . . . . . . . . . . . . . . . . 3-28
3.5 再生电阻单元的选择与连接 . . . . . . . . . . . . . . . . . . . . . . . 3-32
3.5.1 再生电阻单元的选择 . . . . . . . . . . . . . . . . . . . . . . . 3-32
xvi
Page 17

3.5.2 再生电阻单元的连接方法 . . . . . . . . . . . . . . . . . . . . . . 3-33
3.5.3 设定再生电阻容量 . . . . . . . . . . . . . . . . . . . . . . . . . 3-34
3.5.4 再生电阻单元的安装标准 . . . . . . . . . . . . . . . . . . . . . . 3-34
3.6 DB 单元的选择与连接 . . . . . . . . . . . . . . . . . . . . . . . . . . 3-35
3.6.1 DB 单元的选择 . . . . . . . . . . . . . . . . . . . . . . . . . . 3-35
3.6.2 DB 单元的连接 . . . . . . . . . . . . . . . . . . . . . . . . . . 3-35
3.6.3 DB 单元的安装标准 . . . . . . . . . . . . . . . . . . . . . . . . 3-38
第 4 章 安全功能 . . . . . . . . . . . . . . . . . . . . . . . 4-1
4.1 安全功能概要 . . . . . . . . . . . . . . . . . . . . . . . . . . . . . . 4-2
4.2 硬接线基极封锁 (HWBB)功能 . . . . . . . . . . . . . . . . . . . . . . . 4-2
4.3 安全功能用信号 (CN8)的名称及功能 . . . . . . . . . . . . . . . . . . . . 4-3
4.4 不使用安全功能时 . . . . . . . . . . . . . . . . . . . . . . . . . . . . 4-4
4.5 连接安全设备 . . . . . . . . . . . . . . . . . . . . . . . . . . . . . . 4-4
第 5 章 试运行 (确认伺服电机动作) . . . . . . . . . . . . . . 5-1
5.1 试运行概要 . . . . . . . . . . . . . . . . . . . . . . . . . . . . . . . 5-2
5.2 试运行前的检查·确认事项 . . . . . . . . . . . . . . . . . . . . . . . . 5-2
5.3 通过面板操作器进行 JOG 运行 . . . . . . . . . . . . . . . . . . . . . . . 5-5
5.4 通过数字操作器进行 JOG 运行 . . . . . . . . . . . . . . . . . . . . . . . 5-7
5.5 通过 SigmaWin+ 进行 JOG 运行 . . . . . . . . . . . . . . . . . . . . . . 5-10
改版履历
xvii
Page 18

本章对伺服驱动器的设置操作概要进行说明。
第1章
设置操作概要
设置操作概要
1-1
1
Page 19

第 1 章 设置操作概要
本章对从设置到动作确认 (JOG 运行)的步骤进行说明。
操作时使用的工具有面板操作器 (主体附属)操作、数字操作器 (选购件)
操作、使用电脑的支持工具 (PC 软件)、SigmaWin+ (选购件)这三种。仅模
拟量、脉冲型伺服单元配备有面板操作器。
如果在使用 SigmaWin+ 或数字操作器时进行与上位装置的通信,则可能会发生警
报 / 警告,敬请注意。
发生警报 / 警告时,可能会引起正在执行的处理中断和系统停止。
安装伺服电机和伺服单元 / 变流器。 “第 2 章 安装”
进行 JOG 运行所需的接线和连接。 “第 3 章 接线和连接”
进行伺服电机的 JOG 运行。
可使用以下工具之一进行操作。
· 面板操作器
· 数字操作器
· SigmaWin+
注意
请务必阅读 “5.2 试运行前的检查·确认事项”。
操作 本手册的参照章节
↓
↓
“第 5 章 试运行 (确认伺服电机动
作)”
●通过面板操作器进行试运行 ∗
→ “5.3 通过面板操作器进行 JOG
运行”
●通过数字操作器进行试运行
→ “5.4 通过数字操作器进行 JOG 运
行”
●通过 SigmaWin+ 进行试运行
→ “5.5 通过 SigmaWin+ 进行 JOG 运
行”
∗ 通过面板操作器进行的试运行仅适
用于模拟量、脉冲型伺服单元。
1-2
Page 20

第2章
安装
本章对伺服电机和伺服单元 / 变流器的安装进行说明。
2.1 安装环境和适用标准 . . . . . . . . . . . . . . . . . 2-2
2.1.1 伺服电机的安装环境 . . . . . . . . . . . . . . . . . . 2-2
2.1.2 伺服单元 / 变流器的安装环境 . . . . . . . . . . . . . . 2-3
2.1.3 适用标准下的安装条件 . . . . . . . . . . . . . . . . . 2-4
2.2 伺服电机的安装 . . . . . . . . . . . . . . . . . . . 2-4
2.2.1 安装方向 . . . . . . . . . . . . . . . . . . . . . . . 2-4
2.2.2 安装标准 . . . . . . . . . . . . . . . . . . . . . . . 2-4
2.2.3 伺服电机与机械结合 . . . . . . . . . . . . . . . . . . 2-5
2.2.4 保护构造 . . . . . . . . . . . . . . . . . . . . . . . 2-5
2.2.5 其他注意事项 . . . . . . . . . . . . . . . . . . . . . 2-6
2.3 伺服单元 / 变流器的安装 . . . . . . . . . . . . . . . 2-10
2.3.1 安装方向 . . . . . . . . . . . . . . . . . . . . . . . 2-10
2.3.2 安装标准 . . . . . . . . . . . . . . . . . . . . . . . 2-11
2.4 EMC 安装条件 . . . . . . . . . . . . . . . . . . . . . 2-12
2.4.1 SGDV-01A 型 (模拟量、脉冲型) . . . . . . . . . 2-12
2.4.2 SGDV-11A 型 (M-II 型) . . . . . . . . . . . . . 2-16
2.4.3 SGDV-21A 型 (M-III 型) . . . . . . . . . . . . . 2-20
2.4.4 SGDV-E1A 型 (指令选购模块安装型) . . . . . . . 2-23
2.4.5 其他注意事项 . . . . . . . . . . . . . . . . . . . . . 2-23
安装
2-1
2
Page 21

第 2 章 安装
2.1.1 伺服电机的安装环境
2.1 安装环境和适用标准
伺服电机、伺服单元 / 变流器的安装环境和适用标准如下所示。
2.1.1 伺服电机的安装环境
使用环境温度 0 ~ 40°C
环境湿度 20 ~ 80%RH (不得结露)
海拔高度 1,000m 以下
抗振性 上下、左右、前后 3 个方向上的抗振性如下所示。
振动加速度:24.5m/s
2
前后
上下
2-2
左右
伺服电机承受的振动
水平方向
抗冲击强度 水平安装伺服电机轴时,上下方向上的抗冲击
强度如下所示。
·冲击加速度:490m/s
2
·冲击次数:2 次
上下
水平方向
伺服电机承受的冲击
安装场所 室内无腐蚀性和爆炸性气体的场所
通风良好,灰尘、垃圾以及湿气少的场所
便于检查和清扫的场所
Page 22

2.1.2 伺服单元 / 变流器的安装环境
使用环境温度 0 ~ 55°C
环境湿度 90%RH 以下 (不得结露)
海拔高度 1,000m 以下
2.1 安装环境和适用标准
抗振性 4.9m/s
抗冲击强度 19.6m/s
2
2
安装注意事项
· 安装在控制柜中时
请考虑控制柜的大小、伺服单元 / 变流器的配置及冷却方法,以防止伺服单元 /
变流器周围的温度超过 55°C。详情请参照 “2.3 伺服单元 / 变流器的安
装”。
· 安装在发热体附近时
请控制发热体热辐射和热对流引起的温度上升,以防止伺服单元 / 变流器周围
的温度超过 55°C。
· 安装在振动源附近时
请在伺服单元 / 变流器的安装面上安装防振器具,以防止振动传递至伺服单元 /
变流器。
· 安装在有腐性气体的场所时
请采取措施,防止腐蚀性气体进入。虽然腐蚀性气体造成的不良影响不会马上
出现,但会导致电子部件和接触器类机器的故障。
·其他
请勿安装在高温、潮湿的场所、有水滴或切削油飞溅的场所、环境气体中粉尘
或铁粉较多的场所、有放射线照射的场所。
<补充>
在未通电的状态下保管伺服单元 / 变流器时,请在下述温度和湿度环境中进行
保管。
·-20 ~ +85°C、90%RH 以下 (不得结露)
安装
2
2-3
Page 23

第 2 章 安装
2.1.3 适用标准下的安装条件
2.1.3 适用标准下的安装条件
适用标准
使用环境条件
安装条件
UL508C
EN 50178、EN 55011 group1 classA、EN 61000-6-2、
EN 61800-3、EN 61800-5-1、EN 954-1、IEC 61508-1 ~ 4
过电压等级 III
污染度 2
保护等级 IP10
UL 标准、低电压指令:必须满足 《大容量 Σ-V 系列 安全注意事项
(资料编号:TOBP C710829 07)》中规定的条件。
EMC 指令:需要通过 “2.4 EMC 安装条件”中规定的已实施 EMC 对策
的用户机械进行确认。
2.2 伺服电机的安装
2.2.1 安装方向
伺服电机的可安装方向因安装方式而异。可安装方向如下所示。
安装方式
法兰型
底脚安装型
2.2.2 安装标准
保持制动器
(固定用)
无 水平、垂直方向
有
无
有
水平方向
可安装方向
2-4
以下为使用环境温度 40°C、安装在散热片上时,伺服电机额定规格 (额定输
出、额定转矩、额定转速)的连续容许值。
有关散热片,请参照 《大容量 Σ-V 系列样本》。
散热片规格较小时,可能会出现电机温度大幅上升的情况。如果伺服电机被设
备的机箱覆盖、或发热体设置在伺服电机附近,都有可能导致电机温度的大幅
上升。
使用时,请通过实际产品确认电机的温度。
Page 24

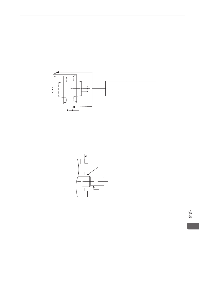
2.2.3 伺服电机与机械结合
伺服电机的轴端部涂有 “防锈剂”。在安装伺服电机前,请擦除 “防锈剂”。
在将伺服电机与机械结合时,请使用联轴节,使伺服电机的轴芯与机械的轴芯
成一条直线。同时,安装伺服电机时 , 使其符合下图所示的定芯精度要求。如
果定芯不准确,可能会引起振动、损坏轴承和编码器。
另外,在安装联轴节时,请不要给轴施加直接冲击。否则可能会损坏负载相反
侧轴端安装的检出器 (编码器)。
2.2.4 保护构造
伺服电机的保护构造∗为全封闭他冷式 IP44。
∗ 轴贯通部除外。或者在仅使用专用电缆时,符合保护结构规格。
定芯精度
在全周4处测量,最大值和最小值
的差在0.03mm以下(与联轴节一
起转动。)
2.2 伺服电机的安装
当轴贯通部会溅上油滴时,请参照 “2.2.5 其他注意事项”。
法兰面
轴贯通部
是指轴自电机端面伸出的
部分的间隙。
轴
安装
2
2-5
Page 25

第 2 章 安装
2.2.5 其他注意事项
2.2.5 其他注意事项
油水对策
在轴贯通部有油滴飞溅的场所使用时,请使用带油封的伺服电机。带油封的伺
服电机的使用条件如下。
·请将油面降至油封唇部以下使用。
·为了防止油封过度磨损,应使唇部留有少量有少量油沫以作润滑。
·在轴朝上方向使用伺服电机时,请注意勿使油聚集在油封唇部。
电缆承受的应力
请勿使电缆主体或从电缆侧伸出的导线螺线部、连接部承受过度的 “弯曲力”
和 “张力”。
尤其是编码器电缆的芯线只有 0.2mm2或者 0.3mm2,非常细,接线时请避免产
生应力。
电缆使用注意事项
安装时,请注意下列事项。
·将电缆连接到伺服电机时,请务必先从伺服电机主回路电缆连接。如果先连
接编码器电缆,由于 FG 间的电位差,可能会导致编码器故障。
·连接插头时,请确认插头内无杂质或金属片等异物。
·为了防止插头损坏,请勿对其施加冲击。
·进行接线时,请确认有无接线错误。
·接线时请勿对插头部施加应力。如果对插头施加应力,可能会导致插头损
坏。
·在连接电缆的状态下进行搬运时,请务必抓住伺服电机的主体。仅抓住电缆
搬运可能会导致端子损坏或电缆断裂。
2-6
径向、轴向负载
在机械设计上,需避免伺服电机运行时施加在电机上的径向负载和轴向负载超
出各电机容许值。有关容许值,请参照 《大容量 Σ-V 系列样本》(资料编号:
KACP S800000 86)。
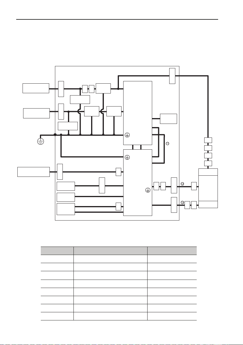
Page 26

2.2 伺服电机的安装
符号
U、V、W
端子螺丝
M10
M10
1、1b M4
恒温器
电机
地线
端子
板
恒温器用
端子排
地线用螺栓
电机导线用端子排
板
电机导线出口
(5)
220
(5)
236
1b
1
W
V
U
φ61
电机导线用端子排
板
电机导线出口
板
地线用螺栓
制动器、
恒温器用端子排
(5)
220
236
(5)
1b
1
BA
U
V
W
φ61
端子 端子螺丝
M10
M10
1、1b M4
恒温器
A、BM4制动器
电机
地线
符号
U、V、W
电机端子箱内的接线
·将电机动力线 (U、V、W)接线至电机导线用端子排 (M10)、将地线
( )接线至地线用螺栓 (M10)。
·将恒温器用导线 (1、lb)接线至恒温器用端子排 (M4)。
· 端子箱详情
不带制
(单位:
(单位:
伺服
电机
容量
动器
mm)
带制
动器
mm)
22kW ~ 37kW (1500min-1)
22kW (800min
电机导线用
端子排
-1
板
230
U
V
W
1b1
恒温器用端子排
电机导线出口
符号
U、V、W
1、1b M4
电机导线用
端子排
φ61
端子 端子螺丝
电机
地线
恒温器
板
230
U
V
W
1
1b
A
B
制动器、
恒温器用端子排
电机导线出口
符号
U、V、W
1、1b M4恒温器
A、BM4制动器
φ61
端子 端子螺丝
电机
地线
)
地线用螺栓
250
236
板
M10
M10
地线用螺栓
250
236
板
M10
M10
45kW ~ 55kW (1500min-1)
30kW ~ 45kW (800min
-1
)
安装
2
2-7
Page 27

第 2 章 安装
2.2.5 其他注意事项
电机的保护
· 为了防止电机过热,请务必将伺服电机内置的恒温器连接到上位装置或主回路
危险
电磁接触器的动作回路上。
否则会导致机械损坏、火灾,甚至造成人员受伤。
·使用例 1
恒温器动作后,上位装置接收恒温器的输出信号,伺服 OFF。
主回路电磁接触器
主回路电源
伺服单元/变流器
伺服OFF
上位装置
·使用例2
恒温器动作后,主回路电磁接触器的动作回路动作,或者上位装置接收恒
温器的输出信号,使主回路电磁接触器 OFF。
主回路电磁接触器
主回路电源
主回路电磁接触器
伺服单元/变流器
M
ENC
M
ENC
恒温器
恒温器
2-8
上位装置或
主回路电磁接触器动作回路
Page 28

2.2 伺服电机的安装
电机风扇的接线
为确保如下图所示方向通风,请对电机风扇的 U (A)、V (B)、W (C)进行
接线。
风向相反时,请替换 U、V、W 中任意 2 相的接线。
冷却风
电机
电机风扇的保护
· 过热保护
电机的冷却风扇内部如下图所示,内置有热保护器,异常发热时会自动停止。
U
V
W
· 异常电流保护
请在电机风扇电缆上安装 2A 左右的接线用断路器。
电机风扇的安装空间
请如下图所示,在进气侧留出 200mm 以上的空间,以确保电机风扇的冷却能
力。
冷却风
电机
200mm以上
安装
2
2-9
Page 29

第 2 章 安装
2.3.1 安装方向
2.3 伺服单元 / 变流器的安装
2.3.1 安装方向
伺服单元 / 变流器有基座安装型以及通风管道安装型。如下图所示,无论何种
类型,都应垂直安装。
请分别通过 4 个安装孔,将伺服单元 / 变流器固定在安装面上。
·基座安装型
2-10
·通风管道安装型
通风管道
气流
Page 30

2.3.2 安装标准
安装伺服单元 / 变流器时,请务必遵守以下安装标准,该标准还适用于将多个
伺服单元 / 变流器并排安装在控制柜内的情况 (以下简称 “列盘时”)。
· 伺服单元 / 变流器的朝向
将伺服单元 / 变流器的正面 (面板显示部)面向操作人员,垂直安装于基座
面。
· 伺服单元和变流器的配置、间隔
将伺服单元安装在变流器的右侧并确保伺服单元和变流器的间隔距离为 5mm。
·冷却
为了能够利用风扇和自然对流使伺服单元冷却,请参照下图,留出足够的间
隔。
· 并列安装时
风扇
2.3 伺服单元 / 变流器的安装
风扇
120mm以上
50mm以上 5mm
100mm以上
5mm
120mm以上
为了防止伺服单元 / 变流器的环境温度出现局部升高,请在伺服单元 / 变流器
的上部安装冷却风扇。
· 控制柜内的环境条件
与伺服单元 / 变流器的环境条件相同。请参照 “2.1.2 伺服单元 / 变流器的
安装环境”。
安装
2
2-11
Page 31

第 2 章 安装
2.4.1 SGDV-01A 型 (模拟量、脉冲型)
2.4 EMC 安装条件
伺服单元 / 变流器的各机型在 EMC 认证试验中的安装条件如下所示。
这里的 EMC 安装条件是本公司通过 EMC 认证试验时的条件,根据实际的设备构
成、接线状态以及其他条件,EMC 等级会有所变化。本产品为配套设备,因此
需要通过已实施 EMC 对策的用户机械进行确认。
2.4.1 SGDV-01A 型 (模拟量、脉冲型)
三相 200V
·伺服单元:SGDV-H01A ( = 121、161、201)
·变流器:SGDV-COAAA ( = 2B、3G)
∗
∗
4
噪音
滤波器
固线夹
2
2T
磁芯
2T
磁芯
L1、L2、L3
变流器
CN101
AC 200V
B1、B2
CN901
CN103、104
PN
PN
CN901
CN103、104
伺服单元
U、V、W
CN1
CN8
CN115
DU、DV、DW
CN2
电源:
三相 AC 200V
c
固线夹
浪涌抑制器
上位装置
安全设备
DB单元
浪涌抑制器
∗
3
d
e
f
g
1T
磁芯
∗
1
噪音
滤波器
固线夹
固线夹
屏蔽箱
h
i
再生电阻
单元
j
k
磁芯
1T
磁芯
1T
风扇
1T
1T
磁芯
磁芯
l
固线夹固线夹 固线夹
伺服电机
1T
编码器
磁芯
2-12
(注)1T:1 匝
2T:2 匝
有关详情,请参照 “2.4.5 其他注意事项”。
Page 32

符号 电缆名称 规格
c
d
e
f
g
h
i
j
k
l
∗1. 浪涌抑制器型号:LT-C32G801WS (双信电机 (株)制)
∗2. 噪音滤波器型号因伺服单元和变流器的组合而异。
主回路电缆 屏蔽线
输入输出信号用电缆 屏蔽线
安全信号用电缆 屏蔽线
DB 单元信号电缆 非屏蔽线
DB 单元电源电缆 非屏蔽线
电机风扇用电缆 屏蔽线
再生电阻单元用电缆 非屏蔽线
I/O 信号用连接电缆 屏蔽线
DC24V 控制电源电缆 非屏蔽线
伺服电机主回路电缆 屏蔽线
编码器电缆 屏蔽线
2.4 EMC 安装条件
伺服单元和变流器的组合
伺服单元型号
SGDV-
121H 2BAA HF3150C-UQB
201H 3GAA HF3250C-UQB
∗3. 浪涌抑制器型号:LT-C12G801WS (双信电机 (株)制)
∗4. 噪音滤波器型号:HF2005A-UP (双信电机 (株)制)
变流器型号
SGDV-COA
噪音滤波器
型号
生产厂家
双信电机 (株)161H 3GAA HF3200C-UQB
安装
2
2-13
Page 33

第 2 章 安装
2.4.1 SGDV-01A 型 (模拟量、脉冲型)
三相 400V
·伺服单元:SGDV-J01A ( = 750、101、131)
·变流器:SGDV-COADA ( = 3Z、5E)
∗
电源:
三相 AC400V
电源:
单相 AC200V
c
d
固线夹
固线夹
浪涌抑制器
上位装置
安全设备
DB单元
1T
浪涌抑制器
∗
3
e
f
g
h
1T
磁芯
∗
噪音
滤波器
磁芯
1
滤波器
∗
4
噪音
2
控制电源
DC24V
固线夹
L1、L2、L3
∗
5
CN101
24V、0V
CN103、CN104
CN1
CN8
2T
CN115
磁芯
DU、DV、DW
变流器
B1、B2
CN901
CN103、CN104
PN
PN
CN901
伺服单元
U、V、W
CN2
j
k
1T
磁芯1T磁芯
再生
电阻单元
l
屏蔽箱
固线夹
i
固线夹固线夹
1T
磁芯
1T
磁芯
1T
磁芯
1T
磁芯
风扇
1T
伺服电机
磁芯
1T
1T
磁芯
磁芯
编码器
2-14
(注)1T:1 匝
2T:2 匝
有关详情,请参照 “2.4.5 其他注意事项”。
Page 34

符号 电缆名称 规格
c
d
e
f
g
h
i
j
k
l
∗1. 浪涌抑制器型号:LT-C35G102WS (双信电机 (株)制)
∗2. 噪音滤波器型号因变流器的型号而异。
主回路电缆 屏蔽线
控制电源电缆 屏蔽线
输入输出信号用电缆 屏蔽线
安全信号用电缆 屏蔽线
DB 单元信号电缆 非屏蔽线
DB 单元电源电缆 非屏蔽线
电机风扇用电缆 屏蔽线
再生电阻单元用电缆 非屏蔽线
I/O 信号用连接电缆 屏蔽线
DC24V 控制电源电缆 非屏蔽线
伺服电机主回路电缆 屏蔽线
编码器电缆 屏蔽线
2.4 EMC 安装条件
伺服单元和变流器的组合
伺服单元型号
SGDV-
750J 3ZDA HF3150C-UQB
131J 5EDA HF3200C-UQB
∗3. 浪涌抑制器型号 (200V):LT-C12G801WS (双信电机 (株)制)
∗4. 噪音滤波器型号 (200V):HF2005A-UP (双信电机 (株)制)
∗5. 控制电源用 DC24V 电源:双重绝缘或强化绝缘的符合 CE 标准的产品
变流器型号
SGDV-COA
噪音滤波器
型号
生产厂家
双信电机 (株)101J 5EDA HF3150C-UQB
安装
2
2-15
Page 35

第 2 章 安装
2.4.2 SGDV-11A 型 (M-II 型)
2.4.2 SGDV-11A 型 (M-II 型)
三相 200V
·伺服单元:SGDV-H11A ( = 121、161、201)
·变流器:SGDV-COAAA ( = 2B、3G)
∗
∗
4
噪音
滤波器
固线夹
2
2T
磁芯
2T
磁芯
L1、L2、L3
CN101
AC 200V
CN6A、CN6B
CN1
CN8
CN115
DU、DV、DW
电源:
三相 AC 200V
MECHATROLINK-II
控制器
浪涌抑制器
*3
1T
磁芯
∗
1
噪音
滤波器
c
固线夹
浪涌抑制器
d
固线夹
输入输出
控制装置
安全设备
e
f
固线夹
g
DB单元
h
固线夹
变流器
B1、B2
CN901
CN103、104
PN
PN
CN901
CN103、104
伺服单元
U、V、W
CN2
屏蔽箱
i
j
再生
电阻单元
k
l
磁芯1T
磁芯
1T
风扇
1T
1T
磁芯
磁芯
固线夹固线夹 固线夹
伺服电机
1T
编码器
磁芯
2-16
(注)1T:1 匝
2T:2 匝
有关详情,请参照 “2.4.5 其他注意事项”。
符号 电缆名称 规格
c
d
e
f
g
主回路电缆 屏蔽线
MECHATROLINK-II 通信电缆
输入输出信号用电缆 屏蔽线
安全信号用电缆 屏蔽线
DB 单元信号电缆 非屏蔽线
屏蔽线
Page 36

符号 电缆名称 规格
h
i
j
k
l
∗1. 浪涌抑制器型号:LT-C32G801WS (双信电机 (株)制)
∗2. 噪音滤波器型号因伺服单元和变流器的组合而异。
DB 单元电源电缆 非屏蔽线
电机风扇用电缆 屏蔽线
再生电阻单元用电缆 非屏蔽线
I/O 信号用连接电缆 屏蔽线
DC24V 控制电源电缆 非屏蔽线
伺服电机主回路电缆 屏蔽线
编码器电缆 屏蔽线
2.4 EMC 安装条件
(续)
伺服单元和变流器的组合
伺服单元型号
SGDV-
121H 2BAA HF3150C-UQB
201H 3GAA HF3250C-UQB
∗3. 浪涌抑制器型号:LT-C12G801WS (双信电机 (株)制)
∗4. 噪音滤波器型号:HF2005A-UP (双信电机 (株)制)
变流器型号
SGDV-COA
噪音滤波器
型号
生产厂家
双信电机 (株)161H 3GAA HF3200C-UQB
安装
2
2-17
Page 37

第 2 章 安装
2.4.2 SGDV-11A 型 (M-II 型)
三相 400V
·伺服单元:SGDV-J11A ( = 750、101、131)
·变流器:SGDV-COADA ( = 3Z、5E)
1T
电源:
三相 AC400V
电源:
单相 AC200V
MECHATROLINK-II
控制器
c
d
固线夹
固线夹
浪涌抑制器
固线夹
输入输出
控制装置
安全设备
DB单元
1T
浪涌抑制器
∗
3
e
f
g
h
i
磁芯
∗
噪音
滤波器
1
磁芯
滤波器
∗
4
噪音
∗
2
控制电源
DC24V
固线夹
L1、L2、L3
∗
5
CN101
24V、0V
CN103、CN104
2T
CN6A、CN6B
磁芯
CN1
CN8
2T
CN115
磁芯
DU、DV、DW
变流器
B1、B2
CN901
CN103、CN104
PN
PN
CN901
伺服单元
U、V、W
CN2
k
l
1T
磁芯1T磁芯
屏蔽箱
再生
电阻单元
固线夹
固线夹固线夹
j
1T
磁芯
1T
磁芯
1T
磁芯
1T
磁芯
风扇
1T
伺服电机
磁芯
1T
1T
编码器
磁芯
磁芯
2-18
(注)1T:1 匝
2T:2 匝
有关详情,请参照 “2.4.5 其他注意事项”。
符号 电缆名称 规格
c
d
e
f
g
h
i
j
主回路电缆 屏蔽线
控制电源电缆 屏蔽线
MECHATROLINK-II 通信电缆
输入输出信号用电缆 屏蔽线
安全信号用电缆 屏蔽线
DB 单元信号电缆 非屏蔽线
DB 单元电源电缆 非屏蔽线
电机风扇用电缆 屏蔽线
屏蔽线
Page 38

符号 电缆名称 规格
k
l
∗1. 浪涌抑制器型号:LT-C35G102WS (双信电机 (株)制)
∗2. 噪音滤波器型号因变流器的型号而异。
再生电阻单元用电缆 非屏蔽线
I/O 信号用连接电缆 屏蔽线
DC24V 控制电源电缆 非屏蔽线
伺服电机主回路电缆 屏蔽线
编码器电缆 屏蔽线
2.4 EMC 安装条件
(续)
伺服单元和变流器的组合
伺服单元型号
SGDV-
750J 3ZDA HF3150C-UQB
131J 5EDA HF3200C-UQB
∗3. 浪涌抑制器型号 (200V):LT-C12G801WS (双信电机 (株)制)
∗4. 噪音滤波器型号 (200V):HF2005A-UP (双信电机 (株)制)
∗5. 控制电源用 DC24V 电源:双重绝缘或强化绝缘的符合 CE 标准的产品
变流器型号
SGDV-COA
噪音滤波器
型号
生产厂家
双信电机 (株)101J 5EDA HF3150C-UQB
安装
2
2-19
Page 39

第 2 章 安装
2.4.3 SGDV-21A 型 (M-III 型)
2.4.3 SGDV-21A 型 (M-III 型)
三相 200V
·伺服单元:SGDV-H21A ( = 121、161、201)
·变流器:SGDV-COAAA ( = 2B、3G)
∗
∗
滤波器
4
固线夹
噪音
2
2T
磁芯
2T
磁芯
L1、L2、L3
CN101
AC 200V
CN6A、CN6B
CN1
CN8
CN115
DU、DV、DW
电源:
三相 AC 200V
MECHATROLINK-III
控制器
浪涌抑制器
∗
3
1T
磁芯
∗
1
噪音
滤波器
c
固线夹
浪涌抑制器
d
固线夹
输入输出
控制装置
安全设备
e
f
固线夹
g
DB单元
h
固线夹
变流器
B1、B2
CN901
CN103、104
PN
PN
CN901
CN103、104
伺服单元
U、V、W
CN2
屏蔽箱
i
j
再生
电阻单元
k
l
磁芯1T
磁芯
1T
风扇
1T
1T
磁芯
磁芯
固线夹固线夹 固线夹
伺服电机
1T
编码器
磁芯
2-20
(注)1T:1 匝
2T:2 匝
有关详情,请参照 “2.4.5 其他注意事项”。
符号 电缆名称 规格
c
d
e
f
g
主回路电缆 屏蔽线
MECHATROLINK-III 通信电缆
输入输出信号用电缆 屏蔽线
安全信号用电缆 屏蔽线
DB 单元信号电缆 非屏蔽线
屏蔽线
Page 40

符号 电缆名称 规格
h
i
j
k
l
∗1. 浪涌抑制器型号:LT-C32G801WS (双信电机 (株)制)
∗2. 噪音滤波器型号因伺服单元和变流器的组合而异。
DB 单元电源电缆 非屏蔽线
电机风扇用电缆 屏蔽线
再生电阻单元用电缆 非屏蔽线
I/O 信号用连接电缆 屏蔽线
DC24V 控制电源电缆 非屏蔽线
伺服电机主回路电缆 屏蔽线
编码器电缆 屏蔽线
2.4 EMC 安装条件
(续)
伺服单元和变流器的组合
伺服单元型号
SGDV-
121H 2BAA HF3150C-UQB
201H 3GAA HF3250C-UQB
∗3. 浪涌抑制器型号:LT-C12G801WS (双信电机 (株)制)
∗4. 噪音滤波器型号:HF2005A-UP (双信电机 (株)制)
变流器型号
SGDV-COA
噪音滤波器
型号
生产厂家
双信电机 (株)161H 3GAA HF3200C-UQB
安装
2
2-21
Page 41

第 2 章 安装
2.4.3 SGDV-21A 型 (M-III 型)
三相 400V
·伺服单元:SGDV-J21A ( = 750、101、131)
·变流器:SGDV-COADA ( = 3Z、5E)
屏蔽箱
电源:
三相 AC400V
电源:
单相 AC200V
MECHATROLINK-III
控制器
(注)1T:1 匝
c
d
固线夹
浪涌抑制器
固线夹
浪涌抑制器
固线夹
输入输出
控制装置
安全设备
DB单元
1T
磁芯1T磁芯
*1
噪音
滤波器
*3
e
f
g
h
i
*2
噪音
滤波器
*4 *5
控制电源
DC24V
固线夹
2T
L1、L2、L3
CN101
24V、0V
CN6A、CN6B
CN1
CN8
CN115
磁芯
DU、DV、DW
变流器
CN103、104
P N
P N
CN103、104
伺服单元
2T:2 匝
有关详情,请参照 “2.4.5 其他注意事项”。
B1、B2
CN901
CN901
U、V、W
CN2
k
l
1T
再生
电阻单元
1T
磁芯
磁芯
固线夹
固线夹固线夹
j
磁芯1T
磁芯1T
磁芯1T
磁芯1T
风扇
1T
伺服电机
磁芯
1T磁芯1T
编码器
磁芯
2-22
符号 电缆名称 规格
c
d
e
f
g
h
i
j
主回路电缆 屏蔽线
控制电源电缆 屏蔽线
MECHATROLINK-III 通信电缆
屏蔽线
输入输出信号用电缆 屏蔽线
安全信号用电缆 屏蔽线
DB 单元信号电缆 非屏蔽线
DB 单元电源电缆 非屏蔽线
电机风扇用电缆 屏蔽线
Page 42

符号 电缆名称 规格
k
l
∗1. 浪涌抑制器型号:LT-C35G102WS (双信电机 (株)制)
∗2. 噪音滤波器型号因变流器的型号而异。
再生电阻单元用电缆 非屏蔽线
I/O 信号用连接电缆 屏蔽线
DC24V 控制电源电缆 非屏蔽线
伺服电机主回路电缆 屏蔽线
编码器电缆 屏蔽线
2.4 EMC 安装条件
(续)
伺服单元和变流器的组合
伺服单元型号
SGDV-
750J 3ZDA HF3150C-UQB
131J 5EDA HF3200C-UQB
∗3. 浪涌抑制器型号 (200V):LT-C12G801WS (双信电机 (株)制)
∗4. 噪音滤波器型号 (200V):HF2005A-UP (双信电机 (株)制)
∗5. 控制电源用 DC24V 电源:双重绝缘或强化绝缘的符合 CE 标准的产品
变流器型号
SGDV-COA
噪音滤波器
型号
2.4.4 SGDV-E1A 型 (指令选购模块安装型)
根据安装的指令选购模块,指令选购模块安装型伺服单元 / 变流器的 EMC 安装
条件可能有所不同。有关详细内容,请参照所用指令选购模块安装的用户手
册。
2.4.5 其他注意事项
铁氧体磁芯的安装方法与匝数
1匝 2匝
电缆
铁氧体磁芯
生产厂家
双信电机 (株)101J 5EDA HF3150C-UQB
安装
2
2-23
Page 43

第 2 章 安装
2.4.5 其他注意事项
推荐的铁氧体磁芯型号
·三相 200V
主回路电源电缆
伺服电机主回路电缆
控制电源电缆
I/O 信号用连接电缆
编码器电缆
DB 单元信号电缆
电机风扇用电缆
·三相 400V
主回路电源电缆
伺服电机主回路电缆 (电机侧)
伺服电机主回路电缆
(伺服单元侧)
编码器电缆
电机风扇用电缆
电缆名称 铁氧体磁芯型号 生产厂家
F11080GB 日立金属 (株)
ESD-SR-250 NEC TOKIN Corporation
电缆名称 铁氧体磁芯型号 生产厂家
RC5128ZZ 双信电机 (株)
F11080GB 日立金属 (株)
ESD-SR-250 NEC TOKIN CorporationDB 单元信号电缆
2-24
电缆的固定
用导电性固定件 (固线夹)固定电缆的屏蔽部分,并进行接地。
·固线夹示例
上位装置侧
接地板
电缆
电缆夹
屏蔽部(剥去电缆的包层。)
用导电性金属零件固定电缆的密封部。
请除去安装面的油漆。
屏蔽箱
为了屏蔽来自伺服单元 / 变流器的电磁干扰 (EMI),需要使用屏蔽箱 (密闭
的金属壳体)。屏蔽箱必须具有可使屏蔽箱主体、门、冷却装置等接地的构
造。屏蔽箱的开口部分应尽可能小。
(注)在运行时,请勿将数字操作器和模拟量监视电缆连接至伺服单元 / 变流器。
请仅在维护时连接。
Page 44

第3章
接线和连接
本章对试运行所需的接线和连接方法进行说明。
有关详情,请参照所用伺服单元用户手册 设计·维护篇。
3.1 接线时的注意事项 . . . . . . . . . . . . . . . . . . 3-2
3.2 主回路电容器放电时间 . . . . . . . . . . . . . . . . 3-3
3.3 系统构成示例 . . . . . . . . . . . . . . . . . . . . 3-4
3.3.1 SGDV-01A 型 (模拟量、脉冲型) . . . . . . . . . 3-4
3.3.2 SGDV-11A 型 (M-II 型) . . . . . . . . . . . . . 3-6
3.3.3 SGDV-21A 型 (M-III 型) . . . . . . . . . . . . . 3-8
3.3.4 SGDV-E1A 型 (指令选购模块安装型) . . . . . . . 3-10
3.4 主回路的接线 . . . . . . . . . . . . . . . . . . . . 3-12
3.4.1 主电路端子的名称及功能 . . . . . . . . . . . . . . . . 3-12
3.4.2 插头之间的连接 . . . . . . . . . . . . . . . . . . . . 3-15
3.4.3 端子之间的连接 . . . . . . . . . . . . . . . . . . . . 3-16
3.4.4 主回路电线 . . . . . . . . . . . . . . . . . . . . . . 3-18
3.4.5 典型的主回路接线示例 . . . . . . . . . . . . . . . . . 3-28
3.5 再生电阻单元的选择与连接 . . . . . . . . . . . . . . 3-32
3.5.1 再生电阻单元的选择 . . . . . . . . . . . . . . . . . . 3-32
3.5.2 再生电阻单元的连接方法 . . . . . . . . . . . . . . . . 3-33
3.5.3 设定再生电阻容量 . . . . . . . . . . . . . . . . . . . 3-34
3.5.4 再生电阻单元的安装标准 . . . . . . . . . . . . . . . . 3-34
3.6 DB 单元的选择与连接 . . . . . . . . . . . . . . . . . 3-35
3.6.1 DB 单元的选择 . . . . . . . . . . . . . . . . . . . . 3-35
3.6.2 DB 单元的连接 . . . . . . . . . . . . . . . . . . . . 3-35
3.6.3 DB 单元的安装标准 . . . . . . . . . . . . . . . . . . 3-38
3-1
Page 45

第 3 章 接线和连接
3.1 接线时的注意事项
· 请正确、可靠地进行接线。
否则会导致电机失控、人员受伤或机器故障。
· 请勿在伺服单元的伺服电机连接端子 U、V、W 上连接工频电源。
否则会导致受伤或火灾。
· 请牢固地连接主回路端子。
否则会引发火灾。
· 请勿使主回路电缆和输入输出信号用电缆 / 编码器电缆使用同一套管,也不要将
其绑扎在一起。接线时,主回路电缆与输入输出信号用电缆应离开 30cm 以上。
距离太近会导致误动作。
· 输入输出信号用电缆以及编码器电缆请使用双股绞合线或多芯双股绞合屏蔽线。
· 请使用变流器附带的母线排,切实连接伺服单元 - 变流器之间的 P、N 端子。
· 输入输出信号用电缆的接线长度最长为 3m,伺服电机主回路电缆及编码器电缆的
长度最长各为 50m,400V 变流器的控制电源电缆 (+24V,0V)的长度最长为 10m。
· 即使关闭电源,伺服单元 / 变流器内部仍然会残留高电压,因此请勿在主回路电
容放电时间内触摸电源端子。有关主回路电容放电时间的详细说明,请参照“3.2
主回路电容器放电时间”。
CHARGE 充电指示灯熄灭后,请用万用表等测量主回路 DC 电压端子 (P、N 之间)
的电压,确认安全后再进行接线与检查作业。
· 对伺服单元 / 变流器的主回路端子及插头进行接线时 , 请务必遵守下述注意事项。
· 在包括主回路端子在内的整体接线作业未完成前,请勿将伺服单元 / 变流器的
电源置于 ON。
· 主回路端子为插头时,请将插头从伺服单元 / 变流器主体上拆下后再接线。
· 主回路端子的一个电线插口只能插入 1 根电线。
· 在插入电线时,请勿使芯线的毛刺与邻近的电线接触 (短路)。
· 请将电池单元安装在上位装置或伺服单元这两者的任意一侧。
如果同时在上位装置和伺服单元上安装电池单元,电池之间则会形成循环回路,
非常危险。
· 请使用规定的电源电压。
否则会导致火灾或故障。
· 请勿弄错极性 (P、N)。
否则会导致破裂、破损。
· 电源状况不佳时,应确保电压波动在所规定的范围内再进行供电。
否则会导致机器损坏。
· 请安装断路器等安全装置以防止外部接线短路。
否则会引发火灾。
注意
3-2
Page 46

3.2 主回路电容器放电时间
注意
· 在以下场所使用时,请采取适当的屏蔽措施。
· 因静电等而产生干扰时
· 产生强电场或强磁场的场所
· 可能有放射线辐射的场所
· 附近有电源线的场所
否则会导致机器损坏。
· 连接电池时,请注意极性。
否则会导致电池、伺服单元及伺服电机损坏和爆炸。
· 请由专业技术人员进行接线或检查作业。
· 400V 变流器的控制电源用 DC24V 电源应使用双重绝缘或强化绝缘的设备。
· 因制动器回路的接线错误和施加不同电压而引起的伺服单元 / 变流器
故障,可能会损坏机械或导致人身事故。在进行接线和试运行时,请
务必遵守本书中的注意事项和规定步骤。
· 根据机型的不同,有的噪音滤波器的漏电流较大。另外,由于接地条
件的不同,漏电流也会发生较大的变化。请在考虑接地条件以及滤波
器的漏电流等基础上,选择使用漏电检出器、漏电断路器。详情请向
滤波器生产厂家咨询。
· 输出回路可能会因接线错误、外加不同电压而发生短路故障。
发生上述故障时,由于制动器不动作,因而可能会导致机械损坏或人
身事故。
· 如果对制动器信号 (/BK)的极性取反,并以正逻辑使用,则信号线
断线时保持制动器不会动作。不得不采用这种设定时,请务必进行动
作确认,确保无安全问题。
3.2 主回路电容器放电时间
主回路电容器的放电时间如下所示。
伺服单元与变流器的组合
输入电压
三相 AC200V
三相 AC400V
伺服单元型号
SGDV-
121H 2BAA
161H 3GAA
201H 3GAA
750J 3ZDA
101J 5EDA
131J 5EDA
变流器型号
SGDV-COA
主回路电容器
放电时间 (分)
20
25
30
5
10
10
3-3
Page 47

第 3 章 接线和连接
3.3.1 SGDV-01A 型 (模拟量、脉冲型)
3.3 系统构成示例
3.3.1 SGDV-01A 型 (模拟量、脉冲型)
三相 200V 型
·伺服单元:SGDV-H01A ( = 121、161、201)
·变流器:SGDV-COAAA ( = 2B、3G)
电源
三相AC200V
接线用断路器
用于保护电源线。
在流过过电流时切断
回路。
噪音滤波器
防止来自电源线的外部
噪音。
电磁接触器
打开/关闭伺服
电源。使用时
请安装浪涌抑
制器。
AC100/200V
制动器电源
用于90V带制动器规格的
伺服电机。
电磁接触器
打开/关闭制动器
电源。
使用时请安装浪
涌抑制器。
接线用断路器
用于保护电机风扇。
在流过过电流时切断回路。
R S T
∗1
再生电阻单元
∗2
DU
∗2
DB单元
∗3
伺服电机主回路电缆
伺服单元变流器
电池单元
(使用绝对值
DB24
DV
DW
DBON
∗4
编码器时)
编码器电缆
数字操作器连接电缆
电脑连接电缆
输入输出信号用电缆
数字操作器
电脑
上位装置
不使用安全功能时:
在装有附带的安全跨接
插头的状态下使用。
使用安全保护功能时:
安全设备连接电缆
安全设备
恒温器电缆
3-4
电机风扇用电缆
SGMVV型
伺服电机
∗1. DC24V 制动器用直流电源请用户自行准备。
DC90V 制动器用直流电源请使用以下规格。
·输入电压 200V 用:LPSE-2H01-E
·输入电压 100V 用:LPDE-1H01-E
∗2. 有关接地的详情,请参照用户手册 设计·维护篇。
∗3. 有关再生电阻单元的连接,请参照 “3.5 再生电阻单元的选择与连接”。
∗4. 有关 DB 单元的详细内容,请参照 “3.6 DB 单元的选择与连接”。
Page 48

三相 400V
·伺服单元:SGDV-J01A ( = 750、101、131)
·变流器:SGDV-COADA ( = 3Z、5E)
接线用断路器
用于保护电源线。
在流过过电流时切断
回路。
电源
三相AC400V
R S T
3.3 系统构成示例
数字操作器
伺服单元变流器
数字操作器连接电缆
电脑
噪音滤波器
防止来自电源线的外部
噪音。
电磁接触器
打开/关闭伺服电源。
使用时请安装浪涌抑
制器。
AC 100/200V
直流电源
(24V)
制动器电源
用于90V带制动器规格的
伺服电机。
电磁接触器
打开/关闭制动器
电源。
使用时请安装浪
涌抑制器。
接线用断路器
用于保护电机风扇。
在流过过电流时切断回路。
∗1. 直流电源 (DC24V)由用户自备。另外,直流电源 (DC24V)应使用双重绝缘或强
∗2. DC24V 制动器用直流电源请用户自行准备。
∗3. 有关接地的详情,请参照用户手册 设计·维护篇。
∗4. 有关再生电阻单元的连接,请参照 “3.5 再生电阻单元的选择与连接”。
∗5. 有关 DB 单元的详细内容,请参照 “3.6 DB 单元的选择与连接”。
∗1
∗2
再生电阻单元
∗4
电机风扇用电缆
∗3
DU
DV
DW
∗3
DB单元
伺服电机主回路电缆
DB24
DBON
∗5
化绝缘的设备。
DC90V 制动器用直流电源请使用以下规格。
·输入电压 200V 用:LPSE-2H01-E
·输入电压 100V 用:LPDE-1H01-E
电脑连接电缆
电池单元
(使用绝对值
编码器时)
编码器电缆
SGMVV型
伺服电机
输入输出信号用电缆
不使用安全功能时:
在装有附带的安全跨接
插头的状态下使用。
使用安全保护功能时:
安全设备连接电缆
恒温器电缆
上位装置
安全设备
3-5
Page 49

第 3 章 接线和连接
3.3.2 SGDV-11A 型 (M-II 型)
3.3.2 SGDV-11A 型 (M-II 型)
三相 200V
·伺服单元:SGDV-H11A ( = 121、161、201)
·变流器:SGDV-COAAA ( = 2B、3G)
电源
三相AC200V
R S T
接线用断路器
用于保护电源线。
在流过过电流时切断
回路。
噪音滤波器
防止来自电源线的外部
噪音。
电磁接触器
打开/关闭伺服
电源。使用时
请安装浪涌抑
制器。
AC100/200V
∗1
制动器电源
用于90V带制动器规格的
伺服电机。
电磁接触器
打开/关闭制动器
电源。
使用时请安装浪涌
抑制器。
接线用断路器
用于保护电机风扇。
在流过过电流时切断回路。
再生电阻单元
∗3
∗2
DU
DV
∗2
DB单元
伺服电机主回路电缆
DB24
DW
DBON
∗4
数字操作器连接电缆
伺服单元变流器
电脑连接电缆
输入输出信号用电缆
电池单元
(使用绝对值
编码器时)
数字操作器
电脑
至MECHATROLINK-II其他站
上位装置
不使用安全功能时:
在装有附带的安全跨接
插头的状态下使用。
使用安全保护功能时:
安全设备连接电缆
安全设备
恒温器电缆
编码器电缆
3-6
电机风扇用电缆
SGMVV型
伺服电机
∗1. DC24V 制动器用直流电源请用户自行准备。
DC90V 制动器用直流电源请使用以下规格。
·输入电压 200V 用:LPSE-2H01-E
·输入电压 100V 用:LPDE-1H01-E
∗2. 有关接地的详情,请参照用户手册 设计·维护篇。
∗3. 有关再生电阻单元的连接,请参照 “3.5 再生电阻单元的选择与连接”。
∗4. 有关 DB 单元的详细内容,请参照 “3.6 DB 单元的选择与连接”。
Page 50

三相 400V
·伺服单元:SGDV-J11A ( = 750、101、131)
·变流器:SGDV-COADA ( = 3Z、5E)
电源
三相AC400V
R S T
接线用断路器
用于保护电源线。
在流过过电流时切断
回路。
伺服单元变流器
3.3 系统构成示例
数字操作器连接电缆
电脑连接电缆
数字操作器
电脑
噪音滤波器
防止来自电源线的外部
噪音。
电磁接触器
打开/关闭伺服电源。
使用时请安装浪涌抑
制器。
AC100/200V
直流电源
(24V)
制动器电源
用于90V带制动器规格的
伺服电机。
电磁接触器
打开/关闭制动器
电源。
使用时请安装浪涌
抑制器。
接线用断路器
用于保护电机风扇。
在流过过电流时切断回路。
∗1
∗2
再生电阻单元
∗4
∗3
DU
DV
∗3
DB单元
伺服电机主回路电缆
电机风扇用电缆
输入输出信号用电缆
电池单元
(使用绝对值
DB24
DW
DBON
∗5
编码器时)
编码器电缆
SGMVV型
伺服电机
至MECHATROLINK-II其他站
上位装置
不使用安全功能时:
在装有附带的安全跨接
插头的状态下使用。
使用安全保护功能时:
安全设备连接电缆
安全设备
恒温器电缆
∗1. 直流电源 (DC24V)由用户自备。另外,直流电源 (DC24V)应使用双重绝缘或强
化绝缘的设备。
∗2. DC24V 制动器用直流电源请用户自行准备。
DC90V 制动器用直流电源请使用以下规格。
·输入电压 200V 用:LPSE-2H01-E
·输入电压 100V 用:LPDE-1H01-E
∗3. 有关接地的详情,请参照用户手册 设计·维护篇。
∗4. 有关再生电阻单元的连接,请参照 “3.5 再生电阻单元的选择与连接”。
∗5. 有关 DB 单元的详细内容,请参照 “3.6 DB 单元的选择与连接”。
3-7
Page 51

第 3 章 接线和连接
3.3.3 SGDV-21A 型 (M-III 型)
3.3.3 SGDV-21A 型 (M-III 型)
三相 200V
·伺服单元:SGDV-H21A ( = 121、161、201)
·变流器:SGDV-COAAA ( = 2B、3G)
电源
三相AC200V
接线用断路器
用于保护电源线。
在流过过电流时切断
回路。
噪音滤波器
防止来自电源线的
外部噪音。
电磁接触器
打开/关闭伺服
电源。使用时
请安装浪涌抑
制器。
AC100/200V
制动器电源
用于90V带制动器规格的
伺服电机。
电磁接触器
打开/关闭制动器
电源。
使用时请安装浪
涌抑制器。
接线用断路器
用于保护电机风扇。
在流过过电流时切断回路。
R S T
∗1
再生电阻单元
∗2
∗2
∗3
DB单元
伺服单元变流器
DB24
DU
DV
DW
DBON
∗4
伺服电机主回路电缆
数字操作器连接电缆
电脑连接电缆
输入输出信号用电缆
电池单元
(使用绝对值
编码器时)
编码器电缆
数字操作器
电脑
至MECHATROLINK-III其他站
上位装置
不使用安全功能时:
在装有附带的安全跨接
插头的状态下使用。
使用安全保护功能时:
安全设备连接电缆
安全设备
恒温器电缆
3-8
电机风扇用电缆
SGMVV型
伺服电机
∗1. DC24V 制动器用直流电源请用户自行准备。
DC90V 制动器用直流电源请使用以下规格。
·输入电压 200V 用:LPSE-2H01-E
·输入电压 100V 用:LPDE-1H01-E
∗2. 有关接地的详情,请参照用户手册 设计·维护篇。
∗3. 有关再生电阻单元的连接,请参照 “3.5 再生电阻单元的选择与连接”。
∗4. 有关 DB 单元的详细内容,请参照 “3.6 DB 单元的选择与连接”。
Page 52

三相 400V
·伺服单元:SGDV-J21A ( = 750、101、131)
·变流器:SGDV-COADA ( = 3Z、5E)
电源
三相AC400V
R S T
接线用断路器
用于保护电源线。
在流过过电流时切断
回路。
伺服单元变流器
3.3 系统构成示例
数字操作器连接电缆
电脑连接电缆
数字操作器
电脑
噪音滤波器
防止来自电源线的外部
噪音。
电磁接触器
打开/关闭伺服
电源。使用时
请安装浪涌抑
制器。
AC100/200V
直流电源
(24V)
制动器电源
用于90V带制动器规格的
伺服电机。
电磁接触器
打开/关闭制动器
电源。
使用时请安装浪涌
抑制器。
接线用断路器
用于保护电机风扇。
在流过过电流时切断回路。
∗1
∗2
再生电阻单元
∗4
∗3
DU
DV
∗3
DB单元
伺服电机主回路电缆
电机风扇用电缆
输入输出信号用电缆
电池单元
(使用绝对值
DB24
DW
DBON
∗5
编码器时)
编码器电缆
SGMVV型
伺服电机
至MECHATROLINK-III其他站
上位装置
不使用安全功能时:
在装有附带的安全跨接
插头的状态下使用。
使用安全保护功能时:
安全设备连接电缆
安全设备
恒温器电缆
∗1. 直流电源 (DC24V)由用户自备。另外,直流电源 (DC24V)应使用双重绝缘或强
化绝缘的设备。
∗2. DC24V 制动器用直流电源请用户自行准备。
DC90V 制动器用直流电源请使用以下规格。
·输入电压 200V 用:LPSE-2H01-E
·输入电压 100V 用:LPDE-1H01-E
∗3. 有关接地的详情,请参照用户手册 设计·维护篇。
∗4. 有关再生电阻单元的连接,请参照 “3.5 再生电阻单元的选择与连接”。
∗5. 有关 DB 单元的详细内容,请参照 “3.6 DB 单元的选择与连接”。
3-9
Page 53

第 3 章 接线和连接
3.3.4 SGDV-E1A 型 (指令选购模块安装型)
3.3.4 SGDV-E1A 型 (指令选购模块安装型)
三相 200V 型
·伺服单元:SGDV-HE1A ( = 121、161、201)
·变流器:SGDV-COAAA ( = 2B、3G)
数字操作器连接电缆
指令选购模块
电脑连接电缆
电池单元
(使用绝对值
编码器时)
编码器电缆
输入输出信号用电缆
接线用断路器
用于保护电源线。
在流过过电流时切断
回路。
噪音滤波器
防止来自电源线的外部
噪音。
电磁接触器
打开/关闭伺服
电源。使用时
请安装浪涌抑
制器。
AC100/200V
制动器电源
用于90V带制动器规格的
伺服电机。
电磁接触器
打开/关闭制动器
电源。
使用时请安装浪涌
抑制器。
接线用断路器
用于保护电机风扇。
在流过过电流时切断回路。
电源
三相AC200V
R S T
∗1
再生电阻单元
变流器
∗2
∗2
∗3
伺服单元
DB24
DU
DV
DW
DBON
∗4
DB单元
伺服电机主回路电缆
∗5
电脑
不使用安全功能时:
在装有附带的安全跨接
插头的状态下使用。
使用安全保护功能时:
安全设备连接电缆
恒温器电缆
数字操作器
上位装置
安全设备
3-10
电机风扇用电缆
SGMVV型
伺服电机
∗1. DC24V 制动器用直流电源请用户自行准备。
DC90V 制动器用直流电源请使用以下规格。
·输入电压 200V 用:LPSE-2H01-E
·输入电压 100V 用:LPDE-1H01-E
∗2. 有关接地的详情,请参照用户手册 设计·维护篇。
∗3. 有关再生电阻单元的连接,请参照 “3.5 再生电阻单元的选择与连接”。
∗4. 有关 DB 单元的详细内容,请参照 “3.6 DB 单元的选择与连接”。
∗5. 有关指令选购模块的接线,请参照所用指令选购模块安装的用户手册。
Page 54

三相 400V
·伺服单元:SGDV-JE1A ( = 750、101、131)
·变流器:SGDV-COADA ( = 3Z、5E)
接线用断路器
用于保护电源线。
在流过过电流时切断
回路。
电源
三相AC400V
R S T
3.3 系统构成示例
数字操作器连接电缆
伺服单元变流器
指令选购模块
∗6
数字操作器
电脑
噪音滤波器
防止来自电源线的外部
噪音。
电磁接触器
打开/关闭伺服
电源。使用时
请安装浪涌抑
制器。
AC100/200V
直流电源
(24V)
制动器电源
用于90V带制动器规格的
伺服电机。
电磁接触器
打开/关闭制动器
电源。
使用时请安装浪
涌抑制器。
接线用断路器
用于保护电机风扇。
在流过过电流时切断回路。
∗1
∗2
再生电阻单元
∗4
电机风扇用电缆
∗3
DU
DV
DW
∗3
DB单元
伺服电机主回路电缆
DB24
DBON
∗5
电脑连接电缆
电池单元
(使用绝对值
编码器时)
编码器电缆
SGMVV型
伺服电机
输入输出信号用电缆
不使用安全功能时:
在装有附带的安全跨接
插头的状态下使用。
使用安全保护功能时:
安全设备连接电缆
恒温器电缆
上位装置
安全设备
∗1. 直流电源 (DC24V)由用户自备。另外,直流电源 (DC24V)应使用双重绝缘或强
化绝缘的设备。
∗2. DC24V 制动器用直流电源请用户自行准备。
DC90V 制动器用直流电源请使用以下规格。
·输入电压 200V 用:LPSE-2H01-E
·输入电压 100V 用:LPDE-1H01-E
∗3. 有关接地的详情,请参照用户手册 设计·维护篇。
∗4. 有关再生电阻单元的连接,请参照 “3.5 再生电阻单元的选择与连接”。
∗5. 有关 DB 单元的详细内容,请参照 “3.6 DB 单元的选择与连接”。
∗6. 有关指令选购模块的接线,请参照所用指令选购模块安装的用户手册。
3-11
Page 55

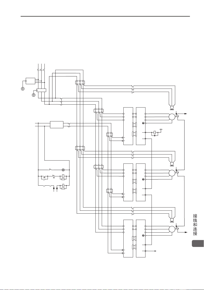
第 3 章 接线和连接
伺服单元
CN115
U、V、W
CN103、CN104
P、N
DU、DV、DW
3.4.1 主电路端子的名称及功能
3.4 主回路的接线
以下列出了试运行所需的主回路端子的名称以及规格·功能。
3.4.1 主电路端子的名称及功能
伺服单元
模拟量、脉冲型伺服单元的外形图如下所示。
(注)为了便于说明,图中所示为拆下前外罩的状态。使用时,请务必安装前外罩。伺
服单元的主回路端子通用于所有接口。
3-12
端子 名称 功能
P、N
U、V、W
CN103、
CN104
DU、DV、DW
CN115 DB 单元插头 连接到 DB 单元的 DBON、DB24 端子上。
主回路 DC
电压输入端子
伺服电机连接
端子
控制电源
输入用端口
DB 单元
连结端子
分别连接到变流器的 P、N 端子上。
与伺服电机连接。
CN103 为直流 24V (± 15%)输入。CN104 也为相同输
入,但通常无需连接。
连接 DB 单元。
Page 56

3.4 主回路的接线
SGDV-COA2BAA、-COA3ZDA型
变流器
CN101
CN103、CN104
L1、L2、L3 B1、B2
P、N
1、 2
端子 名称 功能
+、- NC 请勿连接。
接地端子
与电源接地端子以及电机接地端子连接,进行接地处
理。
变流器
变流器的外形图如下所示。
(注)为了便于说明,图中所示为拆下前外罩的状态。使用时,请务必安装前外罩。
(续)
3-13
Page 57

第 3 章 接线和连接
CN101
CN103、CN104
SGDV-COA3GAA、-COA5EDA型
变流器
P、N
L1、L2、L3
B1、B2
1、 2
3.4.1 主电路端子的名称及功能
L1、L2、L3
CN101
端子 名称 功能
SGDV-COAAA:三相 AC200 ~ 230V、+10 ~
主回路电源
输入端子
-15% (50/60Hz)
SGDV-COADA:三相 AC380 ~ 480V,+10 ~
-15% (50/60Hz)
控制电源
输入用端口
SGDV-COAAA:单相 AC200 ~ 230V、+10 ~
-15% (50/60Hz)
SGDV-COADA:DC24V、± 15%
配合插头型号:231-202/026-000
(WAGO JAPAN (株)制)
2pin(24V)
1pin(0V)
3-14
P、N
B1、B2
1、 2
主回路 DC
电压输出端子
分别连接到伺服单元的 P、N 端子上。
接地端子 与电源接地端子连接,进行接地处理。
再生电阻
连接端子
DC 电抗器连接
端子
连接再生电阻单元。
连接 DC 电抗器时,应拆下短接片后连接。
Page 58

端子 名称 功能
CN103、
CN104
控制电源
输出用端口
3.4.2 插头之间的连接
请按下图所示连接伺服单元与变流器的 CN901 与 CN103。
变流器
电缆名称 电缆型号 电缆长度 内容
I/O 信号用
连接电缆
DC24V 控制
电源电缆
JZSP-CVI02-A4-E 0.4m
JZSP-CVG00-A4-E 0.4m
伺服单元
3.4 主回路的接线
(续)
CN103 与 CN104 向伺服单元输出直流 24V 电压。
400V 系统时,直接从 CN103 输出 DC24V (± 15%)输
入。CN104 也为相同输出,但通常无需连接。
CN103:控制电源输入用端口
DC24V控制电源电缆
I/O信号用连接电缆
CN901:伺服单元-变流器之间I/O信号连接用端口
连接到伺服单元、变流器的 CN901
上。
连接到伺服单元、变流器的 CN103
(CN104)上。
3-15
Page 59

第 3 章 接线和连接
变流器侧P端子
伺服单元侧P端子
伺服单元侧N端子
变流器侧N端子
3.4.3 端子之间的连接
3.4.3 端子之间的连接
请使用变流器附带的母线排连接伺服单元与变流器的 P、N 端子。
母线排因变流器的型号而异。
(1)变流器型号:SGDV-COA2BAA、-COA3ZDA 型时
请按下图所示安装母线排。
(注)伺服单元侧与变流器侧以及 P 端子侧与 N 端子侧的母线排形状各不相同。
3-16
Page 60

(2)变流器型号:SGDV-COA3GAA、-COA5EDA 型时
可按任何方向安装母线排。
3.4 主回路的接线
3-17
Page 61

第 3 章 接线和连接
3.4.4 主回路电线
3.4.4 主回路电线
伺服单元 / 变流器主回路使用的电线如下所示。
· 为使用环境温度 40°C、3 根导线线束流过额定电流时的规格。
· 主回路请使用 600V 以上的耐压电线。
· 捆成线束并放到硬质聚氯乙烯套管或金属套管中时,请考虑电线容许
· 使用环境温度 (柜内温度)高时,请使用耐热电线。一般聚氯乙烯
(1)电线的种类
主回路请使用以下种类的电线。
电流的衰减率。
电线的热老化速度较快,在很短时间内便不能再用。
电线种类
符号 名称
IV 600V 聚氯乙烯绝缘电线 60
HIV 600V 二型聚氯乙烯绝缘电线 75
导体容许温度 (°C)
下表为 3 根电线时电线直径与容许电流之间的关系。使用时请不要超过表中的
值。
公称截面积
2
)
(mm
0.5 (20) 19/0.18 39.5 6.6 5.6 4.5
0.75 (19) 30/0.18 26 8.8 7 5.5
0.9 (18) 37/0.18 24.4 9 7.7 6
1.25 (16) 50/0.18 15.6 12 11 8.5
2 (14) 7/0.6 9.53 23 20 16
3.5 (12) 7/0.8 5.41 33 29 24
5.5 (10) 7/1.0 3.47 43 38 31
8 (8) 7/1.2 2.41 55 49 40
14 (6) 7/1.6 1.35 79 70 57
22 (4) 7/2.0 0.85 91 81 66
38 (1) 7/2.6 0.49 124 110 93
60 (2/0) 19/2.0 0.30 170 150 127
100 (4/0) 19/2.6 0.18 240 212 179
AWG
规格
构成
(根 /mm)
导体电阻
(Ω/km)
不同使用环境温度
下的容许电流 (A)
30°C 40°C 50°C
(注)以上为 600V 二型聚氯乙烯绝缘电线 (HIV)时的参考值。
3-18
Page 62

3.4 主回路的接线
(2)电线尺寸
伺服单元 / 变流器电源输入端子的端子符号、接地端子的螺丝尺寸、紧固力
矩、连接电线的尺寸以及压接端子型号如下表所示。
三相 200V 用
伺服单元与变流器的组合
SGDV-121H
SGDV-
COA2BAA
SGDV-161H
SGDV-
COA3GAA
∗1
伺服单元
变流器
伺服单元
变流器
端子符号
P、N M8 15.0
U、V、W M8 3.0 60 (2/0) R60-8
DU、DV、DW M6 3.0 5.5 (10) R5.5-6
P、N M8 3.0
L1、L2、L3 M8 3.0 38 (1) R38-8
1、 2
CN101
(L1C、L2C)-(插头)
B1、B2 M8 3.0 8 (8) R8-8
P、N M8 15.0
U、V、W M8 3.0 100 (4/0) CB100-S8
DU、DV、DW M6 3.0 5.5 (10) R5.5-6
P、N M10 12 ~ 20
L1、L2、L3 M10 12 ~ 20 60 (2/0) R60-10
1、 2
CN101
(L1C、L2C)-(插头)
B1、B2 M10 12 ~ 20 14 (6) R14-10
端子螺丝尺寸紧固力矩
M8 9.0 ~ 11.0 60 (2/0) R60-8
M8 3.0 38 (1) R38-8
M8 9.0 ~ 11.0 38 (1) R38-8
M8 9.0 ~ 11.0 100 (4/0) 100-8
M10 12 ~ 20 60 (2/0) R60-10
M8 9.0 ~ 11.0 60 (2/0) R60-8
(N·m)
-1.25(16) -
-1.25(16) -
HIV 电线
尺寸 mm
(AWG)
变流器附带的
母线排
变流器附带的
母线排
变流器附带的
母线排
变流器附带的
母线排
压接端子型号
2
(日本压接端子
制造制)
∗2
-
-
-
-
3-19
Page 63

第 3 章 接线和连接
3.4.4 主回路电线
伺服单元与变流器的组合
∗1
伺服单元
SGDV-201H
SGDV-
COA3GAA
变流器
∗1. 请按照规定配套使用伺服单元与变流器。
∗2. 压接端子请务必使用推荐产品或同等产品。
端子符号
端子螺丝尺寸紧固力矩
(N·m)
P、N M10 12 ~ 20
HIV 电线
尺寸 mm
(AWG)
变流器附带的
母线排
压接端子型号
2
(日本压接端子
制造制)
-
U、V、W M10 30.0 100 (4/0) R100-10
DU、DV、DW M6 3.0 5.5 (10) R5.5-6
M8 9.0 ~ 11.0 100 (4/0) 100-8
P、N M10 12 ~ 20
变流器附带的
母线排
-
L1、L2、L3 M10 12 ~ 20 100 (4/0) R100-10
1、 2
CN101
(L1C、L2C)-(插头)
M10 12 ~ 20 100 (4/0) R100-10
- 1.25 (16) -
B1、B2 M10 12 ~ 20 14 (6) R14-10
M8 9.0 ~ 11.0 100 (4/0) 100-8
(续)
∗2
三相 400V 用
伺服单元与变流器的组合
SGDV-750J
SGDV-
COA3ZDA
3-20
∗1
伺服单元
变流器
端子符号
端子螺丝尺寸紧固力矩
(N·m)
P、N M8 15.0
HIV 电线
尺寸 mm
(AWG)
变流器附带的
母线排
压接端子型号
2
(日本压接端子
制造制)
U、V、W M8 3.0 22 (4) R22-8
DU、DV、DW M6 3.0 3.5 (12) 3.5-6
M8 9.0 ~ 11.0 22 (4) R22-8
P、N M8 3.0
变流器附带的
母线排
L1、L2、L3 M8 3.0 22 (4) R22-8
1、 2
CN101
(24V、0V)-(插头)
M8 3.0 22 (4) R22-8
- 1.25 (16) -
B1、B2 M8 3.0 8 (8) R8-8
M8 9.0 ~ 11.0 22 (4) R22-8
∗2
-
-
Page 64

伺服单元与变流器的组合
∗1
伺服单元
SGDV-101J
SGDV-
COA5EDA
变流器
伺服单元
SGDV-131J
SGDV-
COA5EDA
变流器
3.4 主回路的接线
端子符号
端子螺丝尺寸紧固力矩
(N·m)
P、N M8 15.0
HIV 电线
尺寸 mm
(AWG)
变流器附带的
母线排
压接端子型号
2
(日本压接端子
制造制)
-
U、V、W M8 3.0 38 (1) R38-8
DU、DV、DW M6 3.0 3.5 (12) 3.5-6
M8 9.0 ~ 11.0 38 (1) R38-8
P、N M10 12 ~ 20
变流器附带的
母线排
-
L1、L2、L3 M10 12 ~ 20 38 (1) R38-10
1、 2
CN101
(24V、0V)-(插头)
M10 12 ~ 20 38 (1) R38-10
-1.25(16) -
B1、B2 M10 12 ~ 20 8 (8) R8-10
M8 9.0 ~ 11.0 38 (1) R38-8
P、N M10 12 ~ 20
变流器附带的
母线排
-
U、V、W M10 30.0 60 (2/0) R60-10
DU、DV、DW M6 3.0 3.5 (12) 3.5-6
M8 9.0 ~ 11.0 60 (2/0) R60-8
P、N M10 12 ~ 20
变流器附带的
母线排
-
L1、L2、L3 M10 12 ~ 20 60 (2/0) R60-10
1、 2
CN101
(24V、0V)-(插头)
M10 12 ~ 20 60 (2/0) R60-10
-1.25(16) -
B1、B2 M10 12 ~ 20 14 (6) R14-10
M8 9.0 ~ 11.0 60 (2/0) R60-8
(续)
∗2
∗1. 请按照规定配套使用伺服单元与变流器。
∗2. 压接端子请务必使用推荐产品或同等产品。
3-21
Page 65

第 3 章 接线和连接
3.4.4 主回路电线
压接端子工具
压接端子型号
3.5-6
R5.5-6
R8-8
R8-10
R14-10
R22-8 TD-223、TD-212
R38-8
R38-10
R60-8
R60-10
100-8
R100-10
CB100-S8
YHT-2210 - -
YPT-150-1 - TD-221、TD-211
主体:YPT-150-1 (无需头部)
适用工具 (日本压接端子制造制)
主体 头部 模具
YHT-8S - -
或
主体:YF-1
头部:YET-150-1
(3)满足 UL 标准的电线尺寸
需要满足 UL 标准时,请使用 UL 标准认定的电线。
75°C 额定值的电线尺寸 (AWG)如下所示。
三相 200V 用
伺服单元与变流器的组合 ∗
伺服单元
SGDV-121H
SGDV-
COA2BAA
变流器
端子符号
P、N M8 15.0
U、V、W M8 3.0 1/0
DU、DV、DW M6 3.0 10
P、N M8 3.0
L1、L2、L3 M8 3.0 1/0
1、 2
CN101
(L1C、L2C)-(插头)
B1、B2 M8 3.0 6
TD-222、TD-211
TD-224、TD-212
TD-225、TD-213
TD-228、TD-214
端子螺丝尺寸紧固力矩
M8 9.0 ~ 11.0 1/0
M8 3.0 1/0
M8 9.0 ~ 11.0 1/0
(N·m)
-14
电线尺寸
AWG
变流器附带的
母线排
变流器附带的
母线排
3-22
Page 66

伺服单元与变流器的组合 ∗
伺服单元
SGDV-161H
SGDV-
COA3GAA
变流器
伺服单元
SGDV-201H
SGDV-
COA3GAA
变流器
3.4 主回路的接线
端子符号
P、N M8 15.0
U、V、W M8 3.0 3/0
DU、DV、DW M6 3.0 10
P、N M10 12 ~ 20
L1、L2、L3 M10 12 ~ 20 3/0
1、 2
CN101
(L1C、L2C)-(插头)
B1、B2 M10 12 ~ 20 4
P、N M10 12 ~ 20
U、V、W M10 30.0 250
DU、DV、DW M6 3.0 10
P、N M10 12 ~ 20
L1、L2、L3 M10 12 ~ 20 4/0
1、 2
CN101
(L1C、L2C)-(插头)
B1、B2 M10 12 ~ 20 4
端子螺丝尺寸紧固力矩
(N·m)
M8 9.0 ~ 11.0 3/0
M10 12 ~ 20 3/0
-14
M8 9.0 ~ 11.0 3/0
M8 9.0 ~ 11.0 250
M10 12 ~ 20 4/0
-14
M8 9.0 ~ 11.0 4/0
电线尺寸
变流器附带的
母线排
变流器附带的
母线排
变流器附带的
母线排
变流器附带的
母线排
(续)
AWG
∗ 请按照规定配套使用伺服单元与变流器。
3-23
Page 67

第 3 章 接线和连接
3.4.4 主回路电线
三相 400V 用
伺服单元与变流器的组合 ∗
SGDV-750J
SGDV-
COA3ZDA
SGDV-101J
SGDV-
COA5EDA
伺服单元
变流器
伺服单元
变流器
端子符号
P、N M8 15.0
U、V、W M8 3.0 3
DU、DV、DW M6 3.0 10
P、N M8 3.0
L1、L2、L3 M8 3.0 3
1、 2
CN101
(24V、0V)-(插头)
B1、B2 M8 3.0 8
P、N M8 15.0
U、V、W M8 3.0 1
DU、DV、DW M6 3.0 10
P、N M10 12 ~ 20
L1、L2、L3 M10 12 ~ 20 2
1、 2
CN101
(24V、0V)-(插头)
B1、B2 M10 12 ~ 20 8
端子螺丝尺寸紧固力矩
M8 9.0 ~ 11.0 3
M8 3.0 3
M8 9.0 ~ 11.0 3
M8 9.0 ~ 11.0 1
M10 12 ~ 20 2
M8 9.0 ~ 11.0 2
(N·m)
-14
-14
电线尺寸
变流器附带的
母线排
变流器附带的
母线排
变流器附带的
母线排
变流器附带的
母线排
AWG
3-24
Page 68

伺服单元与变流器的组合 ∗
伺服单元
SGDV-131J
SGDV-
COA5EDA
变流器
∗ 请按照规定配套使用伺服单元与变流器。
端子符号
U、V、W M10 30.0 2/0
DU、DV、DW M6 3.0 10
L1、L2、L3 M10 12 ~ 20 2/0
CN101
(24V、0V)-(插头)
B1、B2 M10 12 ~ 20 4
压接端子、套管、端子套件
端子螺丝尺寸紧固力矩
P、N M10 12 ~ 20
M8 9.0 ~ 11.0 2/0
P、N M10 12 ~ 20
1、 2
M10 12 ~ 20 2/0
M8 9.0 ~ 11.0 2/0
(N·m)
-14
3.4 主回路的接线
(续)
电线尺寸
AWG
变流器附带的
母线排
变流器附带的
母线排
·三相200V用
伺服单元与变流器的组合 端子符号
U、V、W R60-8 TP-060 (黑色)
伺服单元
SGDV-121H
SGDV-
COA2BAA
变流器
DU、DV、DW R5.5-6 TP-006 (黑色)
L1、L2、L3 R60-8 TP-060 (黑色)
1、 2
B1、B2 R14-8 TP-022 (白色)
压接端子型号
(日本压接端子
制造制)
∗1
R60-8 -
R60-8 TP-060 (白色)
R60-8 -
套管型号
(东京 DIP 制)
∗2
端子套件型号
JZSP-CVT9-121H-E
JZSP-CVT9-2BA-E
∗3
3-25
Page 69

第 3 章 接线和连接
3.4.4 主回路电线
伺服单元与变流器的组合 端子符号
U、V、W CB80-S8 TP-100 (黑色)
伺服单元
DU、DV、DW R5.5-6 TP-006 (黑色)
SGDV-161H
SGDV-
COA3GAA
变流器
L1、L2、L3 80-10 TP-100 (黑色)
1、 2
B1、B2 R22-10 TP-038 (白色)
U、V、W CB150-S10 TP-150 (黑色)
伺服单元
DU、DV、DW R5.5-6 TP-006 (黑色)
SGDV-201H
SGDV-
COA3GAA
变流器
L1、L2、L3 R100-10 TP-125 (黑色)
1、 2
B1、B2 R22-10 TP-038 (白色)
压接端子型号
(日本压接端子
制造制)
∗1
套管型号
(东京 DIP 制)
80-8 -
80-10 TP-100 (白色)
80-8 -
150-8 -
R100-10 TP-125 (白色)
100-8 -
(续)
∗2
端子套件型号
∗3
JZSP-CVT9-161H-E
JZSP-CVT9-3GA1-E
JZSP-CVT9-201H-E
JZSP-CVT9-3GA2-E
∗1. 压接端子请务必使用推荐产品或同等产品。
∗2. 请在压接端子的压接部分使用套管。
∗3. 端子套件包括 1 台伺服单元或变流器所需数量的压接端子与套管。
· 三相 400V 用
伺服单元与变流器的组合 端子符号
伺服单元
SGDV-750J
SGDV-
COA3ZDA
变流器
3-26
压接端子型号
(日本压接端子
制造制)
∗1
套管型号
(东京 DIP 制)
∗2
U、V、W R38-8 TP-038 (黑色)
DU、DV、DW R5.5-6 TP-006 (黑色)
R38-8 -
L1、L2、L3 R38-8 TP-038 (黑色)
1、 2
R38-8 TP-038 (白色)
B1、B2 R8-8 TP-014 (白色)
R38-8 -
端子套件型号
∗3
JZSP-CVT9-750J-E
JZSP-CVT9-3ZD-E
Page 70

伺服单元与变流器的组合 端子符号
U、V、W R60-8 TP-060 (黑色)
伺服单元
DU、DV、DW R5.5-6 TP-006 (黑色)
SGDV-101J
SGDV-
COA5EDA
变流器
L1、L2、L3 R38-10 TP-038 (黑色)
1、 2
B1、B2 R8-10 TP-014 (白色)
U、V、W 70-10 TP-080 (黑色)
伺服
单元
DU、DV、DW R5.5-6 TP-006 (黑色)
SGDV-131J
SGDV-
COA5EDA
变流器
L1、L2、L3 70-10 TP-080 (黑色)
1、 2
B1、B2 R22-10 TP-038 (白色)
压接端子型号
(日本压接端子
制造制)
∗1
套管型号
(东京 DIP 制)
R60-8 -
R38-10 TP-038 (白色)
R38-8 -
70-8 -
70-10 TP-080 (白色)
70-8 -
3.4 主回路的接线
(续)
∗2
端子套件型号
∗3
JZSP-CVT9-101J-E
JZSP-CVT9-5ED1-E
JZSP-CVT9-131J-E
JZSP-CVT9-5ED2-E
∗1. 压接端子请务必使用推荐产品或同等产品。
∗2. 请在压接端子的压接部分使用套管。
∗3. 端子套件包括 1 台伺服单元或变流器所需数量的压接端子与套管。
3-27
Page 71

第 3 章 接线和连接
3.4.5 典型的主回路接线示例
压接端子工具
压接端子型号
R5.5-6 YHT-2210 - -
R8-8
R14-8
R22-10 TD-223、TD-212
R38-8
R38-10
R60-8 TD-225、TD-213
70-8
70-10
80-8
80-10
CB80-S8
100-8
R100-10
150-8
CB150-S10
主体 头部 模具
YHT-8S - -
YPT-150-1 - TD-221、TD-211
主体:YPT-150-1 (无需头部)
3.4.5 典型的主回路接线示例
· 对伺服单元 / 变流器的主回路端子及插头进行接线时 , 请务必遵守下述注意事项。
· 在包括主回路端子插头在内的整体接线作业未完成前,请勿将伺服单元 / 变
流器的电源置于 ON。
· 主回路端子为插头时,请将插头从伺服单元 / 变流器上拆下后再接线。
· 主回路端子的一个电线插口只能插入 1 根电线。
· 在插入电线时,请勿使芯线的毛刺与邻近的电线接触 (短路)。
适用工具 (日本压接端子制造制)
或
主体:YF-1
头部:YET-150-1
注意
TD-222、TD-211
TD-224、TD-212
TD-226、TD-213
TD-227、TD-214
TD-228、TD-214
TD-229、TD-215
· 请使用接线用断路器 (1QF)或保险丝以保护主回路。
伺服单元 / 变流器直接连在工频电源上,没有使用变压器等进行绝
缘。为了防止发生伺服系统和外界的混触事故,请务必使用接线用断
路器 (1QF)或保险丝。
· 请安装漏电断路器。
伺服单元 / 变流器没有内置接地短路保护回路。为了构建更加安全的
系统,请配置过载、短路保护兼用的漏电断路器,或者组合安装接线
用断路器和接地短路保护用漏电断路器。
· 请避免频繁 ON/OFF 电源。
· 频繁地 ON/OFF 电源会导致伺服单元 / 变流器内的元件老化,因此
请勿将其用于需要频繁 ON/OFF 电源的用途。
· 开始实际运行 (通常运行)后,ON/OFF 电源的时间间隔应在 1 小
时以上。
3-28
Page 72

伺服单元 / 变流器的接线示例如下所示。
(1)使用单轴时
三相 200V
电源
三相AC200V
RS T
1QF
3SA
1FLT
伺服电源开伺服电源
1KM
1KM
1Ry
1Ry
关
再生电阻
单元
2KM
1KM
1KM
1SA
2KM
B1
B2
L1
L2
L3
CN103
CN101
L1C
L2C
1
2
2QF
P
N
伺服单元变流器
CN115
P
N
CN103
CN2
CN901CN901
DU
DV
DW
W
CN1
31
32
3.4 主回路的接线
U
V
W
DB单元
CB A
风扇
DB24
DBON
U
V
ALM+
ALM-
1Ry
1D
ENC
+24V
0V
恒温器
M
1
a
b
1b
2SA
ab
1PL
1QF
:接线用断路器
2QF
:接线用断路器
1FIL
:噪音滤波器
1KM
:电磁接触器(控制电源用)
2KM
:电磁接触器(主回路电源用)
1Ry
:继电器
1SA
2SA
3SA
1D
:显示用指示灯
:浪涌抑制器
:浪涌抑制器
:浪涌抑制器
:旁路二极管
3-29
Page 73

第 3 章 接线和连接
1QF
2QF
1FIL
1KM
2KM
1Ry
:接线用断路器
:接线用断路器
:噪音滤波器
:电磁接触器(控制电源用)
:电磁接触器(主回路电源用)
:继电器
1PL
1SA
2SA
3SA
1D
:显示用指示灯
:浪涌抑制器
:浪涌抑制器
:浪涌抑制器
:旁路二极管
1
2
1FLT
3SA
风扇
M
ENC
恒温器
+24V
0V
ALM+
ALM-
CN1
31
32
1D
1Ry
1Ry
1Ry
U
V
W
DB24
DBON
P
P
伺服单元变流器
电源
三相AC400V
B1
B2
再生电阻
单元
L1
L2
L3
24V
0V
DB单元
U
V
W
RS T
1QF
2KM
1KM
1KM
2KM
1SA
2SA
1KM
1KM
伺服电源开伺服电源
关
a
b
ab
直流电源
(24V)
AC100/200V
CN901CN901
CN103
CN103
CN101
CN2
DU
DV
DW
CN115
N
N
+
-
2QF
CB A
1
1b
3.4.5 典型的主回路接线示例
三相 400V
3-30
Page 74

3.4 主回路的接线
(2)使用多轴时
各伺服单元 / 变流器的警报输出 (ALM)全部串联连接,以使警报检出继电器
(1RY)动作。
伺服单元 / 变流器为警报状态时,输出晶体管为 OFF。
三相 400V 的接线示例如下所示。
电源
三相AC400V
RST
1QF
3SA
1FLT
2KM
1KM
+
AC100/200V
1QF
:接线用断路器
2QF
:接线用断路器
3QF
:接线用断路器
4QF
:接线用断路器
1FIL
:噪音滤波器
1KM
:电磁接触器(控制电源用)
2KM
:电磁接触器(主回路电源用)
1Ry
:继电器
1PL
:显示用指示灯
1SA
:浪涌抑制器
2SA
:浪涌抑制器
3SA
:浪涌抑制器
1D
:旁路二极管
直流电源
(24V)
(伺服警报显示用)
1Ry
伺服电源开伺服电源
关
1KM
1Ry
1KM
ab
-
1PL
1KM
1SA
2KM
2SA
转接端子
转接端子
转接端子
转接端子
转接端子
转接端子
变流器
L1
L2
L3
CN103
CN101
24V
0V
L1
L2
L3
CN103
CN901
CN101
24V
0V
L1
L2
L3
CN103
CN101
24V
0V
CN901
CN901
2QF
伺服单元
P
P
NN
CN103
CN901
3QF
伺服单元变流器
P
P
NN
CN103
CN901
4QF
伺服单元变流器
P
P
NN
CN103
CN901
CN1
CN1
CN1
U
V
W
CBA
风扇
恒温器
1
恒温器
恒温器
a
1b
1
1b
1
b
1b
U
V
W
1Ry
ALM+
31
1D
ALM-
32
U
V
W
ALM+
31
ALM-
32
U
V
W
ALM+
31
0V
ALM-
32
+24V
风扇
风扇
U
V
W
U
V
W
M
CBA
M
CBA
M
3-31
Page 75

第 3 章 接线和连接
3.5.1 再生电阻单元的选择
3.5 再生电阻单元的选择与连接
伺服单元和变流器没有内置再生电阻器。请按照以下要领选择、连接再生电阻
单元,并设定再生电阻容量 (Pn600)。
关于再生电阻单元的详细规格,请向代理商或本公司垂询。
请勿弄错再生电阻单元的接线。尤其勿使 B1-B2 间短接。
否则会导致机器损坏或火灾。
3.5.1 再生电阻单元的选择
本公司指定的本公司产再生电阻单元如下所示。请用户自备。
请按照本公司指定的组合 (下表的组合)选择本公司指定的再生电阻单元。
危险
伺服
单元型号
SGDV-
121H 2BAA JUSP-RA08-E 2.4
161H
201H JUSP-RA11-E 1.6
750J 3ZDA JUSP-RA13-E 6.7
101J
131J JUSP-RA16-E 3.8
变流器型号
SGDV-COA
3GAA
5EDA
适用再生
电阻单元的型号
JUSP-RA09-E 1.8
JUSP-RA14-E 5
电阻值
(Ω)
规格
将 4 个 0.6Ω (600W)的
再生电阻单元串联连接
并联连接 2 个串联了 4 个
0.9Ω (600W)的再生电
阻单元
将 8 个 0.2Ω (600W)的
再生电阻单元串联连接
并联连接 3 个串联了 2 个
10Ω (600W)的再生电阻
单元
并联连接 4 个串联了 2 个
10Ω (600W)的再生电阻
单元
并联连接 4 个串联了 3 个
5Ω (600W)的再生电阻
单元
3-32
Page 76

3.5.2 再生电阻单元的连接方法
再生电阻单元
JUSP-RA-E
伺服单元变流器
B1B2
B1B2
连接变流器与再生电阻单元的 B1-B2 端子类。请按下图所示连接。
(1)变流器型号:SGDV-COA2BAA、-COA3ZDA 型时
3.5 再生电阻单元的选择与连接
再生电阻单元
JUSP-RA-E
B1 B2
B1 B2
(2)变流器型号:SGDV-COA3GAA、-COA5EDA 型时
伺服单元变流器
3-33
Page 77

第 3 章 接线和连接
70mm以上70mm以上
200mm以上200mm以上
设置方向
上
3.5.3 设定再生电阻容量
3.5.3 设定再生电阻容量
请如下所示设定再生电阻容量 (Pn600)。
使用本公司指定产品时:出厂设定
使用非本公司指定产品时:请参照用户手册 设计·维护篇。
3.5.4 再生电阻单元的安装标准
使用本公司指定的再生电阻单元时,请遵守下述安装标准。为保证能够通过风
扇和自然对流的方式进行冷却,请在侧面的两边留出 70mm 以上、上下方向的
两侧留出 200mm 以上的间隙。
3-34
使用非本公司指定的再生电阻单元时,请按照所用再生电阻单元的规格安装。
Page 78

3.6 DB 单元的选择与连接
使用动态制动器 (DB)功能时,将 DB 能量处理用 DB 单元或 DB 电阻外置于伺
服单元。
不使用 DB 功能时,请设为 Pn001 = n.2。无需连接 DB 单元。
3.6.1 DB 单元的选择
请根据下表选择 DB 单元或 DB 电阻。
3.6 DB 单元的选择与连接
伺服单元型号
SGDV-
121H、161H、201H JUSP-DB02-E
131J JUSP-DB06-E
3.6.2 DB 单元的连接
(1)使用本公司生产的 DB 单元时
本公司生产的 DB 单元中内置有 DB 接触器。
请按照下图所示连接 DB 单元。
伺服单元
24V
CN115
DB
DB24
DBON
DB 单元型号
DU
DV
DW
电阻规格
(接线)
180W、0.3Ω
180W、0.8Ω
300W、0.8Ω
DB单元
DU
DV
DW
DB24
DBON
DB 接触器和
浪涌吸收单元
内置于 DB 单元750J、101J JUSP-DB04-E
0V
DB
(注)接触器没有辅助接点,因此不能使用 DB 回应功能。
3-35
Page 79

第 3 章 接线和连接
DV
DU
DW
伺服单元
24V 0V
DB电阻
(辅助接点)
I/O电源用
DBON
DB24
DB接触器
主回路浪涌吸收单元
线圈浪涌吸收单元
CN115
24V
DB
47
45
∗
CN1
0V
DB
3.6.2 DB 单元的连接
(2)使用其他公司生产的 DB 电阻时
·在 DB 接触器中使用 a 接点时
3-36
∗ 表示使用 a 接点的 DB 接触器并将 DB 回应信号 (来自 a 接点的辅助接点的信号)输入
CN1-45 中时的情况。此时,在 DB 动作状态下,CN1-45 的输入信号 OFF (断开)时为
异常状态,因此设定伺服单元的参数 Pn515 = n.E。不使用 DB 回应信号时,请
设定 Pn515 = n.8 (出厂设定)。
(注) 1. 在同一个输入回路上分配多个信号时,将变为异或逻辑,所有输入的信号都
将动作,可能会发生意外的动作。
2. DB24、DBON 信号的电流最大值为 300mA。
Page 80

·在 DB 接触器中使用 b 接点时
3.6 DB 单元的选择与连接
伺服单元
24V
DB
0V
CN115
DB24
DBON
DB
CN1
47
45
DU
DV
DW
∗
DB接触器
(辅助接点)
主回路浪涌吸收单元
线圈浪涌吸收单元
I/O电源用
24V 0V
DB电阻
∗ 表示使用 b 接点的 DB 接触器并将 DB 回应信号 (来自 b 接点的辅助接点的信号)输入
CN1-45 中时的情况。此时,在 DB 动作状态下,CN1-45 的输入信号 OFF (断开)时为
异常状态,因此设定伺服单元的参数 Pn515 = n.E。不使用 DB 回应信号时,请
设定 Pn515 = n.8 (出厂设定)。
(注) 1. 在同一个输入回路上分配多个信号时,将变为异或逻辑,所有输入的信号都
将动作,可能会发生意外的动作。
2. DB24、DBON 信号的电流最大值为 300mA。
3-37
Page 81

第 3 章 接线和连接
3.6.3 DB 单元的安装标准
·b 接点的 DB 接触器线圈电流为 300mA 以上时,请准备接触器线圈电流、可
开 / 关电压的 a 接点继电器和接触器线圈用电源,如下所示进行连接。
伺服单元
CN1
47
45
DU
DV
DW
接触器线圈用
电源
CN115
DB
24V
DB24
DBON
DB
0V
3.6.3 DB 单元的安装标准
使用本公司生产的 DB 单元时,请遵守下述安装标准。为保证能够通过风扇和
自然对流的方式进行冷却,请在侧面的两边留出 70mm 以上、上下方向的两边
留出 200mm 以上的间隙。
a接点继电器
DB接触器
接触器
线圈用
电源
设置方向
I/O电源用
24V 0V
(辅助接点)
主回路浪涌吸收单元
线圈浪涌吸收单元
上
DB电阻
3-38
200mm以上200mm以上
70mm以上70mm以上
Page 82

第4章
安全功能
本章对伺服单元的安全功能进行说明。
4.1 安全功能概要 . . . . . . . . . . . . . . . . . . . . 4-2
4.2 硬接线基极封锁 (HWBB)功能 . . . . . . . . . . . . . 4-2
4.3 安全功能用信号 (CN8)的名称及功能 . . . . . . . . . . 4-3
4.4 不使用安全功能时 . . . . . . . . . . . . . . . . . . 4-4
4.5 连接安全设备 . . . . . . . . . . . . . . . . . . . . 4-4
4-1
Page 83

第 4 章 安全功能
4.1 安全功能概要
为了保护作业人员免受机器活动部位危险动作的伤害,降低使用机器时的风
险,提高其安全性,本伺服单元 / 变流器内置了安全功能。特别是因机械维
护而必须在防护罩被打开的危险区域作业时,该功能可以防止机械发出危险
动作。
在对使用安全功能 (硬接线基极封锁功能)的系统进行设计时,须由熟知相
关安全标准的技术人员在理解所用伺服单元用户手册 设计·维护篇的内容后
进行。
4.2 硬接线基极封锁 (HWBB)功能
硬接线基极封锁功能 (以下简称 HWBB 功能)是指通过硬接线切断电机电流的
安全功能。
通过分别连接在 2 个通道的输入信号上的独立回路来阻止控制电机电流的功率
模块的驱动信号,可以使功率模块 OFF,切断电机电流。(参照以下回路图)
电源
4-2
24V电源
保险丝
0V
(注) 关于安全功能用信号的连接,输入信号连接在 0V 公共端,输出信号
开关
/HWBB1+
/HWBB1-
/HWBB2+
/HWBB2-
连接在共发射极输出端。这与本说明书对其他信号的说明正好相反。
为了不弄错信号状态,在安全功能的说明中,信号的 ON/OFF 定义为
以下状态。
ON:接点闭合或晶体管ON、信号线中电流流通的状态
OFF:接点断开或晶体管OFF、信号线中没有电流流通的状态
伺服单元 变流器
CN8
4
3
6
5
控制回路
驱动信号
阻止
阻止
功率模块
电机
Page 84

4.3 安全功能用信号 (CN8)的名称及功能
危险
· 使用 HWBB 功能时,请务必进行设备的风险评估,确认满足设备所要求的安全级
别。有关标准的详情,请参照前言的 “对应 UL 标准、欧洲 EC 标准、安全标
准”。
(注)为满足 EN ISO 13849-1 所规定的 PLd 安全要求,必须通过上位装置来监
视 EDM 信号。若不通过上位装置监视 EDM 信号,则为 PLc。
· 即使 HWBB 功能有效,仍然会存在以下风险,请务必在风险评估中考虑到以下因
素的安全性。
在有外力 (垂直轴时的重力等)时电机会动作。请另行准备机械式制动器等装
置。
由于功率模块的故障,电机有可能因为电气角在 180 度以内的范围动作。请确
认该动作是否会引发危险。
电机的最大旋转角为 1/6 圈以下 (根据电机轴换算的旋转角)。
HWBB 功能不能用于切断伺服单元的电源,也不进行电气绝缘。在维护伺服单元
时,请另行采取切断伺服单元电源等措施。
4.3 安全功能用信号 (CN8)的名称及功能
安全功能用信号 (CN8)的名称和功能如下所示。
针号 信号名 功能
∗
1
∗
2
3 /HWBB1-
4 /HWBB1+
5 /HWBB2-
6 /HWBB2+
7 EDM1-
8 EDM1+
∗ 1、2 为空置端子。请勿使用 (连接在内部回路上)。
−− −
−− −
硬接线基极封锁信号输入 1 用
硬接线基极封锁信号输入 2 用
监视回路状态输出 1 用
硬接线基极封锁输入用
通过信号 OFF 进行基极封锁
(电机电流切断)。
/HWBB1、/HWBB2 均已输入且
HWBB 为工作状态时 ON。
4-3
Page 85

第 4 章 安全功能
4.4 不使用安全功能时
不使用安全功能时或进行本手册中的 JOG 运行时 , 请在伺服单元 / 变流器附带
的插头安装在 CN8 的状态下使用。在没有安装在 CN8 的状态下使用时,电流无
法供应到电机,电机不输出转矩。
面板操作器、数字操作器的显示为 “Hbb”时,表示由于安全功能而处于基极
封锁的状态。请确认伺服单元 / 变流器附带的插头是否正确地安装在 CN8 上。
4.5 连接安全设备
安全设备的安装方法如下所示。
1. 拆下安全设备连接用端口 (CN8)的安全跨接插头。
4-4
安全跨接插头
用手指捏住安全跨接插头并拆下。
2. 将安全设备连接用端口 (CN8)连接到安全设备上。
(注)不连接安全设备时,请将安全设备连接用端口 (CN8)安装在安全跨接插头
上使用。如果不安装安全跨接插头,将不向电机供给电流,也不输出电机转
矩。此时,面板操作器或数字操作器将显示 “Hbb”。
Page 86

第5章
试运行 (确认伺服电机动作)
本章对试运行的方法进行说明。
5.1 试运行概要 . . . . . . . . . . . . . . . . . . . . . 5-2
5.2 试运行前的检查·确认事项 . . . . . . . . . . . . . . 5-2
5.3 通过面板操作器进行 JOG 运行 . . . . . . . . . . . . . 5-5
5.4 通过数字操作器进行 JOG 运行 . . . . . . . . . . . . . 5-7
5.5 通过 SigmaWin+ 进行 JOG 运行 . . . . . . . . . . . . . 5-10
5-1
Page 87

第 5 章 试运行 (确认伺服电机动作)
5.1 试运行概要
本章说明的试运行是指伺服电机单体的 JOG 运行。伺服电机单体试运行的目的
在于确认伺服单元 / 变流器和伺服电机是否正确连接,以及伺服电机是否正常
动作。
有关通过上位装置进行的伺服电机单体 JOG 运行以及通过机械和伺服电机组合
进行的试运行,请参照所用伺服单元的用户手册 设计·维护篇。
· 请勿结合伺服电机和机械,应在仅固定伺服电机单体的状态下进行试运行。不
得已而在安装至机械的状态下进行试运行时,应先设定为可随时紧急停止的状
态后再运行。
5.2 试运行前的检查·确认事项
为了能够安全正确地进行试运行,在试运行前,请检查、确认以下事项。
有关伺服电机的状态
对以下事项进行检查和确认,发现问题时,请在试运行前妥善进行处理。
·安装、接线和连接是否正确 ?
·各紧固部是否有松动 ?
·当为带油封的电机时,油封部是否损坏 ? 是否涂抹有机油 ?
·伺服电机带有保持制动器时,是否事先解除了制动器 ? 解除制动时,需要向
制动器施加规定的电压 (DC24V 或 DC90V)。试运行用的回路示例如下所示。
注意
5-2
Page 88

5.2 试运行前的检查·确认事项
带制动器(固定用)
伺服电机
浪涌抑制器
电源
红
黑
蓝色或黄色
白
M
BK
ENC
U
V
W
CN2
AC DC
BK-RY
BK-RY
+24V
L1
L2
L3
(/BK+)
(/BK-)
CN1
CN101
制动器电源
交流侧 直流侧
1D
0V
0V
24V
直流电源
(24V)
AC100/200V
AC400V
+
-
伺服单元/变流器
BK-R:制动器控制继电器
90V用制动器电源 输入电压200V用:LPSE-2H01-E
输入电压100V用:LPDE-1H01-E
使用24V带制动器的伺服电机时,请用户自备DC24V电源。
解除保持制动器的回路示例
有关伺服单元 / 变流器的状态
对以下事项进行检查和确认,发现问题时,请在试运行前妥善进行处理。
·安装、接线和连接是否正确 ?
·供给伺服单元 / 变流器的电源电压是否正常 ?
安装伺服电机及伺服单元 / 变流器
根据安装条件来安装伺服电机及伺服单元 / 变流器。
(注)
·伺服电机在旋转时有可能翻倒,因此请务必将其固定在机械上。
·请务必使伺服电机处于空载状态。
将伺服电机固定在机械上。
置于轴上不连接任何负载的
空载状态。
5-3
Page 89

第 5 章 试运行 (确认伺服电机动作)
确认主回路电源、伺服电机及编码器的接线
再次确认在 “第 3 章 接线和连接”中进行的主电源回路、伺服电机及编码器
的接线。
请在伺服单元附属的安全跨接插头连接于安全设备连接用端口 (CN8)的状态
下进行试运行。
控制电源
至主回路电源
再生电阻器
安全跨接插头
编码器电缆
至伺服电机主回路
5-4
DB单元
请勿连接至(CN1) 。
Page 90

5.3 通过面板操作器进行 JOG 运行
5.3 通过面板操作器进行 JOG 运行
下面对通过面板操作器实施 JOG 运行的步骤进行说明。
面板操作器的操作部分在伺服单元正面上方树脂板的内部。拉动柱塞,拆下塑
料外罩,然后操作面板操作器。(仅模拟量、脉冲型伺服单元配备有面板操作
器。)
柱塞
步骤 操作后的面板显示 使用的按键 操作
接通伺服单元 / 变流器的电源。
1
交替显示
−
交互显示 P-OT、N-OT 信号。
P-OT 表示禁止正转驱动、N-OT 表示禁
止反转驱动。
JOG 运行过程中 P-OT、N-OT 无效。
2 按 MODE/SET 键选择辅助功能。
MODE/SET
DATA
3 按 UP 或 DOWN 键显示 “Fn002”。
MODE/SET
4
MODE/SET
DATA
按 DATA/SHIFT 键约 1 秒钟,显示内容
如左图所示。
DATA
/
5 按 MODE/SET 键进入伺服 ON 状态。
5-5
Page 91

第 5 章 试运行 (确认伺服电机动作)
步骤 操作后的面板显示 使用的按键 操作
按 UP 键 (正转)或 DOWN 键 (反
转),在按键期间,伺服电机按照
Pn304 设定的速度旋转。
(出厂设定:500min
6
确认伺服电机是否在旋转。同时注意
以下几点,检查伺服电机的状态。
· 是否产生异常振动?
· 是否发出异常声音 ?
· 温度是否异常上升?
按 MODE/SET 键进入伺服 OFF 状态。
7
MODE/SET
<补充>
也可以按 DATA/SHIFT 键约 1 秒钟使伺
DATA
服OFF。
-1
)
电机正转
电机反转
(续)
8
MODE/SET
9
交替显示
MODE/SET
按 DATA/SHIFT 键约 1 秒钟,返回
“Fn002”的显示。
DATA
/
按 MODE/SET 键返回最初的显示 (步
骤1)。
DATA
5-6
Page 92

5.4 通过数字操作器进行 JOG 运行
下面对通过数字操作器实施 JOG 运行的步骤进行说明。将数字操作器连接到伺
服单元的端口 (CN3)上。
Σ-V系列用数字操作器
型号:
JUSP-OP05A-1-E
伺服单元
SGDV型
数字操作器转换插头
型号:JZSP-CVS05-A3-E
请切实插入伺服单元的端口(CN3)。
5.4 通过数字操作器进行 JOG 运行
Σ-III系列用数字操作器
型号:
JUSP-OP05A
可在伺服单元 / 变流器电源 ON 的状态下进行数字操作器的连接和拆卸。
步骤 操作后的面板显示 使用的按键 操作
1
−
打开伺服单元 / 变流器的电源。
显示初始画面后,接着显示参数 /
监视画面。
BB − FUNCTION−
Fn000:Alm History
2
Fn002:JOG
Fn003:Z− Search
Fn004:Program JOG
按 键显示辅助功能的主菜单,
按 或 键选择 “Fn002”。
5-7
Page 93

第 5 章 试运行 (确认伺服电机动作)
步骤 操作后的面板显示 使用的按键 操作
BB − JOG−
Pn304=00500
3
Un000=0 00000
Un002=0 00000
Un00D=0 0000000000
BB − JOG−
Pn304=00500
Un000=0 00000
4
Un002=0 00000
Un00D=0 0000000000
按 键,显示 Fn002 (JOG 运行)
的执行画面。
按 键,将光标移至 Pn304 (JOG
速度)的设定数据侧。
(续)
BB − JOG−
Pn304=01000
Un000=0 00000
5
Un002=0 00000
Un00D=0 0000000000
BB − JOG−
Pn304=01000
6
Un000=0 00000
Un002=0 00000
Un00D=0 0000000000
RUN − JOG−
Pn304=01000
7
Un000=0 00000
Un002=0 00000
Un00D=0 0000000000
RUN − JOG−
Pn304=01000
Un000=0 00000
8
Un002=0 00000
Un00D=0 0000000000
BB − JOG−
Pn304=01000
Un000=0 00000
9
Un002=0 00000
Un00D=0 0000000000
使用 、 键和 、 键,
将 JOG 速度 (Pn304)设定为 1000
-1
)。
(min
按 键确定设定值后,光标移动
到参数编号侧。
按 键,进入伺服 ON 状态,
“BB”显示将变为 “RUN”。
按 (正转)或 (反转)键,
在按键期间,伺服电机按照 Pn304
设定的速度旋转。
(出厂设定:500min
确认伺服电机是否在旋转。同时注
意以下几点,检查伺服电机的状态。
· 是否产生异常振动?
· 是否发出异常声音?
· 温度是否异常上升?
-1
)
电机正转
电机反转
确认伺服电机的动作,按 键,
进入伺服 OFF 状态,“RUN”显示恢
复为 “BB”。
5-8
Page 94

5.4 通过数字操作器进行 JOG 运行
步骤 操作后的面板显示 使用的按键 操作
BB − FUNCTION−
Fn000:Alm History
10
Fn002:JOG
Fn003:Z− Search
Fn004:Program JOG
按 键,返回辅助功能的主菜单
画面。
(续)
11
按 2 次 键,返回最初的画面
(步骤 1)。
警报显示
因某种原因而发生故障时,则自动显示警报。请通过所使用的伺服单元 / 变流
器或指令选购模块的用户手册 (参照 iv 页的 “ Σ-V 系列的相关资料”)进
行确认,并采取适当的措施。
错误显示
因连接问题 (插头的接触不良)而导致伺服单元 / 变流器和数字操作器之间
不能正常通信时,将显示以下故障信息。请再次确认连接,并再次接通电源。
即使这样仍不能恢复正常时,则需要更换数字操作器或伺服单元 / 变流器。
CPF00
COM − ERR(OP&SV)
CPF01
COM − ERR(OP&SV)
5-9
Page 95

第 5 章 试运行 (确认伺服电机动作)
5.5 通过 SigmaWin+ 进行 JOG 运行
下面对通过 SigmaWin+ 实施 JOG 运行的步骤进行说明。
在此使用 SigmaWin+ 主画面的
步骤 操作 电脑画面显示
· 电脑的连接
请准备安装有 SigmaWin+ 的电脑和电脑连接用
电缆,连接伺服单元 / 变流器和电脑。
伺服单元
1
电脑连接电缆型号:
JZSP-CVS06-02-E
· SimgaWin+ 的起动及主画面显示
(1)接通伺服单元 / 变流器的电源。
(2)启动电脑的电源。
(3)双击开机画面上的 YE_Applications 文
2
件夹。
Test Run(R) - Jog(J)
CN7
电脑
YE_Applications
的画面进行试运行。
−
5-10
Page 96

5.5 通过 SigmaWin+ 进行 JOG 运行
步骤 操作 电脑画面显示
(4)双击 SigmaWin+English Edition。
显示 SigmaWin+ 的起动画面。
→
SigmaWin+
English Edition
起动画面
(5)SigmaWin+ 起动后,显示连接画面。
(注)不与伺服单元连接而操作时请使用
。
为了搜索所连接的伺服单元,请点击
2
(续)
。
(续)
连接画面
(6)显示搜索条件设定画面。
设定 ΣV (),点击 。
显示搜索中的画面后,在连接画面上显
示搜索结果。
(注)显示 Servopack not found 时,请
参照 YE_Applications-Manual-
Online Manual 中的 2.2 项
Selecting a SERVOPACK
(
)。
搜索条件设定画面
5-11
Page 97

第 5 章 试运行 (确认伺服电机动作)
步骤 操作 电脑画面显示
(7)选择所连接的伺服单元,点击
。
(将光标移到所连接的伺服单元的栏并点
击。)
进行上述操作后,显示 SigmaWin+ 的主画面。
2
(续)
· 开始试运行
(1)点击主画面菜单中的
Test Run(R) - Jog(J)
。
(续)
5-12
3
(2)显示 JOG 操作画面的注意事项。
确认注意事项后,点击 。
主画面
JOG 操作画面的注意事项
Page 98

5.5 通过 SigmaWin+ 进行 JOG 运行
步骤 操作 电脑画面显示
(3)显示 JOG 操作画面。
3
(续)
JOG 操作画面
·设定JOG 速度
电机转速设定为 500 [min
需要变更时,请点击 。
-1
]。
(续)
4
5-13
Page 99

第 5 章 试运行 (确认伺服电机动作)
步骤 操作 电脑画面显示
·伺服ON
点击 画面。
(Servo OFF 变为 Servo ON, 呈绿色亮灯)
5
·开始JOG 运行
点击 ,电机正转 ,
(续)
5-14
点击 则反转。
6
在点击之后,伺服电机旋转。
确认伺服电机是否旋转,同时注意以下几点,
检查伺服电机的状态。如果发现有异常,请采
取适当的措施。
· 是否产生异常振动?
· 是否发出异常声音?
· 温度是否异常上升?
Page 100

5.5 通过 SigmaWin+ 进行 JOG 运行
步骤 操作 电脑画面显示
·伺服OFF
点击 画面。
(画面返回步骤 4 的显示。)
7
· JOG 操作结束
8
点击 ,关闭 JOG 操作画面。
返回主画面。
有关 SigmaWin+ 的详情 , 请参照 SigmaWin+ 的在线手册。可通过以下操作参
照 SigmaWin+ 在线手册。
< 参照在线手册的方法 >
1. 启动电脑的电源。
2. 打开 YE_Applications 文件夹。
3. 打开 Manual 文件夹。
4. 打开 SigmaWin+ 英文版 Online Manual。
(续)
5-15