Page 1

Service Manual
CB TRANSCEIVER
Model JACKSON
UT-547C/D
uniden®
CORPORATION
Page 2

TABLE OF CONTENTS
A.
SPECIFICATIONS
B.
INSTALLATION
c.
GENERAL
D.
OPERATING
E.
ALIGNMENT
F.
FREQUENCIES
INFORMATION
CONTROLS
PROCEDURES
I
,.
.
)
}
G.
BLOCK
H.
SCHEMATIC
1.
El2-2108
2.
El2-2108
3.
E22-4674
4.
E32-2212 : .
I.
BILL
DIAGRAM
DIAGRAMS/WIRING
OF
MATERIAL
:
SCHEMATIC
.
.
REVISED
.
.
MAIN
PCB
WIRING
: 25
DIAGRAM/PC
DIAGRAM
PARTS
DIAGRAM
P.S
BOARD
ASSEMBLY
TOP
VIEW
Page 3

A.
SPECIFICATIONS
1.
GENERAL
!
)
Channel
and
Frequency
Crystals
Microphone
Speaker
Antenna
Connector
Jacks & Connectors
Controls
Meter
Illumination
Range
226 A Band
B Band
C Band
D Band
E Band
3
600
ohms, Dynamic Type
26.065 -26.505
26~515
26.965
27.415
27.865
8 ohms, 3 W
M Type
Mic 4P
EXT.
PA. SP
DC
Channel
SP
Power
-3.~
-3.~
-3P
Selector,
FM-All-USB-LSB, Mic
Switch
Squelch,
Band
ANL
Switch
RF
Mo~µl~tio~
& Volume,
SelectOr
Switch,
and
Output
RF
Gain,
Roger
+10
Power,
: Chanriel Number
RX,
TX
Indication
- 26.955.MHz
27.405
27.855
28.315
Mode
Selector
Gain,
ON/OFF
Coarse,
A-B-C-D-E,
Beep.Switch,
kHz
- Normal
Signal
Indication
(LED),
MHz
MHz
MHz
MHz
ON/OFF
PA
Switch
Fine,
Noise
Switch
Strength
(LED)
Meter
Power
&
Blanker/
S/RF-Mod
and
Lamp
.)
Size
Weight
Accessories
2.
MEASUREMENT
a)
Power
b)
Antenna
c)
Test
d)
AM
Modulation
e)
FM
Modulation
:f)
SSB
Tone
g)
Mean
Re:ference
h)
Percentage
CONDITIONS
Source
Impedance
Temperature
Modulation
Signal
Input
AM
Frequency
Frequency
Frequency,
Level
Modulation
Two
7.784"(W) X 2.36"(H) X 11.22"(D)
5
Pounds
DC
Power
Microphone
:
13.8 V (DC)
(2.2
Cable
and
kgs)
with
Built-in
Microphone
50 ohms
25
~
1 kHz
1
kHz
500
Hz
$
1.000
1
kHz
2.400
uV
30%
Hz
Fuse,
Hanger
Page 4

i)
Reference
j)
Reference
FM
Deviation
Audio
Output
Power
:
1.5.
kHz
0.5
w
k)
Audio
1)
Audio
3.
TRANSMITTER
a)
Frequency
at
b)
Carrier
c)
PEP
d)
Spurious
Frequency
Output
25 ~ (5
Power
Power,
& Harmonic
Load 8 ohms
Tolerance
Minutes
Two
Tone,
after
SSB
Emission
Switch
on)
)
e)
Carrier
f)
Unwanted
Suppression
(at·2.500
toneF
g)
Battery
at
no
h)
Battery
Am : MAX
SSB:
FM
:
Suppression
Sideband
Hz
4
· ·
Drain
Modulation
Drain
Modulation
MAX
Wpep,
MAX
Modulation
Wpep
Two
l6
Tone
dB
Single
1 kHz
UNIT
AM
Hz
SSB
FM
Hz
AM
W
FM
W
Wpep
AM
dB
SSB
FM
dB
SSB
dB
SSB
dB
AMmA
SSB
mA
· FM-mA
mA
mA
mA
Hz
dB
Resistive
NOMINAL
±
300
±
300
±
300
10.0
10.0
21.0
-50
-50
-50
-55
-50
3.000
800
3.eoo
3.000
3.000
3.000
LIMIT
±
1.500
±
1.500
±
1.500
8.0 -14.0
8.0 -14.0
18.0 -26.0
-40
-40
-40
-40
-40
4.500
1.?QO
4-;500'
4.500
4.500
4.500
)
i)
Modulation
(1
Lower
Lower
j)
Microphone
AM
SSB:·For
FM
k)
AMC
AM
SSB:
kHz,
OdB
at
450
at
2.5
:
For
50%
10
:
For
1 kHz
Range
:
50 -100%
Frequ~ncy
reference)
Hz
kHz
Sensitivity
Modulation
Wpep·Outpilt
Deviation
Modulation
Response
AM
SSB
FM
AM
SSB
FM
dB
dB
dB
dB
dB
dB
mV
mV
mV
dB
dB
-4
-4
-4
-4
-4
-4
1.0
1.0
1.0
50
50
-10
-10
-10
-10
-10
-10
2.0
2.0
2.0
40
40
Page 5

4.
RECEIVER
a)
b)
(AHL/NB
Max
Sensitivity
Sensitivity
FM
: 20dB
f'or
S/N
Switch
lOdB S/N
off')
UNIT
AM
uV
SSB
AM
uV
SSB
FM
uV
uV
uV
NOMINAL
Q.5
0.25
0.5
0.25
0.5
LIMIT
--
2.0
1.0
2.0
1.0
3.0
)
c)
d}
Lower
e}
Adjacent
f}
Maximum
g}
Audio
h}
RF
AGC
Figure
for
lOdB
Output
Overall
at
6d.B
Upper
(10
kHz 1
Gain
of'
change
Audio
down
Frequency
Frequency
Channel
GEN}
Audio
Output
Power
Control
50
Merit,
in
mV
Audio
Fidelity
Selectivity
OUtput Power
at
10%
Range
THD
AM
dB
SSB
AMHz
SSB
FM
Hz
AM
Hz
SSB
FM
Hz
AM
dB
AM
W
SSB
FM
W
AM
W
SSB
FM
W
AM
dB
SSB
FM
dB
dB
Hz
Hz
W
W
dB
80
80
2.000
3.000
2.500
300
300
300
70
4.0
4.0
4.0
2.5
2.5
2.5
55
55
55
70
70
1.500 -3.000
2.000 -4.500
1.500 -4.000
100 -500
-
-
500
500
100
100
60
3.0
3.0
3.0
2.0
2.0
2.0
30 -70
30 -70
30 -70
)
i)
S/N
j)
Squelch
k)
Squelch
1)
S
at
m)
Image
n)
IF
o)
Oscillator
Ratio
Sensitivity
Sensitivity
Meter
Sensitivity
"S-9"
Rejection
Rejection
at
1mV
(No
Modulation)
Ratio
Dropout
Input
Ratio
Voltage
at
Threshold
at
Tight
AM
dB
FM
dB
AM
uV
SSB
uV
FM
uV-
AM
uV
SSB
uV
FM
uV
AM
uV
SSB
uV
FM
uV
AM
dB
SSB
dB
FM
dB
AM
dB
SSB
dB
FM
dB
AM
V 9
SSB
V
FM
V
30
35
0.5
0.5
0.5
1.000
1.000
1.000
100
100
100
65
65
65
85
85
85
9
9
25
25
2.0
2.0
2.0
250 -4.000
250 -4.000
250 -4.000
25 -400
25 -400
25 -400
50
50
50
70
70
70
11
11
11
Page 6

I
)
p)
q)
r)
5.
PUBLIC
a)
NOTE
1)
Shall
grounding
Battery
Battery
Audio
Output
Clarifier
ADDRESS
Output
at
.10%
have
Drain
Drain
at
at
Range
Power
Distortion
reverse
No
Signal
Max.
polarity
protection
UNIT
AM
mA
SSB
mB
FM
mA
AM
mA
SSB
mA
FM
mA
AM
kHz
SSB
kHz
FM
kHz ±
w
and
operable
NOMINAL
500
500
500
1.000
1.000
LIMIT
800
800
800
1.500
1.500
1.000 1.500
±
±
2.5
7.0
7.0
7.0
with
positive
More
More
More
2
of
than
±
5.0
than ± 5.0
than ± 5.0
negative
2)
Operating
Power
Voltage
: 13.SV +
15 -20%
DC
)
Page 7

B.
INSTALLATION
1.
LOCATION
I
Plan
before
convenient
driver
transceiver
microphone
2.
MOUNTING
This
The
supplied,
The
mounting
follows
a)
After
your
the
location
starting
for
or
passenger
is
bracket
AND
radio
is
transceiver
permitting
bracket
must
surface
to
mount
you
vehicle,
of
the
the
installation.
operation
in
usually
mounted
beside
CONNECTION
supplied
is
with a universal
held
adjustment
be
mounted
must
be
the
transceiver
have
determined
hold
the
transceiver
and
does
the
vehicle.
to
it.
in
the
bracket
with
mechanically
the
radio
not
the
to
the
:
most
with
and
Select
interfere
In
automobiles,
dash
mounting
by
the
most
screws
strong.
convenient
the
microphone
a
location
with
panel
with
bracket.
the
four
convenient
supplied.
Proceed
location
mounting
bracket
that
the
the
the
thumb
angle.
The
as
bracket
is
screws.
in
in
the
mounting
bracket
the
~e
the
and
b)
Connect
on
type
rear
c)
.Connect
DC.
rear
ly
switch.
exact
it
thumb
bracket
sure
mounting
then
install
the
the
rear
PL-259
panel.
the
This
panel.
obtained
This
location
in
the
desired.
desired
screws
as a template.
nothing
will
screws.
the
antenna
panel.
plug
which
DC
power
wire
extends
ln
automobile
from
the
prevents
and
mark
interfere
Drill
radio.
cable
Most
plug
CB
mates
input
wire
from a plug
installations,
accessory
the
set
If
nothing
position,
the
Before
with
the
holes
to
antennas
with
with
contact
being
interferes
remove
mounting
drilling
the
and
the
standard
are
the
receptacle
the
which
connects
on
left
the
~unting
holes
the
using
holes,
installation
mount
the
receptacle
terminated
on
fuse
(red)
+12V
the
on
DC
ignition
accidentally
with
bracket
with
the
to
to
the
is
usual-
of
a
+12V
when
the
the
radio
driver
without
leaves
the
the
engine
car
and
running.
also
permits
You
can
operating
locate
the
Page 8

I
)
accessory
power
d)
Connect
chassis
electrical
Note : See
e)
Mount
the
wire
more
the
unit,
contact
from
the
black
of
the
car.
contact
ground
detail.
microphone
using
on
most
the
AM
wire
Any
may
connection
hanger
the
screws
ignition
broadcast
to
ground.
convenient
be
used.
under
on
supplied.
switches
receiver
This
(remove
GENERAL
the
side
is
location
paint).
of
by
tracing
in
the
car.
usually
with
INFORMATION
the
unit
the
good
or
the
for
near
)
Page 9

C.
GENERAL
1.
INFORMATION
GROUND
CONNECTION
This
positive
a)
b)
2.
ANTENNA
This
antenna.
you
radio
ground
Negative
radio
to
venient
or
vehicle
Positive
tem,
tive
connect
or
connect
or
(+)
radio
use
good
may
ground
the
point,
frame
ground
(-)
the
battery
is
designed
Best
result
antenna
be
installed
system
vehicle.
system : Connect
positive
and
connect
or
(-)
or
system : In
the
Black
battery
Red
terminal
power
lead
terminal.
to
will
and
properly
and
(+)
the
battery
the
power
to
operate
be
obtained
used
the
battery
Black
terminal.
cases
lead
or
other
the
into
install
in
any
Red power
terminal
power
of
from
convenient
chassis
a
50
:from
your
12V
lead
positive
the
radio
or
ohm
your
DC
negative
lead
or
other
to
ground
to
point,
vehicle
CITIZENS
transceiver
antenna.
:from
the
the
frame
or
the
conchassis
sys~
negaand
RADIO
if
(Refer
)
to
the
antenna
tenna.)
A
vertically
the
most
ded-type
for
applications
quired.
blems
When
of
installed
efficiently
for
marine
Mobile
ground
whip
plane.
slightly
For
all
practical
directional.
installation
polarized
reliable
whip
antennas
where
Also,
height
the
imposed
in a boat,
when
the
applications.
antennas
When
directional,
A
slight
quarter-wavelength
operation
are
the
loaded
by
antenna
utilize
mounted
in
the
purposes,
directional
instructions
and
greater
more
attractive,
maximum
whip
the
antennas
the
full
transceiver
used
the
metal
on a corner
direction
however,
included
whip
antenna
range.
compact
possible
do
distance
not
present
quarter-wavelength
will
operate
has
been
the
especially
body
of
the
of
the
radiation
of
body
the
vehicle,
characteristic
w~th
The
of
pattern
will
your
provides
shorter
and
adequate
is
not
the
whip.
most
designed
vehicle
they
the
be
an-
loa-
re-
pro-
as
a
are
vehicle.
is
non-
observed
only
at
extreme
distances.
A
standard
antenna
connector
(Type
Page 10

S0-239)
is
provided
on
the
transceiver
for
easy
connection
to
a
)
standard
Before
f'or
vention
3.
BASE
To
lar
rate
put
Simply
to
NOTE
PL-259
installing
information
of'
electrolysis
STATION
operate
house
power
OPERATION
the
current
supply
with a nominal
connect
the
corresponding
Do
not
attempt
directly
the
transceiver
Band beam,
cable
termination.
the
transceiver
regarding
transceiver
as
the
capable
input
the
red
(+}
DC
to
to
220V
dipole;·ground
an
adequate
between
from
power
of'
supplying
voltage
and
terminals
operate
AC.
When
for
base
in a boat,
fittings
your
source,
of'
220
black
of'
this
an
AC
station
plane
grounding
in
the
home
you
or
will
5 amps
volts
(-}
leads
the
power
transceiver
power
operation
or
vertical·antenna
consult
system
hull
of'f'ice,
require
at
a 13.SV'DC
AC,
50/60
to
the
supply.
by
supply
your
and
and
water.
using
a
Hz.
transceiver
connecting
is
used
any
Citizens
dealer
pre-
regu-
sepa-
out-
with
may
be
}
4.
REMOTE
The
f'or
8 ohms
internal
5.
PUBLIC
An
external
SPKR)
as a public
from
paration
when
6.
OPERATING
used. A ground
most
uniform
SPEAKER
external
remote
speaker
receiver
impedance.
speaker
ADDRESS
8
ohm
jack
located
address
the
microphone
or
isolation
operating
INSTRUCTIONS
the
plane
horizontal
jack
monitoring.
When
is
the
disconnected.
4-watt
on
the
system.
to
prevent
of'
PA
at
vertical
(EXT.
external
speaker
rear
The
the
microphone
high
output
antenna
coverage.
SPKR)
The
on
external
speaker
must
be
panel
when
speaker
accoustic
levels.
will
the
rear
speaker
is
connected
the
transceiver
should
feedback.
and
speaker
provide
panel
plugged
to
be
directed
Physical
is
the·
is
used
should
in,
the
the
(PA
is
away
important
have
used
se-
The
JACKSON
channels
When
you
operates
and
226
receive
on
Lower
the
SSB
226
Side
signal
AM/FM
Band
channels.
in
channels,
the
proper
226
mode
Upper
(USB
Side
or
Band
I.SB),
Page 11

I
)
audio
ting
cy
equipped
slightly
tone.
as
sound
that
the
may
be
either
your
transmitter
with a Clari:fier.
change
receiver
the
:frequency
to
too
may
which
not
By
o:f
high
be
it
tuning
the
pitched
tuned
is
listening.
the
receiver,
or
low
to
the
Clari:fier.
so
pitched.
exact
The
you
indica-
same
JACKSON
you
get a normal
:frequen-
is
can
)
Page 12

D.
OPERATING
Your
the
1.
OFF/ON
CONTROLS
JACKSON,
following
VOLUME
designed
operating
: To
for
controls
turn
ease
the
transceiver
of
operation,
:
on,
is
provided
rotate
the
with
control
clockwise
control
wise
2.
SQUELCH
which
sent.
the
the
sound
hear
control
heard.
3.
P.A.
tion
function
nected.
past
click.
counterclockwise
for a comfortable
: The
eliminates
With
squelch
speaker
:from
weak
squelch
the·
control
is
cut
the
speaker
signals,
undesired
audio
counterclockwise,
SWITCH
of
the
should
In
(on
SQUELCH)
squelch
not
the
squelch
To
past
audio
control
adjusted
clockwise
off.
In
until
it
may
CONTROL : Full
control
be
used
(or
turn
the
click.
level.
is
normally
background
to a satisfactory
to
the
this
position,
a
signal
be
necessary
allowing
engages
unless
CB)
position,
transceiver
Rotate
set
noise
point
is
received.
to
rotate
some
background
counterclockwise
the
PA
:function.
an
external
the
off,
the
control
to a position
with
no
level,
where
there
the
will
the
speak~r
PA
function
rotate
signal
sound
be
In
squelch
noise
The
clock-
rotate
no
order
to
rota-
PA
is
conis
the
pre-
from
to
be
)
disabled
channel.
4.
MODE
of
both
tor
5.
MIKE
phone
transmit.
have
lation
gain
President's
assure
and
SELECTION
operation.
transmitter
to
the
GAIN : This
input
been
designed
up
to
control,
maximum
the
radio
mode
:dThis
This
and
on
switch
selector
receiver
which
control
sensitivity
President
Electronics
to
permit
100 % depending
using
automatic
the
compression
modulation
will
transmit
selects
changes
simultaneously.
you
wish
is
used
for
optimum amount
the
on
microphone
with
minimum
to
to
adjust,
citizen's
user
the
setting
provided
and
and
receive
FM,
mode
USB,
of
AM,
the
Set
communicate.
as
required,
of
modulation
band
to
attain
of
the
with
peak
limiting
distortion.
on
the
selected
or
LSB
more
operation
the
selec-
micro-
in
transceivers
levels
of
microphone
the
unit.
circuits
of
modu-
Page 13

6.
RF
GAIN : This
in
strong
signal
control
areas.
is
used
Gain
primarily
is
reduced
to
optimize
by
counterclockwise
reception
rota-
tion
7.
CLARIFIER
position.
receiver
frequency,
the
ture
for
meter
effective
channel
as
8.
METER
S/RF
when
of
the
operation.
receiver
under
a more
readable
reading
application
interference
required,
MODE
Posi
SWITCH
t~n
transmitting,
control.
The
clarifier
This
this
feature
control
frequency.
these
when
to
obtain
-:
Meter
has
First,
can
conditions
signal
the
clarifier
of
this
from
minimum
:
indicates
input
signal
control
several
if a received
be
operated
The
effectiveness
can.be
at
the
control
control
strong
signals.
adjacent
relative
strength
is
normally
uses
observed
speaker
is
set
and
can
signal
as
required
of
this
either
or
by
is
operated.
in
eliminating
Operate
channel
transmitter
when
receiving.
to
the
center
greatly
is
slightly
to
enhance
optimize
clarifier
by
li~tening
noting
the
Another
adjacent
this
control,
interference.
output
off
fea-
S-
power
)
MOD
Position
9.
NB/ANL
matic
Noise
taneously.
10. + lOKHZ
position,
a
channel
11.
12.
BAND
CHANNEL
SWITCH : This
:
Meter
SWITCH : When
Limiter
FREQUENCY
SHIFT
frequency
can
be
used
Normal
3
7
11
15
19
SELECTOR : This
indicates
switch
and
the
SWITCH : When
is
shifted
by
setting
+
10
3A
7A
llA
15A
19A
switch
is
switch
is
RF
KHz
used
average
placed
Noise
lOKHz
this
to
is
used
percentage
in
NB/ANL
Blanker
switch
up.
On
switch
select
to
select
of
modulation.
position,
are
activated
is
placed
following
to + lOKHz
the
band
any
the
simul-
in + lOKHz
channels,
position.
of
frequency.
one
of
the
Auto-
40
Citizens
Band
communications
channels.
involving
Channel 9 has
immediate
safety
been
of
reserved
life
of
for
emergency
individuals
or
Page 14

13.
immediate
ROGER
BEEP
protection
SWITCH : When
of
property.
this
switch
is
placed
in
the
ROGER
BEEP
)
position,
the
end
of
transmission
your:
your
is
·radio
transmission.
over
automatically
through
the
The
sign.
transmits
listener
the
can
audio
easily
sign
note
at
your
)
Page 15

)
E •
ALIGNMENT
1.
PROCEDURES
ALIGNMENT
a)
Test
-
-
-
-
b)
Alignment
Equipment
Oscilloscope
DC
Power
Frequency
DC
Voltmeter
OF
PLL & CARRIER
Required
Supply
Counter
Procedure
OSCILLATOR
(13.BV)
(0 -50MHz)
!
PORTION
)
STEP
1
2
3
4
5
PRESET
TO
Channel : 40
Mode : AM,
Clari
:
Center
RX.
Band : E
PA/CB : CB
Same
as
above
except
BAND
: C
Channel : 19
Mode : AM.FM,
Same
Same
as
as
above
Step
except
Mode : USB,
Same
as
RX
Step
except
Mode : LSB,
RX
2
4
ADJUSTMENT
L12
L13
RX
L14
L15
L16
REMARKS
Connect
Atijust
Co~inn
:for
Connect
Adjust
:for
Connect
Adjust
:for
Counter.
Connect
Adjust
:for
Counter.
Connect
Adjust
for
Counter.
DC
Voltmeter
6~0V
±()
2V
to
A Band
Oscilloscope
maximum
Frequency
to
.•
1v
Channel
to
reading
Counter
16.490Mhz ± 20Hz
Frequency
Counter
16.4925MHz ± 20Hz
Frequency
Counter
16.4875MHz ±20Hz
on
TP-2
DC
TP-3
on
to
on
to
to
on
(R122).
Voltmeter.
1.
(R73).
Oscilloscope.
TP-3
TP-3
on
TP-3
(R73).
the
Frequency
(R73).
the
(R73).
the
Frequency
Frequency
as
6
Same
above
L24
Connect
Adjust
Frequency
10.6975MHz ±20Hz
f'or
counter
to
TP-4
on
(R104).
the
Frequency
Counter.
Page 16

STEP
PRESET
TO
ADJUSTMENT
REMARKS
)
7 Same
8
Same
except
Mode
c)
as
as
:
Test
Step
Step
AM.
4
4
TX
Equipment
L23
L22
Connection
Connect
Adjust
counter.
Connect
Adjust
counter.
(see
following
Frequency
for
10.6925MHz ± 20Hz
Frequency
for
10.695MHz ± 20Hz
counter
counter
page)
to
to
TP-4
on
TP-5
on
(R104).
the
(R82).
the
Frequency
Frequency
)
Page 17

PTT
TRANSCEIVER
MIC
JACK ANT
~J
500
LOAD 8 ATT.
.
._.,,.
DC
POWER
SUPPLY
--
~B
PROSE
OSCILLOSCOPE
-0
0
EJ
GND
DC
VOLT
E1J
METER
FREQ.
COUNT
Page 18

)
L13
ALIGNMENT
-0
POINTS
TP3
R73
D
)
TP2
R122
I
L12
D
0-
L16
DbJDL2
L14
OQD
TP5
R92
4 L22
TP4
o-R104
Page 19

)
2.
ALIGNMENT
a)
Test
-
-
-
-
-
-
- Harmonic
-
-
b)°
Alignment
OF
TRANSMITTER
Equipment
AF
Signal
AF
Signal
AF
VTVM
RF
VTVM
RF
Powermeter
50
ohm
Generator
Generator
(150mV
(50V
Dummy Load
Oscilloscope
Meter
DC
Volbneter
DC
Ammeter
Procedure
Required
full
:full
(lOW
(150mA
PORTION
(1)
(2)
scale)
scale)
Max.
.full
for
500Hz
for
2.400Hz
Thruline
scale)
and
type)
1.000Hz
-.,
.)
STEP
1
2
3
4
5
PRESET
TO
Channel : 19
Band : c
:
Mode
No
MIC
PA/CB :
Same
USB,
Modulation
GAIH
as
:
CB
Step
cw
Mode : USB
Same
Same
as
as
above
above
_TX.
1
ADJUSTMENT
VRlO
-:
VR9
IA2
'"
L41,43,49
L42
Disconnect
Main
P.C.Board
TP-8(+),
Ammeter.
Connect
Adjust
DC
VR9
Disconnect
Connect
PC-834AA
P.C.Board.
and
Oscilloscope.
Turn
the
bottom.
Adjust
While
by
Set
reading
for
coils
then,
adjusting
E Band
and
minimum di.f.f
40.
the
and
TP-6(-).
~eter
to
obtain
the
DC
Connect
Cor
of
for
keep
SG.
Channel
then
REMARKS
PC-834AA
connect
Adjust
to
TP-8(+),
the·
Ammeter.
to
Check
power
Set
L42
CW
maximum
the
output
40,
set
A
erence
from
Check
DC
for
current
Point
meter,
VR8
CW
maximum
indication.
voltage
adjust
B~d
Channel
from
E Band
Point
Ammeter
50mA
on
TP-7(-).
80mA.
of
Main
RF-VTVM
maximum.
at
the
under
for
maximum
1,
Channel
of
to
DC
25V
adjust
the
L30
to
19
:
:
:
E
USB
6
Channel
Band
Mode
L30
Adjust
on
the
RF
obtain
VTVM.
maximum
indication
2 Tone
SG
30mV
:
AF
Page 20

STEP
PRESET
TO
ADJUSTMENT
REMARKS
)
7
8
9
10
11
12
same
as
Same
Mode
No
as
:
AM,
Modulation
Channel
Band : E
Same
as
except
Push
Same
SW
as
except
AF
SG
:
Same
as
except
mode :
FM
above
Step
TX.
:
19
above
: S/RF
above
30mV
lKHz
above
1
Mod.
VR8
VR5
VRll
·VR7
\fR12
VR4
Adjust
the
Adjust
leakage
Adjust
lOW
AdJUSt
blank
AdJUS-C
VR3
RF
VTVM.
VR5
VRll
on
RF
:ror
zone
v.tU.~
between
modulation.
Connect
Deviation·meter.
Deviation
'tO
obtain
to
obtain
USB
to
obtain
Power
-cne
of
. .
on
meter.
neecµe
TX
Power
-co
obtain
Deviation
RF
the
and
RF
of
~
output
minimum
LSB.
carrier
B1J.t
Meter.
\negative}
Adjust
meter.
of
.
1n
.:><:::.4v
carrier
power
Me-cer
for
3kHz
on
of
UJ
)
13
14
Channel
Band : C
Push
SW : MOD
Channel
Band : . C
No
Modulation
Mode
c)
:
Test
AM
:
19
19
:
Equipment
VR3
VR6
Connection
Set
AF
Adjust
on
the
Adjust
± lOOHz.
(see
following
SG
to_50%
VR3
to
100%
transceiver
Transmitter
page)
Modu1ation,
mudulation
meter.
Frequency
then
add
indication
for
27
.185MHz
16dB.
Page 21

0
0
0
I I
I I I I
I L--
l_
-----,
i-
I r----------- '
I I
l I
I I
I
I
I
I
I
I
__
J · I -
-----------:-1
--"-~--
----------------
r-----------------. :
t I l
·:::
I I
I
l-
I,------------------,
I I I
I
l_
lil
I@
~
~---...J
------------
---1
--------------:i
I
I
.
..._,,
Page 22

"-"'
."-"".
SIGNAL
~
GENERATOR
0 0
TRANSCEIVER
ANT EXT
SPKR
DC
POWER
SUPPLY
~EJ
13.SV
-----,
I
I
I
I
: : I :
:k
,L:---
AF
VTVM
1~1
lj
1 •
__
J L_
---------
DC
___
VOLT
[2J
-
""
-0
OSCILLOSCOPE
-~
~,
_,
'
I
J·L---Cl
--
I ,
METER
80
RESISTOR
....
Page 23

I
)
ALIGNMENT
L6
L7
POINTS
D
D
L5
D
o-n2
L3
TPl
VRl
VR2
Oo
)
L9
D
D
L4
Page 24

3.
ALIGNMENT
a)
Test
-
-
-
-
b)
Alignment
Connect
alignment
OF
RECEIVER
Equipment
RF
SSG
DC
Voltmeter
AF
VTVM
Oscilloscope
Procedure
the
AF
of
PORTION
Required
VTVM
receiver
and 8 ohm
portion.
dummy
load
to
EXT
SP
Jack
during
the
)
)
STEP
1
2
3
4
5
PRESET
Channel
TO
:
19
Band : C
NB/ANL : OFF
MOD,
S/RF : S/RF
PA/SQL : SQL
Clari : Center
RF
GAIN : CW
AF
VOL : CW
MODE : AM
Same
as
above
as
as
as
above
above
above
Same
Same
Same
ADJUSTMENT
L6
L5,
7,
8
9
'
L6
VR1
REMARKS
::>et u SG
to
"1Qdulation.
Turn
the
core
bottom.
the
the
set
the
Unit
for
unit
1),
1/4
SSG
Adjust
Set
coils
..
Set
Channel
then
Set
lation.
transceiver's
•
..
of
to
C Band
maximum
to
C
adjust
turn
to
lOOuV
VRl
meter.
e.l
l!:f
L8
to
reading.
B~d
for
CCW.
output
obtain
to
Wl.Ul
CW.
Channel
&r.f>,
maximum
19
.I.KHZ
AM,
Channel 1 AM
maximum
with
reading
no-modu-
"S-9"
at
(SSG
on
the
adjust
and
7
8
6
Same
Same
as
as
above
step
except
MODE : USB
Same
as
Step
except
Mode : FM
turn
comes
Channel
output
FM
lKHz,
off
up
to
reading.
the
VR2
Adjust
when
1
L3
Set
modulation,
Connect
adjust
1
L4
Set
Adjust
on
VR2
to
SSG
output
SSG
to
C Band
and
Oscilloscope
for
maximum
the
SSG
to
L4
to
obtain
Oscilloscope.
squelch
the
to
lOOOuV.
18
level
TP-1
l.5KHz
maximum
USB
is
(D2)
circuit
with
no-
5uV.
so
that
Deviation
indication
lmv
Page 25

ALIGNMENT
POINTS
°CJ
VRlO
)
0
L40 L41
DO
BIAS
VR9
OL30
OTP?
O
TP6
DO
TP8
VR4
DEV
VR7
OoO
VR12
AMC
VR9
a
AM
PWR
VR3
MOD.M
0
)
0
VR5
CARRIER
D
VR6
TX. FREQ.
0
Page 26

F.
FREQUENCIES
CHANNEL
A
BAND
MHZ
B
BAND
MHZ
C
BAND
MHZ
D
BAND
MHZ
E
BAND
MHZ
I
)
)
.
1
2
3
4
5
6
7
8
9
10
11
12
13
14
15
16
17
18
19
20
21
22
23
24
25
26
27
28
29
30
31.
32
33
34
35
36
37
38
39
40
·~
26.065
.075
.085
.105 .555
.115
.125
.135
.155
.165
.175
.185
.205
.215
.225
.235
.255
.265
.275
.285
.305
.315
.325
.355
.335
.345
.365
.375
.385
.395
.405
1.
.415
.425
.435
.445
.455
.465
.475
.485
.495
.505
26.515
.525
.535
.565
.575
.585
.605
.615
.625
.635
.655
.665
.675
.685
.705
.715
.725
.735
.755
.765
.775
.805
.785
.795
.815
.825
.835
.845
.855
.865
.875
.885
.895
.905
.915
.925
.935
.945
.955
26.965
.975
.985
27.005
.015
.025
.033
.055
.065
.075
.085
.105
.115
.125
.135
.155
.165
.175
•
185
.205
.215
.225
.255
.235
.245
.265
.275
.285
.295
.305.
.315
.325
.335
.345
.355
w365
.375
.385
.395
.405
27.415
.425
.435
.455
.465
.475
.485
.505
.515
.525
.535
.555
.565
.575
.585
.605
.615
.625
.635
.655
.•
665
.675
.705
.685
.695
.715
.725
.735
.745
.755
.765
.775
.785
.795
.805
.815
.825
.835
.845
.855
27.865
.875
.885
.905
.915
.925
.935
-~55
.965
.975
.985
28.005
.015
.025
.035
.055
.065
.075
.
.085
.105
.115
.125
.155
.135
.145
.165
.175
.185
.195
.205
.215
.225
.235
.245
.250
.265
.275
.285
.295
.305
Page 27

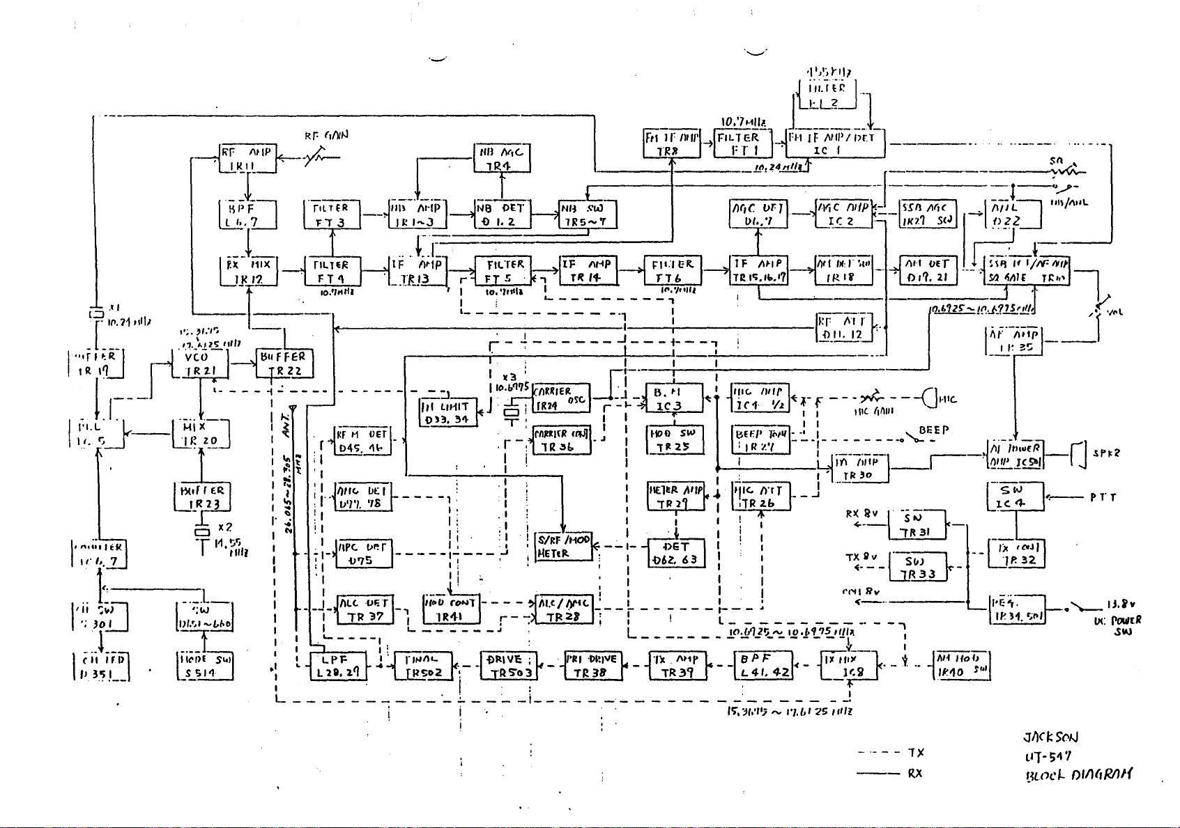
G.
BLOCK
DIAGRAM
--
)
Page 28

__jR"f.
l_!_K_I
M
IP
~
..__,·
·-·
·I',•;
I'•
11
l~i~~~--
J
IO.']t.111,.
R
r:
f1/l/N
•·
..{;.__
,
/"'"
r .
tlU
1R4
MC-
1 _
Fri
Ir
n111·J~lr.11.
HJ
TER-
Fl
I
_ll7,Z4..!1lf.d"
______
FM
J F NIP I m:r
IC
I
J_
----·
"'4
t.::J
·
r·
- ---
1 ·:·;
',;_']
.
1
I
:>
L;,
..
_0
,..,;;,I
'
I
']fj,7
I
II
';")
·;
30
I
;:
}iri>l
,,
3.'?
I
.ti
lfl.
7111111
t•;.
.•.'1._'-ll..~-'"''
rl
___ ] .._
I
. L
___
I
·~~
L!.!:...
tK
___
I
-'--'
'!!,r,1-i.1io
l
st;
t
l;J
, F riL
.?
lE
_J~
)(
111)(
lj(.J?.
~
.__
___
, ,,
('·''
~~l!
,(z
.Ld
, .
..,
.J:~
lt'l>E
I
'1
----
__
t
]~·:
l-----1.:.
J :
0
$Id
___
TER
'Fi3
flLTER
FT'\
10.•111111
. I :
~
_____
I lfl1
I
~
~ . 1~F-H--ve-r
...
. r
~~
::
1
..
~
i
~,I
~
I I I • . I ! I I -:---+
-4'
\
1
""
·
. 1 11Pc.
·";-I-
: I
I
I
_,_J_
I
I
I
.'-----,
I
' t
•
1
I . I . : '
L - - - - - - - - - -
LPF
Llll,2'1
__J
--.
____
llll
f\l·IP NS i>£T
1i:1-J
..
J~-.L
IF
11~1p
.
_Jj:.J3
------....=..:.i
lJ
0
I-
04S.
"~
/ltll..
IJt:
o'l'l.'18
/\LC.
I - - - - ;
tJr:r 1 ! · ·
-0'7S
·l>F.T
TR
"37
n.
-----·~---.-'
·--
-,
I r -
l-------"'
1!
.!
'Jf»ji\1_
LtEE1>2
' i
-{---
-0
1.2
~·
FILTER
r F 5 . ,
' I 10. •1u•l1 I
•--...;_
LU11T
!M·
- - - - - - -
• 1
i:---""'."
I i
110~~.,s_ni111u
j · •
D I I I I
·
~:
'r
NH
SIA)
ns-'1
IF
fl(,...
'---------,
- - - - - -
~
/\I-IP
-·1
n•.H:R.
I I
..J
- - -
_[1----
TTb
I"·
'/rolll , .
I
i---;
,--
J_~.~'
fR24
o~c.
r -
~
lC
.3
r11~1rR
1ml
. J I
:
1R
31:.
!Moo
I _lit
2,
I .
~:
sw
, I ! I I
ml
1
I:
I'
Ii
1
! - ' I I I
l :
I'
I I I I I
1
'
-
~
! sti:F
/HOO
I
METlll
. : I I I
/11.(/ ft'H.
-:
TR
_;_ 1--:PeT
: I
I I . I I
~
- - L - - - - - -
21
; : ! L
. L
r·-
·-
.i..
~
-i>RIVc ; -
- -
.
A'>o3
:....
- i - - - - -
'RI
·l>l?IVE
TR38
-·
MEll!./t
/lllP
63
N1p
l
I I
1
I I
:-
-
I
"fill
I
- - - - - - - - - - - - - - J
-~
-t>62
_______
- ·1x.
TR3'l
I
nr,c
t>fl
1>1
••
·1
I
!
i1'1c.
1111r
IC'
1·
-B-H-:t-•
: I
10.'/
l~IC.
/nT
1lR2.b
1
1
I
1:---f
-.
fVi
c
MPp:._lsso
rci
---
/)II
llH
.....
II.
f\J r
12
_-_·_·-
-·
..
.
(f?.li
,---·1'
J:r
-0
---·
/Iii(
l_pa1
'"'
•
1>1'1.
______
Jn,t.1Z~-l!'.&'?7S'.!!J'
_
scJ
{)Er
21
-;.I""
t>z2__j
~:___~-
.JJ
~~~'
·1Sl.2
li.1'1£
__,
•
-·----
l/\f
11:
--
~ _ ---~---(],
'Ii.
~
-11>111:.
__
f ·
tfl(
ft/1111
~
_:
________
I ·---·--
H'fl~
J
30
..
J!
b"
"··
T~-S~
__
.. -----..
-
!"SWl.
l·I
c.
~E_E
0
P
r-
-·l/11
·
[.SW
-
··--·
/l>u•£Pl
1~1c~J
i.c:4
·~
t-:.~-
lt
/lttpj
l.J..R-2.Lf
1'1'11
1lv
•
.'!l\'-
"I__
L_ir.SI
2S
1flll
<--··
••
__
. -
1
I
I
L.
- - !
_________
l.0:!.111'>_"!.•.!!·1'!..?~
-[~< -JiTii~y
-~
1
I~,
J/,'1
;,....
l'J,(,I
---
-l/IH
/fofJ
.11:10
+
.!'••>
1/N=
:!!!:
_
''"'""L
!Vt/'
ri:11• l
---
__
I]
I'---
·
.~tJ.h
v
,,•
'/"l
J
.Sf't-~
.
PTT
lit: l'ollld
.S.-J
---
T
)(
RX
J /)(
t:
Lq-!;4
HL0<.'1-
S'l'l.J
'/
()l/lfrR/11{
Page 29

I
H.
SCHEMATIC
DIAGRAMS/WIRING
DIAGRAM/PC
BOARDS
)
)
Page 30

SIEGE
PAeS~csnr
ELECTRONICS
S.A
CAPITAL
20.000.000
F.F.
•SIREN
SETE:
315
EUROPE
230
490
Route
34540
Telex
SOCIAL
de
SETE
BALARUC
: 490534F •
·BP
·Tel
Fax
100
: 67.46.27.27
: 67.48.48.49
SUCCURSALE
50/56,
Rue
n34o
PONTAULT-
161: (1) 60.29.28.27
du
•ILE
Pr6
des
OE
FRANCE•
Aulnes • Pare
COMBAUL
·Fax:
(1)
d'actlvlt6s
T
60.28.44.00
des
Arpents
BRANCHEMENT
N°BROCHES
1
2
3
4
s
6
I
l..O
I
~~~~~~~------------
13,2V
PRISE MICRO 6 BROCHES
DESIGNATION
Modulation
RX
TX
Non
Masse
Alimentation
CABLES
connect~e
NC
518
MC
BRANCHEMENT PRISE
MICRO
4 BROCHES
N°BROCHES DESIGNATION CABLES
1
2
3
4
p
Masse
Modulation
TX
RX
'~ix
NC
llC
514
ATTENTION
BIEN
VERIFIER LE
BRANCHEMENT
DE
LA
BROCHE 6
Page 31

----r
@
..
..
.
.,
0
J505
0
N N DC POWER
N N
.
.
.,
..
0 0
> >
N
11:1
ii:
TR502
MR1'477
D501
MVl·Y
)'!":-
:'S~'je'
•
'!":l
r::::i'!. -!.. r
-··
--~-·.:·:.:1-.1~
SPSOI
.
·.
..
.
'
'
-.4f,
..
.,,,,
•~
u
'·~?·
_'"1.1'
SPEAKER
;
'P?•_1
~
/
__
-~ ~ r~
~7'J~
~
/
~
7efi;=;
1'ttSOS
1()01
tRSO•
1'_-
,_!!SO!__
't0~~
0502
_-YO
>O>
YT"1
!!~~._YYOIP
B401
PC-266'
MIC JACK
BOTTOM VIEW
..
0
..
.
.,
_,
"
•
0
-
...
~I
......
...
..;
W41
W4Z
W43
.,
~I
I
..
o'
!'
;
PNIC
BLU
WHT 5 -
W6
W7
we
W9
WIO
Wll
Wl2
Wl3
Wl4
~-<!'!.!...
!<f17
Wl8
Wl9
W20
W21
W22
W23
W24
W25
W26
W27
W28
W29
W30
W31
W3!
W33
W34 ORG
W35
W36
....!!.l.T
W38
RED 5 -
W39
BRN 5 -
I
~
5 -
100
- 5
5 -
120
- 5
80
- 5
VIO
5 -
90
- 3
VR504
IKA
IKB
GAIN
RF
GAIN
~
1
1ss14
BAND
L-.L---------i-r.
M501
METER
BLK
3-90-3
3-90-3
ORG
3-
YEL
IKB
FINE
BRN
5-B0-3
5
5-B0-3
5-
VR503
5 -
5
5-100-3
5-1205-90
5-140-3
5-120-3
5-160-3
5-100-5
5 5-
5-90-3
5-120-3
5 -
55
5-160-3
5-160-
60
90
BO-
-70
7070-
COARSE
80-
-90
90
80-3
S-100-3
100-
BO - 5
-160
- 3
- 5
RED
WHT
PNM
BLU
ORG 5 RED
Y(L
ORG
YEL
PNK
WHT 5 -140-3
ORG
GRY.
BRN
YEL 5 -90
YEL
RED 5 -160-3
YEL
VIO
BLU
WHT
ORG
YEL
BLU
MIC
3
-3
3
3
20KB
~
- 3
3
-5
-5
- 3
3
- 3
3
0
..
_,
Oil:
...
I>
·-
cLU~i~
WIS
W52
----
:i:I
~I
z
....
a::
%
• lit
....
..
..
lit lit
BLK
JACKSON
S502 I YR501
PWR
SW
50KA
VOL
@
'
('f)
J:::>
I
·--:
j
i
..
1
~I
I
I
YR502
SOKB
SOUELCH
GRY S -80-3
3-
60-
3
.~·~:.~T
11
I
I
i
I
i
I
5509
MODE
..
0
..
..
0
...
a::
..
...
lit
...
,0
....
"'
:::>
m
..
..
lit
.
_,
..
.
0
~
.
..
....
...
..
...
...
lit
.. 1
,,
O!
...
•,
"'j
_,
"
•
•
..
ii:
:1
;1
•I
.·-<t'7A.f.:_
-1
E·n-2212~-'""·
-·
=.l.10TTOM
8601
PB-044
SW
v1Ew
l:UMCJl>f
I -
PAESfoenr
f-l.l::Clf~UN•Cti
J_
---,
I
!
Page 32

--r
~
N N
I I
11'1
0 0
> >
~
I()
SP501
----------:J
J
505
DC
POWER
LUG
SPEAKER
00~
~
; I
~\
-n
'_
'ci
•
r----:Pz-'d
1(501
I
(~
~~~-
T
R~OI
_
'--1'_-,Yl~06
Y0041
-
--
8401
MIC
JACK
BOTTOM
PC-266
VIEW
0
..,
I
11'1
:r::
...J
m
_J
W6
W7
WIJ
W9
WIO
Wll
Wl2
Wl3
Wl4
w 1 v
WIB
w~
W20
W2_!_
W22
W23
W24
W25
W26
W2?_
W2B
W29
W3
W31
W32
TR502
MRF477
0501
MVl-Y
)"'·
W38
W39
IOO
120
80
WH
W
3~
W36
RED
Bl!N
5
-
- 5
- 5
-
W-+--+-+-t---
I()
I
2
I
I()
0111
• <D
...
3:
I
0
-.,..
o,
I()
u"!
u..,.,
~
•,
.;
¥"I
72
TR~03
0~02
W41
W42
W43
PNK
BLU
WHT
5 -
5 5 -
I
Page 33

5-
90
VIO
W6
BLK
W7
WIJ
W9
WIO
Wll
Wl2
Wl3
Wl4
vrn
W'il
~--~R...!.__
Wl7
Wl8
W19
W20
W21
W22
W23
W24
W25
W26
W27
W28
W29
W30
11
W31
W3?
W33
W34
W35
W36
W37
58 RED
-·--·
BRN
59
3 -
3-90-3
ORG
3-
RED
5-80-3
WHT
PNK
5
5
Bt,.U
5
ORG
RED
IKB
FINE
'>-70-3
5 -
YE'.L
5
ORG
YEL
PNK
WHT 5 -140-3
ORG
GRY.
BRN 5 -160
5
YEL
5-100-5
YEL
5-160-3
RED
YEL
5-
VIO
BRN
BLU
WHT
YEL
ORG
ORG
YEL
8LU
60
5 -
5-90-5
- 3
90-3
BO
70-3
-Bo-3
-70
5-
70-
VR503
20K8
COARSE
80
- 5
-90
- 3
5-1005-120-
5
5-140-3
5-120-3
5 - 9.0 - 3
5-90-3
5 -
5 -
55
5-
5-
-90
-90
·-··
80-3
5-100
120100-3
80
-160
160
160-
- 3
3
3
-5
-3
-5
- 5
- 3
- 3
3
3
3
--
'!iii
0
l-l._A
·~
..
~
...
~~
~.~J
...
,.
:::::r
0 - 5
0 - 5
, - 5
T
;~~
dJ
'"'
!)
'"
0
l&I
..J
o~
co
l&I
OI -
l >
UQ.
~~
:
on
:
VR504
IKA
MIC
GAIN
lri
!-€
,-
.....
r:::
l
-3
3
3
IO
I
o~
on
.,
..J
I
I GI
..,
0
.,
I-~
I
:z:~..,/
~
>-
.,
·-
-
;l-€
+
..........
IKB
RF
GAIN
I
--I
-~
~
1lID
~
1""1 ,
"'
no
~
5514
BAND
nn
,..
o/
c:
1~
~~
----,_-'
o....
W49
W50
<:>
.,.
W48
.....
0
,.h
ORG
YEL
BLK
PL501
METER
---
2.
t::>
D:
RED
LAMP
M501
-···--
r1
5 -
3
5 -
WIS
W52
...
I
0
GI
I
"'
z
0::
m
...
..
~ ~
11\t\
-c;
70
-100-5
so
100-51
JACKSON
S502
PWR
~
SW
VR
50KA
501
VOL
~IBJO
I
5 -
,,,
'
0
N
-
I
IO
..J
l&I
>-
in
in
~
I
I
I
i
I
I
i
40
..,
It
o;
Ol I
I
"'
:.::
..J
m
co
IO
~
BLK
...
I
0
GI
I
"'
.....
::z:
~
co
..
-
- 5
GRY
SQUELCH
s
-80
3
3-
60-
3
tfl
I
;;.i
CB
~-
SW
-
~
I
I
I
-
-
~
r-
-
~
IC>
--
'--
W57
-
S503·L_
PA
5509
MOOE
r,::.
n_n
~~o-
~
\)
.....__o~
.,,\,-
-
·-..,
11
. I I
-~
VR502
50K8
I J
I<µ.~
liZI
-ii
"U,
..
-•-..,
,,,
.
0
":
.
..,
0
l&I
a:
..,
in
~
HID
'
I
i
l
...
I
,O
: OI
.
"'
:::>
..J
m
..
in
~
RED
-=~·.
- 5
~~
-
I
---!J
~W.5-0ER1:
E:Ll::ClRUNICS
8601
PB-044
BOTTOM
._...-;:o
.
.'" ·
~
-
..
- - -
VIEW
•••
SW
EU~CJPf
-----F·
t7.t.2t'
-AN01
...
,
•.••
---+
j_
_ _ i E
---:
j
!
I
,
I
i
I
!
j
I
I
- 3
..,!
I
~I
·I
"'I
)
••.
.!
:1
IO I
~1
.
.;
-
UT-54
,
WIRIH
:-
.
-.
~
2 -
.
I
i
:
'
i
I
'
I
I
I
!
:
.--~t.':A.::'.:.
G
DIAGRAM
- -
·-----··
~.
2
..
.
;;,
...
~
-~
r.~·
j
Page 34

..
.
.
. .
~
J
~
:
;
.
~
• v
~~
. . .
.
. -
..
..
..
c
N
~
I
..
..
L
JIO
JUQa
Page 35

-----------·.
··-··----
I
---·--·--
---
PB-042AB
~
\.7471(•
...
.,,
i
JP36117'.!\!
054
1$2~
n
N
z
...
E
N
§
z
L
Page 36

JA\;~:SUN
r--:-
L::_
~
L::_
Page 37

MelCSU:
. . .
JACKSON
N ®
~
""'"
~---.,
r----------~-=-~-------~--------------------------------------------------------------------------------------,
:
Tiii-
I
I I
:f
:i
1
~!ihi
TllZZSCIC15LTIQZICIC19L
.,
- Q-1 1115 · - -
.---.....
...-.
...
'.~I
Jt1;1
TIM~
.-,
~~
-llACI
=~11,t=J.;J.sl•J;fil:.J~
1MZSA7DP'
".:
;;;J\
Tiie
ZSC:l675L "
""
_11·
iii
.,.
~
~i51=l~2-f4:j-l1
:::
! :
I
""-
!i
l
:;i;:
cm.-•
~~ITH~P
1!1
:.tr·
~:f:I
,,.,,.
..
_
~
i
I
-·y
=~pl~=l=I
94
:~.~
=-
t:
,
I
t..
I~
,::
,; .
i:
:1
n
•I
...
,,
•!.
I
1
1 •
I
I
I
I
I
I
I
I
I
,.
c
!
• -
_tfr
,
..
,---,--,,.l
~_
..
,JRZD
IH.~mvJl
2SCIC15L.
_
..
Y"''
~J.
9'!"
t-:
..
I
...
-:
. .::i.;:-
__
..
---r.n
...
.
..
TP3
I
r-.:t:.:1,lllllllll~---·
~!
TRl4 ZSCl&74L
·IC3-&12
TN&
ZSCl675L
IC4N.IM4ll58$ I
=~
zsc~::.O
••
h,....,
.....
.......
I
II
Ill
'-"'.!.r-~--+-i
..,_o-....,.r--+--''~
~·
1:!:.1
,-.,.I
I I
I I
I I
L
__
J
LO--bboo6-
~
f!Cij
I •
100Tiii:O..&----------------------------·------------------_J
e -
rifil
[ffl)~~
TR38
1
2SCZOMO ZSCl675L
TR39 •-•
!:T..
l~
h±
:.
:::
UU>OP
•
S,
r
=T I •
---
I IMC
I
r~;;:..-:
--',..,..:..:.
.:::::.-:::::
..
~;,;;:;;;;ra--r:;~.,1;:;.;..
...
-..:.!:. • ..,.
"_,,.
............
-._...
,..__,.
....
c-AIC........
:'.::.::.
......
~:=;.•;~-:.:~-,,...
...
,..
, .. ·---·
I I
ott"
·••
I__.....
•
•·•-•
E12-2108
UNIO[N
~
~
I
'
Page 38

. :
!
; :
..
:
...
i
i
.,;
.
;
••
..
....
UT
I
I
I·
I I
I
100T
R
Pi:0.1-
- -
1
2
. fffil!r;:--
J
T~3
TR502 MRF477
--
- -
--
- - - - - - - - - - - - -
--
2SC21E-6C
- - - -·-- -
2$1
Page 39

JACKSON
N
®
-------------------------------------------------------------,
. .
TRIO
•MI.I•
2SC9•5AO
.--0-----1
........
.1
:1
;1
;1
::1
I
•
r-------------+-1-+-+----..:CT.:;A:..:7:..:l:..2:.0;:..;_P
r
I •
I
______
-------
·-------------------~
eT.I
"
:
r
.;;;s.----
..J
t e
illlltlf&tfCI
---'
.:::~:".~:c.~;:;.;~::·
..
4
W&.Ult
::::,;~:.
lltC•ot&UOI
AU.
"°_:~:._,
.
......
"
C&Metf
..
M.U.111
..
lt111Ult
11111
t••....,.to•
Ailll
te00
ll&OH«
••~..
a
••
- - - - - - - - ,,....--+---t
a..:
....... , .......
a•i
.,
.
..
U~
eTMlillWtl(
•••t<a.tce
.. , ......
VflUU
........
..
:;:'
•OHO
CMillACtl•ttttl
Tf • ..._,..,.,.
•t(O
eT4
••aonc
,
""'111
.... ' '-'.._
••
..-,,..,
t--+---1
•.••
•tf.-C
.....
'+==:.:..t
.-..
.....
••
SCHEMATIC
..........
E 12-
... u .••.
JACICSOfC
DIAGRAM
i
Page 40

LISTE PIECES
DETACllEES
JACKSON
LISTE PIECES
DETACHEES
JACKSON
1
CODE
BC003
BC004
BC005
BCOOS
BC009
BC010
'BC011
BC01S
BC016
8R003
BR015
BR016
BR022
BR023
BR024
BR025
BR026
BR027
BR028
BR029
8R030
BR031
BR032
DC001
DC005
DC007
D E S I G N A 1 I 0 N
£10BINE
BOBINE
BOBINE
BOBINE
SELF
SELF
TRANSFORHATEUR
l!OBINE:
BOBINE
BOBINE
BOBINE
BOBINE
BOBINE
BOBINE
BOBINE
BOBINE
BOBINE
BOBINE
BOBINE
BOBINE
BOBINE
BOBINE
BOBINE
DIODE
DIODE
DIODE
LD-087
LE-096
LE-151
LE-21~
LZ-016
LZ-016
1N60
1S2075K
HC-301 2
100UH
•HOUU
TF-0133
LC-071
LC-130
LA-165
LB-137
LB-209
LB-233
LB-309
LB-335
LB-336
LS-J37
LB-339
LB-340
LB-341
LB-342
LB-343
LB-344
AH
.
QTE/HOD.
8
2
1
1
2
.,
1
2
1
1
2
4
1
i
1
1
1
1
1
1
1
1
1
6 JX002
63
CODE.
DC008
DCOO?
DC010
DCOU
DC012
DC013
DC014
DC015
DC016
DC017
DV002
DV003
HHOOl
HPOOl
ILOOi
IPOOi
IR001
IR005
IR006
IR007
IR008
IS002
JXOOi
JX003
JX004
D E S I G
DIODt:::
DIODE
DIODE
DIODE
DIODE
DIODE
DIODE
DIODE
DIODE
DIODE
DIODE
D10DE
HICROPHONE
HAUT-PARLEUR
CICUIT
CIRCUIT
CIRCUIT
CIRCUIT
CIRCUIT
CIRCUIT
CIRCUIT
CIRCUIT
JACK
JACK
JACK
JACK
1N400J
HV-lY
ZENER
ZENER
ZENER
lENER
HA-034
HA-054
HA-055
HA-056
1S2339G
KB-262
INTEGRE
JK-089
JK-052 i
JK-068
JK-206
N A T I
XZ-051
Xl-0"/0
XZ-Oi4
XZ-064
HK-2.21
SP-053
11C14008BCP
INTEGRE
INTEGRE
INTEGRE
INTEGRE
INTEGRE
INTEGRE
INTEGRE
0 N
UPC1182H
AN612
NJH2902N
NJl14553S 1
TA7320P
IR3N06 1
11Ci45106P i
QTE/HOD.
2
2
1
1
2
1
1
1
1
1
6
1
1
1
2
1
1
.
1
1
2
1
1
I
Page 41

LISTE PIECES
DETACHEES
JACKSON
LISTE PIECES
DETACHEES
JACKSON
2
CODE
JX005
JX006
OA001
OX001
OX002
PF001
PF002
PF004
PF005 FILTRE
PQ002
PQ005
PQ006
QX002
RV002
RV003
RV004
RV005
D
JACK
JACK
AFFICHEUR
LED
TLR-124
DIODE I LED
FILTRE
FILTRE
. FILTRE FL-0'55 10H-7A1 1
QUARTZ
QUARTZ
QUARTZ
FACE
POTENTIOHETRE
POTENTIOHETRE
POTENTIOHETRE
POTENTIOHETRE
S I G N A T I 0 N
E
JK-087
JK-075
UR-202D
RED
TLG-124A
SFE
FL-048
FL-066
FL-090
10.6975
10.240
14.550
AVANT
JACKSON
10.
UHF-058 1
QX-074
RV-320
RV-447
RV-485
RV-560
QTE/HOI>.
GREEN
"/HS2-H 3
50KA
50KB
1KB.1KA
20KB.1KB
G N
CODE
1
1
1
1
1
1
TX002
TX003
TX004
TXOOS
TX009
TX010
TXOH
VH002
-------
1
1
1
1
1
1
1
1
D E S I
TRANSISTOR
TRANSISTOR
TRANSLSTOR
TRANSISTOR
TRANSISTOR
TRANSISTOR
TRANSISTOR
VU-HETRE
HT-221
--------------------------------
A r I
2SC945A-Q
2SC1674-L 3
2SC1675-L
2SC1730-L
2SB525-D
2SC2086-D
2SD355-E
0 N QT[/HOD.
16
16
1
1
1
1
.
1
---------
l
SS001
SX001 FUSIBLE
SX002
SX004
SX005
TB001
TH001
TH003
TX001
COHHUTATEUR
COHHUTATEUR
COHHUTATEUR
COHHUTATEUR
TRANSISTOR
TRANS.ISTOR
TRANSISrDR
TRANSISTOR
SR-208 1
FS-014
6A
SR-187 1
SW-317
SR-342
2SA473-0
2SC2166-C 1
HRF-4TI
2SA733-P 2
1
1
1
1
1