| Technische Daten | |
| Wartungsdaten | |
| Zubehör | |
| Maschinenabmessungen | |
| Zusätzliche Ausstattung 1710 | |
| Zusätzliche Ausstattung 2310 | ******** |
| Zusätzliche Ausstattung 3210 | |
| Verbrauchsmaterialien 1710 | |
| Verbrauchsmaterialien 2310 | |
| Verbrauchsmaterialien 3210 | |
| Elekrische Funktionselemente 1710 | **** |
| Elekrische Funktionselemente 2310 | / 3210 |
| Lage der Bauteile | |
| AC-Bauteile | |
| DC-Bauteile | |
| Motoren | |
| Vorderansicht | |
| Rückansicht | |
| Antriebssystem | |
| Justagen | |
| Funktion der Drahtbrücke | |
| Überblick der Selbstdiagnose | |
| Schaltertest | |
| Ausgangssignale | |
| Kopierprozess | |
| Justacemodus 05 | |
| Justage der Trommelspannungen. | ***** |
| Justage der Biasspannung | |
| Auto-Toner-Justage | |
| Justage der Bildschärfe / Maßstab | (quer) |
| Justage des Maßstabes (längs) | |
| Justage der Bauschbildung | |
| Justage del Dausonblidding manne | |
| Justage Ropaniany | |
| Justage der manuallan Ballahtung | |
| Justage der manuellen belichtung | |
| 동물 물건 형태는 것이라는 것이 | |
| Automatische Justage der automatischen Belichtung (Code 49) | 31 |
|---|---|
| Justage der automatischen Belichtung | 31 |
| Justage der Randlöschung | 32 |
| Justagemodus 08 | 33 |
| Optisches System | 35 |
| Justage des Lampenwagens | 36 |
| Winkeliustage | 37 |
| Bildverschiebung | 20 |
| Justage der Abstreifschiene | 30 |
| Justage der Entwicklerpol-Position | 40 |
| Einzug | 40 |
| Justage der Aufnahmerolle für den Stapeleinzug | 12 |
| Justage der Aufnahmerolle für den Kassetteneinzug | 40 |
| Formatolättchen | 44 |
| 40 | |
| l iste aller Justagelehren | 40 |
| 40 | |
| Flektrik | |
| 47 | |
| AC-Steuerkreis | 17 |
| Haupttransformator | 47 |
| Spannungsversorgungsplatine | 40 |
| Ausgangsspannungen der Spannungsversorgungsplatine |
49
50 |
| Ladetransformator | 50 |
| Übertragungstransformator | 50 |
| Vorübertragungstransformator | 51 |
| Heizstenerkreis | 50 |
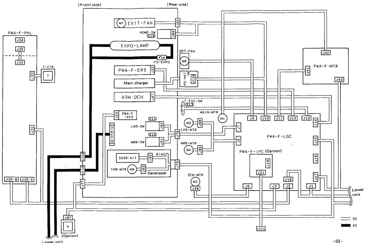
| Kabelanschlußolan der oheren Einheit 1710 | 52 |
| Kabelanschlußplan der unteren Einholt 1710 | 23 |
| Kabelanschlußplan der oheren Einheit 2210 |
54
55 |
| Kabelanschlußplan der unteran Einheit 2310 | 55 |
| Kabelanschlußplan der oheren Einheit 2010 | 55 |
| Kabelanschlußplan der unteren Einheit 3210 | 57 |
| 58 | |
| Verdrahtungsplan /1710 an MV-1001 - 0210/2010 unterer Benjamingura) | 50 |
| Scheltplan Bedienungsfeld | 29 |
| 60 | |
| Wartung | 64 |
| TRUILUNY | 01 |
| l ogikscheltpläne 1710 / 2210 / 2010 im Anhang | |
| Loginoonalipiane 1710/2010/0210 III Annang |
Unterlagen KD-1001 im Anhang
Änderungen vorbehalten
| Тур | Tischkopierer | ||
|---|---|---|---|
| Kopierverfahren |
Indirektes elektro
(Trockenverfahre |
ostatisches Verfahren
en) |
|
| Originale |
Ohne Originalein
Bücher, Blätter u |
izug:
Ind 3-dimensionale G |
egenstände. |
| Originalformat |
Wird kein Origina
Beim Einsatz ein von max. A3 bis Originalanzahl: r |
aleinzug eingesetzt: n
les Originaleinzuges: A5-R nax. 50 Blatt (64 - 80 g |
nax. A3
g/m 2 ) |
| Belichtung | Feststehendes V | orlagenglas mit Schli | tzbelichtung |
| Kopiengröße |
Kassette: A3 - A
Stapeleinzug: A3 |
5-R
3 - A5R |
|
| Kassette , | Stapeleinzug | ||
| , | A4, A5-R | 17 | 10 |
| A4-R, B5-R | 14 | 10 | |
| Kopiergeschwindigkeit | B4, FOLIO | 12 | 10 |
| 1710 | A3 | 10 | 10 |
| verkleinern/ | 10 · | 10 | |
| vergrößern | · | ||
| Kassette | Stapeleinzug | ||
| A4, A5-R | 23 | 12 | |
| Kanlarassehulindigkoit | A4-R, B5-R | 17 | . 12 |
| B4, FOLIO | 14 | 12 | |
| 2010 | A3 | 12 | 12 |
| verkleinern/ | 12 | 12 | |
| vergrößern | |||
| Kassette | Stapeleinzug | ||
| A4, A5-R | 32 | 18 | |
| Konjergeschwindigkeit | A4-R, B5-R | 25 | . 18 |
| 3210 | B4, FOLIO | 21 | 18 |
| A3 | 18 | ||
|
verkleinern/
vergrößern |
17,5 | 18 | |
| Ausgabe der ersten Kopie 1710 | ca. 8,0 Sekunden (A4 Kassette 100%) | ||
| Ausgabe der ersten Kopie 2310 | ca. 8,0 Sekunden (A4 Kassette 100%) | ||
| Ausgabe der ersten Kopie 3210 | ca. 6,0 Sekunden (A4 Kassette 100%) | ||
| Mehrfachkopien | 1 - 999 | ||
| Vorwärmzeit 1710 / 2310 | ca. 60 Sekunden | ||
| Vorwärmzeit 3210 | ca. 120 Sekunden | ||
| Wiedergabefaktor |
1:1 / Im Modus 08 kann auch eine Übertragung
von 1:1,01 in Laufrichtung gewählt werden. Bei ADF-Betrieb automatische Festlegung des Wiedergabefaktors anhand des Vorlagen- und Kopierformates Zoombereich: 50% - 200% |
|
| Papierart |
Kopierpapier
Spezielles Kopiermaterial (Overhead-Folien, usw.) |
|
| Einzug 1710 |
Kassette: 250 Blatt (64 80 g/m
2
)
Stapeleinzug: 50 Blatt (einzeln bis 120 g/m 2 ) |
|
| Einzug 2310 / 3210 |
Kassetten: je 250 Blatt (64 - 80 g/m
2
)
Stapeleinzug: 50 Blatt (einzeln bis 120 g/m 2 ) |
|
| Toner . |
Automatische Überwachung der Toner-
konzentration und Zufuhr |
|
| Belichtung |
Automatische plus manuelle Belichtung
2310 / 3210 plus manuelle Fotobelichtung |
|
| Zähler | 6-stelliger Gesamtzähler | |
| Gewicht 1710 | 57 kg | |
| Gewicht 2310 / 3210 | 68 kg | |
| Netzanschluß | 220 V / 50Hz /1,7 kW | |
| 1710 | 2310 | 3210 | |
|---|---|---|---|
| Lärm (db/A) | |||
| Stand-by | 38 * | 37 * | 47 |
| Kopierbetrieb | 64 | 65 | 67 |
| Ozon (mg/m 3 ) | 0,006 | 0,004 | 0,004 |
| Staub (mg/m 3 ) | 0,03 | 0,05 | 0,05 |
| Energieverbrauch (Wh) | |||
| Stand-by (durchschnittlich) | 150 | 130 | 150 |
| Kopierbetrieb | 1450 | 1480 | 1560 |
* Wert gilt nur für Modelle, die mit dem Umweltzeichen Blauer Engel ausgeliefert werden. Stand März 1992 / Änderungen vorbehalten
|
Empfohlenes Einsatzvolumen
Kopien (Monat) |
2.000 - 10.000 | |
|---|---|---|
|
Wartungsintervall
Reinigung / Wartung |
20.000 / 40.000 Kopien | |
| Überholung | alle 160.000 Kopien | |
| Wartungstabelle | Seite 61 |
|
Empfohlenes Einsatzvolumen
Kopien (Monat) |
3.000 - 15.000 |
|---|---|
|
Wartungsintervall
Reinigung / Wartung |
20.000 / 40.000 Kopien |
| Überholung | alle 160.000 Kopien |
| Wartungstabelle | Seite 61 |
|
Empfohlenes Einsatzvolumen
Kopien (Monat) |
5.000 - 30.000 |
|---|---|
|
Wartungsintervall
Reinigung / Wartung |
30.000 / 60.000 Kopien |
| Überholung | alle 180.000 Kopien |
| Wartungstabelle | Seite 61 |
Kopienauffangbehälter Bedienungshandbuch Tasche für Bedienungshandbuch Unterlegscheiben (2x) Entwicklereinheit (schwarz) Drehwerkzeug Papierformatkarte Aufsteckkappen für Fixiereinheit (2x)
- 3 -
Zusätzliche Ausstattung 1710
Zusätzliche Ausstattung 2310
- 5 -
- 6 -
| Artikel | Bezeichnung | Laufleistung |
|---|---|---|
| Trommel | OD-1710 | 60.000 |
| Entwickler (schwarz) | D-1710 | 60.000 |
| Toner (schwarz) | 7.000* | |
|
Entwickler (rot)
Entwickler (blau) |
D-1710-R
D-1710-BL |
10.000 |
|
Toner (rot)
Toner (blau) |
T-1710-R
T-1710-BL |
5.000
5.000 |
| Tonerauffangbehälter | TB-1710 | 20.000* |
| Trommelwischer | BL-1710-D | 60.000 |
| Reinigungswalze | SR-2510-H | 40.000* |
| Fixierwalze (oben) | HR-2510-U | 120.000 |
| Fixierwalze (unten) | HR-2510-L | 180.000 |
* Die Anzahl der Kopien pro Flasche Toner ist berechnet auf 1 Original A4 mit 6% Schwarz-Anteil. Die Kopie weist eine Tonerdichte von 1,2 Density pro mm2 auf. Gemessen mit Gretag-Densitometer.
| Automatischer Originaleinzug | MR-2001 |
|---|---|
| Interface-Kit (ADF und Sorter NUR 1x) | KL-1710 |
| Sorter 10-fach | MG-1001 |
| Haltewinkel (Zubehör) | KN-1710 S |
| Interface-Kit (ADF und Sorter NUR 1x) | KL-1710 |
| Kassetteneinheit | MY-1001 |
| Farbentwicklereinheit | MK-1710 |
| Zusatzheizung | MF-1710 E |
| Einschubdose für Kostenstellenzähler | MU-10 | |
|---|---|---|
| Kostenstellenzähler | MU- 8 | |
| Haltewinkel für Sorter | KN-1710 S | |
| Interface-Kit (ADF und Sorter NUR 1x) | KL-1710 | |
| Kassette | CST-1710 A4-F | |
| Unterschrank (Maschine ohne MY-1001) | 1710 | |
| Unterschrank (Maschine mit MY-1001) | 2310 |
| Artikel | Bezeichnung | Laufleistung |
| Trommel | OD-1710 | 60.000 |
| Entwickler (schwarz) | D-1710 | 60.000 |
| Toner (schwarz) | T-1710 | 7.000* |
|
Entwickler (rot)
Entwickler (blau) |
D-1710-R
D-1710-BL |
10.000
10.000 |
|
Toner (rot)
Toner (blau) |
T-1710-R
T-1710-BL |
5.000
5.000 |
| Tonerauffangbehälter | TB-1710 | 20.000* |
| Trommelwischer | BL-1710-D | 60.000 |
| Reinigungswalze | SR-2510-H | 60.000* |
| Fixierwalze (oben) | HR-2510-U | 120.000 |
| Fixierwalze (unten) | HR-2510-L | 180.000 |
| Die Ozon-Eilte | r und die Koronadrähte s | ind alle |
40.000 Kopien zu erneuern! Die Anzahl der Kopien pro Flasche Toner ist berechnet auf 1 Original A4 mit 6% Schwarz-Anteil. Die Kopie weist eine Tonerdichte von 1,2 Density pro mm2 auf. Gemessen mit Gretag-Densitometer.
| Automatischer Originaleinzug | MR-2001 |
| Sorter 10-fach | MG-1001 |
| Haltewinkel (Zubehör) | KN-1710 S |
| Sorter 20-fach | MG-2002 |
| Kassettenunterschrank (1500 Blatt) | KD-1001 |
| Farbentwicklereinheit | MK-1710 |
| Zusatzheizung | MF-1710 E |
| Einschubdose für Kostenstellenzähler | MU-10 |
|---|---|
| Kostenstellenzähler | MU- 8 |
| Haltewinkel für Sorter | KN-1710 S |
| Kassette | CST-1710 A4-F |
| Unterschrank | 2310 |
| Artikel | Bezeichnung | Laufleistung |
|---|---|---|
| Trommel | OD-3210 | 60.000 |
| Entwickler (schwarz) | D-1710 | 60.000 |
| Toner (schwarz) | T-3210 | 11.000* |
|
Entwickler (rot)
Entwickler (blau) |
D-3210-R
D-3210-BL |
10.000
10.000 |
|
Toner (rot)
Toner (blau) |
T-1710-R
T-1710-BL |
5.000
5.000 |
| Tonerauffangbehälter | TB-1710 | 20.000* |
| Trommelwischer | BL-1710-D | 60.000 |
| Reinigungswalze | SR-3210 H | 60.000* |
| Fixierwalze (oben) | HR-3210-U | 120.000 |
| Fixierwalze (unten) | HR-2510-L | 180.000 |
izwalzenwischer Blade HR-F kann nur als Ersatzteil bestellt werden!
Die Ozon-Filter und die Koronadrähte sind alle
Die Anzahl der Kopien pro Flasche Toner ist berechnet auf 1 Original A4 mit 6% Schwarz-Anteil. Die Kopie weist eine Tonerdichte von 1,2 Density pro mm2 auf. Gemessen mit Gretag-Densitometer.
| Automatischer Originaleinzug | MR-2002 |
|---|---|
| Sorter 10-fach | MG-1001 |
| Haltewinkel (Zubehör) | KN-1710 S |
| Sorter 20-fach | MG-2002 |
| Kassettenunterschrank (1500 Blatt) | KD-1001 |
| Farbentwicklereinheit | MK-3210 |
| Zusatzheizung | MF-1710 E |
| Einschubdose für Kostenstellenzähler | MU-10 |
|---|---|
| Kostenstellenzähler | MU- 8 |
| Haltewinkel für Sorter | KN-1710 S |
| Kassette | CST-1710 A4-F |
| Unterschrank | 2310 |
| Symbol | Bezeichnung | Funktion | Bemerkung |
|---|---|---|---|
| M1 | MAIN-MTR |
Antrieb Trommel, Fixiereinheit,
Mitteltransport, Entwicklereinheit, Ausrichtrollen |
IC-Motor |
| M2 | SCN-MTR | Antrieb des Lampenwagens | Schrittmotor |
| M3 | LNS-MTR | Antrieb des Objektives | Schrittmotor |
| M4 | MRR-MTR | Antrieb der Spiegeleinheit | Schrittmotor |
| M5 | FED-MTR |
Antrieb für Aufnahmerollen,
Einzugsrollen, manuelle Einzugsrollen |
Bürstenmotor |
| M6 | OPT-FAN | Optiklüfter | IC-Motor |
| M7 | EXIT-FAN | Ausgabelüfter | IC-Motor |
| M8 | BTM-FAN | Bodenlüfter | IC-Motor |
| M9 | TNR-MTR | Tonermotor | Bürstenmotor |
| S1 | MAIN-SW | Hauptschalter | |
|---|---|---|---|
| S2 | DOOR-SW | Türschalter | |
| S 3 | CST-EMP-SW | Papiermangelschalter für die Kassette | Sensor |
| S4 | SIDE-DOOR-SW | Türschalter-Seitenführung | Reedschalter |
| S5 | SIZE-SW | Formaterkennungsschalter Kassette | |
| S6 | M-FEED-SW | Manueller Einzugsschalter | Sensor |
| S7 | P-FEED-SW | Einzugsschalter untere Ausrichtrollen | Sensor |
| S8 | P-RGT-SW | Papierstopschalter obere Ausrichtrollen | Sensor |
| S9 | EXIT-SW | Ausgabeschalter | Sensor |
| S10 | HOME-SW | Grundstellungsschalter Lampenwagen | Sensor |
| S11 | LNS-SW | Grundstellungsschalter Objektiv | Sensor |
| S12 | MRR-SW | Grundstellungsschalter Spiegel | Sensor |
| S13 | T-FUL-SW | Erkennung Resttonerbehälter voll | Microschalter |
| ſ | SND1 | PICKUP-SND1 | Aufnahmerollenmagnet | |
|---|---|---|---|---|
| SND2 | PICKUP-SND2 |
Aufnahmerollenmagnet für manuellen
Einzug |
| CLT1 | RGTL-CLT | Kupplung für untere Ausrichtrollen | |
|---|---|---|---|
| CLT2 | RGTU-CLT | Kupplung für obere Ausrichtrollen |
| Symbol | Bezeichnung | Funktion | Bemerkung |
|---|---|---|---|
| LGC | PWA-F-LGC | Logik | |
| PWR | PWA-F-PWR | Spannungsversorgung | |
| MTR | PWA-F-MTR | Motortreiber | |
| PNL | PWA-F-PNL | Bedienfeld | |
| FED | PWA-F-FED | Einzugsplatine | |
| HTR | PWA-F-HTR | Thermistor und Ausgabeschalterplatine | |
| LRG | PWA-F-LRG | Lampenregulator | |
| DCH | PWA-F-DCH | Löschleiste (für Verkleinerung) | |
| ERS | PWA-F-ERS | Platine mit Entladelampen | |
| AES | PWA-F-AES | Belichtungssensor | |
| FUS | PWA-F-FUS | Sicherungsplatine für Zusatzheizung | Option |
| EXP | EXPO-LAMP | Belichtungslampe | 184V/300W |
| HTR | HTR-LAMP | Heizlampe der Fixiereinheit | 220V/1100W |
| ERS | ERS-LAMP | Entladelampen |
12V/150mA
12x |
| DCH | DCH-LED | Löschlampen (für Verkleinerung) | LEDs |
| DHU | D-HTR-U | Zusatzheizung optisches System | 40W (Option) |
| DHL | D-HTR-L | Zusatzheizung Maschineninnenraum | 40W (Option) |
| Т | T-CTR | Gesamtzähler | 6stellig |
|---|---|---|---|
| K | K-CTR | Kostenstellenzähler | Option |
| НVТ-М | HVT-M |
Hochvolttransformator für Ladung und
Gitterspannung |
|
|---|---|---|---|
| Ηντ-τ | HVT-T |
Hochvolttransformator für Übertragung,
Ablösung und Biasspannung |
|
| PWR-TR | TR-100, 220-170 | Haupttransformator | |
| PRE-TR | PS-HVT-GB | Transformator für Pre Transfer Bias |
| ATS | SNR-ATC | Auto-Toner-Sensor | |
|---|---|---|---|
| THMS | THMS-HTR | Thermistor für Fixierwalze | |
| THERMO | K-THERMO | Thermostatsicherung für Fixierlampe | |
| FU | FU-EXPO | Thermosicherung für Belichtungslampe |
| Symbol | Bezeichnung | Funktion | Bemerkung |
|---|---|---|---|
| M1 | MAIN-MTR |
Antrieb Trommel, Fixiereinheit,
Mitteltransport, Entwicklereinheit, Ausrichtrollen |
IC-Motor |
| M2 | SCN-MTR | Antrieb des Lampenwagens | Schrittmotor |
| M3 | LNS-MTR | Antrieb des Objektives | Schrittmotor |
| M4 | MRR-MTR | Antrieb der Spiegeleinheit | Schrittmotor |
| M5 | FED-U-MTR |
Antrieb obere Kassette für Aufnahme-,
Einzugsrollen, manuelle Einzugsrollen |
Bürstenmotor |
| M6 | OPT-FAN | Optiklüfter | IC-Motor |
| M7 | EXIT-FAN | Ausgabelüfter | IC-Motor |
| M8 | BTM-FAN | Bodenlüfter | IC-Motor |
| M9 | TNR-MTR | Tonermotor | Bürstenmotor |
| M10 | FD-L-MTR | Einzugsmotor untere Kassette | Bürstenmotor |
| M11 | DCM-MTR | Antrieb der Formatanzeiger | Schrittmotor |
| S1 | MAIN-SW | Hauptschalter | |
|---|---|---|---|
| S2 | DOOR-SW | Türschalter | |
| S3 | CST-EMP-SW | Papiermangelschalter obere Kassette | Sensor |
| S4 | SIDE-DOOR-U-SW | Türschalter obere Seitenführung | Reedschalter |
| S5 | SIZE-U-SW |
Formaterkennungsschalter obere
Kassette |
|
| S6 | M-FEED-SW | Manueller Einzugsschalter | Sensor |
| S7 | P-FEED-SW | Einzugsschalter untere Ausrichtrollen | Sensor |
| S8 | P-RGT-SW | Papierstopschalter obere Ausrichtrollen | Sensor |
| S9 | EXIT-SW | Ausgabeschalter | Sensor |
| `S10 | HOME-SW | Grundstellungsschalter Lampenwagen | Sensor |
| S11 | LNS-SW | Grundstellungsschalter Objektiv | Sensor |
| S12 | MRR-SW | Grundstellungsschalter Spiegel | Sensor |
| S13 | T-FUL-SW | Erkennung Resttonerbehälter voll | Microschalter |
| S15 | P-STP-SW | Papier Stop Schalter | Sensor |
| S16 | CST-EMP-L-SW | Papiermangelschalter untere Kassette | Sensor |
| S17 | SIDE-DOOR-L-SW | Türschalter untere Seitenführung | Reedschalter |
| S18 | SIZE-L-SW |
Formaterkennungsschalter untere
Kassette |
|
| S28 | FED-SW |
Einzugsschalter für hohe
Geschwindigkeit |
NUR 3210 |
| Symbol | Bezeichnung | Funktion | Bemerkung |
|---|---|---|---|
| SND1 | PICKUP-SND1 | Aufnahmerollenmagnet obere Kassette | |
| SND2 | PICKUP-SND2 |
Aufnahmerollenmagnet für manuellen
Einzug |
, |
| SND3 | PICKUP-SND3 | Aufnahmerollenmagnet untere Kassette |
| CLT1 | RGTL-CLT | Kupplung für untere Ausrichtrollen | |
|---|---|---|---|
| CLT2 | RGTU-CLT | Kupplung für obere Ausrichtrollen | |
| CLT3 | FD-CLT | Kupplung untere Kassette |
| LGC | PWA-F-LGC | Logik | |
| PWR | PWA-F-PWR | Spannungsversorgung | |
| MTR | PWA-F-MTR | Motortreiber | |
| PNL | PWA-F-PNL | Bedienfeld | |
| FED | PWA-F-FED | Einzugsplatine | 1 |
| HTR | PWA-F-HTR | Thermistor und Ausgabeschalterplatine | |
| LRG | PWA-F-LRG | Lampenregulator | |
| DCH | PWA-F-DCH | Löschleiste (für Verkleinerung) | |
| ERS | PWA-F-ERS | Platine für Entladelampen | |
| AES | PWA-F-AES | Belichtungssensor | |
| FUS | PWA-F-FUS | Sicherungsplatine für Zusatzheizung | Option |
| PFU | PWA-F-PFU | Einzugsplatine untere Kassette |
| EXP | EXPO-LAMP | Belichtungslampe | 184V/300W |
| HTR | HTR-LAMP | Heizlampe der Fixiereinheit | 220V/1100W |
| CDO | Entladalamana | 12V/150mA | |
| ERS | ERS-LAMP | Enladelampen | 12x |
| DCH | DCH-LED | Löschlampen (für Verkleinerung) | LEDs |
| DHU | D-HTR-U | Zusatzheizung optisches System | 40W (Option) |
| DHL | D-HTR-L | Zusatzheizung Maschineninnenraum | 40W (Option) |
| Symbol | Bezeichnung | Funktion | Bemerkung |
|---|---|---|---|
| Т | T-CTR | Gesamtzähler | 6stellig |
| K | K-CTB | Kostenstellenzähler | Option |
| НУТ-М | HVT-M |
Hochvolttransformator für Ladung und
Gitterspannung |
|
| НУТ-Т | HVT-T |
Hochvolttransformator für Übertragung,
Ablösung und Biasspannung |
|
| PWR-TR | TR-100, 220-170 | Haupttransformator | |
| PRE-TR | PS-HVT-GB | Transformator für Pre Transfer Bias |
| ATS | SNR-ATC | Auto-Toner-Sensor |
|---|---|---|
| THMS | THMS-HTR | Thermistor für Fixierwalze |
| THERMO | K-THERMO | Thermostatsicherung für Fixierlampe |
|
FU |
FU-EXPO | Thermosicherung für Belichtungslampe |
| No. | Name |
|---|---|
| 51 | SSR (Solid state relay) |
| 52 | Door switch (DOOR-SW) (S2) |
| 53 | Main switch (MAIN-SW) (S1) |
| 54 | Breaker |
| 55 | Noise filter |
| 56 | Damp heater L (D-HTR-L) |
| 57 | Fuse PC board (PWA-F-FUS) |
| 58 | Thermostat |
| 59 | Damp heater U (D-HTR-U) |
| 60 | Exposure lamp (EXPO-LAMP) |
| 61 | Thermofuse (FU-EXPO) |
| 62 | Lamp regulator PC board (PWA-F-LRG) |
| 63 | Power supply transformer (PWR-TR) |
| 64 | Heater lamp (HTR-LAMP) |
| 65 | Thermostat (K-THERMO) |
DC-BAUTEILE
| No, | Name |
| 1 | Control panel PC board (PWA-F-PNL) |
| 2 | Total counter (T-CTR) |
| 3 | Transfer bias transformer (PS-HVT-GB) |
| 4 | Logic PC board (PWA-F-LGC) |
| 5 | Paper feed PC board (PWA-F-FED) |
| 6 | Motor drive PC board (PWA-F-MTR) |
| 7 | Toner-full switch (T-FUL-SW) (S13) |
| 8 | Home switch (HOME SW) (S10) |
| 9 | Transformer for main charger (PS-HVT-M) |
| 10 | Upper size switch (SIZE-U-SW) (S5) |
| 11 | Discharge lamp PC board (PWA-F-ERS) |
| 12 | LED eraser array PC board (K-DCH) |
| 13 | Power supply PC board (PWA-F-PWR) |
| 14 | Transfer/separation transformer (PS-HVT-T) |
| 15 | Pick-up solenoid (PICKUP-SND2) (SND2) |
| 16 | Manual feed switch (M-FEED-SW) (S6) |
| 17 | Upper-aligning switch (P-RGT-SW) (S8) |
| 18 | Lower-aligning switch (P-FED-SW) (S7) |
| 19 | Upper side door switch (SIDE-DOOR-SW) (S4) |
| 20 | Pick-up solenoid (PICKUP-SND1) (SND1) |
| 21 | Upper paper-empty switch (CST-EMP-SW) (S3) |
| 22 | Exit switch (EXIT-SW) (S9) |
| 23 | Heater-roller thermistor (THMS-HTR) |
| 24 | Toner sensor (SNR-ATC) |
| 25 | Lens switch (LNS-SW) (S11) |
| 26 | Mirror switch (MRR-SW) (S12) |
| 27 | Automatic exposure PC board (PWA-F-AES) |
| 28 | Feed switch (FEED-SW) (S28) |
| 29 | Upper aligning roller clutch (RGTU-CLT) |
| 30 | Lower aligning roller clutch (RGTL-CLT) |
| 32 | Lower side door switch (SIDE-DOOR-L-SW) (S17) |
| 33 | Pick-up solenoid (PICKUP-SND3) (SND3) |
| 34 | Paper stop switch (P-STP-SW) (S15) |
| 35 | Lower paper empty switch (CST-EMP-L-SW) (S16) |
| 36 | Feed clutch (FD-CLT) (CLT3) |
| 37 | Paper feed unit PC board (PWA-F-PFU) |
| 38 | Lower size switch (SIZE-L-SW) (S18) |
MOTOREN
| No. | Name | ||
|---|---|---|---|
| 40 | Main motor (MAIN-MTR) (M1) | ||
| 41 | Scanning motor (SCN-MTR) (M2) | ||
| 42 | Lens mator (LNS-MTR (M3) | ||
| 43 | Mirror motor (MRR-MTR) (M4) | ||
| 44 | Feed motor (FED-U-MTR) (M5) | ||
| 45 | Optical fan (OPT-FAN) (M6) | ||
| 46 | Exit fan (EXIT-FAN) (M7) | ||
| 47 | Bottom fan (BTM-FAN) (M8) | ||
| 48 | Toner motor (TNR-MTR) (M9) | ||
| 49 | Document motor (DCM-MTR) (M11) | ||
| 50 | Feed motor (FD-L-MTR) (M10) | ||
| 1 | Carriage 1 | 35 | Manual-feed pick-up rotler |
| 2 | Mirror 1 | 36 | Manual-feed paper feed roller |
| 3 | Reflector | 37 | Manual-feed separation pad |
| 4 | Exposure lamp | 38 | Manual-feed switch |
| 5 | Uneven light distribution panel | 39 | Upper aligning roller (upper) |
| 6 | Carriage 2 | 40 | Upper aligning roller (lower) |
| 7 | Mirror 2 | 41 | Upper aligning switch |
| 8 | Mirror 3 | 42 | Lower aligning roller (left) |
| 9 | Mirror unit | 43 | Lower aligning roller (right) |
| 10 | Mirror 4 | 44 | Lower aligning switch |
| 11 | Mirror 5 | 45 | Upper separation pad |
| 12 | Mirror 6 | 46 | Paper-feed roller |
| 13 | Slit glass | 47 | Upper pick-up roller |
| 14 | Automatic exposure PC board | 48 | Heat roller |
| 15 | Lens | 49 | Heat rotler (lower) |
| 16 | Original cover | 50 | Cleaning felt roller |
| 17 | Original glass | 51 | Thermistor |
| 18 | Main charger | 52 | Thermostat |
| 19 | Discharge lamp | 53 | Heater lamp |
| 20 | Ozone filter | 54 | Separation claw |
| 21 | LED eraser array | 55 | Exit switch |
| 22 | Main blade | 56 | Paper-exit roller (upper) |
| 23 | Recovery blade | 57 | Paper-exit roller (lower) |
| 24 | Toner recovery auger | 58 | Discharge brush |
| 25 | Transfer charger | 59 | Fuser guard |
| 26 | Separation charger | 81 | Air filter |
| 27 | Drum | 82 | Lower pick-up roller |
| 28 | Transfer bias guide | 83 | Lower paper-feed roller |
| 29 | Transport beit | 84 | Lower separation pad |
| 30 | Magnetic roller | 85 | Transport roller-1 |
| 31 | Leveler (doctor) | 86 | Transport roller.2 |
| 32 | Auto-toner sensor | 87 | Paper stop switch |
| 33 | Mixer | 88 | Feed switch |
| 34 | Manual-feed guide |
| 60, | Scanning motor |
|---|---|
| 61. | Carriage drive belt |
| 62. | Mirror motor |
| 63. | Lens motor |
| 64. | Developer drive gear |
| 65. | Upper feed motor |
| 66. | Drum gear |
| 67, | Main motor |
| 68. | Heat-roller gear |
| 69. | Pressure gear |
| 70. | Paper-exit roller gear |
| 71. | Transport-belt drive gear |
| 72. | Upper aligning roller pulley |
| 73. | Lower aligning roller pulley |
| 74. | Main belt |
| 75. | Cassette (upper) |
| 76. | Feed roller gear |
| 77. | Lower feed motor |
| 78. | Feed roller gear |
| 79, | Transfer roller gear |
| 80. | Cassette (lower) |
| 89, | Document motor |
- 19 -
| Funktion | Geschlossen | Getrennt | Status | |
|---|---|---|---|---|
| JP | CNT-Brücke | Initialisierung | Betrieb | Getrennt |
| Modus | Tasten | Bedeutung | Rückstellung |
Anzeige im
Display |
|---|---|---|---|---|
| Test aller LEDs | 01 |
Alle LEDs im Bedienfeld
leuchten |
C/S-Taste | |
| Dauerfunktionstest | 02 |
Dauerlauf (ohne ADF)
ohne Papierlaufüberwachung |
C/S-Taste
0 9 |
Dauerfunktion |
| Testmodus | 03 |
Ausgangssignale / Schalter-
test (mit Initialisierung) |
09 |
Test-
Betriebsart |
| Testmodus | 04 |
Ausgangssignale / Schalter-
test (ohne Initialisierung) |
09 |
Test-
Betriebsart |
| Justagemodus | 05 | Justage einzelner Punkte | 09 |
Test-
Betriebsart |
|
Verkürzung der
Vorwärmzeit |
06 |
Überspringen der
Vorwärmzeit |
||
| Dauerfunktionstest | 07 |
Dauerlauf mit ADF
ohne Papierlaufüberwachung |
C/S-Taste
0 9 |
Dauerfunktior |
| Justagemodus | 08 |
Setzen von Prioritäten und
Zählern |
09 |
Test-
Betriebsart |
Um den Modus zu aktivieren, die Tasten drücken und gleichzeitig den Hauptschalter einschalten. Die Änderungen im Modus 05 und 08 erfolgen über die Zehnertastatur / Zoomtasten. Abspeichern mit Unterbrechertaste. Testkopie im Modus 0 5 mit den Tasten 3+4
| LEDs für Vergrößerungs/Verkleinerungsfaktoren | ||||||||
|---|---|---|---|---|---|---|---|---|
| Taste | 50% | 71% | 82% | 100% | 122% | 141% | 200% |
Autom.
Belicht. |
| 1 |
P-RGT-
SW |
P-FED-
SW |
P-STP-
SW- |
SIDE-
DOOR-L- SW |
CST-
EMP- SW |
CST-
EMP-L- SW |
M-FED-
SW |
FED-SW
nur 3210 |
| 2 |
T-FUL-
SW |
DEV-
SW |
COLOR-
SW 0 |
COLOR-
SW 1 |
- | - | - | |
| 3 |
MTR-
FG |
- | - |
K-CTR-
SIG. |
MRR-
SW |
- |
LNS-
SW |
HOME-
SW |
| 4 | - | - | - |
HTR-
RDY |
PLL-
OK |
EXIT-
SW |
SIDE-
DOOR- SW |
- |
LED an = High-Signal
| Code | Funktion | Code | Funktion | ||
|---|---|---|---|---|---|
| 1 |
MAIN-MOT
HVT-T ERS-LAMP |
ON | 11 |
MAIN-MOT OFF
HVT-TR ERS-LAMP |
|
| 2 | FED-MTR (M5) Kassette | ON | 12 | FED-MTR OFF | |
| 3 | RGTU-CLT | ON | 13 | RGTU-CLT OFF | |
| 4 | RGTL-CLT | ON | 14 | RGTL-CLT OFF | |
| 6 | TNR-MTR | ON | 16 | TNR-MTR OFF | - |
| 7 | FAN-MTR | ON | 17 | FAN-MTR OFF | |
| 8 | FED-MTR (M5) Bypass | ON | 18 | FED-MTR OFF | |
| 9 | PICKUP-SND1 | ON | 19 | PICKUP-SND1 OFF | |
| 10 | T-CTR | ||||
| 20 | SCN-MTR | ٦ | |||
| _21 | LNS-MTR | Alternative | |||
| 22 | MRR-MTR | Richtungsänderung | |||
| 24 | DCM-MTR | ||||
| 30 | HVT-M | ON/OFF | Schaltet beim ersten Drücken der | - | |
| 31 | HVT-TR | ON/OFF | |||
| 32 | HVT-AC | ON/OFF | PRINT-Taste ein und beim erneuten | ı İ | |
| 33 | EXPO-LAMP | ON/OFF | |||
| 34 | PRE-TR | ON/OFF | Drücken der PRINT- / CS-Taste aus | ||
| 38 | PICKUP-SND2 | ON/OFF |
| Code | Funktion | Code | Funktion | ||
|---|---|---|---|---|---|
| 41 | FED-MTR (M10) | ON | 51 | FED-MTR | OFF |
| 42 | FD-CLT (CLT3) | ON | 52 | FD-CLT | OFF |
| 43 | PICKUP-SND (SND3) | ON | 53 | PICKUP-SND | OFF |
Bei den Codes 41-43 entsprechenden Einzug anwählen.
| Code | Justagemodus |
Justage-
bereich |
1710/2310/3210 |
|---|---|---|---|
| 0 | ATC-Justage | Anzeige 24 | |
| 1 | Manuelle Belichtung 100% | ||
| 2 | Manuelle Belichtung 154% | ||
| 3 | Manuelle Belichtung 50% | ||
| 4 | Manuelle Belichtung 200% | X | |
| 5 | Automatische Belichtung 100% | ||
| 6 | Automatische Belichtung 154% | ||
| 7 | Automatische Belichtung 50% | 0 0EE | |
| 8 | Automatische Belichtung 200% | 0-200 | |
| 9 | Manuell heller Bereich | Í | max. hell - 255 |
| 10 | Manuell dunkler Bereich | max. dunkel - 0 | |
| 11 | Manuelle Belichtung Farbe | Y | |
| 12 | Automatische Belichtung Farbe | ||
| 13 | Manuelle Belichtung Foto Farbe | ||
| 14 | Manuelle Belichtung Foto 100% | ||
| 15 | Manuelle Belichtung Foto 154% | 2310/3210 | |
| 16 | Manuelle Belichtung Foto 50% | ||
| 17 | Manuelle Belichtung Foto 200% | ||
| 21 |
Justage der Lampen-
wagengeschwindigkeit |
Veränderung im gesamten
Bereich |
|
| 25 | Löschung vor der Kopie | Nur 1710 | |
| 25 |
Vorderkantenrandlöschung bei
Randversatz |
Entsprechender Modus muß
angewählt sein 2310/3210 |
|
| 26 |
Löschung hinter der Kopie auf der
Trommel |
0 - 15 | Nur 1710 |
| 27 | Vorderkantenrandlöschung |
n an thai
The grant that |
Wird von Code 25 beeinflußt |
| 30 |
Hinterkantenrandlöschung bei
Randversatz |
Entsprechender Modus muß angewählt sein 2310/3210 | |
| 31 |
Löschung hinter der Kopie auf der
Trommel |
2310/3210 | |
| 38 | Gitterspannung | ||
| 39 | Übertragungsspannung | 0 - 255 | x |
| 40 | Ablösespannung |
an de ser de
Reference de ser de s |
|
| 41 | Ladung (Begrenzung) | 167 |
248 -
| 42 | Gitterspannung (Farbe) | ||
| 43 | Gitterspannung (Foto) | 0 - 255 | Nur 0010 / 0010 |
| 44 | Gitterspannung (Foto Farbe) | 1 | Nur 23107 3210 |
| . 49 | Automatische Belichtungsjustage nur Automatikbereich | weißes Blatt A3-Papier | |
| 50 | Objektivposition | 0 - 50 | Bildbreite/pro Schritt 0,1% |
| 51 | Spiegelposition | 7 0-30 | Bildschärfe/pro Schritt 0,22mm |
| 52 | Objektivtyp | 0 - 14 | siehe Aufkleber |
| 53 | Kopfanfang 100% | ||
| 54 | Kopfanfang 200% | 1 | Testkopie mit Tasten 3 + 4 |
| 55 | Kopfanfang 50% | ||
| 56 | Kopfanfang Stapeleinzug 100% | ||
| 80 | Bauschbildung Stapeleinzug | 0-15 | |
| 81 | Bauschbildung obere Kassette | · | |
| 82 |
Bauschbildung untere Kassette
und KD-1001 |
||
| 84 | Ausrichtung ADF-Betrieb |
Ausrichtung an der
Anlageschiene |
|
| 90 | ATC-Wert (Schwarz) | ||
| 9 1 | ATC-Wert (Rot) | 0 - 255 | |
| 92 | ATC-Wert (Blau) |
| Meßgerätespezifikation: | 10 MOhm Innenwiderstand / 400Hz | |||
|---|---|---|---|---|
| U . | Messung bei 20 - 25 °C Innentemperatur | |||
| Code | Justagemodus | 1710 | 2310 | 3210 |
|---|---|---|---|---|
| 38 | Gitterspannung | -800 +/-5V DC | -800 +/-5V DC | -770 +/-5V DC |
| 39 | Übertragungsspannung | -1,7 +/-0,2V DC | -1,7 +/-0,2V DC | -2,6 +/-0,2V DC |
| 40 | Ablösespannung |
2,8 +/-0,2V AC
(RMS) 3,0 +/-0,2V AC (TRMS) |
2,8 +/-0,2V AC
(RMS) 3,0 +/-0,2V AC (TRMS) |
3,4 +/-0,2V AC
(RMS) 3,66 +/-0,2V AC (TRMS) |
| 42 | Gitterspannung (Farbe) | -800 +/-5V DC | -800 +/-5V DC | -820 +/-5V DC |
| 43 | Gitterspannung (Foto) | -/- | -530 +/-10V DC | -625 +/-5V DC |
| 44 |
Gitterspannung
(Foto Farbe) |
-/- | -530 +/-10V DC | -538 +/-5V DC |
| 41 | Ladung (Begrenzung) | Wert 167 | Wert 167 | Wert 167 |
| • • |
| Code | Justagemodus |
Justage-
bereich |
1710 / 2310 | 3210 |
|---|---|---|---|---|
| 32 |
Biasspannung
(Modus 04) |
VR 1 | -194 +/- 5V DC | -200 +/- 5V DC |
4. Zum Überprüfen kann die Biasspannung auch an der Achse der Magnetwalze gemessen werden.
- 26 -
| Code | Justagemodus | 1710 / 2310 / 3210 |
|---|---|---|
| 0 | ATC-Justage | Anzeige 24 |
Nach dem Auftonern oder Abmagern des Entwicklers muß die Justage im Code 0 erneut durchgeführt werden.
Anzeiae: AJ
Über die Zehnertastatur 0 eingeben und die Printtaste drücken. Nach ca. 3 Minuten wechselt die Anzeige der Printtaste von ROT nach GRÜN. Folgende Meldung wird im Display angezeigt.
Anzeige: 24
Zur Speicherung des Wertes muß die C/S-Taste betätigt werden. Tonerkartusche wieder einsetzen und den Justagemodus mit den Tasten 0 und 9 verlassen.
| Code | Justagemodus |
Justage-
bereich |
1710 / 2310 / 3210 |
|---|---|---|---|
| 90 | ATC-Wert (Schwarz) | ||
| 91 | ATC-Wert (Rot) | 0 - 255 | Speichern mit Unterbrechertaste |
| 92 | ATC-Wert (Blau) | · |
Anmerkung: Wert nach Justage höher -> Tonerkonzentration höher Wert nach Justage niedriger -> Tonerkonzentration niedriger
| Code | Justagemodus |
Justage-
bereich |
1710 / 2310 / 3210 |
|---|---|---|---|
| 52 | Objektivtyp | 0 - 14 | siehe Aufkleber |
| 50 | Objektivposition | 0 - 50 | Bildbreite/pro Schritt 0,1% |
| 51 | Spiegelposition | 0 - 50 | Bildschärfe/pro Schritt 0,22mm |
Die Kopie ist bei Wiedergabefaktor 100% in Ordnung. (Justage Code 50 und 51 wurden durchgeführt).
Ist bei Vergrößerung oder Verkleinerung der Wiedergabefaktor (Bildbreite) fehlerhaft, so kann der Justagewert in Code 52 entsprechend geändert werden.
| Code | Justagemodus |
Justage-
bereich |
1710 / 2310 / 3210 |
|---|---|---|---|
| 21 |
Justage der Lampen-
wagengeschwindigkeit |
0 - 15 | Veränderung im gesamten Bereich |
Code 9 (101% in Laufrichtung) im Programm 08 beachten!
| Code | Justagemodus |
Justage-
bereich |
1710 / 2310 / 3210 |
|---|---|---|---|
| 81 | Bauschbildung obere Kassette | ||
| 82 | Bauschbildung untere Kassette und KD-1001 | 0 - 15 | х |
| 80 | Bauschbildung Stapeleinzug | ] | |
| 84 | Ausrichtung ADF-Betrieb |
Ausrichtung an der
Anlageschiene |
| Code | Justagemodus |
Justage-
bereich |
1710 / 2310 / 3210 |
|---|---|---|---|
| 53 | Kopfanfang 100% | ||
| 54 | Kopfanfang 200% | 0 - 15 |
Testkopie
mit Taste 3+4 |
| 55 | Kopfanfang 50% | ||
| 56 | Kopfanfang Stapeleinzug 100% |
| Code | Justagemodus |
Justage-
bereich |
1710/2310/3210 |
|---|---|---|---|
| 1 | Manuelle Belichtung 100% | ( | |
| 2 | Manuelle Belichtung 154% | x | |
| 3 | Manuelle Belichtung 50% | 0 - 255 | |
| 4 | Manuelle Belichtung 200% | ||
| 9 | Manuell heller Bereich | max. hell - 255 | |
| 10 | Manueli dunkler Bereich | max. dunkel - 0 | |
| 49 |
Automatische Belichtungsjustage
nur Automatikbereich |
weißes Blatt A3-Papier | |
| 5 | Automatische Belichtung 100% | ||
| 6 | Automatische Belichtung 154% | ||
| 7 | Automatische Belichtung 50% | 0 - 255 | x |
| 8 | Automatische Belichtung 200% | 1 | |
| 11 | Manuelle Belichtung Farbe | ||
| 12 | Automatische Belichtung Farbe | ||
| 14 | Manuelle Belichtung Foto 100% | ||
| 15 | Manuelle Belichtung Foto 154% | ||
| 16 | Manuelle Belichtung Foto 50% | 0 - 255 | · 2310/3210 |
| 17 | Manuelle Belichtung Foto 200% | 1 | |
| 13 | Manuelle Belichtung Foto Farbe | 1 |
Beispiel: 1:1 Kopie (100%)
Beispiel: 1:1 Kopie (100%)
| Code | Justagemodus |
Justage-
bereich |
1710 |
|---|---|---|---|
| 25 | Löschung vor der Kopie | ||
| 26 | Löschung hinter der Kopie | 0 - 15 | |
| 27 | Vorderkantenrandlöschung | Wird von Code 25 beeinflußt |
| Code | Justagemodus |
Justage-
bereich |
2310 / 3210 |
|---|---|---|---|
| 30 |
Hinterkantenrandlöschung bei
Randversatz |
Entsprechender Modus muß | |
| 25 |
Vorderkantenrandlöschung bei
Randversatz |
0 - 15 | angewanit sein |
| 27 | Vorderkantenrandlöschung | Wird von Code 25 beeinflußt | |
| 31 |
Löschung hinter der Kopie auf der
Trommel |
| Code | Justagemodus |
Justage-
bereich |
1710 |
2310
3210 |
Kommentar |
|---|---|---|---|---|---|
| 8 | Version | 0 - 2 |
auf
0 setzen |
auf
0 setzen |
0 = EUR (A4/A3/FOLIO)
1 = UC (LT/LD) 2 = JPN |
| 9 |
Wiedergabefaktor in
Laufrichtung |
0 - 1 | x | x |
0 = 100%
1 = 101% |
| 10 | Timermodus | 0 - 10 | Â |
0 = unendlich /
Wert x 15sek |
|
| 11 | Energiesparmodus | 0 - 1 | -/- | х |
0 = ausgeschaltet
1 = nach 5 Minuten |
| 12 |
Maximale
Kopienvorwahl |
0 - 3 | x | х |
0 = max. 99
1 = max. 9 2 = max. 999 3 = max. 250 |
| 13 |
Zweimaliger Papier-
einzugsversuch |
0 - 1 |
0 = zweimaliger Versuch
1 = einmaliger Versuch |
||
| 14 | Kassettenpriorität | 0 - 7 | х | -/- |
0 = A4
1 = Kassette 2 = Zusatzkassette(Option) |
| 14 | Kassettenpriorität | 0 - 7 | -/- | х |
0 = A4
1 = Pedestal (Option) 3 = obere Kassette 4 = untere Kassette |
| 15 | Belichtungspriorität | 0 - 1 | х | -/- |
0 = Automatik
1 = Manuell |
| 15 | Belichtungspriorität | 0 - 2 | -/- | х |
0 = Automatik
1 = Manuell 2 = Foto |
| 16 | A3-Doppelzählung | 0 - 1 | х | х |
0 = Einzel
1= Doppel |
| 17 |
Auto-Start-
Stapeleinzug |
0 - 1 | v | × |
0 = Start mit PRINT-Taste
1 = Autostart |
| 18 | ADF / SADF Priorität | 0 - 1 | ^ |
0 = ADF
1 = SADF (Autostart) |
|
| 20 |
Start der Heizwalzen
( Hauptmotor ) |
0 - 1 | -/- |
nur
3210 |
0 = ausgeschaltet
1 = 35 sek. nach Einschalten des Gerätes |
| 22 | AMS / APS Priorität | 0 - 2 |
0=APS
1=aus |
х |
0 = ausgeschaltet
1 = APS eingeschaltet 2 = AMS eingeschaltet |
| 25 |
Automatische Belich-
tungsartumschaltung |
0 - 1 | х | х |
0 = aktiviert
1 = aus |
* = Pedestal = Kassettenunterschrank
| Code | Justagemodus |
Justage-
bereich |
1710 |
2310
3210 |
Kommentar |
|---|---|---|---|---|---|
| 64 |
Wartungszähler für
Schwarzkopien |
0 - 999.999 | 0 = Wartungszähler aus | ||
| 74 |
Aktueller Stand des
Wartungszählers |
0 - 999.999 | |||
| 65 |
Wartungszähler für
Farbkopien |
0 - 999.999 | х | x | 0 = Wartungszähler aus |
| 75 |
Aktueller Stand des
Wartungszählers |
0 - 999.999 | |||
| 69 |
Wartungszähler
gesamt |
0 -999.999 | 0 = Wartungszähler aus | ||
| 79 |
Aktueller Stand des
Wartungszählers |
0 - 999.999 | |||
| 70 | Schwarzkopienzähler | 0 - 999.999 | -/- | Х | |
| 71 | Rotkopienzähler | 0 - 999.999 | |||
| 72 | Blaukopienzähler | 0 - 999.999 | |||
| **87 | Löschen aller Zähler | 00 Listerbrachertaste | |||
| **88 | Initialisierung BC-RAM | ou, of her biecher laste | |||
| 89 | C7-Zähler | 0 - 3 | х | х |
0 = normal
3 = sofort Anzeige C7 |
| 92 | Kopienzähler ADF | 0 - 999.999 | |||
| 93 |
Kopienzähler Stapel-
einzug |
0 - 999.999 | |||
| 94 |
Kopienzähler obere
Kassette |
0 - 999.999 | |||
| 95 |
Kopienzähler
Pedestal |
0 - 999.999 | -/- | х | |
| 96 |
Kopienzähler untere
Kassette |
0 - 999.999 | х | х |
* = Pedestal = Kassettenunterschrank
** = Nur mit geschlossener CNT-Brücke möglich
OPTISCHES SYSTEM
Optik-Spiegelanordnung - Vorderansicht
1. Riemenspannung justieren.
2. Lampenwagen lösen (2 Schrauben) und nach rechts schieben.
3. Den Spiegelwagen lösen und gegen die Ausgabeseite des Maschinenrahmens schieben.
4. Danach den Lampenwagen gegen den Spiegelwagen schieben und die beiden Schrauben des Lampenwagens wieder festdrehen.
Ist die Kopie wie in Abbildung A und B verschoben, mit der Justageschraube am Spiegel 2 justieren.
lst die Kopie wie in Abbildung C und D verschoben, mit der Justageschraube am Spiegel 1 justieren.
Verschiebt sich das Bild auf der Kopie, obwohl das Original korrekt an der Anlageschiene anliegt, den vorderen Halter der Anlageschiene justjeren.
Ist die Kopie wie in Abbildung A verschoben, die Anlageschiene in Pfeilrichtung _____
Ist die Kopie wie in Abbildung B verschoben, die Anlageschiene in Pfeilrichtung
Standard: 1710 . 2310 = 0.50mm / 3210 = 0.45mm
Zur Justage der Abstreifschiene den Entwickler aus der Entwicklereinheit entfernen. Die beiden Befestigungsschrauben der Absteifschiene lösen und die Justagelehre zwischen markierter Stelle auf der Magnetwalze und Abstreifschiene einsetzen. Die Abstreifschiene vorne und hinten leicht gegen die Justagelehre schieben und festschrauben. Zur Kontrolle die Justagelehren ±0.05mm und -0.05mm verwenden.
Beispiel 1710:
Eine Justage der Polposition ist normalerweise nicht nötig. Sollten dennoch Abweichungen auftreten , so ist die Pol-Höhe an der hinteren Justage-Platte (Adjustment plate) zu justieren.
Die Verfahrensweise für die schwarze und farbige Entwicklereinheit ist gleich.
EINZUG
Unterer Kassetteneinzug mit Antrieb
Den Aufnahmerollenmagneten betätigen und den Abstand überprüfen Die Justage kann am Magneten durchgeführt werden.
1710 / 2310 3.6 bis 4.0mm
Den Einzug ausbauen, den Aufnahmerollenmagneten von Hand betätigen und den Abstand überprüfen.
Die Justage kann am Magneten durchgeführt werden.
Die folgende Tabelle zeigt die Position der Formatplättchen für die verschiedenen Papierformate.
| Format | S0 | S1 | S2 | S3 |
| A3 | 0 | - | - | - |
| B4 | 0 | 0 | - | - |
| FOLIO | 0 | - | 0 | - |
| A4-R | - | - | - | 0 |
| A4 | 0 | 0 | - | 0 |
| A5-R | - | 0 | 0 | 0 |
O = Formatplättchen eingesetzt - = Formatplättchen nicht eingesetzt
1710/2310
Absteifschiene
Absteifschiene
Rückführwischer
Magnetwalzendrehwerkzeug
Entwicklereinfüllstutzen
Türüberbrücker
HAUPTRANSFORMATOR
TR-115-306/TR-200-170 Rated input . 100 V/115 V/220, 240 V/50, 60 Hz
Rated output 10.5 V 5 A; 26.5 V 6 A, 100 V 1 A
- 49 -
| Spannung | |
| +5 V | LSI und Logik-ICs |
| +5 E | LED-Leiste |
| +11 V | Reset-Spannung |
| Zerro- | Signal für Belichtungssteuerung |
| Cross | |
| +24 V |
Optikmotor (M3), Spiegelmotor (M4), Einzugsmotor (M5), Optiklüfter (M6),
Ausgabelüfter (M7), Bodenlüfter (M8), Tonermotor (M9), Formatanzeigemotor (M11), untere Ausrichtrollenkupplung (CLT1), obere Ausrichtrollenkupplung (CLT2), Gesamtzähler (T), Kostenstellenzäher (K), Aufnahmemagnet (SND1), Aufnahmemagnet (SND2) |
| +33 A | Hauptmotor (M1), Lampenwagenmotor (M2), Ladetransformator (HVT-M), |
| +33 B |
Übertragungstransformator (HVT-T),
Vorübertragungstransformator (PRE-TR) |
| J133-1 | Control voltage (Vc1) (Total current) |
|---|---|
| J133-2 | Control voltage (Vc) (Grid) |
| J133-3 | ON-OFF signal |
| J133-4 | 0 V |
| J133-5 | 26 VDC ~ 42 VDC |
Input and output signal
| J131-1 | Transfer output control (ON/OFF) |
| J131-2 | Separation/bias output control (ON/OFF) |
| J131-3 | 26 VDC ~ 42 VDC |
| J131-4 | 0 V (DG) |
| J131-5 | Control voltage Vc (transfer) |
| J131-6 | Control voltage Vc (separation) |
| J131-8 | Bias output |
| J135-1 | DC 26 – 42 V |
|---|---|
| J135-2 | ON signal |
| J135-3 | 0 V (DG) |
| Temperatur | Thermistorwiderstand |
Status der Fixier-
lampe |
|---|---|---|
| Unter 200/203 °C | Über 3,2 kΩ | EIN |
| 200/203 °C | 3,2 kΩ |
Beibehalten des vor-
herigen Status |
| Über 200/203 °C | Unter 3.2 kΩ | AUS |
- 55 -
- 56 -
- 57 -
| Baugruppe | Einzelteile | Reinigen | Schmieren |
Austausch-
intervall |
Überprüfen | Bemerkung |
|---|---|---|---|---|---|---|
| Reinigungs- | 1. Gesamteinheit | 0 | ||||
| einheit | 2. Trommelwischer | 0 | 60.000 | 0 | *1 | |
| 3. Tonerbeutel 1710 | 10.000 | Vom Bediener | ||||
|
3. Tonerbeutel
2310 / 3210 |
20.000 | durchzuführen | ||||
| 4. Rückführwischer | 0 | 120.000 | *2 | |||
| 5. Trommellager | 0 | |||||
| 6. Entladelampe | 0 | - | ||||
| Trommel | 10. Trommelachse | 0/A | ||||
| 11. Trommel |
60.000
oder mehr |
*3 | ||||
| Originalglas | 12. Glasplatte | 0/A | ||||
| 13. Originalabdeckung | 0/A | |||||
| Optisches | 15 20. Spiegel 1 - 6 | 0 | ||||
| System | 21. Staubschutzglas | 0 | ||||
| 22. Reflektor | 0 | |||||
| 23. Objektiv | 0 | |||||
| 24. Belichtungslampe | 0 | Х | 0 | |||
|
25. Automatischer
Belichtungssensor |
0 | 0 | ||||
|
26. Zoom-Mechanismus
Spiegel |
0 | 0 | ||||
|
27. Zoom-Mechanismus
Objektiv |
0 | 0 | ||||
| 28. Laufschienen | 0/A | Х | ||||
| 29. Luftfilter | 0 | Х | *4 | |||
| 30. Ozonfilter 1710/2310 | 40.000 | |||||
| 30. Ozonfilter 3210 | 60.000 | |||||
| Ladung | 31. Gehäuse | 0 | Х | |||
| 32. LED-Leiste | 0/A | Glasreiniger | ||||
|
33. Koronadraht
1710/2310 |
ο |
40.000
X |
0 | |||
|
33. Koronadraht
3210 |
0 |
60.000
X |
||||
| 34. Kontakte | 0 | |||||
| 35. Gitter | 0 | 120.000 |
| Baugruppe | Einzelteile | Reinigen | Schmieren |
Austausch-
intervall |
Überprüfen | Bemerkung |
|---|---|---|---|---|---|---|
| Entwickler- | 36. Gesamt | 0 | ||||
| einheit |
37. Entwickler
Schwarz / Farbe |
60.000/
10.000 |
*5 | |||
| 38. Vorderabdeckung | 0 | Х | ||||
| Distanzrollen | O/A | Х | ||||
| Einzug | 40. Aufnahmerolle | Α | 40.000 / X | |||
| 41. Einzugsrolle | Α | 40.000 / X | ||||
| 42. Separationsrolle | Α | 40.000 / X | ||||
|
43. Manuelle
Einzugsrolle |
А | х | ||||
| 44. Ausrichtrollen | А | Х | ||||
| 45. Papierführung | 0 | |||||
| 46. Bürste | 0 | X . | ||||
| 48. Mitteltransportband | 0 | Х | ||||
| Fixiereinheit | 50. Teflonwalze | O/P | 120.000 | *6 | ||
| 51. Einlaufblech | O/P | |||||
| 52. Silikonwalze | 0/P | 180.000 | *6 | |||
|
53. Reinigungsrolle
1710 |
40.000 | *7 | ||||
|
53. Reinigungsrolle
2310/3210 |
60.000 | *7. | ||||
| 54. Thermistor | 0/P | Х | ||||
| 55. Trennfinger (oben) | 0/P | 80.000 | *8 | |||
| 56. Auslaufblech | 0/P | |||||
| 57. Auslaufrolle | А | - | - | |||
| 58. Trennfinger (unten) | 0/P | Х | ||||
| 59. Heizwalzenwischer | Α | Х | ||||
|
Antriebs-
system |
60. Antriebszahnräder
für Fixiereinheit (Zahnfläche) |
SI |
| Reinigen | Schmieren | Auswechseln |
|---|---|---|
| A Mit Alkohol reinigen | V Vaseline | 20.000 = Alle 20.000 Kopien |
| B Mit Benzin reinigen | H Schweres-/ Mittelöl | 40.000 = Alle 40.000 Koplen |
|
P Mit Heizwalzenreiniger
reinigen |
L Launa 40
S Silikonöi |
60.000 = Alle 60.000 Kopien |
|
O Normale Putzwolle, Lappen
oder Reiniger (Staubsauger) |
M Molytherm
W Weißes Fett |
X Bei Beschädigung
auswechseln |
VORDERANSICHT
Ist die Reinigung durch anhaftende Staub- oder Papierpartikel usw. vor Erreichen der angegebenen Kopienzahl unzureichend, so ist die Trommelwischerkante mit einem wassergetränktem Tuch zu reinigen. Bei Bedarf den Wischer auswechseln. Es emofiehlt sich, den Wischer mit der Trommel zusammen auszuwechseln.
*2 Rückführwischer
Ist die Wischerkante beschädigt, muß der Wischer unabhängig von der erstellten Kopienanzahl ausgetauscht werden.
Bei vorzeitiger Verschmutzung, bitte Tonerkonzentration, Trommelspannungen, Thermistor, Andruck und Papierqualität überprüfen.
*8 Trennfinger
Sind die Spitzen der Trennfinger beschädigt, müssen diese unabhängig von der Anzahl der erstellten Kopien ausgewechselt werden.
LOGIKSCHALTPLAN (3/8)
LOGIKSCHALTPLAN (4/8)
LOGIKSCHALTPLAN (5/8)
LOGIKSCHALTPLAN (6/8)
LOGIKSCHALTPLAN (7/8)
`
LOGIKSCHALTPLAN (8/8)
LOGIKSCHALTPLAN (1/9)
.
LOGIKSCHALTPLAN (2/9)
LOGIKSCHALTPLAN (3/9)
LOGIKSCHALTPLAN (4/9)
LOGIKSCHALTPLAN (5/9)
LOGIKSCHALTPLAN (6/9)
,
LOGIKSCHALTPLAN (7/9)
LOGIKSCHALTPLAN (8/9)
| 1 | 2 | З | 4 | 5 | 5 | 7 | 8 |
|---|---|---|---|---|---|---|---|
|
J1 A1 - 1 -
U-CGV-9k
A2 - 2 - P-STB1-SM A3 - 3 - P-EMPO-SM A4 - 4 - P-STP0-SM A5 - 5 - P-STP0-SM |
286
301 381 381 |
≫st – BL
>se 2 – >se 2 – >se 4 >se 4 |
+24Y
|
||||
| A8 |
883
683 607 807 3A8 883 2A1 281 803 257 607 709 |
J7_ 1
~
- 2 - 3 - 4 - 8 - 8 |
UND
LNZ-SH YOD HRR-SH YOD YOD |
≫-8
≫ 19∪ 2 ⇒ 101L 22 |
EAN-OPT 645 | ||
| B6 - 16 HYT-SP-VREF B7 10 HYT-G9-ON B7 20 EXIT-SW B8 21 THI B9 21 THI B10 22 934+ B11 23 EXPO-VREF B12 24 EXPO-ON |
788
607 288 241 107 788 807 |
J3_ 1
|
K_CTA BA6
|
- 3 area
- 4 area - 6 area - 7 area - 8 area - 9 area - 10 area - 10 area - 10 area - 10 area - 10 area - 10 area - 10 area - 10 area - 10 area - 10 area - 10 area - 10 area - 10 area - 10 area - 10 area - 10 area - 10 area - 10 area - 10 area - 10 area - 10 area - 10 area - 10 area - 10 area - 10 area - 10 area - 10 area - 10 area - 10 area - 10 area - 10 area - 10 area - 10 area - 10 area - 10 area - 10 area - 10 area - 10 area - 10 area - 10 area - 10 area - 10 area - 10 area - 10 area - 10 area - 10 area - 10 area - 10 area - 10 area - 10 area - 10 area - 10 area - 10 area - 10 area - 10 area - 10 area - 10 area - 10 area - 10 area - 10 area - 10 area - 10 area - 10 area - 10 area - 10 area - 10 area - 10 area - 10 area - 10 area - 10 area - 10 area - 10 area - 10 area - 10 area - 10 area - 10 area - 10 area - 10 area - 10 area - 10 area - 10 area - 10 area - 10 area - 10 area - 10 area - 10 area - 10 area - 10 area - 10 area - 10 area - 10 area - 10 area - 10 area - 10 area - 10 area - 10 area - 10 area - 10 area - 10 area - 10 area - 10 area - 10 area - 10 area - 10 area - 10 area - 10 area - 10 area - 10 area - 10 area - 10 area - 10 area - 10 area - 10 area - 10 area - 10 area - 10 area - 10 area - 10 area - 10 area - 10 area - 10 area - 10 area - 10 area - 10 area - 10 area - 10 area - 10 area - 10 area - 10 area - 10 area - 10 area - 10 area - 10 area - 10 area - 10 area - 10 area - 10 area - 10 area - 10 area - 10 area - 10 area - 10 area - 10 area - 10 area - 10 area - 10 area - 10 area - 10 area - 10 area - 10 area - 10 area - 10 area - 10 area - 10 area - 10 area - 10 area - 10 area - 10 area - 10 area - 10 area - 10 area - 10 area - 10 area - 10 area - 10 area - 10 area - 10 area - 10 area - 10 area - 10 area - 10 area - 10 area - 10 area - 10 area - 10 area - 10 area - 10 area - 10 area - 10 area - 10 area - 10 area - 10 area - 10 area - 10 area - 10 area - 10 area - 10 area - 10 area - 10 area - 10 area - 10 area - 10 area - 10 area - 10 area - 10 area - 10 area - 10 area - 10 area - 10 area - |
YDD
HVT-M-YBEF 706 HVT-M-QVBEF 706 HVT-M-QN 507 08 |
||
| J2 A1 1 K-BINZ A2 2 SCMD A3 3 K-BINS A4 4 K-BINS A4 5 K-BINS A5 5 K-BINS A6 5 K-BINS A7 7 K-BINS A8 6 K-BINS A9 0 K-BINS A10 10 SCMD A11 SCMD |
281
3CB 381 381 381 381 381 381 381 381 388 388 |
J5_ 1 €
J5_ 1 € _ 2 € _ 3 € _ 4 € _ 3 € _ 4 € _ 6 € |
ECNC 188
|
- 14 -
- 15 - - 15 - - 2 - - 2 - - 2 - - 3 - - 3 - - 3 - - 3 - - 3 - - 3 - - 3 - - 3 - - 3 - - 3 - - 3 - - 3 - - 3 - - 3 - - 3 - - 3 - - 3 - - 3 - - 3 - - 3 - - 3 - - 3 - - 3 - - 3 - - 3 - - 3 - - 3 - - 3 - - 3 - - 3 - - 3 - - 3 - - 3 - - 3 - - 3 - - 3 - - 3 - - 3 - - 3 - - 3 - - 3 - - 3 - - 3 - - 3 - - 3 - - 3 - - 3 - - 3 - - 3 - - 3 - - 3 - - 3 - - 3 - - 3 - - 3 - - 3 - - 3 - - 3 - - 3 - - 3 - - 3 - - 3 - - 3 - - 3 - - 3 - - 3 - - 3 - - 3 - - 3 - - 3 - - 3 - - 3 - - 3 - - 3 - - 3 - - 3 - - 3 - - 3 - - 3 - - 3 - - 3 - - 3 - - 3 - - 3 - - 3 - - 3 - - 3 - - 3 - - 3 - - 3 - - 3 - - 3 - - 3 - - 3 - - 3 - - 3 - - 3 - - 3 - - 3 - - 3 - - 3 - - 3 - - 3 - - 3 - - 3 - - 3 - - 3 - - 3 - - 3 - - 3 - - 3 - - 3 - - 3 - - 3 - - 3 - - 3 - - 3 - - 3 - - 3 - - 3 - - 3 - - 3 - - 3 - - 3 - - 3 - - 3 - - 3 - - 3 - - 3 - - 3 - - 3 - - 3 - - 3 - - 3 - - 3 - - 3 - - 3 - - 3 - - 3 - - 3 - - 3 - - 3 - - 3 - - 3 - - 3 - - 3 - - 3 - - 3 - - 3 - - 3 - - 3 - - 3 - - 3 - - 3 - - 3 - - 3 - - 3 - - 3 - - 3 - - 3 - - 3 - - 3 - - 3 - - 3 - - 3 - - 3 - - 3 - - 3 - - 3 - - 3 - - 3 - - 3 - - 3 - - 3 - - 3 - - 3 - - 3 - - 3 - - 3 - - 3 - - 3 - - 3 - - 3 - - 3 - - 3 - - 3 - - 3 - - 3 - - 3 - - 3 - - 3 - - 3 - - 3 - - 3 - - 3 - - 3 - - 3 - - 3 - - 3 - - 3 - - 3 - - 3 - - 3 - - 3 - - 3 - - 3 - - 3 - - 3 - - 3 - - 3 - - 3 - - 3 - - 3 - - 3 - - 3 - - 3 - - 3 - - 3 - - 3 - - 3 - - 3 - - 3 - - 3 - - 3 - - 3 - - 3 - - 3 - - 3 - - 3 - - 3 - - 3 - - 3 - - 3 - - 3 - - 3 - - 3 - - 3 - - 3 - - 3 - - 3 - - 3 - - 3 - - 3 - - 3 - - 3 - - 3 - - 3 - - 3 - - 3 - - 3 - - 3 - - 3 - - 3 - - 3 - - 3 - - 3 - - 3 - - 3 - - 3 - - 3 - - 3 - - 3 - - 3 - - 3 - - 3 - - 3 - - 3 - - 3 - - 3 - - 3 - - 3 - - 3 - - 3 - - 3 - - 3 - - 3 - - 3 - - 3 - - 3 - - 3 - - 3 - - 3 - - 3 - - 3 - - 3 - - 3 - - 3 - - 3 - - 3 - - 3 - - 3 - - 3 - - 3 - - 3 - - 3 - - 3 - - 3 - - 3 - - 3 - - 3 - - 3 - - 3 - - 3 - - 3 - - 3 - - 3 - - 3 - - 3 - - 3 - - 3 - - 3 - - - 3 - - 3 - - - 3 - - - 3 - - - - 3 - - - - |
PLTN=Bh 181
|
||
| A12 12 22 2413 A13 SCN3 SCN3 A14 13 SCN3 A14 14 SCN3 A15 SCN3 SCN3 B1 15 SCN2 B2 17 T-CTB B3 18 +24V B4 19 SR0 B5 20 SR0 B6 21 VOO B7 22 VOO B8 23 OSP-ONIA B9 24 OSP-DNIA 810 22 OSP-DNIA |
308
308 308 201 141 440 |
J12 – 1≪
– 2≪ |
898-42-
x 609
+247 x |
||||
|
011 - 26
052-171
3
812 - 27 052-56K 813 - 28 052-0AL 813 - 28 052-0AL 814 - 29 815 - 30 |
908
309 309 107 107 |
603
488-₩07-8 488-₩07-8 488-₩07-8 503 +24¥ |
|||||
| i | 2 | з | 4 | 5 | 6 | 7 |
LOGIKSCHALTPLAN (1/9)
LOGIKSCHALTPLAN (2/9)
LOGIKSCHALTPLAN (2/9)
.....
LOGIKSCHALTPLAN (4/9)
LOGIKSCHALTPLAN (5/9)
LOGIKSCHALTPLAN (6/9)
LOGIKSCHALTPLAN (7/9)
LOGIKSCHALTPLAN (8/9)
| 1 | 2 | 3 | 4 | 5 | 6 | 7 | 8 |
|---|---|---|---|---|---|---|---|
|
U1 A1 — 1
A2 — 2 A3 — 3 |
- 3 |
+24V
+24V |
|||||
| ~ |
A4 - 4 - M-FED=3H → 381
A5 - 5 - A6 - 6 - P-STEQ-SH → 371 A6 - 6 - P-STEA -SNO → 683 A7 - 7 - P-STEA -SNO → 683 A7 - 5 - P1C-U-SNO → 603 |
J7_ 1
|
- 4
-
- 5 - 6 |
||||
|
AQ _ 9 € _
FFL0-3015
BO7
A10 _ 10 € FFL0-307-GY _ 3AB A11 _ 11 € FFL0-307-GY _ 3AB A12 _ 12 € FAL-DT _ 8B3 A13 _ 13 € FFL0 _ 2A1 |
- 3 3 |
J9 – 1
– 2 |
FAN-OPT
БАЗ
+24 У |
||||
|
81 _ 14
82 _ 16 83 _ 16 83 _ 16 84 _ 17 84 _ 17 85 _ 18 85 _ 18 87 _ 18 87 _ 18 87 _ 18 87 _ 18 87 _ 18 87 _ 18 87 _ 18 87 _ 18 87 _ 18 87 _ 18 87 _ 18 87 _ 18 87 _ 18 87 _ 18 87 _ 18 87 _ 18 87 _ 18 87 _ 18 87 _ 18 87 _ 18 87 _ 18 87 _ 18 87 _ 18 87 _ 18 87 _ 18 87 _ 18 87 _ 18 87 _ 18 87 _ 18 87 _ 18 87 _ 18 87 _ 18 87 _ 18 87 _ 18 87 _ 18 87 _ 18 87 _ 18 87 _ 18 87 _ 18 87 _ 18 87 _ 18 87 _ 18 87 _ 18 87 _ 18 87 _ 18 87 _ 18 87 _ 18 87 _ 18 87 _ 18 87 _ 18 87 _ 18 87 _ 18 87 _ 18 87 _ 18 87 _ 18 87 _ 18 87 _ 18 87 _ 18 87 _ 18 87 _ 18 87 _ 18 18 _ 18 18 _ 18 18 _ 18 18 _ 18 18 _ 18 18 _ 18 18 _ 18 18 _ 18 18 _ 18 18 _ 18 18 _ 18 18 _ 18 18 _ 18 18 _ 18 18 _ 18 18 _ 18 18 _ 18 18 _ 18 18 _ 18 18 _ 18 18 _ 18 18 _ 18 18 _ 18 18 _ 18 18 _ 18 18 _ 18 18 _ 18 18 _ 18 18 _ 18 18 _ 18 18 _ 18 18 _ 18 18 _ 18 18 _ 18 18 _ 18 18 _ 18 18 _ 18 18 _ 18 18 _ 18 18 _ 18 18 _ 18 18 _ 18 18 _ 18 18 _ 18 18 _ 18 18 _ 18 18 _ 18 18 _ 18 18 _ 18 18 _ 18 18 _ 18 18 _ 18 18 _ 18 18 _ 18 \\ 18 _ 18 \\ 18 _ 18 \\ 18 _ 18 \\ 18 _ 18 \\ 18 _ 18 \\ 18 _ 18 \\ 18 _ 18 \\ 18 _ 18 \\ 18 _ 18 \\ 18 _ 18 \\ 18 _ 18 \\ 18 _ 18 \\ 18 _ 18 \\ 18 _ 18 \\ 18 _ 18 \\ 18 _ 18 \\ 18 _ 18 \\ 18 _ 18 \\ 18 _ 18 \\ 18 _ 18 \\ 18 _ 18 \\ 18 _ 18 \\ 18 _ 18 \\ 18 _ 18 \\ 18 _ 18 \\ 18 _ 18 \\ 18 _ 18 \\ 18 _ 18 \\ 18 _ 18 \\ 18 _ 18 \\ 18 _ 18 \\ 18 _ 18 \\ 18 _ 18 \\ 18 _ 18 \\ 18 _ 18 \\ 18 _ 18 \\ 18 _ 18 \\ 18 _ 18 \\ 18 _ 18 \\ 18 _ 18 \\ 18 _ 18 \\ 18 _ 18 \\ 18 _ 18 \\ 18 _ 18 \\ 18 _ 18 \\ 18 _ 18 \\ 18 _ 18 \\ 18 _ 18 \\ 18 _ 18 \\ 18 _ 18 \\ 18 _ 18 \\ 18 _ 18 \\ 18 _ 18 \\ 18 _ 18 \\ 18 _ 18 \\ 18 _ 18 \\ 18 _ 18 \\ 18 _ 18 \\ 18 _ 18 \\ 18 _ 18 \\ 18 _ 18 \\ 18 _ 18 \\ 18 _ 18 \\ 18 _ 18 \\ 18 _ 18 \\ 18 _ 18 \\ 18 _ 18 \\ 18 _ 18 \\ 18 _ 18 \\ 18 _ 18 \\ 18 _ 18 \\ 18 _ 18 \\ 18 _ 18 \\ 18 _ 18 \\ 18 _ 18 \\ 18 _ 18 \\ 18 _ 18 \\ 18 _ 18 \\ 18 _ 18 \\ 18 _ 18 \\ 18 _ 18 \\ 18 _ |
J3_ 1
|
GND
HOME-SH 181 |
|||||
| 1 |
B7 - 20 ←
HYI-00-01
, 507
B6 - 21 ← EXIT-SH , 268 B9 - 22 ← TH1 , 211 B10 - 23 ← S98+ 107 B11 - 24 ← EXPO-XREF , 768 CEPO-01 ~ 768 |
- 3
- k
- 4 - k - 5 - - 6 - |
-CTR-5102 1A3
-CTR-5101 1A2 -+24Y 201 |
- □ < |
HYI-K-YREF 708
HYI-W-ON 807 |
||
| B12 → 25 ← |
J4_
1 ≪⊂
_ 2 ≪⊂ |
- 11 <
- 12 < - 13 < - 14 < - 15 < |
+24V
OG OND OND PLIN-SM SB1 VOD |
||||
| - | J2 A1 1 381 A2 2 2 A3 - 3610 A4 - K-BINS A5 - 5 K-BINS 381 A5 - 5 - | - 4 ≪ | YCD |
J11 - 1
- 2 - 3 < |
мот-го
зсз
нат-си/сси 2св УРР |
||
| A7 - 7 K-RTM2 3A1 A8 - 8 S-RTM1 3A1 A9 - 9 K-BTM0 3A1 A9 - 9 S-RTM1 3A1 A9 - 9 S-RTM1 3A1 A9 - 9 S-RTM1 3A1 A10 - 10 SCN0 386 A11 - SCM1 3CB A12 - 12 SCM3 3CB |
- 2
≪
- 3 ≪ - 5 ≪ - 5 ≪ |
+33Y
|
- 4 <
- 5 < - 6 < - 7 < - 8 < |
PULOX 288
MOT-BEF, 208 MOT-BEK, 208 MOT-ON, 208 |
|||
| - |
A13 - 13 - 13 - 200
A14 - 14 - 9042 300 A15 - 15 - 15 - CTR-S10 201 B1 - 16 - CTR-S10 141 B2 - 17 - T-CTR 6A5 B3 - 10 - 424 |
J5 - 1 ≪ |
+24y.
⊾N2-M0⊺-D 6C3 LN2-M0T-C 5C3 |
J12- 1
- 2 |
|||
| 84 - 19 ≪ | - 4 6 |
LNZ-HQT-8 6C3
LNZ-BQT-A 6C3 +24Y |
|||||
|
B10 - 25 - CFF-LTH 308
B11 - 26 - CFF-LTH 308 B12 - 27 - CFF-LTH 308 B13 - 28 - CFF-LTH 308 B14 - 29 - CFF-LTH 308 B14 - 29 - CFF-LTH 308 B15 - 30 - CFF-LTH 308 B15 - 100 - CFF-LTH 308 B15 - 100 - CFF-LTH 308 B15 - 100 - CFF-LTH 308 CFF-LTH 308 B15 - 100 - CFF-LTH 308 B15 - 100 - CFF-LTH 308 B15 - 100 - CFF-LTH 308 B15 - 100 - CFF-LTH 308 B15 - 100 - CFF-LTH 308 B15 - 100 - CFF-LTH 308 B15 - 100 - CFF-LTH 308 B15 - 100 - CFF-LTH 308 B15 - 100 - CFF-LTH 308 B15 - 100 - CFF-LTH 308 B15 - 100 - CFF-LTH 308 B15 - 100 - CFF-LTH 308 B15 - 100 - CFF-LTH 308 B15 - 100 - CFF-LTH 308 B15 - 100 - CFF-LTH 308 B15 - 100 - CFF-LTH 308 B15 - 100 - CFF-LTH 308 B15 - 100 - CFF-LTH 308 B15 - 100 - CFF-LTH 308 B15 - 100 - CFF-LTH 308 B15 - 100 - CFF-LTH 308 B15 - 100 - CFF-LTH 308 B15 - 100 - CFF-LTH 308 B15 - 100 - CFF-LTH 308 B15 - 100 - CFF-LTH 308 B15 - 100 - CFF-LTH 308 B15 - 100 - CFF-LTH 308 B15 - 100 - CFF-LTH 308 B15 - 100 - CFF-LTH 308 B15 - 100 - CFF-LTH 308 B15 - 100 - CFF-LTH 308 B15 - 100 - CFF-LTH 308 B15 - 100 - CFF-LTH 308 B15 - 100 - CFF-LTH 308 B15 - 100 - CFF-LTH 308 B15 - 100 - CFF-LTH 308 B15 - 100 - CFF-LTH 308 B15 - 100 - CFF-LTH 308 B15 - 100 - CFF-LTH 308 B15 - 100 - CFF-LTH 308 B15 - 100 - CFF-LTH 308 B15 - 100 - CFF-LTH 308 B15 - 100 - CFF-LTH 308 B15 - 100 - CFF-LTH 308 B15 - 100 - CFF-LTH 308 B15 - 100 - CFF-LTH 308 B15 - 100 - CFF-LTH 308 B15 - 100 - CFF-LTH 308 B15 - 100 - CFF-LTH 308 B15 - 100 - CFF-LTH 308 B15 - 100 - CFF-LTH 308 B15 - 100 - CFF-LTH 308 B15 - 100 - CFF-LTH 308 B15 - 100 - CFF-LTH 308 B15 - 100 - CFF-LTH 308 B15 - 100 - CFF-LTH 308 B15 - 100 - CFF-LTH 308 B15 - 100 - CFF-LTH 308 B15 - 100 - CFF-LTH 308 B15 - 100 - CFF-LTH 308 B15 - 100 - CFF-LTH 308 B15 - 100 - CFF-LTH 308 B15 - 100 - CFF-LTH 308 B15 - 100 - CFF-LTH 308 B15 - 100 - CFF-LTH 308 B15 - 100 - CFF-LTH 308 B15 - 100 - CFF-LTH 308 B15 - 100 - CFF-LTH 308 B15 - 100 - CFF-LTH 308 B15 - 100 - CFF-LTH 308 B15 - 100 - CFF-LTH 308 B15 - 100 - CF |
₩88-₩91-©
503
₩88-₩9 7-8 503 ₩88-₩9 7-8 503 ₩88-₩97-8 503 |
||||||
| i | 2 | 4 | 5 | 7 |
в




































































































Loading...