
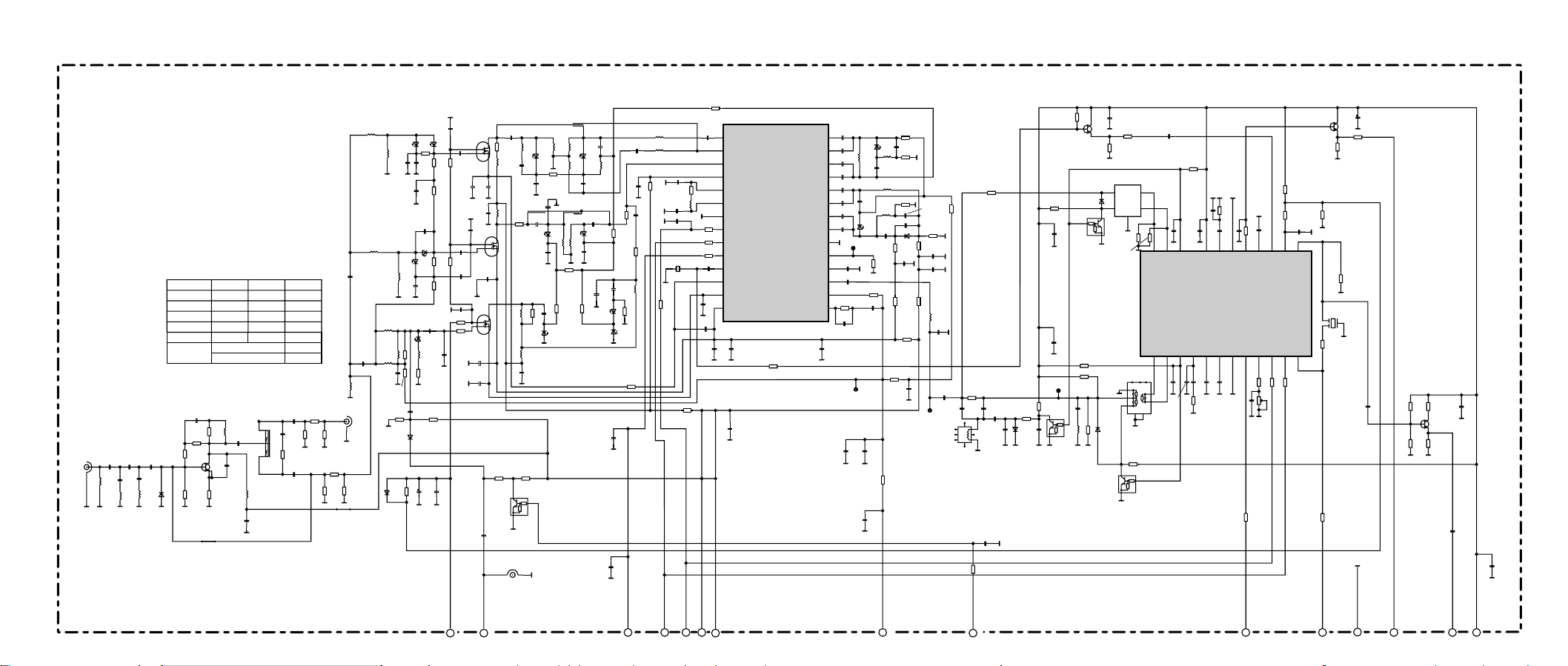
ETC210
First issue 07 / 03
SMALL SIGNAL BOARD - PLATINE PETITS SIGNAUX - SIGNAL-PLATINE - PIASTRA PICCOLI SEGNALI - PLACA PEQUEÑA SEÑAL
SIGNAL BOARD POWER PART - PARTIE ALIMENTATION DE LA PLATINE PETITES SIGNAUX - BETRIEBSSPANNUNGSERZEUGUNG SIGNAL PLATINE PARTE ALIMENTAZIOEN PIASTRA SEGNALI - PARTE ALIMENTACIÓN PLACA SEÑAL
D
G
S
!
!
OUT
IN
GND
GND
OUT
IN
GND
OUT
IN
#
AP
UC
RP
FE
VP
5V_STBY
8V_V
CNT2-20V
5V_STBY
5V_STBY
GND
GND
GND
GND
GND
GND
GND
GND
#
#
DEGAUSS
INF_POW_FAIL
PO
20V
AQR_ON
33V
SAFETY
ECO_STANDBY
5V_STBY
CNT2-20V
(S)
(S)
JP500
DEGAUSS
1
10
11
12
13
14
15
16
17
18
19
2
20
3
4
5
6
7
8
9
21
BP500
CP526
10U0
CP520
220N0
1
2
3
LD111DT18
IP551
220N0
CP550
RP554
330R0
ECO_STANDBY
GND
150R0
RP526
220N0
CP530
RP571
4K7
RP540
10K0
100N0
CP524
1K0
RP525
DP520
ZMM10
1K0
RP524
220U0
CP522
GND
GND
220N0
CP527
8V_V
GND
GND
GNDGND
GNDGND
GND
GND
GND
GND
GND
GND
GNDGND
GND
CP565
10N0
GND
GND
GND
AQR_ON
GND GND
GND
GND GND
GND
GND GND
GND
INF_POW_FAIL
PO
ZMM5.1
DP524
470R0
RP522
3K3
RP530
LL4148
DP521
RP551
6R8
RP520
4K7
RP523
1K0
1
23
LD1117DT33
IP530
31
2
KF80BDT
IP510
CP534
470U0
150K0
RP560
CP555
220N0
470U0
CP556
DP551
LL4148
LL4148
DP530
10N0
CP569
10N0
CP561
CP525
470U0
654
321
TP523
BC847BS
CP521
220N0
220N0
CP511
220U0
CP512
MP80
FP520
10N0
CP570
10N0
CP571
220N0
CP533
10N0
CP563
FP521
MP80
CP514
100U0
10N0
CP562
220N0
CP513
RP521
4K7
LL4148
DP510
CP523
220N0
1
2
3
4
5
BP501
TP520
STD17NF03L
GND
GND
5V_A
1
21
BP005
1
5
BP150
POWER BOARD
(PSB)
POWER SUPPLY PART
SPP 210E0000 00
SSB
Safety Part
When repairing, use original part only
Piece de securite
N'utilisez que les pieces d'origine
Bei Ersatz nur Originalteil verwenden
Sicherheitsbauteil
!
11.8
6.3
+10V
+6V
+20V
5V_STBY
+33V
5V_V
5V_STBY
5V_STBY
5V_V
8V_V
8V_V
5V_V
5V_V
33V
33V
1V8
3V3
1.8
1.8
4.7
33
11.8
6.3
6.3
5.2
5.2
5.2
5.2
7.4
7.4
5
4.5
4.7
8.1
8.1
1.8

ETC210
First issue 07 / 03
SMALL SIGNAL BOARD - PLATINE PETITS SIGNAUX - SIGNAL-PLATINE - PIASTRA PICCOLI SEGNALI - PLACA PEQUEÑA SEÑAL
REMOTE / MICROCONTROLLER - GESTION / MICROCONTROLEUR - FERNBEDIENUNGS- UND MICROCONTROLLERSTUFEN - MICROPROCESSORE - REMOTO / MICROCONTROLADOR
5V_STBY_L
5V_STBY_L
3V3
5V_STBY_L
5V_STBY_L
5V_STBY_L
5V_RP
5V_RP
5V_RP
5V_RP
5V_STBY_L
5V_STBY_L
3V3
5V_STBY_L
5V_STBY_L
5V_RP
5V_RP
5V_STBY_L
5V_RP
3V3
5V_STBY_L
5V_STBY_L
5V_STBY_L
5V_RP
3.3
2
3
1
0.4
3.3
2
3
-1.1
0.1
0.1
0
4.8
5
5.1
0.2
4.8
5
4.7
-0.2
0
G
D
S
G
D
S
#
INTERN-2
A3
VCC
A8
A9
A11
A13
A16
A12
A7
A6
A5
A4
A2
A1
A0
VSS
A10
OE/OE
CE/CE
A10
Q6
Q5
Q4
Q3
VSS
A0
A1
A2
A4
A5
A6
A7
A12
A15
A16
A19
A17
A14
A13
A11
ADDR15
ADDR12
ADDR7
ADDR6
ADDR5
ADDR4
ADDR3
ADDR1
ADDR0
DAT0
DAT1
DAT2
DAT7
DAT6
DAT4
DAT3
GNDA
CVBS1
CVBS2
TEST0
CVBS0
TXCF
JTRST0
RESET
PXFM
VDDA
WSCF
WSCR
HSYNC/CSYNC
VSYNC
B
FB
P4.0/PWM0
P4.1/PWM1
P4.2/PWM2
PWM3/TSLU/HT/P4.3
PWM4/P4.4
INT4/AIN3/VSO2/P2.5
GND
VDD
PWM6/P4.6
PWM7/EXTRG/INT3/STOUT/P4.7
P0.1
AIN4/P0.2
NMI/P2.4
INT6/VSO1/P2.3
SDI/SDO/INT1/P5.1
P3.4
P3.5
ASN/P3.6
MMU5
MMU4
MMU2
MMU1
ADDR14
ADDR13
OSCOUT
OSCIN
VDDM
GNDM
DSN
MMU3
IR
LED
ADDR10
ADDR9
ADDR8
RMN
ADDR11
MMU0
CSO/RESETO/P3.7
SCK/INT2/P5.0
P0.0
INT7/P2.0
INT5/AIN1/P2.1
INT0/AIN2/P2.2
PWM5/P4.5
G
R
MCFM
DAT5
ADDR2
A9
A8
VCC
A18
A3
Q0
Q1
Q2
Q7
/WE
CS2
A15
A14
DQ1
DQ2
DQ2
DQ4
DQ5
DQ6
DQ7
DQ8
/CS1
/OE
UC
SPP
AP
IIC_DA_2
IIC_CL_2
VP
NC
FE
INTERN-1
INTERN-2
INTERN-1
#
KEYB
Keyboard
IIC_DA_2
IIC_CL_2
#
IIC_CL_2
IIC_DA_2
RT061
182R0
470R0
RT060
AUDIO_MUTE
MMU2
MMU1
ADDR14
ADDR13
100R0RR012
MMU4
WE
MMU0DAT7
M_RES#
VDFL
CVBS_TXT
G2_ADJUST
SAFETY_ENABLE
TUBE_DETECT
PO_TR
EFC
G_OSD
R_OSD
FB_OSD
B_OSD
AV1_PIN8
AV2_PIN8
RESET_AUDIO#
AQR_ON
DEGAUSS
INF_POW_FAIL
ECO_STANDBY
B_MP
R_OSD
470R0
RT070
JR015
FB_MP
1K0RT011
807978777675747372717069686766
65
63
62
61
60
59
58
57
56
55
54
53
1
2
3
4
6
7
5
8
9
10
11
22
21
20
19
18
17
16
15
14
13
12
23
24
252728
29
33
43
42
41
4039383736
35
44
45
46
48
47
49
50
51
52
26
303132
34
64
IR001
ST92R195B
1
2
BR003
RESET
GND
JR013
GND
MMU0
ADDR15
ADDR8
WE
CR014
47N0
CR005
47N0
0
RR131
1N0
CT035
CT030
1N0
270R0
RR025
47U0
CT080
R_MP
FB_MP
B_OSD
FB_OSD
BC846B
TT080
G_OSD
BC856B
TT060
RT071
182R0
100P0
CT073
CT053
100P0
TT050
BC856B
182R0
RT051
100P0
CT063
G_MP
RT050
470R0
ADDR4
2N2CT010
1K5
RR005
RT053
56R0
IIC_CL_1
RR022
10K0
100P0
CR020
CR021
10P0
100R0RR020
5K6RT002
5K6RT004
ADDR4
16
15
14
13
12
11
10
9
8
32
31
30
29
28
27
25
26
24
23
22
21
20
19
18
17
7
6
5
4
3
2
1
CY62128BLL-70ZC
IR004
G_MP
R_MP
470R0
RT080
100N0
CT081
B_MP
GND GND
GND
CR073
470U0
CR078
100N0
RR063
470R0
TT035
BC846B
GND
BC856B
TT070
56R0
RT073
56R0
RT063
CR008
100P0
100R0
RR061
RR050
1K0
TR061
BC856B
CR126
100P0
7
6
5
4
3
2
1
BK001<=BR001
100P0
CR071
220P0
CT020
CT015
22P0
BC846B
TT030
TR086
BSN20
TR080
BSN20
RT001 15K0
RR122
10K0
RR015
4K7
BC846B
TR015
TR120
BC846B
123456789
10
11
BR200
100R0
RR200
39P0
CR200
CR203
39P0
39P0
CR202
CR201
39P0
CR054 100P0
RR201
100R0
100R0
RR202
RR203
100R0
IIC_DA_1
100R0
RR116
PO
10K0
RT033
HDFL
3K9
RT031
5V_V
3V3
5V_STBY
GNDGNDGND
GND
RR021
4K7
5V_STBY_L
2K7
RR019
CR017
100P0
GND
GND
CR004
39P0
GND
470R0
RT032
RT037
470R0
RT035
10K0
RT036
3K9
GND
GND
GND
CT002
82P0
GND
CR002
47N0
GND
100P0
CR115
GND
GND
GND
GND
GND
GND
GND
GND
1U0
CR072
GND
GND
CR052 100P0
GND
GND
CR070
100P0
RR064
10K0
GND
GND
GND
TR060
BCR141
GND
GND
GND
GND
GND
GND
GND
GND
GNDGNDGND
47N0
CR015
GND
1
2
3
4
5
6
7
17
18
19
20
21
22
23
24
26
25
27
28
29
30
31
32
8
9
10
11
12
13
14
15
16
IR002
MX27C8000
GND
GND
GND
GND
GND
GND
GND
GND
RR130
100R0
100N0
CR079
RR075
220R0
220R0
RR072
RR070 3K3
100P0CR053
RR124
100R0
100N0
CR087
CR088
1N0
RT003
100R0
RR126
4K7
100R0RR112
RR110 100R0
CR076
100P0
5K6RT005
GND
47N0
CR001
4K7
RR004
GND
470N0
CT001
RR011 100R0
100P0
CR011
100R0RR002
RR001 100R0
RR055 3K3
RR053 100R0
CR066
10N0
1N0
CR060
GND
RR125 100R0
100R0RR115RR018 100R0
LR004
0R0
ADDR9
LR002
0R0
MMU2
10N0CR019
CR018
100P0
10U0
LR079
RR065
8K2
100K0
RR068
CR007
47P0
RR003 39K0
1
2
3
4
8
7
6
5
IR005
M24C16MN6
100R0RR052
100R0RR054
5V_RP
1N0
CR116
RR111
100R0
CR112
1N0
4
51
2
3
IR003
NCP303LSN45T1
CR010
47N0
3K3RR056
GND
GND
5V_STBY_L
18K0
RR088
RR082
18K0
QR001
4M0
LR001
10U0
BC846B
TR062
39K0
RR008
RR009
10K0
3K3RR071
RR066
1K0
1K0
RR067
10K0
RR069
2K2
RR062
47N0
CR075
CR077
1U0
RT030
1K5
47P0
CR009
CT021 220N0
CT014 4N7
CR074
1U0
CT011 4N7
22P0CT012
RT016 150R0
330R0RT015
RT014 330R0
330R0RT013
RT012 1K0
RT010 6K8
CR012
1U0
RR017 100R0
39P0
CR003
MMU3
MMU0
ADDR15
ADDR12
ADDR7
ADDR6
ADDR5
ADDR3
ADDR2
ADDR1
ADDR0
DAT0
DAT1
DAT2
DAT3
DAT7
DAT6
DAT5
DAT4
MMU4
ADDR10
ADDR11
ADDR9
ADDR8
ADDR13
ADDR14
MMU1
ADDR14
ADDR12
ADDR7
ADDR6
ADDR5
ADDR3
ADDR2
ADDR1
ADDR0
DAT0
DAT1
DAT2
DAT6
DAT5
DAT4
DAT3
ADDR10
ADDR11
ADDR8
ADDR13
MMU4
GND
GND GND GND
GNDGNDGNDGND
GND
GND
GND
GND
GND
DAT4
ADDR11
ADDR9
ADDR10
MMU3
DAT3
DAT5
DAT6
DAT7
DAT2
DAT1
DAT0
ADDR0
ADDR1
ADDR2
ADDR3
ADDR4
ADDR5
ADDR6
ADDR7
ADDR12
ADDR15
GND
GND
5V_CHECK
GND
GND
GND
IIC_DA_2P
IIC_CL_2P
RP 210E0000 00
(RP) REMOTE PART

ETC210
First issue 07 / 03
SMALL SIGNAL BOARD - PLATINE PETITS SIGNAUX - SIGNAL-PLATINE - PIASTRA PICCOLI SEGNALI - PLACA PEQUEÑA SEÑAL
FRONTEND PART - PARTIE SIGNAUX D’ENTREE - EINGANGSSTUFEN - PRESE FRONTALI - FRONT END PART
NC
NC
NC
NC
GND
GND
GND
GND
GND
GND
GND
GND
GND
GND
GND
GND
GND
GND
TECI
AV1_PIN8
AV1_B_IN
AV1_FB_IN
AV1_CVBS_OUT
GND
(+3V3)
+5V-IF
FM-IF
Video
SIF
FM-SW
NC
+33V
+5V-T
+5V-T
SCL
AS
5V_AV1
5V_AV2
UC
AP
RP
SPP
SDAIFNC
GND
Audio
FMinput
(int)
AGC
o/p
(Reset)
I2C_CL1
I2C_DA1
AV1_R_IN
AV1_G_IN
AV1
AV2
AV2_C_IN
AV2_PIN8
AV1_CVBS_IN
(M)
AV2_R_OUT
AV2_R_IN
AV2_L_OUT
AV2_L_IN
GND
GND
AV1_R_OUT
AV1_R_IN
AV1_L_OUT
AV1_L_IN
GND
GND
NC
from BJ004
(FCB)
SIF
(FE) FRONTEND
120P0
CH152
AV2_L_IN
AV2_R_OUT
LH152
3U3
FCB_C_IN
IIC_DA_2
IIC_DA_1
AV1_PIN8
5V_V
3U3
LH154
33V_T
33V
LH153
10U0
LX101
3U3
1
BX300
1
2
3
4
5
6
BX004
GND
RF_CVBS
RH152
12R0
GND
CH159
1N0
91R0
RH151
FCB_R_IN
RX132
0R0
0R0
RX232
1 101112131415161718192203456789 21
BX200
3U3
LX102
FCB_Y/CVBS_IN
ZMM5.6
DX102
GND
DX243
ZMM5.6
CVBS_AV2_OUT
RX231
1K0
RX236
470R0
123456789
1011121314151617181920
NH001
AV2_CVBS_OUT
1N0
CH157
GND
CX152
33P0
33P0
CX151
GND
5V_AV2
100N0
CX256
TX231
BC846B
RX130
75R0
AV2_C_IN
RX244
100R0
CX244
22P0
ZMM5.6
DX230
DX240
ZMM5.6
75R0
RX230
AV1_L_IN
GNDGNDGNDGND
GND
GND
GNDGND
GND
GND
GND
GND
GND
CX104
22P0
22P0
CX106
GND
GND
GND
GND
GND
GND
GNDGND
GND
GND
CX241
22P0
GND
GND
GND
GND
GND
GND
GND
GNDGNDGNDGND
GND
GND
GND
GNDGND
IIC_CL_2
RX151
100R0
GND
GND
GND
GND
GND
GND
GND
GND
GND
GND
GND
GND
GND
GND
GND
GND
GND
GND
GND
FCB_L_IN
AM_AF
AV2_Y/CVBS_IN
100R0
RX241
470R0
RX136
CH150
1N0
CH153
220U0
22N0
CH154
ZMM33
DH156
1U0
CH156
10U0
LH168
220U0
CH168
CH169
22N0
1K0
RH159
RH161
180R0
BC846B
TH161
47R0
RH162
6K8
RH163
RH164
1K5
CH166
330P0
RX327
120R0
75R0
RX328
CX325
220P0
5V_AV1
5V_AV1
RX243
75R0
RX240
75R0
100R0
RX180
AV2_L_OUT
AV1_R_OUT
AV1_L_OUT
GND
4R7
RX255
RX250
4R7
CVBS_AV1_OUT
AV1_B
AV1_FB
AV1_G
AV1_CVBS_IN
10K0
RX281
IIC_CL_1
AV2_PIN8
RX181
10K0
100R0
RX280
330P0
CX281
DX123
ZMM6.8
DX124
ZMM6.8
RX124
0
RX123
0
220R0
RX121
220R0
RX120
AV2_R_IN
120R0
RX324
220P0
CX324
ZMM5.6
DX101
DX103
ZMM5.6
ZMM5.6
DX105
DX107
ZMM5.6
ZMM5.6
DX140
22P0
CX108
RX323
75R0
AV1_R_IN
CX255
47U0
CX251
100N0
47U0
CX250
100R0
RX233
5V_AV1
TX234
BC846B
BC856B
TX233
470R0
RX235
RX234
470R0
5V_AV2
BC846B
TX134
TX133
BC856B
RX135
470R0
470R0
RX134
AV1_R
RX133
100R0
TX131
BC846B
6K8
RX282
RX182
6K8
100R0
RX152
330P0
CX181
RX108
470R0
75R0
RX107
BAV103
DX130
22P0
CX141
RX106
220R0
RX104
220R0220R0
RX102
22P0
CX102
75R0
RX101
75R0
RX140
RX131
1K0
RX141
100R0
100N0
CX232
RX103
75R0
RX105
75R0
100N0
CX132
1 101112131415161718192203456789 21
BX100
1234
BX001
GND
GND
GND
AV2_Y/CVBS_I
GND
DX104
ZMM5.6
GND
FE 210E0000 00
SSB
5V_AV2
5V_V
33V
2.1
1.6
2.5
1.8
2.4
4.4
5.1
5
2.1
1.6
1.8
2.4
4.4
5.1
5

ETC210
First issue 07 / 03
SMALL SIGNAL BOARD - PLATINE PETITS SIGNAUX - SIGNAL-PLATINE - PIASTRA PICCOLI SEGNALI - PLACA PEQUEÑA SEÑAL
UPCONVERTER PART - PARTIE CONVERSION - UPCONVERTER STUFEN - CIRCUITO UPCONVERTER - SUPRACONVERSOR
3VA3
VSSDACU
VDDDACU
VSSDACV
AUOUT
656HIO
XIN
XOUT
VDDAC2
CVBSO2
CVBSO3
CVBS7
CVBS6
CVBS5
CVBS4
CVBS3
CVBS2
GIN2
RIN2
ADR/TDI
SDA
VDDDACY
VSSDACY
VSSD2
VDDD2
656IO7
VSSP2
656CLK
VDDP2
V
656IO6
656IO5
HOUT
H50
SCL
V50
656IO4
656IO3
VOUT
VDDP3
VSSP3
CLKOUT
VDDD3
656IO2
656IO1
656IO0
VSSD4
VDDD4
VSSAFBL
FBL1
FBL2
VDDARGB
VSSARGB
RIN1
GIN1
BIN1
BIN2
RESET
VDDAFBL
CVBS1
CVBSO1
VDDAPLL
TMS
TCLK
VDDP1
VSSP1
VSSD3
AYOUT
AVOUT
VDDDACV
VDDD1
VSSD1
VSSD5
VDD33C
VSS33C
VDD33RGB
VSS33RGB
VSSAC1
VDDAC1
VSSAC2
656VIO
Sync
BLANK
control
BLANK
BLANEN
Kc
Yin
U,V
to ADCs
clamping signals
clocks
Y
U
V
channel
line-locked
free-running
clocks
line-locked
CVBS/Y
YCSEL
ADCR
F
FB
mux
Y
Y
UV
U,V
test-controller,
/CLKF20
/BLANK
ITU656
CLKF20PAD
CLKF20
8
reduction
UVin
UVdelay
Ydelay
Ky
Input
Sync
Output
clamped,filterd
sync signal
(20.25,40.5MHz)
(36.72MHz)
C
H
V
216 MHz clk
648 MHz clk
UV
read
CLKB36
GND2HGND2H
VP
SPP
FE
RP
VDFL
HDFL
UC 210E0000 00
CU031
15P0
CU030
15P0
100R0
RV715
220N0
CV603
100N0
CV702
AV1_CVBS_IN
IIC_DA_2P
M_RES#
80
78
77
79
74
70
69
64
62 61
58
57
56
55
54
53
47
46
19
6
1
3
4
5
10
11
9
12
14
15
16
17
18
13
20
21
22
23
25
26
27
28
30
31
32
33
34
36
37
38
42
43
39
40
41
48
24
35
52
63
68
771
7273
29
2
76
75
66
67
49
59
60
44
45
51
50
65
8
VSP9402A B13
IU100
CVBS_TXT
VDFL
HDFL
CV602
220P0
RV602
1K0
680R0
RV604
BC856B
TV601
RV601
180R0
330R0
RV607
10U0
LU701
10U0
LV701
220N0
CV606
CV604
220N0
220N0
CV607
220N0
CV605
220N0
CV601
AV2_C_IN
RV608
100R0
GND1H
0
JV334
GND1H
GND2H
GND2H
JV333
0
0
RU054
Y_OUT
U_OUT
V_OUT
AV1_FB
100N0
CV731
100U0
CV730
LV730
10U0
8V_V
1V8
CU052
10P0
1V82H
GND1H GND1H
GND1H
GND1H
GND2H
GND2H
GND2H
GND2H
GND2H
GND2H
GND2H GND2H
GND2H GND2H
GND2H
GND2H
GND2H
GND1H
GND1H
GND1H
GND1H
100N0
CV621
GND1H
GND1H
IIC_CL_2P
AV1_R
AV1_B
AV1_G
GND1H
CV701
10U0
GND1H
100N0
CU706
GND2H
100N0
CU707
GND2H GND2H
GND2H
GND2H GND2H
GND2HGND2HGND2H
GND2HGND2HGND2H
GND2H
GND2H
GND2H
GND2H
GND2H
GND2H
GND2H
GND2H
GND2H
GND2H GND2H
RF_CVBS
10U0
CU705
100N0
CU704
100N0
CU702
GND2H
GND2H
GND2H
GND2H GND2H
CU709
10U0
CV715
33P0
33P0
CV714
RV714
100R0
100R0
RV721
1K5
RV722
1K5
RV712
1K5
RV702
10U0
LU702
LU010
10U0
47U0
CU047
AV2_Y/CVBS_IN
FCB_Y/CVBS_IN
FCB_C_IN
CVBS_AV2_OUT
CVBS_AV1_OUT
10P0
CU041
TV606
BC856B
100R0
RU042
RU052
100R0
100R0
RV711
100N0
CV707
100R0
RV603
TV607
BC856B
1K5
RV612
1K5
RV605
RV611
1K5
2N7
CU033
CU032
15N0
CU037
100N0
10N0
CU048
100N0
CU042
CU708
100N0
RV701
100R0
100N0
CU701
100N0
CU703
100N0
CV706
100N0
CV708
100N0
CV709
100N0
CV710
47N0
CV612
47N0CV611
47N0CV613
100N0
CV705
BC856B
TV602
CV622
100N0
100R0
RV606
100N0
CV620
100N0CV704
100N0CV703
20M25
QU030
BC856B
TV721
100N0
CV625
BC856B
TV711
100N0
CV624
BC856B
TV701
100N0
CV623
GND1H
4K7
RU010
TV603
BC846B
GND
GND
Color
Gain
Gain
ADC1
ADC2
Clamp
Source
Select
AGC
gene-
Decoder
delay
(PAL/SECAM)
Notch
Deskew
correction
clamping
Antialias,
Antialias,
Antialias,
Gain
Gain
Gain
Gain
Clamp
Source
Select
Sync
RGB
YUV
1H delay
Y delay
Antialias,
ADCG
ADCB
ADCF
Deskew
Deskew
Deskew
Deskew
clamping
correction
clamping
correction
bypass
Data
Controller
Output
control
or
2
4:4:4
4:2:2
noise
measure
ment
T
soft-mix
U,V
satura-
tion
bright-
ness
contrast
Y
down
samp
ling
Gain
Offset,
eDRAM
data buffer
data buffer
main
insert
Controller
Sync
Output
divider
memory
xtal
LL-PLL
648 MHZ
divider
letterbox
detection
controller
oscillator
DTO
detection
motion
H/Vacquisition
prescaler
motion
detection
Y
noise
Y
Gain
OFFSET
Gain
OFFSET
OFFSET
Gain
H-
U DAC
Y DAC
V DAC
noise
reduction
interface
I2C
Panorama
generator
postscaler
Back-
generator
ground
Pixelmixer
DCTI
Peaking
Coarse
Delay
4:4:4
Fine
delay
8:8:8
ITU656
Encoder
H-
memory bist
Decoder
Safety Part
When repairing, use original part only
Piece de securite
N'utilisez que les pieces d'origine
Bei Ersatz nur Originalteil verwenden
Sicherheitsbauteil
!
(UC) UP CONVERTER PART
SSB
T=32us
0
1.1Vpp-H
1.2V
T=32us
1.4Vpp-H
0
1.5V
T=32us
0.9Vpp-H
1.5V
0
8V_V
8V_YUV
1V82H
3VA3
1V8
3V3
1V82H
1V81H
3V3
3V3
3V3
3VA3
3VA3
1V81H
5V_AV1
5V_AV1
5V_AV2
5V_AV2
3V3
5V_AV2
5V_AV2
5V_AV2
5V_AV2
5V_AV1
8V_YUV
8V_YUV
8V_YUV
3V3
5
5
2.1
2.1
2.1
1.6
1.5
4.5
1.7
0.7
0.9
0.8
1.3
1.6
1.5

ETC210
First issue 07 / 03
SMALL SIGNAL BOARD - PLATINE PETITS SIGNAUX - SIGNAL-PLATINE - PIASTRA PICCOLI SEGNALI - PLACA PEQUEÑA SEÑAL
VIDEO PART - PARTIE VIDEO - VIDEO-SIGNALVERARBEITUNG - ELABORAZIONE VIDEO - TRATAMENTO VIDEO
BCL
BI1
BI2
BL1
BL2
BLCIN
BOUT
DACOUT
DEC
BG
DIGSUP
DPC
EHTIN
EWOUT
FBCSO
FLASH
GI1
GI2
GOUT
HD
HFB
HOUT
HSEL
IREF
LPSTUP
LUMIN
PWL
RI1
RI2
ROUT
SCL
SDA
SNADC
UIN
VD
VDRIVEA VDRIVEB
VIN
VP
VSC
XTAL0 XTALI
GND
VP
V
WHITE POINT
BRIGHTNESSSATURATION CONTRAST
B
B
B
BB
G
G
G
GG
R
R
R
RR
BL
BL
V
UUY
Y
GEOMETRY CONTROL
GND
GND
to BL111 (PSB)
20V
GND
B_OUT
GND
GND
(S)
GND
GND
GND
GND
GND
GND
GND
GND
GND
GND
GND
GND
GND
GND
GND
GND
GND
GND
GND
GND
GND
GND
GND
GND
GND
GND
GND
GND
GND
EFC
H_DRIVE
EW_DRIVE
BREATHING
PHI2_REF
EW_PROT
PKS
BEAM_INFO
FW_ADJUST
V_DRIVE_+
V_DRIVE_-
TUBE_DETECT
SPP
RP
GND
GND
GND
GND
GND
GND
GND
GND
GND
GND
GND
GND GND GND GND
GND
GND
UC
GND
GND
GND
GND
BLKCURR
BSVM_BLANK
GND
R_OUT
G_OUT
G2_ADJUST
(CRT)
GND
GND
V_GUARD
GND
DPC
CNT1_20V
BEAM_PROT
EHT_INFO
to BB001
GND
GND
GND
GND
GND
GND
GND
G_OSD
RV272
270K0
2K2
RV277
4K7
RV270
100N0
CV221
V_2H
U_2H
SAFETY_ENABLE
TUBE_DETECT
PO_TR
0
RV210
V_GUARD
PHI2_REF
100K0
RV507
470R0
RV502
100R0
RV501
2K2
RV513
BC546B
TV513
82P0
CV513
RV523
1K0
DV522
LL4148
RV527
18K2
53K6
RV530
BEAM_PROT
RV520
1K0
1N0
CV535
100R0
RV521
PKS
5V_STBY
1
2
3
4
5
6
7
8
9
10
11
12
13
14
15
16
17
18
19
20
21
BV001
SLAVE
10R0
RV312
1
2
3
4
5
6
7
8
9
10
BV300
CV290
100N0
G2_ADJUST
1K2
RV291
RV014
475R0
365R0
RV013
100P0
CV005
CV002
22P0
RV011
220R0
100N0
CV202
+8V_VP
4N7
CV554
TV522
DTC113ZK
RV010
1K5
470R0
RV012
Y_OUT
Y_2H
LL4148
DV286
FB_OSD
BEAM_PROT
10R0
RV302
3U3
LV320
+8V_VP
EFC
10R0
RV322
560R0
RV301
3U3
LV300
3U3
LV310
470R0
RV310
RV300
470R0
+8V_VP
PKS
1K0
RV341
BEAM_INFO
ABL
+8V_VP
RV275
560R0
IIC_DA_2
V_OUT
220R0
RV041
LV042
3U3
U_OUT
8V_YUV
100N0
CV010
654
321
IV010
BC847PN
TV010
BC856B
BC846B
TV300
GND
VDFL
GND
8V_YUK
5V_STBY
GND
RV285
47K0
150R0
RV001
LV002
3U3
DV526
LL4148
1K0
RV524
2K2
RV542
RV526
1K0
LL4148
DV520
DV525
LL4148
DV523
LL4148
LL4148
DV521
RV553
82K0
BC846B
TV320
33K0
RV343
47K0
RV342
1K0
RV545
GND
LV513
4R7
GND
RV286
10K0
10U0
LV200
5V_V
8V_V
220R0
RV021
CV041
82P0
82P0
CV021
39P0
CV042
CV022
39P0
DPC
LL4148
DV533
1K0
RV555
DPC
BEAM_INFO
PHI2_REF
RV340
8K2
RV320
470R0
RV560
100R0
R_OSD
CV220
100N0
3U3
LV022
CV001
56P0
100N0
CV222
10P0
CV279
100R0
RV231
100R0
RV230
GNDGND
33P0
CV241
TV286
BC856B
3K9
RV276
8V_V
RV550
100R0
1N0
CV505
17K8
RV528
RV532
8K45
RV290
15K0
DV536
LL4148
+8V_VP
43
323733
38
44
42
25
187
14
4
3
29
5
31
36
41
24
13 8
12
16
22
28
34
30
35
40
10
11
9
27
23
12
26
17
15
21 20
6
39
19
IV200
TDA9330H
RV321
560R0
IIC_CL_2
8V_V
BAV103
DV271
220U0
CV522
H_DRIVE
1N0
CV532
RV533
4K7
BAV103
DV276
CV340
470P0
8V_V
+8V_VP
BC327-40
TV277
+8V_VP
8V_V
1N0
CV526
8V_V
8V_V
8V_V
8V_V
39K2
RV541
CV541
33N0
CV556
4N7
TV523
BCR191
10K0
RV522
CV545
68N0
1K0
RV512
CV546
470P0
RV240
100R0
CV542
4N7
RV543
100R0
RV544
100R0
100R0
RV556
1N0
CV528
100N0
CV521
4
8
7
5
6
LM358D
IV520
12M0
QV400
LL4148
DV534
LL4148
DV530
4
8
7
5
6
IV521
LM358D
DV535
LL4148
1N0
CV534
CV527 1N0
1N0CV530
2
3
1
8
4
IV521
LM358D
2
3
1
8
4
IV520
LM358D
LL4148
DV524
100K0
RV529
RV531
4K7
LL4148
DV529
10P0
CV300
10P0
CV310
10P0
CV320
100N0
CV262
100N0
CV261
100N0
CV260
LL4148
DV531
4U7
CV272
4U7
CV204
CV523
1N0
1N0
CV511
1M0
RV505
10P0
CV401
220K0
RV271
10U0
CV270
ZMM3.9
DV270
100U0
CV200
560R0
RV311
100N0
CV203
100N0
CV201
BC846B
TV310
3K3
RV510
2K2
RV511
10P0
CV400
33P0
CV240
100R0
RV241
+8V_VP
H_DRIVE
B_OSD
HDFL
V_GUARD
EW-GEOMETRY
GEOMETRY
VERTICAL
OUTPUT
HORIZONTAL
GENERATOR
START-UP
LOW-POWER
START/STOP
SOFT
LOOP
PHASE-2
GENERATION
CLOCK
SUPPLY
CATHODE
CONTINUOUS
BCL
PWL+
+BUFFER
OUTPUT
AMPLIFIER
BRIGHTNESS
WHITE POINT+
INSERTION
RGB
CONTROL
CONTROL
CONTRAST
MATRIX
COLOUR DIFF.
CONTROL
SATURATION
STRETCH
BLACK
MATRIX
RGB/YUV-
SWITCH
+1st LOOP
BLUE STRETCH
H/V DEVIDER
RAMP
19x6-BIT DAC's
CALIBRATION
TRANSCEIVER
IIC-BUS
(VP) VIDEOPART
VP 210E0000 00
SSB
Safety Part
When repairing, use original part only
Piece de securite
N'utilisez que les pieces d'origine
Bei Ersatz nur Originalteil verwenden
Sicherheitsbauteil
!
8V_YUV
3Vpp-V
3V
0
10ms
3Vpp-H
0
1V
T=32
µ
s
3Vpp-H
0
2V
T=32
µ
s
3Vpp-H
0
2V
T=32µs
T=10ms
1Vpp-V
BLCIN (44/IV200)
1
ROUT (40/IV200)
2
GOUT (41/IV200)
3
BOUT (42/IV200)
4
EWOUT (3/IV200)
5
1
+8V_VP
T=32us
T=10ms
0
4.8Vpp-V
0
4.5Vpp-H
T=32us
0
1.1Vpp-H
1.2V
T=32us
1.4Vpp-H
0
1.5V
T=32us
0.9Vpp-H
1.5V
0
4Vpp-H
T=32µs
0
0
0
0.2V
T=10ms
T=10ms
1.7Vpp-V
2Vpp-V
1V
T=10ms
4.5Vpp-V
4.5Vpp-H
T=32us
0
2
3 4
5
0
5
-0.5
0
0
0
1.3
0.9
1.3
0
0.4
9
0.1
1.3
2
8
0
0.7
1.3
1.8
1.8
1.9
2.4
2.4
2.6
8
8
8
3.4
3.4
8V_YUV

ETC210
First issue 06 / 03
SMALL SIGNAL BOARD - PLATINE PETITS SIGNAUX - SIGNAL-PLATINE - PIASTRA PICCOLI SEGNALI - PLACA PEQUEÑA SEÑAL
AUDIO PART - PARTIE AUDIO - AUDIOSTUFEN - CIRCUITO AUDIO - AUDIO
!
!
!
!
OUT2
TDA7269
IN1-
OUT1
IN1+
GND
IN2+
IN2-
MUTE
+VS
-VS
TOCOM
* Reference
10800990AP 210E0001 00 Stereo/Nicam 2X10W rms MSP3410G-QI-B8-V3
MSP3411G-QI-B8-V3
IA001
AP 210E0000 00 Stereo/Nicam 2X10W rms Virtual Dolby 10784540
(S)
GND
GND
GND
GND
GNDGND
GNDGND
GND
GND
GND
GND
GND
GND
GND
GND
GND
GND
GND
GND
GND
GND GND
GND
GND
GND
GNDGND
GNDGND
GND GND
(Q)
(Q)
FE
ANA_IN1+
MONO_IN
SC1_IN_R
SC1_IN_L
SC2_IN_R
SC2_IN_L
SC3_IN_R
SC3_IN_L
I2S_WS3
I2S_CL3
NC
I2S_DA_IN2/3
DVSS
DVSUP
ADR_CL
ADR_WS
ADR_DA
I2S_DA_IN1
I2S_DA_OUT
I2S_WS
I2S_CL
I2C_DA
I2C_CL
DACA_R
DACA_L
VREF2
DACM_R
DACM_L
NC
DACM_SUB
NC
SC2_OUT_R
SC2_OUT_L
SC1_OUT_L
CAPL_A
AHVSUP
RESETQ
AVSUP
ANA_IN-
ANA_IN2+
TESTEN
XTAL_IN
XTAL_OUT
AUD_CL_OUT
NCNCADR_SEL
STANDBYO
NC
SC1_OUT_R
C_CTR_I/O_0
D_CTR_I/O_1
RP
SPP
Headph.L
Headph.R
GND
GND
GND GND
GND
GND
GND
GND
GND
(M)
(M)
L
R
(M)
LA073
0R0
LA074
0R0
LA064
0R0
LA063
0R0
LA013
0R0
LA014
0R0
AUDIO_MUTE
0R0
RA090
0R0
RA091
IIC_CL_2
64636261605958
57TP565554
53
1
2
3
4
6
7
5
8
9
10
11
2221201918
17
16
15
14
13
12
232425
28
29
GND
ASG1
43
42
41
GND
ASG2
40
39
38
44
45
AVSS
GND
48
47
495051
52
26
30
31
IA001
*
CA176
220U0
+UA
GNDP
1
2
3
4
5
6
BA010<=BP130
(PSB)
RA130
22K0
8V_V
RA191
100R0
3N3
CA120
RESET_AUDIO#
RA133
33K0
TA130
BCR141
DA130
LL4148
CA128
100N0
470R0
RA175
1N0
CA110
GND
CA127
470U0
GND
47R0
RA058
RA135
150K0
-UA
RA170
33R0
GNDP
10U0
CA054
CA117
22U0
CA116
22U0
CA074
22U0
22U0
CA073
22U0
CA064
22U0
CA063
CA084
10U0
CA163
4U7
CA162
4U7
CA113
4U7
CA112
4U7
CA026
1U0
CA025
1U0
CA036
1U0
CA035
1U0
CA019
1U0
CA015
1U0
CA016
1U0
330P0
CA115
220P0
CA013
220P0
CA021
GND
VREF1
27
GND
GND
GND
1N0
CA111
GND
GND
GND
GND
GND
GND
GND
15K0
RA165
GND GND
470R0
RA176
RA168
10K0
GND
GND
5K6
RA167
GND
GNDGND
GND
GND
RA113
5K6
GND
GND
GND
GND
RA076
100R0
100R0RA075
100R0
RA066
RA065 100R0
RA015
1K0
1K0
RA016
1K0
RA019
RA026
1K0
1K0
RA025
1K0
RA036
RA035
1K0
1
2
3
BA009
4R7
RA121
GNDPGNDPGNDP
+UA
GNDP
GNDP
-UA
RA164
15K0
RA194
100R0
100R0
RA195
100R0
RA192
CA160
1N0
1N0
CA161
470P0
CA169
470P0
CA168
CA175
220U0
100N0
CA178
100N0
CA177
4
8
7
5
6
IA003
MA4558CD
2
3
1
8
4
IA003
MC4558CD
RA166
5K6
RA169
10K0
CA170
1N0
CA171
1N0
33R0
RA171
SIF
5V_A
1
4
10
2
11
9
7
8
5
3
6
IA002
RA080
4R7
LA001
10U0
1N0
CA058
+
+
-
-
CA173
220N0
GNDP
RA112
5K6
0
LA065
0
LA049
CA007
47P0
CA009 10N0
AV1_L_IN
4K7
RA022
LA024
0R0
LA023
0R0
AV1_R_IN
1N0
CA067
220P0
CA034
CA033
220P0
RA032
4K7
4K7
RA031
FCB_L_IN
FCB_R_IN
AV1_L_OUT
AV1_R_OUT
AV2_L_OUT
AV2_R_OUT
47K0
RA062
47K0
RA071
470P0
CA072
47K0
RA033
RA024
47K0
CA028
180P0
4K7
RA012
47K0
RA013
100N0
CA053
GNDP GNDP GNDP
GNDP
GNDP
GNDP
CA118
100N0
GNDP GNDP
GNDP
GNDP
GNDP
CA123
1N0
LA050
10U0
RA050
15K0
18M432
QA001
4R7
RA120
CA024
220P0
470P0
CA076
470P0
CA066
220R0
RA064
CA001
220N0
100N0
CA056
RA134
68K0
RA114
1K0
RA115
1K0
CAPL_M
32
10U0
CA083
10U0
CA082
GND
GND
100N0
CA085
CA038
180P0
CA037
180P0
RA051
4R7
CA130
220N0
220P0
CA012
220P0
CA011
220P0
CA022
1N0
CA068
CA014
220P0
CA114
330P0
4K7
RA110
4K7
RA111
DA110
LL42
CA125
100N0
CA124
470U0
RA118
22K0
RA119
22K0
RA116
560R0
560R0
RA117
CA121
3N3
100N0
CA119
HEATSINK
HEATSINK
-UA
1N0
CA132
220N0
CA174
3P3
CA006
3P3
CA005
220R0
RA074
220R0
RA073
220R0
RA063
CA065
470P0
4K7
RA021
RA011
4K7
CA027
180P0
180P0
CA018
CA017
180P0
SC4_IN_R
SC4_IN_L
GND
AHVSS
33
ASG3
GND
37
36
35
AGNDC
34
4U7
CA101
GND
100N0
CA100
GND
VREFTOP
46
CA102
10U0
CA103
100N0
1K0
RA005
CA008
100P0
CA004
100P0
10U0
CA051CA050
220N0
RA092
47R0
47R0
RA094
CA131
10N0
100K0
RA122
10N0
CA122
10U0
LA051
CA052
1N0
47P0
CA090
47P0
CA092
47K0
RA072
47K0
RA014
47K0
RA023
220P0
CA023
47K0
RA034
470P0
CA062
47K0
RA061
470P0
CA061
470P0
CA071
CA075
470P01N0
CA077
1N0
CA078
1
2
BA005
1
2
BA012
AV2_R_IN
AV2_L_IN
AM_AF
IIC_DA_2
(AP) AUDIO PART
AP 210E0000 00
SSB
Safety Part
When repairing, use original part only
Piece de securite
N'utilisez que les pieces d'origine
Bei Ersatz nur Originalteil verwenden
Sicherheitsbauteil
!
AP 210E0001 00
-UA
+UA
+UA
-UA
0
0
0
-15.8
0
5.4
2.8
0
16.4
16.4
15.4
16.4
-14.8
-15.8
-14.8
0
0
0
0
-15.8
16.4

VHF / UHF TUNER FE6230 ( For information only )
* PRINTED
PRINTED
PRINTED
GND
O2
O1
I2
I1
0
MH50
MH40
OP2(II01-22)OP1(II01-03) 40M4Hz trap
FM Mode OFF
FM Mode ON+5V to pin 12 (FM_SW)
0V to pin 12 (FM_SW)
FM Radio
OFF
ON
1
0
0
0
ON01
ON0
ON01
L`
L
DK
I
BG
NORM
FM_IN
B2
B1
BU
FM_RADIO
AGC
VIDEO_OUT
AS
+5V_I
AUDIO_OUT
SCL
SDA
+33V
FM_IF_OUTPUT
+5V_T
FM-SW
GND
39p
CS12
ni/10p
CH94
ni/1K
RH87
ni/1K
RH86
ni/4k7
RH88
ni/N1402
TH02
ni/BA592
DH90
ni/100p
CH93
270p
CH90
100p
CH78
100K
RI40
40M4Hz
LI01
1
2
3
4
5
6
7
8
303nH
LS01
10k
RI24
10p
CH92
1n
CI01
1n
CI23
47R
RH10
ni
CH01
2p
CH09
0p75
CH61
56p
CS02
22k
PI01
200nH
LS02
120p
CS03
S594TR
TH40
TP01
1
S595TR
TH20
4MHz
QH35
0p5
CH39
22p
CI27
S595TR
TH01
BB639
DH47
33R
RH43
22n
CH73
RH65
12p
CH23
22k
RH01
2R2
RH44
22k
RH41
22k
RH21
22k
RH20
22k
RH03
47k
RH42
47k
RH22
47k
RH04
1n0
CH06
5R6
RH31
22k
RH46
470k
RH45
470R
RH30
22R
JH13
2R2
RH28
22k
RH27
22k
RH25
22R
RH24
22k
RH47
22k
RH08
10k
RH34
10k
RH33
120R
RH94
68R
RH90
2R2
RH78
33k
RH80
22k
RH76
22k
RH73
39k
RH70
470R
RH72
220R
RH71
22k
RH52
10k
RH53
10k
RH61
2k2
RH60
3k3
RH64
680R
RH63
470R
RH62
3k9
RH40
BA592
DH65
BB535
DH02
BB639
DH20
BB639
DH21
BB535
DH01
BB639
DH46
BB639
DH45
BB639
DH26
BB639
DH25
BB535
DH10
BB535
DH11
BB535
DH50
BB639
DH60
BB639
DH40
1n0
CH68
1n0
CH69
CH35
5p
22k
RH05
2p2
CH18
CH66
1n
CH67
100n
39p
CH47
1n
CS13
1n0
CH81
470p
CH49
13p
CH19
33p
CH56
150p
CH20
22p
CH02
220p
CH40
1n0
CH41
100p
CH05
1n0
CH21
1n0
CH22
47p
CH04
22n
CH42
330p
CH48
100k
RH50
4n7
CH44
100n
CH45
22n
CH25
3p0
CH30
150p
CH29
330p
CH27
3p0
CH26
1n0
CH07
1n0
CH08
1n0
CH24
1p5
CH10
8p
CH12
100p
CH11
8p0
CH13
22n
CH15
100p
CH16
18p
CH37
1n
CH28
68p
CH34
68p
CH33
180R
RH35
100p
CH17
1n
CH82
1n0
CH80
CH83
1n0
2n2
CH74
4n7
CH71
1u
LS06
7p0
CH55
180p
CH65
470p
CH63
82p
CH62
3p0
CH60
2p2
CH59
2p2
CH58
3p0
CH57
CH53
CH52
CH51
CH50
CH50/CH51/CH52/CH53 = 1p0
TMM_2000
IH01
1
2
3
4
5
6
7
8
9
10
11
12
13
14 15
16
17
18
19
20
21
22
23
24
25
26
27
28
6K8
RI23
K9659D
FI02
1
2
3
4
5
1K
RI39
10n
CI20
TP03
1
68K
RI27
470n
CI12
10n
CI26
220n
CI17
II01
1234567
8
9
101112 13
14
15
16
17
18
19
20
21
22
23
24
10n
CI19
470n
CI14
1n5
CI18
12K
RI16
330R
RI20
ni/330R
RI14
10n
CI13
BC848B
TI03
0R
RI19
22u
CI16
1n0
CH84
TP04
1
ni
CI15
ni/10M7Hz
QI01
1
2
3
ni/330R
RI13
100R
RI12
100R
RI11
100R
RI10
10n
CI11
390p
CI10
5k6
RI09
10n
CI09
220R
RI17
75R
RI18
100p
CH03
150k/ni
RI50
5k6
RI25
1n
CI08
20p
CI04
4n7
CI06
470R
RI28
RN1402
TI02
1K5
RI08
100n
CI07
150K/ni
RI51
170nH
LH03
2p7
CI02
2p7
CI03
180R
RI02
47p
CI05
BA592
DI02
2k7
RI04
470nH
LI02
2k7
RI05
RN1402
TI01
22R
RI06
1k5
RH48
100n
CI36
4n7
CS09
1n
CH85
1n
CI35
100R
RI46
100R
RI44
100R
RI45
ni/10n
CI34
BFP196W
TS01
4n7
CH95
ni/560R
RH89
1K5
RI43
22u
CI22
BA592
DI01
291nH
LS03
220R
RS02
47249300
LP05
1
2
3
LL4148
DS01
68p
CS05
470p
CS06
10n
CI32
1P5
CS08
3k3
RS03
1k5
RS01
24n7H
LS05
K6257K
FI01
1
2
3
4
5
67
8
9
10
2K2
RI41
33R/0R
RS08
33R
RS10
390R
RS07
390R
RS11
390R
RS09
390R
RS12
BA592
DI04
680R
RS06
8p
CS10
39p
CS11
220R
RS04
82p
CS04
82p
CS01
22p
CH91
120R
RH32
2k7
RI30
5k6
RI29
1n
CI29
BC848B
TI04
1K2
RI42
TP02
1
ni/10K
RI35
ni/10R
RI36
ni/BC848B
TI06
ni/10K
RI37
ni/820R
RI38
ni/10n
CI30
1n
CI33
RN1402
TI07
1n
CI31
BA592
DI03
100p
CH86
1n
CH87
10R
RS13
B3 04
B2 01
B1 02
*PRINTED
JS01
JH05
LH43
LH42
LH41
LH40
LH21
LH20
LH02
LH01
LH51
LH70
LH61
LH60
LH50
LH46
LH45
LH44
LH30
LH28
LH26
LH24
LH18
LH17
LH16
LH14
LH13
LH12
LH11
LH10
12
13
14
15
18
17
16
2
1
5
4
3
9
7
6
FE_6230