 
   
S95G6RG-F851G
     
   
PHOTO: RG-F851G(BK)
G
In the interests of user-safety the set should be restored to its original condition and only parts identical to those specified be used
| E | age | 
|---|---|
| SPECIFICATIONS | 2, 3 | 
| NAMES OF PARTS | 2, 3 | 
| DISASSEMBLY | 4, 5 | 
| BLOCK DIAGRAM, | . 6 | 
| CIRCUIT DESCRIPTION 7- | -12 | 
| PACKING METHOD (RG-F852E ONLY) | 13 | 
| MECHANICAL ADJUSTMENT | , 15 | 
| TEST TAPES FOR MEASUREMENT 14, | , 15 | 
| CIRCUIT ADJUSTMENT16- | -20 | 
| SCHEMATIC DIAGRAM 21- | -24 | 
| Page | |
|---|---|
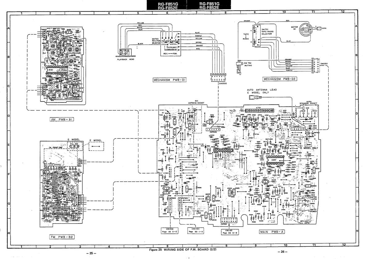
| WIRING SIDE OF P.W. BOARD | 2–26 | 
| EXPLODED VIEW | 27, 28 | 
| NOTES ON SCHEMATIC DIAGRAM | . 29 | 
| EQUIVALENT CIRCUIT (BLOCK DIAGRAM) | |
| OF IC | . 30 | 
| TYPES OF TRANSISTOR AND LED | . 31 | 
| REPLACEMENT PARTS LIST | 32-37 | 
| Seite | Seite | |
|---|---|---|
| TECHNISCHE DATEN | . 2, 3 | VERDRAHTUNGSSEITE DER LEITERPLATTE 22-26 | 
| BEZEICHNUNG DER TEILE | . 2, 3 | EXPLOSIONSDARSTELLUNG | 
| ZERLEGEN | . 4, 5 | ANMERKUNGEN ZUM SCHEMATISCHEN | 
| BLOCKSCHALTPLAN. | 6 | SCHALTPLAN | 
| KREISBESCHREIBUNGEN | 7–12 | ERSATZSCHALTKREIS (BLOCKSCHALTPLAN) | 
| MECHANISCHE EINSTELLUNG 1 | 4, 15 | DES INTEGRIERTEN SCHALTKREISES | 
| TESTBÄNDER FÜR MESSUNG 1 | 4,15 | TRANSISTOREN-UND LEUCHTDIODENTYPEN 31 | 
| SCHALTUNGSEINSTELLUNG | 6—20 | ERSATZTEILLISTE | 
| SCHEMATISCHER SCHALTPLAN 2 | 124 | 
| P | age Page | 
|---|---|
| CARACTÉRISTIQUES | 2,3 CÔTÉ CÂBLAGE DE LA PLAQUETTE DE | 
| NOMENCLATURE | 2, 3 MONTAGE IMPRIMÉ | 
| DÉMONTAGE | 5 VUE EN ÉCLATE 27, 28 | 
| DIAGRAMME SYNOPTIQUE | 6 REMARQUES CONCERNANT LE DIAGRAMME | 
| DESCRIPTION DU CIRCUIT 7- | 12 SCHÉMATIQUE 29 | 
| RÉGLAGE DE MÉCANISME 14, | 15 CIRCUITS EQUIVALENTS (DIAGRAMME | 
| BANDES D'ESSAI POUR MESURAGE 14, | 15 SYNOPTIQUE) DE CI | 
| REGLAGE DU CIRCUIT16- | 20 TYPES DE TRANSISTOR ET LED | 
| DIAGRAMME SCHEMATIQUE | 24 LISTE DES PIÈCES DE RECHANGE | 
RG-F851G RG-F852E
E
FOR A COMPLETE DESCRIPTION OF THE OPERATION OF THIS UNIT, PLEASE REFER TO THE OPERATION MANUAL.
| Tuning range: | LW; 153 kHz to 281 kHz (Auto 9 kHz span, Manual 1 kHz span) | Semic (RG-F | 
|---|---|---|
| MW; 522 kHz to 1620 kHz (9 kHz span) | ||
| FM stereo and FM; 87.5 MHz to 108 | ||
| MHz (0.05 MHz span) | ||
| Power source: | 12 V (for negative earth car only) | |
| Output power: | MAX; 8W+8W | Dimer | 
| (RG-F851G) | RMS; 5W+5W (DIN 45324) | |
| Output power: | MAX; 8W+8W | |
| (RG-F852E) | RMS; 5W+5W (10% T.H.D.) | Weigh | 
| Output impedance: | 4 ohms (each) | |
| Semiconductors: | 6 ICs (Integrated Circuits) | |
| (RG-F851G) | 2 FETs | Spec | 
| 36 Transistors | prio | |
| 12 LEDs | L | |
| 30 Diodes | ||
| 1 LSI (Large-scale Integrated Circuit) | ||
| 12 LEDs 30 Diodes 1 LSI (Large-scale Integrated Circuit) | 
| emiconductors: RG-F852E) | 6 ICs (Integrated Circuits) 2 FETs 36 Transistors 12 LEDs 31 Diodes | 
|---|---|
| imensions: | 1 LSI (Large-scale Integrated Circuit) Width; 180mm (7-1/16") Height; 52mm (2-1/16") | 
| eight: | 1.2 kg (2.7 lbs.) | 
Specifications for this model are subject to change without prior notice.
     
   
Figure 2
     
   
D
EINE VOLLSTÄNDIGE BESCHREIBUNG DER BEDIE-NUNG DIESES GERÄTES IST IN DER BEDIENUNGS-ANLEITUNG ENTHALTEN.
| Abstimmbereich: | LW; 153 kHz bis 281 kHz (9 kHz | 
|---|---|
| Raster: Automatische Abtastung | |
| 1 kHz Räster: Mänüelle Abtas- | |
| tung) | |
| MW; 522 kHz bis 1620 kHz (9 kHz | |
| UKW Stereo und UKW; 87,5 MHz bis | |
| 108 MHz (0,05 MHz Raster) | |
| Spannungsversorgung: | 12 V (nur Minuspol an Masse) | 
| Ausgangsleistung: | MAX; 8W+8W | 
| SINUS; 5 W + 5 W (DIN 45 324) | |
| Ausgangsimpedanz: | (je) 4 Ohm | 
| Halbleiter: | 6 ICs (Integrierter Schaltkreis) | 
| 2 FETs | |
| 36 Transistoren | |
| 12 LEDs | |
| 30 Dioden | |
| 1 LSI (Hochintegrierter Schaltkreis) | |
| Abmessungen: | Breite: 180 mm | 
| Höbe: 52 mm | |
| Tiefe: 125 mm | |
| Couriebt | |
| Gewicht. | r, z ky | 
POUR LA DESCRIPTION COMPLÈTE DU FONC-TIONNEMENT DE CET APPAREIL, SE REPORTER AU MODE D'EMPLOI.
E
| Plage d'acccord: | GO; 153 kHz à 281 kHz (Auto: | 
| portée de 9 kHz, Manuei: | |
| Portée de 1 kHz) | |
| PO; 522 kHz à 1620 kHz (Portée de | |
| 9 kHz) | |
| FM stéréo et FM; 87,5 MHz à 108 | |
| MHz (Portée de 0,05 MHz) | |
| Alimentation: | 12V (pour voiture avec négatif) | 
| Puissance de sortie: | Maximum; 8 W + 8 W | 
| Efficace; 5 W + 5 W (DIN 45 324) | |
| Impédance de sortie: | 4 ohms (chacun) | 
| Semi-conducteurs: | 6 IC (Circuit intégré) | 
| 2 FET | |
| 36 transistors | |
| 12 LED | |
| 30 Diodes | |
| 1 LSI (Circuit intégré à grande échelle) | |
| Dimensions: | Largeur; 180 mm | 
| Hauteur; 52 mm | |
| Profondeur; 135 mm | |
| Poids: | 1,2 kg | 
Les caractéristiques de ce modèle sont sujettes à modification sans préavis.
Die technischen Daten für dieses Modell können ohne vor
herige Ankündigung Änderungen unterworfen sein
RG-F851G
Follow the below-mentioned notes when disassembling the unit and reassembling it, to keep its safety and excellent performance:
| STEP | REMOVAL | PROCEDURE | FIGURE | 
|---|---|---|---|
| 1 | Front Panel | 1. Кпов (А)х3 2. Screw (В)х2 | |
| 2 | Top Cabinet | 1. Screw (C)x2 | 4-1 | 
| 3 | Bottom Cabinet | 1. Bottom Cabinet | |
| 4 | Mechanism Block | 1. Knob (D)x3 2. Socket (E)x2 3. Screw (F)x2 | 4-2 | 
| 5 | FM PWB (*1) | 1. Unsolder the plug (G)×3 | |
| 6 | AM PWB (*1) | 1. Unsolder the plug (H)x2 | 4-3 | 
| 7 | Control PWB (*1) | 1. Socket (1)x3 | 
*1. Each P.W.B. should be removed until the parts to be exchanged can be removed when servicing. If the parts to be exchanged are in the exchangeable condition, the rest of P.W.Bs. need not be removed.
     
   
Figure 4-3
RG-F851G RG-F852E
Beim Zerlegen und Zusammenbauen des Gerätes die folgenden Anweisungen befolgen, um dessen Betriebssicherheit und ausgezeichnete Leistung aufrechtzuerhalten.
| ENTFERNEN | VERFAHREN | ABBIL- DUNG | 
|---|---|---|
| Frontplatte | 1. Knopf (A)x3 2. Schraube (B)x2 | |
| Obere Gehäusehälfte | 1. Schraube (C)x2 | 4-1 | 
| Untere Gehäusehälfte | 1. Untere Gehäusehälfte | |
| Laufwerkblock | 1. Knopf (D)x3 2. Buchse (E)x2 3. Schraube (F)x2 | 4-2 | 
| UKW-Leiterplatte (*1) | 1. Den Stecker ablöten (G)x3 | |
| AM-Leiterplatte (*1) | 1. Den Stecker ablöten (H)×2 | 4-3 | 
| Steuer Leiterplatte (*1) | 1. Buchse (1)×3 | |
| ENTFERNEN Frontplatte Obere Gehäusehälfte Untere Gehäusehälfte Laufwerkblock UKW-Leiterplatte (*1) AM-Leiterplatte (*1) Steuer Leiterplatte (*1) | ENTFERNENVERFAHRENFrontplatte1. Knopf (A)x3 2. Schraube (B)x2Obere Gehäusehälfte1. Schraube (C)x2Untere Gehäusehälfte1. Untere GehäusehälfteLaufwerkblock1. Untere GehäusehälfteLaufwerkblock1. Knopf (D)x3 2. Buchse (E)x2 3. Schraube (F)x2UKW-Leiterplatte (*1)1. Den Stecker ablöten (G)x3AM-Leiterplatte (*1)1. Den Stecker ablöten (H)x2Steuer Leiterplatte (*1)1. Buchse (I)x3 | 
*1. Die einzelnen Leiterplatten sollten entfernt werden, bis die zu auswechselnden Teile bei der Wartung entfernt werden können. Wenn die zu auswechselnden Teile in auswechselbarem Zustand sind, ist es nicht erforderlich, die restlichen Leiterplatten zu entfernen.
DÉMONTAGE
(F)
Lors du démontage de l'appareil et de son remontage, suivre les précautions ci-dessous, pour maintenir la sécurité et d'excellentes performances.
| ÉTAPE | DÉPOSE | PROCĖDÉ | FIGURE | 
|---|---|---|---|
| 1 | Panneau frontal | 1. Bouton (A)x3 2. Vis (B)x2 | |
| 2 | Coffret supérieur | 1. Vis (C)×2 | 4-1 | 
| З | Coffret inférieur | 1. Coffret inférieur | |
| 4 | Bloc du mécanisme | 1. Bouton (D)x3 2. Douille (E)x2 3. Vis (F)x2 | 4-2 | 
| 5 | PMI FM (*1) | 1. Dessouder la fiche (G)x3 | |
| 6 | PMI AM (*1) | 1. Dessouder la fiche (H)x2 | 4-3 | 
| 7 | PMI de commancé (* 1) | 1. Douilie (1)x3 | 
*1. Chaque P.M.I. doit être déposée jusqu'à l'échange de pièce de P.M.I. Si l'échange de pièce est possible, on n'a pas besoin de déposer les autres P.M.I.
     
   
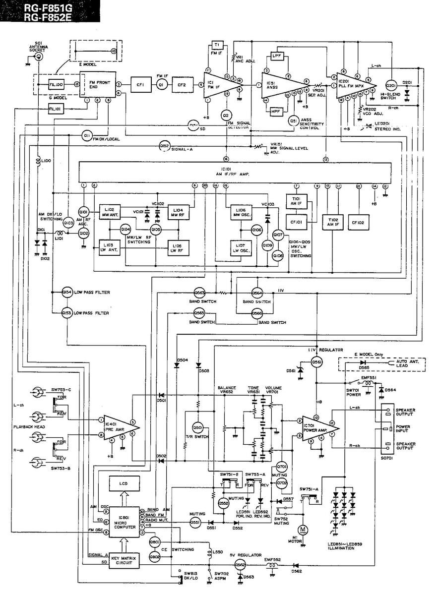
Figure 6 BLOCK DIAGRAM
     
   
ASPM (Automatic Station Program Memory) System
The ASPM is a useful device which permits memorization of 5 station frequencies by automatic searching of the frequency band from the lower limit upward.
In its searching, a station with strong signal is given priority over the one with weak signal and 5 stations with stronger signals are eventually selected out of all the other stations which may exist in a certain band.
(E)
Input and output signals of the microcomputer used for ASPM operation
| Name | Input/ output | Description | 
|---|---|---|
| ASPM signal | Input | This signal is caused when the OFF/VOL knob is pushed. | 
| "SD" signal | Input | This signal is caused when a station is detected by ASPM operation. The signal is active when it is at Low level. | 
| "A" signal | Input | This signal is used to judge whether the detected station has a strong signal or a weak signal. When the station is with strong signal, the signal is entered in the memory. The signal is active when it is at Low level. | 
| AGC killer | Output | During ASPM operation, this signal is signal emitted to cut off AGC of the tuner, so that "SD" signal and "A" signal are made effective. The signal is active when it is at High level. | 
| MUTE signal | Output | When PLL is unlocked, this signal is emitted to have the noise muted. The signal is active when it is at Low level. | 
     
   
Figure 7
ASPM-System (automatische Senderspeicherung)
Die ASPM ist eine äußerst nützliche Einrichtung, welche die Speicherung von 5 Sendefrequenzen ermöglicht. Der automatische Sendersuchlauf bewegt sich von der unteren Frequenzbandgrenze nach oben.
Bei diesem Sender-Suchverfahren werden den starken Signalen gegenüber den schwachen Priorität eingeräumt. So werden schließlich 5 Sender mit starken Sendesignalen unter allen Sendestationen gewählt, die in einem bestimmten Wellenbereich auftreten.
Eingangs- und Ausgangssignale des Mikrocomputers, die dem ASPM-Betrieb dienen.
| Bezeichnung | Eingang/ Ausgang | Beschreibung | 
|---|---|---|
| ASPM-Signal | Eingang | Dieses Signal wird erzeugt, wenn der OFF/ON-Knopf gedrückt wird. | 
| ''SD' | Eingang | Dieses Signal wird erzeugt, wenn beim ASPM-Betrieb in Sender gefunden wird. Das Signal spricht bei niedrigem Pagelan. | 
| "A'-Signal | Eingang | Dieses Signal wird erzeugt, um zu prüfen, ob es sich bei dem gefundenen Sender um ein starkes oder schwaches Signal handelt. Wenn sich das Sendesignal als stark erweist, wird es gespeichert. Dieses Signal spricht bei niedrigem Pegel an. | 
| AVR- Killersignal (automatische Verstärkerreg- elung) | Ausgang | Während des ASPM-Betriebs wird dieses Signal abgegeben, um die AVR des Tuners zu unterbrechen und somit das "D"-Signal sowie das "A"- Signal zu aktivieren. Das Signal spricht bei hohem Pegel an. | 
| MUTE-Signal (Stummschalt- ungssiganal) | Ausgang | Wenn die Regelschleife freigegeben ist, wird dieses Signal ausgelöst, um Rauschen zu unterdrücken. Das Signal spricht bei niedrigen Pegel an. | 
Wenn eine Senderfrequenz mit dem "A"-Signal zusammen in den Speicher eingegeben wurde, hält die Nummernanzeige für ca. 250 ms an, um die Frequenz des aufgefundenen Senders zu prüfen.
Falls keine der Sendestationen gespeichert wird, wird die niedrigste Frequenz angezeigt und abgestimmt. Der ASPM-Betrieb wird beendet, da der Mikrocomputer die Auslösung des AVR-Killersignals und des MUTE-Signals einstellt.
6. Um den ASPM-Betrieb vor dem kompletten Sendersuchlauf anzuhalten, einfach den OFF/VOL-Knopf erneut drücken. Dadurch wird die Auslösung von AVR-Killersignalen und MUTE-Signalen unterbrochen und der ASPM-Betrieb ist damit abgeschlossen. Zu diesem Zeitpunkt stoppt auch die Anzeige der Festspeichernummern. Die zuvor gespeicherten Sendestationen bleiben somit erhalten.
Automatischer Sendersuchlauf (Beispiel)
     
   
Abbildung 8
     
   
Système ASPM (Mémorisation automatique de stations) L'ASPM est un dispositif utile qui permet de mettre 5 stations en mémoire par la recherche automatique depuis le bas de la gamme de fréquence
Pendant cette recharche, l'appareil sélectionne 5 premières stations en fonction de l'intensité des signaux.
Ē
Signaux d'entrée et de sortie du micro-ordinateur utilisés pour la fonction ASPM
| Nom | Entrée/ sortie | Description | 
|---|---|---|
| Signal ASPM | Entrée | Ce signal se génère quand on appuie sur le bouton OFF/VOL. | 
| Signal "SD" | Entrée | Ce signal se génère quand une station a été localisée par l'opération ASPM. Ce signal est actif quand il est à niveau bas. | 
| Signal "A" | Entrée | Ce signal a pour fonction de juger i la station captée a un signal puissant ou pas. Dans l'affirmative, le signal est mis en mémoire. Ce signal est actif quand il est à niveau bas. | 
| Signal de suppression AGC | Sortie | Pendant le fonctionnement ASPM, ce signal est émis pour supprimer la fonction AGC du tuner et les signaux "SD" et "A" deviennent ainsi effectifs. Le signal est actif quand il est à niveau haut. | 
| Signal MUTE | Sortie | PLL débloqué, ce signal est émis pour supprimer les parasites. Le signal est actif quand il est à niveau bas. | 
Si aucune station n'est pas mise en mémoire, la fréquence la plus basse est indiquée sur le témoin et l'appareil s'accorde sur elle. Le fonctionnement ASPM s'achève lorsque le microordinateur cesse d'émettre les signaux de suppression AGC et MUTE.
6. Pour interrompre le fonctionnement ASPM, réappuyer sur le bouton OFF/VOL. L'émission des signaux de suppression AGC et MUTE s'arrête et le fonctionnement ASPM s'achève. A ce moment, aucun affichage n'est fait sur le numéro de station préréglée et les stations précédemment mémorisées restent toujours en mémoire.
Fonctionnement de la recherche automatique (Exemple)
Intensité de champ Signal "A" Signal "SD" t fl fl f2 f3 f4 f5 f6 f7 f8 f9 fi0 fll fl2 f13 f14 f5 f16 fH f
Figure 9
Scanning and memorization of band frequencies
*1 to *5: Broadcasing stations remaining in the memories before ASPM operation is started.
| Scanning frequency | М1 | M2 | мз | М4 | M5 | Indication | 
|---|---|---|---|---|---|---|
| f L (Start) | +1 | *2 | •3 | •4 | *5 | "O" flashes f | 
| → f1 | f1 | *2 | *3 | *4 | *5 | "1" f1 (the flashing stops for a moment.) | 
| → f2 | ŧ | f2 | •3 | •4 | *5 | "2" f2 (the flashing stops for a moment.) | 
|  | ŧ | ł | fЗ | *4 | *5 | "3" f3 (the flashing stops for a moment.) | 
|  | ł | ┥ | ł | ŧ | ł | "3" fashes f | 
| ₩f5 | ł | ŧ | ł | f5 | ŧ | "4" f5 (the flashing stops for a moment.) | 
| . | ŧ | ł | ţ | ŧ | f6 | "5" f6 (the flashing stops for a moment.) | 
| → f7 | f2 | f3 | f5 | f6 | f7 | "5" f7 (the flashing stops for a moment.) | 
| Scanning frequency | М1 | M2 | мз | M4 | M5 | Indication | |
|---|---|---|---|---|---|---|---|
| -+f8 | ł | ŧ | ł | ł | ł | "5" flashes f | |
| → f9 | ł | f5 | f6 | f7 | f9 ° | "5" f9 (the flashing stops for a moment., | |
| ↔ f10 | ŧ | ŧ | ł | ŧ | ļ | "5" flashes f | |
| → f11 | ł | †6 | f7 | f9 | f11 | "5" f11 (the flashing stops for a moment.) | |
| →f12 | ł | ł | ŧ | ţ | ŧ | "5" flashes f | |
| →f13 | ţ | ŧ | ŧ | ł | ŧ | (End) "5" Indication and reception of the frequency f11. | |
____ Table 10
Input/Output Pins of Microcomputer
| Pin No. | Name | Description | 
|---|---|---|
| 1 2 4 34 2 52 | LCD1 2 LCD23 | Segment signal output pins of LCD | 
| 5 6 | COM2 COM1 | Common output pins of LCD | 
| 7 33 | ממע | Power supply | 
| 8 | FM | FM local oscillation output is applied to this pin. | 
| 9 | AM | MW and/or LW local oscillation output is applied to this pin. | 
| 10 | GND | Ground | 
| 11 12 | EO1 EO2 | Charge pump output pins of the phase detector (in PLL) | 
| 13 | CE | Device selection signal input pin. | 
| 15 16 | XI XO | Connection pins for crystal oscillation | 
| 17 | AGC killer | During the automatic tuning or ASPM operation, this signal is emitted from the microcomputer to cut off AGC of the tuner so as to assure the frequency detection by "SD" signal and "A" signal. The signal is active when it is at High level. This AGC killer signal becomes active just after the MUTE signal has been emitted. As the auto tuning or ASPM operation is finished, the AGC killer is first stopped and then the MUTE signal. | 
| Pin No. | Name | Descriptio | n | |||||
|---|---|---|---|---|---|---|---|---|
| 18 | MUTE | V ei tř | When the PLL is unlocked, this signal is emitted from the microcomputer to get the shock noise muted. The signal is active when it is at Low level. | |||||
| 19 ~ 24 | Ks ≀ Kn | ĸ | Key return signal input pins of key matrix. | |||||
| 25 ~ 30 | KS₅ 2 KS₀ | K | Key return signal output pins of key matrix. | |||||
| 31 32 | FM BAND AM BAND | Band selection signal output pins The signals "FM BAND" and "AM BAND" become High or Low level as shown below according to the band to be selected. | ||||||
| - | Band | "FM BAND" | "AM BAND" | |||||
| FM | н | L | ||||||
| MW L L | ||||||||
| LW L H | ||||||||
| SDK(VF) | H | н | ||||||
Abtasten und Speicherung von Bandfrequenzen
*1 bis *5: Im Speicher enthaltene Sendestationen vor dem Start der ASPM-Funktion
| Abtast- frequenz | M1 | M2 | мз | M4 | м5 | Anzeige | 
|---|---|---|---|---|---|---|
| f L (Start) | +1 | •2 | ٠з | •4 | *5 | "O" blinkt f | 
| → f1 | f1 | *2 | •3 | *4 | *5 | "1" f1 (Das Blinken hält füreinen Augenblick an.) | 
| →f2 | ŧ | f2 | *3 | *4 | •5 | "2" f2 (Das Blinken hält für einen Augenblick an.) | 
|  | ŧ | ł | f3 | *4 | *5 | "3" f3 (Das Blinken hält für einen Augenblick an.) | 
|  | ŧ | ł | ŧ | ŧ | ŧ | "3" blinkt f | 
| ↔ f5 | ŧ | ŧ | ŧ | f5 | ł | "4" f5 (Das Blinken hält für einen Augenblick an.) | 
| →f6 | ł | ł | ł | ł | f6 | "5" f6 (Das Blinken hält für einen Augenblick an.) | 
| → f7 | f2 | f3 | f5 | f6 | f7 | "5" f7 (Das Blinken hält für einen Augenblick an.) | 
| Abtast- frequenz | M1 | M2 | МЗ | М4 | М5 | Anzeige | |
|---|---|---|---|---|---|---|---|
| →f8 | ţ | ł | ł | ł | ł | "5" blinkt f | |
| →f9 | ŧ | f5 | f6 |  |  | ) "5" f9 (Das Blinken hält für einen Augenblick an.) | |
| →f10 | ╡ | | ↓ | | + | | ł | ł | "5" blinkt f | |
| -++f11 | ŧ | f6 | f7 | f9 | f11 | "5" f11 (Das Blinken hält für einen Augenblick an.) | |
| f12 | ł | ŧ | ŧ | ŧ | ł | "5" blinkt f | |
| → f13 | ŧ | ŧ | ł | ŧ | ŧ | (Ende) "5" Anzeige und Empfang der Frequenz f11 | |
Table 11
| Stift- Nr. | Bezeichnung | Beschreibung | 
|---|---|---|
| 1 2 4 34 2 52 | LCD1 LCD23 | Segmentsignal-Ausgangsstifte der Flüssigkristallanzeige | 
| 5 | COM2 | Gemeinsame Ausgangsstifte für | 
| 6 | COM1 | |
| 7 33 | م מV | Spannungsversorgung | 
| 8 | FM | Ein örtlicher UKW-Oszillationsausgang ist diesem Stift zugeordnet. | 
| 9 | АМ | Ein örtlicher MW- und/oder LW- Oszillationsausgang ist diesem Stift zugeordnet. | 
| 10 | GND | Masse | 
| 11 12 | EO1 EO2 | Ausgangsstifte der Ladepumpe des Phasendetektors (in der Regelschleife) | 
| 13 | CE | Signaleingangsstift für Gerätewahl | 
| 15 16 | XI XO | Anschlußstifte für Quartzoszillation | 
| 17 | AVR-Killer | Während der automatischen Senderabstimmung (oder des automatischen Sendersuchlaufs) wird dieses Signal vom Mikrocomputer ausgelöst, um die AVR des Tuners zu unterbinden und um die Frequenzauffindung durch das "SD" Signal sowie das "A" Signal zu erreichen. Das Signal spricht bei hohem Pegel an. Das AVR-Signal spricht gleich nach der | 
| Stift- Nr. | Bezeichnung | Beschreibung | ||||||
|---|---|---|---|---|---|---|---|---|
| 17 | Auslösung des MUTE-Signals an. Wenn der automatische Sendersuchlauf (oder ASPMBetrieb) beendet ist, werden zuerst das AVR-Killersignal und danach das MUTESignal unterbrochen. | |||||||
| 18 | MUTE | Wenn die Regelschleife freigegeben ist, wird dieses Signal vom Mikrocomputer ausgelöst, um den Schock-Signalimpuls zu unterdrücken. Das Signal spricht bei niedrigem Pegel an. | ||||||
| 19 ) | K₅ | E | ingangsstif es Tastenn | fte für Tasten- natrix | Rückimpulse | |||
| 24 | ( Ko | |||||||
| 25 ₹ 30 | KS₅ ≷ KS₀ | Ausgangsstifte für Tasten-Rückimpulse des Tastenmatrix | ||||||
| 31 32 | FM BAND (UKW-BEREICH) AM BAND (MW-BEREICH) | Ausgangsstifte für Wellenbereichssignal. Die "FM BAND (UKW-BEREICH)"-Signale und "AM BAND (MW-BEREICH)"-Signale erfahren je nach dem gewählten Band einen hohen bzw. niedrigen Pegel. Nehmen Sie auf die untere Tabelle Bezum | ||||||
| Band | "FM BAND (UKM- BEREICH)" | "AM BAND (MW- BEREICH)" | ||||||
| UKW | hoch | niedrig | ||||||
| MW niedrig niedrig | ||||||||
| LW | niedrig | hoch | ||||||
| SDK(VF) | hoch | hoch | ||||||
Balayage et mémorisation des fréquences
*1 à *5: Stations mises en mémoire avant l'opération ASPM
| Fréquence de balayage | M1 | M2 | мз | M4 | М5 | Indication | 
|---|---|---|---|---|---|---|
| f L (Début) | *1 | *2 | •3 | •4 | *5 | "O" clignote, f | 
| →f1 | f1 | *2 | *3 | *4 | *5 | "1" f1 (le clignotement s'arrête momentanément.) | 
| →f2 | ŧ | f2 | *3 | •4 | •5 | "2" f2 (le clignotement s'arrête momentanément.) | 
|  | ŧ | ł | fЗ | *4 | *5 | "3" f3 (le clignotement s'arrête momentanément.) | 
| → f4 | ŧ | ł | ŧ | ţ | ŧ | "3" clignote. f | 
|  | ŧ | ł | ŧ | f5 | ţ | "4" f5 (le clignotement 'arrête momentanément.) | 
| →f6 | ŧ | ŧ | ŧ | ŧ | f6 | "5" f6 (le clignotement s'arrête momentanément.) | 
| → f7 | f2 | f3 | f5 | f6 | f7 | "5" f7 (le clignotement s'arrête momentanément.) | 
| Fréquence de balayage | м1 | М2 | мз | M4 | M5 | Indication | |
|---|---|---|---|---|---|---|---|
|  | ł | ŧ | ŧ | ŧ | ł | "5" clignote, f | |
| →f9 | ŧ | f5 | f6 | f7 | f9 | "5" f9 (le clignotement s'arrête momentanément.) | |
| → f10 | ŧ | ł | ł | ŧ | ŧ | "5" clignote. f | |
| • | ł | f6 | f7 | f9 | f11 | "5" f11 (le clignotement s'arrête momentanément.) | |
| →f12 | ŧ | ŧ | ŧ | ŧ | ţ | "5" clignote. f | |
| ↔ f13 | ŧ | ŧ | ŧ | ţ | ł | (Fin) Indication "5" et réception de la fréquence f 11 | |
| N° de broche | Nom | Description | 
|---|---|---|
| 1 | LCD1 LCD23 | LCD1 Broches de sortie de signaux segmentaires du LCD | 
| 5 6 | COM2 COM1 | Broches de sortie communes du LCD | 
| 7 33 | עס∨ | Alimentation | 
| 8 | FM | Le signal de sortie de l'oscillation locale FM est appliqué à cette broche. | 
| 9 | AM | Le signal de sortie de l'oscillation locale PO et/ou GO est appliqué à cette broche. | 
| 10 | GND | Mise à la terre | 
| 11 12 | EO1 EO2 | Broches de sortie de pompe d'admission du 12 comparateur de phase (en PLL). | 
| 13 | CE | Broche d'entrée pour signal de sélection de dispositif. | 
| 15 16 | xı xo | Broches de raccordement pour l'oscillation à cristaux. | 
| 17 | AGC killer | Pendant l'accord automatique ou le fonctionnement ASPM, ce signal est émis du microordinateur pour supprimer la fonction AGC du tuner, et ceci afin d'assurer la détection de fréquences par les signaux "SD" et "A". Ce signal est actif quand il est à niveau haut. Le signal de suppression AGC s'active juste après l'émission du signal MUTE, À la fin de l'accord automatique ou du | 
Tableau 12
| Nº de broche | Nom | Descriptio | ก | ||||||
|---|---|---|---|---|---|---|---|---|---|
| 17 | fo si si | fonctionnement ASPM, le signal de suppression AGC s'arrête et ensuite le signal MUTE s'arrête. | |||||||
| 18 | MUTE | P m d à | PLL débloqué, ce signal est émis du microordinateur pour supprimer le bruit de choc. Ce signal est actif quand il est à niveau bas. | ||||||
| 19 | Ks | B | Broches d'entrée pour signal de retour de touche (Matrice de touche) | ||||||
| 25 ~ 30 | KS₅ | Broches de sortie pour signal de retour de touche (Matrice de touche) | |||||||
| 31 32 | FM BAND | Broches de sortie pour signal de sélection de gamme d'ondes Les signaux "FM BAND" et "AM BAND" passe à niveau haut (ou bas) en fonction de la gamme à sélectionner. | |||||||
| Gamme | "FM BAND" | "AM BAND" | |||||||
| FM | haut | bas | |||||||
| • | MW | bas | bas | ||||||
| LW | bas | haut | |||||||
| SDK(VF) | haut | haut | |||||||
     
   
| SETTING POSITIONS OF SWITCH | ES AND KNOBS | 
|---|---|
| Power Switch | OFF | 
| Balance Control | CENTER | 
| Tone Control | LOW | 
| FM MO/ST Selector | MONO | 
| DX/LO Selector | DX | 
| 
 | t | 
|---|
LX-8705614550 TSPC-1499AF77 SSAKA01044F77 LANGT1348AFEW PGUMM0180AF77 PSPAZ0164AF77 PCASZ0052AFFW QKiTZ0039AFZZ SPAKA1512AFZZ SPAKA1513AFZZ SPAKC3702AFZZ TGANE11174E77 TiNSE1112AF77
     
   
| ITEM | USING JIG | ADJUSTMENT POINTS | REMARKS (CHECK) | 
|---|---|---|---|
| Pinch roller pressure | Tension gauge (500 g) | Pinch roller pressure spring | 300 — 420 g * If the reading is outside the range, replace the pressure spring of the pinch roller. | 
| Driving power | Tape tention measuring cassette Forward TW-2412 Reverse TW-2422 | More than 130 g | |
| Torque | Torque meter Play, Forward TW-2111 Play, Reverse TW-2121 Fast-forward TW-2231 Rewind TW-2231 | (Play, Forward: 35 — 60 g-cm) (Play, Reverse: 35 — 60 g-cm) (Fast-forward: 85 — 125 g-cm) (Rewind: 85 — 125 g-cm) | |
| Azimuth | Test tape MTT-114 | Azimuth adjusting screw *1 | Sine waveform attains the maximum. | 
| Tape speed | Test tape MTT-111 | 3,000 +105 Hz | 
     
   
     
   
     
   
     
   
Figure 14-3 TAPE SPEED
and then the forward playback screw.
| TITLE | MODEL | APPLICATION | |
|---|---|---|---|
| FLUTTER | MTT-111 | 3 kHz,10 dB | Tape speed, Wow and flutter check | 
| AZIMUTH | MTT-113 MTT-113C MTT-114 | 6.3 kHz, —10 dB 8 kHz, —10 dB 10 kHz, —10 dB | Head azimuth adjustment | 
| DISTORTION | MTT-118 | 1 kHz, —10 dB | Distortion check level adjustment | 
| DOLBY LEVEL CALIBRATION | MTT-150 | Dolby B-Type Tone 200 nwb/m | Dolby NR B-type level adjustment | 
| BLANK | MTT-502 | Record fre- quency check | 
| MODEL | MEASUREMENT RANGE | APPLICATION | 
|---|---|---|
| TW-2111 | 10 – 100 g-cm | Normai : Playback torque | 
| 1.5 — 10 g-cm | Normal : Back-tension | |
| TW-2121 | 10 100 g-cm | Reverse : Playback torque | 
| 1.5 — 10 g-cm | Reverse : Back-tension | |
| TW-2231 | 30 – 200 g-cm | Fast-forward, Rewind torque | 
| TW-2412 | 0 — 300 g | Normal : Driving power | 
| TW-2422 | 0 300 g | Reverse : Driving power | 
-- 14 --
     
   
| BÉ- NENNUNG | VER- WENDETES MESSGERÄT | EINSTELL- PUNKT | BEMERKUNGEN (PRÛFUNG) | 
|---|---|---|---|
| Andruck- rollen- druck | Federwaage (500 g) | Andruckrollen- druckfeder | 300 – 420 g * Wenn ein anderer Wert angezeigt wird, die Druck- feder der Andruckrolle auswechseln. | 
| Antriabs- kraft | Bandzug Meßcassette Vorwarts TW-2412 Gegenrichtung TW-2422 | Mehr als 130 y | |
| Dreh- moment | Drehmoment- messer Wiedergabe, Vorwärts: TW-2111 Wiedergabe, Gegenrichtung: TW-2121 Schnellvorlauf: TW-2231 Rückspulung: TW-2231 | (Wiedergabe, Vorwärts: 35 – 60 g-cm) (Wiedergabe Gegenrichtung: 35 – 60 g-cm) (Schnellvorlauf: 85 – 125 g-cm) (Rückspulung: 85 – 125 g-cm) | |
| Azimut | Testband MTT-114 | Azimuteinstell- schraube *1 | Sinuswellenform wird maximal. | 
| Bandge- schwin- digkeit | Testband MTT-111 | 3000
       
        + 105
       
       Hz _75 Hz | 
*1 Um die Azimuteistellung durchzuführen zuerst die Bandumkehrwiedergabeschraube und dann die Voralufwiederoabeschraube einstellen.
| BENENNUNG | MODELL | FREQUENZ/ PEGEL | ANWENDUNG | 
|---|---|---|---|
| GLEICHLAUF- SCHWAN- KUNGEN | MTT-111 | 3 kHz, —10 dB | Überprüfung der Bandgesch- windigkeit und Gleichlauf- schwankungen | 
| AZIMUT | MTT-113 MTT-113C MTT-114 | 6,3 kHz, —10 dB 8 kHz, —10 dB 10 kHz,—10 dB | Kopfazimutein- stellung | 
| KLIRR- FAKTOR | MTT-118 | 1 kHz, —10 dB | Verzerrungs- pegeleinstellung | 
| DOLBY- PEGEL- EICHUNG | MTT-150 | Ton von Dolby B-Typ 200 nwb/m | Dolby-NR B- Typ-Pegelein- stellung | 
| LEER- CASSETTE | MTT-502 | Überprüfung der Aufnahme- frequenz | 
| MODELL | MESSBEREICH | ANWENDUNG | 
|---|---|---|
| TW-2111 | 10 100 g-cm | Normal : Wiedergabedrehmoment | 
| 1,5 — 10 g-cm | Normal : Rückzug | |
| TW-2121 | 10 — 100 g-cm | Rücklauf : Wiedergabedrehmoment | 
| 1,5 — 10 g-cm | Rücklauf : Rückzug | |
| TW-2231 | 30 — 200 g-cm | Schneilvorlauf-, Rückspul- drehmoment | 
| TW-2412 | 0 — 300 g | Normal : Antriebskraft | 
| TW-2422 | 0 — 300 g | Rücklauf : Antriebskraft | 
| ARTICLE | GABARIT | POINTS DE RÉGLAGE | REMARQUES (VERIFICATION) | 
|---|---|---|---|
| Pression du ġalet pinceur | Jauge de tension (500 g) | Ressort de pression du galet pinceur | 300 – 420 g * Si l'indication par la jauge est hors de la gamme, remplacer le ressort de pression du galet pinceur, | 
| Puissance d'entraine- ment | Cassette de mesure de tension de la bande Avance TW-2412 Retour TW-2422 | Ptus de 130 g | |
| Couple | Compteur de couple Lecture, Avance: TW-2111 Lecture, Retour: TW-2121 Avance rapide: TW-2231 Rebobinage: TW-2231 | (Lecture, Avance: 35 à 60 g-cm) {Lecture, Ratour: 35 à 60 g-cm} (Avance rapide: 85 à 125 g-cm) (Rebobinage: 85 à 125 g-cm) | |
| Azimut | Bande d'essai MTT-114 | Vis de réglage de l'azimut *1 | La forme d'onde sinusoïdale atteint | 
| Vitesse de la bande | Bande d'essai MTT-111 | 3000 + 105 -75 Hz | 
*1 Pour effectuer le réglage d'azimut aiuster d'abord la vis de lecture en retour et puis la vis de lecture d'avance.
| TITRE | MODÈLE | FRÉQUENCE/ NIVEAU | APPLICATION | 
|---|---|---|---|
| PLEURAGE | MTT-111 | 3 kHz, —10 dB | Vérification de la vitesse de bande et du pleurage et scintillement | 
| AZIMUT | MTT-113 MTT-113C MTT-114 | 6,3 kHz, —10 dB 8 kHz, —10 dB 10 kHz, —10 dB | Réglage de l'azimut de la tête | 
| DISTORSION | MTT-118 | 1 kHz,10 dB | Réglage de niveau de distorsion | 
| CALIBRAGE DU NIVEAU DOLBY | MTT-150 | Tonalité Dolby type B, 200 nwb/m | Réglage du niveau type B Dolby NR | 
| ESPACE VIERGE | MTT-502 | Vérification de la fréquence d'enregistrement | 
| MODÈLE | GAMME DE MESURE | APPLICATION | 
|---|---|---|
| TW-2111 | 10 — 100 g-cm | Normal : Lecture d'enroulement | 
| 1,5 — 10 g-cm | Normal : Tension arrière | |
| TW-2121 | 10 – 100 g-cm | Retour : Lecture d'enroulement | 
| 1,5 — 10 g-cm | Retour : Tension arrière | |
| TW-2231 | 30 — 200 g-cm | Couple d'avance rapide et de rebobinage | 
| TW-2412 | 0 — 300 g | Normal : Puissance d'entrainement | 
| TW-2422 | 0 - 300 g | Retour : Puissance d'entraînement | 
CIRCUIT ADJUSTMENT (TUNER SECTION)
Set the receiving frequency band to FM.
(F
| FREQUENCY DISPLAY | ADJUSTMENT | REMARKS | 
|---|---|---|
| 108.0 MHz | TC801 | 118.7 MHz ±2kHz | 
| • | |||||
|---|---|---|---|---|---|
| SWITC POSIT | CH TON | FM mono | |||
| SIGNA GENE | RATOR | 1 kHz, 30%, FM modulated | |||
| STEP | TEST STAGE | FRE- QUENCY | FRE- QUENCY DISPLAY | ADJUST- MENT | REMARKS | 
| 1 | IF/FM SD Output | 98.0 MHz at 54 dB | 98.0 MHz | τ1 | Adjust for minimum output, | 
| SIGNA GENE | RATOR | 400 Hz, 22.5 kHz dev, FM modulated | lated | ||
| 2 | IF | 98.0 MHz 98.0 MHz T2 Adjust for at 10 dB maximal output. | |||
| SWITCH POSITION | FM stereo | FM stereo | ||
|---|---|---|---|---|
| SIGNAL GENERATOR | 400 Hz, 22.5 | 400 Hz, 22.5 kHz dev, FM modulated | ||
| FREQUENCY | FREQUENCY DISPLAY | ADJUSTMENT | REMARKS | |
| 98.0 MHz 74 dB | 98.0 MHz | VR201 (Fig.18-2) | Adjust for maxi- mal separation. | |
| SIGNAL GENERATOR | 400 Hz, 22.5 kHz dev, FM modulated (mono signal) | |||
|---|---|---|---|---|
| FREQUENCY | FRE- ADJUST- REMARKS QUENCY MENT DISPLAY | |||
| FM mono position | FM stereo | (unmodula | position ted) | ||
| 98.0 MHz at 60 dB | 98.0 MHz | VR202 (Fig.182) | Adjust for 19.00 kHz ±50 Hz. | |
| SWITCH POSITION | FM ma | FM mono | ||
|---|---|---|---|---|
| SIGNAL GENERATOR | 400 Hz, 22.5 kHz dev, FM modulated | ulated | ||
| FREQUENCY | NCY | ADJUSTMENT | REMARKS | |
| 19 kHz | 108,0 MH | z | L51 | Adjust for mini- mum output. | 
| LCD PWB | ТСВ | 01 | ||
     
   
     
   
Figure 16-2 IF/FM SD OUTPUT
     
   
     
   
     
   
Figure 16-4 VCO/ANSS
     
   
Figure 16-5 ADJUSTMENT POINTS
     
   
ABGLEICH DER UHRENBEZUGSFREQUENZ Die Empfangsfrequenz auf das UKW einstellen.
| FREQUENZANZEIGE | EINSTELLUNG | BEMERKUNGEN | ||
|---|---|---|---|---|
| 108,0 MHz | TC801 | 118,7 MHz ±2 kHz | ||
| SCHA | UKW-Wellenband | |||||
|---|---|---|---|---|---|---|
| SIGNA GENE | L- RATOR | 1 kHz, 30%, UKW-Modulation | ||||
| SCH- RITT | PRÜF- STUFE | FRE- FREQUENZ-EINSTEL- QUENZ ANZEIGE LUNG | BEMER- KUNGEN | |||
| 1 | ZF/UKW- SD- Ausgang | 98,0 MHz bei 54 dB | 98,0 MHz | Т1 | Den kern Auf minimum Ausgang ein- stellen. | |
| SIGNA GENEI | 400 Hz, 2 | 2,5 kHz Hub | , UKW-Mo | dulation | ||
| 2 | ZF | 98,0 MHz bei 10 dB | 98,0 MHz | Т2 | Auf maxi- malen Aus- gang ein- stellen | |
| SCHALTER- STELLUNG | FM stereo | FM stereo | ||||
|---|---|---|---|---|---|---|
| SIGNAL- GENERATOR | 400 Hz, 22,5 k | 400 Hz, 22,5 kHz Hub, UKW-Modulation | ||||
| FREQUENZ | FREQUENZ- ANZEIGE | EINSTEL- LUNG | BEMER- KUNGEN | |||
| 98,0 MHz 74 dB | 98,0 MHz | VR201 (Abb. 182) | Auf Maximalen Trennung ein- stellen, | |||
| SIGNAL- | 400 Hz, 22,5 k | 400 Hz, 22,5 kHz Hub, UKW-Modulation | |||
|---|---|---|---|---|---|
| GENERATOR | (Mono-Signal) | (Mono-Signal) | |||
| FREQUENZ | FREQUENZ- ANZEIGE | EINSTEL- LUNG | BEMERKUNGEN | ||
| FM mono-Positio | n | FM stereo-Position (unmoduliert) | |||
| 98,0 MHz bei | 98,0 MHz | VR202 | Auf 19,00 kHz ± | ||
| 60 dB | (Abb. 18–2) | 50 Hz einstellen. | |||
| SCHALTER- STELLUNG | FM mono | FM mono | ||||
|---|---|---|---|---|---|---|
| SIGNAL- GENERATOR | 400 Hz, 22,5 k | 400 Hz, 22,5 kHz Hub, UKW-Modulation | ||||
| FREQUENZ | FREQUENZ- ANZEIGE | EINSTEL- | BEMER- KUNGEN | |||
| 19 kHz | 108,0 MHz | L51 | Den kern Auf minimum Ausgang ein- stellen. | |||
Régler la gamme de fréquence de réception sur FM.
| AFFICHAGE DE FRÉQUENCE | RÉGLAGE | REMARQUES | 
|---|---|---|
| 108,0 MHz | TC801 | 118,7 MHz ±2 kHz | 
RG-F851G
| POSITI COMM | ON DU UTATEUR | FM Mono | ||||
|---|---|---|---|---|---|---|
| GÉNÉF DE SIG | IATEUR NAUX | 1 kHz, 30%, modulė FM | ||||
| ÉTAPE ÉTAGE D'ESSAI | FRÉ- QUENCE | AFFICHAGE DE FRÉ- QUENCE | RÉGLAGE | REMARQUES | ||
| 1 | Sortie SD FI/FM | 98,0 MHz à 54 dB | 98,0 MHz | Τ1 | Régler sur la sortie minimale. | |
| GÉNÉF DE SIG | 400 Hz, d | év. de 22,5 kł | ⊣z, modulé | FM | ||
| 2 | Fi | 98,0 MHz à 10 dB | 98,0 MHz | T2 | Régler sur la sortie maxi- male, | |
| POSITION DU | FM stéréo | ||||
|---|---|---|---|---|---|
| GÉNÉRATEUR DE SIGNAUX | 400 Hz, dév. d | 400 Hz, dév. de 22,5 kHz, modulé FM | |||
| FRÉQUENCE | AFFICHAGE DE FRÉ- QUENCE | RÉGLAGE | REMARQUES | ||
| 98,0 MHz 74 dB | 98,0 MHz | VR201 (Fig. 18–2) | Régier pour que la sépara- tion soit maxi- male. | ||
| GÉNÉRATEUR DE SIGNAUX | 400 Hz, dév. de 22,5 kHz, modulé FM (mono signal) | |||
|---|---|---|---|---|
| FRÉQUENCE | AFFICHAGE DE FREQUENCE | RÉGLAGE | REMARQUES | |
| Position FM mono | Position FM stéréo (non modulés) | |||
| 98,0 MHz à 60 dB | 98,0 MHz | VR202 {Fig. 18–2} | Réglage sur 19,00 kHz ± 50 Hz. | |
| POSITION DU | R FM mono | ||
|---|---|---|---|
| GÉNÉRATEUR DE SIGNAUX | 400 Hz, dév. | de 22,5 kHz, mo | dulé FM | 
| FRÉQUENCE | AFFICHAGE DE FRÉ- QUENCE | RÉGLAGE | REMARQUES | 
| 19 kHz | 108,0 MHz | L51 | Régler sur la sortie minimale. | 
(E)
| SWITCH POSITION | FM mono | |||
|---|---|---|---|---|
| SIGNAL GENERAT | DR | 6.3 kHz, 30 %, FM modulated = 0 dB | ||
| FRE- QUENCY | FRE- DUENCY DISPL | ADJUST- MENT | REMARKS | |
| 98.0 MHž 50 dB | 98.0 1 | ИНz | VR1 | Adjust VR1 so that the out- put is changed from 0 dB to 3 dB when the input is reduced from 74 dB to 45 dB. | 
     
   
Figure 18-1 AUTO NOISE CUT LEVEL
D
| SCHALTER- STELLUNG UKW-Wellenband | ] | |||||||
|---|---|---|---|---|---|---|---|---|
| SIGNAL- GENERAT | OR ( | 5,3 kHz, 30%, m | odulé FM ≈ 0 dB | ] Co | llector | TANO | I | C201 63. | 
| FRE- QUENZ | FRE- QUENZ ZEIGE | AN EINSTEL- | BEMER- KUNGEN | I | ||||
| 98,0 MHz 50 dB | 98,0 MF | lz VR1 | VR1 so einstellen, daß der Ausgang von 0 dB auf –3 dB geändert wird, wenn der Ein- gang von 74 dB auf 45 dB reduziert. | : - - , I | ||||
| POSITION COMMUT | FM m | FM mone | |||
|---|---|---|---|---|---|
| GÉNÉRATEUR DE SIGNAUX | 6,3 kHz, 30%, modulé FM = 0 dB | ||||
| FRÉ- QUENCE | AFFICHAGE DE FRÉQUENCE | RÉGLAGE | REMARQUES | ||
| 98,0 MHz 50 dB | 98,0 Mi | Ηz | VR1 | Régler VR1 de telle sorte que la sortie passe de 0 dB à3 dB lorsque l'entrée est réduite de 74 dB à 45 dB. | |
     
   
-
Garrie Booteds (
Figure 18-2 ADJUSTMENT POINTS
- 18 -
     
   
| SI GEN | GNAL ERATOR | 400 Hz, 309 | %, AM mod | ulated | ||
|---|---|---|---|---|---|---|
| STEP | TEST STAGE | FRE- QUENCY DISPLAY | ADJUST- MENT | REMARKS | ||
| MW/LV | V IF (Set the | receiving fr | equency bar | nd to MW.) | ||
| 1 | IF | 450 kHz | 522 kHz | T101 T102 | Adjust for best ".1F" curve. | |
| MW RF | ||||||
| 2 | Band | No signal | 522 kHz | L106 | 1.2 V | |
| 3 | coverage | is used. | 1,620 kHz | TC103 | 8.0 V | |
| 4 | Repeat ster made. | ps 2 and 3 u | ntil no furth | er improver | nent can be | |
| 5 | Tracking | 600 kHz | 600 kHz | L102 L104 | Adjust for maximal | |
| 6 | 1,400 kHz | 1,400 kHz | TC101 TC102 | output. | ||
| 7 | Repeat ste made | ps 5 and 6 u | ntil no furth | ier improve | ment can be | |
| (Set the rec | eiving frequ | ency band to | o LW.) | |||
| 8 | Band | No signal | 153 kHz | L107 | 2.7 V | |
| 9 | COVEIBUE | is used. | 281 kHz | TC104 | 7.1 V | |
| 10 | Repeat ste made. | ps 8 and 9 u | ntil no furth | er improve | ment can be | |
| 11 | Tracking | 160 kHz | 160 kHz | L103 | Adjust for | |
| 12 | 270 kHz | 270 kHz | L105 | maximal output. | ||
| 13 | Repeat ste be made. | eps 11 and 11 | 2 until no fu | rther impro | vement can | |
Note: Perform the Band coverage adjustment for MW prior to the one for LW, and carry out the tracking for LW prior to that for MW.
| SIGNAL GENERATOR | 54 dB, Unr | 54 dB, Unmodulated | ||||
|---|---|---|---|---|---|---|
| FREQUENCY | FRE- QUENCY DISPLAY | ADJUST- MENT | REMARKS | |||
| 999 kHz | 999 kHz | VR151 | 4 ± 0,1∨ | |||
     
   
RG-F851G
Figure 19-1 AM "IF" CURVE
     
   
     
   
     
   
| SIC GENI | SNAL- | 400 Hz, 30 | % , AM-Modi | ulation | |
|---|---|---|---|---|---|
| SCH- RITT | PRÜF- STUFE | FRE- QUENZ | FRE- QUENZAN- ZEIGE | EINSTEL- LUNG | BEMER- KUNGEN | 
| MW/LW | ZF (Die Em | pfangsfreque | nz auf das MV | V-Wellenband | einstellen.) | 
| 1 | ZF | 450 kHz | 522 kHz | T101 T102 | Auf beste ZF-Kurve einstellen. | 
| MW HF | |||||
| 2 | _ | Kein Sig- | 522 kHz | L106 | 1,2 V | 
| 3 | Frequenz- bereich | rator wird verwendet. | 1620 kHz | TC103 | 8,0 V | 
| 4 | Die Schritt Verbesseru | te 2 und 3 w ing möglich | /iderholen, b ist. | is keine weit | ere | 
| 5 | Gleichlauf | 600 kHz | 600 kHz | L102,L104 | Auf maxi- malen Aus- | 
| 6 | 1400 kHz | 1400 kHz | TC101 TC102 | gang ein- stellen. | |
| 7 | Die Schrit Verbesseru | te 5 und 6 v Ing möglich | viederholen, ist. | bis keine we | itere | 
| LW HF | (Die Empfa | ngsfrequenz | auf das LW | Wellenband | einstellen.) | 
| 8 | Frequenz- | Kein Signal- | 153 kHz | L107 | 2,7 V | 
| 9 | bereich | generator wird ver- wendet. | 281 kHz | TC104 | 7,1 V | 
| 10 | Die Schrit Verbesser | te 8 und 9 v ung möglich | viederholen, ist. | bis keine we | itere | 
| 11 | Gleich- | 160 kHz | 160 kHz | L103 | Auf maxi- | 
| 12 | lauf | 270 kHz | 270 kHz | L105 | maien Aus- gang ein- stellen. | 
| 13 | Die Schrit Verbesser | te 11 und 1 ung möglich | 2 wiederhole ist. | n, bis keine | weitere | 
Anmerkung: Die Frequenzbereich-Einstellung für das MW-Wellenband muß vor der Einstellung des LW-Bereiches vorgenommen werden. Die Abtastung für LW sollte vor der Einstellung für MW ausgeführt werden.
MW-SIGNALBSTIMMUNG
| SIGNAL- GENERATOR | 54 dB, Unm | 54 dB, Unmoduliert | ||||
|---|---|---|---|---|---|---|
| FREQUENZ | FRE- QUENZ- ANZEIGE | EINSTEL- LUNG | BEMERKUNGEN | |||
| 999 kHz | 999 kHz | VR151 | 4 ± 0,1 V | |||
| GÉNÉ DE SI | RATEUR GNAUX | 400 Hz, 30 | ) %, modulé | AM | |
|---|---|---|---|---|---|
| ÉTAPE | ÉTAGE D'ESSAI | FRÉ- QUENCE | AFFICHA GE DE FRÉ- QUENCE | RÉGLAGE | REMARQUES | 
| FI PO/C | GO (Régler la | a gamme de | fréquence o | le réception | sur PO.) | 
| 1 | FI | 450 kHz | 522 kHz | T101 T102 | Régier sur la meilleure courbe "F1". | 
| RF PO | |||||
| 2 | Couverture | Pas de | 522 kHz | L106 | 1,2 V | 
| 3 | de gamme d'ondes | gene- rateur de signaux utilisé. | 1620 kHz | тс103 | 8,0∨ | 
| 4 | Refaire les ultérieure | étapes 2 et ne puisse pl | 3 jusqu'à ce us être obte | e qu'une ame nue. | ilioration | 
| 5 | Alianomont | 600 kHz | 600 kHz | L102 L104 | Régler sur la sortie maxi- | 
| 6 | Alignement | 1400 kHz | 1400 kHz | TC101 TC102 | male. | 
| 7 | Refaire les ultérieure | étapes 5 et ne puisse p | t 6 jusqu'à ce lus être obte | e qu'une am nue. | élioration | 
| RF GO | (Régler la g | amme de f | réquence de | réception su | ır GO.) | 
| 8 | Couverture | Pas de | 153 kHz | L107 | 2,7 ∨ | 
| 9 | d'ondes | rateur de signaux utilisé. | 281 kHz | TC104 | 7,1 V | 
| 10 | Refaire les ultérieure | étapes 8 e ne puisse p | t 9 jusqu'à c lus être obte | e qu'une am inue. | élioration | 
| 11 | Alignemen | 160 kHz | 160 kHz | L103 | Régler sur la | 
| 12 | 1 | 270 kHz | 270 kHz | L105 | sortie maxi- male. | 
| 13 | Refaire les ultérieure | s étapes 11 ne puisse p | et 12 jusqu'a lus être obte | à ce qu'une : inue. | amélioration | 
Note: Effectuer le réglage de Couverture de gamme d'ondes pour PO avant celui de GO; et effectuer le pistage de GO avant celui de PO.
RÉGLAGE DU NIVEAU DE SIGNAL PO
| GÉNÉRATEUR DE SIGNAUX | 54 dB, Non modulés | ||||
|---|---|---|---|---|---|
| FRÉQUENCE | AFFICHAGE DE FRÉQUENCE | RÉGLAGE | REMARQUES | ||
| 999 kHz | 999 kHz | VR151 | 4 ± 0,1 ∨ | ||
     
   
.
-----
     
   
     
   
     
   
Besistor:
(F)
To differentiate the units of resistors, such symbol as K and M are used: the symbol K means 1000 ohm and the symbol M means 1000 kohm and resistor without any symbol is ohm-type resistor.
Capacitor:
To indicate the unit of capacitor, a symbol P is used: this symbol P means micro-micro-farad and the unit of the capacitor without such a symbol is microfarad. As to electrolytic capacitor, the expression "capacitance/withstand voltage" is used.
The indicated voltage in each section is the one measured by Digital Multimeter between such a section and the chassis with no signal given.
• Widerstände:
Um die Einheiten der Widerstände unterscheiden zu können, werden Symbole wie K und M benutzt. Das Symbol K bedeutet 1000 Ohm und das Symbol M 1000 Kiloohm. Bei Widerständen ohne Symbol handelt es sich um ohmsche Widerstände.
Kondensatoren:
Zum Bezeichnen der Kondensatoreinheit wird das Symbol P benutzt; dieses Symbol P bedeutet Nanofarad. Die Einheit eines Kondensators ohne Symbol ist Mikrofarad. Für Elektrolytkondensatoren wird die Bezeichnung "Kapazität / Stehspannung" benutzt.
Die in den einzelnen Teilen angegebenen Spannungen werden mit einem Digitalvielfachmeßgerät zwischen dem betreffenden Teil und dem Chassis ohne Signalzuleitung gemessen.
Änderungen des schematischen Schaltplans und der Verdrahtungsseite der Leiterplatte f ür dieses Modell im Sinne von Verbesserungen jederzeit vorbehalten.
Résistance:
Pour différencier les unités de résistances, on utilise des symbole tels que K et M: le symbole K signifie 1000 ohms, le symbole M signifie 1000 kohms et la résistance donnée sans symbole est une résistance de type ohm.
Condensateur:
Pour indiquer l'unité de condensateur, on utilise le symbole P; ce symbole P signifie micro-microfarad, et l'unité de condensateur donnée sans ce symbole est le microfarad. En ce qui concerne le condensateur électrolytique, on utilise l'expression "tension de régime/capacité"
La tension indiquée dans chaque section est celle mesurée par un multimètre numérique entre la section en question et le châssis, en l'absence de tout signal.
Le diagramme schématique et le côté câblage de la PMI de ce modèle sont sujets à modifications sans préavis pour l'amélioration de ce produit.
     
   
     
   
     
   
     
   
     
   
     
   
     
   
     
   
Figure 30 EQUIVALENT CIRCUIT (BLOCK DIAGRAM) OF IC
     
   
     
   
     
   
Lun -ol
     
   
     
   
- 31 -
| E REPLACEMENT PARTS LIST | F LISTE D DE RE | |
|---|---|---|
| "HOW TO ORDER REPLACEMENT PARTS" | "BESTELLEN VON ERSATZTEILEN" | "COMMENT PIÈCES DI | 
| To have your order filled promptly and correctly, please furnish the following information. 1. MODEL NUMBER 2. REF. NO. 3. PART NO. 4. DESCRIPTION | Um Ihren Auftrag schnell und richtig ausfuhren zu können, bitten wir um die folgenden Angaben, 1. MODELLNUMMER 2. REF. NR. 3. TEIL NR. 4. BESCHREIBUNG | Pour voir votre r manière rapide e nir les renseign 1. NUMÉ 2. N° DE 3. N° DE 4. DESCI | 
| REF.NO. PART NO. D | ESCRIPTION CODE REF.NO. | PART NO. | 
DC - E951C
| INTEGRATI | ED CIRCUITS | D201 D501 | VHD1$$119//-1 VHD1$$119//-1 | Silico Silico | ||
|---|---|---|---|---|---|---|
| AK | D502 | VHD15S119//-1 | Silico | |||
| C1 | VH10PC1245V-1 | FIVE IF, μPC1245V | D502 | VHD1SS119//-1 | Silico | |
| C51 | RH-IX111UAFZZ | ANSS, HALIZIS | D503 | VHD1SS119//-1 | Silicor | |
| C1 01 | VHILA1135//-1 | AM IF Amp., LAI 135 | D504 | VHD155119//-1 | Silicor | |
| C201 | VHIBA1355//-1 | PLL FM MPX, BA1355 | AG | Silico | ||
| C401 | VHIUPC1228HA1 | Pre Amp., µPC1228HA | AE | 0552 | VHD155119//-1 | Silico Cili | 
| C701 | VHiHA1377//1F | Power Amp., HA1377 | АК | 0555 | VHUISSII9//-I | Shico | 
| C801 | RH-IX1306AFZZ | Microcomputer | АХ | D557 | VHD155119//-1 | Sincor | 
| TRAN | SISTORS | i | D561 | VHERDI TOEB3-1 | Zener | |
| 111-01 | D562 | VHD1SS119//-1 | Silico | |||
| 11 | VS2SC535-C/-1 | Silicon, NPN, 2SC535 C | AC | D563 | VHERD5 R6JS2-1 | Zener | 
| 12 | VS2SC1740SR-1 | Silicon, NPN, 2SC1740 SR | AB | D564 | VHD11E1TA2/-1 | Silico | 
| 211 | VSDTC114S//-1 | Digital Transistor, DTC114 S | AB | D565 | VHD11E1TA2/-1 | Silicor | 
| 251 | VS2SC2603-F-1 | Silicon, NPN, 2SC2603 F | AB | D701 | VHD1SS119//-1 | Silico | 
| 0101 | VS2SC1740SR-1 | Silicon, NPN, 2SC1740 SR | AB | D702 | VHD1SS119//-1 | Silico | 
| 102 | VS2SK184BL/-1 | FET. 2SK184 BL | AC | D801/802 | VHD1 SS184//-1 | Silico | 
| 0103 | VS2SC535-C/-1 | Silicon, NPN, 2SC535 C | AC | D803 | VHD1 SS193//-1 | Silicor | 
| 100 | VS2SC535-C/-1 | Silicon NPN 2SC535 C | AC | D805 | VHD1 SS193//-1 | Silico | 
| 104 | VS2SC535-C/-1 | Silicon NPN 2SC535 C | AC | 851 C | ||
| 105 | VS250535-0/-1 | Silicon NPN 2SC535 C | AC | D805/806 | VHD1 SS184//-1 | Silicor. | 
| 108 | V3230335-C/-1 | Silicon NPN 250535 C | AC | 852E | ||
| 2107 | V626C17406P 1 | Silicon, NPN 2501740 SB | ΔR | D807/808 | VHD1 SS184//-1 | Silico: | 
| Silison NEN 2SCE35 C | D809/810 | VHD1 SS184//-1 | Silico | |||
| 1109 | VS25C535-C/-1 | Silicon, NFN, 230333 C | D811/812 | VHD1SS184//-1 | Silicor | |
| 1151 | VS25017405R-1 | SHICON, NPN, 23CI 740 SH | VHPG19PB43/-1 | |||
| 2152 | VS25017405R-1 | Silicon, NPN, 23C1740 SR | VHPSG263D//-1 | |||
| 2153 | VS2SC1740SR-1 | Silicon, NPN, ZSCI 740 Sh | LEDUST | |||
| 2154 | VS2SC1740SR-1 | Silicon, NPN, 2SCI 740 SR | AB | |||
| 2201 | VS2SC1740SR-1 | Silicon, NPN, 2SC1 /40 SR | AB | LED851 | ||
| 2501 | VS2SC1740SR-1 | Silicon, NPN, 2SCI 740 SR | AB | LED852 | ||
| 2551 | VSDTC114S//-1 | Digital Transistor, DTC114 S | AB | LED853 | VHPGLIHSIUI-I | |
| 2552 | VSDTC1145//-1 | Digital Transistor, DTC114 S | AB | LED854 | VHPGLIHSIUI-I | |
| 2561 | VS2SD1406Y/-1 | Silicon, NPN, 2SD1406 Y | AE | LED855 | VHPGL1HS101-1 | LED, C | 
| 2562 | VS2SC22366/-1 | Silicon, NPN, 2SC2236 O | AC | LED856 | VHPGL1HS101-1 | LED, C | 
| 2563 | VSDTC114S//-1 | Digital Transistor, DTC114 S | AB | LED857 | VHPGL1HS101-1 | LED, C | 
| 2564 | VS2SA933-R/-1 | Silicon, PNP, 2SA933 R | AC | LED858 | VHPGL1HS101-1 | LED, C | 
| 2565 | VSDTC114S//-1 | Digital Transistor, DTC114 S | AB | LED859 | VHPGL1 HS101-1 | LED, O | 
| 2566 | VS2SA933-R/-1 | Silicon, PNP, 2SA933 R | AC | VC101 | VHCKV1235Z2-1 | Varicar | 
| 0701 | VS2SD655E//-1 | Silicon, NPN, 2SD655 E | AC | VC102 | VHCKV1235Z2-1 | Varica; | 
| 0702 | VS2SD655E//-1 | Silicon, NPN, 2SD655 E | AC | VC103 | VHCKV1235Z2-1 | Varicap | 
| 0801 | VSDTA114S//-1 | Digital Transistor, DTA114 S | AB | · | ||
| 1807 | VSDTC1145//-1 | Digital Transistor, DTC114 S | AB | FI | LTERS | |
| 0002 | V$2541162Y/-1 | Silicon PNP 2SA1162 Y | AB | |||
| 4004 | V323A(1021/-1 | Chip Type | , | CF1 | RFiLF0079AFZZ | FM IF | 
| 0805 | VS2SA1162Y/-1 | Silicon, PNP, 2SA1162 Y, | AB | CF2 | RFILF0079AFZZ | FM IF | 
| Chip Type | CF101 | RFiLA0103AFZZ | AM IF, | |||
| 0806 | VS2SA1162Y/-1 | Silicon, PNP, 2SA1162 Y, | AB | CF101 | RFiLA0117AFZZ | AM IF, | 
| Chip Type | CF102 | RFiLA0119AFZZ | AM IF, | |||
| CF102 | RFiLA0118AFZZ | AM IF, | ||||
| DI | IODES | EMF551 | RFill0063AFZZ | Noise F | ||
| EMF552 | RFILLOO63AFZZ | Noise F | ||||
| D101 | VHD1SS119//-1 | Silicon, 1SS119 | AA | FIL100 | RFiLR0003AFZZ | Band P | 
| D102 | VHD1 SS1 19//-1 | Silicon, 1SS119 | AA | I FIL101 | RFiLR0002AFZZ | Band P. | 
| REF.NO. | PART NO. | DESCRIPTION | CODE | |
|---|---|---|---|---|
| TRANS | FORMERS | |||
| T1 | RCILIO336AFZZ | FM IF | AE | |
| T2 | FM IF, Part of REF.NO.337 | |||
| T101 | RCILIO348AFZZ | AM IF, 851G | AC | |
| T101 | RCILIO352AFZZ | AM IF, 852E | AC | |
| T102 T102 | RCILIO334AFZZ | AM IF, 852E | AC | |
| . Co | DILS | |||
| L51 | RCiLZ0085AFZZ | 19 kHz, Trap | AE | |
| L100 | VP-DH2R2M0000 | 2.2 μH, Choke | AB | |
| L101 | VP-DH680K0000 | 68 μH, Choke | AB | |
| L102 | RCiLA0714AFZZ | MW Antenna | AC | |
| L103 | RCiLA0715AFZZ | LW Antenna | AC | |
| L104 | RCiLR0386AFZZ | MW RF | AC | |
| L105 | RCiLR0387AFZZ | LW RF | AC | |
| L106 | RCiLB0727AFZZ | MW Oscillation, 851G | AC | |
| L106 | RUILBU786AFZZ | AC | ||
| L107 | LW Oscillation, 851G | AC | ||
| 1108 | 180 µH Choke | AB | ||
| L550 | VP-CH331 K0000 | 330 μH, Choke | AB | |
| CON | TROLS | |||
| TC101 | RTō-H1072AFZZ | Trimmer, 20 pF | AC | |
| TC102 | RTō-H1072AFZZ | Trimmer, 20 pF | AC | |
| TC103 | RTö-H1072AFZZ | Trimmer, 20 pF | AC | |
| TC104 | RTō-H1069AFZZ | Trimmer, 60 pF | AD | |
| TC801 | RTō-H1101AFZZ | Trimmer, 20 pF | AD | |
| VR1 | RVR-M0432AFZZ | Volume, 10 kohm(B) | AB | |
| VR151 | RVR-M0433AFZZ | Volume, 20 kohms(B) | AB | |
| VH201 | Volume, 30 konms(B) | |||
| VRZUZ | Volume 50 kohms/0) × 2 | |||
| VR657 | RVR-00717AFZ2 | Volume, 50 kohms(W) | AD | |
| VR701 | RVR-Z0212AFZZ | Volume, 50 kohms(B) × 2 | AN | |
| with Switch × 2 | ||||
| THER | MISTOR | |||
| TH151 | VHH41 D26///1 F | 10 kohm, Temperatures | AB | |
| Detection | ||||
| ELECTROLYT | IC CAPACITORS | |||
| (All electrolytic | capacitors are 120% | (ypa.) | ||
| C6 | RC-EZY105AF1H | 1 μF, 50V | АВ | |
| C9 | RC-EZY474AF1 H | 0.47 μF, 50V | AB | |
| C13 | RC-EZY474AF1H | 0.47 μF. 50V | AB | |
| C20 | RC-EZY105AF1H | 1 μF, 50V | AB | |
| C59 | RC-EZY224AF1H | 0.22 μι, 50ν | ||
| C101 | RU-EZYIOZAFIH | |||
| C129 | RC-E7Y225AELH | 2.2 μE 50V | AB | |
| C130 | RC-EZY225AF1H | 2.2 μF, 50V | AB | |
| C131 | RC-EZY105AF1H | 1 μF, 50V | AB | |
| C153 | RC-EZ1316AFZZ | 10 μF, 16V | AB | |
| C203 | RC-EZD334AF1H | 0.33 µF, 50V | AB | |
| C205 | RC-EZD476AF1C | 47 μF, 16V | AB | |
| C207 | RC-EZD474AF1H | 0.47 μF, 50V | AB | |
| C208 | RC-EZD224AF1H | 0.22 μF, 50V | AB | |
| C209 | RC-EZD105AF1H | ιμη, 50V 10 με 16V | ||
| C212 | RC-EZDIUGAFIU | 2.2 μF. 50V | AB | |
| C213 | RC-EZD225AF1H | 2.2 μF, 50V | AB | 
RC-EZD474AF1H 0.47 μF, 50V
RC-EZD474AF1H 0.47 µF. 50V
C403
C404
| REF.NO. | PART NO. | DESCRIPTION | CODE | 
|---|---|---|---|
| C405 | RC-EZD336AF1A | 33 μF, 10V | AB | 
| C406 | RC-EZD336AF1A | 33 µF, 10V | AB | 
| C503 | RC-EZD105AF1H | 1 μF, 50V | AB | 
| C504 | RC-EZD105AF1H | 1 μF, 50V | AB | 
| C505 | RC-EZD476AF1C | 47 μF, 16V | AB | 
| C506 | RC-EZD106AF1C | 10 μF, 16V | A8 | 
| C551 | RC-EZD106AF1C | 10 μF, 16V | AB | 
| C552 | RC-EZD336AF1A | 33 μF, 10V | AB | 
| C555 | RC-GZA227AF1C | 220 μF, 16V | AB | 
| C556 | RC-GZA476AF1C | 47 μF, 16∨ | AB | 
| C559 | RC-EZ4475AF1E | 4.7 μF, 25V | АБ | 
| C563 | RC-GZA476AF1C | 47 μF, 16V | AB | 
| C570 | RC-EZS475AF1E | 4.7 μF, 25V | AB | 
| C705 | RC-EZD106AF1C | 10 μF, 16V | AB | 
| C706 | RC-GZV108AF1C | 1000 μF. 16V | AD | 
| C709 | RC-GZA107AF1A | 100 μF, 10V | AC | 
| C710 | RC-GZV107AF1A | 100 μF, 10V | AB | 
| C711 | RC-GZA476AF1C | 47 μF, 16V | AB | 
| C712 | RC-GZA476AF1C | 47 μF, 16V | AB | 
| C715 | RC-GZA477AF1A | 470 μF, 10V | AC | 
| C716 | RC-GZA477AF1A | 470 μF, 10V | AC | 
| C719 | RC-GZA107AF1A | 100 μF, 10V | AC | 
There are two types of capacitors available and they can be identified from each other by reading their Part Numbers.
Ceramic type capacitor;
A symbol "C" or "K" is given at the 3rd digit of its Part Number like "VCC (or K) •••••••J."
Semiconductor type capacitor,
Semiconductor type capacitor, A symbol "T" is given at the 3rd digit of its Part Number like "VCT • • I."
The capacitance error of each capacitor is indicated by the symbol given at the 13th digit of the Part Number as follows:"J" (±5%), "K" (±10%), "M" (±20%), "N" (±30%), "C" (±0.25 pF), "D"(±0.5 pF), "Z"(+80-20%).
| C2 | VCTYPA1 EX223 M | 0.022 μF, 25∨ | AA | 
| C3 | VCTYPA1 EX223 M | 0.022 μF, 25∨ | AA | 
| C4 | VCTYPA1 EX223 M | 0.022 μF, 25V | AA | 
| C5 | VCTYPA1 EX223 M | 0.022 μF, 25V | AA | 
| C7 | VCTYPA1 EX223 M | 0.022 μF, 25V | AA | 
| C8 | VCTYPA1 EX223 M | 0.022 µF, 25∨ | AA | 
| C10 | VCCCPA1HH100D | 10 pF(CH), 50V | AA | 
| C11 | VCTYPA1EX223M | 0.022 µF, 25∨ | AA | 
| C12 | VCTYPA1 EX223 M | 0.022 μF, 25∨ | AA | 
| C14 | VCKYBT1HB331K | 330 pF, 50V | AA | 
| C15 | VCTYBT1 CY103 N | 0.01 μF, 16V | AA | 
| C17 | VCTYPA1EX473M | 0.047 μF, 25V | AA | 
| C51 | VCKYBT1 HB331 K | 330 pF, 50∨ | AA | 
| C52 | VCCSBT1 HL4 R7 C | 4.7 pF, 50V | AA | 
| C53 | VCKYBT1HB331K | 330 pF, 50V | AA | 
| C54 | VCKYBT1 HB331 K | 330 pF, 50V | AА | 
| C55 | VCKYBT1HB331K | 330 pF, 50V | AA | 
| C56 | VCTYBT1 CY103 N | 0.01 μF, 16V | AA | 
| C60 | VCTYPA1 EX223 M | 0.022 μ F. 25V | AA | 
| C61 | VCKYBT1HB681K | 680 pF, 50V | AA | 
| C62 | VCKYBT1HB681K | 680 pF, 50V | AA | 
| C63 | VCTYPA1 EX1 22 J | 0.0012 μF, 25V | AA | 
| C64 | VCCSBT1 HL680J | 68 pF, 50V | AA | 
| C65 | VCTYBT1CY103N | 0.01 μF, 16V | AA | 
| C66 | VCTYPA1EX332K | 0.0033 µF, 25∨ | AA | 
| C67 | VCTYBT1 CX472 M | 0.0047 µF. 16V | AA | 
| C99 | VCTYBT1 CY103 N | 0.01 μF, 16V | AA | 
| C102 | VCCSPA1HL471J | 470 pF. 50V | AA | 
| C103 | VCTYPA1 EX103 M | 0.01 μF, 25V | AA | 
| C104 | VCTYPA1EX472K | 0.0047 μF 25V | AA | 
| C106 | VCCSPA1HL100J | 10 pF, 50V | AA | 
| C108 | VCTYPA1 EX473 M | 0.047 μF, 25V | AA | 
| C109 | VCTYPA1EX473M | 0.047 μF, 25V | AA | 
| C110 | VCTYPA1EX223M | 0.022 μF, 25V | AA | 
| · | 
AB
AB
| REF.NO. | PART NO. | DESCRIPTION | ODE | | ||||
|---|---|---|---|---|---|---|---|
| ~ * | VCCSPT1 HI 150 I | 15 pE 50V | RESI | STORS | |||
| C111 | VCCSBIT MLIDUJ | 0.01 µE 16V | (Unless other | wise specified, resistors | are ±5%, carbon type.) | ||
| 0112 | VOTODATEVATOM | ΔΔ | 1 - | ||||
| C113 | VCTYPATEX4/3W | 0.047 µF, 25V | B3 | VBD-ST2CD470J | 47 ohms, 1/6W | AA | |
| C114 | VCTYPATEXZZJIVI | 0.022 µF, 25V | RS | VBD-ST2CD390.1 | 39 ohms, 1/6W | AA | |
| C116 | VCCSBITHL4/0J | 47 pr. 50V | P1 2 | VBD_ST2CD102. | 1 kohm, 1/6W | AA | |
| C117 | VCTYBT1 CY103 N | 0.01 μF, 16V | D12 | VRD. ST2CD4721 | 4.7 kohms 1/6W | AA | |
| C118 | VCTYPA1 EX223 M | 0.022 μF, 25∨ | AA | RIJ D44 | 4.7 kohms 1/6W | ΔΔ | |
| C119 | VCKYPA1 HB821 K | 820 pF, 50V | AA | R14 | VRD-S12CD472J | 4.7 Konnis, 17000 | ~~ | 
| C120 | VCTYPA1 EX473 M | 0.047 µF, 25V | AA | R18 | VRD-ST2CD150J | ||
| C121 | VCTYPA1 EX472 K | 0.0047 μF, 25V · | AA | R53 · | VRD-ST2CD474J | 470 konms, 176vv | AA | 
| 0120 | VCTYPA1EX473M | 0.047 µF, 25V | AA | R61 | VRD-ST2CD102J | 1 Kohin, 1/6VV | AA | 
| C123 | VCCCPU1HH470J | 47 pF(CH), 50V | AA | R62 | VRD-ST2CD100J | 10 ohm, 1/6W | AA | 
| C124 | VCCUPU1H.I471.I | 470 pF(UJ), 50V | AB | | R102 | VRD-ST2CD474J | 470 kohms, 1/6W | AA | 
| 0125 | 220 pF(TH) 50V | AB | R104 | VRD-ST2CD330J | 33 ohms, 1/6W | AA | |
| 0125 | VCCTEDS IIIZZIS | 0.047 #E 25V | AA | R106 | VRD-RZ2 EE153J | 15 kohms, 1/4W | AA | 
| 0120 | VOTVDA1EX473M | R122 | VRD-ST2CD474J | 470 kohms, 1/6W | AA | ||
| C127 | VCTYPATEX223M | 0.022 µF, 25V | B127 | VRD-ST2CD474J | 470 kohms, 1/6W | AA | |
| C128 | VCTYPA1EX223M | 0.022 µF, 25V | R129 | VBD-ST2CD100.1 | 10 ohm. 1/6W | АА | |
| C132 | VCTYPA1 EX223 M | 0.022 μF, 25V | R120 | VBD-ST2CD2231 | 22 kohms 1/6W | АА | |
| C134 | VCTYPA1 EX222 K | 0.0022 μF, 25V | AA | 0151 | VED STOCD194 I | 180 kohms 1/6W | ΔΔ | 
| C151 | VCTYPA1 EX473 J | 0.047 µF, 25∨ | AA | HIDI | VRD-312CD1845 | 470 kohma 1/6W | ٨٨ | 
| C152 | VCKYBT1 HB820K | 82 pF, 50V | AA | R152 | VRU-SIZCU4/4J | ~~ | |
| C154 | VCTYBT1CY103N | 0.01 μF, 16V | AA | R153 | VRD-ST2CD683J | 68 KONINS, 1/0 W | ~~ | 
| 0155 | VCTYPA1 EX103 K | 0.01 µF, 25V | AA | R154 | VRD-ST2CD473J | 47 kohms, 1/6W | AA | 
| C158 | VCTYBT1CY103N | 0.01 µF 16V | AA | R1 55 | VRD-ST2CD393J | 39 kohms, 1/6W | AA | 
| C150 | VCKYBT1 HB102K | 0.001 #F. 50V | AA · | R156 | VRD-ST2CD184J | 180 kohms, 1/6W | AA | 
| 0103 | VCKVBT1 HB561 K | 560 pF 50V | AA | R157 | VRD-ST2CD683J | 68 kohms, 1/6W | AA | 
| 0201 | VCCCSBATHI1911 | 180 pF 50V | AA | R158 | VRD-ST2CD821J | 820 ohms, 1/6W | AA | 
| C202 | VOTVDA1CV172M | 0.047 #E 25V | ΔΔ | R160 | VRD-ST2CD103J | 10 kohm, 1/6W | AA | 
| C204 | VUTYPATEX473IV | 0.047 μr, 257 | B161 | VRD-ST2CD332J | 3.3 kohms, 1/6W | AA | |
| C206 | VCTYPATEXT82K | - 0.0018 μF, 25 V | R162 | VRD-ST2CD471J | 470 ohms, 1/6W | AA | |
| C210 | VCOPKA2AA4/1J | P163 | VBD-ST2CD182.1 | 1.8 kohms, 1/6W | AA | ||
| C216 | VCTYPA1CX823M | 0.082 µF, 16V | AB | 0164 | VRD_ST2CD391 L | 390 obms 1/6W | АА | 
| C217 | VCTYPA1CX823M | 0.082 μF, 16V | AB | R104 | VPD ST2000731 | 27 kohms 1/6W | AA | 
| C218 | VCTYPA1 EX123 M | 0.012 μF, 25V | AA | R200 | VRD-STZCDZ73J | ES kohms 1/6W | ΔΔ | 
| C219 | VCTYPA1 EX123 M | 0.012 μF, 25V | AA | RZOT | VRD-ST2CD5033 | 2.2 kabma 1/61/ | Λ.Δ. | 
| C401 | VCTYBT1 CX1 22 M | 0.0012 μF, 16V | AA | R202 | VRD-STZCDZZZJ | 120 kohme 1/5\/ | ~~ | 
| C402 | VCTYBT1 CX1 22 M | 0.0012 μF, 16V | AA | R203 | VRD-S12CD124J | ~~ | |
| C407 | VCKYBT1HB221K | 220 pF, 50V | AA | R204 | VRD-S12CD333J | 33 Konms, 1/0VV | AA | 
| C408 | VCKYBT1HB221K | 220 pF, 50V | AA | R205 | VRD-ST2CD224J | 220 konms, 1/6W | AA | 
| C409 | VCTYPA1EX103K | 0.01 μF, 25V | AA | R206 | VRD-ST2CD683J | 68 kohms, 1/6W | АА | 
| C410 | VCTYPA1EX103K | 0.01 µF, 25V | AA | R207 | VRD-ST2CD274J | 270 kohms, 1/6W | AA | 
| CF01 | VCTVPA1EX102K | 0.001 µF. 25V | AA | R208 | VRD-ST2CD102J | 1 kohm, 1/6W | AA | 
| C501 | 0.001 µE 25V | AA | R210 | VRD-ST2CD203J | 20 kohms, 1/6W | AA | |
| 0502 | VCTVDA1EV222M | 0.022 µE 25V | AA | R211 | VRD-ST2CD822J | 8.2 kohms, 1/6W | AA | 
| 6554 | 0.022 µr, 200 | AB | R212 | VRD-ST2CD472J | 4.7 kohms, 1/6W | AA | |
| 0565 | 0.1 45 50V | 48 | B213 | VRD-ST2CD182J | 1.8 kohms, 1/6W | AA | |
| 6566 | A A | B214 | VRD-ST2CD103J | 10 kohm, 1/6W | AA | ||
| C591 | VCTYPUTEXIUSIN | ΔΔ Δ Δ | 8215 | VRD-ST2CD823J | 82 kohms, 1/6W | AA | |
| C592 | VCTYPU1EX103M | P216 | VBD-ST2CD333J | 33 kohms, 1/6W | AA | ||
| C651 | VCKYTV1EB223K | 0.022 µF, 25V, Chip Type | P217 | VRD ST2CD333. | 33 kobms 1/6W | АА | |
| C652 | VCKYTV1 EB223K | 0.022 µF, 25V, Chip Type | AB | D217 | VPD-ST2CD472. | 4.7 kohms 1/6W | АА | 
| C701 | VCTYBT1 CX1 52 M | 0.0015 μF, 16V | AA | n210 | 4.7 kohms 1/6W | ΔA | |
| C702 | VCTYBT1 CX152 M | 0.0015 µF. 16V | AA | H219 | VRD-312CD4723 | 47 kohme 1/6\/ | ۵۵ | 
| C703 | VCFYHU1HA104J | 0.1 µF. 50V. Polyethylene | AB | H220 | 100 kebm 1/6W | ||
| Film | R225 | VHD-SIZCDIO4J | |||||
| C704 | VCFYHU1HA104J | 0.1 µ.F. 50V, Polyethylene | AB | | R401 | VRD-S12CD334J | 330 konms, 1/6 VV | AA | 
| 0,0, | Film | R402 | VRD-ST2CD334J | 330 kohms, 1/6W | АА | ||
| C707 | VCKYRT1HB102K | 0.001 μF. 50V | AA | R403 | VRD-ST2CD123J | 12 kohms, 1/6W | AA | 
| C709 | VCKYBT1HB102K | 0.001 µE 50V | AA | R404 | VRD-ST2CD123J | 12 kohms, 1/6W | AA | 
| AB | R405 | VRD-ST2CD332J | 3.3 kohms, 1/6W | AA | |||
| 6713 | VCFTHUTHAT043 | B406 | VRD-ST2CD332J | 3.3 kohms, 1/6W | AA | ||
| ΔR | R407 | VRD-ST2CD101J | 100 ohm, 1/6W | AA | |||
| C714 | VCFYHU1HA104J | 8408 | VRD-ST2CD101J | 100 ahm, 1/6W | AA | ||
| A A | BEOT | V8D-ST2CD333. | 33 kohms. 1/6W | AA | |||
| C717 | VCTYPA1EX223M | 0.022 µF, 25V | AA • • | 0501 | VBD_ST2CD333 | 33 kohms. 1/6W | AA | 
| C718 | VCTYPA1 EX223 M | 0.022 μF, 25V | AA | 22 kohms 1/6W | AA | ||
| C720 | VCFYHU1HA104J | 0.1 µF, 50V. Polyethylene | AB | H503 | 22 kohma 1/6\// | ||
| Film | H504 | ||||||
| C801 | VCTYBT1 CY103 N | 0.01 µF, 16V | AA | R505 | VDP-SIZCU4/2J | Λ.Λ. | |
| C802 | VCKYTV1 HB103K | 0.01 μF, 50V, Chip Type | AA | | R506 | VHD-SIZCD153J | ** | |
| C803 | VCCSTV1 HL680J | 68 pF, 50V, Chip Type | AA | Į R508 | VRD-ST2CD103J | 10 konm, 1/6VV | AA | 
| C804 | VCKYTV1 HB103K | 0.01 µF, 50V, Chip Type | AA | R509 | VRD-ST2CD153J | 15 kohms, 1/6W | AA | 
| C805 | VCKYTO1 HR103K | 0.01 µF, 50V, Chip Type | AA | | R511 | VRD-ST2CD332J | 3.3 kohms, 1/6W | AA | 
| C805 | VCTYRT1 CY103 N | 0.01 µF, 16V | AA | 1 | |||
| and a group of the c | 
-----
DEE NO
DAPT NO
CODE
DESCRIPTION
| REF.NO. | PART NO. | DESCRIPTION CO | |
|---|---|---|---|
| 0510 | VBD-ST2CD103J | 10 kohm, 1/6W | AA | 
| R512 | VBD-ST2CD103J | 10 kohm, 1/6W | AA | 
| R551 | VBD-ST2CD103J | 10 kohm, 1/6W | AA | 
| RODZ REEA | VRD-ST2CD273J | 27 kohms, 1/6W | AA | | 
| RSS6 | VBD-ST2CD220J | 22 ohms, 1/6W | AA | 
| R550 P667 | VRD-ST2CD103J | 10 kohm, 1/6W | AA | | 
| R558 | VRD-ST2CD223J | 22 kohms, 1/6W | AA | | 
| 8581 | VRD-ST2C0821J | 820 onms, 1/6W | AA | 
| R562 | VRD-ST2CD220J | 22 ohms, 1/6W | AA | 
| 8563 | VRD-ST2CD472J | 4.7 kohms, 1/6W | AA | 
| R564 | VRD-ST2CD681J | 680 ohms, 1/6W | AA | 
| R565 | VRD-ST2CD562J | 5.6 kohms, 1/6W | AA | | 
| R566 | VRD-ST2CD182J | 1.8 kohms, 1/6W | AA | 
| R569 | VRD-RU2EE103J | 10 kohm, 1/4W | AA | 
| R581 | VRD-ST2CD221J | 220 ohms, 1/6W | AA | 
| B582 | VRD-ST2CD181J | 180 ohms, 1/6W | AA | 
| R583 | VRD-ST2CD221J | 220 ohms, 1/6W | AA | 
| R584 | VRD-ST2CD271J | 270 ohms, 1/6W | AA | 
| R585 | VRD-ST2CD331J | 330 ohms, 1/6W | AA | 
| R586 | VRD-ST2CD271J | 270 ohms, 1/6W | AA | 
| R590 | VRD-ST2EE471J | 470 ohms, 1/4W | AA | 
| R651 | VRD-ST2CD332J | 3.3 kohms, 1/6W | AA | 
| R652 | VRD-ST2CD332J | 3.3 kohms, 1/6W | дд | 
| R701 | VRD-ST2CD682J | 6.8 kohms, 1/6W | AA | 
| R702 | VRD-ST2CD682J | 6.8 kohms, 1/6W | |
| R703 | VRD-ST2CD102J | 1 kohm, 1/6W | |
| R704 | VRD-ST2CD102J | 1 kohm, 1/6W | |
| R707 | VRD-ST2CD473J | 47 kohms, 1/6W | |
| R711 | VRD-ST2CD270J | 27 ohms, 1/6VV | |
| R712 | VRD-ST2CD270J | 27 ohms, 1/6VV | |
| R713 | VRD-ST2CD2R2J | 2.2 ohms, 1/6W | |
| R714 | VRD-ST2CD2R2J | ||
| R800 | VRD-ST2CD105J | AA | |
| R801 | VRS-1V2AB185J | Туре | |
| R803 | VRS-TO2BB680J | 68 ohms, 1/8W, Chip Type | |
| R807 | VRS-T02BB273J | 27 kohms, 1/8VV, Chip Type | |
| R808 | VRS-TV2AB273J | 27 kohms, 1/10W, Chip Type | |
| R809 | VRS-TV2AB273J | 27 konms, 1/10W, Chip Type | |
| R810 | VRS-TV2AB273J | 27 Kohms, 1/8W/ Chip Type | |
| R811 | VRS-TUZBB273J | 27 Kohms, 1/10W, Chip (7) | |
| R812 | VR5-1VZA6273J | 10 kohm 1/8W Chin Type | AA | 
| R813 | 10 kohm 1/10W. Chip Type | ||
| R816 | VR5-1V2AB1033 | 10 kohm 1/10W. Chip Type | |
| R817 | 10 kohm 1/10W. Chip Type | AA | |
| R818 | VR5-1V2A01033 | 10 kohm 1/6W. | AA | 
| R819 | VRS-TV24B103. | 10 kohm, 1/10W, Chip Type | a AA | 
| R820 | VBS-T0288000.1 | Jumper. Chip Type | AA | 
| OTHER CI | KUUIINT PARIS | ||
| CNS501 | QCNW-3618AFZ | Z Connector Assembly, 6Pin × 2 | |
| CNS502 | 
 | f — | | |
| CNS601 | OCNCW564PAF2 | Z Connector, 14Pin | AE | 
| CNS801 | QCNW-3624AFZ | Z Connector Assembly 7 Pin | AH | 
| CNS802 | QCNW-3624AFZ | Z Connector Assembly, 7 Pin | AH | 
| CNP501 | OCNCM587FAF2 | Z Plug, 6Pin | 
QCNCM587FAFZZ Plug, 6Pin
QCNCM676PAFZZ Plug, 14Pin QCNCM679GAFZZ Plug, 7Pin
QCNCM679GAFZZ Plug, 7Pin
_____
94R184001301 Motor with Pulley
QSoCZ9067AFZZ Socket, Antenna
QSōCD0274AFZZ Socket, Speaker
Switch, Part of REF. NO.
VR701
CNP502
CNP601
CNP801
CNP802
S0701
SW701
M1
SO1
| REF.NO. | PART NO. | DE | |
|---|---|---|---|
| W702 | Switch, Part of REF. NO | - | |
| W751 | Switch, Part of REF. NO. 71 - | - | |
| W752 | 94 R640101 94 | Switch, Leaf Type A | E | 
| W753 | Switch, Part of REF. NO. 20 - | ||
| W801 | QSW-K0079AFZZ | Switch, Push Type A | В | 
| SW802 | QSW-KO079AFZZ | Switch, Push Type A | B | 
| SW803 | QSW-KO079AFZZ | Switch, Push Type A | B | 
| SW804 | QSW-K0079AFZZ | Switch, Push Type P | 18 | 
| SW805 | QSW-KO079AFZZ | Switch, Push Type A | |
| SW806 | QSW-KO079AFZZ | Switch, Push Type | |
| SW807 | QSW-KO079AFZZ | Switch Push Type A | AB | 
| SW808 | Switch Push Type | AB | |
| 500809 | Switch, Push Type 4 | ٩В | |
| 5VV810 | 05W-K0079AFZZ | Switch, Push Type | ٨B | 
| 5VV011 | OSW-P0438AFZZ | Switch, Push Type | ٩F | 
| SW813 | OSW-P0438AFZZ | Switch, Push Type | ٩F | 
| TAN1 | QTANZ0302AFZZ | Terminal, 3Pin / | ٩В | 
| TAN2 | QTANZ0502AFZZ | Terminal, 5Pîn 🧳 | ٩B | 
| TAN3 | QTANZ0302 AFZZ | Terminal, 3Pin | AB | 
| TAN101 | QTANZ0474AFZZ | Terminal, 4Pin | AB | 
| TAN102 | QTANZ0602 AFZZ | Terminal, 6Pin | AC | 
| XL801 | RCRSB0072AFZZ | Crystal, 4.5 MHz | ΑK | 
| MECHAN | ICAL PARTS | ||
| 1 | 94R184001501 | Chassis Assembly | |
| 3 | 94 R1 84001 19 | Gear, Main | AC | 
| 4 | 94 R1 84001 22 | Belt, Clutch | AF | 
| 5 | 94 R1 84001 503 | Change Plate Assembly | |
| 6 | 94R18400127 | Spring, Change Plate | AB | 
| 7 | 94 R1 8400316 | Plate, Main Bit the Dellar Assembly | |
| 8 | 94R184004301 | Pinch Roller Assembly | |
| 9 | 94 R1 8400407 | Rista Forward/Beverse Lock | AC | 
| 10 | 94 R1 8400505 | Spring Forward/Reverse Lock | AB | 
| 11 | 94 R1 8400300 | Pulley. Center | AC | 
| 14 | 94 R1 8400129 | Spring, Control | AB | 
| 15 | 94 B1 8400131 | Screw, Control Spring | AA | 
| ι Ο | 041110100121 | Retaining | |
| 20 | 94 R1 84006301 | PWB Assembly, Forward/ Revese Switch | AE | 
| 21 | 94 R1 8400408 | Spring, Trigger/Stop Actuator Lever | ΑВ | 
| 22 | 94 R1 8400501 | Plate, Forward/Reverse Slide | AC | 
| 23 | 94R18400504 | Lever, Forward/Reverse Actuator | AC | 
| 24 | 94 R1 8400502 | Spring, Forward/Reverse Actuator Lever | ΑВ | 
| 25 | 94 R1 84004302 | Pinch Roller Assembly | АΗ | 
| 26 | 94R18400411 | Plate, Pull | AC | 
| 27 | 94R18400301 | Plate, Take-up Gear Actuator | AC | 
| 28 | 94R18400313 | Plate, Take-up Gear Push | AC | 
| 29 | 94R17300319 | Roller, Head Plate | AB | 
| 30 | 94 R1 84003503 | Head Plate Assembly | Ar | 
| 31 | 94R18400308 | ||
| 32 | 94 R1 8400310 | Plate Spring, neau | |
| 33 | RHEDF0093AFZZ | Plate Rinch Roller Actuator | AC | 
| 34 | 94R184003() | Spring Pinch Boller Pressure | AB | 
| 35 | 94 B1 9400323 | Spring, Head Plate | AB | 
| 30 | 94 R1 8400323 | Flywheel Capstan | AR | 
| 30 30 | 94 B1 8400417 | Belt, Main | AG | 
| 40 | 94R184002501 | Main Gear Plate Assembly | AG | 
| 41 | 94R184002502 | Forward Gear Plate Assembly | AD | 
| 42 | 94R184002503 | Reverse Gear Plate Assembly Spring, Forward/Reverse Gear | · AD · AB | 
| 43 | 34110400210 | Plate | ΔΩ | 
| 44 | 94 R18400212 | Gear, Forward, neverse | AQ. | 
АΒ
AD
AB
ΑВ
AW
AD
AH
-
| REF.NO. | PART NO. | DESCRIPTION | CODE | REF.NO. | PART NO. | DESCRIPTION | CODE | 
|---|---|---|---|---|---|---|---|
| 45 | 94 R1 8400238 | End Detector Plate, Forward | AC | 212 | 94 R97930000 | Washer, Ø1.6 × Ø3.4 × 0.3mm | AA | 
| 40 47 48 | 94 R18400239 94 R18400240 94 R184002506 | End Sensing Plate Push Bar Take-up Gear Plate Assembly | AC /. AD | 213 | 94R97440000 | Washer, φ2.1 × φ5 × 0.4mm | AA | 
| 49 | 94 R1 84002507 | Forward Take-up Gear Plate Assembly | , AD | 214 215 | 94 R95580000 94 R97940000 | Screw, φ2.6 × 4mm Washer, φ3.1 × φ4.8 | АА АА | 
| 50 | 94 R1 8400247 | Reverse Spring, Take-up Gear Plate | ΑB | 217 | 94898720000 | ×0.1mm Washer, φ3 × φ6 | AA | 
| 51 52 | 94 R1 8400244 94 R1 8400237 | Gear, Take-up Gear, Forward/Take-up | AC AC | 218 | 94R97430000 | × 0.5mm Washer, Ø1.6 × Ø3.8 | АА | 
| 53 | 94 R1 84002305 | Forward/Reverse Clutch Assembly | АН | 221 | 94 R94970000 | x 0.3mm Ring, "Ε" Type, φ1.5 | AA | 
| 54 55 56 | 94 R1 8400228 94 R1 8400229 94 R1 8400227 | Device Gear, Opper Device Gear, Lower Gear, Device/Trigger/Stop | AC AC | 222 | 94 R94990000 | Ring, "Ε" Type, φ1.2 × 0.3 mm | AA | 
| 57 | 94 R1 84002 71 | Arm Slip Sheet | AC | 223 | 94 R95000000 | Ring, "Ε" Type, φ1.5 × 0.4 mm | AA | 
| 58 59 | 94 R1 8400261 N 94 R1 8400272 | Plate, End Sensing Gear, Trigger/Stop Arm | AC AC | 224 | 94R95020000 | Ring, "Ε" Type, φ2 × 0.4 mm | AA | 
| 60 | 94 R1 8400220A | Actuator Gear, Turn Over | AC | 227 | 94 R90990000 | Washer, Ø1.55 × Ø3.5 × 0.5mm | AA | 
| 61 62 | 94 R1 8400224 94 R1 8400225 | Arm, Stop Spring, Trigger/Stop Arm | AC AB | 228 | 94 R98830000 | Washer, Ø2 × Ø3.5 × 0.2mm | AA | 
| 63 64 | 94 R1 8400223 94 R1 8400248 | Arm, Trigger Spring, End Detector | AC AB | 230 | CABINE | Screw, ØZ X 4mm | АА | 
| 66 67 | 94 R1 84002308 94 R1 84002308 | Take-up Reel Sub Assembly Coller Turp Over Gear | AF AA | 301 | GCABA4096AFFW | Cabinet, Rear | АН | 
| 70 71 | 94 R1 8400731 94 R1 84007305 | Bracket, Tape/Radio Switch PWB Assembly, Tape/Radio | AG | 301 303 | GCABC4096AFFW GCABD4096AFFW | Cabinet, Front Cabinet, Top | AF AE | 
| 72 | 94 R1 8400709 | Switch Lever, Switch Actuator | AC | 304 305 | GCABE4096AFFW GCõVA1634AFSA | Cabinet, Bottom Cover, LCD | AE AC | 
| 73 82 | 94 R1 84007 1 1 94 R1 8400 8502 | Spring, Tape/Radio Switch Push Lever Assembly | AB AD | 306 _307 | GFTAC1537AFSA GWAKP1171AFSA | Lid, Cassette Compartment Nose Piece Assembly | AE AN | 
| 83 | 94 R1 84008505 | Push Plate Assembly | AD | 307-1 | GWAKP1169AFSA | Nose Piece | _ | 
| 84 | 94 R1 8400807 | Spring, Push Lever | AB | ↓ 307-2 | PREFL0105AFSA | Illumination Plate, Knobs | AC | 
| 85 | 94R18450904 | Spring, Push Plate | AB | 308 | Knob, Balance, Tone | AB | |
| 86 | 94 R18400810 | Spring, Lift Up Lever | 310 | JKNBW06554FSA | Knob Volume | ||
| 87 | 94 81 84005502 | Eonward/Reverse Bracket | 311 | JKNBP0261AFSA | Button Fiect | AB | |
| 55 | 341184005503 | Assembly | 312 | JKNBP0262AFSA | Button, FF/Rew | AB | |
| 89 | 94 B18400532 | Lever. Rewind | AC | 313 | JKNBZ0463AFSA | Button, Control | AF | 
| 90 | 94 R18400531 | Lever. Fast-forward | AC | 314 | LANGK0484AFFW | Bracket, Mechanism Fixing | AD | 
| 91 | 94 R18400520 | Plate, Program Change | AČ | 315 | LANG00985AFFW | Bracket, Tuner Section | AB | 
| 92 | 94 R18400518 | Spring, Fast-forward/Rewind | AB | 316 | LHLDZ3080AFFW | Holder, LCD | AD | 
| Lever | 317 | MLEVF1804AFFW | Lever, Eject | AB | |||
| 93 | 94R18400812 | Case Lifter | AE | 318 | MSPRD0688AFFJ | Spring, Cassette | AA | 
| 94 | 94 R1 84008503 | Eject Plate Assembly | AC | Compartment | |||
| 95 | 94 R1 8400823 | Spring, Eject Plate | AB | 319 | MSPRP0437AFFW | Spring, Unit Lock | AE | 
| 96 | 94 R18400814 | Spring, Turn Over | AB | 320 | PCAPS1052AFZZ | Cap, Switch | AB | 
| 97 | 94R18400813 | Pack Slider | AD | 321 | PCASZ0053AFZZ | Case, LCD | AC | 
| 98 | 94 R1 84008 1 8 | Plate, Cassette Detection | AC | 322 | PCUSS0302AFZZ | Cushion, 10mm × 10mm | AA | 
| 99 | 94 R18400820 | Spring, Cassette Detection | AB | × 10mm | |||
| 100 | 94R18400822 | Cassette Case | AG | 323 | PCUSS0303AFZZ | Cushion, 10mm × 10mm | AA | 
| 101 | 94R18400325 | Plate, Timing | AC | DE: 11/00/00/0777 | |||
| 102 | 94R17100216 | Spring, Timing Plate | AB | 324 | PFILW0046AFZZ | Sheet, Dispersion | AB | 
| 103 | 94R18400821 | Cushion Rubber | AA | 325 | PFILW0048AFSA | Filter, LCD | AC | 
| 104 | 94R11140302 | Wire Holder | AA | 326 | PRDAR0428AFFW | Heat Sink | AD | 
| 201 | 94 R98620000 | Screw, Ø1.7 × 3.5mm | AA | 327 | PREFUTO4AFZZ | Information Plate, Buttons | AC | 
| 202 | 94 890 / 80000 | Screw, Ø2 X 5mm | AA | 328 | FOLDIVISSBUARTEV | AL | |
| 204 | 94 895480000 | Screw, Ø2 × 2mm | AA | 328 | FSFASUI / 8AFUU | Spacer, LED | AA | 
| 205 | 94R97220000 | Screw, Ø2 × 4mm | AA | 066 | PSPASU180AF00 | AA | |
| 206 | 94 R98000000 | Screw, Ø2 × 3mm | AA | 331 | FZETHUT98AFZZ | AC | |
| 208 | 94 R98090000 | Screw, Ø2 X 3.5mm | AA | 332 | PZETHUZOUAFZZ | Fiber, Tuner PWB | AB | 
| 209 | 94 R9801 0000 | Screw, Ø2 × 4mm | AA | 333 | PZETVOU61AFZZ | Insulator, LCD | AA | 
| 210 | 94 R9421 0000 | Washer,
       
        φ
       
       1.2 ×
       
        φ
       
       3 × 0.25mm | AA | 334 335 | QCNW-3361AFZZ | Lonnector, LCD Auto Antenna Lead, 852E | AF AC | 
| 211 | 94 R94290000 | Washer, φ 2.1 × φ 5 | AA | 325 | |||
| X 0.13mm | 330 | AA AM | |||||
| 1 33/ | NTUNVUUO4AFZZ | AVV | 
| REF.NO. | PART NO. | DESCRIPTION | CODE | 
|---|---|---|---|
| 338 | RV-LX0015AFZZ | LCD | AP | 
| 339 | TSPC-1494AFZZ | Label, Specifications, 851G | AB | 
| 339 | TSPC-1499AFZZ | Label, Specifications, 852E | AB | 
| 340 | LHLDW1075AFZZ | Nylon Band, 60mm | AA | 
| 601 | LX-NZ0170AFZZ | Nut, Ø0.8 × 3.2mm | AB | 
| 602 | XBBSD26P03000 | Screw, ¢2.6 × 3mm | AA | 
| 603 | XBBSD30P06000 | Screw, Ø3 × 6mm | AA | 
| 604 | XBPSD30P05J00 | Screw, φ3 × 5mm | AA | 
| 605 | XBPSD30P06J00 | Screw, Ø3 × 6mm | AA | 
| 606 | XERSE50P14000 | Serew, φ5 × 14mm | ÁA | 
| 607 | XCBSD30P06000 | Screw, Ø3 × 6mm | AA | 
| 608 | XHBSD30P06000 | Screw, Ø3 × 6mm | AA | 
| 609 | XHBSF30P06000 | Screw, Ø3 × 6mm | AA | 
| 610 | XHSSD26P06000 | Screw, Ø2.6 × 6mm | AA | 
| 611 | XWSSE50-13000 | Washer, Ø5 × 1.3mm | AA | 
| LANGT1348AFFW | Bracket, Unit | AD | 
|---|---|---|
| LX-BZ0561AFFD | Screw, Transport | AC | 
| PCASZ0052AFFW | Case, Unit Fixing, 852E Only | AG | 
| PGUMM0180AFZZ | Cushion, Rubber | ΑВ | 
| PSPAZ0164AFZZ | Spacer, Unit, 852E | АΚ | 
| PSPAZ0202AFZZ | Spacer, Unit, 851G | ΑВ | 
| PSPAZ0203AFZZ | Spacer, Unit, 851G | AE | 
| REF.NO. | DEPART NON | DESCRIPTION C | :01 | |||
|---|---|---|---|---|---|---|
| ULARID 1060 | ||||||
| QKITZ0038AFZZ | Cord Assembly, 851 G | Af | ||||
| QKITZ0039AFZZ | Cord Assembly, 852E | A۷ | ||||
| SPAKA1512AFZZ | Packing Add., Front | AĽ | ||||
| SPAKA1513AFZZ | Packing Add., Rear | AE | ||||
| SPAKC3700AFZZ | Packing Case, 851G | AF | ||||
| SPAKC3702AFZZ | Packing Case, 852E | AH | ||||
| SSAKH0024AGZZ | Polyethylene Bag, Unit 851 G | AA | ||||
| SSAKA0104AFZZ | Polyethylene Bag, Unit-852E | Aŀ | ||||
| TGANE1117AFZZ | Warranty Card, 852E | AE | ||||
| TGANE1135AFZZ | Warranty Card, 851 G | AC | ||||
| TINSZ0859AFZZ | Operation Manual 851G | AF | ||||
| TINSE1112AFZZ | Operation Manual, 852E | AC | ||||
| PWB ASSEMBLY (Not Beplacement Item) | ||||||
| tor nopadoement nemy | ||||||
| PWB-A | DUNTL0461 AF03 | Main/AM/FM PWB. 851G | _ | |||
| PWB-B1,82 | (Combined Assembly | |||||
| PWB-A | DUNTL0461 AF06 | Main/AM/FM_PWB_852F | ||||
| PVVB-BI,BZ | (Combined | ||
|---|---|---|---|
| Assembly) | |||
| PWB-C1,C2 | DKöNX0019AF01 | Control/LCD_PWB, 851 G | |
| (Special Packing) | |||
| PWB-C1,C2 | DKōNX0019AF02 | Control/LCD PWB, 852E | |
     
   
11-2DA094A $ 2 96066-125 S/MRGF851GBK/EGF _____ 020 - 030486/961460000
A8509-9591NS-IY-J
Printed in Japan In Japan gedruckt Imprimé au Japon
Writer and Editor: Engineering Administration Section of Audio Systems Group, Sharp Corp.


































 Loading...
 Loading...