Page 1

CCS Technical Documentation Schematics RH-6
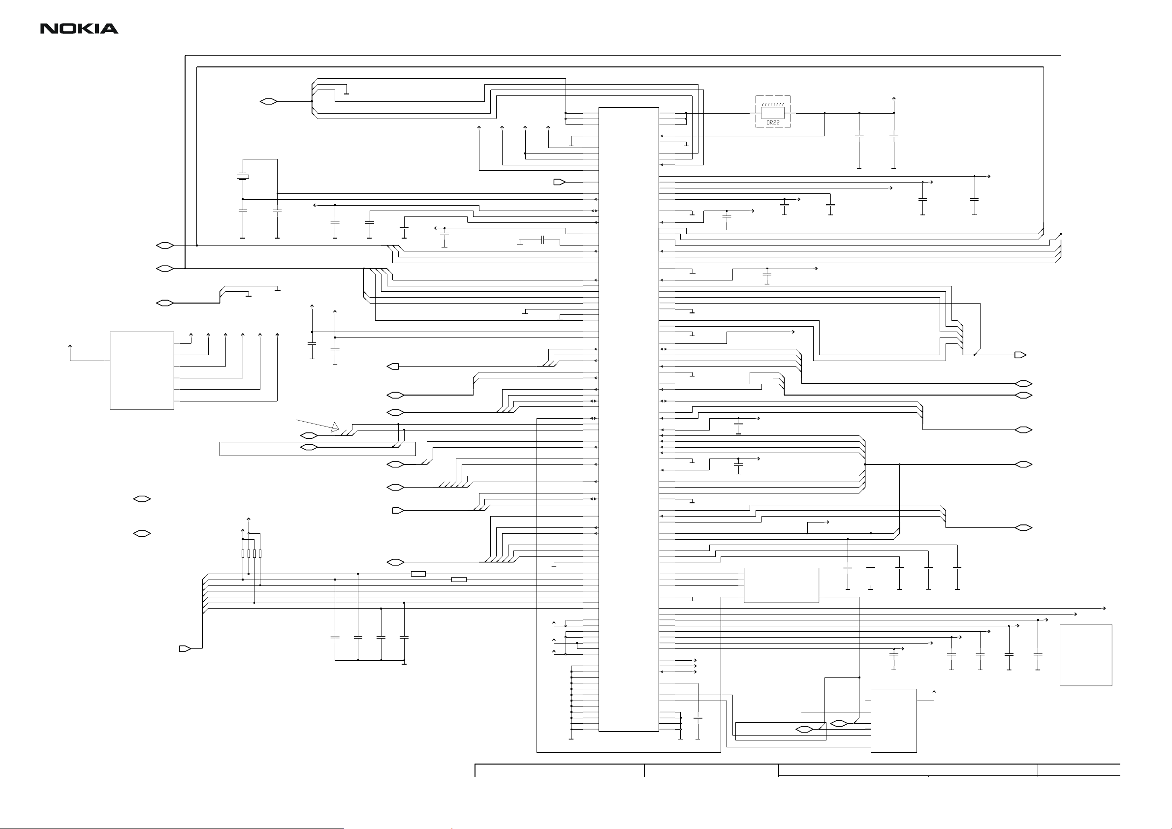
Top Level Schematic
SYS
RFAUXCONV_O(2:0)
RFCONV_O(9:0)
GENIO_O(31:0)
RFAUX_O(1:0)
RFICCTRL_O(2:0)
RFCLKGND_I
SLOWAD_O(6:0)
PUSL_O(3:0)
LPRFCLK_I
RFCONV_ANA_O(16:0)
RFCONV_DIGI_O(16:0)
RFCLK_I_GPS
RFCLK_I
RF
RXIINP
0
RXIINN
1
RXQINP
2
RXQINN
3
TXIOUTP
4
5
TXIOUTN
TXQOUTP
6
7
TXQOUTN
8
VREF1
9
AFC
2
TXC
TXP
5
RESET
RFBUSEN1
2
RFBUSCLK
0
RFBUSDA
HGR_TEMP
6
1
NA
6
0
RXIINP
RXIINN
RXQINP
RXQINN
TXIOUTP
TXIOUTN
TXQOUTP
TXQOUTN
VREF1
TXC
TXP
RESET
RFBUSEN1
RFBUSCLK
RFBUSDA
RFCLK_I
HGR_TEMP
Issue 1 10/2003 2003 Nokia Corporation Page 1
Company Confidential
Page 2

Top Sheet (2)
CCS Technical Documentation Schematics RH-6
GND
E100
E101
E102
E103
E104
E105
E106
VBATTRF
VBAT
Issue 1 10/2003 2003 Nokia Corporation Page 2
Company Confidential
Page 3

CCS Technical Documentation Schematics RH-6
DCT4 Common Baseband Schematic (Top level 2)
AGND2 GND
AGND1 GND
IRGND GND
Issue 1 10/2003 2003 Nokia Corporation Page 3
Company Confidential
Page 4

CCS Technical Documentation Schematics RH-6
5-pin Production Test Pattern
(TXD/FBUSTXO)
(VPP)
J396
PRODTP2
PRODTP6
678
MODULE_ID
Module_id: 399
PRODTP7
23
empty
PRODTP3
OUTPUT
OUT
(SCK/MBUS)
(RXD/FBUSRXO)
GND
Issue 1 10/2003 2003 Nokia Corporation Page 4
Company Confidential
Page 5

CCS Technical Documentation Schematics RH-6
Plug-in SIM Interface
Issue 1 10/2003 2003 Nokia Corporation Page 5
Company Confidential
Page 6

CCS Technical Documentation Schematics RH-6
RF Top Sheet Schematic
POWER_AMP
VBATTRF_
V_BS
VBD
DET
VPD_900
VPD_1800
TX_900
TX_1800
VTXLO_900
VTXB_900
TX_GSM
TX_DCS_PCS
PA_IDENT
VBATTRF
INT_24R
VR1A
INT_25R
VR3VR2
INT_26R
VR4
INT_27R
INT_28R
VR6
INT_29R
VR7
INT_30R
VIOVR5
INT_31R
INT_19R
V_BS
VBD
DET
VPD_900
VPD_1800
TX_900
TX_1800
VTXLO_900
VTXB_900
TX_GSM
TX_DCS_PCS
MJOELNER
RXIINP
RXIINN
RXQINP
RXQINN
VREF1
RFBUSEN1
RFBUSCLK
RFBUSDA
RESET
TXIOUTP
TXIOUTN
TXQOUTP
TXQOUTN
RFCLK_I
HGR_TEMPPA_IDENT
TXC
TXP
INT_2R
INT_1R INT_9R
INT_5R
INT_13R
INT_17R
INT_3R
INT_4R
INT_6R INT_7R
INT_11R
INT_12R
INT_14R
INT_15R
INT_8R
INT_16R
RXIINP
RXIINN
RXQINP
RXQINN
VREF1
RFBUSEN1
RFBUSCLK
RFBUSDA
RESET
TXC
TXP
TXIOUTP
TXIOUTN
TXQOUTP
TXQOUTN
RFCLK_I
HGR_TEMP
Components: 800 - 899 Components: 600 - 799
Issue 1 10/2003 2003 Nokia Corporation Page 6
Company Confidential
Page 7

Mjoelner
RXIINP
RXIINN
RXQINP
RXQINN
CCS Technical Documentation Schematics RH-6
TX_GSM
TX_DCS_PCS
RFCLK_I
RFBUSCLK
RFBUSEN1
RFBUSDA
RESET
VREF1
VR3
C605
100n
R610
22R
J615
L608
3n9H
C607
3u3
VR4
R617
47R
C602
1p01p0
16
GSM_Tx
DCS/
PCS-TX
2
na
C611
1p5
R606
R612
E601
12
na
0R
C636
10n
1k0
12
ANT
SHS-L090NT
1
3
C632
100n
Z601
DIPLEXER
9
7
11
C615
10n
VR7
13
C872
100n
C610
100n
C622
100n
VR5
C701
6p8
C703
27p
R628
5R6
R629 5R6
C623
100n
C741
0p5
C638
100n
na
VC
IN
OUT
Z603
1960MHz
IN
OUT
Z602
1842.5MHz
IN
OUT
Z604
942.5MHz
VR1A
C624
27p
G701
1
IT016
4
2
R622
3
VCC
6G78
C639
100n
na
E603
12
na
C635
27p
OUT
5
0R
100RR623
C625
1u0
R731
23
17R6
292R
RESNET_3DB
C629
27p
C702
6p8
8
10
14
VC1
VC2
VC3
GSM_Rx
6
4
PCS-RX
DCS-RX
5
15
VR2
VR6
C621
C620
27p
47p
L730
3n9H
C740
3u3
C601
J618
J617J616
C603
1n0
C606
27p
B601
26MHz
1
4
292R
C630
1p0
C631
1p0
C634
2p7
VIO
R630
C626
2p7
T702
LDB213G7010C
1
2
L601
1n8H
L602
1n8H
L603
2n7H
L604
2n7H
L606
8n2H
L607
8n2H
47R
C627
10u
3
5
4
R625
E602
12
na
C628
10n
C715
68p
J611
C717
27p
L705
3n9H
C731
39p
R720
150R
R721
150R
C716
68p
C718
1n0
J612
J613
J614
R718
10k
na
N601
MJOLNER_PMB3346_F3_G3
C5
RXIP
C6
RXIM
B6
RXQP
A5
RXQM
E1
INPH
D1
INMH
E2
HLP
D2
HLM
G1
INPM
F1
INMM
G2
MLP
F2
MLM
C1
INPL
B1
INML
C2
LLP
B2
LLM
A8
XTALP
A7
XTALM
B8
REFOUT
H9
NA
E9
RFBUSCLK
E7
RFBUSENX
F8
RFBUSDA
F7
R627
0RR619
C637
10n
na
12
E604
47R
C633
27p
0R
RESETX
E8
SELADDR
A1
VDDRXF
B7
VDDRXBB
H6
VDDLO
J3
VDDTX
G7
VDDCP
F9
VDDPRE
G8
VDDPLL
A6
VDDXO
A9
VDDBBB
J9
NA
D7
VDDDIG
D8
VDDDL
A4
VBEXT
B5
RBEXT
R626
2k7
TXIP
TXIM
TXQP
TXQM
OUTHP
OUTHM
OUTLP
OUTLM
CPOUT
INPLO
INMLO
TXP
TXC
DET
PLFB1
PLFB2
VPCH
VPCL
IMIR
SENSE
VANTL
VANTM
VANTH
VTXBH
VTXBL
VTXLOL
VTXLOH
VBDET
VSSLNA
VSSXO
VSSCP
VSSTX
VSSLO
VSS1
VSS2
VSS3
VSS4
VSS5
VSS6
VSS7
H3
G3
G4
H4
J1
H1
J2
H2
G9
J7
J8
D9
E3
J5
J4
J6
H5
G5
F4
C3
B9
C9
C8
B3
C4
A3
D3
B4
H8
NA
A2
C7
G6
F3
F6
F5
D5
D6
E6
E4
D4
H7
1
E607
2
E608
12
R705
0R
na
E606
R701
2
2
0R
na
E605
1
1
C705
2n2
68p
C706
R706
33k
R702
0R
C709
180p
R703
0R
na
na
R708
4k7
R707
10k
C710
180p
C711
R711
3n9
R709
2k2
na
R710
5k6
C712
180p
8k2
L706
15nH
R725
82R
L707
15nH
L708
15nH
R726
82R
na
C720
0p5
R713
R713 2
R713
R713
1
R717
R717
34
VR2
T701
LDB211G8005C-001
3
5
4
C721
1n0
L713
2n7H
L714
2n7H
1
12
34
4
78
3
56
2
1 /2 2k2
2 /2 2k2
1
2
IN
/4 5k6
/4 5k6
/4 5k6
/4 5k6
C723
15p
Z701
OUT
C722
15p
L710
1n5H
na
897.5MHz
J701
J702
TX_1800_WING
C724
2p7
na
L711
33nH
VANA
TX_1800
L712
3n9H
TX_900_WING
R728
100k
na
C734
3p3
na
TXIOUTP
TXIOUTN
TXQOUTP
TXQOUTN
TXP
TXC
TX_1800
TX_900
R729
1
17R6
292R
4
RESNET_3DB
DET
VPD_1800
VPD_900
PA_IDENT
VTXB_900
VTXLO_900
V_BS
VBD
HGR_TEMP
2
292R
3
na = not assembled
Issue 1 10/2003 2003 Nokia Corporation Page 7
Company Confidential
Page 8

Power Amplifier
TX_GSM
TX_DCS_PCS
CCS Technical Documentation Schematics RH-6
E609
12
R801
4k7
V801
HSMS-282C-TR1
R804
0R
na
C802
27p
B1_OUT
B2_OUT
COUP
C803
27p
R802
100R
C804
27p
L801
LDC15D190A0010A
B1_IN
B2_IN
TERM
GND
R831
0R
na
R803
47R
R832
0R
C801
na
L805
C810
L808
12nH
GND
4p7
na
C825
C826
C811
1n0
C805
27p
4p7
C806
3p3
na
R806
0R
na
100n
L=
W=0.10
C814
33p
C823
3p3
na
Z702
100n
C819
33u_16V
L802
3n3H
na
1
2
3
4
5
6
C807
2p2
L809
1n5H
GND
Ident
N/C
Pout_DCS
Vdd2
Vdd1
Pout_GSM
C813
3p3
N801
PF08125B-03-TB
GND7,13=
Pin_DCS
Vapc_DCS
Vapc_GSM
Pin_GSM
GND
C815
33u_16V
12
11
10
9
8
42R/100MHz
L804
42R/100MHz
C816
18p
R805
1
37R4
151R
4
RESNET_6DB
23
151R
C820
27p
C817
4p7
C818
C821
C812
2u2
C835
1p2
L806
27p
10nH
R819
1
17R6
292R
4
RESNET_3DB
C832
3p3
na
V802
1p8
R822
3k9
NE68119-T1
23
292R
R820
1k0
C836
R823
180R
C822
27p
R821
100R
L807
5n6H
C837
47p
C824
3p9
3p3
VBD
DET
VBATTRF_
PA_IDENT
VTXB_900
TX_900
TX_1800
VPD_1800
0R
na
3p3
na
R815
C830
R816
220R
R818
100R
R817
1k0
na
C831
3p3
na
VPD_900
VTXLO_900
V_BS
Issue 1 10/2003 2003 Nokia Corporation Page 8
Company Confidential
Page 9

CCS Technical Documentation Schematics RH-6
BB-RF Interface Components
VIO
VBATTRF VR1A
VR3 VR4 VR5 VR6 VR7VR2
SLOWAD_O(6:0)
RFCONV_O(9:0)
RFAUXCONV_O(2:0)
RFCLK_I
GENIO_O(31:0)
RFICCTRL_O(2:0)
AUDIODATA(3:0)
INT_19B
INT_24B
INT_28B INT_29BINT_25B INT_26B INT_27B
INT_5B
2
INT_6B
1
INT_7B
0
J10
1
0
J11
INT_30B INT_31B
0
6
5
INT_11B
INT_17B
INT_8B
INT_12B
INT_1B
0
INT_3B
1
INT_2B
2
INT_9B
3
INT_13B
4
INT_14B
5
INT_15B
6
INT_16B
7
8
INT_4B
9
Issue 1 10/2003 2003 Nokia Corporation Page 9
Company Confidential
Page 10

CCS Technical Documentation Schematics RH-6
DCT4 Common BB Schematic (Top Level)
SYS_CONN
FMANT
PWRONX
DuFu
HOOKINT
HEADINT(1:0)
GPIO(31:0)
RFAUX(1:0)
MIC(2:0)
XMIC(2:0)
XEAR(3:0)
IHF(1:0)
UIDRV(5:0)
SLOWAD(6:0)
ACCDIF(2:0)
CHARGER(4:0)
IACCDIF(5:0)
GENIO(31:0)
DSP_MCUTEST(2:0)
SIMIF(3:0)
USB_DIG(6:0)
PUSL(3:0)
AUDUEMCTRL(3:0)
USB(2:0)
APE_GPIO(15:0)
G_SYS_CONN(11:0)
SYS_CONN Components: 100-129
HOOKINT
HEADINT(1:0)
MIC(2:0)
XMIC(2:0)
XEAR(3:0)
ACCDIF(2:0)
CHARGER(4:0)
G_SYS_CONN(11:0)
G_KEY_UI(67:0)
G_AUDIO(11:0)
KEY_UI
SIMIF(3:0)
IHF_XEAR(1:0)
DuFu
LCDUI(2:0)
KEYB(10:0)
GENIO(31:0)
UIDRV(5:0)
G_KEY_UI(67:0)
HEADINT(1:0)
MIC(2:0) PUSL(3:0)
Components: 300-349
AUDIO Components: 150-199
SLOWAD(6:0)
DIFDATA(7:0)
DIFCTRL(3:0)
AUDUEMCTRL(3:0)
G_AUDIO(11:0)
HOOKINT
HEADINT(1:0)
MIC(2:0)
XMIC(2:0)
XEAR(3:0)
IHF(1:0)
APE_GPIO(15:0)
PWRONX
EAR(1:0)
GPIO(31:0)
AUDIO
DuFu
SLOWAD(6:0)
XAUDIO(17:0)
AUDUEMCTRL(3:0)
MCBSP2(5:0)
APE_AUDIO(4:0)
IHF_XEAR(1:0)
IHF_XEAR(1:0)
LCDUI(2:0)
KEYB(10:0)
UIDRV(5:0)
PWRONX
EAR(1:0)
PUSL(3:0)
EAR(1:0)
GENIO(31:0)
UIDRV(5:0)
AUDIO(6:0)
FMANT
PWRONX
UIDRV(5:0)
XAUDIO(17:0)
AUDIO(6:0)
XAUDIO(17:0)
AUDIO(6:0)
SLOWAD(6:0)
ACCDIF(2:0)
CHARGER(4:0)
POWER Components: 200-249, 260-299
STEPUP Components:260-269
DC/DC Components:270-299
FMRADIO
empty
AUDUEMCTRL(3:0)
FMANT
XAUDIO(17:0)
GENIO(31:0)
G_FMRADIO(11:0)
Components: 356-385
MULTIGND
gnd
IRGND
AGND1
AGND2
POWER
discrete
RFAUXCONV(2:0)
AUDIODATA(3:0)
AUDUEMCTRL(3:0)
IR
EMPTY
IRIF_I(1:0)
IRIF(2:0)
IACCDIF(5:0)
GENIO(31:0)
G_IR(3:0)
GPIO(31:0)
PUSL(3:0)
IRGND
AGND1
AGND2
AGND(2:1)
RFCONV(9:0)
GENIO(31:0)
G_POWER(11:0)
RFCONVCTRL(2:0)
RFCONVDA(5:0)
GPIO(31:0)
IACCDIF(5:0)
PUSL(3:0)
SIMIF(3:0)
SIM2MMCIF(3:0)
IRIF(2:0)
IRIF_I(1:0)
G_IR(3:0)
IRGND
1
2
AGND(2:1)
G_POWER(11:0)
RFCONVCTRL(2:0)
RFCONVDA(5:0)
AUDIODATA(3:0)
AUDUEMCTRL(3:0)
IACCDIF(5:0)
SIMIF(3:0)
IRIF(2:0)
IRIF_I(1:0)
G_CAMERA(7:0)G_FMRADIO(11:0)
CAMERA
empty
AUDUEMCTRL(3:0)
PUSL(3:0)
GENIO(31:0)
G_CAMERA(7:0)
Components: 1000-1025
G_SIM(7:0)
GPIO(31:0)
CCP(4:0)
LCDUI(2:0)
DuFu
SIMIF(3:0)
SIM2MMCIF(3:0)
GENIO(31:0)
G_SIM(7:0)
Components: 386-395
RFCONVCTRL(2:0)
PUSL(3:0)
LPRFCLK
UPP
CCP(4:0)
LCDUI(2:0)
KEYB(10:0)
GENIO(31:0)
DIFDATA(7:0)
DIFCTRL(3:0)
RFCONVCTRL(2:0)
RFCONVDA(5:0)
AUDIODATA(3:0)
GPIO(31:0)
AUDUEMCTRL(3:0)
IACCDIF(5:0) JTAG_EMULATION(6:0)
PUSL(3:0)
USB_DIG(6:0)
SIM
basic8m
Components: 400-419
LPRF
empty
Components: 130-149
RFCONV_ANA(16:0)
RFCONV_DIGI(16:0)
RFICCTRL(2:0)
MEMADDA(15:0)
MEMAD(24:16)
MEMCONT(9:0)
SDRAD(15:0)
SDRDA(15:0)
SDRCTRL(8:0)
DSP_MCUTEST(2:0)
GPS
empty
RFCONVDA(5:0)
RFCLKGND
RFCLK_GPS
G_GPS(7:0)
GENIO(31:0)
PUSL(3:0)
Components: 250-259
Components: 440-449
AUDUEMCTRL(3:0)
GENIO(31:0)
G_LPRF(23:0)
RFCLK
RFCLKGND
ETM(21:0)
G_GPS(7:0)
G_LPRF(23:0)
MEMADDA(15:0)
MEMAD(24:16)
MEMCONT(9:0)
JTAG_EMULATION(6:0)
DSP_MCUTEST(2:0)
SLOWAD(6:0)
RFCONV(9:0)
RFAUXCONV(2:0)
LPRFCLK
RFCLK
RFCLKGND
RFAUX(1:0)
GENIO(31:0)
PUSL(3:0)
RFICCTRL(2:0)
G_RF_BB(31:0)
G_MEMORY(3:0)
PRODUCTIONTESTPATTERN
testpattern5pin
OUT
Components: 396-399
RF_BB
SLOWAD(6:0) SLOWAD_O(6:0)
RFCONV(9:0)
RFAUXCONV(2:0) RFAUXCONV_O(2:0)
LPRFCLK LPRFCLK_I
RFCLK
RFCLKGND RFCLKGND_I
RFAUX(1:0)
GENIO(31:0) GENIO_O(31:0)
PUSL(3:0)
RFCONV_ANA(16:0) RFCONV_ANA_O(16:0)
RFCONV_DIGI(16:0) RFCONV_DIGI_O(16:0)
RFICCTRL(2:0) RFICCTRL_O(2:0)
G_RF_BB(31:0)
RFCLK_GPS
MEMADDA(15:0)
MEMAD(24:16)
MEMCONT(9:0)
G_MEMORY(3:0)
GENIO(31:0)
JTAG_EMULATION(6:0)
DSP_MCUTEST(2:0)
ETM(21:0)
PUSL(3:0)
Components: 480-490
Ostrich Components: 470-479
Jtag Components: 480-489
mjolner
RFCONV_O(9:0)
RFCLK_I
RFAUX_O(1:0)
PUSL_O(3:0)
RFCLK_I_GPS
Components: 420-439
MEMORY
combo64+4mbit
Components: 450-469
EMU
schematic
KEYB(10:0)
GENIO(31:0)
GPIO(31:0)
preferred
G_SYS_CONN(11:0)
KEYB(10:0)
GENIO(31:0)
GPIO(31:0)
SLOWAD_O(6:0)
RFCONV_O(9:0)
RFAUXCONV_O(2:0)
LPRFCLK_I
RFCLK_I
RFCLKGND_I
RFAUX_O(1:0)
GENIO_O(31:0)
PUSL_O(3:0)
RFCONV_ANA_O(16:0)
RFCONV_DIGI_O(16:0)
RFICCTRL_O(2:0)
RFCLK_I_GPS
G_MAP
G_KEY_UI(67:0)
G_LPRF(23:0)
G_MEMORY(3:0)
G_MMC(7:0)
G_POWER(11:0)
G_RF_BB(31:0)
G_SIM(7:0)
G_APE(15:0)
G_AUDIO(11:0)
G_CAMERA(7:0)
G_CDMA(11:0)
G_FMRADIO(11:0)
G_GPS(7:0)
G_IR(3:0)
G_KEY_UI(67:0
G_LPRF(23:0)
G_MEMORY(3:
G_MMC(7:0)
G_POWER(11:0
G_RF_BB(31:0)
G_SIM(7:0)
G_SYS_CONN(
G_APE(15:0)
G_AUDIO(11:0)
G_CAMERA(7:0
G_CDMA(11:0)
G_FMRADIO(11
G_GPS(7:0)
G_IR(3:0)
Components: 350-355
Issue 1 10/2003 2003 Nokia Corporation Page 10
Company Confidential
Page 11

CCS Technical Documentation Schematics RH-6
RH-6 System Connector
"BATTERY CONNECTOR"
TOMAHAWK
BOTTOM CONNECTOR
Tomahawk
Charger connector
X102 na
+1
2
GND
Tomahawk
System connector
X101
1
2
3
4
5
6
7
8
9
10
11
12
13
14
GND
AGND
X103
VBATT
BSI
GND
GND
GND
J106
Fbus RX
Fbus TX
ACI
Vout
J111
VCHAR
GND
For After Sales
VBAT
L107
XMIC P
XMIC N
XEAR P
XEAR N
J109
J100
J112
600R/100MHzL106
600R/100MHz
XMIC_P
J101
J110
BSI
XMIC_N
XEAR_NXEAR_P
ACCESSORY REGULATOR
C101
1u0
C1
C3
GND
C107
10n
GND
C102
GNDB2
C108
STISClk
PRODTP5
PRODTP1
PRODTP4
STITxD
8kHz for DAI
0
1
2
VPP
R108
0R
PRODTP6
na
DSP_MCUTEST(2:0)
SLOWAD(6:0)
C100
GND
STIRxD
J102 to be removed in B3
J102
47k
27p
R106
GND
BTEMP
0
1
PUSL(3:0)
AUDUEMCTRL(3:0)
F100
L100
42R/100MHz
1.5A
1PMT16AT3
VBAT
N100
VINVOUT
LP3985IM5X
BYP
1u0
C113
10n
GND
R100
2
/2 47R
A1
A3
R103
IP4043CX5
C109
C111
10n
10n
GND
10n
GND
GND
GND
GND
GND
-2.8
C105
22p
1
VEN
R100
/2 47R
R107
100k
GND
R101
/2 47R2
R101
/2 47R
1
C104
22p
GND
L102
EXC24CB102U
1
23
L103
EXC24CB102U
1
23
R102
/2 47R2
R104
220k
GND
4
4
V100
270p
C103
VFLASH1
GND
R105
C106
ACI pull up
R109
100k
1
C3
1n0
R102
/2 47R
C1
C110
22p
A1
A3
GNDB2
GND
0
1
2
CHARGER(4:0)
USB_DIG(6:0)
0
GENIO(31:0)
PRODTP2
PRODTP3
PRODTP7
0
2
1
1
0
1
0
0
HEADINT(1:0)
ACCDIF(2:0)
XMIC(2:0)
XEAR(3:0)
G_SYS_CONN(11:0)
APE_GPIO(15:0)
USB(2:0)
FMANT
PWRONX
HOOKINT
IHF(1:0)
RFAUX(1:0)
UIDRV(5:0)
IACCDIF(5:0)
GPIO(31:0)
SIMIF(3:0)
GND
Microphone contacts
B101
J107
2
GND
1
OUT
na
J108
0
1
MIC(2:0)
Name
RH-6 System Connector
Appr
Issue 1 10/2003 2003 Nokia Corporation Page 11
Company Confidential
Page 12

CCS Technical Documentation Schematics RH-6
GSM RF-BB Interface
RFCONV/RFCONV_O: 0: RXIP
0
1
G_RF_BB(31:0)
RFCONV(9:0) RFCONV_O(9:0)
2
3
4
5
6
7
8
9
0
1
2
3
4
5
6
7
8
9
1: RXIM
2: RXQP
3: RXQM
4: TXIP
5: TXIM
6: TXQP
7: TXQM
9: VREFRF01
GENIO(31:0)
PUSL(3:0)
J424
13
5
6
7
8
9
10
11
12
R424
220k
NA
0
1
2
J421
0
1
2
J423J422
13
5
6
7
8
9
10
11
12
0
1
2
0
1
2
GENIO/GENIO_O
RFICCNTRL/RFICCNTR_O
5: TXP
6: RESETX_MJOEL
9: RESETX_BIF
0: TXCRFAUXCONV/RFAUXCONV_O
2: BU_AFC
0: RFBUSCLK
1: RFBUSDA
2: RFBUSEN1
GENIO_O(31:0)
RFAUXCONV_O(2:0)RFAUXCONV(2:0)
RFICCTRL_O(2:0)RFICCTRL(2:0)
PUSL_O(3:0)
RFAUX(1:0)
SLOWAD(6:0)
LPRFCLK
RFCLKGND
RFCONV_ANA(16:0)
RFCONV_DIGI(16:0)
RFCLK_GPS
RFCLK
GND
0
1
5
6
R426
1k0
C426
1n0
GND
These components are only assembled if LPRF is not used
R420
100R
RFAUX_O(1:0)
0
1
5
6
SLOWAD_O(6:0)
LPRFCLK_I
C420
2320552:DUFU,LIBAI1430754:LIBAI,DUFU
100p
ISET
CONSTANT CURRENT SET RESISTOR
FOR RF POWER AMPLIFIER
(see UEM sheet)
R422
27k
GND
RFCLK_I
RFCLKGND_I
RFCONV_ANA_O(16:0)
RFCONV_DIGI_O(16:0)
RFCLK_I_GPS
Issue 1 10/2003 2003 Nokia Corporation Page 12
Company Confidential
Page 13

RH-6 Audio
Varistor arrays have reliability issues
IHF(1:0)
AUDIO(6:0)
CCS Technical Documentation Schematics RH-6
EAR(1:0)
SLOWAD(6:0)
AUDUEMCTRL(3:0)
UIDRV(5:0)
HOOKINT
PUSL(3:0)
G_AUDIO(11:0)
APE_GPIO(15:0)
APE_AUDIO(4:0)
MCBSP2(5:0)
IHF_XEAR(1:0)
MIC(2:0)
XMIC(2:0)
HEADINT(1:0)
XEAR(3:0)
C185
L150
"EARP"
0
"EARN"
1
C179
C180
22p
22p
GND
C181
GND
GND
C171
33p
C172
33p
GND
GND
C173
1n0
na
10k
R172
C174
1n0
GND
C182
GND
22p
MIC1_P
33n
C159
33n
C153
33n
C170
33n
C166
GND
22p
"MICB1"
4
"MIC1P"
3
"MIC1N"
2
"HOOKINT"
6
"MICB2"
3
"MIC2P"
4
"MIC2N"
5
8
9
1n0
GND
0
2
1
"HEADINT"
"HFCM"
"HF"
MIC1_N
MIC2_NMIC2_P
R173
220R
R160
220R
C150
C175
C176
C183
2u2
2u2
GND
GND
1k8
R156
2x2k2
R153
1k0
C184
2u2
2u2
GND
2x2k2
R162
GND
820R
R158
R159
1k0
R171
GND
R155
14V/50V
GND
C152
4u7
GND
4u7
GND
EXC24CB102U
1
23
4
L153
600R/100MHz
C157
22p
GND
R151
34
1 /2 VWM16V
GND
C156
22p
GND
C154
R151
22p
12
2 /2 VWM16V
NA
GND
"EARP"
"EARN"
"MICP"
"MICN"
"XMICP"
"XMICN"
"XEARN"
"XEARP"
0
1
1
0
1
0
0
0
1
XAUDIO(17:0)
GENIO(31:0)
"XEAR"
7
C155
100n
C158
C162
14
100n
100n
R167
3k3
R164
2k2
R165
2k2
C151
C160
22p
1n0
na
C163
1u0
R166
GND
IHF
AUDIO AMPLIFIER
NF
18k
R163
18k
C161
1n0
A2,B2= GND
VBAT
C2=
ININ+
_SHUTDOWN
BYPASS
LM4890IBLX
N150
R168
100k
IHF_P
IHF_N
L151
240R/100MHz
Vo2
Vo1
C165
C164
22p
GND
22p
GND
GND
C168
100n
VBAT
GND
VBAT
GND
C167
VBAT
1u0
C169
22p
GND
L152
240R/100MHz
C177
47p
GND
C178
47p
IHF speaker connection
J305
J306
GND
J305_B
J306_B
514B011
Issue 1 10/2003 2003 Nokia Corporation Page 13
Company Confidential
Page 14

CCS Technical Documentation Schematics RH-6
MultiGND Symbol Bypass
GND
GND
GND
IRGND
AGND1
AGND2
Issue 1 10/2003 2003 Nokia Corporation Page 14
Company Confidential
Page 15

CCS Technical Documentation Schematics RH-6
GENIO and GPIO Connection Block
GENIO(31:0)
GPIO(31:0)
KEYB(10:0)
G_APE(15:0)
G_AUDIO(11:0)
G_CAMERA(7:0)
G_CDMA(11:0)
G_FMRADIO(11:0)
G_GPS(7:0)
G_IR(3:0)
G_KEY_UI(67:0)
G_LPRF(23:0)
G_MEMORY(3:0)
G_MMC(7:0)
G_POWER(11:0)
G_RF_BB(31:0)
G_SIM(7:0)
G_SYS_CONN(11:0)
Issue 1 10/2003 2003 Nokia Corporation Page 15
Company Confidential
Page 16

CCS Technical Documentation Schematics RH-6
Rohm IR Module 1.8V
Issue 1 10/2003 2003 Nokia Corporation Page 16
Company Confidential
Page 17

CCS Technical Documentation Schematics RH-6
Test Points -based Ostrich Interface
DSP_MCUTEST(2:0)
VBAT
J470
J471
GENTEST0/STITxD
J472
J473
J474
GENTEST1/STISClk
STIRxD
GND
0
1
2
Issue 1 10/2003 2003 Nokia Corporation Page 17
Company Confidential
Page 18

CCS Technical Documentation Schematics RH-6
Test and Emulator Interface
JTAG
testpoint
JTAG_EMULATION(6:0)
DSP_MCUTEST(2:0)
JTAG_EMULATION(6:0)
JTAG_EMULATION(6:0)
OSTRICH
testpoint
DSP_MCUTEST(2:0)
ETM
empty
JTAG_EMULATION(6:0)
PUSL(3:0)
ETM(21:0)
PUSL(3:0)
ETM(21:0)
Issue 1 10/2003 2003 Nokia Corporation Page 18
Company Confidential
Page 19

SIM Reader
CCS Technical Documentation Schematics RH-6
Issue 1 10/2003 2003 Nokia Corporation Page 19
Company Confidential
Page 20

CCS Technical Documentation Schematics RH-6
Test Points for JTAG Emulator
JTAG
TESTPOINTS
J480
JTMS
JTRst
J481
J482
JTDI
VIO
VCC
3
1
2
4
0
5
6
J483
J484
J485
J486
J487
JTDO
JTClk_ret
JTClk
EMU0
JTAG_EMULATION(6:0)
J488
J489
EMU1
GND
Issue 1 10/2003 2003 Nokia Corporation Page 20
Company Confidential
Page 21

CCS Technical Documentation Schematics RH-6
DC/DC Converter
VCORE_LIN VCORE
GENIO(31:0)
G_POWER(11:0)
UEMRSTX
SMPSCLK
Issue 1 10/2003 2003 Nokia Corporation Page 21
Company Confidential
Page 22

CCS Technical Documentation Schematics RH-6
UNAUTHORIZED REPRODUCTION OF THIS DRAWING IS NOT PERMITTED.
RH-6 User Interface
GPIO(31:0)
AUDUEMCTRL(3:0)
DIFDATA(7:0)
DIFCTRL(3:0)
HEADINT(1:0)
G_KEY_UI(67:0)
IHF_XEAR(1:0)
SIMIF(3:0)
KEYB(10:0)
SLOWAD(6:0)
VFLASH1
GENIO(31:0)
LCDUI(2:0)
UIDRV(5:0)
100R
R311
C309
1u0
GND
PWRONX
EAR(1:0)
9
8
2
7
1
5
10
6
3
4
0
MIC(2:0)
PUSL(3:0)
R4
R3
S2
R2
S1
R0
R5
R1
S3
S4
S0
GND
0
1
N301
TLE4917
PRG6
1Vs
2 Gnd 3Q
Gnd4
5 Gnd
FLIP position detection
4
25
18
12
17
11
15
EMIF10-1K010F1
IN1
IN2
IN3
IN4
IN5
IN6
IN7
IN8
IN9
IN10
GND
2
3
J307
R306
Z300
GND
27k
C313
22p
OUT1
OUT2
OUT3
OUT4
OUT5
OUT6
OUT7
OUT8
OUT9
OUT10
C310
22p
0
R332
1
2
220R
ROW4
ROW3
COL2
ROW2
COL1
ROW0
ROW1
COL3
COL4
COL0
GND
READ COMPONENT INFO!
B300
1
2
not_assembled
R331
220R
R333
220R
NA
Volume keys
1
S300
up
2
READ COMPONENT INFO!
READ COMPONENT INFO!
KLight
4
DLight
3
2
1
0
VBACK
NA
G300
3V3
GND
1
S302
"PWR SWITCH"
2
GND
J308
NA1
S301
down
2
C306
10n
GND
SMD backup battery
J309
J341
J303
J310
Vibra Motor
M300
KHN4NX1A
-
M
VLED+ LIBAI,DUFU
J311
na
+
VBAT
11023456
X302
"VDDI"
KEY_ROW0
KEY_ROW2
KEY_ROW1
"SDA"
"SCLK"
"RESX"
KEY_COL0
KEY_ROW4
KEY_ROW3
7
8
"CSX"
"VDD"
"GND"
KEY_COL3
KEY_COL1
KEY_COL4
KEY_COL2
LCD&KEYS LED ENABLE
VIO
VLED-
9
"VLED-"
"VLED+"
GND GND
C300
100n
C303
1u0
C302
GND
VBAT
GND
J314
C301
100n
GND
68p
R300
27R
VFLASH1
VFLASH1
C343
100n
GND
VIO
J315
C344
100n
GND
LED driver for Display/Softkeys
N300
TK11851L
U//U
8
EN
7
Cx
6
GND
5
Vfb
GND
EXT
Vovp
1
Vin
2
Is
3
4
L300
22uH
V300
1PS79SB31
J334
J331
MODEL
J342
J335
J332
A6
DOUT
A5
BUSY
B7
_PENIRQ
VIO
C7
IOVDD
D7
VREF
D6
NC
E2
NC
N306
E3
NC
TSC2046IGQCR
E4
NC
E5
NC
E6
NC
F1 B6
NC
F2
NC
F3
NC
F4
NC
F5
NC
F6
NC
F7
NC
G1
NC
G7
NC
B1,C1=
VFLASH1
GND
G4,G5=
L306
L307
47nH
47nH
J337
J333
J336
C304
C305
1u0
1u0
GND
DCLK
_CS
AUX
VBAT
DIN
NC
NC
NC
NC
NC
NC
NC
NC
NC
NC
NC
NC
NC
NC
NC
L305
47nH
X+
X-
Y+
Y-
J301
TouchPad Control Circuit
A4
A2
A3
E7
G6
D1
G2
E1
G3
A1
A7
B2
B3
B4
B5
C2
C4
C5
C6
D2
D3
D4
D5
L304
47nH
L309
47nH
L303
47nH
L308
47nH
J302
GND
GND
X307
1102
"FLIP_COL1"
Flip Connector
3456789
"LED+"
"FLIP_COL0"
"FLIP_ROW2"
"FLIP_ROW1"
C333
1n0
GND
GND
"FLIP_COL2"
"FLIP_COL3"
"FLIP_ROW0"
C332
1n0
GND
L301
47nH
J322
C331
1n0
L302
47nH
VFLASH2
GND
VLED+
C330
1n0
VBAT
GND
PUMT1
V303
A1
A3
C1
GNDB2
GND
VBAT
5R6
R307
2
4
5
3
J338
FLIP LED ENABLE
X305
1
J324
J325
J316
L322
L323
68R/100MHz
68R/100MHz
C3
IP4043CX5
R330
V329
1PS79SB31
1
PUMT1
V303
6
R305
470R
TP, EL & Softkey Connector
3456789
"SK_LED+"
"SK_LED-"
KEY_ROW1
KEY_ROW0
GND
"X-"
TP_X-
"X+"
TP_X+
"Y-"
TP_Y-
"Y+"
TP_Y+
J317
10
68R/100MHz
12131415161718
11
J318
J319
J320
L321
J321
L320
68R/100MHz
19220
"ELEN"
"VEL"
"XGND"
12
21
222324
KEY_COL3
KEY_COL2
KEY_COL1
TP_X+
TP_XTP_Y+
TP_Y-
25
J327
KEY_COL4
26
GND
J328
27
J329
28
J330
B301
IHF_P
IHF_N
C312
22p
na
Copyright (C) Nokia Corporation. All rights reserved.
THIS DRAWING IS PROTECTED BY COPYRIGHT AS AN UNPUBLISHED WORK.
Issue 1 10/2003 2003 Nokia Corporation Page 22
Company Confidential
Name
RH-6 User Interface
Assoc
DCT4 Common Baseband
Appr
Des.
Dr.
YIFANG
dd-mmm
22-Jan-0
Page 23

CCS Technical Documentation Schematics RH-6
Discrete Power Management
AUDIO(6:0)
XAUDIO(17:0)
AGND(2:1)
PWRFILTER
VBAT
SIM2MMCIF(3:0)
"Both 0603 and 0805 size 1uF capacitors used !"
light
VBATTO_1
VBATIN
GPIO(31:0)
VBATTO_2
VBATTO_3
VBATTO_4
VBATTO_5
VBATTO_6
Connected through REG_CAP sub-block
SLOWAD(6:0)
VBATT1
VBATT2
0
1
2
3
4
5
6
VBATT3
CHARGER(4:0)
B200
32.768kHz
C209
10p
GND
1
2
AGND2
VBATT4
VBATT5
FOR NEW GENIO MAPPING!
VFLASH1
VANA
C210
10p
GND
AGND1
VBATT6
GENIO(31:0)
G_POWER(11:0)
R202
4x100k
VBACK
VFLASH1
GND
C239
100n
0
2
1
4
3
C220
10n
GND
C211
1u0
GND
VIO
C218
100n
GND
AUDUEMCTRL(3:0)
C240
10n
C212
1u0
GND
6
8
9
PUSL(3:0)
AUDIODATA(3:0)
302931
IRIF_I(1:0)
IACCDIF(5:0)
RFCONVCTRL(2:0)
RFCONVDA(5:0)
C241
1n0
345
C242
12
1n0
432
GND
GND
1u0
C213
R206
4k7
VANA
GND
VFLASH2
9
8
C231
1u0
GND
C224
1u0
GND
DC_DC
empty
VCORE
VREF
VCORE_LIN
GENIO(31:0)
G_POWER(11:0)
UEMRSTX
SMPSCLK
VBAT
C202
10n
1u0
C234
VR7
VFLASH1
C205
1u0
GND
0
1
2
3
4
0
1
2
0
1
2
C228
GND
VCORE
C229
1u0
GND
VR5
VR6
C226
1u0
GND
VANA
C206
1u0
GND
0
1
5
1u0
VR4
C222
1u0
GND
Capacitors located in REG_CAP sub-block
GND
C227
1u0
UIDRV(5:0)
VR3
7
0
1
2
SIMIF(3:0)
IRIF(2:0)
ACCDIF(2:0)
RFCONV(9:0)
RFAUXCONV(2:0)
VR2
C223
1u0
GND
Appr
VR1B
VR1A
dd
D200
UEMK_V4.4_WDOGS_ENABLED
M9
VCHARIN1
P9
VBATT3
AGND1
AGND1
VBATT2
3210
543210
VBATT1
PWRONX
1u0
C215
AGND2
GND
VBATT4
VBATT5
VBATT1
VBATT6
1u0
C214
AGND2
0
1
10
543210
210
R207
4k7
L6
D5
GND
P8
N9
N11
N14
A1
P7
P1
P2
P3
N3
M4
K4
H2
H1
J2
J1
H3
J3
J4
K2
K1
K3
M3
N7
C4
A9
C10
B11
210
D9
B6
A6
A10
A8
B7
C8
B5
A5
C5
B8
B9
C6
D6
A7
C7
D10
A11
B10
A13
C11
A14
A12
B12
D11
C9
C2
D3
D1
D2
C1
E3
D4
P13
M14
J14
K11
K13
L11
L14
F6
F7
F8
F9
G6
G7
G8
G9
H6
H7
H8
H9
GND
VCHAROUT1
VCHARIN2
VCHAROUT2
VCHARINKL9VCHAROUTK
TESTMODE
VBATBB1
VBATBB2
VBATBB3
VBATBB4
VBATBB5
PWRONX
OSCIN
OSCOUT
VBACK
VRTC
OSCCAP
VDAAUD1
MICBCAP
MICB1
MIC1P
MIC1N
MICB2
MIC2P
MIC2N
MIC3P
MIC3N
MICSUB
VSAAUD1
HOOKINT
VDD28
VDD18
PURX
SLEEPX
SLEEPCLK
EARDATA
MICDATA
UEMINT
CBUSCLK
CBUSDA
CBUSENX
SIMIODAI
SIMCLKI
SIMIOCTRL
IRTX
IRRX
MBUSTX
MBUSRX
FBUSTXI
FBUSRXI
DBUSCLK
DBUSDA
DBUSENX
RFCONVCLK
RXID
RXQD
TXID
TXQD
AUXD
VSS
BSI
BTEMP
KEYB1
KEYB2
LS
VCXOTEMP
PATEMP
VBATVR1
VBATVR2
VBATVR3
VBATVR4
VBATVR5
VBATVR6
VBATVR7
GNDTH1
GNDTH2
GNDTH3
GNDTH4
GNDTH5
GNDTH6
GNDTH7
GNDTH8
GNDTH9
GNDTH10
GNDTH11
GNDTH12
VBATREGS
GNDFLASH1
SIMCARDDET
VDACONVRX
VSACONVRX
VDACONVTX
VSACONVTX
TXPWRDET
VREFRFO1
VREFRFO2
GNDREGS
PWMO
PWM1C
CHDISX
VANA
VFLASH1
VFLASH2
VCORE
VDAAUD2
EARP
EARN
XEAR
HEADINT
HFCM
VSAAUD2
VBATDRIV
BUZZO
VIBRA
CALLED1
CALLED2
VSADRIV1
DLIGHT
KLIGHT
VSADRIV2
VSIM
SIMIODAO
SIMCLKO
SIMRST
VSIMGND
IRLEDC
IRRXN
MBUS
FBUSTXO
FBUSRXO
RXIINP
RXIINN
RXQINP
RXQINN
TXIOUTP
TXIOUTN
TXQOUTP
TXQOUTN
AUXOUT
AFCOUT
VREF25BB
VREF25RF
VREF278
CCP
CCN
VPUMP
GNDVR1
VR1A
VR1B
VR2
VR3
VR4
VR5
VR6
VR7
IPA1
IPA2
ISET
VBG
UEMRSTX
SMPSCLK
GNDTH13
GNDTH14
GNDTH15
GNDTH16
N10
P10
M10
L10
GND
M7
P4
M5
N8
M8
P11
M13
B1
VIO
L5
GND
N2
M2
M1
N1
N6
L1
HF
L2
L3
F2
G2
G3
E1
E2
F4
F1
F3
G1
C3
B2
B3
A2
P6
A3
N4
L4
M6
N5
P5
B13
C13
B14
D12
C14
C12
F11
E11
D14
E14
E12
F12
E13
E4
D13
H13
H14
G14
G13
H12
P12
M11
N13
N12
P14
M12
L12
J12
K14
J11
L13
K12
F14
F13
G12
J13
A4
B4
J6
J7
J8
J9
GND
AGND2
GND
GND
GND
GND
GND
GND
IPA1
IPA2
ISET
GND
1u0
C232
C235
1u0
AGND2
C236
100n
C237
100n
R200
therm1
C207
1u0
GND
VANA
C243
GND
1u0
0
1
2
3
0
1
2
VANA
GND
VANA
GND
REG_CAP
capacitors
CCP
CCN
VPUMP
SIMIODA_IN SIMIODA_OUT
NA
VCORE_LIN
G_POWER(11:0)
FOR NEW GENIO MAPPING!
Name
C201
GND
GND
0
VBAT
VCORE_LIN
C208
1u0
VREFRF01
GENIO(31)
GND
C230
0
1
2
3
4
5
6
7
1u0
VIO
VSIM
GENIO(31:0)
Discrete Power Management
1u0
GND
Issue 1 10/2003 2003 Nokia Corporation Page 23
Company Confidential
Page 24

Light Filtering
CCS Technical Documentation Schematics RH-6
L260
VBATIN
600R/100MHz
C260
1u0
VBATTO_1
L264
600R/100MHz
L261
600R/100MHz
L262
600R/100MHz
L263
600R/100MHz
GND
GND
GND
GND
C261
1u0
C262
1u0
C264
1u0
C263
1u0
VBATTO_2
VBATTO_3
VBATTO_4
VBATTO_5
L265
600R/100MHz
GND
GND
C265
1u0
VBATTO_6
Issue 1 10/2003 2003 Nokia Corporation Page 24
Company Confidential
Page 25

CCS Technical Documentation Schematics RH-6
Old Power Discrete Users
SIMIODA_IN SIMIODA_OUT
CCP
C238
100n
C200
100n
CCN
VPUMP
VFLASH2
C204
1u0
GND
VSIM
GNDGND
1u0
C219
GND
GND
C221
1u0
VR6
GND
VR1A
C225
1u0
VR1B
NA
C233
1u0
C203
1u0
Issue 1 10/2003 2003 Nokia Corporation Page 25
Company Confidential
Page 26

CCS Technical Documentation Schematics RH-6
UPP 8M Implementation
JTAG_EMULATION(6:0)
DSP_MCUTEST(2:0)
GENIO(31:0)
UPPFILTER
discrete
VCORE
VIO
VCORE_LIN
MEMADDA(15:0)
MEMAD(24:16)
CCP(4:0)
DIFDATA(7:0)
DIFCTRL(3:0)
USB_DIG(6:0)
SDRAD(15:0)
SDRDA(15:0)
SDRCTRL(8:0)
RFCONV_ANA(16:0)
RFCONV_DIGI(16:0)
GPIO(31:0)
ETM(21:0)
MEMCONT(9:0)
J403
J402
D400
UPP8M_V2.2_UBGA144
A11
GND
0
1
2
3
4
5
6
0
1
2
0
1
2
3 0
VCORE
VIOVCORE
Net_length max=25mm
Net_length max=25mm
16
17
18
19
20
21
22
23
Net_length max=25mm
VCORE
VCORE
VIO
GND
0
1
2
3
4
5
6
7
8
9
10
11
12
13
14
15
9
J416
0
1
2
J419
3
4
5
6
7
8
J417
J420
J418
GND
23
24
C4
A2
A3
C3
B3
B2
A1
B4
B5
C5
B11
A12
A13
B12
A4
C1
E1
D5
D4
F4
K1
J4
J1
N8
J13
A9
H4
K7
H10
D8
N10
H1
A6
F13
K9
G4
D7
G10
N5
N7
M8
L10
L11
M12
N13
L13
J11
M7
M9
M10
M11
K11
L12
K13
J12
H11
L8
L9
K8
K12
H12
K6
K10
N9
L7
L6
M6
N11
M13
N12
N6
H13
4370931:LIBAI
M1
J10
TESTMODE
JTCLK
JTRST
JTDI
JTMS
JTDO
EMU0
EMU1
GENTEST0
GENTEST1
GENTEST2
GENIO0
GENIO1
GENIO2
GENIO3
VDDDSP1
VDDDSP2
VDDDSP3
VSSDSP1
VSSDSP2
VSSDSP3
VDDPLL
VSSPLL
VDDCORE1
VDDCORE2
VDDPDRAM1
VDDPDRAM2
VSSCORE1
VSSCORE2
VSSPDRAM1
VSSPDRAM2
VDDIO1
VDDIO2
VDDIO3
VDDIO4
VSSIO1
VSSIO2
VSSIO3
VSSIO4
VDDA
0
1
2
3
4
5
6
7
8
9
10
11
12
13
14
15
16
17
18
19
20
21
22
FLSRSTX
EXTWRX
EXTRDX
FLS2CSX
FLSBAAX
FLSPS
FLSAVDX
FLSCLK
FLSCSX
FLSRDY
GENIO23
GENIO24
SLEEPCLK
EARDATA
MICDATA
CBUSCLK
CBUSDA
CBUSENX
GENIO31
GENIO30
GENIO29
GENIO26
MBUSTX
MBUSRX
DBUSCLK
DBUSDA
DBUSEN1X
RFCONVCLK
GENIO18
GENIO16
GENIO17
GENIO14
GENIO15
GENIO13
GENIO10
GENIO11
GENIO12
RFBUSCLK
RFBUSDA
RFBUSEN1X
GENIO25
GENIO28
LCDCAMCLK
LCDCAMTXDA
GENIO27
GENIO19
GENIO20
GENIO21
GENIO22
PURX
SLEEPX
UEMINT
IRTX
IRRX
FBUSTX
FBUSRX
RXID
RXQD
TXID
TXQD
AUXDA
GENIO5
GENIO6
GENIO7
GENIO8
GENIO9
RFCLK
VSSA
GENIO4
LCDCSX
K2
L1
H3
E2
F2
J2
G1
G2
F3
D1
C2
D2
B1
H2
G3
E3
D3
F1
E4
K3
L3
J3
N3
K4
L4
M4
N4
K5
M2
N1
N2
M3
L2
E12
D11
D12
E10
E11
D13
F10
F11
E13
G11
F12
G13
G12
M5
L5
D6
A7
C6
B6
A5
C7
B13
C11
C12
C13
D9
P00
A10
P01
B10
P02
C10
P03
D10
P04
A8
P10
B8
P11
C8
P12
B9
P13
C9
P14
B7
P15
J404
J405 J406
J409
J413
J410
J407
J414
0
1
2
J408
J411 J412
J415
0
1
2
3
4
5
0
1
2
3
4
5
6
7
8
9
10
PUSL(3:0)
0
1
0
1
2
3
31
30
29
1
2
3
4
5
0
1
2
26
18
16
17
14
15
13
5
6
7
8
9
10
11
12
0
1
2
0
1
2
25
28
4
27
19
20
21
22
AUDIODATA(3:0)
AUDUEMCTRL(3:0)
IACCDIF(5:0)
RFCONVCTRL(2:0)
RFCONVDA(5:0)
RFICCTRL(2:0)
RFCLK
RFCLKGND
LCDUI(2:0)
KEYB(10:0)
Issue 1 10/2003 2003 Nokia Corporation Page 26
Company Confidential
Page 27

CCS Technical Documentation Schematics RH-6
Combo Memory 64 + 4 Mbit
Issue 1 10/2003 2003 Nokia Corporation Page 27
Company Confidential
Page 28

CCS Technical Documentation Schematics RH-6
Discrete Decoupling Capacitors for UPP
VCORE
VDDDSP VDDDSP VDDMCU VDDCORE
C400
GND
C401
100n10n
GND
C402
10n
C403
VDDIO VDDA
C404
10n
GNDGND
VCORE_LIN
VIO
C405
10n
GND
10n
GND
Issue 1 10/2003 2003 Nokia Corporation Page 28
Company Confidential
Page 29

CCS Technical Documentation Schematics RH-6
Discrete Capacitors for Memory without VFlash 1
Issue 1 10/2003 2003 Nokia Corporation Page 29
Company Confidential
Page 30

CCS Technical Documentation Schematics RH-6
Empty Wing Sheet
Issue 1 10/2003 2003 Nokia Corporation Page 30
Company Confidential