
Inchange Semiconductor Product Specification
Silicon NPN Power Transistors 2SC1904
DESCRIPTION ·
·With TO-126 package
·Complement to type 2SA899
APPLICATIONS
·For high frequency power amplification
PINNING
PIN DESCRIPTION
1
2
3 Base
Emitter
Collector;connected to
mounting base
Absolute maximum ratings(Ta=25
SYMBOL PARAMETER CONDITIONS VALUE UNIT
V
CBO
V
CEO
V
EBO
IC Collector current (DC) 50mA A
PD Total power dissipation
Tj Junction temperature 150
Collector-base voltage Open emitter 150 V
Collector-emitter voltage Open base 150 V
Emitter-base voltage Open collector 5 V
℃)
T
=25℃
C
1 W
℃
T
Storage temperature -55~150
stg
℃

Inchange Semiconductor Product Specification
Silicon NPN Power Transistors 2SC1904
CHARACTERISTICS
Tj=25℃ unless otherwise specified
SYMBOL PARAMETER CONDITIONS MIN TYP. MAX UNIT
V
(BR)CEO
V
(BR)CBO
V
(BR)EBO
V
CEsat
V
BEsat
I
CBO
I
EBO
h
FE
Collector-emitter breakdown voltage IC=1mA; RBE=∞ 150 V
Collector-base breakdown voltage IC=10μA ;IE=0 150 V
Emitter-base breakdown voltage IE=10μA ;IC=0 5 V
Collector-emitter saturation voltage IC=10mA ;IB=1mA 0.5 V
Base-emitter saturation voltage IC=10mA ;IB=1mA 1.0 V
Collector cut-off current VCB=140V; IE=0 1 μA
Emitter cut-off current VEB=4V; IC=0 1 μA
DC current gain IC=10mA ; VCE=5V 35 500
COB Output capacitance IE=0 ; VCB=10V;f=1MHz 3 pF
fT Transition frequency IC=10mA ; VCE=5V 70 MHz
2

Inchange Semiconductor Product Specification
Silicon NPN Power Transistors 2SC1904
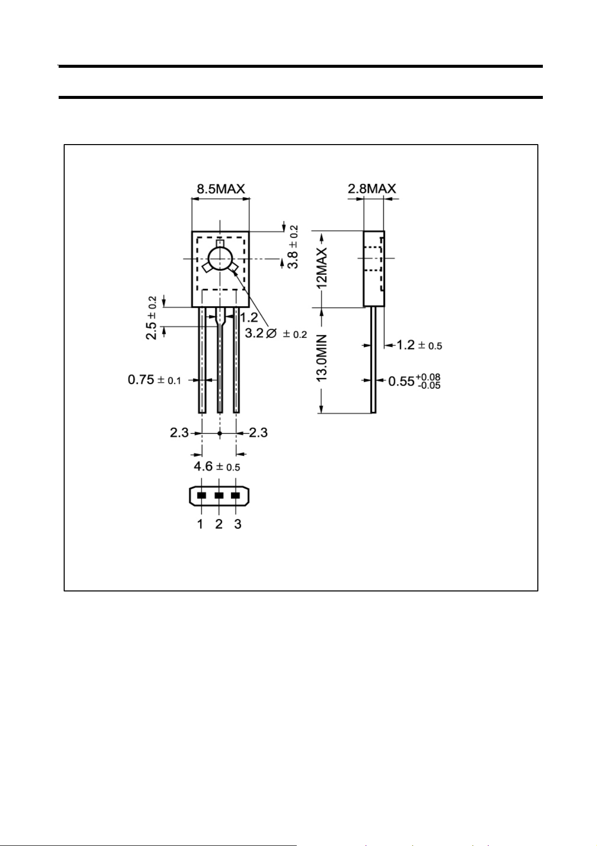
PACKAGE OUTLINE
Fig.2 Outline dimensions
3