Page 1

CSD-A170
U(S),HA(S)
CSD-A110
CSD-A100
CSD-A99
EZ(L),HR(S)
HE(S),HT(S)
EZ(L,P)
K(S)
SERVICE MANUAL
COMPACT DISC RADIO
CASSETTE RECORDER
• Replace this Service Manual with ”Revision Publishing” when it is issued.
BASIC TAPE MECHANISM : ZZM-1 YR2NF
BASIC CD MECHANISM : DA11T3C
S/M Code No. 09-003-342-2T4
SIMPLE
DATA
Page 2

ELECTRICAL MAIN PARTS LIST - 1
NOTE: The characters in the suffix column indicate the part usage.
110HRJ(S) ..............XX..................................A...................
100HE(S) ...............XX...................................B..................
100EZ(P) ...............XX........................................G.............
100EZ(L) ...............XX.........................................H............
100HT(S) ...............XX..........................................I...........
99K(S) .................XX...........................................J..........
110EZ(L) ...............XX.............................................L........
170U(S) ................XX................................................O.....
170HA(S) ...............XX..................................................Q...
REF.NO PARTS NO. NO. DESCRIPTION SUFFIX
JW 605 87-003-097-080 0E COIL,1UH ABCDEFGHIJKLM.......
JW 606 87-003-097-080 0E COIL,1UH ABCDEFGHIJKLM.......
JW 608 87-003-097-080 0E COIL,1UH ABCDEFGHIJKLM.......
JW 633 87-003-098-080 0E COIL,2.2UH ABCDEFGHIJKLM.......
JW 603 87-008-372-080 0E FILTER, EMI BL OIRNI ABCDEFGHIJKLM.......
JW 627 87-008-372-080 0E FILTER, EMI BL OIRNI ABCDEFGHIJKLM.......
C 605 87-010-264-040 0E CAP,E 100-10 5L ABCDEFGHIJKLM.......
C 630 87-010-264-040 0E CAP,E 100-10 5L ABCDEFGHIJKLM.......
C 614 87-010-312-080 0E C-CAP,S 15P-50 CH ABCDEFGHIJKLM.......
C 601 87-010-313-080 0E CAP, CHIP 18P ABCDEFGHIJKLM.......
C 602 87-010-315-080 0E C-CAP,S 27P-50 CH ABCDEFGHIJKLM.......
C 604 87-010-317-010 0E CHIP CAP,S 39P CH ABCDEFGHIJKLM.......
C 603 87-010-319-080 0E C-CAP,S 56P-50 CH ABCDEFGHIJKLM.......
C 608 87-010-415-080 0E CAP ELE SRE 10-50V ABCDEFGHIJKLM.......
C 609 87-010-493-080 0E CAP,E 0.47-50 GAS ABCDEFGHIJKLM.......
C 606 87-012-368-080 0E C-CAP,S 0.1-50 F ABCDEFGHIJKLM.......
C 613 87-012-368-080 0E C-CAP,S 0.1-50 F ABCDEFGHIJKLM.......
C 607 87-015-779-010 0E CHIP CAPACITOR, 0.01 ABCDEFGHIJKLM.......
C 627 87-015-779-010 0E CHIP CAPACITOR, 0.01 ABCDEFGHIJKLM.......
C 628 87-015-779-010 0E CHIP CAPACITOR, 0.01 ABCDEFGHIJKLM.......
C 629 87-015-779-010 0E CHIP CAPACITOR, 0.01 ABCDEFGHIJKLM.......
C 631 87-015-779-010 0E CHIP CAPACITOR, 0.01 ABCDEFGHIJKLM.......
D 601 87-020-465-080 0E DIODE,1SS133 (110MA) ABCDEFGHIJKLM.......
D 602 87-020-465-080 0E DIODE,1SS133 (110MA) ABCDEFGHIJKLM.......
D 607 87-020-465-080 0E DIODE,1SS133 (110MA) ABCDEFGHIJKLM.......
D 608 87-020-465-080 0E DIODE,1SS133 (110MA) ABCDEFGHIJKLM.......
Q 603 87-026-213-080 0E CHIP-TR,DTC114YK ABCDEFGHIJKLM.......
Q 606 87-026-239-080 0E TR,DTC114TK (0.2W) ABCDEFGHIJKLM.......
Q 607 87-026-239-080 0E TR,DTC114TK (0.2W) ABCDEFGHIJKLM.......
Q 608 87-026-239-080 0E TR,DTC114TK (0.2W) ABCDEFGHIJKLM.......
Q 613 87-026-239-080 0E TR,DTC114TK (0.2W) ABCDEFGHIJKLM.......
Q 610 87-026-463-080 0E TR,2SA933S (0.3W) ABCDEFGHIJKLM.......
X 601 87-030-273-010 1A VIB,XTAL 32.768K5PPM ABCDEFGHIJKLM.......
X 602 87-030-376-080 1A VIB,CER CSA5.76MG200 ABCDEFGHIJKLM.......
D 606 87-070-345-080 0E DIODE,IN4148 ABCDEFGHIJKLM.......
CN 601 87-099-757-010 0E CONN,16P 9604S F ABCDEFGHIJKLM.......
C 611 87-A10-189-040 0E CAP,E 220-10 ABCDEFGHIJKLM.......
CN 602 87-A60-079-010 0E CONN,08P H 9604S-08F ABCDEFGHIJKLM.......
S 601 87-A91-704-080 SW,TACT EVQ 214 05R ABCDEFGHIJKLM.......
S 602 87-A91-704-080 SW,TACT EVQ 214 05R ABCDEFGHIJKLM.......
S 603 87-A91-704-080 SW,TACT EVQ 214 05R ABCDEFGHIJKLM.......
S 604 87-A91-704-080 SW,TACT EVQ 214 05R ABCDEFGHIJKLM.......
S 605 87-A91-704-080 SW,TACT EVQ 214 05R ABCDEFGHIJKLM.......
S 611 87-A91-704-080 SW,TACT EVQ 214 05R ABCDEFGHIJKLM.......
LED 611 87-CD8-616-010 LED,SA36-11 HWA-11.0 ABCDEFGHIJKLM.......
LED 602 88-CD6-630-010 LED,934ID RED ABCDEFGHIJKLM.......
LED 608 88-CD6-630-010 LED,934ID RED ABCDEFGHIJKLM.......
LED 610 88-CD6-631-010 LED,934GD GRN A.C..F..............
Q 604 89-317-403-080 0E TR,2SC1740S ABCDEFGHIJKLM.......
IC 601 8A-CD9-610-010 1D C-IC,LC865516A-*** ABCDEFGHIJKLM.......
CNA 604 8A-CDA-623-010 1A CONN ASSY,7P KEY ABCDEFGHIJKLM.......
JW 605 87-003-097-080 COIL,1UH .............NOPQR..
JW 606 87-003-097-080 COIL,1UH .............NOPQR..
JW 608 87-003-097-080 COIL,1UH .............NOPQR..
JW 633 87-003-098-080 COIL,2.2UH .............NOPQR..
JW 603 87-008-372-080 FILTER, EMI BL OIRNI .............NOPQR..
JW 627 87-008-372-080 FILTER, EMI BL OIRNI .............NOPQR..
C 610 87-010-178-010 CAP, S 1000P-50 .............NOPQR..
C 605 87-010-264-040 CAP,E 100-10 5L .............NOPQR..
C 630 87-010-264-040 CAP,E 100-10 5L .............NOPQR..
C 614 87-010-312-080 C-CAP,S 15P-50 CH .............NOPQR..
C 601 87-010-313-080 CAP, CHIP 18P .............NOPQR..
C 602 87-010-315-080 C-CAP,S 27P-50 CH .............NOPQR..
C 604 87-010-317-010 CHIP CAP,S 39P CH .............NOPQR..
C 603 87-010-319-080 C-CAP,S 56P-50 CH .............NOPQR..
C 608 87-010-415-080 CAP ELE SRE 10-50V .............NOPQR..
C 612 87-010-415-080 CAP ELE SRE 10-50V .............NOPQR..
C 609 87-010-493-080 CAP,E 0.47-50 GAS .............NOPQR..
C 606 87-012-368-080 C-CAP,S 0.1-50 F .............NOPQR..
C 613 87-012-368-080 C-CAP,S 0.1-50 F .............NOPQR..
C 607 87-015-779-010 CHIP CAPACITOR, 0.01 .............NOPQR..
C 627 87-015-779-010 CHIP CAPACITOR, 0.01 .............NOPQR..
C 628 87-015-779-010 CHIP CAPACITOR, 0.01 .............NOPQR..
C 629 87-015-779-010 CHIP CAPACITOR, 0.01 .............NOPQR..
C 631 87-015-779-010 CHIP CAPACITOR, 0.01 .............NOPQR..
D 601 87-020-465-080 DIODE,1SS133 (110MA) .............NOPQR..
D 602 87-020-465-080 DIODE,1SS133 (110MA) .............NOPQR..
D 604 87-020-465-080 DIODE,1SS133 (110MA) .............NOPQR..
Page 3

ELECTRICAL MAIN PARTS LIST - 2
D 605 87-020-465-080 DIODE,1SS133 (110MA) .............NOPQR..
D 607 87-020-465-080 DIODE,1SS133 (110MA) .............NOPQR..
D 608 87-020-465-080 DIODE,1SS133 (110MA) .............NOPQR..
Q 603 87-026-213-080 CHIP-TR,DTC114YK .............NOPQR..
Q 646 87-026-237-080 CHIP-TR,DTC124XK .............NOPQR..
Q 606 87-026-239-080 TR,DTC114TK (0.2W) .............NOPQR..
Q 607 87-026-239-080 TR,DTC114TK (0.2W) .............NOPQR..
Q 608 87-026-239-080 TR,DTC114TK (0.2W) .............NOPQR..
Q 613 87-026-239-080 TR,DTC114TK (0.2W) .............NOPQR..
Q 610 87-026-463-080 TR,2SA933S (0.3W) .............NOPQR..
X 601 87-030-273-010 VIB,XTAL 32.768K5PPM .............NOPQR..
X 602 87-030-376-080 VIB,CER CSA5.76MG200 .............NOPQR..
D 606 87-070-345-080 DIODE,IN4148 .............NOPQR..
CN 601 87-099-757-010 CONN,16P 9604S F .............NOPQR..
C 611 87-A10-189-040 CAP,E 220-10 .............NOPQR..
IC 602 87-A20-650-010 IC,RPM6938-V11 .............NOPQR..
CN 602 87-A60-079-010 CONN,08P H 9604S-08F .............NOPQR..
S 601 87-A91-704-080 SW,TACT EVQ 214 05R .............NOPQR..
S 602 87-A91-704-080 SW,TACT EVQ 214 05R .............NOPQR..
S 603 87-A91-704-080 SW,TACT EVQ 214 05R .............NOPQR..
S 604 87-A91-704-080 SW,TACT EVQ 214 05R .............NOPQR..
S 605 87-A91-704-080 SW,TACT EVQ 214 05R .............NOPQR..
S 609 87-A91-704-080 SW,TACT EVQ 214 05R .............NOPQR..
S 611 87-A91-704-080 SW,TACT EVQ 214 05R .............NOPQR..
LED 611 87-CD8-616-010 LED,SA36-11 HWA-11.0 .............NOPQR..
LED 602 88-CD6-630-010 LED,934ID RED .............NOPQR..
LED 608 88-CD6-630-010 LED,934ID RED .............NOPQR..
LED 610 88-CD6-631-010 LED,934GD GRN .............NOPQR..
Q 604 89-317-403-080 TR,2SC1740S .............NOPQR..
IC 601 8A-CD9-610-010 C-IC,LC865516A-*** .............NOPQR..
CNA 604 8A-CDA-623-010 CONN ASSY,7P KEY .............NOPQR..
CN 605 87-A60-117-010 0E CONN,7P H S2M-7WR ABCDEFGHIJKLM.......
J 251 87-A60-569-010 1C JACK,HTJ-035-18 ABCDEFGHIJKLM.......
CN 204 87-A60-685-010 0E CONN,4P H WHT EH ABCDEFGHIJKLM.......
LED 606 88-CD6-630-010 LED,934ID RED ABCDEFGHIJKLM.......
LED 607 88-CD6-630-010 LED,934ID RED ABCDEFGHIJKLM.......
CNA 203 8A-CDA-628-010 CONN ASSY,4P MA-HP ABCDEFGHIJKLM.......
CN 605 87-A60-117-010 CONN,7P H S2M-7WR .............NOPQR..
J 251 87-A60-569-010 JACK,HTJ-035-18 .............NOPQR..
CN 204 87-A60-685-010 CONN,4P H WHT EH .............NOPQR..
S 606 87-A91-704-080 SW,TACT EVQ 214 05R .............NOPQR..
S 607 87-A91-704-080 SW,TACT EVQ 214 05R .............NOPQR..
S 608 87-A91-704-080 SW,TACT EVQ 214 05R .............NOPQR..
S 614 87-A91-704-080 SW,TACT EVQ 214 05R .............NOPQR..
S 615 87-A91-704-080 SW,TACT EVQ 214 05R .............NOPQR..
D 606 88-CD6-630-010 LED,934ID RED .............NOPQR..
D 607 88-CD6-630-010 LED,934ID RED .............NOPQR..
CNA 203 8A-CDA-628-010 CONN ASSY,4P MA-HP .............NOPQR..
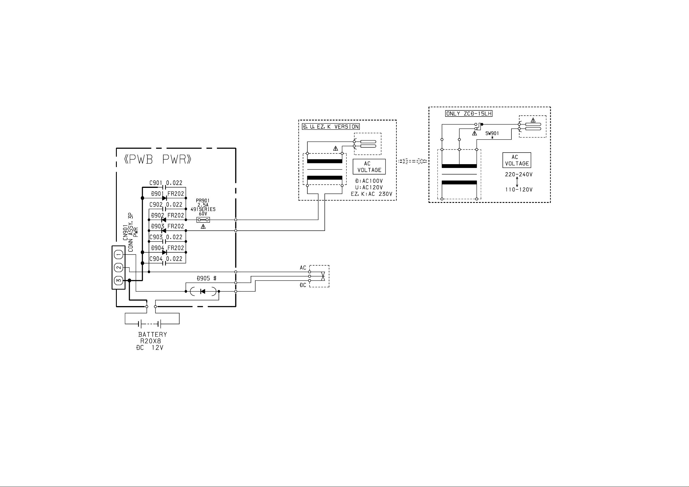
C 901 87-010-192-080 0E C-CAP,S 0.022-50 F ABCDEFGHIJKLM.......
C 902 87-010-192-080 0E C-CAP,S 0.022-50 F ABCDEFGHIJKLM.......
C 903 87-010-192-080 0E C-CAP,S 0.022-50 F ABCDEFGHIJKLM.......
C 904 87-010-192-080 0E C-CAP,S 0.022-50 F ABCDEFGHIJKLM.......
D 901 87-A40-465-010 0E DIODE,FR202 ABCDEFGHIJKLM.......
D 902 87-A40-465-010 0E DIODE,FR202 ABCDEFGHIJKLM.......
D 903 87-A40-465-010 0E DIODE,FR202 ABCDEFGHIJKLM.......
D 904 87-A40-465-010 0E DIODE,FR202 ABCDEFGHIJKLM.......
D 905 87-A40-465-010 0E DIODE,FR202 ABCDEFGHIJKLM.......
PR 901 87-A90-092-080 1A PROTECTOR,2.5A 491 AB.DEFGHIJKLM.......
SP 901 87-CD6-213-010 SPR-C,BATT (-) ABCDEFGHIJKLM.......
SP 902 87-CD6-213-010 SPR-C,BATT (-) ABCDEFGHIJKLM.......
SP 903 87-CD6-213-010 SPR-C,BATT (-) ABCDEFGHIJKLM.......
SP 904 87-CD6-213-010 SPR-C,BATT (-) ABCDEFGHIJKLM.......
CNA 901 8A-CDA-627-010 CONN ASSY,3P PWR ABCDEFGHIJKLM.......
C 901 87-010-192-080 C-CAP,S 0.022-50 F .............NOPQR..
C 902 87-010-192-080 C-CAP,S 0.022-50 F .............NOPQR..
C 903 87-010-192-080 C-CAP,S 0.022-50 F .............NOPQR..
C 904 87-010-192-080 C-CAP,S 0.022-50 F .............NOPQR..
D 901 87-A40-465-010 DIODE,FR202 .............NOPQR..
D 902 87-A40-465-010 DIODE,FR202 .............NOPQR..
D 903 87-A40-465-010 DIODE,FR202 .............NOPQR..
D 904 87-A40-465-010 DIODE,FR202 .............NOPQR..
D 905 87-A40-465-010 DIODE,FR202 .............NOPQR..
PR 901 87-A90-092-080 PROTECTOR,2.5A 491 .............N.PQR..
SP 901 87-CD6-213-010 SPR-C,BATT (-) .............NOPQR..
SP 902 87-CD6-213-010 SPR-C,BATT (-) .............NOPQR..
SP 903 87-CD6-213-010 SPR-C,BATT (-) .............NOPQR..
SP 904 87-CD6-213-010 SPR-C,BATT (-) .............NOPQR..
CNA 901 8A-CDA-627-010 CONN ASSY,3P PWR .............NOPQR..
C 239 87-010-197-080 0E CAP, CHIP 0.01 DM ABCDEFGHIJKLM.......
C 240 87-010-197-080 0E CAP, CHIP 0.01 DM ABCDEFGHIJKLM.......
C 231 87-010-213-080 0E C-CAP,S 0.015-50 B ABCDEFGHIJKLM.......
C 232 87-010-213-080 0E C-CAP,S 0.015-50 B ABCDEFGHIJKLM.......
C 310 87-010-248-080 0E CAP, ELECT 220-10V ABCDEFGHIJKLM.......
C 316 87-010-263-080 0E CAP, ELECT 100-10V ABCDEFGHIJKLM.......
C 237 87-010-371-080 0E CAP, ELECT 470-6.3V ABCDEFGHIJKLM.......
C 239 87-010-805-080 0E CAP, S 1-16 .B..E.GHIJK.........
C 240 87-010-805-080 0E CAP, S 1-16 .B..E.GHIJK.........
C 317 87-015-819-080 0E CAPACITOR,0.01 ABCDEFGHIJKLM.......
C 215 87-016-460-080 0E C-CAP,S 0.22-16 B ABCDEFGHIJKLM.......
C 216 87-016-460-080 0E C-CAP,S 0.22-16 B ABCDEFGHIJKLM.......
C 235 87-016-669-080 0E C-CAP,S 0.1-25 K B ABCDEFGHIJKLM.......
C 236 87-016-669-080 0E C-CAP,S 0.1-25 K B ABCDEFGHIJKLM.......
C 233 87-A10-201-080 0E C-CAP,S0.33-16 KB ABCDEFGHIJKLM.......
Page 4

ELECTRICAL MAIN PARTS LIST - 3
C 234 87-A10-201-080 0E C-CAP,S0.33-16 KB ABCDEFGHIJKLM.......
C 211 87-A11-177-080 0E C-CAP,S 0.15-16 K B ABCDEFGHIJKLM.......
C 212 87-A11-177-080 0E C-CAP,S 0.15-16 K B ABCDEFGHIJKLM.......
IC 203 87-A21-443-040 1C C-IC,M62495AFP .B.DE.GHIJK.M.......
IC 203 87-A21-520-040 1E C-IC,M61509FP A.C..F.....L........
D 307 87-A40-234-080 0E ZENER,MTZJ5.6A ABCDEFGHIJKLM.......
Q 306 89-318-154-080 0E TR,2SC1815 (0.4W) ABCDEFGHIJKLM.......
C 239 87-010-197-080 CAP, CHIP 0.01 DM .............NOPQR..
C 240 87-010-197-080 CAP, CHIP 0.01 DM .............NOPQR..
C 231 87-010-213-080 C-CAP,S 0.015-50 B .............NOPQR..
C 232 87-010-213-080 C-CAP,S 0.015-50 B .............NOPQR..
C 310 87-010-248-080 CAP, ELECT 220-10V .............NOPQR..
C 316 87-010-263-080 CAP, ELECT 100-10V .............NOPQR..
C 237 87-010-371-080 CAP, ELECT 470-6.3V .............NOPQR..
C 483 87-012-156-080 C-CAP,S 220P-50 CH .............NOPQR..
C 484 87-012-156-080 C-CAP,S 220P-50 CH .............NOPQR..
C 317 87-015-819-080 CAPACITOR,0.01 .............NOPQR..
C 215 87-016-460-080 C-CAP,S 0.22-16 B .............NOPQR..
C 216 87-016-460-080 C-CAP,S 0.22-16 B .............NOPQR..
C 235 87-016-669-080 C-CAP,S 0.1-25 K B .............NOPQR..
C 236 87-016-669-080 C-CAP,S 0.1-25 K B .............NOPQR..
C 233 87-A10-201-080 C-CAP,S0.33-16 KB .............NOPQR..
C 234 87-A10-201-080 C-CAP,S0.33-16 KB .............NOPQR..
C 211 87-A11-177-080 C-CAP,S 0.15-16 K B .............NOPQR..
C 212 87-A11-177-080 C-CAP,S 0.15-16 K B .............NOPQR..
IC 203 87-A21-520-040 C-IC,M61509FP .............NOPQR..
D 307 87-A40-234-080 ZENER,MTZJ5.6A .............NOPQR..
Q 306 89-318-154-080 TR,2SC1815 (0.4W) .............NOPQR..
C 267 87-010-112-080 0E CAP, ELECT 100-16V ABCDEFGHIJKLM.......
C 268 87-010-112-080 0E CAP, ELECT 100-16V ABCDEFGHIJKLM.......
C 263 87-010-178-080 0E CHIP CAP 1000P ABCDEFGHIJKLM.......
C 264 87-010-178-080 0E CHIP CAP 1000P ABCDEFGHIJKLM.......
C 271 87-010-237-080 1A CAP, ELECT 1000-16V ABCDEFGHIJKLM.......
C 272 87-010-237-080 1A CAP, ELECT 1000-16V ABCDEFGHIJKLM.......
C 265 87-010-263-080 0E CAP, ELECT 100-10V ABCDEFGHIJKLM.......
C 266 87-010-263-080 0E CAP, ELECT 100-10V ABCDEFGHIJKLM.......
C 279 87-010-385-080 0E CAP, ELECT 220-25V ABCDEFGHIJKLM.......
C 261 87-010-402-080 0E CAP, ELECT 2.2-50V ABCDEFGHIJKLM.......
C 262 87-010-402-080 0E CAP, ELECT 2.2-50V ABCDEFGHIJKLM.......
C 251 87-010-404-080 0E CAP, ELECT 4.7-50V ABCDEFGHIJKLM.......
C 278 87-010-405-080 0E CAP, ELECT 10-50V ABCDEFGHIJKLM.......
IC 202 87-A21-064-010 1D IC,LA4227 ABCDEFGHIJKLM.......
Q 244 89-318-154-080 0E TR,2SC1815 (0.4W) ABCDEFGHIJKLM.......
Q 245 89-318-154-080 0E TR,2SC1815 (0.4W) ABCDEFGHIJKLM.......
CN 202 8A-CH4-689-010 0E CONN,3P V 2.5 ABCDEFGHIJKLM.......
C 267 87-010-112-080 CAP, ELECT 100-16V .............NOPQR..
C 268 87-010-112-080 CAP, ELECT 100-16V .............NOPQR..
C 263 87-010-178-080 CHIP CAP 1000P .............NOPQR..
C 264 87-010-178-080 CHIP CAP 1000P .............NOPQR..
C 271 87-010-237-080 CAP, ELECT 1000-16V .............NOPQR..
C 272 87-010-237-080 CAP, ELECT 1000-16V .............NOPQR..
C 265 87-010-263-080 CAP, ELECT 100-10V .............NOPQR..
C 266 87-010-263-080 CAP, ELECT 100-10V .............NOPQR..
C 279 87-010-385-080 CAP, ELECT 220-25V .............NOPQR..
C 261 87-010-402-080 CAP, ELECT 2.2-50V .............NOPQR..
C 262 87-010-402-080 CAP, ELECT 2.2-50V .............NOPQR..
C 251 87-010-404-080 CAP, ELECT 4.7-50V .............NOPQR..
C 278 87-010-405-080 CAP, ELECT 10-50V .............NOPQR..
IC 202 87-A21-064-010 IC,LA4227 .............NOPQR..
Q 244 89-318-154-080 TR,2SC1815 (0.4W) .............NOPQR..
Q 245 89-318-154-080 TR,2SC1815 (0.4W) .............NOPQR..
CN 202 8A-CH4-689-010 CONN,3P V 2.5 .............NOPQR..
C 308 87-010-221-080 0E CAP, ELECT 470-10V ABCDEFGHIJKLM.......
C 311 87-010-374-080 0E CAP, ELECT 47-10V ABCDEFGHIJKLM.......
C 312 87-010-385-080 0E CAP, ELECT 220-25V ABCDEFGHIJKLM.......
C 307 87-010-401-080 0E CAP, ELECT 1-50V ABCDEFGHIJKLM.......
C 306 87-010-404-080 0E CAP, ELECT 4.7-50V ABCDEFGHIJKLM.......
C 325 87-010-405-080 0E CAP, ELECT 10-50V ABCDEFGHIJKLM.......
C 301 87-016-495-000 1B CAP,E 3300-25 M SMG ABCDEFGHIJKLM.......
D 311 87-017-932-080 0E ZENER,MTJ6.2B ABCDEFGHIJKLM.......
Q 303 87-026-291-080 1A TR,DTC124XS ABCDEFGHIJKLM.......
Q 305 87-026-462-080 0E TR,2SC1740 S(RS 0.3W) ABCDEFGHIJKLM.......
Q 302 87-026-463-080 0E TR,2SA933S (0.3W) ABCDEFGHIJKLM.......
D 303 87-070-345-080 0E DIODE,IN4148 ABCDEFGHIJKLM.......
D 305 87-070-345-080 0E DIODE,IN4148 ABCDEFGHIJKLM.......
D 306 87-070-345-080 0E DIODE,IN4148 ABCDEFGHIJKLM.......
D 304 87-A40-648-080 0E ZENER,MTZJ8.2A ABCDEFGHIJKLM.......
Q 301 89-112-965-080 0E TR,2SA1296 (0.75W) ABCDEFGHIJKLM.......
Q 304 89-213-702-010 1A TR,2SB1370 (1.8W) ABCDEFGHIJKLM.......
Q 310 89-318-154-080 0E TR,2SC1815 (0.4W) ABCDEFGHIJKLM.......
CN 301 8A-CH4-689-010 0E CONN,3P V 2.5 ABCDEFGHIJKLM.......
C 308 87-010-221-080 CAP, ELECT 470-10V .............NOPQR..
C 311 87-010-374-080 CAP, ELECT 47-10V .............NOPQR..
C 312 87-010-385-080 CAP, ELECT 220-25V .............NOPQR..
C 307 87-010-401-080 CAP, ELECT 1-50V .............NOPQR..
C 306 87-010-404-080 CAP, ELECT 4.7-50V .............NOPQR..
C 325 87-010-405-080 CAP, ELECT 10-50V .............NOPQR..
C 301 87-016-495-000 CAP,E 3300-25 M SMG .............NOPQR..
D 311 87-017-932-080 ZENER,MTJ6.2B .............NOPQR..
Q 303 87-026-291-080 TR,DTC124XS .............NOPQR..
Q 305 87-026-462-080 TR,2SC1740 S(RS 0.3W) .............NOPQR..
Q 302 87-026-463-080 TR,2SA933S (0.3W) .............NOPQR..
D 303 87-070-345-080 DIODE,IN4148 .............NOPQR..
Page 5

ELECTRICAL MAIN PARTS LIST - 4
D 305 87-070-345-080 DIODE,IN4148 .............NOPQR..
D 306 87-070-345-080 DIODE,IN4148 .............NOPQR..
D 304 87-A40-648-080 ZENER,MTZJ8.2A .............NOPQR..
Q 301 89-112-965-080 TR,2SA1296 (0.75W) .............NOPQR..
Q 304 89-213-702-010 TR,2SB1370 (1.8W) .............NOPQR..
Q 310 89-318-154-080 TR,2SC1815 (0.4W) .............NOPQR..
CN 301 8A-CH4-689-010 CONN,3P V 2.5 .............NOPQR..
L 801 87-007-342-010 0E COIL,OSC 85K BIAS ABCDEFGHIJKLM.......
C 811 87-010-178-080 0E CHIP CAP 1000P ABCDEFGHIJKLM.......
C 812 87-010-178-080 0E CHIP CAP 1000P ABCDEFGHIJKLM.......
C 829 87-010-178-080 0E CHIP CAP 1000P ABCDEFGHIJKLM.......
C 830 87-010-178-080 0E CHIP CAP 1000P ABCDEFGHIJKLM.......
C 845 87-010-178-080 0E CHIP CAP 1000P ABCDEFGHIJKLM.......
C 852 87-010-178-080 0E CHIP CAP 1000P ABCDEFGHIJKLM.......
C 816 87-010-180-080 0E C-CER 1500P ABCDEFGHIJKLM.......
C 817 87-010-180-080 0E C-CER 1500P ABCDEFGHIJKLM.......
C 851 87-010-186-080 0E CAP,CHIP 4700P ABCDEFGHIJKLM.......
C 843 87-010-197-080 0E CAP, CHIP 0.01 DM ABCDEFGHIJKLM.......
C 831 87-010-198-080 0E CAP, CHIP 0.022 ABCDEFGHIJKLM.......
C 801 87-010-248-080 0E CAP, ELECT 220-10V ABCDEFGHIJKLM.......
C 834 87-010-248-080 0E CAP, ELECT 220-10V ABCDEFGHIJKLM.......
C 30 87-010-260-080 0E CAP, ELECT 47-25V ABCDEFGHIJKLM.......
C 322 87-010-260-080 0E CAP, ELECT 47-25V ABCDEFGHIJKLM.......
C 846 87-010-263-080 0E CAP, ELECT 100-10V ABCDEFGHIJKLM.......
C 247 87-010-401-080 0E CAP, ELECT 1-50V ABCDEFGHIJKLM.......
C 248 87-010-401-080 0E CAP, ELECT 1-50V ABCDEFGHIJKLM.......
C 809 87-010-401-080 0E CAP, ELECT 1-50V ABCDEFGHIJKLM.......
C 810 87-010-401-080 0E CAP, ELECT 1-50V ABCDEFGHIJKLM.......
C 821 87-010-401-080 0E CAP, ELECT 1-50V ABCDEFGHIJKLM.......
C 822 87-010-401-080 0E CAP, ELECT 1-50V ABCDEFGHIJKLM.......
C 807 87-010-405-080 0E CAP, ELECT 10-50V ABCDEFGHIJKLM.......
C 808 87-010-405-080 0E CAP, ELECT 10-50V ABCDEFGHIJKLM.......
C 805 87-012-365-080 0E C-CAP,S 0.027-25VBK ABCDEFGHIJKLM.......
C 806 87-012-365-080 0E C-CAP,S 0.027-25VBK ABCDEFGHIJKLM.......
D 308 87-017-978-080 0E DIODE,1N4003 ABCDEFGHIJKLM.......
C 844 87-018-124-080 0E CAP, CER 270P-50V ABCDEFGHIJKLM.......
C 833 87-018-195-080 0E CAP, CER 1200P-16V ABCDEFGHIJKLM.......
D 809 87-020-465-080 0E DIODE,1SS133 (110MA) ABCDEFGHIJKLM.......
D 810 87-020-465-080 0E DIODE,1SS133 (110MA) ABCDEFGHIJKLM.......
Q 810 87-026-464-080 0E TR,DTC114TS (0.3W) ABCDEFGHIJKLM.......
R 840 87-029-124-010 0E RES,FUSE 2.2-1/4 ABCDEFGHIJKLM.......
D 309 87-070-345-080 0E DIODE,IN4148 ABCDEFGHIJKLM.......
D 807 87-070-345-080 0E DIODE,IN4148 ABCDEFGHIJKLM.......
D 808 87-070-345-080 0E DIODE,IN4148 ABCDEFGHIJKLM.......
C 853 87-A11-132-080 0E CAP,TC U 0.01-50 K B ABCDEFGHIJKLM.......
IC 801 87-A21-431-010 0E IC,BA4560N ABCDEFGHIJKLM.......
CN 801 87-A60-110-010 0E CONN,4P V S2M-4W ABCDEFGHIJKLM.......
Q 801 89-318-154-080 0E TR,2SC1815 (0.4W) ABCDEFGHIJKLM.......
CN 802 8A-CH4-687-010 0E CONN,4P V 2.5 ABCDEFGHIJKLM.......
SW 801 8Z-CD9-609-010 SW,SL 1-6-2 PS62D01 ABCDEFGHIJKLM.......
L 801 87-007-342-010 COIL,OSC 85K BIAS .............NOPQR..
C 811 87-010-178-080 CHIP CAP 1000P .............NOPQR..
C 812 87-010-178-080 CHIP CAP 1000P .............NOPQR..
C 829 87-010-178-080 CHIP CAP 1000P .............NOPQR..
C 830 87-010-178-080 CHIP CAP 1000P .............NOPQR..
C 845 87-010-178-080 CHIP CAP 1000P .............NOPQR..
C 852 87-010-178-080 CHIP CAP 1000P .............NOPQR..
C 816 87-010-180-080 C-CER 1500P .............NOPQR..
C 817 87-010-180-080 C-CER 1500P .............NOPQR..
C 851 87-010-186-080 CAP,CHIP 4700P .............NOPQR..
C 843 87-010-197-080 CAP, CHIP 0.01 DM .............NOPQR..
C 831 87-010-198-080 CAP, CHIP 0.022 .............NOPQR..
C 801 87-010-248-080 CAP, ELECT 220-10V .............NOPQR..
C 834 87-010-248-080 CAP, ELECT 220-10V .............NOPQR..
C 30 87-010-260-080 CAP, ELECT 47-25V .............NOPQR..
C 322 87-010-260-080 CAP, ELECT 47-25V .............NOPQR..
C 846 87-010-263-080 CAP, ELECT 100-10V .............NOPQR..
C 821 87-010-401-080 CAP, ELECT 1-50V .............NOPQR..
C 822 87-010-401-080 CAP, ELECT 1-50V .............NOPQR..
C 807 87-010-405-080 CAP, ELECT 10-50V .............NOPQR..
C 808 87-010-405-080 CAP, ELECT 10-50V .............NOPQR..
C 805 87-012-365-080 C-CAP,S 0.027-25VBK .............NOPQR..
C 806 87-012-365-080 C-CAP,S 0.027-25VBK .............NOPQR..
D 308 87-017-978-080 DIODE,1N4003 .............NOPQR..
C 844 87-018-124-080 CAP, CER 270P-50V .............NOPQR..
C 833 87-018-195-080 CAP, CER 1200P-16V .............NOPQR..
D 809 87-020-465-080 DIODE,1SS133 (110MA) .............NOPQR..
D 810 87-020-465-080 DIODE,1SS133 (110MA) .............NOPQR..
Q 810 87-026-464-080 TR,DTC114TS (0.3W) .............NOPQR..
R 840 87-029-124-010 RES,FUSE 2.2-1/4 .............NOPQR..
D 309 87-070-345-080 DIODE,IN4148 .............NOPQR..
D 807 87-070-345-080 DIODE,IN4148 .............NOPQR..
D 808 87-070-345-080 DIODE,IN4148 .............NOPQR..
C 853 87-A11-132-080 CAP,TC U 0.01-50 K B .............NOPQR..
IC 801 87-A21-431-010 IC,BA4560N .............NOPQR..
CN 801 87-A60-110-010 CONN,4P V S2M-4W .............NOPQR..
Q 801 89-318-154-080 TR,2SC1815 (0.4W) .............NOPQR..
CN 802 8A-CH4-687-010 CONN,4P V 2.5 .............NOPQR..
SW 801 8Z-CD9-609-010 SW,SL 1-6-2 PS62D01 .............NOPQR..
C 321 87-010-197-080 0E CAP, CHIP 0.01 DM ABCDEFGHIJKLM.......
C 322 87-010-263-080 0E CAP, ELECT 100-10V ABCDEFGHIJKLM.......
Q 841 87-026-291-080 1A TR,DTC124XS ABCDEFGHIJKLM.......
D 323 87-070-345-080 0E DIODE,IN4148 AB.DEFGHIJKLM.......
Page 6

ELECTRICAL MAIN PARTS LIST - 5
CN 201 87-099-018-010 0E CONN,16P ABCDEFGHIJKLM.......
D 32 87-A40-509-080 0E ZENER,MTZJ6.8C ..C.................
D 32 87-A40-650-080 0E ZENER,MTZJ6.8A AB.DEFGHIJKLM.......
Q 321 89-318-154-080 0E TR,2SC1815 (0.4W) ABCDEFGHIJKLM.......
CNA 302 8A-CDA-629-010 CONN ASSY,6P MA-TU ABCDEFGHIJKLM.......
C 321 87-010-197-080 CAP, CHIP 0.01 DM .............NOPQR..
C 322 87-010-263-080 CAP, ELECT 100-10V .............NOPQR..
Q 841 87-026-291-080 TR,DTC124XS .............NOPQR..
D 32 87-027-399-080 ZENER,HZ7A3L (200MA) .............NOPQR..
D 323 87-070-345-080 DIODE,IN4148 .............NOPQR..
CN 201 87-099-018-010 CONN,16P .............NOPQR..
D 32 87-A40-509-080 ZENER,MTZJ6.8C ..............O.....
D 32 87-A40-650-080 ZENER,MTZJ6.8A .............N.PQR..
Q 321 89-318-154-080 TR,2SC1815 (0.4W) .............NOPQR..
CNA 302 8A-CDA-629-010 CONN ASSY,6P MA-TU .............NOPQR..
L 401 87-003-102-080 0E COIL, 10UH ABCDEFGHIJKLM.......
L 404 87-003-152-080 0E COIL, 100UH ABCDEFGHIJKLM.......
C 440 87-010-145-080 0E C-CAP,S 1P-50 CH ABCDEFGHIJKLM.......
C 425 87-010-176-080 0E C-CAP,S 680P-50 SL ABCDEFGHIJKLM.......
C 407 87-010-178-080 0E CHIP CAP 1000P ABCDEFGHIJKLM.......
C 439 87-010-178-080 0E CHIP CAP 1000P ABCDEFGHIJKLM.......
C 493 87-010-180-080 0E C-CER 1500P ..C.................
C 422 87-010-184-080 0E CHIP CAPACITOR 3300P(K) ABCDEFGHIJKLM.......
C 434 87-010-184-080 0E CHIP CAPACITOR 3300P(K) ABCDEFGHIJKLM.......
C 429 87-010-186-080 0E CAP,CHIP 4700P ABCDEFGHIJKLM.......
C 494 87-010-197-080 0E CAP, CHIP 0.01 DM ABCDEFGHIJKLM.......
C 408 87-010-198-080 0E CAP, CHIP 0.022 ABCDEFGHIJKLM.......
C 418 87-010-213-080 0E C-CAP,S 0.015-50 B ABCDEFGHIJKLM.......
C 480 87-010-221-080 0E CAP, ELECT 470-10V ABCDEFGHIJKLM.......
C 476 87-010-236-080 0E CAP,E 1000-10 SME ABCDEFGHIJKLM.......
C 455 87-010-247-080 0E CAP, ELECT 100-50V ABCDEFGHIJKLM.......
C 404 87-010-248-080 0E CAP, ELECT 220-10V ABCDEFGHIJKLM.......
C 409 87-010-248-080 0E CAP, ELECT 220-10V ABCDEFGHIJKLM.......
C 462 87-010-248-080 0E CAP, ELECT 220-10V ABCDEFGHIJKLM.......
C 403 87-010-263-080 0E CAP, ELECT 100-10V ABCDEFGHIJKLM.......
C 410 87-010-263-080 0E CAP, ELECT 100-10V ABCDEFGHIJKLM.......
C 459 87-010-263-080 0E CAP, ELECT 100-10V ABCDEFGHIJKLM.......
C 467 87-010-263-080 0E CAP, ELECT 100-10V ABCDEFGHIJKLM.......
C 478 87-010-263-080 0E CAP, ELECT 100-10V ABCDEFGHIJKLM.......
C 457 87-010-312-080 0E C-CAP,S 15P-50 CH ABCDEFGHIJKLM.......
C 458 87-010-312-080 0E C-CAP,S 15P-50 CH ABCDEFGHIJKLM.......
C 442 87-010-313-080 0E CAP, CHIP 18P ABCDEFGHIJKLM.......
C 448 87-010-315-080 0E C-CAP,S 27P-50 CH ABCDEFGHIJKLM.......
C 502 87-010-322-080 0E C-CAP,S 100P-50 CH ABCDEFGHIJKLM.......
C 503 87-010-322-080 0E C-CAP,S 100P-50 CH ABCDEFGHIJKLM.......
C 504 87-010-322-080 0E C-CAP,S 100P-50 CH ABCDEFGHIJKLM.......
C 505 87-010-322-080 0E C-CAP,S 100P-50 CH ABCDEFGHIJKLM.......
C 506 87-010-322-080 0E C-CAP,S 100P-50 CH ABCDEFGHIJKLM.......
C 406 87-010-374-080 0E CAP, ELECT 47-10V ABCDEFGHIJKLM.......
C 432 87-010-374-080 0E CAP, ELECT 47-10V ABCDEFGHIJKLM.......
C 436 87-010-374-080 0E CAP, ELECT 47-10V ABCDEFGHIJKLM.......
C 412 87-010-401-080 0E CAP, ELECT 1-50V ABCDEFGHIJKLM.......
C 433 87-010-401-080 0E CAP, ELECT 1-50V ABCDEFGHIJKLM.......
C 401 87-010-403-080 0E CAP, ELECT 3.3-50V ABCDEFGHIJKLM.......
C 437 87-010-404-080 0E CAP, ELECT 4.7-50V ABCDEFGHIJKLM.......
C 465 87-010-404-080 0E CAP, ELECT 4.7-50V ABCDEFGHIJKLM.......
C 414 87-010-405-080 0E CAP, ELECT 10-50V ABCDEFGHIJKLM.......
C 481 87-010-405-080 0E CAP, ELECT 10-50V ABCDEFGHIJKLM.......
C 482 87-010-405-080 0E CAP, ELECT 10-50V ABCDEFGHIJKLM.......
C 470 87-010-544-080 0E CAP, ELECT 0.1-50V ABCDEFGHIJKLM.......
C 416 87-010-545-080 0E CAP, ELECT 0.22-50V ABCDEFGHIJKLM.......
C 431 87-010-545-080 0E CAP, ELECT 0.22-50V ABCDEFGHIJKLM.......
C 423 87-010-992-080 0E C-CAP,S 0.047-25 B ABCDEFGHIJKLM.......
C 450 87-012-140-080 0E CAP 470P ABCDEFGHIJKLM.......
C 469 87-012-154-080 0E C-CAP,S 150P-50 CH ABCDEFGHIJKLM.......
C 430 87-012-156-080 0E C-CAP,S 220P-50 CH ABCDEFGHIJKLM.......
C 451 87-012-156-080 0E C-CAP,S 220P-50 CH ABCDEFGHIJKLM.......
C 417 87-012-157-080 0E C-CAP,S 330P-50 CH ABCDEFGHIJKLM.......
C 445 87-012-368-080 0E C-CAP,S 0.1-50 F ABCDEFGHIJKLM.......
C 446 87-012-368-080 0E C-CAP,S 0.1-50 F ABCDEFGHIJKLM.......
C 447 87-012-368-080 0E C-CAP,S 0.1-50 F ABCDEFGHIJKLM.......
C 466 87-012-368-080 0E C-CAP,S 0.1-50 F ABCDEFGHIJKLM.......
C 489 87-012-368-080 0E C-CAP,S 0.1-50 F ABCDEFGHIJKLM.......
C 490 87-012-368-080 0E C-CAP,S 0.1-50 F ABCDEFGHIJKLM.......
C 501 87-012-368-080 0E C-CAP,S 0.1-50 F ABCDEFGHIJKLM.......
C 471 87-015-785-080 0E CHIP CAPACITOR, 0.1FZ-25Z ABCDEFGHIJKLM.......
C 472 87-015-785-080 0E CHIP CAPACITOR, 0.1FZ-25Z ABCDEFGHIJKLM.......
C 473 87-015-785-080 0E CHIP CAPACITOR, 0.1FZ-25Z ABCDEFGHIJKLM.......
C 474 87-015-785-080 0E CHIP CAPACITOR, 0.1FZ-25Z ABCDEFGHIJKLM.......
C 460 87-015-819-080 0E CAPACITOR,0.01 ABCDEFGHIJKLM.......
C 413 87-016-369-080 0E C-CAP,S 0.033-25 B K ABCDEFGHIJKLM.......
C 420 87-016-369-080 0E C-CAP,S 0.033-25 B K ABCDEFGHIJKLM.......
C 438 87-016-669-080 0E C-CAP,S 0.1-25 K B ABCDEFGHIJKLM.......
C 510 87-016-669-080 0E C-CAP,S 0.1-25 K B ABCDEFGHIJKLM.......
SFR 430 87-024-437-080 0E SFR100K,RH063EC ABCDEFGHIJKLM.......
Q 403 87-026-295-080 0E TR,DTC144TK ABCDEFGHIJKLM.......
Q 406 87-026-295-080 0E TR,DTC144TK ABCDEFGHIJKLM.......
Q 407 87-026-295-080 0E TR,DTC144TK ABCDEFGHIJKLM.......
Q 408 87-026-295-080 0E TR,DTC144TK ABCDEFGHIJKLM.......
D 401 87-070-345-080 0E DIODE,IN4148 ABCDEFGHIJKLM.......
D 402 87-070-345-080 0E DIODE,IN4148 ABCDEFGHIJKLM.......
D 403 87-070-345-080 0E DIODE,IN4148 ABCDEFGHIJKLM.......
CN 403 87-099-201-010 0E CONN,8P 6216 H ABCDEFGHIJKLM.......
Page 7

ELECTRICAL MAIN PARTS LIST - 6
C 411 87-A11-177-080 0E C-CAP,S 0.15-16 K B ABCDEFGHIJKLM.......
C 421 87-A11-177-080 0E C-CAP,S 0.15-16 K B ABCDEFGHIJKLM.......
C 419 87-A11-608-080 0E C-CAP,S 0.33-25 K B ABCDEFGHIJKLM.......
C 426 87-A11-608-080 0E C-CAP,S 0.33-25 K B ABCDEFGHIJKLM.......
IC 401 87-A20-446-010 1E C-IC,LA9241ML ABCDEFGHIJKLM.......
IC 402 87-A20-459-010 2A C-IC,LC78622ED ABCDEFGHIJKLM.......
IC 404 87-A21-093-010 1C IC,LA6541D ABCDEFGHIJKLM.......
CN 205 87-A60-109-010 0E CONN,2P V S2M-2W ABCDEFGHIJKLM.......
CN 401 87-A60-424-010 0E CONN,16P V TOC-B ABCDEFGHIJKLM.......
Q 401 89-109-332-380 0E TR,2SA933RS ABCDEFGHIJKLM.......
Q 402 89-113-187-080 0E TR,2SA1318TU ABCDEFGHIJKLM.......
CNA 402 8A-CDA-625-010 1A CONN ASSY,6P CD-ME ABCDEFGHIJKLM.......
X 401 8Z-CD5-633-010 VIB, CER16.93MHZ FCR16.93M2 ABCDEFGHIJKLM.......
L 401 87-003-102-080 COIL, 10UH .............NOPQR..
L 404 87-003-152-080 COIL, 100UH .............NOPQR..
C 440 87-010-145-080 C-CAP,S 1P-50 CH .............NOPQR..
C 425 87-010-176-080 C-CAP,S 680P-50 SL .............NOPQR..
C 407 87-010-178-080 CHIP CAP 1000P .............NOPQR..
C 439 87-010-178-080 CHIP CAP 1000P .............NOPQR..
C 493 87-010-180-080 C-CER 1500P ..............O.....
C 422 87-010-184-080 CHIP CAPACITOR 3300P(K) .............NOPQR..
C 434 87-010-184-080 CHIP CAPACITOR 3300P(K) .............NOPQR..
C 429 87-010-186-080 CAP,CHIP 4700P .............NOPQR..
C 494 87-010-197-080 CAP, CHIP 0.01 DM .............NOPQR..
C 408 87-010-198-080 CAP, CHIP 0.022 .............NOPQR..
C 418 87-010-213-080 C-CAP,S 0.015-50 B .............NOPQR..
C 480 87-010-221-080 CAP, ELECT 470-10V .............NOPQR..
C 476 87-010-236-080 CAP,E 1000-10 SME .............NOPQR..
C 455 87-010-247-080 CAP, ELECT 100-50V .............NOPQR..
C 404 87-010-248-080 CAP, ELECT 220-10V .............NOPQR..
C 409 87-010-248-080 CAP, ELECT 220-10V .............NOPQR..
C 462 87-010-248-080 CAP, ELECT 220-10V .............NOPQR..
C 403 87-010-263-080 CAP, ELECT 100-10V .............NOPQR..
C 410 87-010-263-080 CAP, ELECT 100-10V .............NOPQR..
C 459 87-010-263-080 CAP, ELECT 100-10V .............NOPQR..
C 467 87-010-263-080 CAP, ELECT 100-10V .............NOPQR..
C 478 87-010-263-080 CAP, ELECT 100-10V .............NOPQR..
C 457 87-010-312-080 C-CAP,S 15P-50 CH .............NOPQR..
C 458 87-010-312-080 C-CAP,S 15P-50 CH .............NOPQR..
C 442 87-010-313-080 CAP, CHIP 18P .............NOPQR..
C 448 87-010-315-080 C-CAP,S 27P-50 CH .............NOPQR..
C 502 87-010-322-080 C-CAP,S 100P-50 CH .............NOPQR..
C 503 87-010-322-080 C-CAP,S 100P-50 CH .............NOPQR..
C 504 87-010-322-080 C-CAP,S 100P-50 CH .............NOPQR..
C 505 87-010-322-080 C-CAP,S 100P-50 CH .............NOPQR..
C 506 87-010-322-080 C-CAP,S 100P-50 CH .............NOPQR..
C 406 87-010-374-080 CAP, ELECT 47-10V .............NOPQR..
C 432 87-010-374-080 CAP, ELECT 47-10V .............NOPQR..
C 436 87-010-374-080 CAP, ELECT 47-10V .............NOPQR..
C 412 87-010-401-080 CAP, ELECT 1-50V .............NOPQR..
C 433 87-010-401-080 CAP, ELECT 1-50V .............NOPQR..
C 401 87-010-403-080 CAP, ELECT 3.3-50V .............NOPQR..
C 437 87-010-404-080 CAP, ELECT 4.7-50V .............NOPQR..
C 465 87-010-404-080 CAP, ELECT 4.7-50V .............NOPQR..
C 414 87-010-405-080 CAP, ELECT 10-50V .............NOPQR..
C 481 87-010-405-080 CAP, ELECT 10-50V .............NOPQR..
C 482 87-010-405-080 CAP, ELECT 10-50V .............NOPQR..
C 470 87-010-544-080 CAP, ELECT 0.1-50V .............NOPQR..
C 416 87-010-545-080 CAP, ELECT 0.22-50V .............NOPQR..
C 431 87-010-545-080 CAP, ELECT 0.22-50V .............NOPQR..
C 423 87-010-992-080 C-CAP,S 0.047-25 B .............NOPQR..
C 450 87-012-140-080 CAP 470P .............NOPQR..
C 469 87-012-154-080 C-CAP,S 150P-50 CH .............NOPQR..
C 430 87-012-156-080 C-CAP,S 220P-50 CH .............NOPQR..
C 451 87-012-156-080 C-CAP,S 220P-50 CH .............NOPQR..
C 417 87-012-157-080 C-CAP,S 330P-50 CH .............NOPQR..
C 445 87-012-368-080 C-CAP,S 0.1-50 F .............NOPQR..
C 446 87-012-368-080 C-CAP,S 0.1-50 F .............NOPQR..
C 447 87-012-368-080 C-CAP,S 0.1-50 F .............NOPQR..
C 466 87-012-368-080 C-CAP,S 0.1-50 F .............NOPQR..
C 489 87-012-368-080 C-CAP,S 0.1-50 F .............NOPQR..
C 490 87-012-368-080 C-CAP,S 0.1-50 F .............NOPQR..
C 501 87-012-368-080 C-CAP,S 0.1-50 F .............NOPQR..
C 471 87-015-785-080 CHIP CAPACITOR, 0.1FZ-25Z .............NOPQR..
C 472 87-015-785-080 CHIP CAPACITOR, 0.1FZ-25Z .............NOPQR..
C 473 87-015-785-080 CHIP CAPACITOR, 0.1FZ-25Z .............NOPQR..
C 474 87-015-785-080 CHIP CAPACITOR, 0.1FZ-25Z .............NOPQR..
C 460 87-015-819-080 CAPACITOR,0.01 .............NOPQR..
C 413 87-016-369-080 C-CAP,S 0.033-25 B K .............NOPQR..
C 420 87-016-369-080 C-CAP,S 0.033-25 B K .............NOPQR..
C 438 87-016-669-080 C-CAP,S 0.1-25 K B .............NOPQR..
C 510 87-016-669-080 C-CAP,S 0.1-25 K B .............NOPQR..
SFR 430 87-024-437-080 SFR100K,RH063EC .............NOPQR..
Q 403 87-026-295-080 TR,DTC144TK .............NOPQR..
Q 406 87-026-295-080 TR,DTC144TK .............NOPQR..
Q 407 87-026-295-080 TR,DTC144TK .............NOPQR..
Q 408 87-026-295-080 TR,DTC144TK .............NOPQR..
D 401 87-070-345-080 DIODE,IN4148 .............NOPQR..
D 402 87-070-345-080 DIODE,IN4148 .............NOPQR..
D 403 87-070-345-080 DIODE,IN4148 .............NOPQR..
CN 403 87-099-201-010 CONN,8P 6216 H .............NOPQR..
C 411 87-A11-177-080 C-CAP,S 0.15-16 K B .............NOPQR..
C 421 87-A11-177-080 C-CAP,S 0.15-16 K B .............NOPQR..
Page 8

ELECTRICAL MAIN PARTS LIST - 7
C 419 87-A11-608-080 C-CAP,S 0.33-25 K B .............NOPQR..
C 426 87-A11-608-080 C-CAP,S 0.33-25 K B .............NOPQR..
IC 401 87-A20-446-010 C-IC,LA9241ML .............NOPQR..
IC 402 87-A20-459-010 C-IC,LC78622ED .............NOPQR..
IC 404 87-A21-093-010 IC,LA6541D .............NOPQR..
CN 205 87-A60-109-010 CONN,2P V S2M-2W .............NOPQR..
CN 401 87-A60-424-010 CONN,16P V TOC-B .............NOPQR..
Q 401 89-109-332-380 TR,2SA933RS .............NOPQR..
Q 402 89-113-187-080 TR,2SA1318TU .............NOPQR..
CNA 402 8A-CDA-625-010 CONN ASSY,6P CD-ME .............NOPQR..
X 401 8Z-CD5-633-010 VIB, CER16.93MHZ FCR16.93M2 .............NOPQR..
C 491 87-010-197-080 0E CAP, CHIP 0.01 DM ABCDEFGHIJKLM.......
C 492 87-010-221-080 0E CAP, ELECT 470-10V ABCDEFGHIJKLM.......
Q 492 87-026-291-080 1A TR,DTC124XS ABCDEFGHIJKLM.......
D 494 87-070-345-080 0E DIODE,IN4148 ABCDEFGHIJKLM.......
Q 491 89-112-965-080 0E TR,2SA1296 (0.75W) ABCDEFGHIJKLM.......
C 491 87-010-197-080 CAP, CHIP 0.01 DM .............NOPQR..
C 492 87-010-221-080 CAP, ELECT 470-10V .............NOPQR..
Q 492 87-026-291-080 TR,DTC124XS .............NOPQR..
D 494 87-070-345-080 DIODE,IN4148 .............NOPQR..
Q 491 89-112-965-080 TR,2SA1296 (0.75W) .............NOPQR..
CF 2 82-785-747-010 1A CF MS2 GHY R ....................
CF 3 82-785-747-010 1A CF MS2 GHY R ....................
L 41 87-005-847-080 0E COIL,2.2UH(CECS) .B..................
L 42 87-005-847-080 0E COIL,2.2UH(CECS) .B..................
L 10 87-005-849-080 0E COIL,10UH(CECS) ABCDEFGHIJKLM.......
CF 2 87-008-261-010 1A FILTER, SFE10.7MA5-A ABCDEFGHIJKLM.......
CF 3 87-008-261-010 1A FILTER, SFE10.7MA5-A ABCDEFGHIJKLM.......
C 4 87-010-148-080 0E CAP, CHIP S 75P SL ABCDEFGHIJKLM.......
C 42 87-010-150-080 0E C-CAP,S 6P-50 CH ...DEFGH.JKL........
C 9 87-010-151-080 0E C-CAP,S 7P-50 CH ....................
C 56 87-010-152-080 0E C-CAP,S 8P-50 CH ABCDEFGHIJKLM.......
C 41 87-010-154-080 0E CAP CHIP 10P .B..................
C 16 87-010-178-080 0E CHIP CAP 1000P ABCDEFGHIJKLM.......
C 8 87-010-197-080 0E CAP, CHIP 0.01 DM ABCDEFGHIJKLM.......
C 10 87-010-197-080 0E CAP, CHIP 0.01 DM ABCDEFGHIJKLM.......
C 22 87-010-197-080 0E CAP, CHIP 0.01 DM ABCDEFGHIJKLM.......
C 32 87-010-197-080 0E CAP, CHIP 0.01 DM ABCDEFGHIJKLM.......
C 33 87-010-197-080 0E CAP, CHIP 0.01 DM ABCDEFGHIJKLM.......
C 34 87-010-197-080 0E CAP, CHIP 0.01 DM ABCDEFGHIJKLM.......
C 35 87-010-197-080 0E CAP, CHIP 0.01 DM ABCDEFGHIJKLM.......
C 37 87-010-197-080 0E CAP, CHIP 0.01 DM ABCDEFGHIJKLM.......
C 38 87-010-197-080 0E CAP, CHIP 0.01 DM ABCDEFGHIJKLM.......
C 51 87-010-197-080 0E CAP, CHIP 0.01 DM ABCDEFGHIJKLM.......
C 18 87-010-198-080 0E CAP, CHIP 0.022 ABCDEFGHIJKLM.......
C 30 87-010-248-080 0E CAP, ELECT 220-10V ABCDEFGHIJKLM.......
C 36 87-010-263-080 0E CAP, ELECT 100-10V ABCDEFGHIJKLM.......
C 44 87-010-302-080 0E C-CAP,S 270P-50CH .B..................
C 9 87-010-311-080 0E CAP 12P ABCDEFGHIJKLM.......
C 1 87-010-313-080 0E CAP, CHIP 18P ....................
C 3 87-010-313-080 0E CAP, CHIP 18P ....................
C 1 87-010-314-080 0E C-CAP,S 22P-50V ABCDEFGHIJKLM.......
C 3 87-010-314-080 0E C-CAP,S 22P-50V ABCDEFGHIJKLM.......
C 12 87-010-314-080 0E C-CAP,S 22P-50V ABCDEFGHIJKLM.......
C 2 87-010-316-080 0E C-CAP,S 33P-50 CH ABCDEFGHIJKLM.......
C 2 87-010-318-080 0E C-CAP,S 47P-50 CH ....................
C 41 87-010-321-080 0E CHIP CAPACITOR,82P(J) ...DEFGH.JKL........
C 13 87-010-322-080 0E C-CAP,S 100P-50 CH ABCDEFGHIJKLM.......
C 5 87-010-378-080 0E CAP, ELECT 10-16V ABCDEFGHIJKLM.......
C 31 87-010-379-080 0E CAP, ELECT 22-16V ABCDEFGHIJKLM.......
C 20 87-010-400-080 0E CAP, ELECT 0.47-50V ABCDEFGHIJKLM.......
C 21 87-010-403-080 0E CAP, ELECT 3.3-50V ABCDEFGHIJKLM.......
C 6 87-010-992-080 0E C-CAP,S 0.047-25 B ABCDEFGHIJKLM.......
C 8 87-010-992-080 0E C-CAP,S 0.047-25 B ABCDEFGHIJKLM.......
C 28 87-010-992-080 0E C-CAP,S 0.047-25 B ABCDEFGHIJKLM.......
C 29 87-010-992-080 0E C-CAP,S 0.047-25 B ABCDEFGHIJKLM.......
C 63 87-010-992-080 0E C-CAP,S 0.047-25 B ABCDEFGHIJKLM.......
TC 5 87-011-253-080 0E TRIMER,30P LAR ...DEFGH.JKL........
TC 6 87-011-253-080 0E TRIMER,30P LAR ...DEFGH.JKL........
C 44 87-012-140-080 0E CAP 470P ...DEFGH.JKL........
C 7 87-012-154-080 0E C-CAP,S 150P-50 CH ....................
C 7 87-012-156-080 0E C-CAP,S 220P-50 CH ABCDEFGHIJKLM.......
C 26 87-012-358-080 0E C-CAP,S 0.47-10 F Z ABCDEFGHIJKLM.......
C 27 87-012-358-080 0E C-CAP,S 0.47-10 F Z ABCDEFGHIJKLM.......
C 45 87-015-786-080 0E CHIP CAPACITOR, 0.0033BK .B..................
C 15 87-016-669-080 0E C-CAP,S 0.1-25 K B ABCDEFGHIJKLM.......
C 17 87-016-669-080 0E C-CAP,S 0.1-25 K B ABCDEFGHIJKLM.......
C 19 87-016-669-080 0E C-CAP,S 0.1-25 K B ABCDEFGHIJKLM.......
C 55 87-018-145-080 0E CAP,TC-U 6.8P-50 CH .B..................
D 1 87-020-465-080 0E DIODE,1SS133 (110MA) ABCDEFGHIJKLM.......
D 2 87-020-465-080 0E DIODE,1SS133 (110MA) ABCDEFGHIJKLM.......
Q 4 87-026-213-080 0E CHIP-TR,DTC114YK ABCDEFGHIJKLM.......
Q 2 87-026-447-080 0E TR,2SC1740S R ABCDEFGHIJKLM.......
Q 3 87-026-463-080 0E TR,2SA933S (0.3W) ABCDEFGHIJKLM.......
C 46 87-A11-523-080 0E C-CAP,S 1200P-50 J B .B..................
IC 1 87-A20-955-010 1C IC,LA1828 ABCDEFGHIJKLM.......
D 13 87-A40-128-080 0E C-VARI-CAP,HVU202A ABCDEFGHIJKLM.......
D 52 87-A40-645-040 0E C-DIODE,HSU277 ....................
D 53 87-A40-645-040 0E C-DIODE,HSU277 ....................
D 56 87-A40-645-040 0E C-DIODE,HSU277 ....................
D 61 87-A40-645-040 0E C-DIODE,HSU277 ....................
L 8 87-A50-335-010 1A COIL,FM IFT (TOKO) ABCDEFGHIJKLM.......
L 17 87-A50-337-010 1A COIL,AM OSC (TOKO) A.CDEFGHIJKLM.......
Page 9

ELECTRICAL MAIN PARTS LIST - 8
L 2 87-A50-560-010 0E COIL,FM BPF(ACD) ABCDEFGHIJKLM.......
L 4 87-A50-561-010 COIL,FM RF D(ACD) ....................
L 4 87-A50-562-010 0E COIL,FM RF EX(ACD) ABCDEFGHIJKLM.......
L 5 87-A50-563-010 COIL,FM OSC D(ACD) ....................
L 5 87-A50-564-010 COIL,FM OSC EX(ACD) ABCDEFGHIJKLM.......
L 16 87-A50-569-010 COIL,LW OSC-ACD(COI) ...DEFGH.JKL........
L 17 87-A50-570-010 COIL,SW OSC(ACD) .B..................
L 11 87-A50-571-010 COIL,SW ANT(ACD) .B..................
L 6 87-A50-576-010 COIL,MW OSC-HE(ACD) .B..................
L 9 87-A50-577-010 1A COIL,FM DET(ACD) ABCDEFGHIJKLM.......
L 7 87-A50-579-010 0E COIL,AM IFT(ACD) ABCDEFGHIJKLM.......
CN 2 87-A60-116-010 CONN,6P H S2M-6WR ABCDEFGHIJKLM.......
CF 1 87-A90-128-010 0E FLTR,AM IF CFAL-455 ABCDEFGHIJKLM.......
VC 1 87-A91-167-010 TUN-CAP,20P-160P FA-22125 N000 ..C.................
VC 1 87-A91-169-010 1D TUN-CAP,40P-140P FA-22124 AN00 ....................
VC 1 87-A91-170-010 TUN-CAP,20P-335P FA-2217 N000- .B..................
S 1 87-A91-548-010 0E SW,SL-2-3 SK23E01G06 A.C.....I...M.......
S 1 87-A91-549-010 1A SW,SL-6-4 SK64D01G06 .B.DEFGH.JKL........
VC 1 87-A91-635-010 1D TUN-CAP,20P-140P E-ACD(MITSUMI A..DEFGH.JKLM.......
TC 6 87-A91-655-010 TRIMMER,6P 4.0X4.5 ECRL .B..................
TC 7 87-A91-655-010 TRIMMER,6P 4.0X4.5 ECRL .B..................
88-CD6-661-010 HLDR,BAR ANT. ABCDEFGHIJKLM.......
Q 1 89-319-233-080 0E TR,2SC1923 (0.1W) ....................
Q 1 89-327-143-080 0E TR,2SC2714 (0.1W) ABCDEFGHIJKLM.......
L 3 8A-CD9-660-010 1B BAR-ANT,MW 2B-ACD(COI) A.C.....I...M.......
L 3 8A-CD9-661-010 BAR-ANT,MW/LW 3B-ACD(COI) .B.DEFGH.JKL........
L 10 87-005-849-080 COIL,10UH(CECS) .............NOPQR..
CF 2 87-008-261-010 FILTER, SFE10.7MA5-A .............NOPQR..
CF 3 87-008-261-010 FILTER, SFE10.7MA5-A .............NOPQR..
C 4 87-010-148-080 CAP, CHIP S 75P SL .............NOPQR..
C 42 87-010-150-080 C-CAP,S 6P-50 CH ...............P....
C 11 87-010-152-080 C-CAP,S 8P-50 CH .............NOPQR..
C 16 87-010-178-080 CHIP CAP 1000P .............NOPQR..
C 24 87-010-188-080 CAP,CHIP 6800P ...............P....
C 25 87-010-188-080 CAP,CHIP 6800P ...............P....
C 8 87-010-197-080 CAP, CHIP 0.01 DM .............NOPQR..
C 10 87-010-197-080 CAP, CHIP 0.01 DM .............NOPQR..
C 22 87-010-197-080 CAP, CHIP 0.01 DM .............NOPQR..
C 32 87-010-197-080 CAP, CHIP 0.01 DM .............NOPQR..
C 33 87-010-197-080 CAP, CHIP 0.01 DM .............NOPQR..
C 34 87-010-197-080 CAP, CHIP 0.01 DM .............NOPQR..
C 35 87-010-197-080 CAP, CHIP 0.01 DM .............NOPQR..
C 37 87-010-197-080 CAP, CHIP 0.01 DM .............NOPQR..
C 38 87-010-197-080 CAP, CHIP 0.01 DM .............NOPQR..
C 51 87-010-197-080 CAP, CHIP 0.01 DM .............NOPQR..
C 18 87-010-198-080 CAP, CHIP 0.022 .............NOPQR..
C 30 87-010-248-080 CAP, ELECT 220-10V .............NOPQR..
C 36 87-010-263-080 CAP, ELECT 100-10V .............NOPQR..
C 9 87-010-311-080 CAP 12P .............NOPQR..
C 1 87-010-314-080 C-CAP,S 22P-50V .............NOPQR..
C 3 87-010-314-080 C-CAP,S 22P-50V .............NOPQR..
C 12 87-010-314-080 C-CAP,S 22P-50V .............NOPQR..
C 2 87-010-316-080 C-CAP,S 33P-50 CH .............NOPQR..
C 41 87-010-321-080 CHIP CAPACITOR,82P(J) ...............P....
C 13 87-010-322-080 C-CAP,S 100P-50 CH .............NOPQR..
C 5 87-010-378-080 CAP, ELECT 10-16V .............NOPQR..
C 31 87-010-379-080 CAP, ELECT 22-16V .............NOPQR..
C 20 87-010-400-080 CAP, ELECT 0.47-50V .............NOPQR..
C 21 87-010-403-080 CAP, ELECT 3.3-50V .............NOPQR..
C 28 87-010-992-080 C-CAP,S 0.047-25 B .............NOPQR..
C 29 87-010-992-080 C-CAP,S 0.047-25 B .............NOPQR..
TC 5 87-011-253-080 TRIMER,30P LAR ...............P....
TC 6 87-011-253-080 TRIMER,30P LAR ...............P....
C 44 87-012-140-080 CAP 470P ...............P....
C 7 87-012-156-080 C-CAP,S 220P-50 CH .............NOPQR..
C 26 87-012-358-080 C-CAP,S 0.47-10 F Z .............NOPQR..
C 27 87-012-358-080 C-CAP,S 0.47-10 F Z .............NOPQR..
C 15 87-016-669-080 C-CAP,S 0.1-25 K B .............NOPQR..
C 17 87-016-669-080 C-CAP,S 0.1-25 K B .............NOPQR..
C 19 87-016-669-080 C-CAP,S 0.1-25 K B .............NOPQR..
D 1 87-020-465-080 DIODE,1SS133 (110MA) .............NOPQR..
D 2 87-020-465-080 DIODE,1SS133 (110MA) .............NOPQR..
Q 4 87-026-213-080 CHIP-TR,DTC114YK .............NOPQR..
Q 2 87-026-447-080 TR,2SC1740S R .............NOPQR..
Q 3 87-026-463-080 TR,2SA933S (0.3W) .............NOPQR..
IC 1 87-A20-955-010 IC,LA1828 .............NOPQR..
D 3 87-A40-128-080 C-VARI-CAP,HVU202A .............NOPQR..
L 8 87-A50-335-010 COIL,FM IFT (TOKO) .............NOPQR..
L 17 87-A50-337-010 COIL,AM OSC (TOKO) .............NOPQR..
L 2 87-A50-560-010 COIL,FM BPF(ACD) .............NOPQR..
L 4 87-A50-562-010 COIL,FM RF EX(ACD) .............NOPQR..
L 5 87-A50-564-010 COIL,FM OSC EX(ACD) .............NOPQR..
L 16 87-A50-569-010 COIL,LW OSC-ACD(COI) ...............P....
L 9 87-A50-577-010 COIL,FM DET(ACD) .............NOPQR..
L 7 87-A50-579-010 COIL,AM IFT(ACD) .............NOPQR..
CN 2 87-A60-116-010 CONN,6P H S2M-6WR .............NOPQR..
CF 1 87-A90-128-010 FLTR,AM IF CFAL-455 .............NOPQR..
VC 1 87-A91-167-010 TUN-CAP,20P-160P FA-22125 N000 .............NO.QR..
S 1 87-A91-548-010 SW,SL-2-3 SK23E01G06 .............NO.QR..
S 1 87-A91-549-010 SW,SL-6-4 SK64D01G06 ...............P....
VC 1 87-A91-635-010 TUN-CAP,20P-140P E-ACD(MITSUMI ...............P....
88-CD6-661-010 HLDR,BAR ANT. .............NOPQR..
Page 10

ELECTRICAL MAIN PARTS LIST - 9
Q 1 89-327-143-080 TR,2SC2714 (0.1W) .............NOPQR..
L 3 8A-CD9-660-010 BAR-ANT,MW 2B-ACD(COI) .............NO.QR..
L 3 8A-CD9-661-010 BAR-ANT,MW/LW 3B-ACD(COI) ...............P....
Page 11

SCHEMATIC DIAGRAM-1
Page 12

SCHEMATIC DIAGRAM-2
Page 13

SCHEMATIC DIAGRAM-3
Page 14

SCHEMATIC DIAGRAM-4
Page 15

SCHEMATIC DIAGRAM-5
Page 16

SCHEMATIC DIAGRAM-6
Page 17

MECHANICAL PARTS LIST - 1
NOTE: The characters in the suffix column indicate the part usage.
110HRJ(S) ..............XX..................................A...................
100HE(S) ...............XX...................................B..................
100EZ(P) ...............XX........................................G.............
100EZ(L) ...............XX.........................................H............
100HT(S) ...............XX..........................................I...........
99K(S) .................XX...........................................J..........
110EZ(L) ...............XX.............................................L........
170U(S) ................XX................................................O.....
170HA(S) ...............XX..................................................Q...
REF.NO PARTS NO. NO. DESCRIPTION SUFFIX
87-B00-010-010 0E BADGE,AIWA 30.5-5.2 S 2.5L ABCDEFGHIJKLM.......
* 8A-CDA-002-010 0E CABI,REAR ..C..F..............
8A-CDA-003-010 0E LID,CASS ABCDEF..IJK.M.......
8A-CDA-004-010 0E LID,CD A.C.E....JK.........
8A-CDA-005-010 0E LID,BATT ABCDEF..IJK.M.......
8A-CDA-006-010 0E WINDOW,CASS A.C.E....JK.........
8A-CDA-007-010 0E LENS,LED ABCDEFGHIJKLM.......
8A-CDA-008-010 0E WINDOW,LED ..C....H............
8A-CDA-009-010 0E WINDOW,TU ..C.................
8A-CDA-010-110 0E HANDL,ARM ABCDEF..IJK.M.......
8A-CDA-011-010 0E HANDL,COVER ABCDEF..IJK.M.......
8A-CDA-012-010 0E CHAS,CD ABCDEF..IJKLM.......
8A-CDA-013-010 0E POINTER,TU ABCDEFGHIJKLM.......
8A-CDA-028-010 0E CABI ASSY,FRONT A.C.................
* 8A-CDA-030-010 0E CABI,REAR LH A...................
8A-CDA-032-010 CABI ASSY,FRONT LOW ....................
8A-CDA-034-010 CABI ASSY,FRONT EZ .....F..............
8A-CDA-036-010 CABI ASSY,FRONT LOW EZ ...DE.....K.........
8A-CDA-037-010 2A CABI,REAR LOW ...DE.....K.........
8A-CDA-038-010 CABI,REAR LOW LH .B......I...M.......
8A-CDA-039-010 WINDOW,LED LH A....F.....L........
8A-CDA-042-010 1B WINDOW,LED LOW LH .B.DE...IJK.M.......
8A-CDA-043-010 WINDOW,LED LOW D ....................
8A-CDA-044-010 WINDOW,TU D ....................
8A-CDA-045-010 1B WINDOW,TU EZ ...DEF...JK.........
8A-CDA-046-010 WINDOW,TU HR AB......I...M.......
8A-CDA-054-010 CABI ASSY,FRONT LOW HR .B......I...M.......
8A-CDA-061-010 LID,CD D .B.D.F..I...M.......
8A-CDA-062-010 WINDOW,CASS D .B.D.F..I...M.......
8A-CDA-016-010 0E KEY,CD ABCDEF..IJK.M.......
8A-CDA-017-010 0E KEY,MODE ABCDEF..IJK.M.......
8A-CDA-018-010 0E KEY,QSOUND A.C..F..............
8A-CDA-019-010 1A KEY,VOL ABCDEF..IJK.M.......
8A-CDA-020-010 0E KNOB,SL BAND ABC.....I...M.......
8A-CDA-021-010 0E KNOB,RTRY TU ABCDEF..IJK.M.......
8A-CDA-022-010 0E KEY,REC ABCDEF..IJK.M.......
8A-CDA-023-010 0E KEY,PLAY ABCDEF..IJK.M.......
8A-CDA-024-010 0E KEY,REW ABCDEF..IJK.M.......
8A-CDA-025-010 0E KEY,FF ABCDEF..IJK.M.......
8A-CDA-026-010 0E KEY,STOP ABCDEF..IJK.M.......
8A-CDA-027-010 0E KEY,PAUSE ABCDEF..IJK.M.......
M8-ZZK-E90-070 2B DA11T3C ABCDEFGHIJKLM.......
87-036-368-010 0E MAGNET ABCDEFGHIJKLM.......
87-063-165-010 0E OIL-DMPR 150 ABCDEFGHIJKLM.......
87-064-185-010 0E HLDR,WIRE ABCDEFGHIJKLM.......
87-NF8-220-010 0E DMPR,150 ABCDEFGHIJKLM.......
88-CD9-211-210 0E RING,CHUCK ABCDEFGHIJKLM.......
88-CH6-220-010 0E CUSHION,CD A ABCDEFGHIJKLM.......
8A-CDA-150-010 0E BASE,CHUCK F/M ABCDEFGHIJKLM.......
* 8A-CDA-201-010 1A HLDR,TU ABCDEFGHIJKLM.......
8A-CDA-202-010 0E GEAR,RELAY ABCDEFGHIJKLM.......
* 8A-CDA-203-010 0E GUIDE,GEAR ABCDEFGHIJKLM.......
* 8A-CDA-206-010 0E HLDR,SPKR ABCDEFGHIJKLM.......
* 8A-CDA-207-010 0E HLDR,CHUCK ABCDEFGHIJKLM.......
* 8A-CDA-208-110 0E HLDR,LED ABCDEFGHIJKLM.......
8A-CDA-211-010 0E SPR-T,CD ABCDEFGHIJKLM.......
8A-CDA-212-010 0E SPR-T,CASS ABCDEFGHIJKLM.......
8A-CDA-213-010 0E COVER, CHUCK ABCDEFGHIJKLM.......
8A-CDA-215-010 0E DRUM,TU ABCDEFGHIJKLM.......
8A-CDA-216-010 0E GEAR,TU B ABCDEFGHIJKLM.......
* 8A-CDA-220-010 0E PLATE,REC ABCDEFGHIJKLM.......
8A-CDA-221-010 1A SPR-P,REC A.CDEFGHIJKLM.......
8Z-CDB-169-010 1D PANEL,CD SANYO ABCDEFGHIJKLM.......
87-253-033-110 0E SCREW,U+2-4 ABCDEFGHIJKLM.......
87-253-097-410 0E U+3-12 BLK ABCDEFGHIJKLM.......
87-261-073-410 0E V+2.6-6 ABCDEFGHIJKLM.......
87-721-096-410 0E QT2+3-10 GLD ABCDEFGHIJKLM.......
87-723-074-410 0E QT2+2.6-8 W/O SLOT BLK ABCDEFGHIJKLM.......
87-751-076-410 0E SCREW 2.6-12 ABCDEFGHIJKLM.......
87-751-096-410 0E VT2+3-10 GLD ABCDEFGHIJKLM.......
87-751-097-410 0E SCREW 3X12 ABCDEFGHIJKLM.......
87-751-104-410 0E VT2+3-30 ABCDEFGHIJKLM.......
8A-CDA-222-010 S-SCREW,CASS+2.6-4 ABCDEFGHIJKLM.......
* 8A-CK4-223-010 S-SCREW,CD ABCDEFGHIJKLM.......
* 87-036-389-010 1B SW,PUSH LOCK ABCDEFGHIJKLM.......
* 87-A60-177-010 1A JACK,AC U W/SW ..C.................
* 87-A60-178-010 JACK,AC E W/SW AB.DEFGHIJKLM.......
* 87-A60-179-010 1A JACK,AC D W/SW ....................
* 87-A91-369-010 1C SW,AC SL 2 2 2 SDKGA41700 AB......I...M.......
Page 18

MECHANICAL PARTS LIST - 2
PT 901 8A-CDA-610-010 PT,D 2.5W ....................
PT 901 8A-CDA-611-010 1H PT,U 2.5W ..C.................
PT 901 8A-CDA-612-010 1H PT,E 2.5W ...DEFGH.JKL........
PT 901 8A-CDA-613-010 PT,H 2.5W AB......I...M.......
8A-CDA-620-010 1B FF-CABLE,16P FR-MAIN ABCDEFGHIJKLM.......
8A-CDA-621-010 0E FF-CABLE,16P CD-RF ABCDEFGHIJKLM.......
8A-CDA-622-010 1A FF-CABLE,8P CD-FR ABCDEFGHIJKLM.......
8A-CDA-626-010 CONN ASSY,2P DOOR ABCDEFGHIJKLM.......
8A-CDA-630-010 CONN ASSY,4P RPH ABCDEFGHIJKLM.......
8A-CDA-631-010 CONN ASSY,4P TA-ME ABCDEFGHIJKLM.......
8A-CDA-633-010 0E CONN ASSY,4P SP ABCDEFGHIJKLM.......
8A-CH4-682-010 SPKR,10- 7OHM ABCDEFGHIJKLM.......
8Z-CD5-634-010 COVER,AC SOCKET ABCDEFGHIJKLM.......
* 8Z-CH4-640-010 ANT,ROD ABCDEFGHIJKLM.......
FC 901 87-033-213-010 CLAMP,FUSE SMK .............N..QR..
88-CD6-661-010 HLDR,BAR ANT. ABCDEFGHIJKLM.......
88-CD6-661-010 HLDR,BAR ANT. .............NOPQR..
Page 19

ACCESSORIES LIST
NOTE: The characters in the suffix column indicate the part usage.
110HRJ(S) ..............XX..................................A...................
100HE(S) ...............XX...................................B..................
100EZ(P) ...............XX........................................G.............
100EZ(L) ...............XX.........................................H............
100HT(S) ...............XX..........................................I...........
99K(S) .................XX...........................................J..........
110EZ(L) ...............XX.............................................L........
170U(S) ................XX................................................O.....
170HA(S) ...............XX..................................................Q...
REF.NO PARTS NO. NO. DESCRIPTION SUFFIX
8A-CDA-901-010 IB,H(ECA)FM AB......I...M.......
8A-CDA-903-010 1B IB,U(ESF)FM ..C.................
8A-CDA-904-010 IB,G(E)FM ...D................
8A-CDA-905-110 0E IB,K(E)FM ....E....J..........
8A-CDA-906-010 1D IB,EZ(9L)FM PDF .....FGH..KL........
8A-CDA-907-010 IB,V(ER)FM ....................
8A-CDA-908-010 IB,D(J)FM ....................
8A-CDA-903-010 IB,U(ESF)FM ..............O.....
8A-CDA-905-110 IB,K(E)FM ...............P....
8A-CDL-902-010 IB,LH(ESP)FM .............N..Q...
8A-CDL-912-010 IB,LH1(P) .................R..
87-A80-033-010 1C AC CORD SET,D BLK ....................
87-A80-034-010 2M AC CORD SET ASSY,K W/F MAY-BG ....E....J..........
87-A80-036-010 AC CORD SET ASSY,E W/FLTR VOL .B.D.FGHI.KL........
87-A80-089-010 1C AC CORD SET,HC A...........M.......
87-A80-109-010 1C AC CORD,HK7281 BLK U ..C.................
87-A91-017-010 1A PLUG,CONVERSION JT-0476 A.......I...M.......
87-A80-034-010 AC CORD SET ASSY,K W/F MAY-BG ...............P....
87-A80-036-010 AC CORD SET ASSY,E W/FLTR VOL .............N...R..
87-A80-109-010 AC CORD,HK7281 BLK U ..............O.....
87-A80-119-010 AC CORD SET ASSY,AZ ................Q...
87-A91-017-010 PLUG,CONVERSION JT-0476 .............N...R..
8Z-CDK-962-010 RC UNIT,RC-ZAT02(VS) .............NOPQR..
Page 20

931196
2-1 1, IKENOHATA 1-CHOME, TAITO-KU, TOKYO 1 10-8710, JAPAN TEL:03 (3827) 3111
Printed in Singapore