Page 1

Finest Quality
STYLES
54200A
54200C
54200E
54200F
54200G
54200K
54200N
54200P
54400C
54400E
ADJUSTING
ILLUSTRATED
STREAMLINED
INSTRUCTIONS
PARTS
MULTIPLE
LIST
NEEDLE
AND
MACHINES
•
54400G
54400H
54400J
CATALOG
54400F
NO.
102L
THIRD
EDITION
Page 2

THIRD
•
EDITION
©
1956
©UNION
INFORMATION
SPECIAL
PRINTED
SUBJECT
CORPORATION
1996
TO
ALL
IN
USA
CHANGE
RIGHTS
WITHOUT
RESERVED
NOTICE
IN
ALL
COUNTRIES
..
Page 3

Catalog
No.
102
L
54200
54200
54200
54200
Classes
A
c
E
F
LIST
54200
54200
54200
54200
OF
54200,
STYLES
G
54400
K
54400
N
54400
p
54400
PARTS
54400
A
c
E
F
54400
54400
54400
G
H
J
Third
•
Union
Rights
Copyright
Special
Reserved
UNION SPECIAL
INDUSTRIAL
CHICAGO
Printed
July,
1979
Edition
1956
By
Corporation
in
All
Countries
CORPORATION
SEWING
in
3
MACHINES
U.S.
A.
Page 4

The
Classes
represent
bars
the
filtered
located
drivingmechanism,
Some
the
device
by
able
machines.
and
utmost
upper
precision
It
our
54200
the
driving
in
oil
throw-out
styles
roller,
to
allow
is
our
customers
The
and
54400.
latest
speed
to
the
are
the
methods
constant
following
54200
mechanisms
and
main
device
equipped
to
required
to
and
54400
design
thus
insure a uniformly
insuring
secure
in
production.
reservoir
enables
exposing
with a close
amount
aim
to
all
pages
FOREWORD
streamlined
the
UNION
and
light
Automatic
has
the
the
of
complete
furnish
possible
illustrate
machines
SPECIAL
weight
made
operator
heel
coupled
controlled
elastic
carefully
presser
and
interchangeability'.
economies
and
describe
flat
lubrication,
maintenance
to
disengage
eye
puller,
in
each
prepared
covered
bed
line.
bars
of
eachlooperforeasythreading.
feeding,
from
make
with a pump
simple.
the
with
the
and
garment;
information
the
use
the
parts
by
Light
it
possible
loopers
clutch
an
elastic
All
of
UNION
for
styles
this
weight
for
A
conveniently
mechanism
parts
which
catalog,
needle
to
attain
returning
from
their
metering
are
made
will
SPECIAL
in
Classes
('
in
en-
•
which
will
cooperate
Additional
will
be
furnished
Catalog
Form
In
all
No.
357
manufacturing
catalogs,
45
with
on
request,
N
Adjusting
of
machine
instructions
centers
those
who
containing
Instructions.
for
are
will
desire
information
are
listed
which
in
the
required.
be
found
planning
Specify
relative
below:
Needle
Engineering
adjusting
Union
and
Manual
the
Special
estimating
UNION SPECIAL
to
these
Department
style
representatives,
their
machines
requirements.
CORPORATION
Engineering
Department
and
who
4.
Page 5

IDENTIFICATION
OF
MACHINES
Each
plate
style
on
the
numbers
Example:
only
minor
dard
style
Styles
which
"54200
differs
11
•
This
herein.
54200
etc.,
ting
It
and
are
taken
direction
Streamlined,
Needles
Drive
Looper
Filter
Abreast,
Mechanism,
Throw-out
Type
UNION
machine.
have
"Style
changes
number.
of
machines
from
catalog
can
54400.
of
Enclosed
Oil
SPECIAL
Style
one
54200
are
.Example:
the
applies
also
from
be
All
the
reference
handwheel
Light
Double
for
Simplified
Return
carries
numbers
or
more
A".
made
letters
Special
in a standard
"54200
similar
style
in
number,
APPLICATION
specifically
applied
with
to
operator's
is
toward
STYLES
Type,
Weight
Flat
Presser
Locked
Threading,
Pump,
Oil
a
style
are
number
classified
suffixed,
style
numbers
machine,
AZ".
construction
in
that
OF
to
the
discretion
direction,
position,
the
operator.
OF
MACHINES
Bed,
Independent
Bar
Stitch,
Type
Automatic
Pan
Base
which
as
standard
but
never
contain
a
are
grouped
it
contains
CATALOG
standard
to
such
while
the
as
seated
styles
special
left
Row,
Mechanism,
401.
Loopers
Enclosed
Plate
and
is
stamped
and
contain
the
"Z"
is
under a class
no
of
machines
and
right,
at
the
Four,
Light
Head
Oil
special.
the
letter
suffixed
letters.
machines
front
machine.
Nine
Weight
in
Line
Type
Oiling
Siphon
in
the
Standard
letter
"Z".
to
the
number,
Example:
as·listed
in
Classes
and
Opera-
and
Twelve
Needle
With
Feed,
System,
Assembly.
name
"Z".
When
stan-
/'
back,
Bar
•
54200
children's
to
covered,
LSk-4,
54200
54200
walking
medium
not
folder.
Maximum
54200
54200
54200
overalls.
gauges
54200
imum
A-4
High
heavy
modified.
C-4
E-4
Same
High
covered,
F-4
G-4
K-4
Same
Same
High
Nos.
speed
3/4
skirts,
N
4800
High
inch
jackets
materials;
recommended
Throw
play
suits,
weight
materials.
swing-out
as
54200
Throw
shorts,
to
heavy
children's
weight
equipped
Standard
recommended
as
54200
as
54200
Throw
Right
angle
12-56-12,
R.
P.M.
Throw
wide
Single
rubber
and
where
Machine,
boys'
folder.
Maximum
A-4,
Machine,
materials.
with
gauges
speed
E-4,
E-4,
Unequal
folder,
16-64-16.
Needle
puller
similar
seam
is
speed
for
attaching
trousers,
Body
Standard
recommended
except
for
attaching
play
close
Nos.
suits,
coupled
16,
4800
except
except
Space
close
coupled
Machine
rollers,
garments
primarily
5500
R.
swimming
of
garment
gauges
no
attachment
boys'
Body
of
puller,
21, 24,
R.
P.M.
no
attachment
fitted
with
Machine,
puller,
Seam
Type
equipped
upper
made
straight.
P.M.
woven
Nos.
speed
woven
trousers,
garment
32.
elastic
for
BSc-4.
roller
from
elastic
trunks,
turned
16,
4800
or
elastic
turned
upper
Seam
or
banding
upper
with
driven.
Koratron
Seam
to
etc.,
downwardly,
21, 24,
R.
P.M.
elastic
strip
to
hobby
downwardly,
roller
Type
elastic
strip
metering
denim
roller
Maximum
close
coupled
For
Type
boxer
on
type
medium
32.
Seam
tension.
swimming
jeans,
driven,
LSk-4,
tension.
device.
dungarees
driven.
recommended
puller
seaming
and
durable
401-SSa-1.
shorts,
heavy
elastic
Type
trunks,
etc.,
elastic
swing-out
modified.
Standard
with,
trousers,
press
Max-
not
on
and
5
Page 6

STYLES
OF
MACHINES
(Continued)
54200 P Same
with
imum
54400
children's
Body
Standard
recommended
54400
54400
pajamas,
downwardly,
Standard
,
recommended
54400
54400
54400
stitching
wear,
attachment
gauge
yielding
recommended
A-4
C-4
E-4
F-4
G-4
H-9,
Low
of
Same
Low
Same
Same
-12
and
for
as
Style
section
Throw
play
suits,
garment
gauges
etc,,
gauges
operations
for
or
twelve
Nos.
speed
as
54400
Throw
on
close
Nos.
speed
as
54400
as
54400
Nine
similar
thread
54200 N except
to
the
left
speed
Machine,
boys'
turned
16,
5000
Machine,
light
coupled
16,
4800
E-4,
and
Twelve
on
stand.
needle
5500
trousers,
downwardly,
21,
R.
A-4,
to
medium
21, 24,
R.
E-4,
except
women's
operations
No.
of
R.
for
attaching
24,
P.M.
except
for
attaching
puller,
P.
M.
except
Needle
and
Standard
12.
Maximum
equipped
needle
P.M.
etc.,
elastic
32,
Seam
no
weight
upper
32.
Seam
no
fitted
Machine,
children's
on
light
gauge
with
hole,
,
woven
on
attachments
woven
materials.
attachments
with
Seam
light
not
Type
elastic
roller
Type
elastic
equally
dresses,
to
medium
for
nine
recommended
compensatory
Type
elastic
tomediumweightmaterials.
covered,
LSk-4,
or
Body
driven,
LSk-4,
or
metering
needle
401-SSa-1.
to
boxer
swing-out
modified.
elastic
to
boxer
of
swing-out
modified.
elastic
spaced,
blouses,
weight
speed
strip
garment
strip
device.
for
coats,
material.
No.
16;
4000
presser
type
Maximum
tension.
type
Maximum
tension.
decorative
standard
R.
foot
Max-
shorts,
folder.
shorts,
turned
folder.
beach-
No
P.M.
54400
type
tails.
of
•
the
eye.
except
descriptions
Type
113
133
J-9,
upper
Each
number
The
blade,
Collectively,
The
No.
GS
GS
-12
roller
UNION
denotes
size
measured
standard
Styles
of
Round
struck
080/032, 090/036,
Round
groove,
100/040,
Same
driven.
SPECIAL
number,
the
needle
54200
these
shank,
groove,
shank,
as
54400
the
kind
stamped
in
type
for
K,
54200
needles
ball
eye,
110/044,
H-9,
needle
thousandths
number
all
round
ball
round
has
of
shank,
on
and
Styles
Nand
and
the
point,
eye,
100/040,
point,
spotted,
125/049,
-12,
NEEDLES
the
54200 P which
Description
except
both a type
point,
needle
of
an
inch,
size
number
in
Classes
sizes
available
extra
spotted,
short,
chromium
short,
110/044,
140/054'
length,
shank,
chromium
double
equipped
number
groove,
denotes
midway
represents
54200
and
plated-
and
uses
are
Sizes
double
125/049,
groove,
with
close
and a size
finish,
the
between
the
54400,
needle
listed
below.
groove,
plated
140/054.
spiral
sizes
coupled
number.
and
largest
the
shank
complete
is
Type
Type
080/032,
spiral
-
sizes
groove,
133
puller,
The
other
diameter
GS.
075/029,
090/036,'
de-
and
the
symobl.
113
GS,
The
groove,
struck
To
have
sample
on
label, A complete
needle,
needle
or
orders
the
order
type
promptly
and
size
would
number
read:
and
"1000
6
accurately
should
Needles,
filled,
be
forwarded.
Type
an
113
empty
Use
GS,
Size
package,
description
100/040".
a
Page 7

NEEDLES
{Continued)
Selection
Thread
formation.
ILLUSTRATIONS
Exploded
parts
illustration
tions,
position
used
are
of
the
29126
22587
should
This
may
and
The
numbers
of
in
ordering
Those
indicated
main
DE
95
of
catalog
views
be
seen
will
the
that
component
by
sub-assembly.
Puller
the
proper
pass
freely
has
been
of
the
various
in
their
be
found
number
in
the
part
parts.
the
in
parts
fact
Drive
Screw--------------------------------------------------Bearing
needle
through
ORDERING
so
arranged
actual
the
listing
of
pieces
first
Always
column
the
illustration.
of
sub-assemblies,
that
their
Example:
Eccentric
Cap
Screw---------------------------------------
size
is
determined
needle
sections
position
of
required
·are
use
the
descriptions
Assembly------------------------------
REP
AIR
as
to
of
in
the
parts
reference
The
part
eye
in
PARTS
simplify
the
mechanism
the
machine,
in
reference
number
which
are
order
with
the
numbers
indented
the
their
particular
can
by
the
to
ordering
On
number
shown
be
size
produce
are
shown
the
page
part
number,
view
only,
in
the
furnished
under
of
thread
a
good
of
repair
so
opposite
being
and
indicate
should
second
for
the
description
used,
stitch
parts.
that
the
the
descrip-
shown.
the
never
column.
repairs,
be
1
2
2
It
will
listed.
is
catalog,
the
mentioned
the
•
the
only
IDENTIFYING
On
identification
they
USE
The
not
recommended
In
those
parts
illustration.
At
the
illustrations,
the
part
Where
some
All
part
appear.
GENUINE
be
reason
no·
specific
for
in
back
the
smaller
noted
for
cases
the
the
number
letter
numbers
where· a part
various
descriptions,
of
the
which
PARTS
construction
parts,
is
NEEDLES
in
the
this
and
the
usage
book
will
is
known.
stamped
represent
above
is
that
complete
will
machines
will
be
facilitate
permits,
and
on
to
AND
REPAIR
example
the
replacement
sub-assembly
is
common
be
mentioned
are
and
if
necessary,
found a numerical
locating
each
those
distinguish
the
same
that
to
not
part
where
part,
PARTS
the
of
all
in
the
the
same,
the
illustration
is
the
construction
the
part
regardless
eccentric
any
of
should
of
the
description.
the
the
difference
index
stamped
from
and
these
be
ordered.
machines
specific
of
all
and
with
does
similar
of
the
bearing
parts
will
the
description
individually
covered
However,
usage
be
parts
its
part
not
permit,
ones,
catalog
are
not
by
this
when
will
shown
shown
when
number.
in
which
be
in
in
an
Success
genuine
Corporation,
ing
The
UNION
to
the
maximum
in
its
most
the
operation
SPECIAL
subsidiaries
approved
efficiency
of
Needles
and
scientific
and
durability
these
and
authorized
machines
Repair
principles
are
Parts,
distributors.
and
assured.
7
can
made
be
as
furnished
secured
They
with
the
only
by
are
utmost
by
the
Union
designed
the
use
Special
accord-
precision.
of
Page 8

USE
GENUINE
NEEDLES
AND
REPAIR
PARTS
(Continued)
Genuine
parts
is
TERMS
are
insured
insurance.
must
viscosity
sight
ounces.
than
throw-out
diagram,
are
your
guarantee
Prices
forwarded
The
be
Oil
is
gauge
The
an
needles
stamped
are
strictly
at
unless
oil
has
filled
occasional
,before
of
90
filledat.the
on
the
machine
pin,
are
required.
are
with
of
the
the
buyer's
otherwise
OILING
been
to
and
drained
beginning
125
seconds
spring
front
is
almost
drop
looper
packaged
the
Union
highest
net
cash
risk
directed.
AND
cap
of
the
entirely
of
oil
holder
with
Special
quality
and
subject
f. o.
b.
A
THREADING
from
to
at
machine.
the
operate.
100°
in
the
at
both
frame
automatically
labels
in
machine
Fahrenheit.
top
bearings
marked
trademark,
materials
to
change
shipping
charge
INSTRUCTIONS
Use a straight
cover,
The
capacity
locking
and
point.
is
made
before
and
lubricated,
of
the
pin,
~.Genuine
U S
Emblem.
workmanship.
without
shipping,
the
of
retainer
notice.
Parcel
to
cover
mineral
oil
level
the
oil
as
indicated
Each
All
post
shipments
the
and
the
oil
with a Say
is
checked
reservoir
and
no
holder,
trademark
shipments
postage
reservoir
is
oiling
the
in
the
repair
are
and
bolt
at
the
twelve
other
looper
oiling
the
which
reservoir,
reservoir
handwheel.
screw
threaded.
eyes
•
from
A
daily
oil
in
the
has
gone
may
with a little
The
accompanying
Please
in a plane
right
to
check
main
through
making
be
Mter
at
left
•
before
reservoir
too
frequent
drained
draining
gasket
note,
right
the
morning
is
the
machine
at
the
oil,
cement,
drawings
that
the
angles
start
kept
oilings
plug
wipe
needles
to
the
and
also
the
should
between
is
filtered
unnecessary.
screw
hole
re-assemble
show
are
direction
the
in
and
the
inserted
be
made,
two
and
the
main
plug
screw.
manner
of
line
to
red
lines
pumped
Excessive
frame
screw
in
which
in
the
needle
of
feed,
see
that
on
back
oil
directly
dry,
and
the
the
gauge.
into
in
paint
the
holder
are
level
the
main
the
main
under
hole
machine
with
threaded
of
Oil
the
and
is
the
8
Page 9

4 NEEDLE MACHINE THREADING.
•
12
NEEDLE MACHINE THREADING.
NOTE: 9
THREADED
NEEDLE
IN
CAUTION!
FILL
BEFORE
MACHINE HAS
BEFORE
MACHINES
ARE
A SIMILAR MANNER
ALL
OIL
STARTING.
SHIPPING .
RESERVOIRS
BEEN
DRAINED
9
Page 10

THREADING
AND
OILING
DIAGRAM
FOR
STYLES
54200
NAND
54200
P
!'
CAUTION I
FILL
ALL
BEFORE
MACHINE HAS BEEN DRAINED
BEFORE
STARTING.
SHIPPING.
10
OIL
RESERVOIRS
Page 11

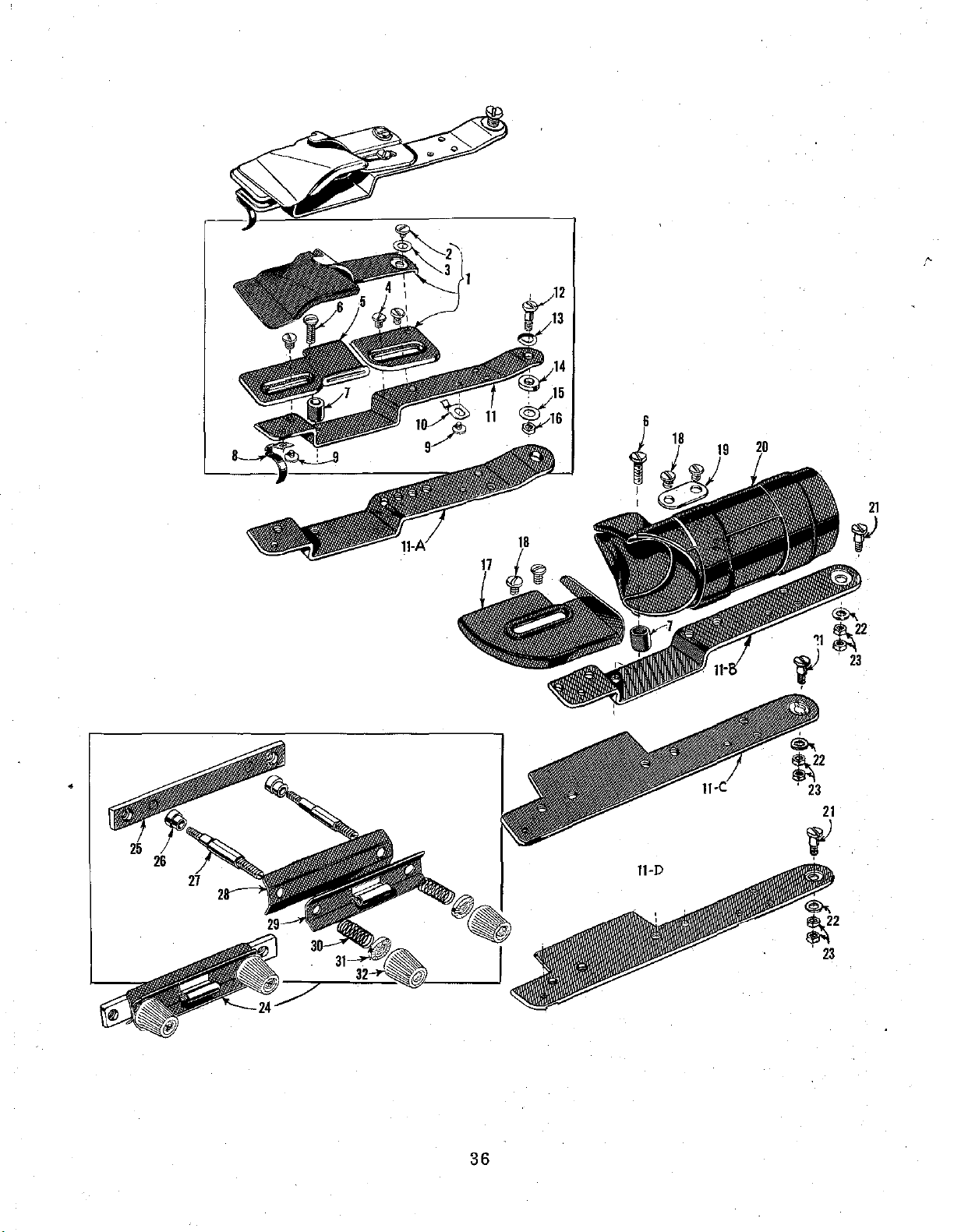
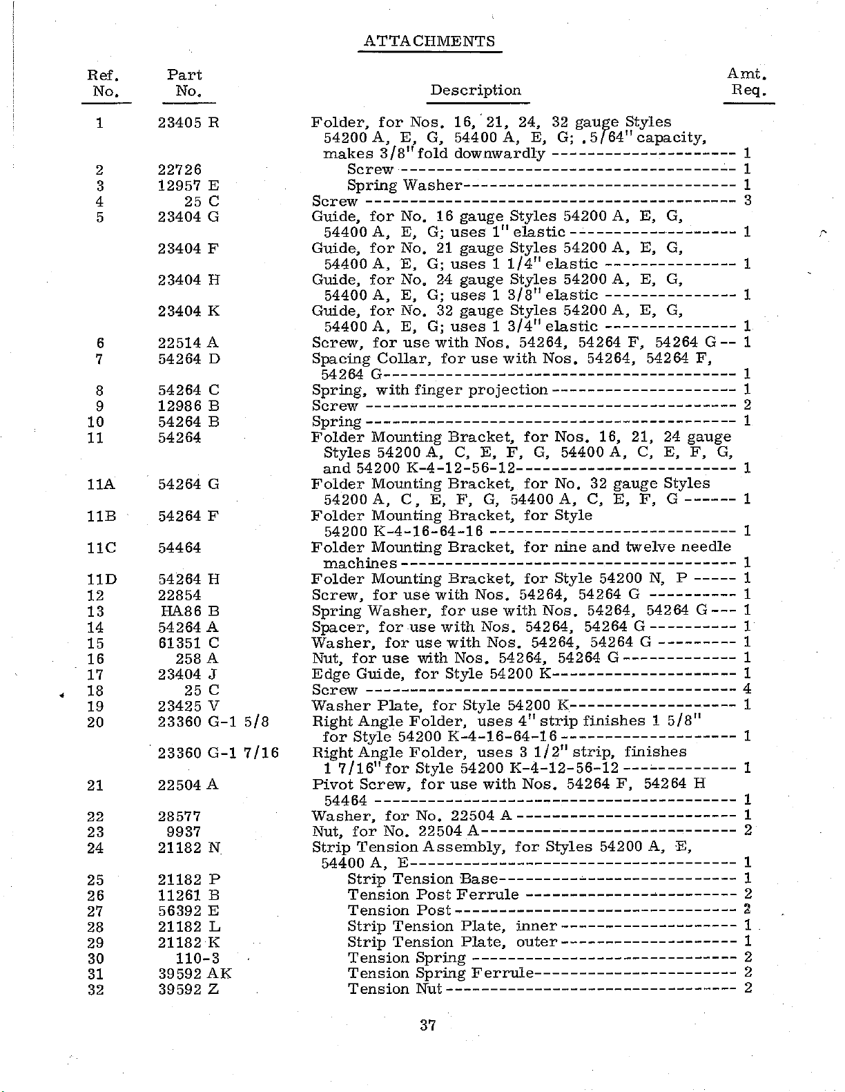
EXPLODED
VIEWS
AND
54200
DESCRIPTION
FOR
MULTIPLE
OF
NEEDLE
PARTS
MACHINES
•
11
Page 12

!'
12
Page 13

MAIN
FRAME,
Ref.
~
1
2
3
4
4A
4B
4C
5
6
7
8
9
10
11
12
13
14
15
16
17
18
19
20
21
22
23
24
25
26
27
28
29
30
31
32
33
34
35
36
36A
37
38
39
40
41
42
43
44
44A
45
46
46A
47
•
48
48A
48B
49
50
51
52
53
54
55
55A
55B
56
57
A
57
58
59
60
61
62
63
64
65
66
67
68
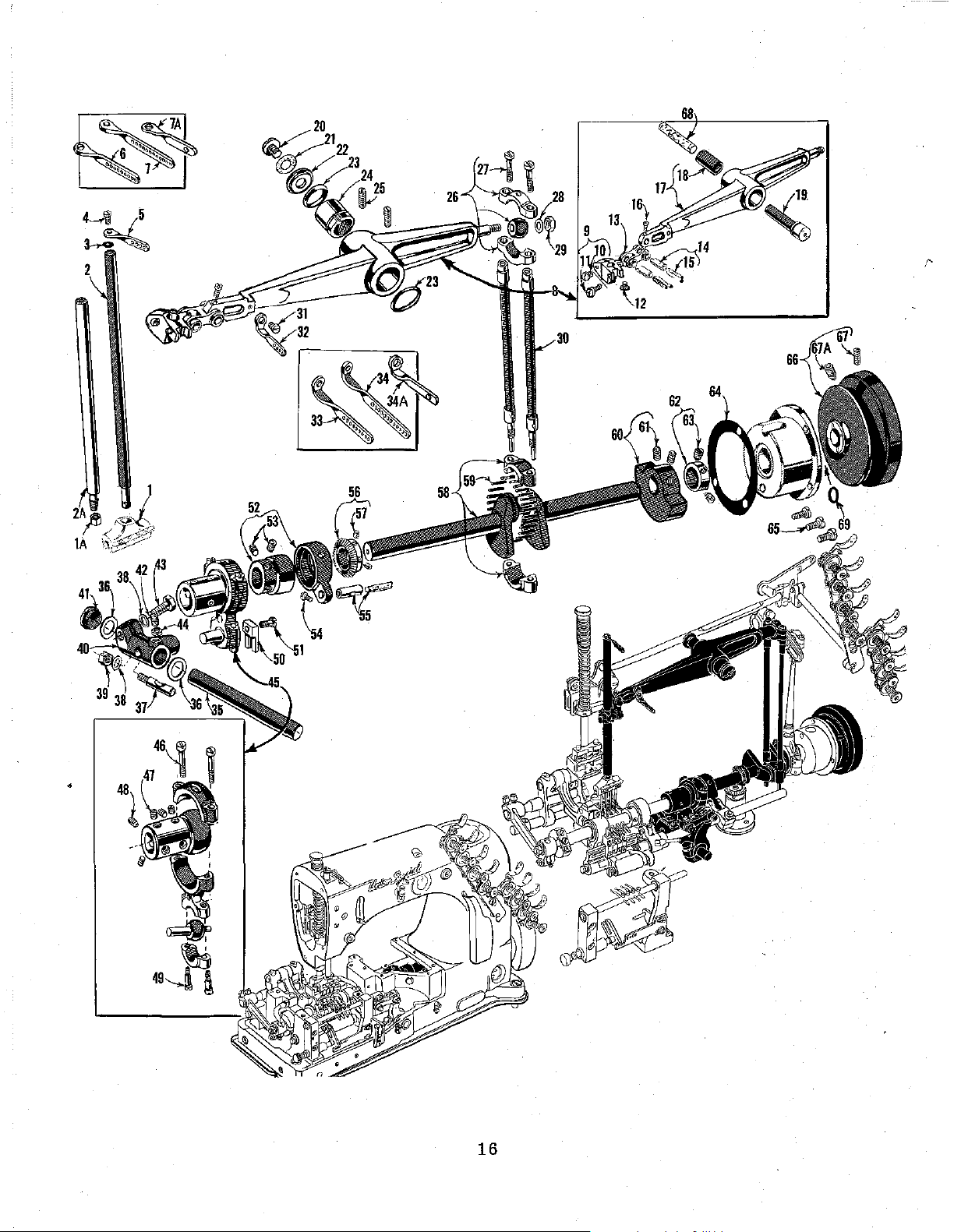
Part
No.
54201 B
54201 c
54401
54401
54201 D
24 X
22517
80
22574
22839 c
87
22839
54280
53782
22524
22585
51382
52882
52882 M
22733
41394
22848
52882
52882
22548
52882
39582 L
52882
50-789
52882
90
22541
52882 p
52882
90
51282
90
51282
51782
54282
22542
52882
54282
22569
51282
35731 A
22513
51454
95
22849
54270
51270
95
51858
54458
54458
539
20
22889
22848
51291
54491 A
98 A
1068
54459
54459
52
98 A
54459
57858
668-28
668-29
22585
22891
61394
258
BB21375
93
22848
20
54282
A
B
B
A
A
L
B
A
AE
u
AD
AC
AA
B
y
AE
y
A
A
w
B
B
z
A
B
B-9
B-12
A
A
A-9
A-12
A
B
c
AF
A
AH
Cloth
Plate,
Cloth
Plate,
Cloth
Plate,
Cloth
Plate,
Cloth
Plate,
Edge
Guide,
Screw,
Screw
Screw-----------------------------------------------------------------------Screw------------------------------------------------------------------------
Throat
Screw------------------------------------------------------------------------
Screw
Throat
Oil
Screw
Screw
Gasket-----------------------------------------------------------------------Oil
Gasket
Plug
Gasket
Screw-----------------------------------------------------------------------Crank
Gasket
Screw
Crank
Elk.
Screw
Gasket------------------------------------------------------------------------
Baffle
,
Screw
Needle
Screw-----------------------------------------------------------------------Head
Head
Head
Scre~e_I:-
Head
Presser
Screw-----------------------------------------------------------------------Needle
PlugScrew
Screw-----------------------------------------------------------------------Needle
Needle
Screw----------------------~-------------------------------------------------
Needle
Needle
Needle
Needle
VVasher----------------------------------------------------------------------Adapter
Screw------------------------------------------------------------------------
Looper
Looper
Screw------------------------------------------------------------------------
Thread
Thread.
Thread
Thread
Screw------------------------------------------------------------------------
Looper
Looper
Screw
Screw,
Gasket,
Nut,
Belt
Screw---------------------------------------------~--------------------------
for
--------~-------~------------------------------------------------------
Plate
-----------------------------------------------------------------------Plate
Reservoir
------------------------------------------------------------------------
------------------------------------------------------------------------
Reservoir
-----------------------------------------------------------------------
Screw,
-----------------------------------------------------------------------
Chamber
--------------------------~-------------------------------------------
-----------------------------------------------------------------------
Chamber
Oil
Cap
Oil
Cap
Oil
Cap
Oil
Drip
Screw--------------------------------------------------------------------
------------------------------------------------------------------------
Plate-------------------------------------------------------------------
-----------------------------------------------------------------------Lever
Cover,
Cover,
Cover,
Plug
Screw---------------------------------------------------------------
Gasket
~~~::•
Cover
Bar
Bar
Thread
Thread
Thread
Thread
Thread
Thread
Screw-----------------------------------------------------------------
Thread
Thread
Eyelet,
Eyelet,
Eyelet,
Eyelet,
Thread
Thread
LockingRing-------------------------------------------------------------Eyelet--------------------------------------------------------------------
-----------------------------------------------------------------------for
for
for
machines
Guard
~::~r,fo[o;i£r~.hi;i~48
Oil
Shield---------------------------------------------------------------------
MISCELLANEOUS
for
Styles
54200
for
Styles
for
Style
for
Styles
for
Styles
for
Styles
edge
guide,
(see
pages
Support,
Top
Cover-------------------------------------------------------
Back
Cover
for
oil
reservoir
Cover----------------------------------------------------------
Oil
Cover------------------------------------------------------
--------------------------------------------------------------Torsion
Hinge
Plate-------------------------------------------------------------
for
for
for
-------------------------------------------------------------------
Gasket-------------------------------------------------------------
Connection
-------------------------------------------------------------------
machines
machines
-------------------------------------------------------------------
Spring-----------------------------------------------------
Pin---------------------------------------------------------
Bearing
all
Styles
Styles
Styles
__
f_o!'
__
~~·--
Connection
Take-up
Take-up
Frame
Frame
Frame
Frame
Guard,
Guard,
for
four
for
nine
for
twelve
for
single
Pull-off
Pull-off
without
without
E,
54200
A,
54400 H --------------------------------------------------
54200
K-4-16-64-16,
54200
N, P
54200
N, P ----------------------------------------------
on
Styles
31,
33)
for
machines
------------------------------------------------------
Oiler-------------------------------------------"---------
except
54400
54200
~=:~:~:::::::::
Guide
Guide
Block----------------------------------------------
Wire,
Wire,
Eyelet,
Eyelet,
Eyelet,
Eyelet,
for
four
for
nine
needle
needle
needle
needle
Eyelet,
Eyelet,
puller-------------------------------------------_---
without
puller------------------------------------------------
==:
::::::::::::::::::::::: = ::
COVERS
Description
F,
G,
C,
54400
-----------------------------------'-----------
54200
-------------------------------------------------
without
back
cover-----------------------------------------
54200
H, J ---------------------------------------------N, P ----------------------------------------------
Plate---------------------------------------------
for
all
Styles
for
Styles
for
four
for
nine
for
twelve
for
single
needle
machines----------------------------------
and
twelve
machines----------------------------------------Lnachines
machines---------------------------------------
machines
for
nine
for
four
puller---------------------------------------------
AND
PLATES
K-4-12-56-12,
A, C -----------------------------------
54400
N,
P--------------------------------------
puller---------------------------------
N, P
and
::::::
except
54200
N, P
needle
machines----------------------------
needle
machines----------------------------
needle
needle
needle
-----------------------------------------
-----------------------------.----------
and
twelve
needle
54400
J
------------------------------
54400
H, J
:·::
:::
=
54200
N, P ---------------------
------------------------------
machines--------------------------
machines--------------------------
machines------------------------
needle
machines--------------------------
=:::::
E,
F, G ---------------
-----------------------
:-::::::::::::::::::::::::
machines
----------------
:::::::::::
=:
= = = = :::::
Amt,
Req.
1
1
1
1
1
1
1
3
1
2
1
4
3
1
1
7
2
1
1
1
1
2
9
1
1
4
1
1
_-
_
1
1
1
2
3
1
1
1
1
1
1
1
1
1
1
1
5
1
2
3
1
1
2
1
1
1
1
1
1
1
1
1
1
1
1
1
3
3
3
3
3
1
1
2
2
1
1
1
1
1
2
3
3
1
13
Page 14

!'
•
A.
Q50
6 H
8
Q49
;8
52
51
14
c
E
F
144
i"
Q49
~·
049 049
•
••
Q49
Page 15

MAlN
FRAME,
BUSHINGS
AND
MISCELLANEOUS
OILlNG
PARTS
Ref.
No.
1
2
3
4
5
6
7
8
9
10
11
12
13
14
15
16
17
18
19
20
21
22
23
24
25
26
27
28
29
30
31
32
33
34
35
36
37
38
39
40
41
41A
42
43
44
•
45
46
47
48
49
50
51
52
53
54
55
56
57
58
59
60
61
62
63
64
65
66
67
Part
No.
643-127
51493
531
51493
51493
51493
51493
22569
51493
51493
51493
22823
22823
51295
51290
52936
52890
52891
21657
52883
51854
51854
51257
54242
61354
51254
667
22652
54242
61354
667
51242
51242
51242
50-648
52944
54244
54293
54293
52894
90
660-136
258 A
666-114
35178
666-65
35178
666-118
666-111
666-179
22571
22539
22889
22889
51493
7947
51294
51294
51294
666-214
51294
21212
22729
51294
51294
22729
666-209
666-201
51493
BQ
AG
D
E
AH
B
BA
BH
BJ
A
B
A
T
c
B
X
R
F
E
AA
c
A
A
B-12
B-8
D
A
B-12
z
R
s
T
N
A
AB
D
D
A
H
D
c
BK
p
R
M
z
A
u
K
B
BG
Elk.
Elk.
Amt.
Description
Gasket
Oil
-------------------------------------------C----------------- 1
Pump
Driven
Gear
--------.:.--------------------------------------
Screw----------------------------------------------------------
Oil
Pump
Oil
Oil
Oil
Screw--------------------------------------------------------------
Base
Filter
Housing
Pump
Driving
Pump
Driving
Pump
Housing
Plate------------------------------------------------------c
Cap
Assembly-------------------------------------------------
Washer,
Screw
Screw--------------------------------------------------------------
Feed
Foot
------------------------------------------------------------
Mo-unting
Main
Rock
Main
Crankshaft
Tension
Needle
Needle
Presser
Retainer
Dowel
Isolator----------------------------------------------------
Shaft
Bushing,
Rock
Shaft
Shaft
Shaft
Bushing,
Bushing
Release
Lifter
Bar
Bar
Lever
Bushing,
Bushing.
Bar
Holder
Bushing,
Bushing,
Pin---------:-------------------------------------------------Screw-------------------------------------------------------------Retainer
Looper
Looper
Looper
Lucite
Looper
Looper
Oil
Oil
Oil
Holder
Bushing
Dowel
Pin-----------------------------------------------------Drive
Drive
Drive
Oil
Gauge
Rocker
Rocker
Tube,
Tube,
Tube
for
for
Holder---------------------------------------~-------------
Screw-------------------------------------------------------------Oil
Tube,
Oil
VVick-----------------------------------------------------------Spring-------------------------------------------------------------Oil
VVick------------------------------------c----------------------Spring-------------------------------------------------------------Oil
VVick------------------------------------------------------------
Oil
VVick------------------------------------------------------------
VVedge
Plug
Plug
Adaptor
Adaptor
Lint
Nut
Oil
Tube
Screw--------------------------------------------------~-----------
Oil
Siphon
Oil
Tube
for
Nut
-------------------c----------------------------------------
Pin----------------------------------------------------------
Screw
Screw
Filter
----------------------------------------------------------------
Felt
---------------------------------------------------------15
---------------------------------------------------------
Plug
Plug
Screen---------------------------------------------------
Clamp
Tube
Lint
Connection
Oil
Siphon
Screw--------------------------------------------------------------
Oil
Siphon
Felt
Felt
Base
Assembly-------------------------------------------------
Upper
Screw----------------~-----------------------------------------
Disc-----------------------------------------------------------
Clamp----------------------------------------------------
Plug-----------------------------------------------------------
Plate
Felt
------------------------------C-------------------- 1
Shaft----------------------------------------------Shaft
Gear------------------------------------------
Cover
rubber-------------------------------------------------
Bushing.
Bushing,
Lever
Bushing--------------------------------------------
Bushing,
Bearing,
upper--------------------------------------------------
lower-------------------------------------------------
Bearing,
--------------------------------------------------------
Lever
Lever
Lever
----------------------------------------------------
Shaft
Shaft
feed
take-up
feed
Screw,
Screw,
-----------------------------------------------------
-----------------------------------------------------
Filter
Connection
-----------------------------------------------------
---------------------------------------------
middle-------------------------------------------
left
and
middle
left
Housing,
upper-------------------------------------------
and
and
Shaft
right---------------------------------
inner
including
Bushing----------------------------------
right.
and
Looper
right--------------------------------
bushing
-------------------------
lower-------------------------------------------
lower-----------------------------------.:..
left------------c----------------------------
right
---------------------------------------
Shaft
Bushing,
Shaft
Bushing,
Shaft
Bushing,
Bushing.
Bushing.
lift
eccentric---------------------------------------
drive
eccentric----------------------------------
crank
link-----------------------------------------
left
end-----------------------------------------
back--------------------------------------------
-------------------------------------------------
front------------------------------middle----------------------------rear-------------------------------
left,
for
left.
machines
for
machines
without
with
-------------------------------------------------
Locking
Ring--------------------------------
puller
puller-------------
----------
Req.
___ 1
--·
______ 1
1
2
1
2
1
3
1
1
2
1
4
1
4
2
1
1
1
1
1
1
1
1
4
4
1
1
1
1
1
1
1
1
1
1
1
2
2
1
1
2
2
2
2
2
2
2
1
1
2
1
1
1
1
1
1
1
1
1
1
1
1
1
1
1
/'
15
Page 16

!'
16
Page 17

CRANKSHAFT, NEEDLE LEVER
Ref.
No.
1
1A
2
2A
3 27-484
4 22768
5
6
7
7A
8
9
10
11
12
13
14
15
16 77
17
18
19
20 22586 R
21
22
23
24
25
26
27
28
29
30
31
32
33
34
34A
35
36 51242 L
37
38
39
40
41
42
43
44 12982
45
46
47
48
49
•
50
51
52
53
54
55
56
57
58
59
60
61
62
63 98
64
65
66 51221 c
67
67A
*68
69
*
For
Part
51817 A
54417
54617
54158 A
54458
54458
56358
29348 s
51454 B
22516 B
56351 A
51054
56315
56350 B
56350 A
51250 F
51250 D
51150
29066 R
22559 G
51216 N
51216 p
51216 G
22768
54158
54458-9
54458-12
56358 A
51242 p
52841 G
51242 M
52841 J
51242 y
22883 A
22852 A
29105 AD
22559 B
22894
22894 D
22559 A
51243 c
22729
29133 K
22894
22768
51236 A
51493
22560 B
29476 GZ
29476
51216 M
51247
22894 J
9660 B
56390 E
22569 B
52921 B
51321 G
22894 F
22894 G
22894 E
22894 H
use
with
No.
56
A-9
A-12
75 c
77
666-149
660-212
719
81
c
c
BP
HA
666-170
660-202
needle
Elk.
Needle
Nut,
Needle
Needle
Needle
Needle
Screw----------------------------------------------------------------------Needle
Needle
Needle
Needle
Holder
for
Bar,
Bar,
Bar.
BarEyeletVVasher-----------------------------------------------------
Bar
Bar
Bar
Bar
Needle
Needle
Screw-------------------------~-----------------------------------------
Needle
Link
Screw------------------------------------------------------------------Needle
Needle
(See page
No. 54617
Thread
Thread
Thread
Thread
Lever
Bar
Screw---------------------------------------------------------------
needle
for
four
for
for
Assembly-------------------------------------------------------
needle
nine
and
single
needle
Eyelet.
Eyelet.
Eyelet,
Eyelet.
Connection----------------------------------------------------
Screw---------------------------------------------------------------
Lever
Pin-----------------------------------------------------------------
Lubricating
Bushing
Link--------------------------------------------------------
Felt------------------------------------------------------
Lever
------------------------------------------------------------
-------------------------------------------------------------
Lever
Stud--------------------------------------------------------
Screw----------------------------------------------------------------------Gasket
VVasher---------------------------------------------------------------------Oil
Screw-----------------------------------------------------------------------
lever
stud
----------------------------------------------------------------------
Seal
Needle
Needle
VVasher----------------------------------------------------------------------
Nut
Needle
Screw----------------------------------------------------------------------Needle
Needle
Needle
Needle
Looper
ThrustVVasher--------------------------------------------------------------Locking
VVasher----------------------------------------------------------------------
Nut
Looper
Plug,Screw,
Screw
Screw----------------------------------------------------------------------Nut
Retainer
Ball
Screw----------------------------------------------------------------------Looper
Screw
Link
Oil
Crankshaft
Crankshaft
Counterweight.
Thrust
Bearing
Screw-----------------------------------------------------------------------
Pulley.
Pulley,
Pulley,
Oil
Oil Seal
Ring-----------------------------------------------------------------
Lever
Thrust
Collar
Lever
Ball
Joint-------------------------------------------------------
Screw-------------------------------------------------------------------
------------------------------------------------------------------------Lever
Connecting
Lever
Lever
Lever
Lever
Drive
Thread
Thread
Thread
Thread
Lever
Eyelet,
Eyelet,
Eyelet,
Eyelet,
Shaft
Stud-----------------------------------------------------------------
-------------------------------------------------------------------------
Drive
Lever
for
Rocker
looper
drive
------------------------------------------------------------------------
-------------------------------------------------------------------------
Drive
Bearing
Set
Spot
Bearing
Stud
Drive
Set
--------------------------------------------.---------------------------
Pin---------------------------------------------------------------------
Pump
Screw-------------------------------------------------------------------
Needle
Screw
Collar
Screw---------------------------------------------------------~---------
for
Screw,
Screw.
Screw.
Screw.
VVick,
No, 51250 E
Eccentric
Screw.
Screw----------------------------------------------------------------
Screw---------------------------------------------------------------
Screw.
upper-----------------------------------------------------
lower-----------------------------------------------------
Fork---------------------------------------------------------------
Eccentric
Assembly----------------------------------------------
Screw----------------------------------------------------------------
Driving
HoUsing
for
for
for
Ring-----------------------------------------------------------------
Gear--------------------------------------------------------
Assembly,
Assembly,
Bearing-----------------------------------------------------------28·
---------------------------------------------
----------------------------------------------------------------
for
machines
for
for
Gasket-------------------------------------------------------
1'V11
No. 1
No. 1
No. 2
used
used
used
used
needle
and round
1'V11
and
1\711
belt
with
No. 51221 C
with
No. 52921
with
Nos. 51321
with
No. 51321 G
lever
in
old
machines.
AND
LOOPER
DRIVING
PARTS
Description
31)
---------------------------------------------------
bar,
on
single
needle
machines
twelve
-"-----------------------------------------
needle
machines
machines
--------------------------------
------------------------
machines-----------------------------------------
for
four
needle
for
nine nee9J.e
for
twelve
for
single
machines----------------------------machines-----------------------------
needle
machines---------------------------
needle
machines
---------------------------
---------------------------------------------------
Rod--------------------------------------------------
for
four
needle
for
nine
for
twelve needle
for
-------------------------------------------.,.---------
single
--------------------------------------------------lever
shaft
machines---------------------------
needle
machines-..,.-------------------------
machines-------------------------
needle
machines
-------------------------
hole------------------------------------
Assembly--------------------------------------------
styles
in
Class
styles
without
in
54200,,990 inch
Class
54400,.770 inch
close
coupled
throw------------------throw-------------------
puller-------------------------
--·----
belt
on
round
machines
belt
on
on
machines
stud
------------------------------------------------
machines
with
---------------------------------------------
B---------------------------------------------
G.
52921
---------------------------------------------
close
without
with
coupled
close
close
coupled
coupled
puller-------------------
B------------------------------------
----------------
puller-------
puller
---------
Amt.
Req.
1
1
1
1
1
1
1
1
1
1
1
1
1
1
1
1
1
2
1
1
1
1
1
1
1
1
2
1
2
1
2
1
1
2
1
1·
1
1
1
1
2
1
2
1
1
1
1
1
1
1
2
4
1
2
1
1
1
2
1
1
1
2
1
1
1
2
1
2
1
3
1 I
1
1
2
1
1
1
1
1
!'
17
Page 18

\
'
'
•
18
Page 19

MAIN
SHAFT,
FEED
DRIVING
AND
LOOPER
DRIVING
PARTS
Ref.
No.
1
1A
1B
-
1C
2
3
4
5
5A
5B
Part
54485
54285
54485
54285
54485
97 A
54285
J87
77
54208
54208
22768
54225
No.
A
A-4-16
B
B
c
J
A
Description
Looper
all
Styles
Looper
for
Looper
Style
Looper
Styles
and
Holder~
Class
54400
54400 H and
Holder,
Styles
54400
Holder,
54200
Holder,
54400
all
Class
K-4-12-56-12
H-9-16,
54200K-4-12-56-12
Looper
Styles
Screw,
Nut,
Screw,.
54400
Class
54200
Screw,
54200
Class
Looper,
Looper,
Screw,
Needle
Class
Holder,
54400
for
looper
for
No. 97 A
for
looper,
H-9-16,
54200
K-4-12-56-12
for
looper,
K-4-12-56-12
54400
marked 11CB
marked 11BZ
for
needle
Guard,
54200
H-12-12,
except
except
K-4-12-56-12
marked 118
11
machines
J
marked 11H-4-16
H-9-16,
J-9-16
marked 11T
marked
11 M11
J-9-16
54200
except
marked
11
Q
J-12-12
holder
sqrew
for
J-9-16
Styles
and
Style
for
Style
and
all
11
I
11
guard
for
all
Styles
54200
,
for
except
11
for
for
Style
11
,
for
all
in
1
AMOUNT
Needle 4 Needle 9 Needle
Machine
11
,
Machine Machine Machine
4
REQUIRED
12
Needle
2
2
!'
1 4
1
3
1 4
1 4
1
1 4
1
1
4
4
4
4
3
3
3
3
8
1
9
12
12
Ref.
No.
6
7
8
9
9A
10
11
•
12
13
14
15
16
17
18
19
19A
20
21
22
thru
23
Part
No.
~2542'A
59444
6042
J
M
A
H
p
E
F
A
54244
54244
54244
54244
54244
39173
660-215
51242
22519
54245
54223
51236
54244
51244
L
c
B
c
A
A
A
K
K
54244
54244
78
Description
Screw----------------------------------------------~---------------
Looper
Looper
Holder
Holder
Frame
Frame
Locking
Thread
Pin------------------------------------
Shield-----------------------------------
washer-------------------------------------------------------------
Throw-out
Looper
Bushing1 left----------------------------------------------------
Bushing~
Looper
Retaining
Thrust
Looper
Looper
Screw--------------------------------------------------------Looper
Looper
Link
Spacing
Looper
See
Following
Fork
Holder
Frame
Ring
Washer------------------------------------------------------
Holder
Thread
Thread
Thread
Pressure
Frame------------------------------------------------
right
---------------------------------------------------
Locking
--------------------------------~---------------------
Frame
Take-up
Take-up
Take-up----------------------------------------------
Spring--------------------------------------
Pin
Spring-------------------------------------
Throw-out
Driving
Driving
Spring
Arm---------------------------------Link----------------------------------
-------------------------------
Pin------------------------------------------------------------ 1
Collar
Rocker
------------------------------------------------------
Shaft-------------------------------------------------
Page
·
Req.
1
1
1
s·
1
1
1 ,
1
1
1
2
1
1
1
1
1
1
1
f
Amt.
19
Page 20

•
20
Page 21

MAIN
SHAFT,
FEED
DRIVING
AND
LOOPER
DRIVING
PARTS
Ref.
No. No.
1
thru
23
24
25 20
26
27
28 20
29
29A
30
31
32
33
37
38
39
40
41
42
43
44
45
46
47
48
49
50
51 77
52
53
54
55
56
57
58 98
•
59
60
61
62
63
64
65
67 667
68 88 F
69 531
70
71
72
73
74
75
76
77
78
Part
22
54244
18
55244
269
51236
660-169
51236
51236
51054
666-149
51236
51236
22768
82
54222
29476
51406
22894
54245
51236
29133
22894
22894
22768
51235
51235
22519
51235
98
482
51134
51134
51134
8
54234
22560
22733
77
54234
54134
22560
HA61 D
54243
54135
J
87
A
G
E
D
F
G
B
KR
D
c
A
J
L
c
A
G
c
c
p
R
B
B
B-20
c
N
B
A
J
Description
See
Preceding
Looper
Nut,
Feed
Feed
54200
Feed
Feed
Feed
Screw
Stitch
Main
Feed
Link
Take-up
Screw
Screw
Feed
Feed
Feed
Feed
Lubricating
Lubricating
Feed
Feed
Dowel
Screw,
Screw
Screw
Feed
Pin---------------------------------------------Screw
Feed
Screw
Looper
Travel
Nut,
for
VVasher--------------------------------------
Locking
left
thread----------------------------------Crank
Crank
G,
Needle
Feed
Feed
Crank
Oil
VVick
Crank
Crank
-------------------------------------------
Regulating
Shaft
Lift
Eccentric, • 062
Screw
Eccentric
Pin-----------------------------------------
Drive
Eccentric
Eccentric
-------------------------------------------
-------------------------------------------
Rocker
VVasher-------------------------------------Screw
Rocker
Screw
Rocker
Screw
Bar
Rocker
Bar----------------------------------------
Screw
Screw
Pin,
for
----------------
-------------------------------------------
Bar
---------------------------------~---------
Dog
------------------------------------------Drive
Nut------------------------------------------
Screw
Page
Drive
locking
Stud
Stud
Link
54400
Bearing------------------------------Crank
Crank
Link
------------------------------------Stud---------------------------------Stud
---------------------------------------
Eccentric
-----------------------------------
Bearing
Eccentric
Spot
Set
Arm---------------------------------
---------------------------------------
-------------------------------------
--------------------------------------Shaft
---------------------------------------
Shaft
Tilting
(See
----------------------------------Felt---------------------------------Felt
Shaft--------------------------------
---------------------------------------
--------------------------------------for
feed
feed
bar-------------------------------
pages
Eccentric
---------------------------------------
Link
stud--------------------------
---------------------------------
VVasher---------------------------
Assembly,
G--------------------------------
Link-----------------------------Link
Pin--------------'----------------
Cap------------------------------
Stud-----------------------------
Assembly----------------------
inch
Screw--------------------------
Screw---------------------------
Collar--------------------------
Guard----------------------------
bar
Extension
31, 33)
~-----------------------
for
all
Ferrule----------------------
throw
---------------------------Assembly-----------------
---------------------------
---------------------.---
Oil
--------------------
------------------------
-----------------------
Slinger-----------------
machines
except
---
Amt.
Req.
1
1
1
1
1
1
{'
1
1
1
1
1
1
1
1
2
1
1
1
1
1
1
1
1
1
1
1
1
1
2
2
1
2
2
1
1
1
1
1
1
1
1
1
1
1
1
1
1
2
1
1
1
1
1
21
Page 22

22
Page 23

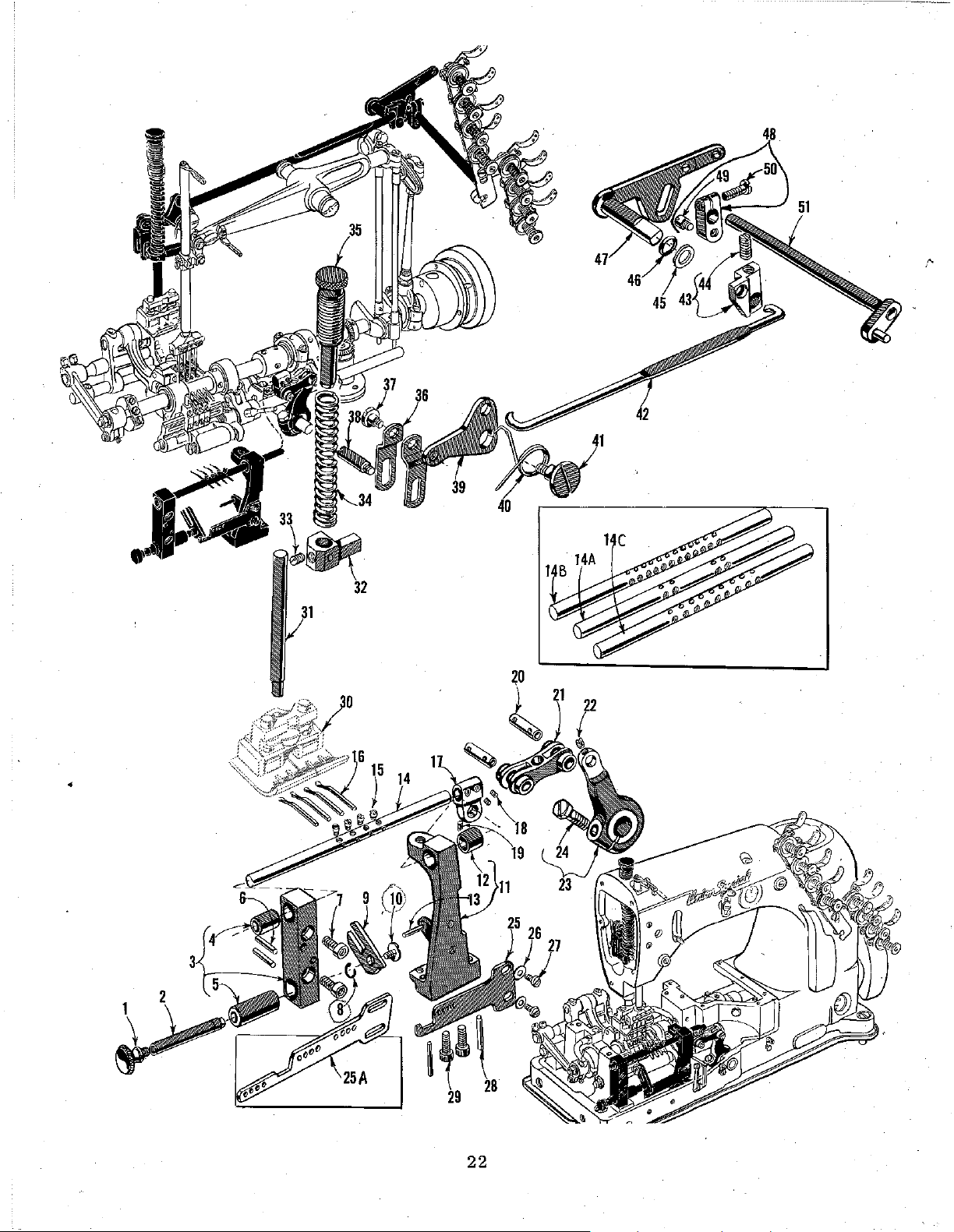
FOOT
LIFTER
AND
RETAINER
DRIVING
PARTS
Ref.
No.
1
2
3
4
5
6
7
8
9
10
11
12
13
14
14A
14B
14C
15
16
17
18
19
20
21
22
23
24
25
25A
26
27
28
39
30
•
31
32
33
34
35
36
37
38
39
40
41
42
43
44
45
46
47
48
49
50
51
Part
No.
15489
54244
54242
61354
51254
667
22652
660-215
54244
22542
54242
61354
667
54242
54242
54242
54242
K67664
54242
54242
54242
22845
54211
9650
88
78
51134x-y
HA54
22564
54242£
22811
54259
54459-12
41358
J87
667
22652
51257
51257
531
53787
56356
53783
53783
240
22758
22799
402
53783
52883
22557
53783
53783
22537
39552
660-207
51283
21657
402
22596
21657
B
J
c
A
A
B-12
B-8
G
A
D
A
B-12
B-4-16
B-4-21
B-4-24
B-4-3
2
B-16-64-16
B-12-12
B-9-16
B
A
A-
A •
H
B
J
B-12
B-8
K
M
s
A
c
T
L
s
B
M
N
c
H
y
w
-----
Amt.
Req.
1
1
1
1
1
2
2
1
1
1
1
1
1
1
1
1
1
1
1
1
1
1
4
9
12
4
9
12
1
1
2
1
2
1
1
1
1
1
1
2
2
2
2
1
1
1
2
1
1
2,
1
1
1
1
1
1
1
1
1
1
1
,l
1
1
1
1
1
1
Description
Screw-------------------------------------------------------
Looper
Retainer
Dowel
Screw--------------------------~---------------------------
Retaining
Looper
Screw------------------------------------------------------Retainer
Retainer
Retainer
Retainer
Retainer
Retainer
Retainer
Retainer
Retainer
Screw,
Screw.
Screw,
Screw,
Retainer,
Retainer,
Retainer,
Retainer,
Connection
Throw-out
Holder
Bushing,
Bushing.
Pin
---------------------------------------------------
Ring
Throw-out
Holder
Bushing
Dowel
Pin-----------------------------------------------
Holder,
Holder,
Holder,
Holder,
Holder,
Holder,
Holder,
Holder,
for
single
for
four
for
for
twelve
marked 11EV'\
for
for
for
Actuating
Bearing.
upper
lower
------------------------------------------
------------------------------------------
-----------------------------------------------
Fork---------------------------------------
Bearing,
-------------------------------------------------
for
four
for
four
for
four
for
four
for
four
for
four
for
twelve
for
nine
needle
needle
nine
needle
needle
nine
needle
twelve
single
needle
needle
Pin-------------------------------
left
---------------------------------
right---------------------------------
needle.
needle.
needle,
needle,
needle,
needle,
needle,
machines
machines
machines
16
gauge
21
gauge
2.4
gauge
32
gauge
12-56-12
16-64-16
needle,
12
gauge
16
gauge----------------------
---------------.--------------
------------------------------
------------------------------
---------------------
---------------------
-------.,.-----·--------
--------------------gauge
gauge
-------------------
machines----------------------------for
four
machines
needle
machines
machi:u,es
machines
----------------------------
--------------------------
--------------------------
---------------
---------------
--------------
--p<;-f&-C:-It/r-5FJ--&f!fi--------------------------
Screw-------------------------------------------------------
Screw---------------<5u~---~;~;r----------------------------
Link
Pin
-~~~~--~~~~~~V~----------------------------
Retainer
Screw--------------------~-----~-2)()---------------------
Retainer
Thread.
Thread.
VVasher
Screw
Dowel
Screw
Presser
Presser
Presser
Screw
Presser
Presser
Lifter
Lifter
Screw,
Screw,
Screw,
:Screw,
Lifter
Lifter
Screw
Lifter
Foot
VVasher,
Oil
Foot
Tension
Screw
Eyelet,
Eyelet,
Drive
Lever
Drive
Lever
-------------------------------------------------for
for
Link------------------------------------
__
f,J-;?
__
four
nine
c<;;3£._<;;£r-
needle
and
machines
twelve
___
-----------------------
needle
__
8.?..'£
machines
__
--------------
-------------
-----------------------------------------------------
------------------------------------------------------
Pin
---------------------------------------------------
------------------------------------------------------
Foot
(See
Bar
Bar
pages
----------------------.--------------------------
Connection
31,
and
33)
-------------------------------
Guide
-----------------------------
-----------------------------------------------------Spring
Spring
Lever
Lever
for
for
for
for
Lever
Lever
----------------------------------------~-------------
Lever
Lifter
Screw
for
Seal
Ring
Lifter
Release
----------------------------------------------
Regulator
Link,
Link,
No.
No.
No.
No.
Bell
Bell
for
for
53783 S --------------------------------------53783
53783 S ---------------------------------------
53783
Crank
Crank
Connecting
Lever,
internal
-------------------------------------
machines
machines
A---------------------------------------
with
close
without
coupled
close
A---------------------------------------
--------------------------------------
Spring
Rod
-------------------~------------
--------------------·--------------
-----------------------------------
--------------------------------------------------
No.
53783 N ------------------------------------
------------------------------------------------
and
Tension
and
Foot
Disc
Lifter
Release
Lever
Lever--------------------
Connection
puller--------
coupled
--------------
puller
Screw--------------------------------------------------Screw---------------------------------------------------
Tension
Release
and
Foot
Lifter
Lever
Shaft
-------------------
23
Page 24

•
24
Page 25

PULLER
DRIVING
PARTS
NOTE:
Ref.
No,
1
29126
2 95
3
22587
4
5
6
15430
53716
7
8
9
10
22747
41255
52854
11
12
13
14
15
53752
22811
16
17
52849
18
19
20
21
54249
22539
53790
The
following
F,
G, J
Part
No.
666-53
269
97 A
454
258
660-202
95
DE
D
B
A
c
D
A
parts
are
used
for
Styles
54200
only.
Description
Puller
Drive
Eccentric
Assembly--------------------
Screw----------------------------------------Bearing
Lubricating
Nut,
right
Connecting
Nut,
left
Cap
Screw
-----------------------------
Felt------------------------------------
thread-----------------------------------
Rod-------------------------------------
thread
------------------------------------
Screw--------------------------------------------Ball
Stud
Puller
Guide
Driving
Bearing
Fork--------------------------------
Connecting
Cap
Screw
Rod
-----------------------------
VVasher-------------------------------------------Nut
-----------------------------------------------
Puller
Driving
Shaft
Segment
Lever
Screw-----------------------------------------
Oil
Seal
Ring------------~--------------------------
Thrust
Collar--------------------------------------
Screw-----------------------------------------
Puller
Plug
Puller
Driving
Screw
Driving
Shaft
--------------------------------
---------------------------------------Shaft
Bushing-------------------------
E,
F,
Ball
Joint--------------
------------------
G, K, N,
P,
54400
Amt.
Req.
1
2
2
1
1
1
1
1
1
1
2
1
1
1
1
1
1
2
1
1
1
E,
!'
•
25
Page 26

!'
26
Page 27

FEED
ROLLER
AND
PULLER
CLUTCH
PARTS
Ref.
__&_
NOTE:
I
2
3
4
4A
5
6
7
8
9
9A
10
11
12
13
14
15
16
17
18
19
20
21
22
23
24
25
26
27
28
29
30
31
32
33
34
35
36
37
38
39
40
41
42
43
44
45
•
46
47
48
49
50
51
52
53
54
*55
56
57
58
59
60
61
62
63
64
65
66
67
68
*
Available
NOTE:
Part
No.
The
following
54277 J
54277 c
667
D-24
54277 B
28633 L
54277 M
22517
B
33174
22854 D
54277 K
54277 L
54249 B
89
54277
HA
43245 N
22653
D-24
43137 E
54278 T
12934 A
22757
51770-56
51771
54249 D
54249 c
55235 E
6042 A
55235 D
A
8372
22792 A
54278 B
89
22899
54278 X
22704
54280
A
54276 L
666-153
22733
660-223
54276
54276 A
29476
GG
11638 M
54274 G
605 A
54274 K
54274 L
29480
KP
54274 H
54274 F
538
54274 J
542~5
D
538
22894 H
54275 c
54275 E
11638 M
54278 y
54278 w
54278 s
54278 u
54278 v
51235 G
T38
77 B
660-208
22892 D
54274 N
54274 p
as
extra
No.
54274 R-Brake
Description
parts
are
used
for
Styles
54200
E,
F, G •.
K. N.
P.
54400
E.
F.
G. J only,
Feed
Feed
Dowel
Feed
Feed
Feed
Screw
Stop
Screw
Feed
Feed
Clutch
Screw
Feed
Roller
Roller
Roller
Roller
Roller
Screw
Roller
Roller
Roller
Presser
Presser
Pin ---------------
Presser
Presser
Presser
-----------------------------------------------------------------------
-----------------:------
----------------------------------------------------------------------Lifter
Lifter
Driving
----------------------------------------------------------------------Mounting
Shaft
Bar
-----------------------------------------....:------------
Spring
Regulator
------------------------------------------
----------------------------------------------------
Spring,
Spring,
Bar
for
Styles
54200
E,
F,
for
Styles
Collar------------------------------------------------
54200 N, P
G.
------------------------------
--------------------------------
Lever,
Lever,
for
for
Bushing,
Bracket
Styles
54200
E,
F.
G,
Styles
54200
left
----------------------------------------------
N, P ---------------------------------
K,
-------------------------------------------------
K,
54400
54400
E,
E,
-F.
F.
G.
--------:-----
G, J
J
-------
---------
Scre~u~~~:-======================-==================================·=========
VVasher
Feed
Nut
Screw
Connection
Ferrule----------------------------------------------------------------------
VVasher
Clutch
VVasher
Screw
Guide
Screw
Screw
Feed
Screw
Throat
Lower
Oil
Screw
Spring
Lower
Lower
Feed
Upper
Screw
Screw
Upper
Upper
Nut--------------------------------------------------------------------------
Driving
Feed
Uppper
Screw
Locking
Screw
Clutch
Thrust
send
--------------------------~-----------~-------~----------------------
Roller
-------------------------------------------------------------------------
Nut
VVasher
Locking
Yoke
Guide
-------------------------------------------------------
------------------------------------------------------------------------
Link
--------------------------------------------------------------
----------------------------------------------------------------------
Driving
Lever
------------------------------------------------~-------------------
---------------------------------------------------------
------------------------------------------------------------------
Stud
-------------------------------------------------------------
----------------------------------------------------------------------
-----------------------------------------------------------------------
S\Ud
-------------------------------------------------------------------
-----------------------------------------------------------------------
-----------------------------------------------------------------------
Roller
Wick
Roller
Nut
Clutch
Screw
Clutch
Guard
----------------------------------------------------------_--
-----------------------------------------------------------------------
Plate
and
F~ed
Roller
--------------------------------------
Lower
-----------------------------------------------------------------------
VVasher---------------------------------------------------------------Feed
Roller,
Feed
Roller,
Clutch
Feed
Shaft
------------------------------------------------------
bakelite,
Roller
rubber,
for
Assembly
on
all
Style
Support
machines
54200 K
------------------------------------
except
-----------------------------------
--------------------------------------------------
--
-------------------
Style
54200 K
--------------------------------------------------------------------Shaft
--------------------------------------------------------------
------------------------------------------------------------------Driving
Lever------------------------------.------------------------
---------
----------------
Roller------------------------------------------------------------------Clutch
Clutch
Clutch
Screw
Clutch
Feed
Spring
Disc
Barrel
Plate--------------------------------------------------------------
and
VVear
Cap
Assembly
---------------------------------------------------~---------
--------------------------------------
------------------------------------------------------------
---------------------------------------------------------------
Roller,
bakelite,
on
all
machines
except
Style
54200 K
----------------
-----------------------------------------------------------------------
-----------------------------------------------------------------------
Feed
Roller,
Feed
Roller,
VVasher
Roller
Bushing,
Feed
Yoke
Roller
Bushing,
VVasher
Screw
-------------------------------------------------------------------
----------------------------------------------------------------------Ring-----------------------------------------------------------------
-----------------------------------------------------------------------
Tension
VVasher
and
charge
VVasher
steel,
for
Style
54200
K
-------------------------------------
rubber
--------------------------------Bearing
Yoke
right-----------------------------------------------------------left
-------------------------------------------------------------
--------------------------------------------~-------------------
----------------------------------------------------
------------------------------
Sleeve
-----------------------------------------------
-------------------·----------------------·-------------
Spring---------------------------------------------------------
---------------------------------------------------------------
item,
Spacer
is
required
for
rubber
or
steel
rollers.
Amt,
Req.
I
I
2
I
I
I
1
I
1
I
I
I
1
1
I
3
I
I
2
2
1
2
I
I
I
I
I
I
I
1
I
I
I
4
I
1
1
1
I
1
I
1
I
1
6
I
6
12
2
I
3
·
I
I
3
I
I
I
I
1
1
I
I
I
1
1
,1
I
1
I
1
27
Page 28

!'
28
/
/
/
/
/
Page 29

FEED
ROLLERS
AND
PULLER
CLUTCH
PARTS
•
Ref.
No.
NOTE:
l
2
3
4
5
6
7
8
9
10
11
12
13
14
15
16
17
18
19
20
21
22
23
24
25
26
27
28
29
30
31
32
33
34
35
36
37
38
39
40
41
42
43
44
45
46
47
48
49
50
51
52
53
54
55
56
57
58
59
60
61
62
63
64
65
Part
No.
The
following
54277
28633
54277
54249
33174
22517
22854
54277
54277
43245
22653
43137
22899
54278
54249
55235
55235
12934
54249
51770-56
51771
22757
29476
51235
54278
54278
51235
22792
54278
54278
11638
29480
22894
54274
22733
54277
667
89
89
6042
88
T38
77 B
54278
54274
54278
54278
538
54274
54274
22892
605
54274
54275
51-297
51-298
54274
54274
61351
482
98
54276
666-153
54276
54280
J
c
D-24
L
M
B
B
D
L
HA
N
CD-24
E
B
c
D
A
E
A
D
MC
A
G
AD
T
G
A
AC
v
u
u
w
y
M
KP
w
T
c
J
M
H
X
v
N
c
X
L
A
Dlk.
Blk.
parts
Description
are
used
for
Styles
Feed
Roller
Presser
Dowel
Feed
Roller
Presser
Clutch
Stop
Screw.
Screw,
Screw.
Feed
Roller
Screw,
Feed
Roller
Bushing,
Screw,
Washer
Screw,
Screw,
Guide
Stud-----------------------------------------------------
Clutch
Screw
VVasher
Nut-------------------------------------------------------
Nut,
for
Washer~
Connecting
Ferrule~
Screw~
Feed
Roller
Screw,
Washer
Screw,
Feed
Feed
VVasher
Screw-----------------------------------------------------
Screw-----------------------------------------------------
Feed
Clutch
Feed
Driving
Nut,
Screw,
Clutch
Clutch
Clutch
Stop
Screw,
Support
Upper
Spot
Clutch
Clutch
Clutch
Clutch
Tension
VVasher
Collar,
Screw-----------------------------------------------------
Puller
Screw,
Oil
VVick
Puller
Throat
Presser
Spring
Pin
----------------------------------------------------Presser
Bar
Driving
Collar
for
for
presser
for
lifter
Lifter
for
left
Mounting
for
for
feed
-------------------------------------------------------
for
feed
for
guide
Driving
----------------------------------------------------
---------------------------------------------------
No.
22757
for
clutch
Link
for
connecting
for
connecting
and
for
---------------------------------------------------
for
Roller
Roller
---------------------------------------------------
Roller
Bushing,
Bushing,
Shaft
Roller
Washer
for
clutch
for
Spring
Roller----------------------------------------------
Disc
Screw,
for
Plate
Feed
Screw,
Barrel----------------------------------------------
Barrel
Brake
Lever
Spring---------------------------------------------
---------------------------------------------------
for
lower
Roller,
for
puller
------------------------------------------------------
Roller
Plate
Shaft,
Support
54200
Regulating
Shaft
feed
bar
N, P
only.
Bar
---------------------------------------
Screw
Spring
--------------------------------------------
Bushing,
roller
-------------------------------------
lifter
collar
-------------------------------
left
-------------------------------
lever---------------------------
-----------------------------------
lever------------------------------------------
Lever----------------------------------------
clutch
Lever
feed
feed
feed
clutch
lower
driving
Bracket-----------------------------------
feed
roller
roller
roller
mounting
mounting
stud-------------------------------------------
-------------------------------------------
---------------------------------------------
drive
-----------------------------------------------
link
Clutch
roller
roller
Guard
Yoke
Guide-------------------------------------
Yoke
------------------------------------------
left
-------"----------------------------------
right-----------------------------------------
-----------------------------------------------
Yoke
Bearing
--------------------------------------------
shaft----------------------------------------
shaft
bushing
presser
bar
bracket
bracket
lever
----------------------------------
link-------------------------------------
--------------------------------------
Assembly--------------------------------
guard
guard
-----------------------------------------
--------------------------------
--------------------------------
Sleeve
roller--------------------------------------
and
Wear
Cap
Assembly
-----------------------------------------------
for
support
driving
----------------------------------------------
Roller
for
upper
Core-----------------------------------------
Disc
----------------------------------------------
puller
plate--------------------------------
lever
and
----------------------------------------feed
roller
--------------------------------~--------
roller
shaft
-----------------------------
-------------------------------------------
roller
shaft,
lower
-------------------------------------------
lower-----------------------------
--------------------------------------
-----------------------
-------------------------
--------------------------
--------------------------
----------------------------
-----------------------
support
----------------------------
plate
--------------
Amt.
Req.
1
1
2
1
1
1
1
1
1
1
1
1
1
3
1
1
1
1
1
1
1
1
2
1
1
2
2
1
2
2
1
1
1
1
1
1
1
1
1
1
1
1
2
3
6
6
2
1
6
1
1
1
1
1
1
1
1
1
2
1
1
1
1
1
1
!'
29
Page 30

3-A
4
'it"
•
30
Page 31

w
1-'
Ref.
No.
I
2
3
3A
4
5
6
7
8
9
10
11
12
13
14
15
16
17
18
Description
Needle
Screw
Needle
Needle
Screw
Screw
Screw
Needle
Presser
Screw
Shank
Plunger
Equalizer
Screw
Screw
Bottom.
Bottom,
Throat
Feed
Holder
Holder
Holder
Seat
Plate
Dog
Foot
Eyelet
Eyelet
Block
right
left
Amt.
16
Gauge
I
54.218-4-16
22894
1
16197-4-16
I
2
2
4
l
l
l
2
22570
I
51830 51830
2
51830
I
51830
22758
1
2
22799
54230-16
l
1
54230
1
54224
54205
I
p
73
A
c 28 c
28
1096
B
54218
A-4-16
54220
A-4-16
A
c
D
s
A-16
A-4-16
A-4-16
•
SEWING
54200A,
.l'VU.t\.
54218-4-21
22894
16197-4-20
54218
54220
22570
51830
51830
22758
22799
54230-21
54230
54228
54226
C,
1'\I..I!...I!..ULX..
21
73A
1096
E,
Part
Gauge
p
B
A-4-21
A-4-21
A
c
D
s
A-21
A-4-21
A-4-21
PART
FOR
F,
Number
COMBINATIONS
STYLES
G,
K,
54400
.J:!.il.c
UH..L
;:;.t"'.&L:X..
24
Gauge
54218-4-24
22894
p
16197-4-24
73
A
28 c
1069
B
54218
A-4-24
54220
A-4-24
22570
A
51830
51830
c
51830
D
22758
22799
s
54230-24
54230
A-24
54224
A-4-24
54205
A-4-24
A,
C,
E,
32
Gauge
54218-4-32
22894
54458
73
28 c
1096
54218
54220
22570
51830
51830
51830
22758
22799
54230-32
54230
54224
54205
F,
p
D-4-32
A
B
A-4-32
A-4-32
A
c
D
s
A-32
A-4A-4-32
G
.l'UU.tt
12-56-12
16154-12-56-12
22894
16197-2-16
73 A
28
1096
16184
!K67661
22584
51830
51830
51830
22758
22799
K67660
K67659
32
K67663
K67662
l\I.I::!,;.I:!;UL..I:!.i
Part
Gauge
p
c
B
A-12-56-12
c
D
U.N~_UAL
Number
16-64-16
16154-16-64-16
22894
p
16197-2-16
73
A
28 c
1096
B
16184
A-16-6.4-16
54220A-16-64-16
22570
A
51830
51830
c
51830
D
22758
22799
s
54230-16-64-16
54230
A-16-64-16
54224
!li4205
A-16-64-16
A-16-64-16
::S.PACJ:!;
Gauge
Ref.
No.
19
20
21
22
23
24
25
25A
26
27
28
29
30
31
Description
Needle
Screw
Screw
Needle
Screw
Needle
Screw
Screw
Presser
Screw
Screw
Bottom
Throat
Feed
Stop
Holder
Holder
Plate
Dog
Foot
Plate
Eyelet
...
Amt.
1
1
2
1
2
- 1
9
12
1
1
4
1
1
1
SEWING
1'\U.l'II.C..
PART
FOR
.l'II..I!.J~l!..JL.l!.
Part
16
54418
22764
22849
54458
59218-9-16
54420-9-16
605
54430-9-16
54-224
54205
COMBINATIONS
STYLES
54400
H,
.l!..IQI_U.ft.L
Number;;.
Gauge
A •
A
C-9
73
A
28 c
91.
A
A-9-16
A-9-16
J
l::i.t"'B.Ld!i
TW.I!.iLVl:!O
N.J::!,;.J:!.iUL.t.;
Part
Number
12
Gauge
54418
A •
22764
A
22849
54458
C-12
73 A
54418-12-12
28
c
54420-12-12
91
605 A
54430-12-12
54224
A-12-12
54205
A-12-12
~UAL
-,
:SPAC.t;
Page 32

•
32
Page 33

SEWING
PARTS
COMBINATIONS
Ref.
No,
1
2
3
4
5
6
7
8
9
10
11
12
13
14
15
16
17
18
19
20
Part
No.
54224
54205
54220
51330
51330
51330
91
54230
54224
54205
56320
51230
61430
56330
22799
56330
91
604
19146
56330
B
B
B
AH
w
AJ
E
c
c
R
N
BT
c
G
D
A
B
FOR
Throat
Feed
Presser
Throat
Feed
Presser
STYLES
Plate,
Dog,
Foot,
Chaining
Spring,
Presser
Clamp
Presser
Plate,
Dog,
Foot,
Yielding
Spring,
Presser
Hinge
Presser
Clamp
Screw---------------------------------------Spring---------------------------------------Chaining
for
22
teeth
for
Section------------------------------
for
Foot
Foot
for
22
teeth
for
Section-------------------------------
for
Foot
Screw----------------------------------
Foot
Section-------------------------------
54200
Des.cription
Style
chaining
Shank----------------------------
Screw------------------------------
Bottom--------------------------
Style
chaining
Bottom--------------------------
Shank----------------------------
Screw------------------------------
54200 N ---------------------
per
inch,
Style
per
Style
54200 N ----'----------------
section
54200 P ---------------------
inch,
54200 P ---------------
section--------------------
N,
P
for
Style
--------------------
for
Style
54200 N -------
54200 P -------
-----
Amt,
Req,
1
1
1
1
1
1
1
1
1
1
1
1
2
1
1
1
1
1
1
1
•
33
Page 34

!'
34
Page 35

ELASTIC METERING DEVICE
NOTE: The following
Ref.
No,
1
2
3
Part
No.
29486 F
51235 A
93
4 51054
5 666-149
9
10
11
12
13
14
15
16
17
18
19
20
21
22
23
24
25
26
27
28
29
29A
30
31
32
33
34
35
36
37
38
39
40
41
42
•
43
44
45
46
47
48
49
50
51
52
53
54
55
56
57
58
59
60
61
62
63
77
269
20
52736
77
660-169
51236 F
51236 G
52776 F
12538
39141
269
52776 c
97
21657 E
627
52776
80692
80662
52776 E
39258 c
20
18
52776 B
93
52778 B
22565 c
52778 D
22562
52778 L
52778 M
434
22594
52776 A
52778 J
52778 G
660-228
52778 H
52778 K
52778 F
52777 K
90
52777 H
22589
52777 J
52777 c
52777 D
52777 G
52777
52777 E
52777 F
52777 A
51280 J
52777 B
531
22589
A
A
parts
Elastic
are
used
on Styles 54200
G,
54400 G only,
Description
Metering Device, complete
Feed
Rocker
Arm-----------------------------------------
-----------------------------
Screw----------------------------------------------------
Pin-------------------------------------------------
Link
Oil
Wick--------------------------------------------Screw---------------------------------------------------Nut-----------------------------------------------------Washer--------------------------------------------------
Feed
Crank
Link------------------------------------------
Screw----------------------------------------------------
Needle
Feed
Feed
Connecting Rod
Bearing-------------------------------------------
Crank
Crank
Link
Ferrule----------------------------------
Stud------------------------------------------
Link---------------------------------------
Nut------------------------------------------------------
Connecting
Rod-------------------------------------------
Nut------------------------------------------------------
Ball
Joint------------------------------------------------
Cap
Screw-------------------------------------------Washer-------------------------------------------------Screw----------------------------------------------------
Frame-----------------------------------c---------------
Bushing,
Bushing,
Indicator
Washer
Washer--------------------------------------------------
----------------------------~---------------------
right---------------------------------------left-----------------------------------------
Washer------------------------------------------
Nut-----------------------------------------------------Driving
Arm----------------------------------------------
Screw------------------------------------------------
Pivot
Shaft--------~--------------------------------------
Screw---------------------------------------------------Guide----------------------------------------------------
Screw------------------------------------------------
Tension
Spring
AdjustingNut---------------------------------------------
Release
Lever------------------------------------
---------------------------------------------------
Screw---------------------------------------------------Shaft----------------------------------------------------Spring--------------------------------------------------Strip
Tension
Retaining
Strip
Tension
Strip
Tension
Strip
Tension
Feed
Roller
Roller
End
Plate
-----------------------------
Ring--------------------------------------------
Roller
Roller
End
Plate
Spring
Shaft,
upper------------------
Stud---------------------------
Roller---------------------------------------
Guard----------------------------------------
Screw----------------------------------------------------
Check Clutch
Arm-----------------------------------------
Screw------------------------------------------------
Check
Clutch
Roller
Spacing
Feed
Brake
Brake
Driving
Dowel
Clutch Driving
Clutch----------------------------------------Roller----------------------------------Clutch
Spring---------------------------------------
Collar--------------------------------------------
Roller----------------------------------------------
Shoe----------------------------------------------Shoe
Spring-----------------------------------------
Clutch--------------------------------------------
Pin--------------------------------------------
Collar----------------------------------
Screw------------------------·------------------------
Screw------------------------------------------------
c_
--------
Amt,
Req.
1
1
2
2
1
1
1
1 ,,
1
1
1
1
1
1
1
1
1
1.
2
2
2
1
1
1
1
1
1
1
1
2
2
4
2
1
1
1
2
1
1
1
2
2
1
1
1
1
2
1
3
1
6
6
1
1
2
1·
1
2
1
2
3
35
Page 36

i
I
•
21
r
36
Page 37

ATTACHMENTS
F,
gauge
F,
G,
-----
H
Amt.
Req.
1
1
1
3
1
1
1
1
1
1
1
2
1
1
1
1
1
1
1
1
1
1
1
1
4
1
1
1
1
1
2
1
1
2
2
1
1
2
2
2
Ref.
No.
1
2
3
4
5
6
7
8
9
10
11
11A
11B
11C
11D
12
13
14
15
16
17
18
•
19
20
21
22
23
24
25
26
27
28
29
30
31
32
Part
No.
23405
22726
12957
25
23404
23404
23404
23404
22514
54264
54264
12986
54264
54264
54264
54264
54464
54264
22854
HA86
54264
61351
258
23404
25
23425
23360
23360
22504
28577
9937
21182
21182
11261
56392
21182
21182
110-3
39592
39592
R
E
c
G
F
H
K
A
D
c
B
B
G
F
H
B
A
c
A
J
c
v
G-1
G-1
A
N
p
B
E
L
K
AK
z
5/8
7/16
Description
Folder,
54200
makes
Screw
Guide,
54400
Guide,
54400
Guide,
54400
Guide,
54400
Screw,
Spacing
54264
Spring,
Screw
Spring-----------------------------------------Folder
Styles
and
Folder
54200
Folder
54200
Folder
machines--------------------------------------
Folder
Screw,
Spring
Spacer,
Washer,
Nut,
Edge
Screw
Washer
Right
for
Right
1
Pivot
54464
Washer,
Nut,
Strip
54400A,
for
Nos.
A,
E,
3/8"
Screw
Spring
54200
for
Guide,
Angle
Style
Angle
7/16
for
Tension
Strip
Tension
Tension
Strip
Strip
Tension
Tension
Tension
-------------------------------------Washer-------------------------------
-----------------------------------------for
No.
A,
E,
for
No.
A,
E,
for
No.
A,
E,
for
No.
A,
E,
for
use
Collar,
G----------------------------------------
with
-----------------------------------------Mounting
54200
K-4-12-56-12-------------------------
Mounting
A,
C,
Mounting
K-4-16-64-16
Mounting
Mounting
for
use
Washer,
for
use
for
use
------------------------------------------
Plate,
Folder,
54200
Folder,
11
for
Screw,
----------------------------------------for
No.
E-------------------------------------
Tension
Tension
Tension
16,,
21,
24,
G,
54400
fold
downwardly---------------------
16
gauge
G;
uses
21
gauge
G;
uses 1 1/4"
24
gauge
G;
uses 1 3/8"
32
gauge
G;
uses 1 3/4"
with
for
finger
Bracket,
A,
C,
Bracket,
E,
F,
Bracket,
Bracket,
Bracket,
with
for
with
use
with
with
Nos.
for
Style
for
K-4-16-64-16
Style
No.
22504
Post
Post--------------------------------
Spring
Spring
Nut---------------------------------
54200
for
use
22504
Assembly,
Base---------~-----------------
Ferrule
Plate,
Plate,
A,
E,
Styles
1"
elastic-------------------
Styles
Styles
Styles
Nos.
use
projection---------------------
Nos.
use
Style
uses
uses 3 1/2"
A-----------------------------
------------------------------
Ferrule-----------------------
54264,
with
Nos.
for
E,
F,
G,
for
G,
54400
for
---------------------------for
for
54264,
with
Nos.
Nos.
with
54264,
Nos.
54264,
54264,
54200
K---------------------
54200
11
4
strip
K-4-12-56-12
Nos.
A-------------------------
for
--------------~---------
inner-------------------outer--------------------
32
gauge
G; .
54200
54200
elastic
54200
elastic
54200
elastic
54264
54264,
Nos.
54400
No.
A,
C,
Style
nine
Style
54264 G ----------
54264,
54264 G ----------
54264 G -------------
K-------------------
finishes 1 5/8"
-------------------strip,
54264
Styles
~tyles
5/64
32
and
54264 G ---------
capac1ty,
A,
E,
A,
E,
--------------A,
E,
--------------A,
E,
---------------
F,
16,
21,
A,
C,
gauge
E,
F, G ------
twelve
54200
finishes
---'----------
F,
54200
.
G,
G,
G,
G,
54264 G --
54264
24
E,
Styles
needle
N, P
54264 G ---
54264
A,
E,
37
Page 38

15
~4A
•
38
Page 39

•
co
"'
Ref,
No,
1
2
3
3A
3B
4
5
6
7
8
SA
SB
8C
9
10
11
12
13
14
14A
15
16
17
18
19
Nut
Lead-in
Tension
Tension
Tension
Spacing
Tension
Eyelet
Eyelet
Tension
Tension
Tension
Tension
Screw
Needle
Post
Looper
Post
Tension
Tension
Tension
needle
Tension
needle
Tension
looper
Tension
Looper
Support
Needle
Release
Screw
Description
Thread
Post
Support
Post
Support
Post
Support
Washer
Thread
Locking
Disc
Separator
Disc
Separator
Disc
Separator
Disc
Separator
Thread
Ferrule
Thread
Ferrule
Disc
Post
Spring,
thread
Spring,
thread
Spring,
thread
Regulating
Thread
Thread
Finger
Guide
Eyelet
Ring
Tension
Tension
for
for
for
Nut
Tension
Tension
Needle
Part
43266
51491
52892
80557
51292
668-28
668-25
21657-3
22598
51292
51292
109
51292
51292
51292
51292
THREAD
One
Machine
No,
Amt,
c 2
D
c
A
A
G 2
F-8
F-2
c
1
1
2
2
2
2
1
1
1
1
4
1
1
2
TENSION
Needle
Part
43266
51491
51892
80557
51292
668-28
668-25
21657
22598
51292
51292
109
51292
51292
51292
51292
c 8
D 8
AM-5
c 1
A
A
G 8
F-5
F-2
c 8
PARTS
Four
Machine
No,
Amt,
7
1
2
2
2
1
4
4
16
4
4
Needle
Part
43266
54491
51992
80557
54492
21657
22598
51292
54492
54492
54492
51292
51292
51292
54492
21657
22738
Nine
Machine
No,
A
A
AB-9
c
A
c
B
F-5
F-1
c
D
AC
Amt,
5
6
1
2
6
1
1
3
3
36
6
3
3
6
1
3
6
Needle
Part
43266
54491
51892
80557
54492
21657
22598
51292
54492
54492
54492
51292
51292
51292
54492
21657
22738
Twelve
Machine
No,
A
AB-12
Amt,
c
A
c
48
B 8
F-5
F-1
c 8
E
AC
7
8
1
2
8
1
1
4
4
4
-
4
1
4
8
'
Page 40

1i£t
2A
9
7
8;;,:
"'
•
.
/'
6
•
40
.
....
28~
25~
IUJ
Page 41

THREAD
STAND
PARTS
NOTE:
Ref,
No, No,
-¥.-1
lA
2
2A
3
4
5 22651
6
7
8 22651
9
10
lOA
11
12
13
14
15
16
17
18
19
20
20A
21
22
23
24
25
26
27
•
28
The
54200
no
21101
21101
21114
21114
21114
21114
21104
21127
21104
21114D-4
21114
22651
21104
21114
22810
21114
22651
21114
22651
21114S-4
21114
21114
21114
21104
21114
21114
21114
following
and
thread
Part
'R-8
-w·
H-2
H-4
H-2
L
M
CD-4
B-11
CD-3
B-24
D-2
CD-5
H
652-16
u
A
CD-5
T
CD-4
S-2
L
M
v
w
258
A
652-16
AF
54400,
stands
thread
are
Thread
54200
Thread
stand
except
available,
Stand,
N,
Stand,
Eyelet
Eyelet
Thread
Coupling,
Thread
Spool
Spool
Nut---------------------------------------Washer-----------------------------------Lead
Screw
Base
Lead
Lead
Lead
Pad--------------------------------------Spool
Nut---------------------------------------Spool
Washer------------------------------------
Eyelet,
parts
the
nine
complete
P,
54400
complete,
Support,
Support,
Eyelet--------------------------------Eyelet
Screw
Stand
for
Screw
Stand
Seat
Seat
Screw
Eyelet
-------------------------------------
are
furnished
and
twelve
Description
for
H, J
------------------------
for
for
No.
for
No,
Locking
--------------------------------Rod,
No,
--------------------------------Rod---------------------------
Support,
Support,
---------------------------------
Ball
Ring---------------------
upper,
21101
for
for
Split
----------~---------------------------
Screw
Eyelet
Screw
Eyelet,
Eyelet,
Eyelet--------------------------------Eyelet
Pin----------------------------------
Seat
--------------------------------Socket
---------------------------------
for
for
Locking
Disc-----------------------------
for
No.
Ball
No,
21101
No,
21101
Ring---------------------
21101
with
needle
all
styles
Styles
21101
21101
for
No,
P-8
-----------------
No,
21101
No,
21101
Socket-----------------
---------------------
P-8
H-2
P-8
-------------------
all
machines,
except
54200
P-8
H-2
--------------
--------------
N, P
-----------
-----------
21101
P-8
H-2
Styles
--------
--------
P-8
----
in
for
--
Class
which
Amt,
Req,
1
1
1
1
2
or
2
or
1
or
1
1
4
1
2
1
2
1
or
1
or
2
or
1
or
1
1
1
or
2
2
1
2
or
2
or
2
or
2
or
4
or
2
or
2
or
4
8
8
2
2
2
4
2
2
4
4
8
8
16
8
8
41
Page 42

NUMERICAL
INDEX
OF
PARTS
Page
No,
18
20
24
25 c 0
27-484
28
T38
50-648
.50-789
52 A
BA54A
56
BA61 D ..........
73
75
77
77 B
78
80
81
82
BA86 B ..........
87
J87 J ..........
88
88 A
88
89
90
91
93
95
97 A
98
98 A
109
110-3
240
258
258 A
269
402
434
454 A .••..•••..
482
531
538
•
539
604
605
605 A
627 A
643-127
652-16
660-136
660-169
660-202
660-207
660-208
660-212
660-215
660-223
660-228
666-53
666-65
666-111
666-114
666-118
666-149
NOTE:
8
•••
0
• 0
••••••
•.•.
X
••••••••••
.......
c
..........
............
..........
..........
...
0
A
..........
c
..........
............
..........
............
............
............
............
............
............
..........
F
••••••••••
•••••••.••••
............
............
............
............
••••••••••
•.••••••••.•
..........
............
..........
............
............
..........
............
............
•.••.••.•...
•.•••••••.••
.............
..
0
......
............
............
............
..........
..........
.........
.........
.........
Only
the
••••••••
0
0
•••••••
Blk,
••••
Blk
.•.••
Blk,
....
........
Blk,
.•..
.......
........
........
00000000
........
........
........
0
.......
••••••••
........
.......
........
........
the
list:ings
••
0
0.
0.
0
0
0
basic
Page
No,
21
21,
35
13,
21,
13
37
17
31
27,29
15
13
13
23
17
21
31
17
17,
19,
35
27,29
23
13
17
21
37
13
19,
21,
23
29
21
27,
29 .
13, 15,
31, 35
13,
35
13,
25
19,25,
17,
21,29
13
39
37
23
25
13, 15,
41
21, 25,
23
35
25
21,
29
15,
21, 23,
35
27,29
13
33
29
27,31
35
15
41
15
21,
35
17,25
23
27
17
19,
23
27
35
25
15
15
15
15
17,
21,35
part
on
pages
Part
No.
666-153
666-170
35
666-179
666-201
666-209
666-214
667 B
667
668-25
668-28
668-29
719
1068
1096 B ........
6042
7947
8372A
21,
9650
9660 B ........
9937
11261 B .........
11638 M .........
12538
12934A
12957 E ........
23
12982
12986 B .........
15430 D .........
15489 B .........
16154
35
16184 A •••••••••
16197
19146 A .........
21101
21101
35
21104
21104
21104 H .........
21104
21114
21114 A .........
37,
21114 D .........
21114 H .........
21114 L .........
35
21114 M .........
21114
21114 T .........
21114
21114
21114
21127
21182 K .........
21182 L .........
21182 N .........
21182
21212
BB21375
21657-3
21657 E •••••••••
21657
21657 X .........
2f657
21657
21657
21657
22504 A .........
22513
22514
22516
22517
22517 B .....
22519
22524
numbers
:indicated.
.......
.......
.......
.......
...... 0 15
.••••••
.........
D-24
........
........
........
...........
...........
A
.........
...........
.........
...........
...........
0
..........
..........
..........
..
0
.. 0 ....
...........
H-2
.......
P-8
.......
B-11
B-24
v
.........
...........
s
.........
u
.........
w 0
........
AF
........
..........
p 0
.. 0 ....
0. 0. 0 .....
AH
........
........
w 0 0 0 0 0 0 0
y
0. 0 •• 0 0.
AB
........
AC
........
AM
........
....
00
A
00 00
B
00 00 00
..
00.00
c . 0
•••• 0 00
00 00
00
are
shown
••••••
......
......
00 00
00.00
00
00
00
00.
00.
in
, 31
, 17
, 37
0 17
0 31
0
0
0 15
0 39
..
0
0
..
..
the
Page
No.
27,29
17
15
15
15
15,
21,23
27,29
39
130 39
13
17
13
19,270 29
15
27
23
37
37
27029
35
27029
37
25
23
31
31
33
41
41
41
41
41
41
41
41
41
41
41
41
41
41
41
41
41
41
37
37
37
37
13
35
23
15
23
39
39
39
37
13
37
17
270
29
13
19,
21
13
index.
Part
No,
22537
..........
22.539 D
.........
22539 H oo
22541 B ......
22542
........
22542
A
00
.........
.........
22548
22557 B .........
22559 A .........
22559 B •••••••••
22559 G .........
22560 B .........
22562
...........
22564
00
22565
....
c
.........
22569 B .........
22570 A .........
22571 A .........
22574
00
22584
....
......
22585 A ....
22585
c
.........
22586 R .........
22587
00
22589
.........
0
....
22594 ~ ..........
22596
00
22598
22651
22651
22651
22652
22653
22704
22726
22729
.........
c
........
CD-3
CD-4
CD-5
B-8
D-24
...
0
...........
00
.........
22729 A .........
22729 B .........
22733
00.
00
22733 B .........
22738
...........
22747
...........
22757
.•••.••.•••
22758
..........
22758
c
......
22764 A .........
22768
..........
22792 A .........
22799
...........
22799 G ••••.•...
22799.8
22799 T ....••...
22810
22811
22811 B .........
00
...
····•·•·•
.........
00
22823 A .........
22823 B .........
22839
...........
22839
c
22845 B .........
22848
22849
22852
22854
........
0
..........
....
A
00
..
00
22854 D ......
22883 A ..
22889 A .........
22889
c 0 0 0 0
22889 D ...
22891
.....
22892
c
...
22892 D ••••.•
For
various
..
oo
...
00.
00
00
...
0000.
00
..
00
...
0
000
••••••
•..••.
•••...
.......
......
.. 0 ..
....
00
......
00
....
00
.....
00 00
..
00.
00
.....
00
0 0 0
00
....
00
....
0.
0 0 0 0
, , , 27
gauges,
Page
No,
0
23
25
15
13
0
13
190 23
13
23
17
17
17
170 21
35
23
35
13015017
31
15
13
0 31
13
13
17
25
..
35
35
23
0 39
41
41
41
150 23
27 o 29
00
27
37
17
15
15
00
210
230
29
13
39
25
27029
0 31
0
23
31
0 170190 21
270 29
31
33
31
23
41
25
23
15
15
13
0
13
23
13
0
13,
31
17
0 37
27,29
17
13
13
13
13
29
capacities,
Part
No.
22894
c.
22894
D
22894 E ..
22894 F oo
22894 G .......
22894 H .......
22894 J .....••
22894 L .......
22894
p
22899
..
23360
G , ,
23404
F
23404
G
23404
H,
23404
J
23404
K
23405
R
23425
v
28577
.........
28633 L .....
29066 R ...
29105
AD
29126
DE
29133 J .....•.
29133Koo
29348
s
29476
GG
29476GZoooooo
29476HA
29476
KR
29476
MC.,,
29480
KP,
29486
F
33174
B
35178Doooooo.15
35731
A
39141
00
39173
A
39258
39552
39582
39592
39592
c
c
L
z
AK
27,
41255 B .......
41358
.........
41394 A ...... , 13
43137 E ......
43245 N .......
43266
.........
51054
.........
51134
c
51134
p 0
51134 R .......
51134
v
51150
.........
51216 G ........
51216M
51216 N .....
51216
p 0
51221
c;
51235
..
51235 A .......
51235 G .... , ..
512.36 A
51236 B •••••..
51236
D,
51236 E .......
51236
F
51236
G ,
51242 L •••••••
51242
M.,,,,,;
51242
p
51242 R •••••••
etc.
__
available,
00
..
00
00
00.
00
..
oo
...
.••....
00
00
00
.....
00 00
00.
00 00
00,
...
,,,
00 00
00.
00
oo
oo.
00 00
...
.......
oo•.
00 00
00,
00.
..
oo•17
.......
00 00 00
..•••.
•..
00.
...
00
•••
00
••
00.
0000
oo.
00
00
00.
00
00.00
00.
oo
.......
.......
00
....
.......
....
.......
......
.......
.......
......
......
00 00
...
.......
......
00 00
..
00
..
.......
Page
00
170
170 21
,
17
17
17
17,27
17
21
31
• 27 0
37
37
37
37
37
37
37
37
37
00
27,29
17
..
17
25
21
17
27
17
17
21
29
270 29
35
270 29
13
35
oo
19
35
23
,
13
37
,.
37
25
23
, 270 29
270 29
39
170
21
21
21
23
17
17
17
,.
17
17
17
21
35
210 270 29
170190 21
21
21
21
,
21,
,,
210 35
17019
17
17
15
refer
No.
21
29
21,35
35
to
29
0
42
Page 43

NUMERICAL
INDEX
OF
PARTS
Part
No.
51242 s
51242
51242
51243
51244 K
51247
51250 D ..........
51250 F
51254 A
51257 K
51257 M
51257 AA
51270 B
51280 J ••·•··•·••
51282
51282 z
51282
51283 H
51290 T
51291 A
51292 A
51292
51292 D
51292 F
51292 G
51294 M
51294 p
51294 R
51294 z
51295 A ..........
51321 G
51330
51330
51330
51382 A
51406
51454 A
51454 B
51491
51493 D ..........
51493 E
51493 AG
51493
51493 BA
51493 BG
51493 BH
51493
51493
51493
51493
~1770-56
51771
51782 A ..........
51817 A
51830
51830 c
51830 D
51854 E
51854 F
51858
51892
51992 A
52736
52776
52776A
52776 B •••••.••••
52776
52776 E
52776 F ..........
52777
52777 A
52777 B
52777
NOTE: Only the
··········
y
..........
z
..........
c
..........
..........
............
..........
..........
..........
..........
.•••...••
•••••.••••
y
..........
··········
AE
.........
..........
..........
..........
.•••••••••
c
··········
..........
•••••••••.
••.••..•••
..........
..........
..........
··········
••••••.•.•
w
..........
AH
.........
AJ
.........
..........
............
..........
..........
c
..........
..........
.........
AH
.........
.........
••••••••
.•..•.•••
BJ
.........
BK
.........
BP
.........
BQ
.........
.........
............
..........
............
··········
••••••..••
..........
..........
............
............
..........
............
............
••••••••••
c
..........
..........
.•••••••••••
..........
•••••.••••
c
..........
the
listings
:'"rs
basic
on
Page
No.
15
17
15
17
19
17
17
17
15,
23
23
15
13
35
13
13
13
23
15
13
39
39
39
39
39
15
15
15
15
15
17
33
33
33
13
21
13
17
39
15
15
15
15
15
15
15
15
17
15
27,29
27,29
13
17
31
31
31
15
15
13
39
39
35
35
35
35
35
35
35
35
35
35
35
part
pages
23
numbers
Part
No.
52777 D
52777 E
52777 F
52777 G
52777 H
52777 J
52777 K
52778 B .........
52778 D •••••••••
52778 F .........
52778 G .........
52778 H
52778 J •••••••··
52778 K .........
52778 L
52778 M
52841 G
52841 J
52849
c
52854
...........
52882 L .........
52882
M,.
52882
p
52882
u
52882
w
52882
y
52882
AA
52882
AC
52882
AD
52882
AE
52883 R .........
52883
s
52890
c
52891 B
52892
...........
52894
AB
52921 B
52936
...........
52944 T
53716
...........
53752
...........
53782 B •••••••••
53783 A .........
53783 L .........
53783 M .........
53783 N .........
53783
s
53787
...........
53790 A •••••••••
54134 N .........
54135
...........
54158
...........
54158 A .........
54201 B
54201 c
54201 D
54205 A .........
54205 B .........
54205
c
54208
...........
54208 A
A,
54211
54218
...........
54218 A .........
54220 A .........
54220 B .........
54222
...........
54223 A .........
54224 A
54224 B •••••••••
54224
c
54225
...........
54226 A .........
indicated.
are
.........
.••••••••
.........
•••••••••
.........
•••••••••
.........
.........
•••••••••
•••••••..
•.•••••••
.........
·········
.......
.•.••.••.
·········
.........
.........
••••••••
........
.... , ...
........
.........
.........
.........
........
.........
.........
·········
.........
.........
.........
·········
.........
........
•••••••••
..........
shown
in
the
Page
No.
35
35
35
35
35
35
35
35
35
35
35
35
35
35
35
35
17
17
25
25
13
13
13
13
13
13
13
13
13
13
15
23
15
15
39
15
17
15
15
25
25
13
23
23
23
23
23
23
25
21
21
17
17
13
13
13
31
33
33
19
19
23
31
31
31
33
21
19
31
33
33
19
31
index.
Part
No.
54228.A
54230
54230 A .........
54230 E .........
54234 B .........
54234
54242 B .........
54242
54242 D .........
54242 E .........
54243A
54244 A
54244 B
54244
54244 E •••••.•••
54244 F •••••••••
54244 G •••••••••
54244 H
54244 J
54244 K •.••••••.
54244 M .........
54244 N ..........
54244
54245A
54245
54249
54249 B .........
54249
54249 D .........
54259
54264
54264 A .........
54264 B ..••.•.•.
54264
54264 D
54264 F •••••••..
54264 G ••.••••••
54264 H .........
54270
54274 F .........
54274 G •••••••••
54274 H .........
54274 J
54274 K .........
54274
54274 N .........
54274
54274 R •••••.•••
54274 T
54274
54274
54274
54274 X
54275
54275 D .........
54275 E .........
54275 M .........
54276
54276 A .........
54276 L .........
54276 X .........
54277 B
54277
54277 J •••••••••
54277 K
54277 L
54277 M
54277
54278 B .........
54278
54278 T •••••••••
54278
54278
For
various
.........
...........
c
.........
c
·········
.........
.........
.........
c
..........
.........
•..••••••
p
.....
c
...........
c
...........
...........
c
.........
...........
L o o o o o
p
u
v
w
c
...........
c
HA
s
u
v
·'
.........
.........
.........
.........
.........
••
..........
.........
.........
.........
.........
.........
.........
••.•.••••
.........
•••••••••
.........
.........
........
..........
.........
....••...
gauges.
Page
No.
31
31
31
33
21
21
23
15,23
15, 23
2321
21
19
19
19
19
23
19
23
19
19
15
..
19
19
21
25
27, 29
27, 29
27,29
23
37
37
37
37
37
37
37
37
13
27
27
27
27, 29
27
,
·-~7
;;·1,
29
27
27
29
29
29
29
29
27
27
27
29
27
27
27,
29
29
27
27,29
27,29
27
27,29
27,29
27,29
27,29
27
27,29
27,29
27,29
capacities,
-
.
K67659
K67660
K67661
K67662
K67663
K67664
etc.
Part
No.
54278 w
54278 X ........
54278 y
54278
54278
54280
54280 A ........
54282
54282 A •.•....•
54282 B
54285 A ........
54285 B
54285
54293
54293 A ........
54401
54401 A
54417
54418
54418 A
54420
54430
54458
54458 A
54458 B
54458
54458 D ........
54459
54459 A
54459 B
54~64
54485
54485 A
54485 B ........
54491
54491 A
54492
54492 A ........
54492 B ••••••••
54492
54492 D
54492 E
54617
55235 D ........
55235 E ...
55244 G • : • • ~ ••••
56315
56320 R ........
56330 B ........
56330 D ........
56350 A .... · ....
56350 B ••••••••
56354 A ........
56356
56358
56358 A
56390 E ••••••••
56392
57858
59218
59444
61351
61354
61394
80557
80662
.80692
........
·;
.......
AC
.......
AD
.......
..........
..........
........
........
c
........
..........
..........
........
..........
..........
........
........
..........
..........
........
........
c
........
..........
........
........
..........
..........
........
..........
........
..........
c
........
••••••••
..... , ..
..........
..........
..........
.... : .....
........
E,
.......
..........
..........
J
•••••••.
c
........
A ;
.......
AF
.......
..........
..........
..........
..........
..........
..........
..........
..........
..........
available,
."
....
refer
;.
Page
No.
27.29
27
27,29
29
29
13
27,29
13
13
13
19
19
19
15
15
13
13
17
31
31
31
31
17
17
13
31
31
23
13
13
37
19
19
19
39
13
39
39
39
39
39
39
17
27,29
27,29
21
17
33
33
33
17
17
17
23
17
17
17
37
13
31
19
29,
15,
13
31
31
31
31
31
23
39
35
35
to
37
23
43
Page 44

WORLDWIDE
SALES
AND
SERVICE
UnionSpeclaiCooporatlonmaintainssalesandservicefacilifiesthroughout
the
world.
sewing equipmentforyourparticular
ration representatives
are
able
location, there
These
offices will aid
operation. Union Special Corpo-
and
service technicians
to serve your needs prompffy
is
a qualnied representative to serve you.
you
In the selection of the right
are
factory trained
and
efficienHy. Whatever your
and
Brussels,
CharloHe, N.C.
El
Hong Kong, China
Huntiey,IL
Leicester, England
Ulle, France
Miami,FL
Milan, Italy
Moglingen, Germany
Montreal,
Osaka,
Santa
Other Representatives throughout
all parts of the world.
Paso,
Belgium
TX
Quebec
Japan
Fe
Sprlngs,
CA
Finest Quality