Page 1

5T03655D
87654321
A
From MAIN
B
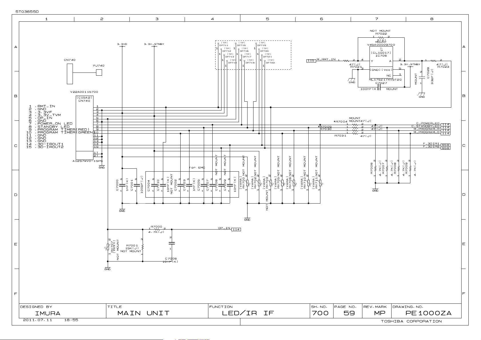
1 .RMT_IN
2 .GND
3 .3.3VF
4 .3.3V_TVM
5 .OP_IN
6 .GND
7 .POWER_ON LED
8 .STANDBY LED
9 .PROGRAM TIMER(RED)
10 .PROGRAM TIMER(GREEN)
11 .GND
12 .GND
13 .GND
14 .3D-IROUT1
15 .3D-IROUT2
C
D
V22A00115700
[C15A2]
CN740
A1257WV0-15PS
A
[TP]
DP35
1
[TP] [TP]
DP361DP37
1
2
3
4
5
6
7
8
9
10
11
12
13
14
15
1T
2T
[TP] [TP]
DP31
1
1
[TP]
DP39
1
[TP]
DP41
1
[TP]
DP42
[TP] [TP]
DP431DP30
1
1
DP32
1
[TP]
DP45
1
[TP]
DP44
1
[TP]
DP34
1
[TP]
DP46
1
[TP]
DP33
1
C_Power_on
C_Stnad_by
C_PTIMER_R
C_PTIMER_O
GND
C_OP_IN
C-3DIR-1
C-3DIR-2
3.3VF
3.3V_TVM
004
004
002
003
003
003
003
R7304
47(J)
1K(J)
R7301
21
21
21
R7403
3.3V_TVM
4.7K(J)
[ZD]
NOT MOUNT
D7400
21
R7404,C7400,C7401,D7401
IC740-2
R7404 47(J)
21
CA
UDZSNPTE-176.8B
Q7308
DTA124EEBTL
C
近傍に配置
[ZD]
D7401
NOT MOUNT
CA
UDZSNPTE-176.8B
3.3V_TVM
E
2
1
C7400
10uF(K)
2
C7401
100nF(K)
1
B
REMOTE
V47A00003200
[HBGP1UD]
2
1
3
4
5
GND
IC740
(VCC)
(Vout)
(GND)
(GND)
(GND)
GP1UE261RKVF
C
D
003
E
F
T.IMURA
2011.07.26 11:45
2010_LED_RMT
R7302
33K(J)
GND
FUNCTIONTITLE
SH.NO.DESIGNED BY
22k+22k
B
[TRPD]
C
[TRNC]
Q7309
B
E
DTC124EEBTL
GND
PAGE NO. REV.MARK DRAWING.NO.
RMT 1 1 00 ???
TOSHIBA CORPORATION
E
F
Page 2

5T03655D
87654321
A
B
Brightness sensor
IC730-1番pin
C
001
C_OP_IN
R7300
D
21
100nF(K)
68K(J)
近傍に配置
C7300
CA
2
1
D7300
[ZD]
GND
V44A00005100
PHOTO SENSOR
[V-L96601]
1
VOUT
PIC96601
UDZSNPTE-176.8B
IC730
VCC
2
IC730-2
100nF(K)
C7301
GND
3.3VF
番
2
1
pin
[ZD]
近傍に配置
CA
D7301
UDZSNPTE-176.8B
A
B
C
D
E
F
T.IMURA
2011.07.26 11:45
2011_LED_RMT
FUNCTIONTITLE
LED SENSOR
SH.NO.DESIGNED BY
22
PAGE NO. REV.MARK DRAWING.NO.
00
???
TOSHIBA CORPORATION
E
F
Page 3

5T03655D
A
B
001
C_PTIMER_O
R7312
470(J)
1608
21
B
R7314
47K(J)
21
470(J)
R7311
PROGRAM TIMER
予約
実行
C
Q7303
E
2SC4116-Y(TE85L,F)
orange
RED
21
UDZSNPTE-176.8B
C2
C1
SML-020MLTT86
V44A00005000
[V-LEDMX2J]
DS731
GREEN
RED
UDZSNPTE-176.8B
[ZD]
D7307
[ZD]
CA
CA
D7308
87654321
3.3V_TVM
A
A2
A1
B
GND
C
001
C_PTIMER_R
R7315
1.5K(J)
1608
21
R7316
C
B
E
2SC4116-Y(TE85L,F)
47K(J)
21
GND
D
E
Q7302
1K(J)
R7313
21
3.3V_TVM
C
D
E
001
001
C_Power_on
C_Stnad_by
R7413
470(J)
R7414
1.5K(J)
21
21
B
R7415
47K(J)
21
GND
B
R7416
47K(J)
21
470(J)
R7417
Power
ON Green
standby RED
C
Q7306
E
2SC4116-Y(TE85L,F)
1K(J)
R7418
C
E
2SC4116-Y(TE85L,F)
Q7307
MOUNT
21
21
UDZSNPTE-176.8B
C2
C1
SML-020MLTT86
MOUNT
V44A00005000
[V-LEDMX2J]
DS734
GREEN
RED
UDZSNPTE-176.8B
[ZD]
D7404
[ZD]
CA
CA
A2
A1
D7405
F
T.IMURA
2011.07.26 11:45
2010_LED_RMT
FUNCTIONTITLE
LED Driver
GND
SH.NO.DESIGNED BY
3
PAGE NO. REV.MARK DRAWING.NO.
3
00
**
F
TOSHIBA CORPORATION
Page 4

5T03655D
87654321
A
21
21
21
21
DS750
001
C-3DIR-1
SFH4250S
23
A
A
[V-LEDSFH]
B
C
A
41
C
D
C-3DIR-2
001
E
DS752
SFH4250S
23
A
A
A
[V-LEDSFH]
C
41
DS751
SFH4250S
23
A
A
1
DS753
SFH4250S
23
A
A
A
[V-LEDSFH]
C
41
[TP] [TP]
DP752
DP753
1
A
[V-LEDSFH]
C
41
R7500
21
R7501
21
R7502
21
R7503
21
R7516
21
R7517
21
R7518
21
250mW
15(J)
250mW
15(J)
250mW
15(J)
250mW
15(J)
250mW
15(J)
250mW
15(J)
250mW
15(J)
R7504
21
R7505
21
R7506
21
R7507
GND
21
R7520
21
R7521
21
R7522
21
250mW
15(J)
250mW
15(J)
250mW
15(J)
250mW
15(J)
250mW
15(J)
250mW
15(J)
250mW
15(J)
R7508
21
R7509
21
R7510
21
R7511
21
R7524
21
R7525
21
R7526
21
250mW
15(J)
250mW
15(J)
250mW
15(J)
250mW
15(J)
250mW
15(J)
250mW
15(J)
250mW
15(J)
R7512
21
R7513
21
R7514
21
R7515
21
R7528
21
R7529
21
R7530
21
250mW
15(J)
250mW
15(J)
250mW
15(J)
250mW
15(J)
250mW
15(J)
250mW
15(J)
250mW
15(J)
A
B
C
D
E
F
M.SATO
2011.07.26 11:45
250mW
15(J)
[TP]
DP755
1
[TP]
DP756
1
R7519
FUNCTIONTITLE
R7523
GND
250mW
15(J)
R7527
250mW
15(J)
SH.NO.DESIGNED BY
R7531
250mW
15(J)
PAGE NO. REV.MARK DRAWING.NO.
2011_LED_RMT 3D-IR 4 4 00
F
TOSHIBA CORPORATION
Page 5

5T03655-2E
TOSHIBA CONFIDENTIAL
SCHEMATIC DIAGRAMS
UNIT NAME
PWA NAME
PWB NAME
PAGE
1
--- COVER SHEET
2
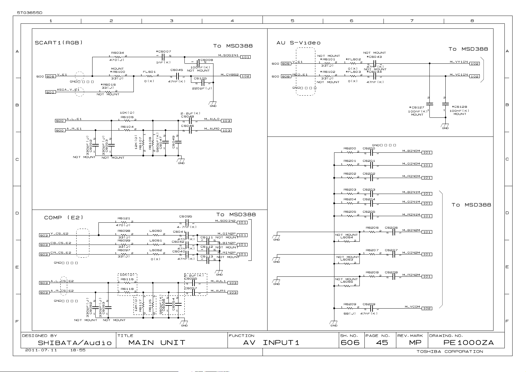
101 MStar (Component Video)
3
102 MStar(CVBS, VIF)
4
103 MStar (Audio, SIF)
5
104 Mstar(CI)
6
105 Mstar(TS)
7
106 Mstar(HDMI 1/2)
8
107 Mstar(HDMI 2/2)
9
108 MStar(LVDS 1/2)
10
109 MStar(LVDS 2/2)
11
110 MStar (DDR A)
12
111 MStar (DDR B)
13
112 MStar (DDR C)
14
113 Mstar (NAND, FRC)
15
114 MStar (GPIO)
115 Mstar (USB, MISC)
16
17
116 MStar (Power 1/3)
18
117 MStar (Power 2/3)
19
118 MStar (Power 3/3)
20
120 PERI (XTAL, STRAPS)
121 RESET, I2C
21
122 PERI (SERIAL)
22
126 DDR3 SDRAM
23
127 DDR3 Damping Resistors
24
128 DDR3 Damping Resistors
25
APPROVED BY CHECKED BY TITLE TOTAL PAGE NO. REV.MARK DRAWING.NO.DESIGNED BY
MAIN
FUNCTION
REV
MP
MP
MP
MP
MP
MP
MP
MP
MP
MP
MP
MP
MP
MP
MP
MP
MP
MP
MP
MP
MP
MP
MP
MP
MP
PRODUCT NAME
PAGE
129 DDR3 SDRAM
26
130 DDR3 Series Resistors
27
131 EBUS RESISTOR
28
132 SPI FLASH
29
134 NAND FLASH
30
150 ETHER PHY
31
151 RJ45 CONNECTOR
32
160 USB CONNECTOR(side)
33
310 AUDIO TV OUTPUT
34
321 Headphone AMP
35
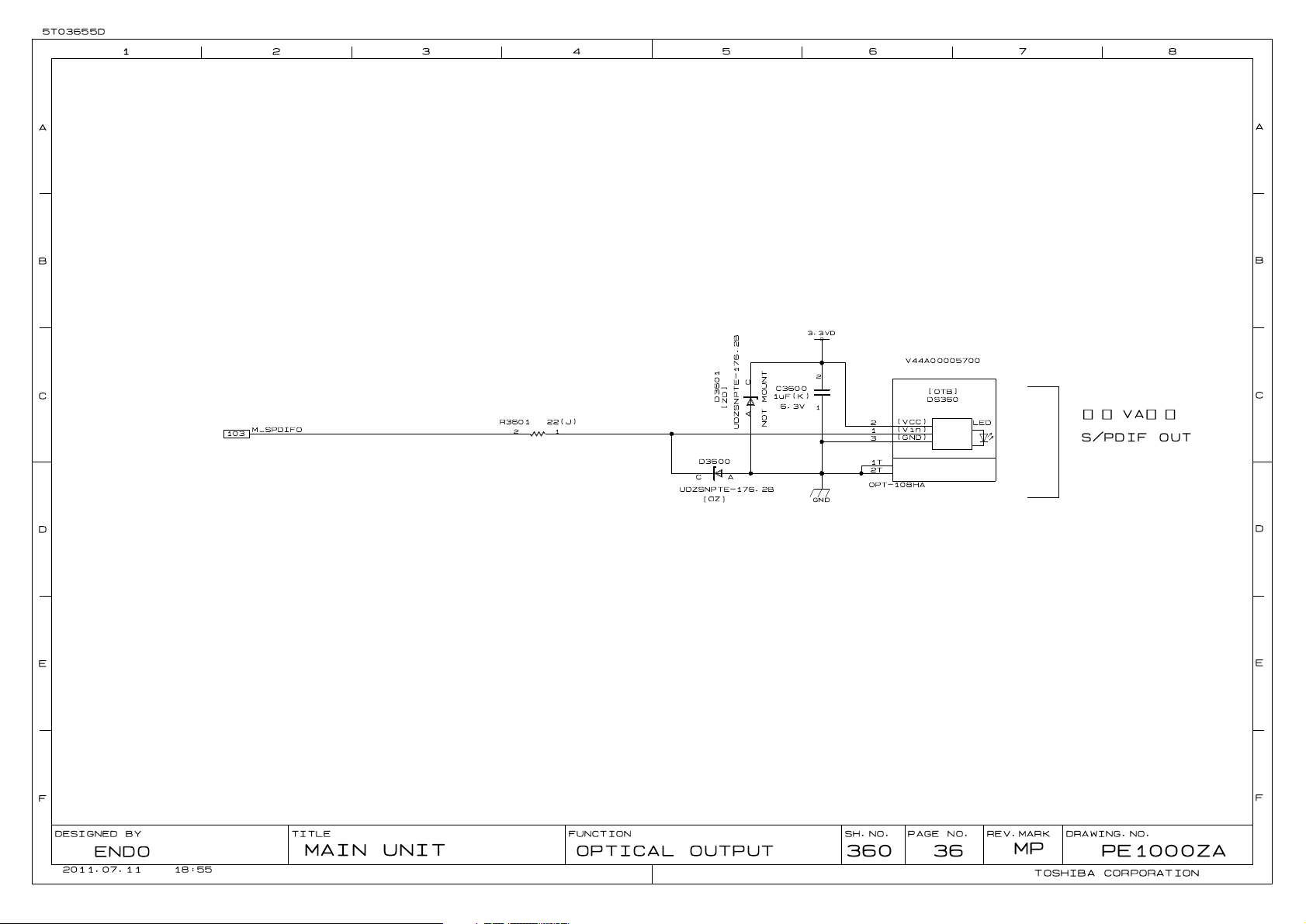
360 OPTICAL OUTPUT
36
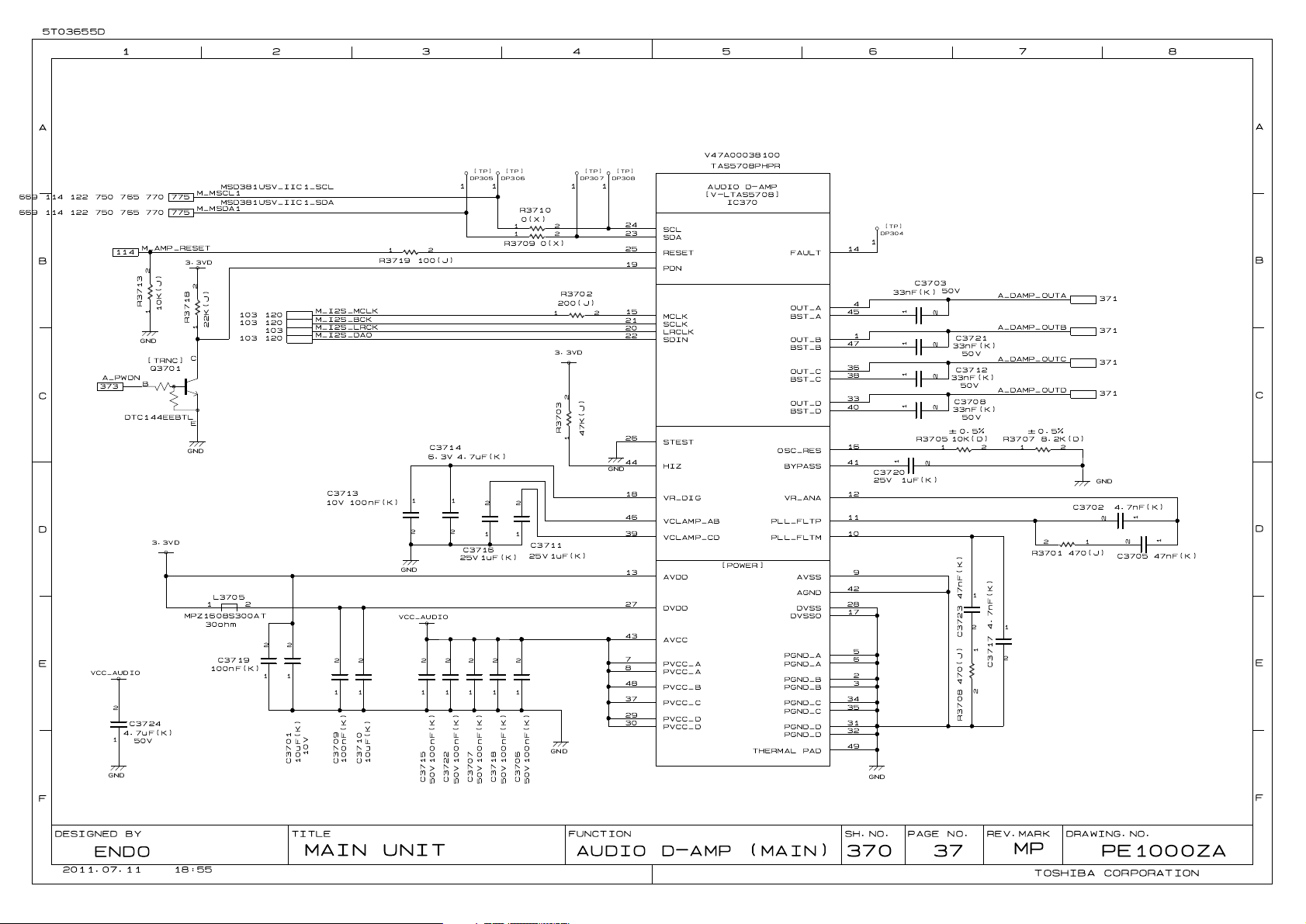
370 AUDIO D-AMP (MAIN)
37
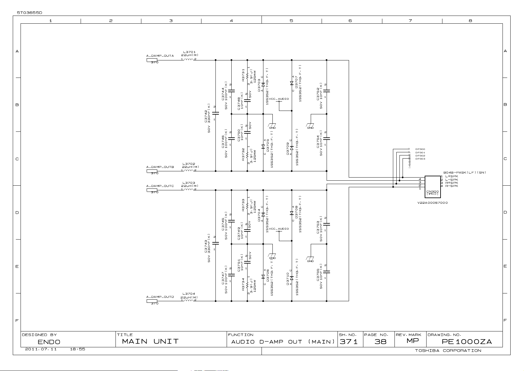
371 AUDIO D-AMP OUT (MAIN)
38
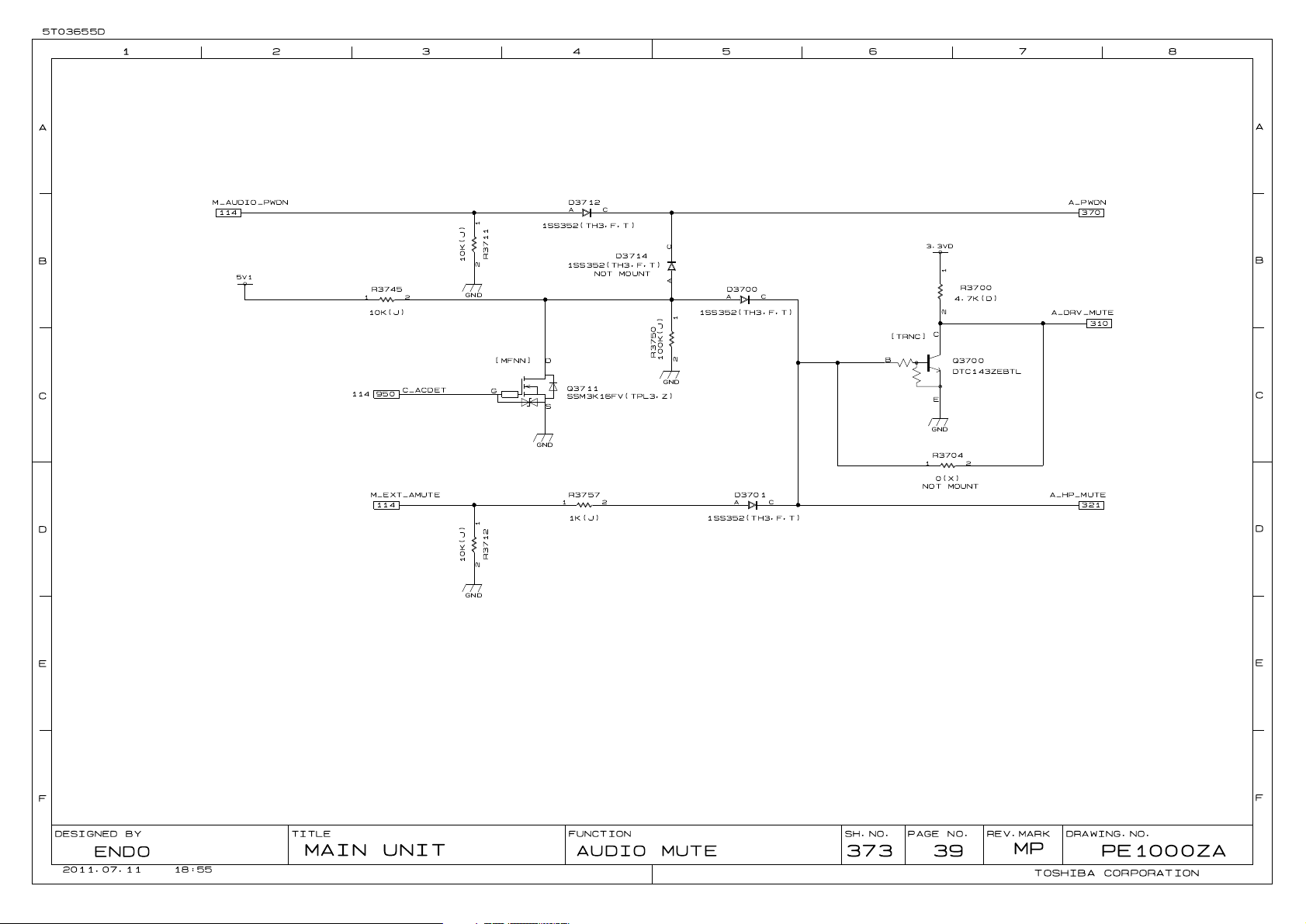
373 AUDIO MUTE
39
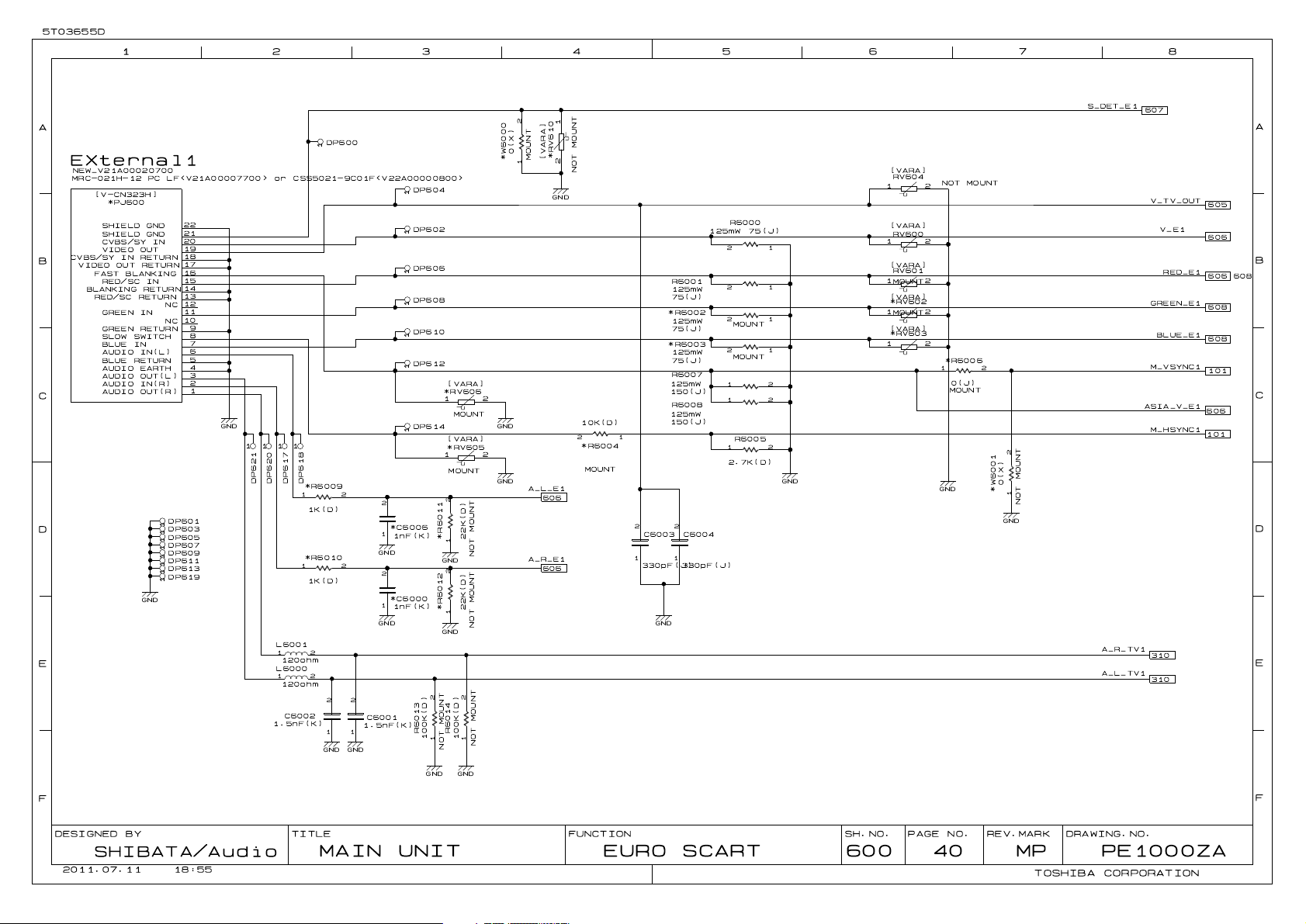
600 EURO SCART
40
601 FRONT AV
41
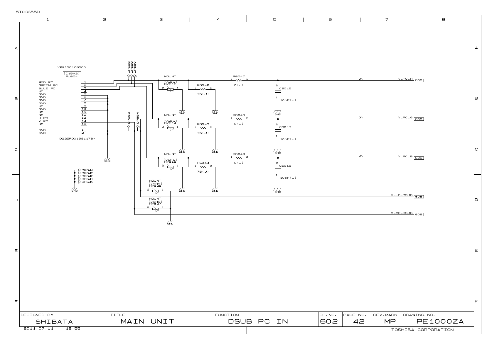
602 DSUB PC IN
42
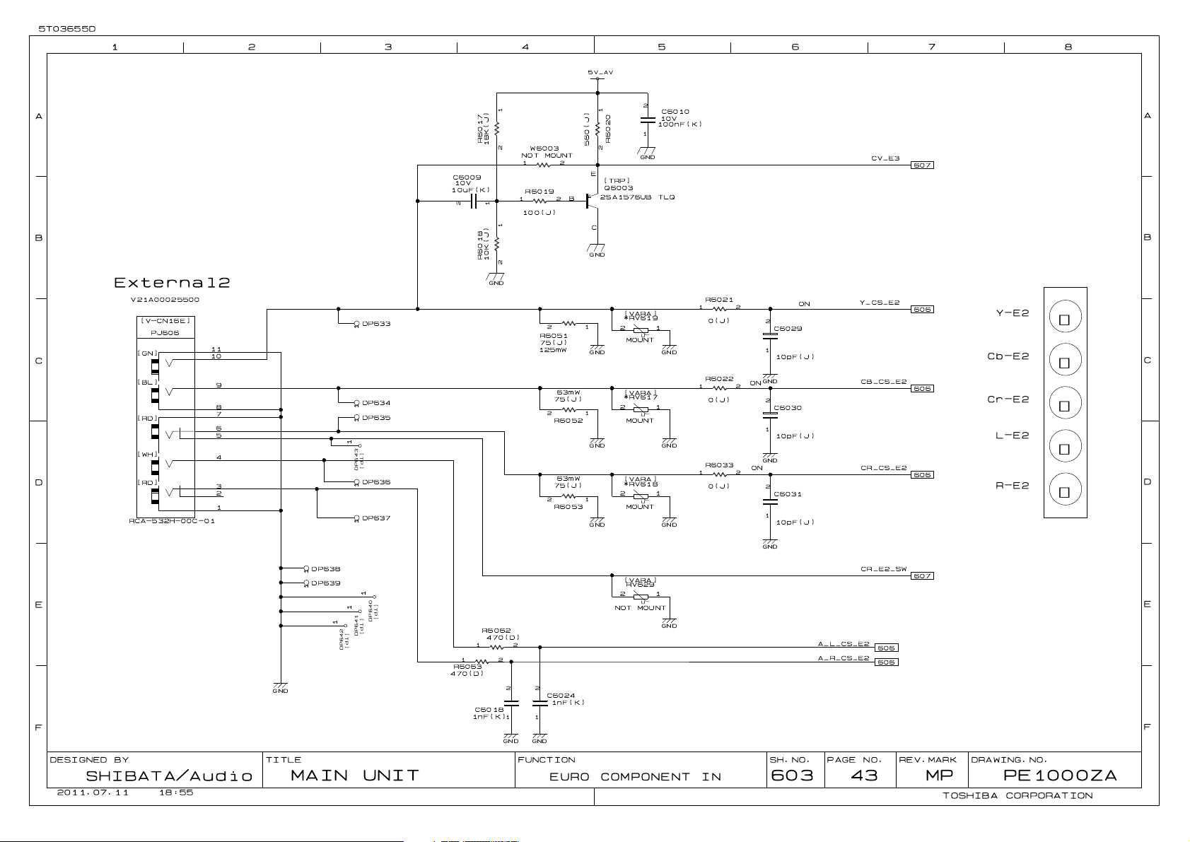
603 EURO COMPONENT IN
43
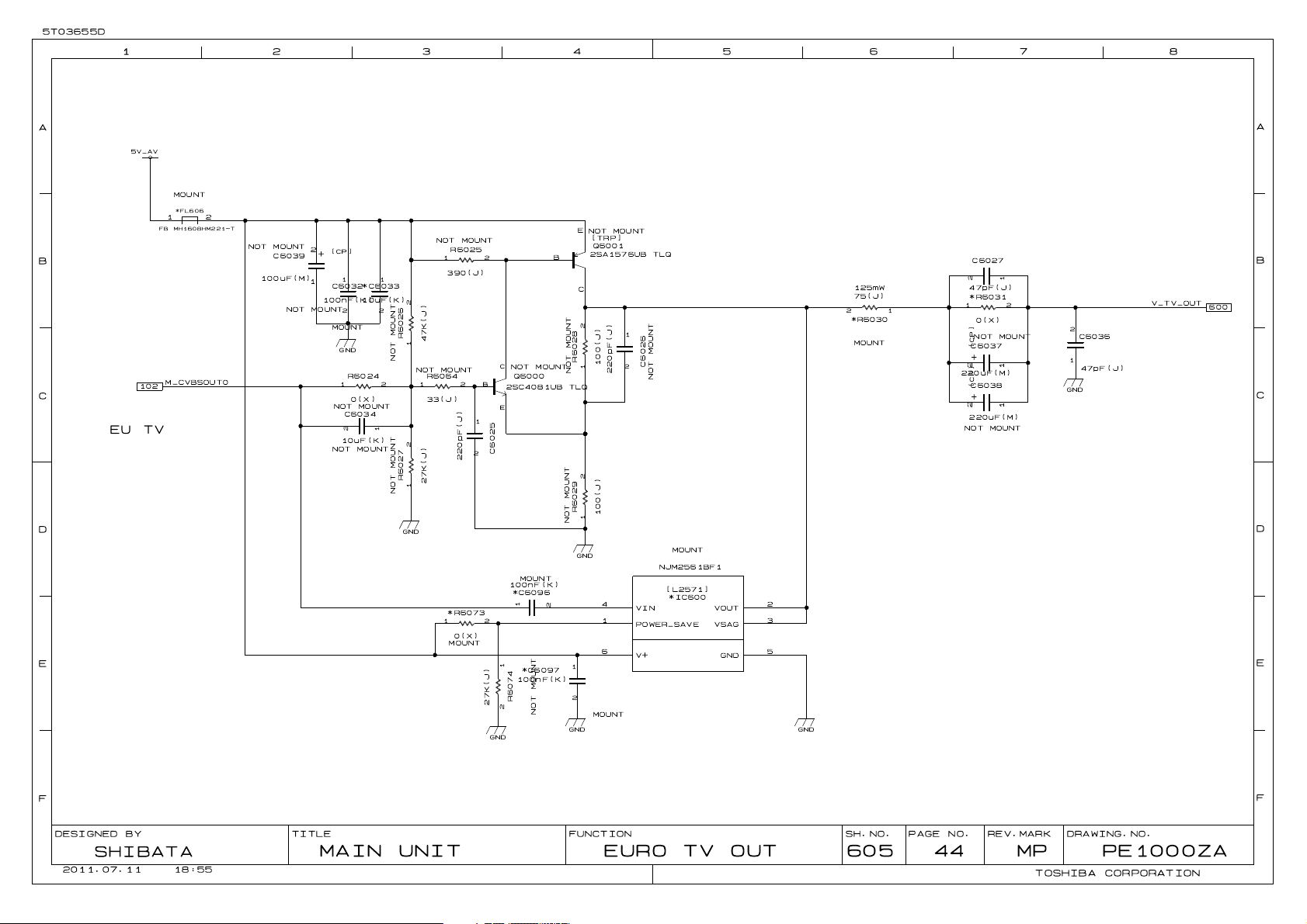
605 EURO TV OUT
44
606 AV INPUT1
45
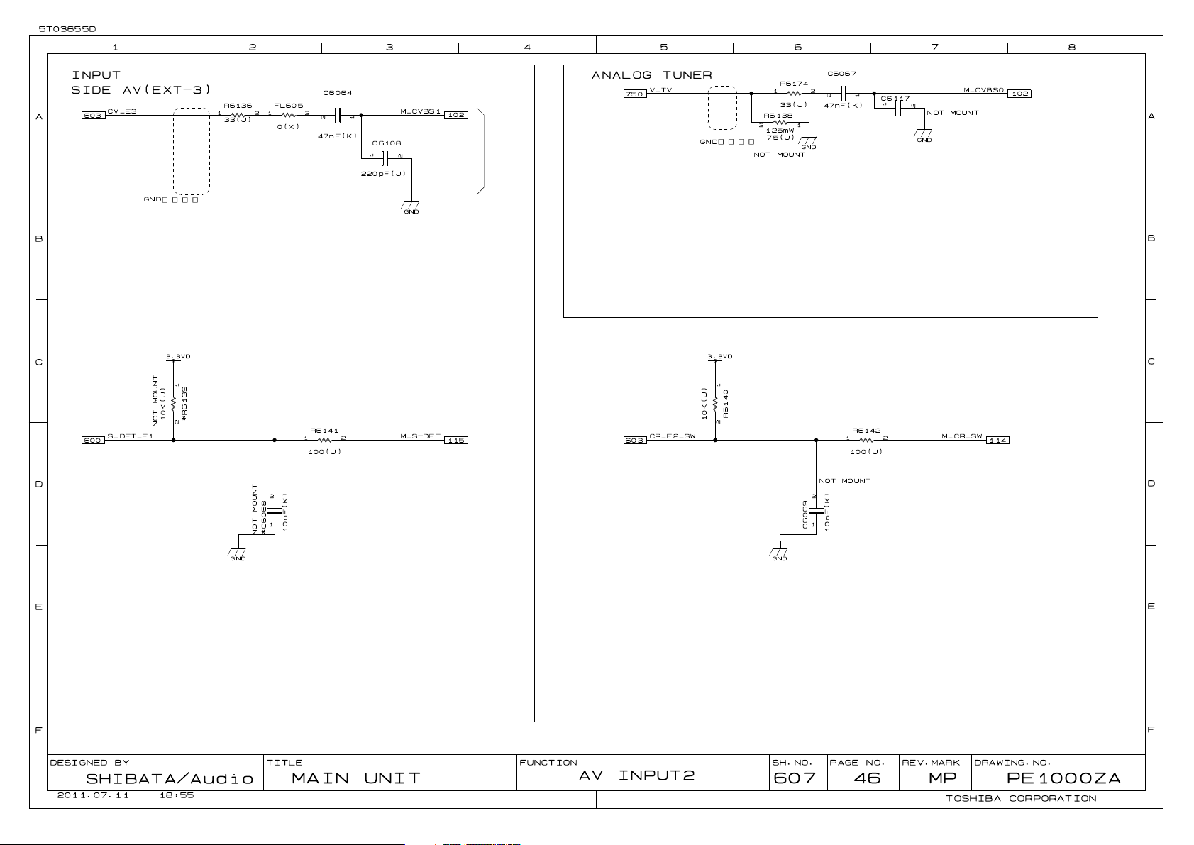
607 AV INPUT2
46
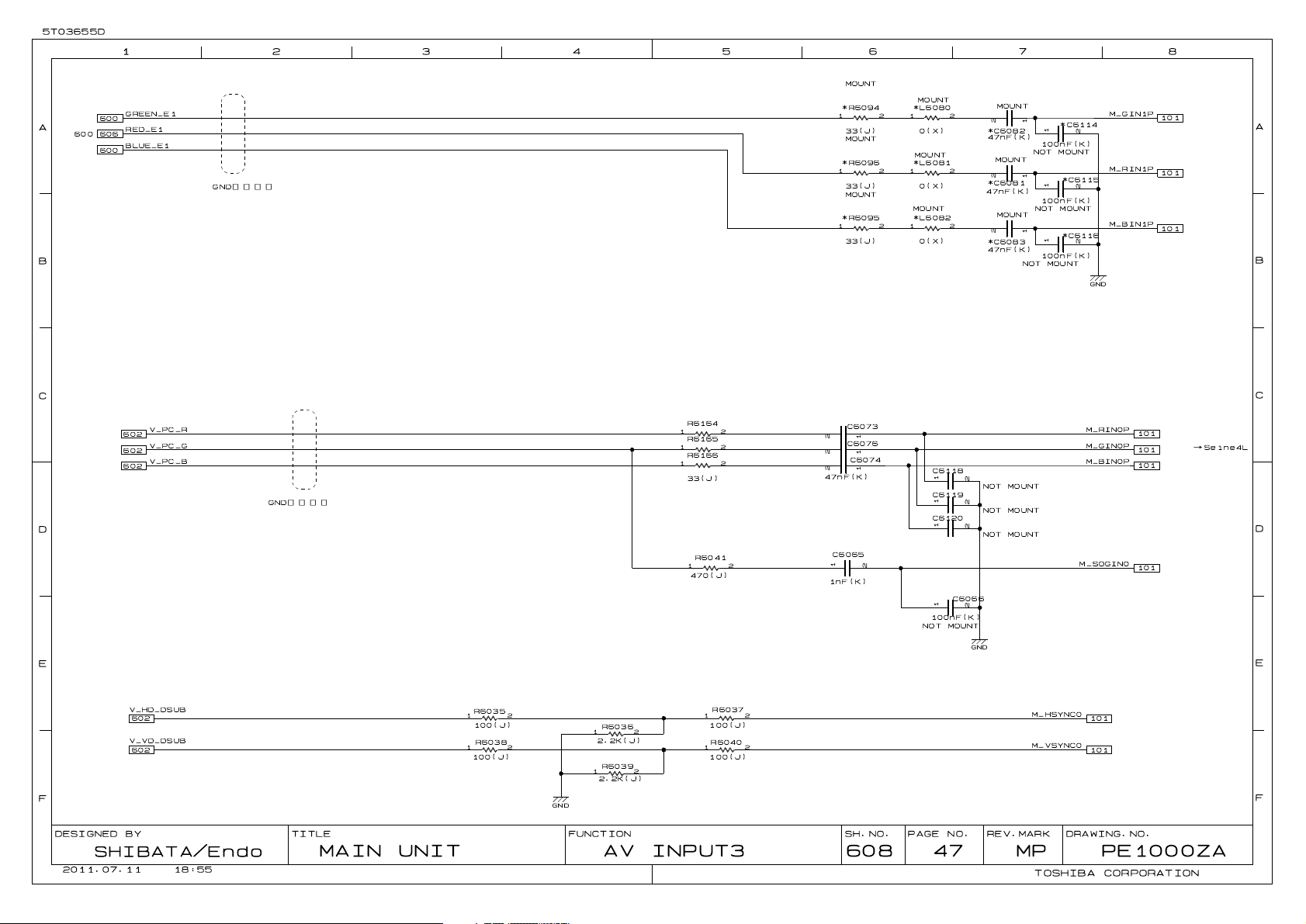
608 AV INPUT3
47
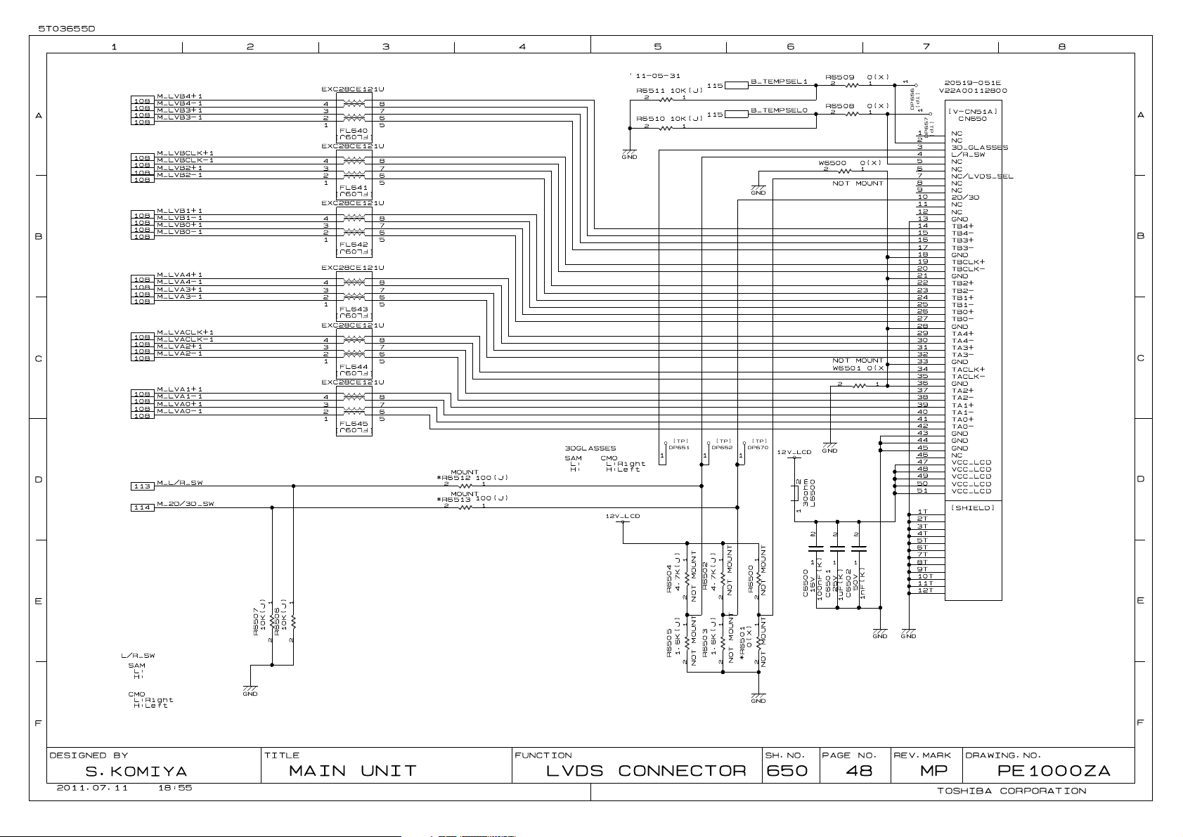
650 LVDS CONNECTOR
48
651 LVDS CONNECTOR
49
652 BL_CONTROL & DIMMING
50
FUNCTION
TL838/868
PAGE FUNCTION FUNCTION
REV
MP
51
MP
52
MP
53
MP
54
MP
55
MP
56
MP
57
MP
58
MP
59
MP
60
MP
61
MP
62
MP
63
MP
64
MP
65
MP
66
MP
67
MP
68
MP
69
MP
70
MP
71
MP
72
MP
73
MP
74
MP
75
UNIT NO.
PWA NO.
PWB NO.
658 -
660 HDMI CONNECTOR
661 HDMI 5VPWR
662 HDMI HPD(1)
663 HDMI HPD(2)
664 HDMI DDC
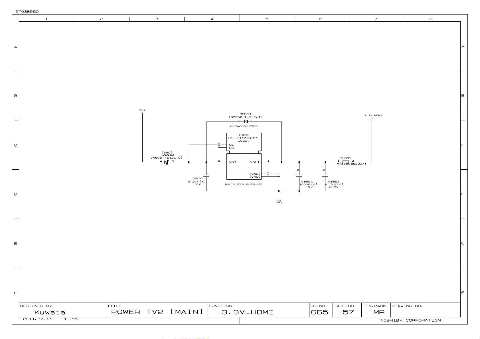
665 3.3V_HDMI
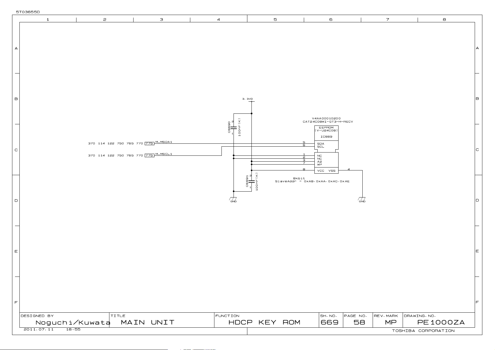
669 HDCP KEY ROM
700 LED/IR IF
701 5V LED/KEY
704 TVM FAN CONTROL
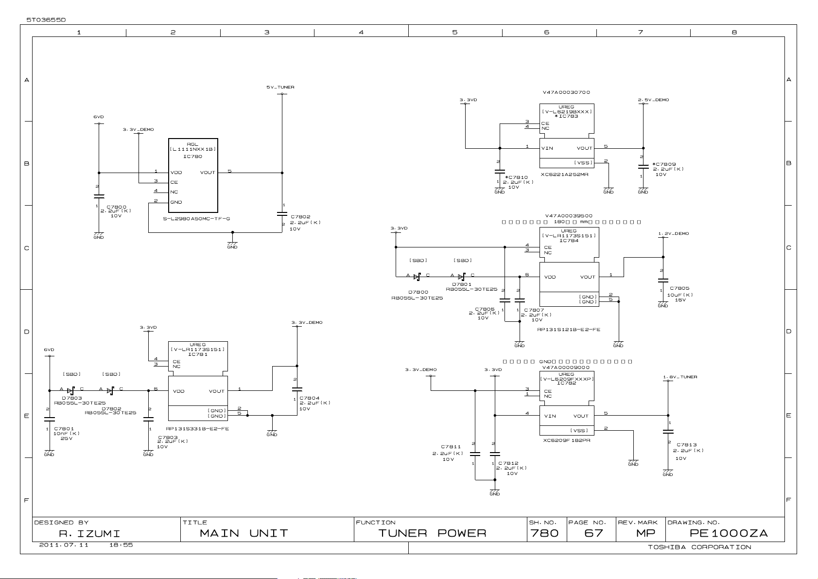
750 TUNER
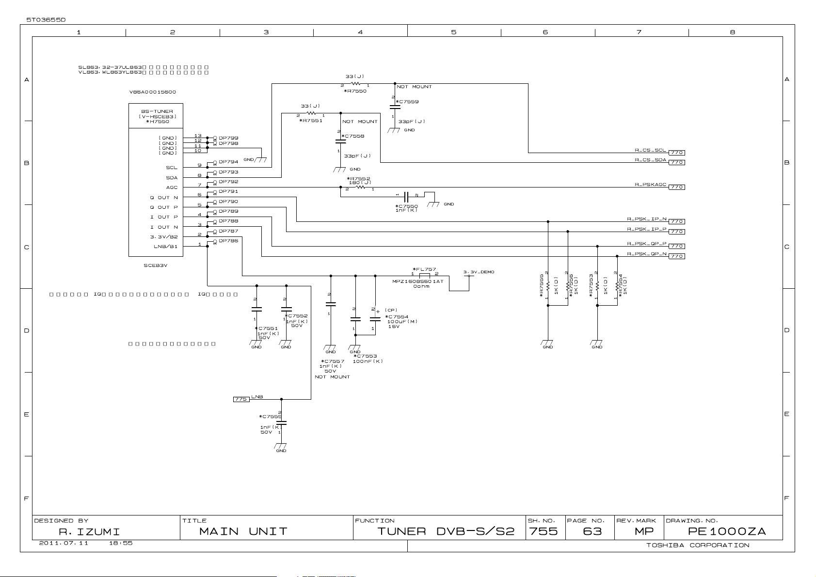
755 TUNER DVB-S/S2
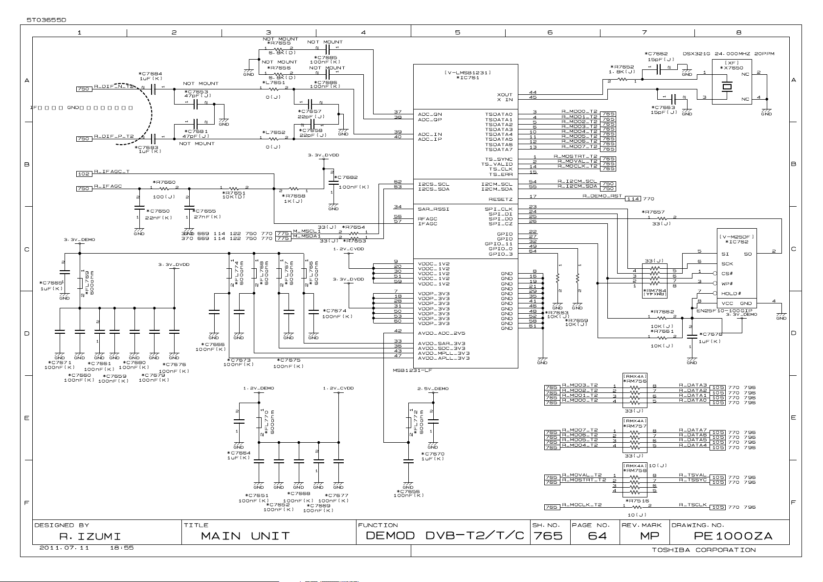
765 DEMOD DVB-T2/T/C
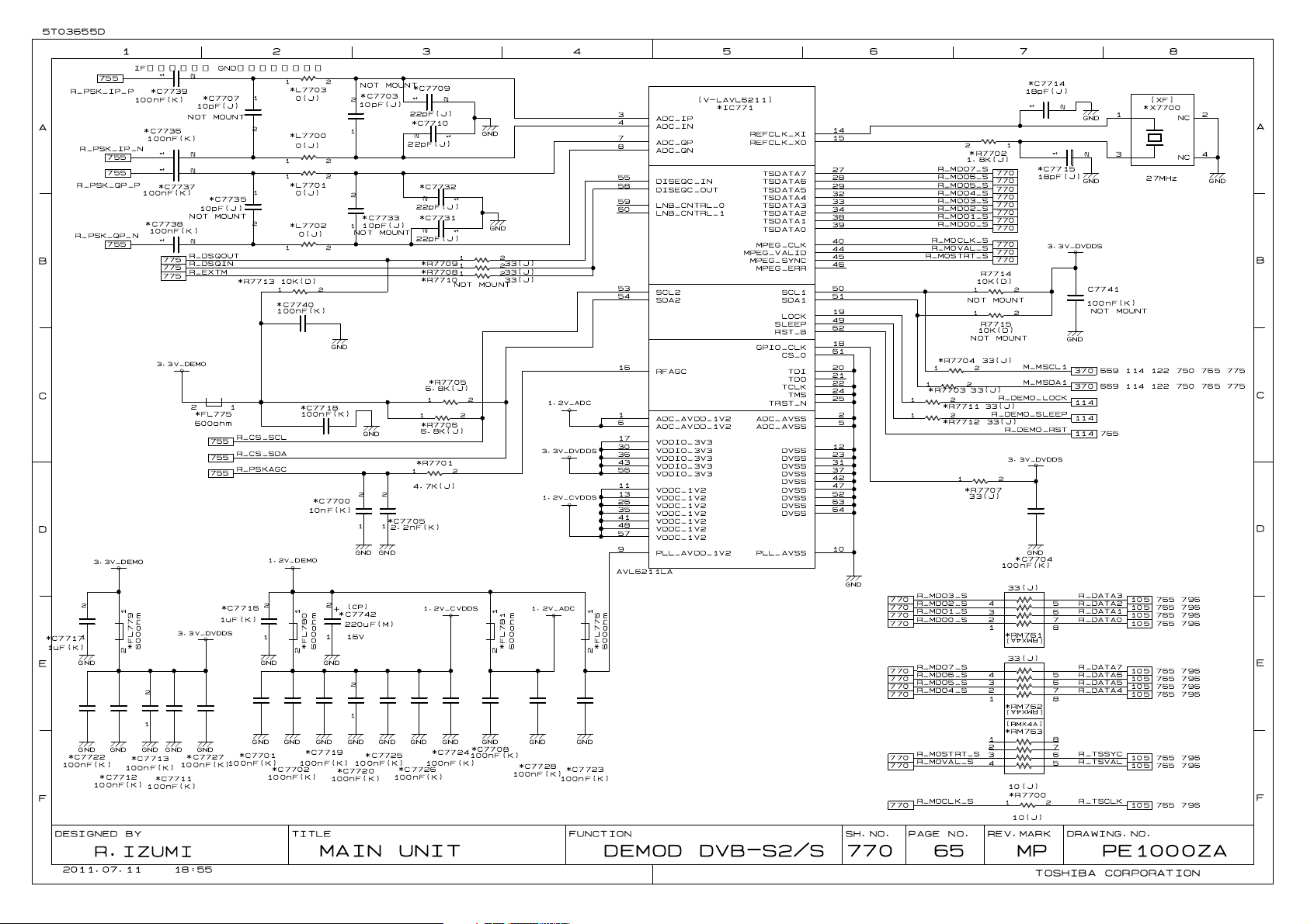
770 DEMOD DVB-S2/S
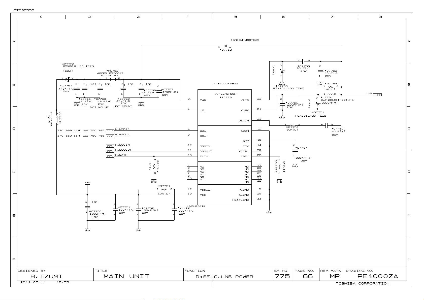
775 DiSEqC,LNB POWER
780 TUNER POWER
790 CI TS RESISTOR
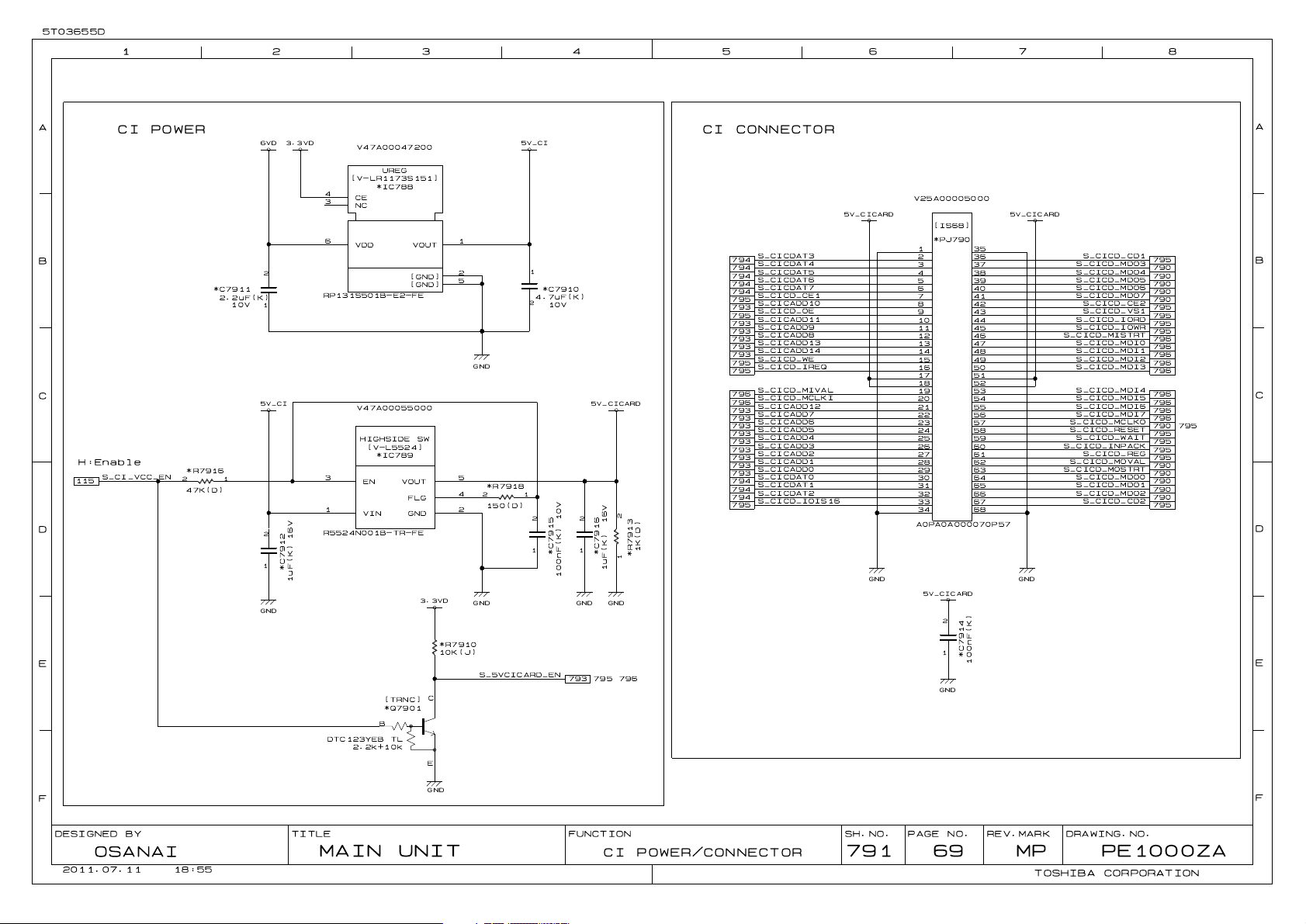
791 CI POWER/CONNECTOR
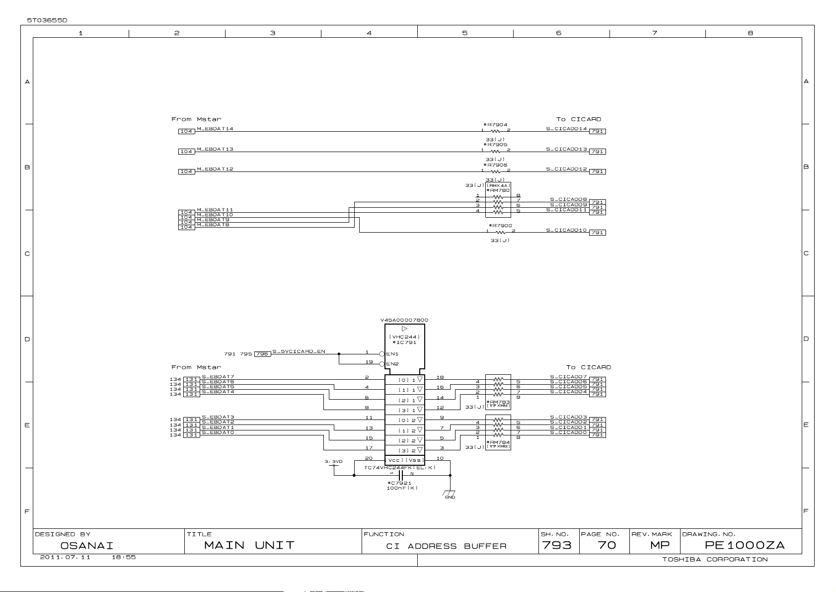
793 CI ADDRESS BUFFER
794 CI DATA RESISTOR
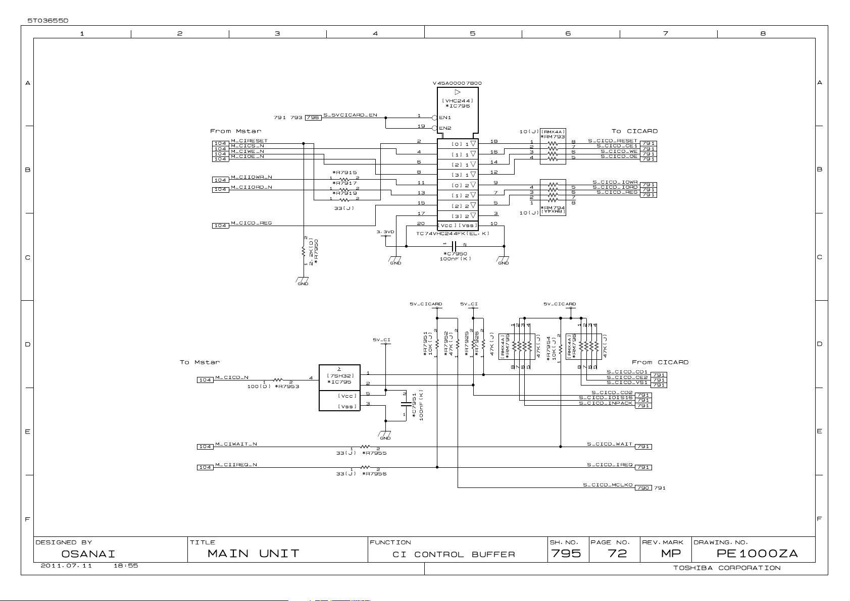
795 CI CONTROL BUFFER
796 CI TS OUTPUT BUFFER
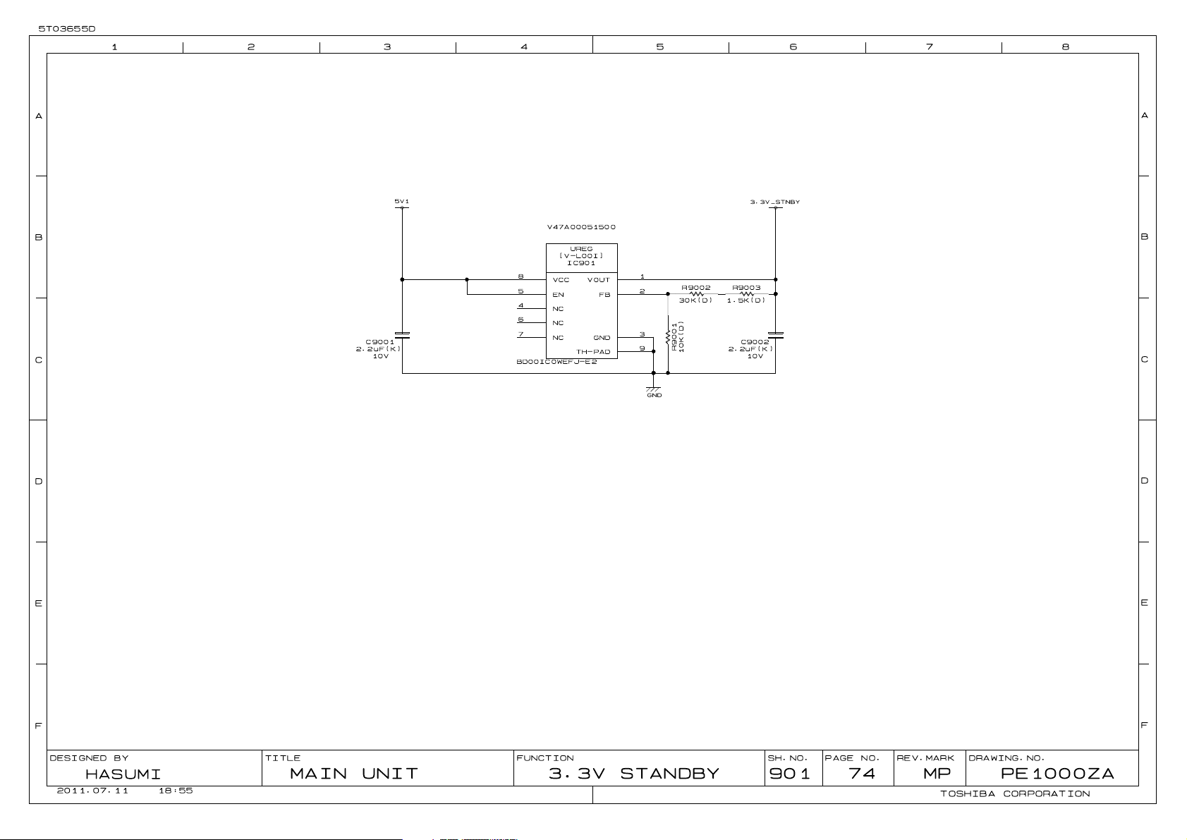
901 3.3V STANDBY
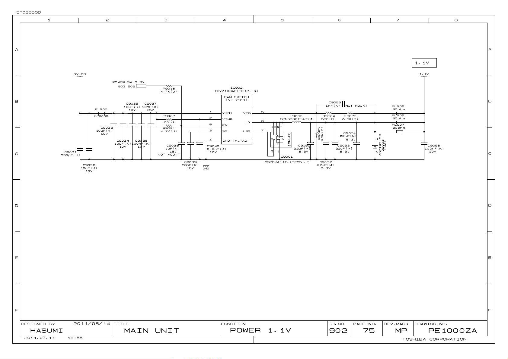
902 POWER 1.1V
PE1000ZA
PAGE
REV
MP
MP
MP
MP
MP
MP
MP
MP
MP
MP
MP
MP
MP
MP
MP
MP
MP
MP
MP
MP
MP
MP
MP
MP
MP
SH.SH.SH.SH.
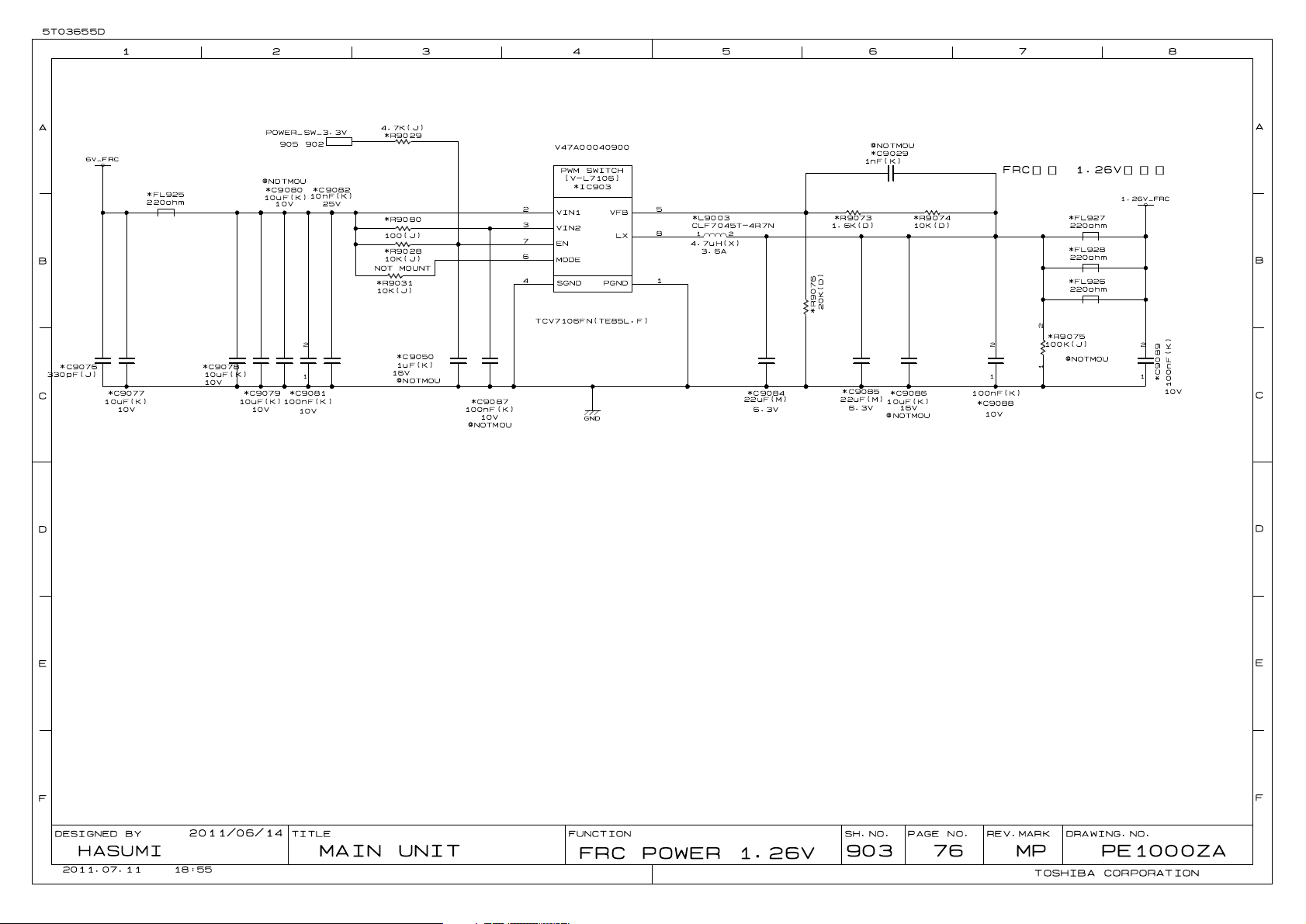
903 FRC POWER 1.26V
76
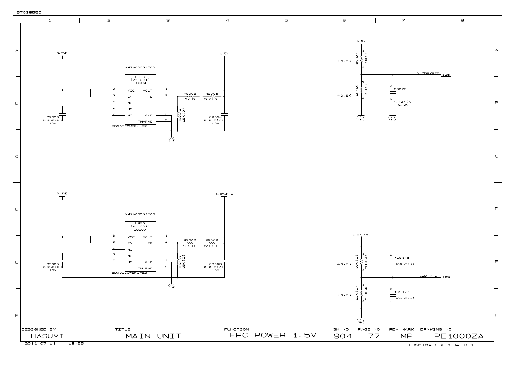
904 FRC POWER 1.5V
77
905 POWER 3.3VD
78
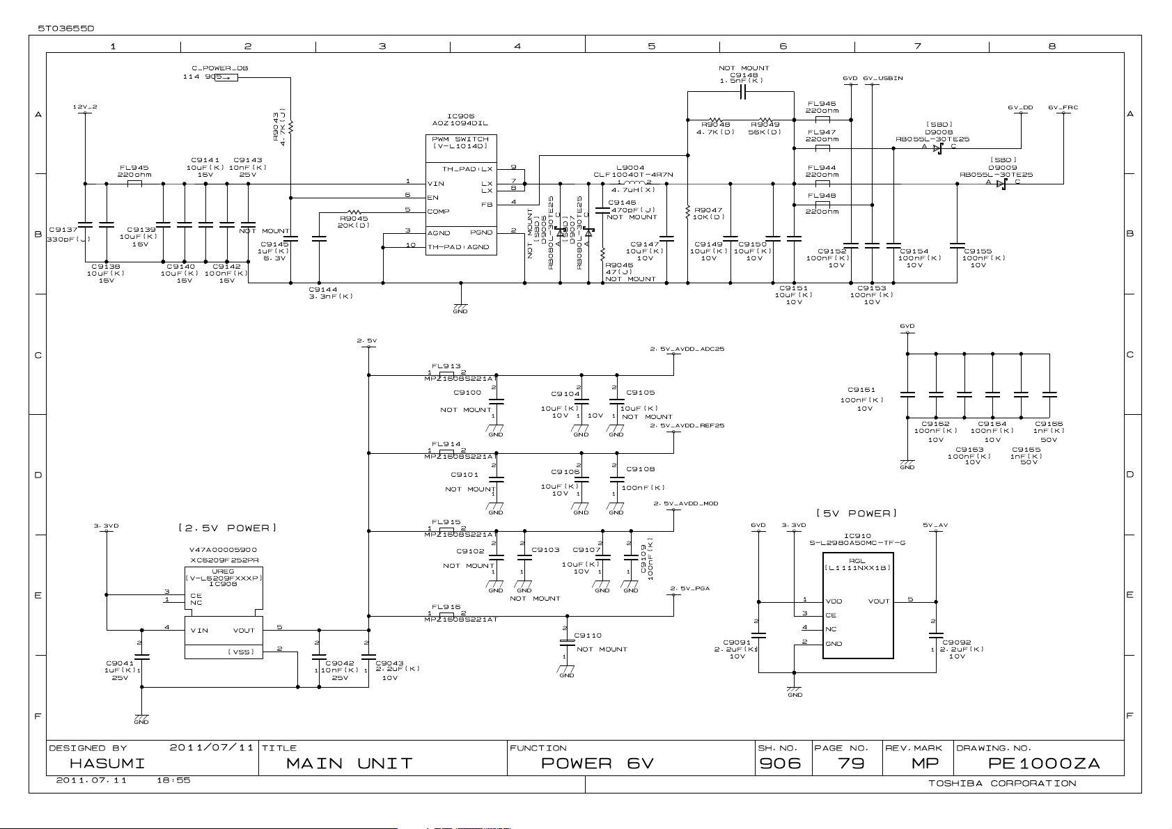
906 POWER 6V
79
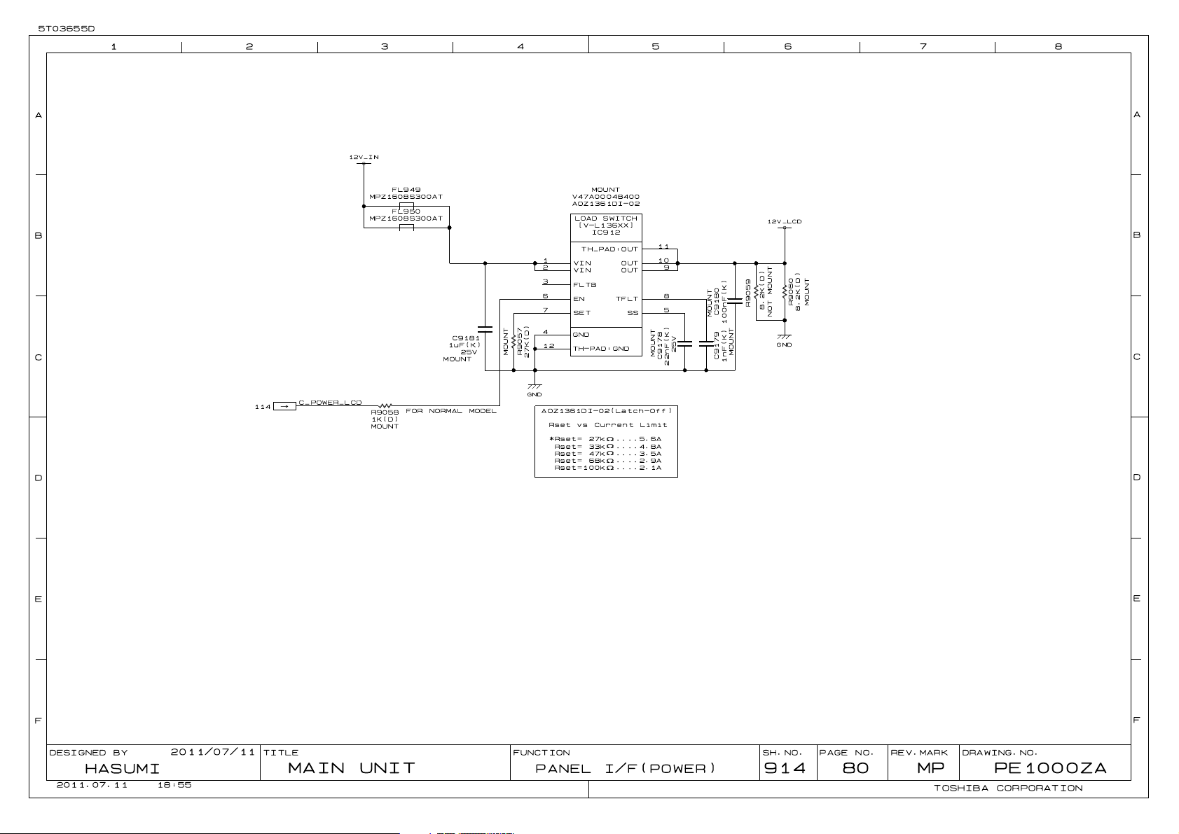
914 PANEL I/F(POWER)
80
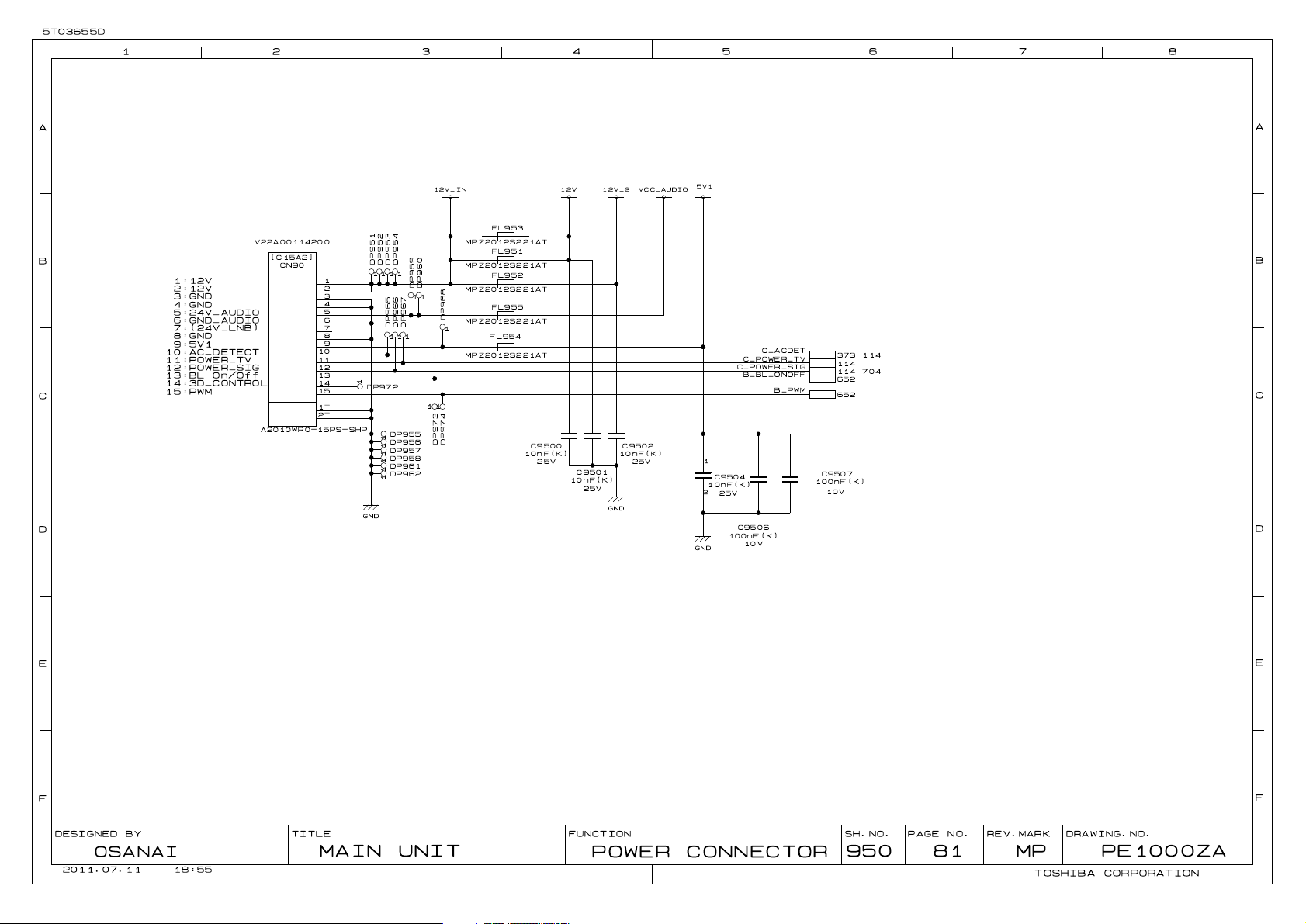
950 POWER CONNECTOR
81
960 EMC CONTROL
82
83
84
85
86
87
88
89
90
91
92
93
94
95
96
97
98
99
100
REV
MP
MP
MP
MP
MP
MP
MP
IWANO
2011.07.11 18:54
基板へ渡す値
OSANAI
MAIN UNIT 1 MP PE1000ZA
82
TOSHIBA CORPORATION
Page 6

5T03655D
87654321
A
V46A00065300
[V-U388USV]
1/18
IC100
[ANALOG VIDEO INTERFACE]
M_ADCIM
750
M_ADCIP
B
C
D
750
608
608
606
608
606
608
608
606
608
600
600
606
608
606
608
606
606
608
M_HSYNC0
M_VSYNC0
M_BIN0M
M_BIN0P
M_GIN0M
M_GIN0P
M_SOGIN0
M_RIN0M
M_RIN0P
M_HSYNC1
M_VSYNC1
M_BIN1M
M_BIN1P
M_GIN1M
M_GIN1P
M_SOGIN1
M_RIN1M
M_RIN1P
AE2
AE1
M4
M5
L3
K1
M3
L1
L2
M1
M2
P4
N4
N2
N1
P2
P1
N3
R1
P3
IM
IP
HSYNC0
VSYNC0
BIN0M
BIN0P
GIN0M
GIN0P
SOGIN0
RIN0M
RIN0P
HSYNC1
VSYNC1
BIN1M
BIN1P
GIN1M
GIN1P
SOGIN1
RIN1M
RIN1P
A
B
C
D
E
F
OSANAI
2011.07.11 18:54
606
606
606
606
606
606
606
MAIN UNIT
M_BIN2M
M_BIN2P
M_GIN2M
M_GIN2P
M_SOGIN2
M_RIN2M
M_RIN2P
R4
HSYNC2
R3
R2
T3
T2
T1
U2
U1
MSD388USV-V6
(NC when not in use)
BIN2M
BIN2P
GIN2M
GIN2P
SOGIN2
RIN2M
RIN2P
FUNCTIONTITLE
MStar (Component Video)
SH.NO.DESIGNED BY
PAGE NO. REV.MARK DRAWING.NO.
101 2 MP PE1000ZA
TOSHIBA CORPORATION
E
F
Page 7

5T03655D
87654321
A
V46A00065300
[V-U388USV]
2/18
B
606
606
606
607
607
M_VC1IN
M_VY1IN
M_CVBS2
M_CVBS1
M_CVBS0
V1
V2
U3
V3
W2
[ANALOG VIDEO INTERFACE]
CVBS4
CVBS3
CVBS2
CVBS1
CVBS0
IC100
CVBSOUT1
CVBSOUT0
T5
T4
M_CVBSOUT0
605
C
2.5V_PGA
2
C1020
1
100nF(K)
D
606
M_VCOM
W1
VCOM
AF2
VIFM
AD3
VIFP
T8
PGA_COM
MSD388USV-V6
[VIF INTERFACE]
RFAGC/TAGC
IF_AGC
AE4
AC4
R_IFAGC_T
765
A
B
C
D
E
F
OSANAI
2011.07.11 18:54
GND
MAIN UNIT
FUNCTIONTITLE
MStar(CVBS, VIF)
SH.NO.DESIGNED BY
PAGE NO. REV.MARK DRAWING.NO.
102 3 MP PE1000ZA
TOSHIBA CORPORATION
E
F
Page 8

5T03655D
87654321
A
V46A00065300
[V-U388USV]
3/18
IC100
AB24
I2S_IN_WS
AC26
B
I2S_IN_SD
AB25
I2S_IN_BCK
J7 H4
SPDIFI SPDIFO
C
M_AUL0
606
M_AUR0
606
M_AUL1
606
M_AUR1
606
D
GND
2
C1037
100pF(J)
1
R1030
47(J)
R1031
47(J)
E
750
M_SIFP
21
21
C1035
100nF(K)
1
1
C1036
100nF(K)
W5
W4
AA1
AA2
U7
V7
W6
W7
Y4
Y5
Y6
AA4
2
AE3
2
AF3
MSD388USV-V6
AUL0
AUR0
AUL1
AUR1
AUL2
AUR2
AUL3
AUR3
AUL4
AUR4
AUL5
AUR5
SIFM
SIFP
[I2S IN/OUT]
(PU)
(PU)
(PU)
(PU)
[S/PD IN/OUT]
(PU) (PU)
[ANALOG AUDIO INTERFACE]
(NC when not in use)
(NC when not in use)
(NC when not in use)
(NC when not in use)
(NC when not in use)
(NC when not in use)
[SIF INTERFACE]
I2S_OUT_WS
(PU)
I2S_OUT_SD
(PU)
I2S_OUT_SD1
(PU)
I2S_OUT_SD2
(PU)
I2S_OUT_SD3
(PU)
I2S_OUT_MCK
(PU)
I2S_OUT_BCK
(PU)
PWM4/I2S_OUT_MUTE
AUOUTL0
AUOUTR0
AUOUTL1
AUOUTR1
AUOUTL2
AUOUTR2
EAR_OUTL
EAR_OUTR
AUVRM
AUVRP
AUVAG
C21
A22
D20
E20
E19
B21
B22
AD23
AA3
AB1
Y2
Y3
W3
Y1
AB2
AB3
V4
V6
V5
M_I2S_LRCK
M_I2S_MCLK
100nF(K)
C1031
2
C1032
C1033
2
C1034
M_I2S_DAO
M_I2S_BCK
M_SPDIFO
M_AOUTL0
M_AOUTR0
M_AOUTL2
M_AOUTR2
1
10uF(K)
1
2
4.7uF(K)
1
1
2
1uF(K)
370
370 120
370 120
370 120
360
321
321
310
310
A
B
C
D
E
F
OSANAI
2011.07.11 18:54
GND
MAIN UNIT
FUNCTIONTITLE
MStar (Audio, SIF)
GND
SH.NO.DESIGNED BY
PAGE NO. REV.MARK DRAWING.NO.
103 4 MP PE1000ZA
TOSHIBA CORPORATION
F
Page 9

5T03655D
87654321
A
V46A00065300
[V-U388USV]
4/18
IC100
[COMMON INTERFACE]
M_CICDAT7
B
794
794
794
794
794
794
794
794
M_CICDAT6
M_CICDAT5
M_CICDAT4
M_CICDAT3
M_CICDAT2
M_CICDAT1
M_CICDAT0
C
M_CIIREQ_N
D
795
795
795
M_CIWAIT_N
M_CICD_N
AF18
PCM_D7/CI_D7
AE17
PCM_D6/CI_D6
AD16
PCM_D5/CI_D5
AF16
PCM_D4/CI_D4
AB16
PCM_D3/CI_D3
AA16
PCM_D2/CI_D2
AC17
PCM_D1/CI_D1
Y13
PCM_D0/CI_D0
Y10
PCMIRQ/CI_INT
AC14
PCMWAIT/CI_WACK
AF15
CI_CD
MSD388USV-V6
(PU)
PCM_A14/CI_A14
(PU)
PCM_A13/CI_A13
(PU)
PCM_A12/CI_A12
(PU)
PCM_A11/CI_A11
(PU)
PCM_A10/CI_A10
(PU)
PCM_A9/CI_A9
(PU)
PCM_A8/CI_A8
(PU)
(PU)
PCM_A7/CI_A7/NF_AD[7]
(PU)
PCM_A6/CI_A6/NF_AD[6]
(PU)
PCM_A5/CI_A5/NF_AD[5]
(PU)
PCM_A4/CI_A4/NF_AD[4]
(PU)
PCM_A3/CI_A3/NF_AD[3]
(PU)
PCM_A2/CI_A2/NF_AD[2]
(PU)
PCM_A1/CI_A1/NF_AD[1]
(PU)
PCM_A0/CI_A0/NF_AD[0]
(PU)
PCMIOR/CI_RD
(PU)
PCMIOW/CI_WR
(PU) (PU)
(PU)
(PU)
PCMREG/CI_CLK
(PU)
PCMCEN/CI_CS
(PU)
PCMOEN
PCMWEN
CI_RST
AD22
AF22
Y11
AF20
AF19
AD20
AE21
AC11
Y12
AB12
AC13
AB14
AC15
AA15
AA14
AD19
AE20
AE19
AA9
AB15
AD18
AB13
M_EBDAT14
M_EBDAT13
M_EBDAT12
M_EBDAT11
M_EBDAT10
M_EBDAT9
M_EBDAT8
M_EBDAT7
M_EBDAT6
M_EBDAT5
M_EBDAT4
M_EBDAT3
M_EBDAT2
M_EBDAT1
M_EBDAT0
M_CIIORD_N
M_CIIOWR_N
M_CIOE_N
M_CIWE_N
M_CICD_REG
M_CICS_N
M_CIRESET
793
793
793
793
793
793
793
131
131
131
131
131
131
131
131
795
795
795
795
795
795
795
A
B
C
D
E
F
OSANAI
2011.07.11 18:54
FUNCTIONTITLE
SH.NO.DESIGNED BY
PAGE NO. REV.MARK DRAWING.NO.
MAIN UNIT Mstar(CI) 104 5 MP PE1000ZA
TOSHIBA CORPORATION
E
F
Page 10

5T03655D
87654321
A
V46A00065300
[V-U388USV]
5/18
(PU)
(PU)
(PU)
(PU)
(PU)
(PU)
(PU)
(PU)
(PU)
(PU)
(PU)
IC100
(PU)
(PU)
(PU)
(PU)
(PU)
(PU)
(PU)
(PU)
(PU)
(PU)
(PU)
TS1DATA7
TS1DATA6
TS1DATA5
TS1DATA4
TS1DATA3
TS1DATA2
TS1DATA1
TS1DATA0
TS1CLK
TS1VALID
TS1SYNC
AA12
AB11
AC10
AA11
AB9
AE22
AB10
AA10
AF21
R_DATA7
R_DATA6
R_DATA5
R_DATA4
Y9
R_DATA3
R_DATA2
R_DATA1
R_DATA0
R_TSCLK
R_TSVAL
R_TSSYC
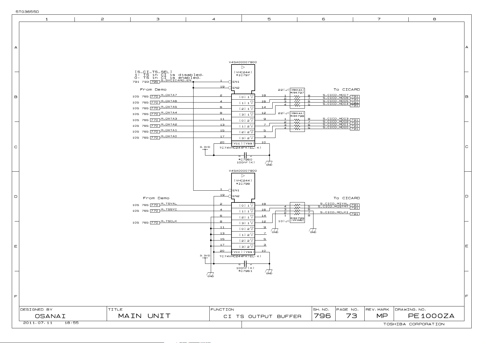
765 770 796
765 770 796
765 770 796
765 770 796
765 770 796
765 770 796
765 770 796
765 770 796
765 770 796
765 770 796
765 770 796
B
M_TSI0DATA7
790
M_TSI0DATA6
790
M_TSI0DATA5
790
M_TSI0DATA4
790
M_TSI0DATA3
790
M_TSI0DATA2
790
M_TSI0DATA1
C
790
M_TSI0DATA0
790
M_TSI0CLKI
790
M_TSI0VALID
790
M_TSI0SYNC
790
AE18
AD17
AF17
AE16
AC16
Y16
AB17
Y14 AD21
AC12
AA13
Y15
MSD388USV-V6
[TS INPUT/TS OUTPUT]
TS0DATA7
TS0DATA6
TS0DATA5
TS0DATA4
TS0DATA3
TS0DATA2
TS0DATA1
TS0DATA0
TS0CLK
TS0VALID
TS0SYNC
D
A
B
C
D
E
F
OSANAI
2011.07.11 18:54
FUNCTIONTITLE
SH.NO.DESIGNED BY
PAGE NO. REV.MARK DRAWING.NO.
MAIN UNIT Mstar(TS) 105 6 MP PE1000ZA
TOSHIBA CORPORATION
E
F
Page 11

5T03655D
87654321
A
V46A00065300
[V-U388USV]
6/18
IC100
[HDMI INTERFACE 1/2]
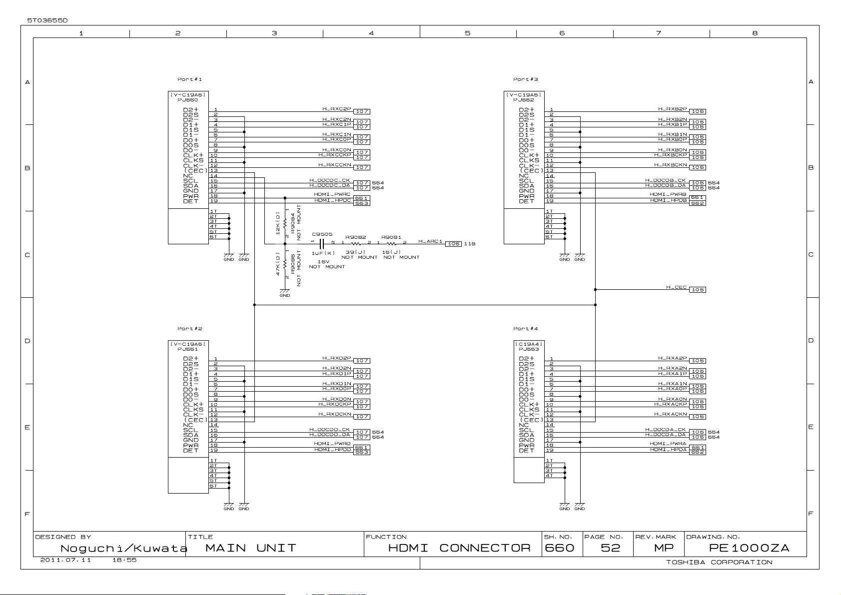
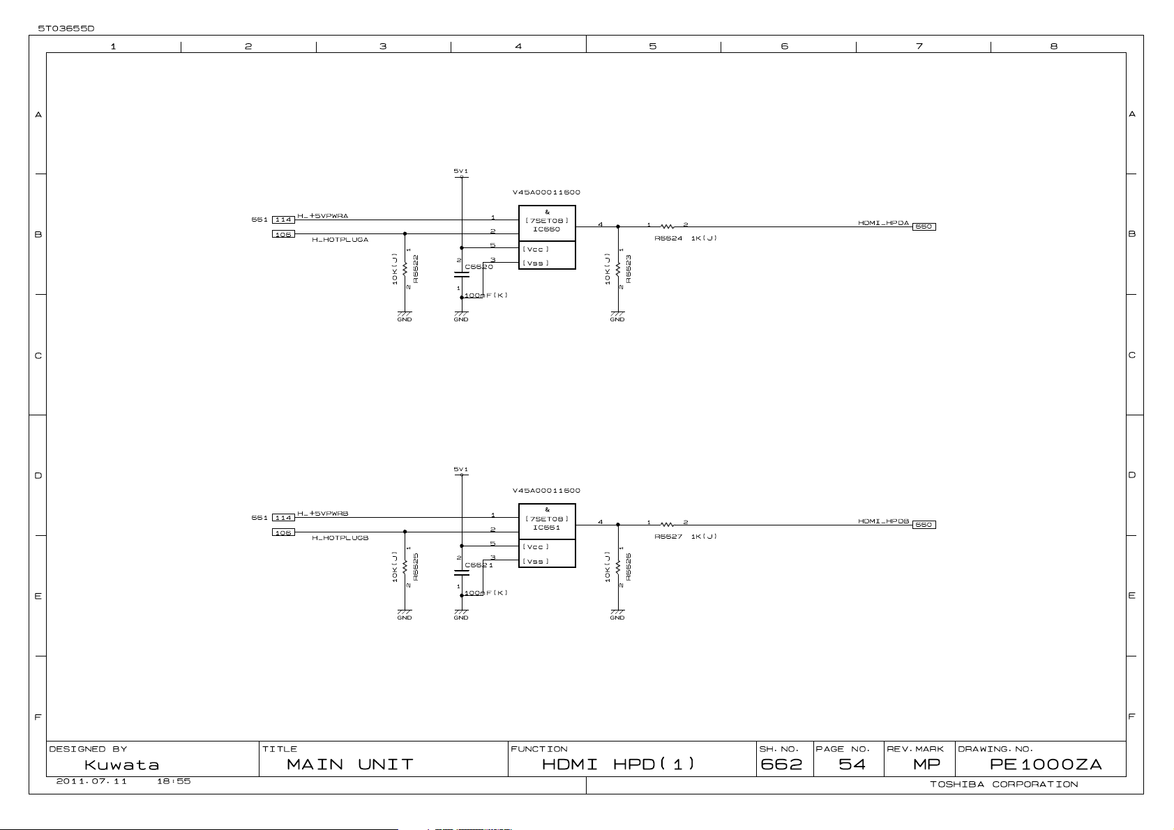
H_HOTPLUGA
B
C
D
662
662
660 664
660 664
660 664
660 664
660
660
660
660
660
660
660
660
660
660
660
660
660
660
660
660
H_HOTPLUGB
H_DDCDA_DA
H_DDCDA_CK
H_DDCDB_DA
H_DDCDB_CK
H_RXACKN
H_RXACKP
H_RXA0N
H_RXA0P
H_RXA1N
H_RXA1P
H_RXA2N
H_RXA2P
H_RXBCKN
H_RXBCKP
H_RXB0N
H_RXB0P
H_RXB1N
H_RXB1P
H_RXB2N
H_RXB2P
[RMX4A]
RM133
81
RM134
10(J)
RM135
RM136
10(J)
72
5
81
72
5
81
72
5
81
72
5
36
4
[RMX4A]
36
4
[RMX4A]
36
4
[RMX4A]
36
4
AA6
HOTPLUGA
AA7
HOTPLUGB
AC6
DDCDA_DA
AB6
DDCDA_CK
AC7
DDCDB_DA
AB7
DDCDB_CK
AD13
RXACKN
AE13
RXACKP
AF13
RXA0N
AD14
RXA0P
AE14
RXA1N
AF14
RXA1P
AD15
RXA2N
AE15
RXA2P
AE10
RXBCKN
AF10
RXBCKP
AD11
RXB0N
AE11
RXB0P
AF11
RXB1N
AD12
RXB1P
AE12
RXB2N
AF12
RXB2P
MSD388USV-V6
(PU)
(PU)
(PU)
(PU)
(PU)
(PU)
ARC1
CEC
AB4
AF4
NOT MOUNT
R1019
100(D)
21
H_ARC1
H_CEC
660 118
660
E
A
B
C
D
E
F
OSANAI
2011.07.11 18:54
FUNCTIONTITLE
SH.NO.DESIGNED BY
PAGE NO. REV.MARK DRAWING.NO.
MAIN UNIT Mstar(HDMI 1/2) 106 7 MP PE1000ZA
TOSHIBA CORPORATION
F
Page 12

5T03655D
87654321
A
V46A00065300
[V-U388USV]
7/18
B
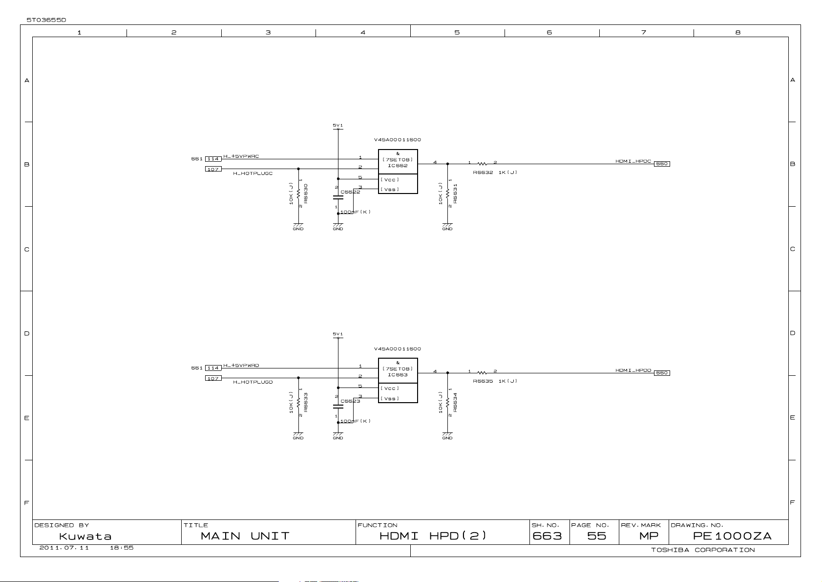
H_HOTPLUGC
663
H_HOTPLUGD
663
660 664
660 664
660 664
660 664
C
D
E
660
660
660
660
660
660
660
660
660
660
660
660
660
660
660
660
H_RXCCKN
H_RXCCKP
H_RXC0N
H_RXC0P
H_RXC1N
H_RXC1P
H_RXC2N
H_RXC2P
H_RXDCKN
H_RXDCKP
H_RXD0N
H_RXD0P
H_RXD1N
H_RXD1P
H_RXD2N
H_RXD2P
H_DDCDC_DA
H_DDCDC_CK
H_DDCDD_DA
H_DDCDD_CK
[RMX4A]
RM137
81
RM138
10(J)
RM139
RM140
10(J)
72
5
81
72
5
81
72
5
81
72
5
36
4
[RMX4A]
36
4
[RMX4A]
36
4
[RMX4A]
36
4
AA8
Y7
AC9
Y8
AC8
AB8
AD5
AE5
AF5
AD6
AE6
AF6
AD7
AE7
AF7
AD8
AE8
AF8
AD9
AE9
AF9
AD10
MSD388USV-V6
[HDMI INTERFACE 2/2]
HOTPLUGC
HOTPLUGD
DDCDC_DA
DDCDC_CK
DDCDD_DA
DDCDD_CK
RXCCKN
RXCCKP
RXC0N
RXC0P
RXC1N
RXC1P
RXC2N
RXC2P
RXDCKN
RXDCKP
RXD0N
RXD0P
RXD1N
RXD1P
RXD2N
RXD2P
IC100
(PU)
(PU)
(PU)
(PU)
(PU)
(PU)
A
B
C
D
E
F
OSANAI
2011.07.11 18:54
FUNCTIONTITLE
SH.NO.DESIGNED BY
PAGE NO. REV.MARK DRAWING.NO.
MAIN UNIT Mstar(HDMI 2/2) 107 8 MP PE1000ZA
TOSHIBA CORPORATION
F
Page 13

5T03655D
87654321
A
V46A00065300
[V-U388USV]
8/18
IC100
[LVDS INTERFACE 1/2]
B
C
D
E
MSD388USV-V6
LVA0N
LVA0P
LVA1N
LVA1P
LVA2N
LVA2P
LVACKN
LVACKP
LVA3N
LVA3P
LVA4N
LVA4P
LVB0N
LVB0P
LVB1N
LVB1P
LVB2N
LVB2P
LVBCKN
LVBCKP
LVB3N
LVB3P
LVB4N
LVB4P
H1
J3
H3
H2
G2
G1
F1
G3
F3
F2
E2
E1
D1
E3
D3
D2
B1
C1
B2
C2
C3
A2
A3
B3
[RMX4A]
RM100
81
RM101
RM102
RM103
RM104
RM105
72
5
22(J)
81
72
5
22(J)
81
72
5
22(J)
81
72
5
22(J)
81
72
5
22(J)
81
7
5
22(J)
36
4
[RMX4A]
36
4
[RMX4A]
36
4
[RMX4A]
36
4
[RMX4A]
36
4
[RMX4A]
2
36
4
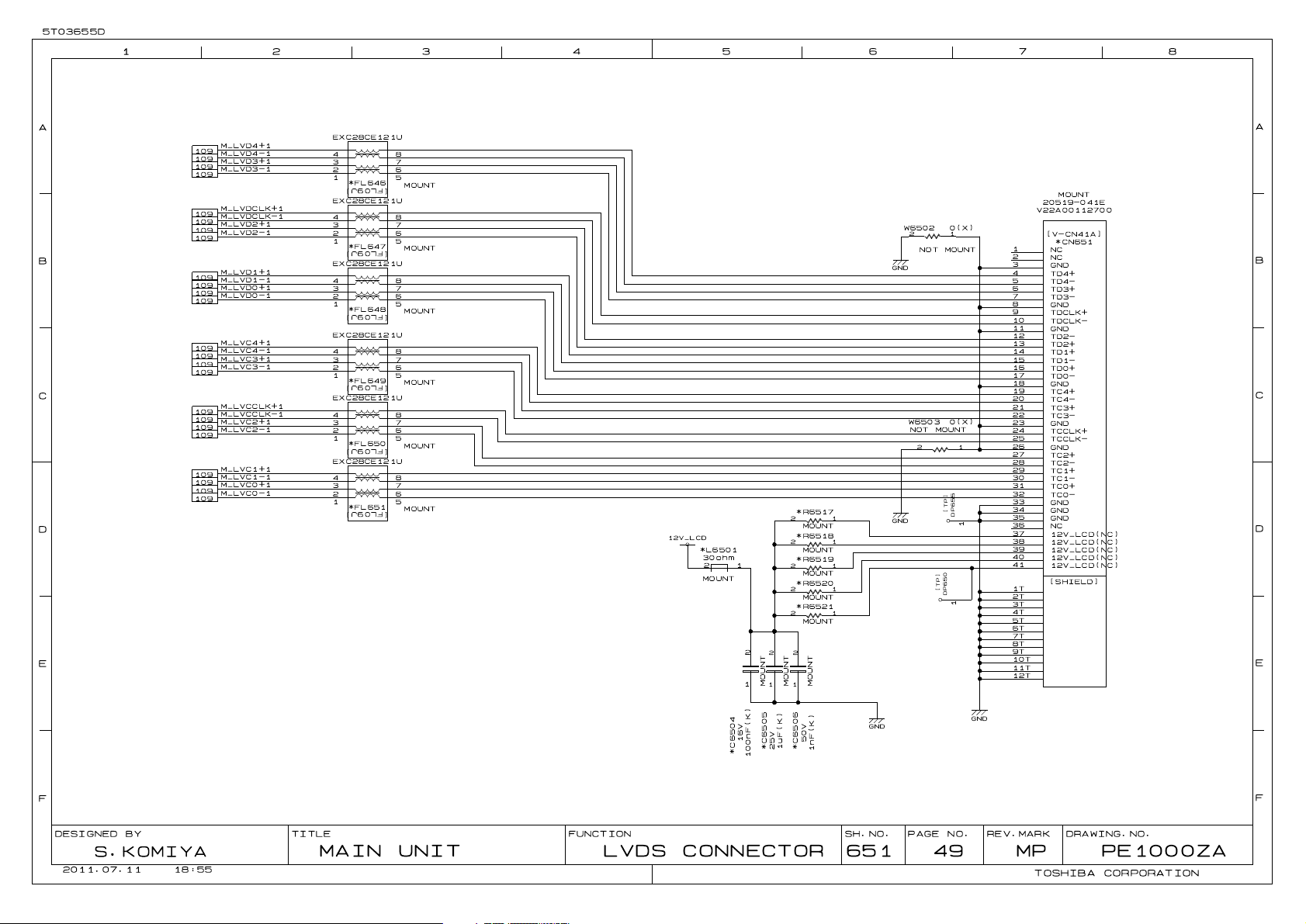
M_LVA0+1
M_LVA0-1
M_LVA1+1
M_LVA1-1
M_LVA2+1
M_LVA2-1
M_LVACLK+1
M_LVACLK-1
M_LVA3+1
M_LVA3-1
M_LVA4+1
M_LVA4-1
M_LVB0+1
M_LVB0-1
M_LVB1+1
M_LVB1-1
M_LVB2+1
M_LVB2-1
M_LVBCLK+1
M_LVBCLK-1
M_LVB3+1
M_LVB3-1
M_LVB4+1
M_LVB4-1
650
650
650
650
650
650
650
650
650
650
650
650
650
650
650
650
650
650
650
650
650
650
650
650
A
B
C
D
E
F
OSANAI
2011.07.11 18:54
FUNCTIONTITLE
SH.NO.DESIGNED BY
PAGE NO. REV.MARK DRAWING.NO.
MAIN UNIT MStar(LVDS 1/2) 108 9 MP PE1000ZA
TOSHIBA CORPORATION
F
Page 14

5T03655D
87654321
A
V46A00065300
[V-U388USV]
9/18
IC100
[LVDS INTERFACE 2/2]
B
C
D
E
MSD388USV-V6
LVC0N
LVC0P
LVC1N
LVC1P
LVC2N
LVC2P
LVCCKN
LVCCKP
LVC3N
LVC3P
LVC4N
LVC4P
LVD0N
LVD0P
LVD1N
LVD1P
LVD2N
LVD2P
LVDCKN
LVDCKP
LVD3N
LVD3P
LVD4N
LVD4P
B4
C4
C5
A4
A5
B5
B6
C6
C7
A6
A7
B7
B8
C8
C9
A8
A9
B9
B10
C10
D10
A10
A11
E10
[RMX4A]
RM106
81
RM107
RM108
RM109
RM110
RM111
72
5
22(J)
81
72
5
22(J)
81
72
5
22(J)
81
72
5
22(J)
81
72
5
22(J)
81
72
5
22(J)
36
4
[RMX4A]
36
4
[RMX4A]
36
4
[RMX4A]
36
4
[RMX4A]
36
4
[RMX4A]
36
4
M_LVC0+1
M_LVC0-1
M_LVC1+1
M_LVC1-1
M_LVC2+1
M_LVC2-1
M_LVCCLK+1
M_LVCCLK-1
M_LVC3+1
M_LVC3-1
M_LVC4+1
M_LVC4-1
M_LVD0+1
M_LVD0-1
M_LVD1+1
M_LVD1-1
M_LVD2+1
M_LVD2-1
M_LVDCLK+1
M_LVDCLK-1
M_LVD3+1
M_LVD3-1
M_LVD4+1
M_LVD4-1
651
651
651
651
651
651
651
651
651
651
651
651
651
651
651
651
651
651
651
651
651
651
651
651
A
B
C
D
E
F
OSANAI
2011.07.11 18:54
FUNCTIONTITLE
SH.NO.DESIGNED BY
PAGE NO. REV.MARK DRAWING.NO.
MAIN UNIT MStar(LVDS 2/2) 109 10 MP PE1000ZA
TOSHIBA CORPORATION
F
Page 15

5T03655D
87654321
A
M_DDRA_DQU7
127
M_DDRA_DQU6
127
M_DDRA_DQU5
127
M_DDRA_DQU4
B
C
D
127
M_DDRA_DQU3
127
M_DDRA_DQU2
127
M_DDRA_DQU1
127
M_DDRA_DQU0
127
M_DDRA_DQL7
127
M_DDRA_DQL6
127
M_DDRA_DQL5
127
M_DDRA_DQL4
127
M_DDRA_DQL3
127
M_DDRA_DQL2
127
M_DDRA_DQL1
127
M_DDRA_DQL0
127
M_DDRA_DQSU
127
M_DDRA_DQSL
127
M_DDRA_DQSBU
127
M_DDRA_DQSBL
127
M_DDRA_ODT
127
M_DDRA_RST
127
K24
G24
K26
G26
K25
F26
J25
G25
D26
M24
E24
M25
F24
L26
E25
L25
H25
J24
H24
H26
G23
J22
A_DDR3_DQU[7]
A_DDR3_DQU[6]
A_DDR3_DQU[5]
A_DDR3_DQU[4]
A_DDR3_DQU[3]
A_DDR3_DQU[2]
A_DDR3_DQU[1]
A_DDR3_DQU[0]
A_DDR3_DQL[7]
A_DDR3_DQL[6]
A_DDR3_DQL[5]
A_DDR3_DQL[4]
A_DDR3_DQL[3]
A_DDR3_DQL[2]
A_DDR3_DQL[1]
A_DDR3_DQL[0]
A_DDR3_DQSU
A_DDR3_DQSL
A_DDR3_DQSBU
A_DDR3_DQSBL
A_ODT
A_RESET
E
MSD388USV-V6
V46A00065300
[V-U388USV]
10/18
IC100
[DDR-3 INTERFACE 1/3]
A_DDR3_A[14]
A_DDR3_A[13]
A_DDR3_A[12]
A_DDR3_A[11]
A_DDR3_A[10]
A_DDR3_A[9]
A_DDR3_A[8]
A_DDR3_A[7]
A_DDR3_A[6]
A_DDR3_A[5]
A_DDR3_A[4]
A_DDR3_A[3]
A_DDR3_A[2]
A_DDR3_A[1]
A_DDR3_A[0]
A_DDR3_DQMU
A_DDR3_DQML
A_DDR3_BA[2]
A_DDR3_BA[1]
A_DDR3_BA[0]
A_MCLKZ
A_MCLK
A_MCLKE
A_WEZ
A_RASZ
A_CASZ
D22
K20
F20
D23
F22
J20
E21
J21
E22
H21
E23
H23
K22
D21
K23
L24
F25
D24
D25
G20
K21
F21
H22
G22
G21
H20
M_DDRA_ADR14
M_DDRA_ADR13
M_DDRA_ADR12
M_DDRA_ADR11
M_DDRA_ADR10
M_DDRA_ADR9
M_DDRA_ADR8
M_DDRA_ADR7
M_DDRA_ADR6
M_DDRA_ADR5
M_DDRA_ADR4
M_DDRA_ADR3
M_DDRA_ADR2
M_DDRA_ADR1
M_DDRA_ADR0
M_DDRA_DQMU
M_DDRA_DQML
M_DDRA_CLKZ
M_DDRA_CLK
M_DDRA_CLKE
M_DDRA_BA2
M_DDRA_BA1
M_DDRA_BA0
M_DDRA_WEZ
M_DDRA_RASZ
M_DDRA_CASZ
127
127
127
127
127
127
127
127
127
127
127
127
127
127
127
127
127
127
127
127
127
127
127
127
127
127
A
B
C
D
E
F
OSANAI
2011.07.11 18:54
FUNCTIONTITLE
SH.NO.DESIGNED BY
PAGE NO. REV.MARK DRAWING.NO.
MAIN UNIT MStar (DDR A) 110 11 MP PE1000ZA
TOSHIBA CORPORATION
F
Page 16

5T03655D
87654321
A
M_DDRB_DQU7
128
M_DDRB_DQU6
128
M_DDRB_DQU5
128
M_DDRB_DQU4
B
C
D
128
M_DDRB_DQU3
128
M_DDRB_DQU2
128
M_DDRB_DQU1
128
M_DDRB_DQU0
128
M_DDRB_DQL7
128
M_DDRB_DQL6
128
M_DDRB_DQL5
128
M_DDRB_DQL4
128
M_DDRB_DQL3
128
M_DDRB_DQL2
128
M_DDRB_DQL1
128
M_DDRB_DQL0
128
M_DDRB_DQSU
128
M_DDRB_DQSL
128
M_DDRB_DQSBU
128
M_DDRB_DQSBL
128
M_DDRB_ODT
128
M_DDRB_RST
128
W25
T26
Y26
U25
W24
T25
W26
T24
P26
AA25
P25
AA24
R26
AA26
R25
Y24
V26
V24
U24
V25
P22
T22
B_DDR3_DQU[7]
B_DDR3_DQU[6]
B_DDR3_DQU[5]
B_DDR3_DQU[4]
B_DDR3_DQU[3]
B_DDR3_DQU[2]
B_DDR3_DQU[1]
B_DDR3_DQU[0]
B_DDR3_DQL[7]
B_DDR3_DQL[6]
B_DDR3_DQL[5]
B_DDR3_DQL[4]
B_DDR3_DQL[3]
B_DDR3_DQL[2]
B_DDR3_DQL[1]
B_DDR3_DQL[0]
B_DDR3_DQSU
B_DDR3_DQSL
B_DDR3_DQSBU
B_DDR3_DQSBL
B_ODT
B_RESET
E
MSD388USV-V6
V46A00065300
[V-U388USV]
11/18
IC100
[DDR-3 INTERFACE 2/3]
B_DDR3_A[14]
B_DDR3_A[13]
B_DDR3_A[12]
B_DDR3_A[11]
B_DDR3_A[10]
B_DDR3_A[9]
B_DDR3_A[8]
B_DDR3_A[7]
B_DDR3_A[6]
B_DDR3_A[5]
B_DDR3_A[4]
B_DDR3_A[3]
B_DDR3_A[2]
B_DDR3_A[1]
B_DDR3_A[0]
B_DDR3_DQMU
B_DDR3_DQML
B_DDR3_BA[2]
B_DDR3_BA[1]
B_DDR3_BA[0]
B_MCLKZ
B_MCLK
B_MCLKE
B_WEZ
B_RASZ
B_CASZ
M22
U22
N24
M23
N22
T21
N23
U23
M20
R21
N21
R22
V22
M21
U21
Y25
R24
N26
N25
N20
V21
P23
T23
R23
P21
P20
M_DDRB_ADR14
M_DDRB_ADR13
M_DDRB_ADR12
M_DDRB_ADR11
M_DDRB_ADR10
M_DDRB_ADR9
M_DDRB_ADR8
M_DDRB_ADR7
M_DDRB_ADR6
M_DDRB_ADR5
M_DDRB_ADR4
M_DDRB_ADR3
M_DDRB_ADR2
M_DDRB_ADR1
M_DDRB_ADR0
M_DDRB_DQMU
M_DDRB_DQML
M_DDRB_CLKZ
M_DDRB_CLK
M_DDRB_CLKE
M_DDRB_BA2
M_DDRB_BA1
M_DDRB_BA0
M_DDRB_WEZ
M_DDRB_RASZ
M_DDRB_CASZ
128
128
128
128
128
128
128
128
128
128
128
128
128
128
128
128
128
128
128
128
128
128
128
128
128
128
A
B
C
D
E
F
OSANAI
2011.07.11 18:54
FUNCTIONTITLE
SH.NO.DESIGNED BY
PAGE NO. REV.MARK DRAWING.NO.
MAIN UNIT MStar (DDR B) 111 12 MP PE1000ZA
TOSHIBA CORPORATION
F
Page 17

5T03655D
87654321
A
F_DDRC_DQU7
130
F_DDRC_DQU6
130
F_DDRC_DQU5
130
F_DDRC_DQU4
B
C
D
130
F_DDRC_DQU3
130
F_DDRC_DQU2
130
F_DDRC_DQU1
130
F_DDRC_DQU0
130
F_DDRC_DQL7
130
F_DDRC_DQL6
130
F_DDRC_DQL5
130
F_DDRC_DQL4
130
F_DDRC_DQL3
130
F_DDRC_DQL2
130
F_DDRC_DQL1
130
F_DDRC_DQL0
130
F_DDRC_DQSU
130
F_DDRC_DQSL
130
F_DDRC_DQSBU
130
F_DDRC_DQSBL
130
F_DDRC_ODT
130
F_DDRC_RST
130
A18
A15
C18
B16
B19
B15
B18
C15
A13
A20
C13
B20
A14
C20
B14
C19
C17
B17
C16
A17
G13
E15
C_DDR3_DQU[7]
C_DDR3_DQU[6]
C_DDR3_DQU[5]
C_DDR3_DQU[4]
C_DDR3_DQU[3]
C_DDR3_DQU[2]
C_DDR3_DQU[1]
C_DDR3_DQU[0]
C_DDR3_DQL[7]
C_DDR3_DQL[6]
C_DDR3_DQL[5]
C_DDR3_DQL[4]
C_DDR3_DQL[3]
C_DDR3_DQL[2]
C_DDR3_DQL[1]
C_DDR3_DQL[0]
C_DDR3_DQSU
C_DDR3_DQSL
C_DDR3_DQSBU
C_DDR3_DQSBL
C_ODT
C_RESET
E
MSD388USV-V6
V46A00065300
[V-U388USV]
12/18
IC100
[DDR-3 INTERFACE 3/3]
C_DDR3_A[13]
C_DDR3_A[12]
C_DDR3_A[11]
C_DDR3_A[10]
C_DDR3_A[9]
C_DDR3_A[8]
C_DDR3_A[7]
C_DDR3_A[6]
C_DDR3_A[5]
C_DDR3_A[4]
C_DDR3_A[3]
C_DDR3_A[2]
C_DDR3_A[1]
C_DDR3_A[0]
C_DDR3_DQMU
C_DDR3_DQML
C_DDR3_BA[2]
C_DDR3_BA[1]
C_DDR3_BA[0]
C_MCLKZ
C_MCLK
C_MCLKE
C_WEZ
C_RASZ
C_CASZ
G15
D11
G12
F13
F15
F11
D15
F12
D14
E11
G14
E16
G11
F16
A19
C14
B12
B13
E12
G16
D12
F14
E14
C12
E13
F_DDRC_ADR13
F_DDRC_ADR12
F_DDRC_ADR11
F_DDRC_ADR10
F_DDRC_ADR9
F_DDRC_ADR8
F_DDRC_ADR7
F_DDRC_ADR6
F_DDRC_ADR5
F_DDRC_ADR4
F_DDRC_ADR3
F_DDRC_ADR2
F_DDRC_ADR1
F_DDRC_ADR0
F_DDRC_DQMU
F_DDRC_DQML
F_DDRC_CLKZ
F_DDRC_CLK
F_DDRC_CLKE
F_DDRC_BA2
F_DDRC_BA1
F_DDRC_BA0
F_DDRC_WEZ
F_DDRC_RASZ
F_DDRC_CASZ
130
130
130
130
130
130
130
130
130
130
130
130
130
130
130
130
130
130
130
130
130
130
130
130
130
A
B
C
D
E
F
OSANAI
2011.07.11 18:54
FUNCTIONTITLE
SH.NO.DESIGNED BY
PAGE NO. REV.MARK DRAWING.NO.
MAIN UNIT MStar (DDR C) 112 13 MP PE1000ZA
TOSHIBA CORPORATION
F
Page 18

5T03655D
87654321
A
V46A00065300
[V-U388USV]
13/18
IC100
[NANDFLASH INTERFACE]
M_NABSY_N
B
C
131
120
120 658
F_UGPIO8
F_UGPIO1
1
[TP]
DP100
1
[TP]
DP101
D
F_UPWM1
120
120 658
F_UPWM0
115 122
115 122
F_I2CS_CK
F_I2CS_DA
A23
D8
G8
C22
D9
G9
F9
E9
NF_RBZ
(NC when not in use)
[FRC Ext INTERFACE]
UGOIO[9]
UGOIO[8]
UGPIO[1]
UGPIO[0]
U_PWM1
U_PWM0
I2CS_CK
I2CS_DA
NF_WEZ
NF_CLE
NF_WPZ
NF_CEZ
NF_CEZ1
NF_ALE
NF_REZ
SPI1_CK
SPI1_DI
SPI2_CK
SPI2_DI
U_SPI_DI
U_SPI_CK
U_SPI_DO
U_SPI_CZ
VSYNC_LIKE
Y17AC19
AB18
AA17
AC18
AB19
Y18
AA18
A24
B24
B25
C24
C25
A25
B26
C26
B23
1
[TP]
DP102
1
1
DP103
[TP]
DP104
1
[TP]
DP105
[TP]
M_NAWE_N
M_NACLE
M_NAWP_N
M_NACE_N
M_NAALE
M_NARE_N
3.3VD
[RMX4A]
131
131
131
131
131
131
72
81
5
RM118
4.7K(J)
4
36
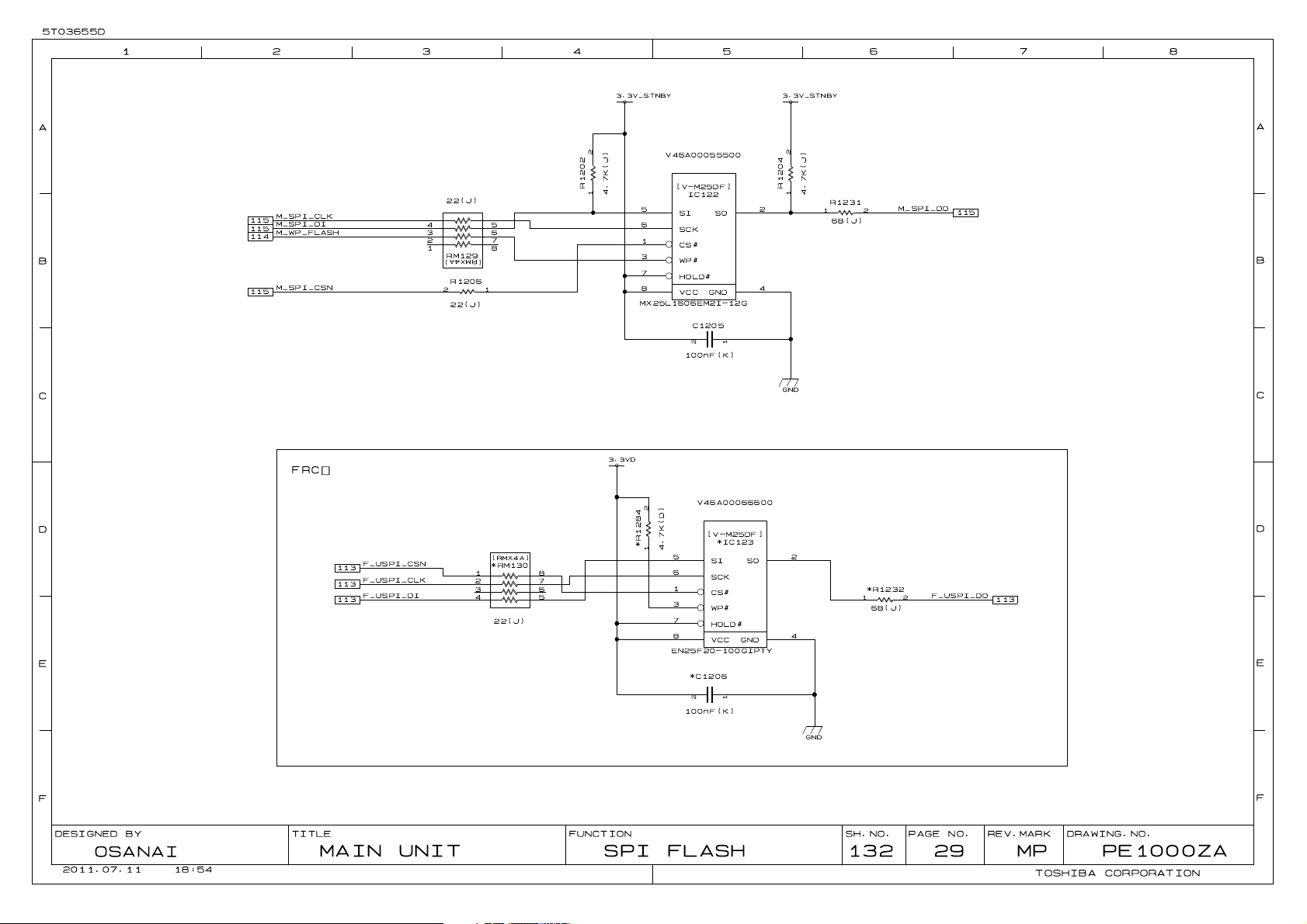
F_USPI_DI
F_USPI_CLK
F_USPI_DO
F_USPI_CSN
M_L/R_SW
132
132
132
132
650
A
B
C
D
E
F
OSANAI
2011.07.11 18:54
MAIN UNIT
MSD388USV-V6
FUNCTIONTITLE
Mstar (NAND, FRC)
SH.NO.DESIGNED BY
PAGE NO. REV.MARK DRAWING.NO.
113 14 MP PE1000ZA
TOSHIBA CORPORATION
E
F
Page 19

5T03655D
87654321
A
V46A00065300
[V-U388USV]
14/18
IC100
[GPIO INTERFACE]
B
C_POWER_TV
950
906 905
C
950 704
C_POWER_DB
C_POWER_LCD
914
C_POWER_SIG
R100221R100521R100621R1007
1
[TP]
DP109
21
373 950
770
770
4.7K(J)
D
GND
M_AUDIO_PWDN
373
C_POWERLED
700
C_STANDBYLED
700
M_PROGRAM_R
700
C_ACDET
R_DEMO_LOCK
R_DEMO_SLEEP
OP_IN
700
C_KEY_2
701
C_KEY_1
701
M_LED
120
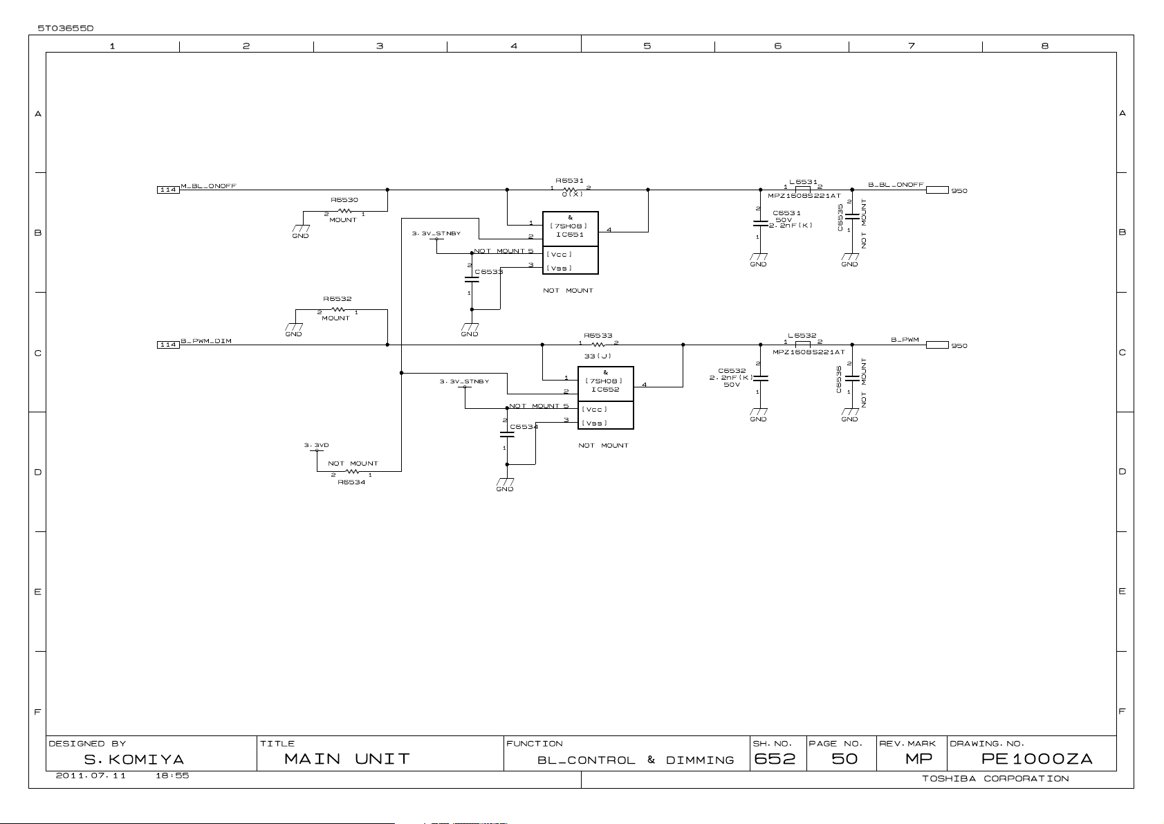
B_PWM_DIM
652
M_PWM1
120
M_PWM0
120
R1008
100(D)
L6
GPIOPM[10]
R7
GPIOPM[9]
R5
GPIOPM[8]
P6
GPIOPM[7]
R6
GPIOPM[5]
T6
GPIOPM[4]
21
U6
GPIOPM[3]
U5
GPIOPM[2]
U4
GPIOPM[1]
T7
GPIOPM[0]
(NC when not in use)
G6
SAR4
G5
SAR3
H6
SAR2
H7
SAR1
G4
SAR0
AD24
PWM3
AD26
PWM2
AC24
PWM1
AC25
PWM0
(PU)
(PU)
(PU)
(PU)
(PU)
(PU)
(PU)
(PU)
(PU)
(PU)
(PU)
(PU)
(PU)
(PU) (PU)
(PU)
(PU)
(PU)
(PU)
(PU)
(PU)
(PU)
(PU)
(PU)
(PU)
(PU)
(PU)
(PU)
(PU)
GPIO_PM[19]
(PU)
GPIO_PM[18]
(PU)
GPIO_PM[17]
(PU)
GPIO_PM[16]
(PU)
GPIO_PM[15]
(PU)
GPIO_PM[14]
(PU)
GPIO_PM[13]
(PU)
GPIO_PM[12]
(PU)
GPIO_PM[11]
GPIO[182]
GPIO[181]
GPIO[180]
GPIO[179]
GPIO[53]
GPIO[52]
GPIO[51]
GPIO[50]
GPIO[47]
GPIO[46]
GPIO[45]
GPIO[40]
GPIO[39]
GPIO[38]
AD2
AD1
AC3
AD4
AB22
AC22
AA21
AB21
AC21
AB20
AC20
AA20
Y19
AA19
[TP]
DP106
1
K7
M6
M7
N7
L7
P7
N6
N5
P5
3.3VD
21
R101521R1016
R_TUNER_BUSSW_EN
M_LANPHY_RESET
M_USB_FLAG_CONT
4.7K(J)
M_MSDA1
M_MSCL1
R_DEMO_RST
R_TUNER_RST
M_2D/3D_SW
M_BL_ONOFF
H_+5VPWRA
H_+5VPWRB
H_+5VPWRC
H_+5VPWRD
M_CR_SW
M_WP_FLASH
M_USB_POWEREN
M_MSCL2
M_MSDA2
M_EXT_AMUTE
M_PROGRAM_O
M_AMP_RESET
370 669 122 750 765 770 775
370 669 122 750 765 770 775
765 770
750
750
650
652
662 661
662 661
661 663
661 663
607
150
132
160
160
121
to E2PROM, Temparature Sensor
121
373
700
370
1
[TP]
DP110
A
B
C
D
E
F
OSANAI
2011.07.11 18:54
MSD388USV-V6
FUNCTIONTITLE
SH.NO.DESIGNED BY
PAGE NO. REV.MARK DRAWING.NO.
MAIN UNIT MStar (GPIO) 114 15 MP PE1000ZA
TOSHIBA CORPORATION
E
F
Page 20

5T03655D
87654321
132
132
132
132
A
B
C
D
E
A
V46A00065300
[V-U388USV]
15/18
IC100
[ETHERNET INTERFACE]
NOT MOUNT
R1003
0(X)
M_ETTXEN
M_ETMDC
M_ETMDIO
M_ETTXD1
M_ETTXD0
21
R1004
M_XIN
M_XOUT
150
150
150
150
150
M_SPI_CLK
M_SPI_DI
M_SPI_DO
M_SPI_CSN
21
0(X)
120
120
700
160
160
160
160
791
601
607
122
122
M_ETCRS_DV
M_ETREFCLK
M_ETRXD1
M_ETRXD0
1
M_RMT_IN
C_HOSTRST
M_USB0DM
M_USB0DP
M_USB1DM
M_USB1DP
B_TEMPSEL1
C_FANSTOP
S_CI_VCC_EN
B_TEMPSEL0
A_HP_DET
M_S-DET
M_UATX0
M_UARX0
F_I2CS_DA
F_I2CS_CK
B
C
GND
C1150
1
2
1uF(K)
R1086
21
10K(J)
150
150
150
150
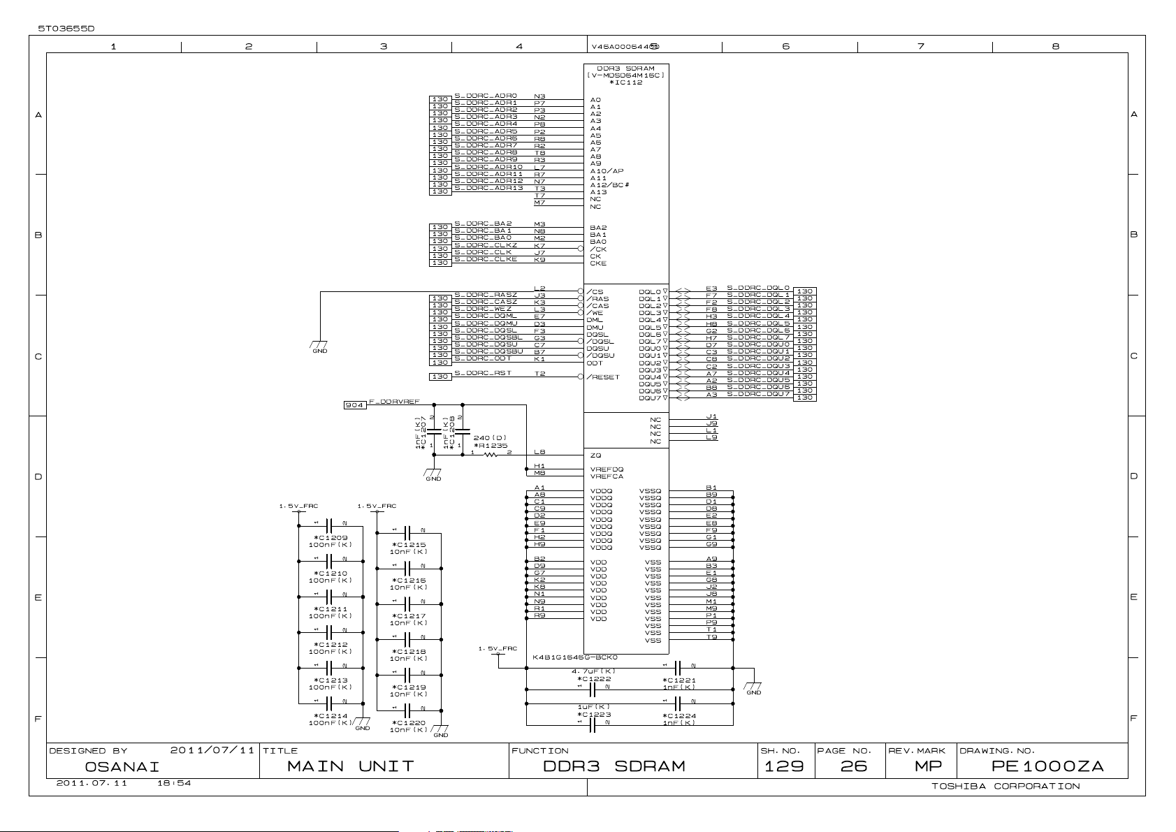
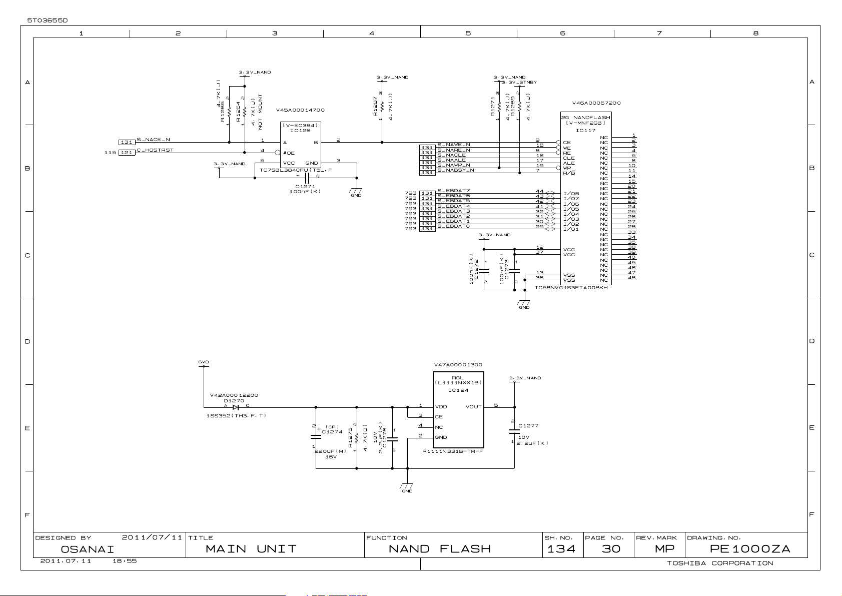
134 121
D
650
704
650
E
for MSTAR DEBUG
113 122
113 122
[TP]
DP108
D5
ET_CRS_DV ET_TX_EN
D4
ET_REF_CLK
E4
ET_RXD[1]
E5
ET_RXD[0]
H5
IRIN
R8
BYPASS
F7
HWRESET2
J4
HWRESET1
G7
MPIF_PD
J2
USB0_DM
J1
USB0_DP
AF25
USB1_DM
AE25
USB1_DP
AB23
GPIO[48]/UART3_TX
AA23
GPIO[49]/UART3_RX
AC23
GPIO[43]/UART2_TX
AA22
GPIO[44]/UART2_RX
AE23
GPIO[41]/UART1_TX
AF23
GPIO[42]/UART1_RX
J5
DDCA_DA/UART0_TX
J6
DDCA_CK/UART0_RX
AF24
DDCR_DA
AE24
DDCR_CK
[MCU INTERFACE]
(PU)
(PU)
GPIO_PM[6]/SCZ1
[USB INTERFACE]
[MISC. INTERFACE]
(PU)
(PU)
(PU)
(PU)
(PU)
(PU)
(PU)
(PU)
(PU)
(PU)
(PU)
ET_TXD[1]
ET_TXD[0]
(PU)
(PU)
(PU)
SPI_SCZ0
ET_MDC
ET_MDIO
SPI_SCK
SPI_SDI
SPI_SDO
USB2_DM
USB2_DP
XIN
XOUT
F4
E6
D6
F5
F6
L4
L5
K4
K6
K5
AE26
AD25
AC1
AC2
F
OSANAI
2011.07.11 18:54
MAIN UNIT
MSD388USV-V6
FUNCTIONTITLE
Mstar (USB, MISC)
SH.NO.DESIGNED BY
PAGE NO. REV.MARK DRAWING.NO.
115 16 MP PE1000ZA
TOSHIBA CORPORATION
F
Page 21

5T03655D
87654321
1.1V
A
C1000
NOT MOUNT
GND
B
R1000
0(X)
C
2.5V_AVDD_ADC25
D
GND
3.3V_STNBY
E
GND
F
OSANAI
2011.07.11 18:54
2
[CP]
+
1
6.3V
100uF(M)
1.1V_DDR
21
2.5V_AVDD_MOD
2
C1023
1
2
C1042
1
2
1
NOT MOUNT
2
C1008
1
GND
2
1
100nF(K)
2
C1043
1
100nF(K)
100nF(K)
2
C1001
1
10uF(K)
2
10uF(K)
1
10uF(K)
C1029
100nF(K)
2
C1044
1
2
C1002
1
100nF(K)
C1009
100nF(K)
2.5V_AVDD_REF25
2
C1022
1
10V
C1041
10uF(K)
10V
100nF(K)
2
2
C1003
C1004
10uF(K)
GND
C1030
1
C1005
1
100nF(K)
C1024
10V
2.5V_PGA
100nF(K)
2
C1045
100nF(K)
100nF(K)
2
1
2
1
2
1
1
100nF(K)
1.5V
2
1
3.3V_HDMI
2
1
GND
MAIN UNIT
2
1
FL103
12
220ohm
C1006
100nF(K)
2
2
2
C1025
1
C1038
100nF(K)
10uF(K)
C1046
100nF(K)
C1026
1
1
100nF(K)
100nF(K)
3.3V_STNBY 3.3V_PLL
3.3VD
2
1
GND
2
1
C1047
10V
1.1V_AVDD
2
1
GND
2
C1027
C1028
1
100nF(K)
FL101
12
220ohm
C1039
2
C1048
1
10nF(K)
C1007
100nF(K)
1.1V_AVDD
100nF(K)
2.5V_PGA
3.3V_HDMI
1.5V
2.5V_AVDD_MOD
3.3V_PLL
2
C1019
1
100nF(K)
2
1
10uF(K)
GND
2
C1049
1
100nF(K)
2
C1021
1
100nF(K)
2
10V
1
3.3VD
C1050
100nF(K)
100nF(K)
C1040
3.3V_STNBY
FUNCTIONTITLE
MStar (Power 1/3)
1.1V_DDR
2.5V_AVDD_ADC25
2.5V_AVDD_REF25
V46A00065300
1.1V
H15
VDDC
H16
VDDC
H17
VDDC
J15
VDDC
J16
VDDC
J17
VDDC
K15
VDDC
K16
VDDC
R20
DVDD_DDR
K12
AVDD_11
M18
AVDD_DDR0
M19
AVDD_DDR0
N18
AVDD_DDR0
N19
AVDD_DDR0
P18
AVDD_DDR0
P19
AVDD_DDR1
R18
AVDD_DDR1
R19
AVDD_DDR1
T18
AVDD_DDR1
T19
AVDD_DDR1
N8
AVDD_ADC25
P8
AVDD_ADC25
N9
AVDD_REF25
L8
AVDD_MOD25/MOD33
U8
AVDD_PGA25
W11
AVDD_AU33
W12
AVDD_EAR33
K11
AVDD_MEMPLL
J8
VDDP
J11
AVDD_LPLL
W8
AVDD_ALIVE
W13
AVDD_DVI_USB
W14
AVDD_DVI_USB
W15
AVDD_DVI_USB
V12
AVDD_DMPLL
W10
AVDD_MPLL
[V-U388USV]
16/18
IC100
[POWER AND GND 1/3]
H10
GND
A12
GND
A16
GND
A21
GND
C23
GND
D13
GND
D16
GND
D19
GND
E26
GND
F23
GND
H18
GND
H19
GND
J18
GND
J19
GND
J23
GND
J26
GND
AB26
GND
Y23
GND
R15
GND
tie to GND for MSD388
GND
GND
GND
GND
GND
GND
GND
GND
GND
GND
GND
GND
GND
GND
GND
GND
G10
H9
J9
J10
K10
K17
K18
K19
L10
L11
L12
L13
H14
L15
L16
L17
MSD388USV-V6
SH.NO.DESIGNED BY
PAGE NO. REV.MARK DRAWING.NO.
116 17 MP PE1000ZA
TOSHIBA CORPORATION
GND
GND
A
0(X)
R1197
21
GND
B
C
D
0(X)
R1009
21
GND
E
F
Page 22

5T03655D
A
B
1.5V_FRC
*C1051
10uF(K)
10V
2
1
*C1052
C
3.3VD
*FL104
12
220ohm
D
1.26V_FRC
E
NOT MOUNT
100uF(M)
*C1062
6.3V
2
+
1
[CP]
*C1063
10uF(K)
10V
F
OSANAI
2011.07.11 18:54
2
1
10nF(K)
3.3V_FRC
2
1
1
*C1064
2
1
*C1053
10uF(K)
2
2
1
100nF(K)
GND
2
*C1056
1
10V
2
1
*C1065
100nF(K)
*C1054
100nF(K)
2
1
*C1060
2
1
*C1066
100nF(K)
*R1292
100nF(K)
2
1
*C1068
100nF(K)
GND
0(X)
10nF(K)
2
1
*C1061
100nF(K)
GND
2
1
*C1067
100nF(K)
MAIN UNIT
3.3V_FRC_PLL
21
*R1001
0(X)
*C1058
1.26V_FRC_DDR
21
NOT MOUNT
*C1069
10uF(K)
10V
2
1
2
1
*C1059
100nF(K)
GND
2
1
1.26V_FRC_DDR
3.3V_FRC_PLL
100nF(K)
2
1
*C1070
100nF(K)
GND
1.26V_FRC
K13
VDDC_U
K14
VDDC_U
H13
VDDC_U
L14
VDDC_U
J12
VDDC_U
J13
VDDC_U
J14
VDDC_U
G19
3.3V_FRC
1.5V_FRC
DVDD_DDR_U
H8
VDDP_U
K9
AVDD_RSDS_U
L9
AVDD_RSDS_U
K8
AVDD_U
H11
AVDD_MPLL_U
H12
AVDD_MEMPLL_U
D17
AVDD_DDR2
E17
AVDD_DDR2
F17
AVDD_DDR2
G17
AVDD_DDR2
MSD388USV-V6
FUNCTIONTITLE
MStar (Power 2/3)
V46A00065300
[V-U388USV]
17/18
IC100
[POWER AND GND 2/3]
SH.NO.DESIGNED BY
117 18 MP PE1000ZA
M8
GND
M9
GND
M10
GND
M11
GND
M12
GND
M13
GND
M14
GND
M15
GND
M16
GND
M17
GND
M26
GND
N10
GND
N11
GND
N12
GND
N13
GND
N14
GND
N15
GND
N16
GND
N17
GND
P9
GND
P10
GND
P11
GND
P12
GND
P13
GND
P14
GND
P15
GND
P16
GND
P17
GND
P24
GND
R9
GND
R10
GND
R11
GND
R12
GND
R13
GND
R14
GND
R16
GND
R17
GND
T9
GND
T10
GND
T11
GND
GND
PAGE NO. REV.MARK DRAWING.NO.
TOSHIBA CORPORATION
87654321
A
B
C
D
E
F
Page 23

5T03655D
A
B
C
D
E
F
OSANAI
2011.07.11 18:54
660 106
msd381-388
H_ARC1
MAIN UNIT
基板共通化対応
B11
N.C.
C11
N.C.
D7
N.C.
E7
N.C.
E8
N.C.
F8
N.C.
K2
N.C.
K3
N.C.
AA5
N.C.
AB5
N.C.
AC5
N.C.
MSD388USV-V6
FUNCTIONTITLE
V46A00065300
[V-U388USV]
18/18
IC100
[POWER AND GND 3/3]
GND
GND
GND
GND
GND
GND
GND
GND
GND
GND
GND
GND
GND
GND
GND
GND
GND
GND
GND
GND
GND
GND
GND
GND
GND
GND
GND
GND
GND
GND
GND
GND
GND
GND
GND
GND
GND
GND
GND
GND
GND
T12
T13
T14
T15
T16
T17
U9
U10
U11
U12
U13
U14
U15
U16
U17
U18
U19
U20
U26
V8
V9
V10
V11
V13
V14
V15
V16
V17
V18
V19
V20
V23
W9
W16
W17
W18
W19
W20
Y20
Y21
Y22
MStar (Power 3/3)
87654321
GND
SH.NO.DESIGNED BY
PAGE NO. REV.MARK DRAWING.NO.
118 19 MP PE1000ZA
TOSHIBA CORPORATION
A
B
C
D
E
F
Page 24

5T03655D
A
87654321
Boot Configuration
A
M_XIN
115
M_XOUT
115
B
21
R1200
1M(J)
R1201
330(D)
21
C1200
6pF(D)
2
1
GND
6pF(D)
2
1
C
M_LED
D
114
R1233
21
470(D)
E
V10A00018900
[XF]
X1200
1
3
DSX321G 24.000MHZ 7.1PF
C1201
3.3VD
10K(J)
LED(GRN)
TLGV1034(T22
GND
2
NC
4
NC
R1234
21
[LED]
DS100
CA
V44A00006000
103 370
103 370
103 370
114
114
M_I2S_DAO
M_I2S_BCK
M_I2S_MCLK
M_PWM1
M_PWM0
FRC Boot Configuration
113
113
F_UPWM0
F_UPWM1
F_UGPIO1
F_UGPIO8
113 658
113 658
21
R1211
21
R1209
4.7K(J)
21
21
R1207
4.7K(J)
21
21
R1205
4.7K(J)
21
21
R1203
4.7K(J)
GND
B
21
4.7K(J)
C
D
E
F
OSANAI
2011.07.11 18:54
MAIN UNIT
FUNCTIONTITLE
PERI (XTAL, STRAPS)
R1219
NOT MOUNT
SH.NO.DESIGNED BY
PAGE NO. REV.MARK DRAWING.NO.
R1217
4.7K(J)
NOT MOUNT
R1215
4.7K(J)
NOT MOUNT
R1213
4.7K(J)
NOT MOUNT
GND
4.7K(J)
120 20 MP PE1000ZA
TOSHIBA CORPORATION
F
Page 25

5T03655D
87654321
A
3.3V_STNBY
B
3.3V_STNBY
V46A00065600
HRESET IC
[V-LXC6127]
C
21
R1224
NOT MOUNT
D
GND
34
12
XC6127N27FNR-G
0(X)
IC120
MRB RESET
VIN VSS
1
C1203
100nF(K)
2
3.3V_STNBY
GND
21
R1223
2.2K(J)
C_HOSTRST
115 134
114
114
M_MSDA2
M_MSCL2
R1225
R1226
4.7K(J)
21
GND
4.7K(J)
21
Address:A4
5
6
1
2
3
7
8
M24256-BWMN6TP
3.3V_STNBY
V46A00003400
EEPROM
[V-MSEE32K8D]
IC121
SDA
SCL
A0
A1
A2
WP
[Vss][Vcc]
100nF(K)
C1204
2
4
1
GND
A
B
C
D
Address:94
V47A00027500
MM3285CNRE
TEMP SENSOR
[V-L3285]
*IC127
6
E
GND
SDA
1
SCL
3
A1
5
A0
4
*C1202
100nF(K)
GNDVDD
2
GND
F
E
F
OSANAI
2011.07.11 18:54
FUNCTIONTITLE
SH.NO.DESIGNED BY
PAGE NO. REV.MARK DRAWING.NO.
MAIN UNIT RESET, I2C 121 21 MP PE1000ZA
TOSHIBA CORPORATION
Page 26

5T03655D
87654321
A
B
SERIAL FOR DEBUG
M_UARX0
115
M_UATX0
115
FRC DEBUG
C
113 115
113 115
D
F_I2CS_CK
F_I2CS_DA
3.3V_STNBY
4.7K(J)
21
3.3VD
4.7K(J)
21
R1227
4.7K(J)
21
*R1020
4.7K(J)
21
R1228
*R1021
R1230
47(J)
*R1022
47(J)
DP112
A
DP113
[TP][TP][TP][TP]
DP114
DP115
5V1
R1229
47(J)
*R1023
47(J)
21
5V1
21
21
21
NOT MOUNT
V22A00114700
1
2
3
4
1T
2T
GND
DP116
[TP] [TP][TP][TP]
DP117
DP118
DP119
NOT MOUNT
V22A00114700
1
2
3
4
1T
2T
GND
[C4A2]
CN100
[C4A2]
*CN101
<DEBUG>
1:5V
2:GND
3:Mstar Rx
4:Mstar Tx
A1257WV0-4PS
<FRC DEBUG>
1:5V
2:GND
3:Mstar CLOCK
4:Mstar DATA
A1257WV0-4PS
B
C
D
E
F
OSANAI
2011.07.11 18:54
DEMO DEBUG
NOT MOUNT
5V1
V22A00114700
[C4A2]
CN750
1
GND
2
3
4
1T
2T
SH.NO.DESIGNED BY
A1257WV0-4PS
PAGE NO. REV.MARK DRAWING.NO.
370 669 114 750 765 770 775
370 669 114 750 765 770 775
FUNCTIONTITLE
M_MSCL1
M_MSDA1
MAIN UNIT PERI (SERIAL) 122 22 MP PE1000ZA
TOSHIBA CORPORATION
E
F
Page 27

5T03655D
A
B
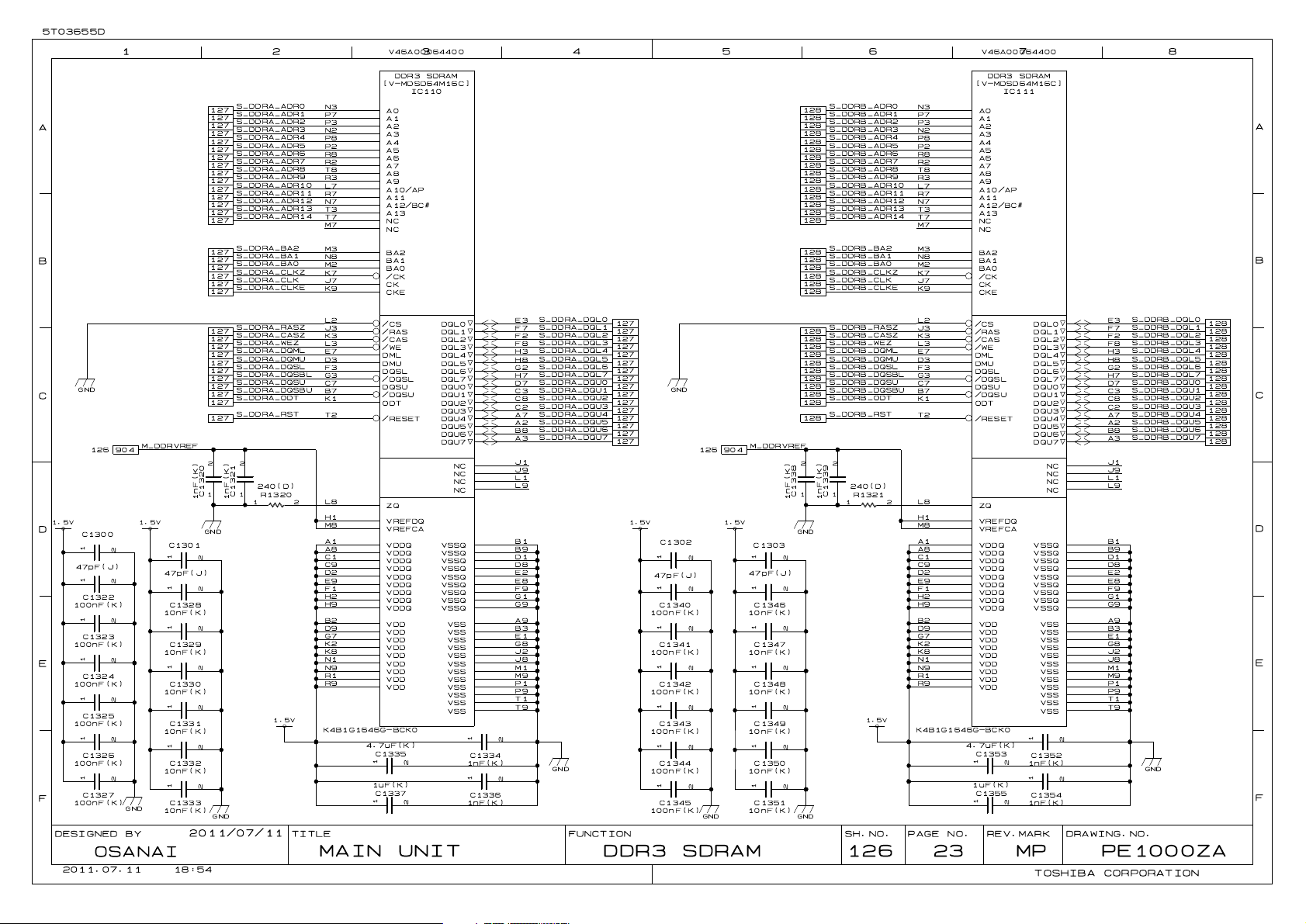
S_DDRA_ADR0
127
S_DDRA_ADR1
127
S_DDRA_ADR2
127
S_DDRA_ADR3
127
S_DDRA_ADR4
127
S_DDRA_ADR5
127
S_DDRA_ADR6
127
S_DDRA_ADR7
127
S_DDRA_ADR8
127
S_DDRA_ADR9
127
S_DDRA_ADR10
127
S_DDRA_ADR11
127
S_DDRA_ADR12
127
S_DDRA_ADR13
127
S_DDRA_ADR14
127
S_DDRA_BA2
127
S_DDRA_BA1
127
S_DDRA_BA0
127
S_DDRA_CLKZ
127
S_DDRA_CLK
127
S_DDRA_CLKE
127
V46A00064400
DDR3 SDRAM
[V-MDSD64M16C]
N3
P7
P3
N2
P8
P2
R8
R2
T8
R3
L7
R7
N7
T3
T7
M7
M3
N8
M2
K7
J7
K9
A0
A1
A2
A3
A4
A5
A6
A7
A8
A9
A10/AP
A11
A12/BC#
A13
NC
NC
BA2
BA1
BA0
/CK
CK
CKE
IC110
S_DDRB_ADR0
128
S_DDRB_ADR1
128
S_DDRB_ADR2
128
S_DDRB_ADR3
128
S_DDRB_ADR4
128
S_DDRB_ADR5
128
S_DDRB_ADR6
128
S_DDRB_ADR7
128
S_DDRB_ADR8
128
S_DDRB_ADR9
128
S_DDRB_ADR10
128
S_DDRB_ADR11
128
S_DDRB_ADR12
128
S_DDRB_ADR13
128
S_DDRB_ADR14
128
S_DDRB_BA2
128
S_DDRB_BA1
128
S_DDRB_BA0
128
S_DDRB_CLKZ
128
S_DDRB_CLK
128
S_DDRB_CLKE
128
N3
P7
P3
N2
P8
P2
R8
R2
T8
R3
L7
R7
N7
T3
T7
M7
M3
N8
M2
K7
J7
K9
V46A00064400
DDR3 SDRAM
[V-MDSD64M16C]
IC111
A0
A1
A2
A3
A4
A5
A6
A7
A8
A9
A10/AP
A11
A12/BC#
A13
NC
NC
BA2
BA1
BA0
/CK
CK
CKE
87654321
A
B
GND
C
M_DDRVREF
1.5V
2
2
2
2
2
2
2
GND
D
E
F
1.5V
126 904
C1300
1
47pF(J)
1
C1322
100nF(K)
1
C1323
100nF(K)
1
C1324
100nF(K)
1
C1325
100nF(K)
1
C1326
100nF(K)
1
C1327
100nF(K)
OSANAI
2011.07.11 18:54
127
127
127
127
127
127
127
127
127
127
127
2
C1320
1
1nF(K)
GND
C1301
1
2
47pF(J)
1
2
C1328
10nF(K)
1
2
C1329
10nF(K)
1
2
C1330
10nF(K)
1
2
C1331
10nF(K)
1
2
C1332
10nF(K)
1
2
C1333
10nF(K)
GND
2011/07/11
S_DDRA_RASZ
S_DDRA_CASZ
S_DDRA_WEZ
S_DDRA_DQML
S_DDRA_DQMU
S_DDRA_DQSL
S_DDRA_DQSBL
S_DDRA_DQSU
S_DDRA_DQSBU
S_DDRA_ODT
S_DDRA_RST
2
240(D)
C1321
1
R1320
1nF(K)
1.5V 1.5V
L2
J3
K3
L3
E7
D3
F3
G3
C7
B7
K1
T2
L8
21
H1
M8
A1
A8
C1
C9
D2
E9
F1
H2
H9
B2
D9
G7 E1
K2
K8
N1
N9
R1
R9
K4B1G1646G-BCK0
/CS
/RAS
/CAS
/WE
DML
DMU
DQSL
/DQSL
DQSU
/DQSU
ODT
/RESET
ZQ
VREFDQ
VREFCA
VDDQ
VDDQ
VDDQ
VDDQ
VDDQ
VDDQ
VDDQ
VDDQ
VDDQ
VDD
VDD
VDD VSS
VDD
VDD
VDD
VDD
VDD
VDD
4.7uF(K)
C1335
1
2
1uF(K)
C1337
1
2
DQL0
DQL1
DQL2
DQL3
DQL4
DQL5
DQL6
DQL7
DQU0
DQU1
DQU2
DQU3
DQU4
DQU5
DQU6
DQU7
VSSQ
VSSQ
VSSQ
VSSQ
VSSQ
VSSQ
VSSQ
VSSQ
VSSQ
VSS
VSS
VSS
VSS
VSS
VSS
VSS
VSS
VSS
VSS
VSS
NC
NC
NC
NC
1
C1334
1nF(K)
1
C1336
1nF(K)
E3
F7
F2
F8
H3
H8
G2
H7
D7
C3
C8
C2
A7
A2
B8
A3
J1
J9
L1
L9
B1
B9
D1
D8
E2
E8
F9
G1
G9
A9
B3
G8
J2
J8
M1
M9
P1
P9
T1
T9
2
2
S_DDRA_DQL0
S_DDRA_DQL1
S_DDRA_DQL2
S_DDRA_DQL3
S_DDRA_DQL4
S_DDRA_DQL5
S_DDRA_DQL6
S_DDRA_DQL7
S_DDRA_DQU0
S_DDRA_DQU1
S_DDRA_DQU2
S_DDRA_DQU3
S_DDRA_DQU4
S_DDRA_DQU5
S_DDRA_DQU6
S_DDRA_DQU7
GND
127
127
127
127
127
127
127
127
127
127
127
127
127
127
127
127
1.5V
GND
C1302
1
47pF(J)
1
C1340
100nF(K)
1
C1341
100nF(K)
1
C1342
100nF(K)
1
C1343
100nF(K)
1
C1344
100nF(K)
1
C1345
100nF(K)
126 904
2
2
2
2
2
2
2
GND
1.5V
M_DDRVREF
C1303
1
47pF(J)
1
C1346
10nF(K)
1
C1347
10nF(K)
1
C1348
10nF(K)
1
C1349
10nF(K)
1
C1350
10nF(K)
1
C1351
10nF(K)
FUNCTIONTITLE
MAIN UNIT DDR3 SDRAM 126 23 MP PE1000ZA
128
128
128
128
128
128
128
128
128
128
128
2
C1338
1
1nF(K)
GND
2
2
2
2
2
2
2
GND
S_DDRB_RASZ
S_DDRB_CASZ
S_DDRB_WEZ
S_DDRB_DQML
S_DDRB_DQMU
S_DDRB_DQSL
S_DDRB_DQSBL
S_DDRB_DQSU
S_DDRB_DQSBU
S_DDRB_ODT
S_DDRB_RST
2
240(D)
C1339
1
R1321
1nF(K)
SH.NO.DESIGNED BY
L2
J3
K3
L3
E7
D3
F3
G3
C7
B7
K1
T2
L8
21
H1
M8
A1
A8
C1
C9
D2
E9
F1
H2
H9
B2
D9
G7 E1
K2
K8
N1
N9
R1
R9
K4B1G1646G-BCK0
/CS
/RAS
/CAS
/WE
DML
DMU
DQSL
/DQSL
DQSU
/DQSU
ODT
/RESET
ZQ
VREFDQ
VREFCA
VDDQ
VDDQ
VDDQ
VDDQ
VDDQ
VDDQ
VDDQ
VDDQ
VDDQ
VDD
VDD
VDD VSS
VDD
VDD
VDD
VDD
VDD
VDD
4.7uF(K)
C1353
1
2
1uF(K)
C1355
1
2
DQL0
DQL1
DQL2
DQL3
DQL4
DQL5
DQL6
DQL7
DQU0
DQU1
DQU2
DQU3
DQU4
DQU5
DQU6
DQU7
NC
NC
NC
NC
VSSQ
VSSQ
VSSQ
VSSQ
VSSQ
VSSQ
VSSQ
VSSQ
VSSQ
VSS
VSS
VSS
VSS
VSS
VSS
VSS
VSS
VSS
VSS
VSS
1
C1352
1nF(K)
1
C1354
1nF(K)
2
2
PAGE NO. REV.MARK DRAWING.NO.
TOSHIBA CORPORATION
S_DDRB_DQL0
E3
S_DDRB_DQL1
F7
S_DDRB_DQL2
F2
S_DDRB_DQL3
F8
S_DDRB_DQL4
H3
S_DDRB_DQL5
H8
S_DDRB_DQL6
G2
S_DDRB_DQL7
H7
S_DDRB_DQU0
D7
S_DDRB_DQU1
C3
S_DDRB_DQU2
C8
S_DDRB_DQU3
C2
S_DDRB_DQU4
A7
S_DDRB_DQU5
A2
S_DDRB_DQU6
B8
S_DDRB_DQU7
A3
J1
J9
L1
L9
B1
B9
D1
D8
E2
E8
F9
G1
G9
A9
B3
G8
J2
J8
M1
M9
P1
P9
T1
T9
GND
128
128
128
128
128
128
128
128
128
128
128
128
128
128
128
128
C
D
E
F
Page 28

5T03655D
87654321
A
22(J)
[RMX4A]
RM141
81
M_DDRA_ADR12
110
M_DDRA_ADR4
110
M_DDRA_ADR6
110
M_DDRA_ADR8
B
C
D
110
M_DDRA_ADR11
110
M_DDRA_ADR14
110
M_DDRA_ADR1
110
M_DDRA_ADR7
110
M_DDRA_ADR5
110
M_DDRA_ADR3
110
M_DDRA_ADR13
110
M_DDRA_ADR0
110
M_DDRA_ADR2
110
M_DDRA_ADR9
110
M_DDRA_DQU2
110
M_DDRA_DQU6
110
M_DDRA_DQU0
110
M_DDRA_DQU4
110
M_DDRA_DQU1
110
M_DDRA_DQU7
110
M_DDRA_DQU3
110
M_DDRA_DQU5
110
M_DDRA_DQL0
110
M_DDRA_DQL2
110
M_DDRA_DQL6
110
M_DDRA_DQL4
110
M_DDRA_DQL7
110
M_DDRA_DQL5
110
M_DDRA_DQL1
110
M_DDRA_DQL3
110
36
4
[RMX4A]
RM142
36
4
[RMX4A]
RM143
36
4
[RMX4A]
RM144
36
4
[RMX4A]
RM145
36
4
[RMX4A]
RM146
36
4
[RMX4A]
RM147
36
4
[RMX4A]
RM148
36
4
E
72
5
22(J)
81
72
5
22(J)
81
72
5
22(J)
81
72
5
22(J)
81
72
5
22(J)
81
72
5
22(J)
81
72
5
22(J)
81
72
5
S_DDRA_ADR12
S_DDRA_ADR4
S_DDRA_ADR6
S_DDRA_ADR8
S_DDRA_ADR11
S_DDRA_ADR14
S_DDRA_ADR1
S_DDRA_ADR7
S_DDRA_ADR5
S_DDRA_ADR3
S_DDRA_ADR13
S_DDRA_ADR0
S_DDRA_ADR2
S_DDRA_ADR9
S_DDRA_DQU2
S_DDRA_DQU6
S_DDRA_DQU0
S_DDRA_DQU4
S_DDRA_DQU1
S_DDRA_DQU7
S_DDRA_DQU3
S_DDRA_DQU5
S_DDRA_DQL0
S_DDRA_DQL2
S_DDRA_DQL6
S_DDRA_DQL4
S_DDRA_DQL7
S_DDRA_DQL5
S_DDRA_DQL1
S_DDRA_DQL3
126
126
126
126
126
126
126
126
126
126
126
126
126
126
126
126
126
126
126
126
126
126
126
126
126
126
126
126
126
126
M_DDRA_WEZ
110
M_DDRA_ADR10
110
M_DDRA_RST
110
M_DDRA_DQML
110
M_DDRA_DQMU
110
M_DDRA_BA2
110
M_DDRA_BA1
110
M_DDRA_BA0
110
M_DDRA_CASZ
110
M_DDRA_ODT
110
M_DDRA_RASZ
110
M_DDRA_CLKE
110
M_DDRA_DQSU
110
M_DDRA_DQSL
110
M_DDRA_DQSBU
110
M_DDRA_DQSBL
110
M_DDRA_CLK
110
M_DDRA_CLKZ
110
[RMX4A]
RM149
R1244
R1245
R1246
R1247
R1250
2
21
21
21
21
21
21
21
21
22(J)
22(J)
22(J)
22(J)
21
2
1
R1236 22(J)
R1237 22(J)
R1238 22(J)
R1239 22(J)
R1240 22(J)
R1241 22(J)
R1242 22(J)
R1243 22(J)
36
4
R1248
22(J)
21
R1249
22(J)
21
1.5V
1
C1228
10nF(K)
56(J)
S_DDRA_ADR10
S_DDRA_DQML
S_DDRA_DQMU
22(J)
S_DDRA_CASZ
81
72
S_DDRA_RASZ
S_DDRA_CLKE
5
S_DDRA_DQSU
21
S_DDRA_DQSL
21
S_DDRA_DQSBU
21
S_DDRA_DQSBL
21
S_DDRA_CLKZ
21
56(J)
R1251
NOT MOUNT
C1225
10nF(K)
S_DDRA_WEZ
S_DDRA_RST
S_DDRA_BA2
S_DDRA_BA1
S_DDRA_BA0
S_DDRA_ODT
S_DDRA_CLK
126
126
126
126
126
126
126
126
126
126
126
126
126
126
126
126
126
126
A
B
C
D
E
F
OSANAI
2011.07.11 18:54
MAIN UNIT
FUNCTIONTITLE
DDR3 Damping Resistors
GND
SH.NO.DESIGNED BY
PAGE NO. REV.MARK DRAWING.NO.
127 24 MP PE1000ZA
TOSHIBA CORPORATION
F
Page 29

5T03655D
87654321
A
22(J)
[RMX4A]
RM153
81
M_DDRB_ADR12
111
M_DDRB_ADR4
111
M_DDRB_ADR6
111
M_DDRB_ADR8
B
C
D
111
M_DDRB_ADR11
111
M_DDRB_ADR14
111
M_DDRB_ADR1
111
M_DDRB_ADR7
111
M_DDRB_ADR5
111
M_DDRB_ADR3
111
M_DDRB_ADR0
111
M_DDRB_ADR2
111
M_DDRB_ADR13
111
M_DDRB_ADR9
111
M_DDRB_DQU2
111
M_DDRB_DQU6
111
M_DDRB_DQU0
111
M_DDRB_DQU4
111
M_DDRB_DQU1
111
M_DDRB_DQU7
111
M_DDRB_DQU3
111
M_DDRB_DQU5
111
M_DDRB_DQL0
111
M_DDRB_DQL2
111
M_DDRB_DQL6
111
M_DDRB_DQL4
111
M_DDRB_DQL7
111
M_DDRB_DQL5
111
M_DDRB_DQL1
111
M_DDRB_DQL3
111
36
4
[RMX4A]
RM122
36
4
[RMX4A]
RM154
36
4
[RMX4A]
RM155
36
4
[RMX4A]
RM125
36
4
[RMX4A]
RM126
36
4
[RMX4A]
RM127
36
4
[RMX4A]
RM128
36
4
72
5
22(J)
81
72
5
22(J)
81
72
5
22(J)
81
72
5
22(J)
81
72
5
22(J)
81
72
5
22(J)
81
72
5
22(J)
81
72
5
S_DDRB_ADR12
S_DDRB_ADR4
S_DDRB_ADR6
S_DDRB_ADR8
S_DDRB_ADR11
S_DDRB_ADR14
S_DDRB_ADR1
S_DDRB_ADR7
S_DDRB_ADR5
S_DDRB_ADR3
S_DDRB_ADR0
S_DDRB_ADR2
S_DDRB_ADR13
S_DDRB_ADR9
S_DDRB_DQU2
S_DDRB_DQU6
S_DDRB_DQU0
S_DDRB_DQU4
S_DDRB_DQU1
S_DDRB_DQU7
S_DDRB_DQU3
S_DDRB_DQU5
S_DDRB_DQL0
S_DDRB_DQL2
S_DDRB_DQL6
S_DDRB_DQL4
S_DDRB_DQL7
S_DDRB_DQL5
S_DDRB_DQL1
S_DDRB_DQL3
126
126
126
126
126
126
126
126
126
126
126
126
126
126
126
126
126
126
126
126
126
126
126
126
126
126
126
126
126
126
E
M_DDRB_ADR10
111
M_DDRB_WEZ
111
M_DDRB_RST
111
M_DDRB_DQML
111
M_DDRB_DQMU
111
M_DDRB_BA2
111
M_DDRB_BA1
111
M_DDRB_BA0
111
M_DDRB_CASZ
111
M_DDRB_ODT
111
M_DDRB_RASZ
111
M_DDRB_CLKE
111
M_DDRB_DQSU
111
M_DDRB_DQSL
111
M_DDRB_DQSBU
111
M_DDRB_DQSBL
111
M_DDRB_CLK
111
M_DDRB_CLKZ
111
R1252 22(J)
R1253 22(J)
R1254 22(J)
R1255 22(J)
R1256 22(J)
R1257 22(J)
R1258 22(J)
R1259 22(J)
36
4
R1286
22(J)
21
R1265
22(J)
21
1.5V
1
C1229
10nF(K)
[RMX4A]
RM131
R1260
R1261
R1262
R1263
R1266
2
21
21
21
21
21
21
21
21
22(J)
81
72
5
22(J)
21
22(J)
21
22(J)
21
22(J)
21
21
56(J)
R1267
NOT MOUNT
2
C1226
1
21
56(J)
10nF(K)
S_DDRB_ADR10
S_DDRB_WEZ
S_DDRB_RST
S_DDRB_DQML
S_DDRB_DQMU
S_DDRB_BA2
S_DDRB_BA1
S_DDRB_BA0
S_DDRB_CASZ
S_DDRB_ODT
S_DDRB_RASZ
S_DDRB_CLKE
S_DDRB_DQSU
S_DDRB_DQSL
S_DDRB_DQSBU
S_DDRB_DQSBL
S_DDRB_CLK
S_DDRB_CLKZ
126
126
126
126
126
126
126
126
126
126
126
126
126
126
126
126
126
126
A
B
C
D
E
F
OSANAI
2011.07.11 18:54
MAIN UNIT
FUNCTIONTITLE
DDR3 Damping Resistors
GND
SH.NO.DESIGNED BY
PAGE NO. REV.MARK DRAWING.NO.
128 25 MP PE1000ZA
TOSHIBA CORPORATION
F
Page 30

5T03655D
A
B
S_DDRC_ADR0
130
S_DDRC_ADR1
130
S_DDRC_ADR2
130
S_DDRC_ADR3
130
S_DDRC_ADR4
130
S_DDRC_ADR5
130
S_DDRC_ADR6
130
S_DDRC_ADR7
130
S_DDRC_ADR8
130
S_DDRC_ADR9
130
S_DDRC_ADR10
130
S_DDRC_ADR11
130
S_DDRC_ADR12
130
S_DDRC_ADR13
130
S_DDRC_BA2
130
S_DDRC_BA1
130
S_DDRC_BA0
130
S_DDRC_CLKZ
130
S_DDRC_CLK
130
S_DDRC_CLKE
130
V46A00064400
DDR3 SDRAM
[V-MDSD64M16C]
N3
P7
P3
N2
P8
P2
R8
R2
T8
R3
L7
R7
N7
T3
T7
M7
M3
N8
M2
K7
J7
K9
*IC112
A0
A1
A2
A3
A4
A5
A6
A7
A8
A9
A10/AP
A11
A12/BC#
A13
NC
NC
BA2
BA1
BA0
/CK
CK
CKE
87654321
A
B
C
D
E
F
OSANAI
2011.07.11 18:54
2011/07/11
E3
F7
F2
F8
H3
H8
G2
H7
D7
C3
C8
C2
A7
A2
B8
A3
J1
J9
L1
L9
B1
B9
D1
D8
E2
E8
F9
G1
G9
A9
B3
G8
J2
J8
M1
M9
P1
P9
T1
T9
2
2
S_DDRC_DQL0
S_DDRC_DQL1
S_DDRC_DQL2
S_DDRC_DQL3
S_DDRC_DQL4
S_DDRC_DQL5
S_DDRC_DQL6
S_DDRC_DQL7
S_DDRC_DQU0
S_DDRC_DQU1
S_DDRC_DQU2
S_DDRC_DQU3
S_DDRC_DQU4
S_DDRC_DQU5
S_DDRC_DQU6
S_DDRC_DQU7
GND
SH.NO.DESIGNED BY
130
130
130
130
130
130
130
130
130
130
130
130
130
130
130
130
PAGE NO. REV.MARK DRAWING.NO.
1.5V_FRC
GND
1
*C1209
100nF(K)
1
*C1210
100nF(K)
1
*C1211
100nF(K)
1
*C1212
100nF(K)
1
*C1213
100nF(K)
1
*C1214
100nF(K)
904
1.5V_FRC
2
2
2
2
2
2
GND
F_DDRVREF
1
*C1215
10nF(K)
1
*C1216
10nF(K)
1
*C1217
10nF(K)
1
*C1218
10nF(K)
1
*C1219
10nF(K)
1
*C1220
10nF(K)
130
130
130
130
130
130
130
130
130
130
130
2
1
*C1207
1nF(K)
GND
2
2
2
2
2
2
GND
S_DDRC_RASZ
S_DDRC_CASZ
S_DDRC_WEZ
S_DDRC_DQML
S_DDRC_DQMU
S_DDRC_DQSL
S_DDRC_DQSBL
S_DDRC_DQSU
S_DDRC_DQSBU
S_DDRC_ODT
S_DDRC_RST
2
240(D)
1
*R1235
*C1208
1nF(K)
1.5V_FRC
L2
J3
K3
L3
E7
D3
F3
G3
C7
B7
K1
T2
L8
21
H1
M8
A1
A8
C1
C9
D2
E9
F1
H2
H9
B2
D9
G7 E1
K2
K8
N1
N9
R1
R9
K4B1G1646G-BCK0
/CS
/RAS
/CAS
/WE
DML
DMU
DQSL
/DQSL
DQSU
/DQSU
ODT
/RESET
ZQ
VREFDQ
VREFCA
VDDQ
VDDQ
VDDQ
VDDQ
VDDQ
VDDQ
VDDQ
VDDQ
VDDQ
VDD
VDD
VDD VSS
VDD
VDD
VDD
VDD
VDD
VDD
4.7uF(K)
*C1222
1
2
1uF(K)
*C1223
1
2
DQL0
DQL1
DQL2
DQL3
DQL4
DQL5
DQL6
DQL7
DQU0
DQU1
DQU2
DQU3
DQU4
DQU5
DQU6
DQU7
VSSQ
VSSQ
VSSQ
VSSQ
VSSQ
VSSQ
VSSQ
VSSQ
VSSQ
VSS
VSS
VSS
VSS
VSS
VSS
VSS
VSS
VSS
VSS
VSS
FUNCTIONTITLE
NC
NC
NC
NC
1
*C1221
1nF(K)
1
*C1224
1nF(K)
MAIN UNIT DDR3 SDRAM 129 26 MP PE1000ZA
TOSHIBA CORPORATION
C
D
E
F
Page 31

5T03655D
87654321
A
22(J)
[RMX4A]
F_DDRC_ADR12
112
F_DDRC_ADR4
112
F_DDRC_ADR6
112
F_DDRC_ADR8
B
C
D
112
F_DDRC_ADR11
112
F_DDRC_ADR1
112
F_DDRC_ADR7
112
F_DDRC_ADR5
112
F_DDRC_ADR3
112
F_DDRC_ADR13
112
F_DDRC_ADR0
112
F_DDRC_ADR2
112
F_DDRC_ADR9
112
F_DDRC_DQU2
112
F_DDRC_DQU6
112
F_DDRC_DQU0
112
F_DDRC_DQU4
112
F_DDRC_DQU1
112
F_DDRC_DQU7
112
F_DDRC_DQU5
112
F_DDRC_DQU3
112
F_DDRC_DQL0
112
F_DDRC_DQL2
112
F_DDRC_DQL6
112
F_DDRC_DQL4
112
F_DDRC_DQL7
112
F_DDRC_DQL5
112
F_DDRC_DQL1
112
F_DDRC_DQL3
112
*RM156
36
4
[RMX4A]
*RM157
36
4
[RMX4A]
*RM112
36
4
[RMX4A]
*RM113
36
4
[RMX4A]
*RM114
36
4
[RMX4A]
*RM115
36
4
[RMX4A]
*RM116
36
4
[RMX4A]
*RM117
36
4
E
81
72
5
22(J)
81
72
5
22(J)
81
72
5
22(J)
81
72
5
22(J)
81
72
5
22(J)
81
72
5
22(J)
81
72
5
22(J)
81
72
5
S_DDRC_ADR12
S_DDRC_ADR4
S_DDRC_ADR6
S_DDRC_ADR8
S_DDRC_ADR11
S_DDRC_ADR1
S_DDRC_ADR7
S_DDRC_ADR5
S_DDRC_ADR3
S_DDRC_ADR13
S_DDRC_ADR0
S_DDRC_ADR2
S_DDRC_ADR9
S_DDRC_DQU2
S_DDRC_DQU6
S_DDRC_DQU0
S_DDRC_DQU4
S_DDRC_DQU1
S_DDRC_DQU7
S_DDRC_DQU5
S_DDRC_DQU3
S_DDRC_DQL0
S_DDRC_DQL2
S_DDRC_DQL6
S_DDRC_DQL4
S_DDRC_DQL7
S_DDRC_DQL5
S_DDRC_DQL1
S_DDRC_DQL3
129
129
129
129
129
129
129
129
129
129
129
129
129
129
129
129
129
129
129
129
129
129
129
129
129
129
129
129
129
F_DDRC_WEZ
112
F_DDRC_ADR10
112
F_DDRC_RST
112
F_DDRC_DQML
112
F_DDRC_DQMU
112
F_DDRC_BA2
112
F_DDRC_BA1
112
F_DDRC_BA0
112
F_DDRC_CASZ
112
F_DDRC_ODT
112
F_DDRC_RASZ
112
F_DDRC_CLKE
112
F_DDRC_DQSU
112
F_DDRC_DQSL
112
F_DDRC_DQSBU
112
F_DDRC_DQSBL
112
F_DDRC_CLK
112
F_DDRC_CLKZ
112
[RMX4A]
*RM158
*R1276
*R1277
*R1278
*R1279
22(J)
21
22(J)
21
1
2
21
21
21
21
21
21
21
21
22(J)
81
72
5
22(J)
21
22(J)
21
22(J)
21
22(J)
21
*R1282
21
56(J)
NOT MOUNT
2
1
*R1268 22(J)
*R1269 22(J)
*R1270 22(J)
*R1288 22(J)
*R1272 22(J)
*R1273 22(J)
*R1274 22(J)
*R1290 22(J)
36
4
*R1280
*R1281
1.5V_FRC
*C1230
10nF(K)
21
56(J)
*R1283
*C1227
10nF(K)
S_DDRC_WEZ
S_DDRC_ADR10
S_DDRC_RST
S_DDRC_DQML
S_DDRC_DQMU
S_DDRC_BA2
S_DDRC_BA1
S_DDRC_BA0
S_DDRC_CASZ
S_DDRC_ODT
S_DDRC_RASZ
S_DDRC_CLKE
S_DDRC_DQSU
S_DDRC_DQSL
S_DDRC_DQSBU
S_DDRC_DQSBL
S_DDRC_CLK
S_DDRC_CLKZ
129
129
129
129
129
129
129
129
129
129
129
129
129
129
129
129
129
129
A
B
C
D
E
F
OSANAI
2011.07.11 18:54
MAIN UNIT
FUNCTIONTITLE
DDR3 Series Resistors
GND
SH.NO.DESIGNED BY
PAGE NO. REV.MARK DRAWING.NO.
130 27 MP PE1000ZA
TOSHIBA CORPORATION
F
Page 32

5T03655D
87654321
A
M_EBDAT4
104
M_EBDAT7
104
M_EBDAT6
104
M_EBDAT5
104
B
C
D
E
104
104
104
104
113
113
113
113
113
113
113
M_EBDAT3
M_EBDAT2
M_EBDAT1
M_EBDAT0
M_NACE_N
M_NABSY_N
M_NAALE
M_NACLE
M_NAWE_N
M_NAWP_N
M_NARE_N
5
4.7K(J)
[RMX4A]
RM119
4
36
R1146
33(J)
R1187
33(J)
R1188
33(J)
R1190
33(J)
R1100
33(J)
R1192
33(J)
4.7K(J)
[RMX4A]
RM120
4
36
GND
21
21
21
21
21
21
72
81
5
72
81
R1102
4.7K(D)
21
NOT MOUNT
R1101
21
33(J)
4
36
33(J)
4
36
33(J)
R1147
33(J)
RM123
RM124
5
72
81
[RMX4A]
5
72
81
[RMX4A]
21
S_EBDAT4
S_EBDAT5
S_EBDAT6
S_EBDAT7
S_EBDAT1
S_EBDAT2
S_EBDAT0
S_EBDAT3
S_NACE_N
S_NABSY_N
S_NAALE
S_NACLE
S_NAWE_N
S_NAWP_N
S_NARE_N
134 793
134 793
134 793
134 793
134 793
134 793
134 793
134 793
134
134
134
134
134
134
134
A
B
C
D
E
F
OSANAI
2011.07.11 18:54
2011/07/11
R1070
4.7K(D)
21
FUNCTIONTITLE
R1071
4.7K(D)
21
GNDGND
SH.NO.DESIGNED BY
PAGE NO. REV.MARK DRAWING.NO.
MAIN UNIT EBUS RESISTOR 131 28 MP PE1000ZA
TOSHIBA CORPORATION
F
Page 33

5T03655D
87654321
3.3V_STNBY
A
21
R1202
22(J)
M_SPI_CLK
115
M_SPI_DI
115
M_WP_FLASH
114
B
M_SPI_CSN
115
4
36
21
RM129
R1206
22(J)
5
72
81
[RMX4A]
4.7K(J)
V46A00055500
[V-M25DF]
IC122
52
6
1
3
7
84
MX25L1606EM2I-12G
SCK
CS#
WP#
HOLD#
VCC GND
C1205
2
100nF(K)
SOSI
1
C
用
FRC
D
113
113
113
F_USPI_CSN
F_USPI_CLK
F_USPI_DI
[RMX4A]
*RM130
36
4
22(J)
81
72
5
E
3.3VD
21
*R1284
V46A00066600
[V-M25DF]
4.7K(D)
*IC123
52
6
SCK
1
CS#
3
WP#
7
HOLD#
84
VCC GND
EN25F20-100GIPTY
*C1206
2
1
100nF(K)
SOSI
3.3V_STNBY
21
R1204
4.7K(J)
GND
GND
R1231
68(J)
21
*R1232
68(J)
M_SPI_DO
F_USPI_DO
21
A
115
B
C
D
113
E
F
OSANAI
2011.07.11 18:54
FUNCTIONTITLE
SH.NO.DESIGNED BY
PAGE NO. REV.MARK DRAWING.NO.
MAIN UNIT SPI FLASH 132 29 MP PE1000ZA
TOSHIBA CORPORATION
F
Page 34

5T03655D
87654321
3.3V_NAND
A
21
21
4.7K(J)
R1264
R1285
S_NACE_N
131
115 121
B
C_HOSTRST
3.3V_NAND
V45A00014700
4.7K(J)
[V-EC384]
NOT MOUNT
1
4
53
TC7SBL384CFU(T5L,F
IC126
AB
#OE
GNDVCC
1
C1271
100nF(K)
2
2
C
D
6VD
V42A00012200
D1270
AC
1SS352(TH3,F,T)
2
E
[CP]
+
C1274
1
220uF(M)
16V
GND
21
R1275
3.3V_NAND
21
R1287
10V
4.7K(D)
2.2uF(K)
4.7K(J)
1
C1276
2
131
131
131
131
131
131
793 131
793 131
793 131
793 131
793 131
793 131
793 131
793 131
V47A00001300
[L1111NXX1B]
1
VDD
3
CE
4
NC
2
GND
R1111N331B-TR-F
S_NAWE_N
S_NARE_N
S_NACLE
S_NAALE
S_NAWP_N
S_NABSY_N
S_EBDAT7
S_EBDAT6
S_EBDAT5
S_EBDAT4
S_EBDAT3
S_EBDAT2
S_EBDAT1
S_EBDAT0
RGL
IC124
3.3V_NAND
C1272
100nF(K)
VOUT
3.3V_NAND
R1271
1
2
5
3.3V_STNBY
21
21
R1289
4.7K(J)
1
C1273
2
100nF(K)
GND
3.3V_NAND
2
C1277
10V
1
2.2uF(K)
V46A00067200
4.7K(J)
2G NANDFLASH
[V-MNF2GB]
IC117
9
CE
18
WE
8
RE
16
CLE
17
ALE
19
WP
7
R/B
44
I/O8
43
I/O7
42
I/O6
41
I/O5
32
I/O4
31
I/O3
30
I/O2
29
I/O1
12
VCC
37
VCC
13
VSS
36 48
VSS
TC58NVG1S3ETA00BKH
NC
NC
NC
NC
NC
NC
NC
NC
NC
NC
NC
NC
NC
NC
NC
NC
NC
NC
NC
NC
NC
NC
NC
NC
NC
NC
NC
NC
NC
A
1
2
3
4
5
6
10
11
14
15
20
21
22
23
24
25
26
27
28
33
34
35
38
39
40
45
46
47
B
C
D
E
F
OSANAI
2011.07.11 18:55
2011/07/11
GND
FUNCTIONTITLE
SH.NO.DESIGNED BY
PAGE NO. REV.MARK DRAWING.NO.
MAIN UNIT NAND FLASH 134 30 MP PE1000ZA
TOSHIBA CORPORATION
F
Page 35

5T03655D
A
3.3VD
2
1
2
C1507
1
100nF(K)
2
C1510
1
100pF(J)
C1511
1
1nF(K)
2
2
C1508
1
100nF(K)
2
C1512
1
100pF(J)
2
C1513
1
1nF(K)
2
C1509
1
100nF(K)
2
C1515
1
100pF(J)
C1516
1nF(K)
87654321
2
4
NC
NC
[XF]
X1500
1
2
V10A00018300
3
XRCGB25M000F3M10R0
2
R1500
2.2K(D)
21
A
B
C
D
E
F
KOJIMA
2011.07.11 18:55
M_ETTXD1
115
M_ETTXD0
115
M_ETMDC
115
M_ETMDIO
115
M_ETTXEN
115
M_LANRDP
151
M_LANRDN
151
M_LANPHY_RESET
114
GND
3.3VD
21
R1502
4.7K(J)
R1510
21
33(J)
R1511
21
33(J)
4
36
R1503 33(J)
R1509 33(J)
GND
[RMX4A]
RM150
21
21
21
2.49K(D)
R1504
5
72
81
3.3VD
C1500
1
8pF(D)
GND
22
MDC
23
MDIO
19
TXD3
18
TXD2
17
TXD1
16
TXD0
20
TX_EN
5
MDI1P
6
MDI1N
21
PHYRSTB
1
RSET
14
DVDD33
7
AVDD33
30
AVDD33
R1501
21
1M(J)
V46A00042800
Fast-Ethernet PHY
[V-U8201E]
IC150
[Clock]
[MII]
CRS/RPTR/CRS_DV
[Media Connection]
[Misc]
[Power]
RTL8201E-VC-GR
FUNCTIONTITLE
C1501
1
8pF(D)
GND
CKXTAL2CKXTAL1
TXC
RXC
RX_DV
RXER/FXEN
RXD3
RXD2
RXD1
RXD0
COL/SNI
MDI0P
MDI0N
LED0/PHYAD0
LED1/PHYAD1
PWOUT12A
PWOUT12D
Paddle
GND
3.3VD
72
81
5
4.7K(J)
3231
15
13
8
28
12
11
10
9
27
26
3
4
24
25
2
29
33
RM152
[RMX4A]
21
R1505 4.7K(J)
R1506
4.7K(J)
21
NOT MOUNT
2
C1502
1
GND
SH.NO.DESIGNED BY
4
36
2
1
10uF(K)
GND
33(J)
R1507
21
[RMX4A]
RM151
81
33(J)
NOT MOUNT
2
C1504
1
72
5
2
1
10uF(K)
GND
36
4
3.3VD
PHYAD[1:0]=01H
C1503
100nF(K)
C1505
100nF(K)
M_ETREFCLK
M_ETCRS_DV
M_ETRXD1
M_ETRXD0
M_LANTDP
M_LANTDN
PAGE NO. REV.MARK DRAWING.NO.
115
115
115
115
151
151
MAIN UNIT ETHER PHY 150 31 MP PE1000ZA
TOSHIBA CORPORATION
B
C
D
E
F
Page 36

5T03655D
87654321
A
M_LANTDP
B
C
D
150
150
150
150
M_LANTDN
M_LANRDP
M_LANRDN
1
C1522
10pF(J)
2
GND
1
C1521
10pF(J)
2
GND
1
C1520
10pF(J)
2
GND
1
C1519
10pF(J)
2
GND
1
C1527
10nF(K)
2
GND
1
C1514
10nF(K)
2
GND
GND
V21A00026100
[V-J8B2A]
1
3
2
4
6
5
7
NC
8
1T
2T
TLA-6T782HT
PJ150
(1)
(2)
(3)
(6)
(4)
(5)
(7)
(8)NC
A
B
C
D
E
F
KOJIMA
2011.07.11 18:55
FUNCTIONTITLE
SH.NO.DESIGNED BY
PAGE NO. REV.MARK DRAWING.NO.
MAIN UNIT RJ45 CONNECTOR 151 32 MP PE1000ZA
TOSHIBA CORPORATION
E
F
Page 37

5T03655D
87654321
5V_USB
A
GND
USBV1
2
+
1
100uF(M)
GND
[CP]
C1612
16V
21
21
R1605
R1610
10K(J)
R1611
20K(J)
GND
10K(J)
21
20K(J)
M_USB_POWEREN
114
M_USB_FLAG_CONT
114
B
R1622
33(J)
R1623
33(J)
0(X)
R1608
21
NOT MOUNT
21
21
2
C1602
1
R1620
100(J)
2
1uF(K)16V
C1619
1
NOT MOUNT
R1621
100(J)
1uF(K)16V
21
21
21
R1607
V47A00019900
[L1526]
IC160
1
CTLA
2
FLGA
3
FLGB
BD6516F-E2
100nF(K)
OUTA
OUTBCTLB
GNDIN
C1611
2
8
54
67
1
C
6V_USBIN
V47A00027200
R1171S501B-E2-F
D
4
3
61
2
C1609
10uF(K)
16V
1
UREG
[V-LR1171Sxx1]
IC161
NC
CE
VDD
VOUT
[GND]
[GND]
E
5V_USB
2
2
5
C1610
1
10uF(K)
16V
2
[CP]
+
C1618
1
100uF(M)
16V
21
R1602
USBV2
1K(J)
GND
2
[CP]
+
C1617
1
100uF(M)
16V
21
R1603
1K(J)
115
115
115
115
M_USB0DM
M_USB0DP
M_USB1DM
M_USB1DP
USBV1
USBV2
V21A00023400
[C4A3]
1
2
3
4
1T
2T
3T
000010211-00090
GND
V21A00023400
[C4A3]
1
2
3
4
1T
2T
3T
000010211-00090
GND
PJ160
PJ161
A
B
C
D
E
F
KOJIMA
2011.07.11 18:55
MAIN UNIT
GND
FUNCTIONTITLE
USB CONNECTOR(side)
SH.NO.DESIGNED BY
PAGE NO. REV.MARK DRAWING.NO.
160 33 MP PE1000ZA
TOSHIBA CORPORATION
F
Page 38

5T03655D
87654321
3.3VD
A
R3103
21
82K(D)
1
2
150pF(J)
GND
1
2
150pF(J)
C3102
50V
12pF(J)
R3104
100K(D)
C3103
50V
15pF(J)
50V
50V
B
C
(MSD388)
M_AOUTL2
103
R3100
1K(D)
C3115
50V
220pF(K)
21
2
1
GND
21
R3111
C3100
1uF(K)
16V
200K(D)
R3102
2
1
33K(D)
21
C3104
C3105
D
C3106
50V
15pF(J)
C3101
21
R3112
1uF(K)16V
2
200K(D)
R3106
33K(D)
21
1
R3107
100K(D)
C3108
50V
12pF(J)
R3108
82K(D)
(MSD388)
M_AOUTR2
103
R3101
1K(D)
C3116
50V
220pF(K)
21
2
1
E
GND
A_DRV_MUTE
373
A_SCART_MUTE
0: MUTE
1: Normal
R3110
0(X)
21
2
1
21
2
1
IC310
[V-L602]
DRV602PWR
V47A00048200
1
2
21
1
2
21
131211
141
-INL
+INL
+INR
-INR
23456
10
NC
PGND
OUTL
OUTR
SGNDENVDD
2
1
GND
9
PVDD
8
CN CP
7
C3113
16V
10uF(K)
2
1
2
1
C3109
16V
1uF(K)
C3110
6.3V
1uF(K)
1
C3114
6.3V
1uF(K)
R3105
4.7(J)
2
R3109
4.7(J)
21
1
C3111
50V
15pF(J)
2
GND
GND
21
1
C3112
50V
15pF(J)
2
GND
A_L_TV1
A_R_TV1
600
600
A
B
C
D
E
F
ENDO
2011.07.11 18:55
MAIN UNIT
FUNCTIONTITLE
AUDIO TV OUTPUT
SH.NO.DESIGNED BY
PAGE NO. REV.MARK DRAWING.NO.
310 34
MP
PE1000ZA
TOSHIBA CORPORATION
F
Page 39

5T03655D
87654321
A
5V_AV
B
2
2
1
1
C3222
1uF(K)16V
1
1
C3219
1uF(K)16V
NOT MOUNT
R3222
0(X)
21
63mW
25V
C3216
25V
10nF(K)
2
2
21
B
2
1
GND
21
R3217
47K(D)
21
R3216
100K(D)
C
E
Q3200
2SC4116-Y(TE85L,F)
3
5
2
8
1
C3224
NOT MOUNT
2
[V-L3547]
IN1
MUTE
Vcc
BH3547F-E2
1uF(K)16V
IC321
OUT1
OUT2IN2
BIAS
GND
D3200
D3202
AC
AC
1SS352(TH3,F,T)
1
7
6
4
GND
2
47uF(M)16V
1
C3217
[CP]
+
D3203
AC
D3201
AC
1SS352(TH3,F,T)
C3225
1SS352(TH3,F,T)
[CP]
16V
100uF(M)
+
[CP]
2
1
+
2
1
C3220
100uF(M)16V
1SS352(TH3,F,T)
10K(D)
21
21
R3219
R3218 10K(D)
(1mm)
R_HP
L_HP
(1mm)
601
601
C3215
16V
10uF(K)
GND
R3213
C
(MSD388)
M_AOUTR0
103
M_AOUTL0
103
(MSD388)
D
A_HP_MUTE
373
1K(D)
R3211
1K(D)
21
21
R3212
200K(D)
GND
2
220pF(K)50V
C3218
21
21
R3214
200K(D)
1
2
220pF(K)50V
C3221
1
R3215
15K(D)
C3223
220nF(K)
E
A
B
C
D
E
F
ENDO
2011.07.11 18:55
MAIN UNIT
FUNCTIONTITLE
Headphone AMP
SH.NO.DESIGNED BY
PAGE NO. REV.MARK DRAWING.NO.
321 35
MP
PE1000ZA
TOSHIBA CORPORATION
F
Page 40

5T03655D
87654321
A
B
3.3VD
V44A00005700
C3600
1uF(K)
6.3V
2
1
GND
(VCC)
2
(Vin)
1
(GND)
3
1T
2T
OPT-108HA
[OTB]
DS360
LED
宇球
VA
縦差
S/PDIF OUT
CA
C
103
M_SPDIFO
R3601 22(J)
21
D3601
[ZD]
UDZSNPTE-176.2B
D3600
CA
UDZSNPTE-176.2B
[ZD]
NOT MOUNT
D
A
B
C
D
E
F
ENDO
2011.07.11 18:55
MAIN UNIT
FUNCTIONTITLE
OPTICAL OUTPUT
SH.NO.DESIGNED BY
PAGE NO. REV.MARK DRAWING.NO.
360 36
MP
PE1000ZA
TOSHIBA CORPORATION
E
F
Page 41

5T03655D
87654321
A
669 114 122 750 765 770 775
669 114 122 750 765 770 775
M_AMP_RESET
B
C
D
E
114
A_PWDN
373
DTC144EEBTL
VCC_AUDIO
2
4.7uF(K)
1
GND
R3713
GND
[TRNC]
B
C3724
50V
21
10K(J)
Q3701
3.3VD
F
MSD381USV_IIC1_SCL
M_MSCL1
MSD381USV_IIC1_SDA
M_MSDA1
3.3VD
21
R3718
C
E
GND
MPZ1608S300AT
103 120
103 120
22K(J)
103 120
L3705
12
30ohm
C3719
100nF(K)
103
2
1
2
1
C3701
10uF(K)
M_I2S_MCLK
M_I2S_BCK
M_I2S_LRCK
M_I2S_DAO
C3713
100nF(K)10V
2
1
10V
100nF(K)
C3709
R3719 100(J)
2
1
C3710
10uF(K)
21
C3714
1
2
GND
VCC_AUDIO
2
1
C3715
100nF(K)50V
4.7uF(K)6.3V
1
2
2
1
100nF(K)50V
C3722
DP305
1
C3716
2
1
C3707
DP306
1
R3709 0(X)
2
1
1uF(K)25V
2
1
100nF(K)50V
C3718
100nF(K)50V
R3710
0(X)
2
1
2
1
C3706
C3711
100nF(K)50V
21
21
R3702
200(J)
3.3VD
R3703
1uF(K)25V
GND
[TP] [TP][TP][TP]
DP3071DP308
21
21
47K(J)
V47A00038100
TAS5708PHPR
1
24
23
25
19
15
21
20
22
26
44 41
GND
18
46
39
13
27 28
43
7
8
48
37
29
30
AUDIO D-AMP
[V-LTAS5708]
IC370
SCL
SDA
RESET
PDN
MCLK
SCLK
LRCLK
SDIN
STEST
HIZ BYPASS
VR_DIG
VCLAMP_AB
VCLAMP_CD
[POWER]
DVDD DVSS
AVCC
PVCC_A
PVCC_A
PVCC_B
PVCC_C
PVCC_D
PVCC_D
FAULT
OUT_A
BST_A
OUT_B
BST_B
OUT_C
BST_C
OUT_D
BST_D
OSC_RES
VR_ANA
PLL_FLTP
PLL_FLTM
AVSSAVDD
AGND
DVSSO
PGND_A
PGND_A
PGND_B
PGND_B
PGND_C
PGND_C
PGND_D
PGND_D
THERMAL PAD
A
[TP]
DP304
1
14
C3703
1
2
1
2
1
2
1
2
R3705 10K(D)
1
2
1uF(K)25V
50V
C3721
33nF(K)
C3712
33nF(K)
50V
C3708
33nF(K)
±
0.5%
50V
50V
1
2
C3723 47nF(K)
R3708 470(J)
A_DAMP_OUTA
A_DAMP_OUTB
A_DAMP_OUTC
A_DAMP_OUTD
±
0.5%
R3707 8.2K(D)
21
21
R3701 470(J)
1
2
C3717 4.7nF(K)
21
371
371
371
371
21
GND
C3702 4.7nF(K)
2
C3705 47nF(K)
1
1
2
33nF(K)
4
45
1
47
36
38
33
40
16
C3720
12
11
10
9
42
17
5
6
2
3
34
35
31
32
49
GND
B
C
D
E
F
ENDO
2011.07.11 18:55
MAIN UNIT
FUNCTIONTITLE
AUDIO D-AMP (MAIN)
SH.NO.DESIGNED BY
PAGE NO. REV.MARK DRAWING.NO.
370 37
MP
PE1000ZA
TOSHIBA CORPORATION
Page 42

5T03655D
87654321
A
A_DAMP_OUTA
370
B
C
A_DAMP_OUTB
370
A_DAMP_OUTC
370
D
L3701
22uH(M)
12
L3702
22uH(M)
12
L3703
22uH(M)
12
2
1
C3742
330nF(K)50V
2
2
1
C3744
100nF(K)50V
2
1
C3746
100nF(K)50V
2
1
C3745
100nF(K)50V
R3731
125mW
3.9(J)
21
2
50V
1
10nF(K)
C3748
2
50V
1
10nF(K)
C3750
R3732
125mW
3.9(J)
21
R3733
125mW
3.9(J)
21
2
50V
1
10nF(K)
C3749
D3703
AC
VCC_AUDIO
1SS352(TH3,F,T)
GND
AC
D3705
1SS352(TH3,F,T)
D3704
AC
VCC_AUDIO
1SS352(TH3,F,T)
AC
D3707
1SS352(TH3,F,T)
GND
D3709
AC
1SS352(TH3,F,T)
AC
D3708
1SS352(TH3,F,T)
2
1
10nF(K)50V
C3752
2
1
10nF(K)50V
C3754
2
1
10nF(K)50V
C3753
DP300
[TP][TP][TP][TP]
DP301
DP302
DP303
4
3
2
1
V22A00067000
B04B-PASK(LF)(SN)
1 L+SPK
2 L-SPK
3 R+SPK
4 R-SPK
[CN4]
CN300
A
B
C
D
E
F
ENDO
2011.07.11 18:55
A_DAMP_OUTD
370
MAIN UNIT
L3704
22uH(M)
12
1
C3743
330nF(K)50V
2
50V
2
1
C3747
100nF(K)50V
1
10nF(K)
C3751
R3734
125mW
3.9(J)
21
GND
AC
D3706
1SS352(TH3,F,T)
GND
D3710
AC
1SS352(TH3,F,T)
FUNCTIONTITLE
AUDIO D-AMP OUT (MAIN)
2
1
10nF(K)50V
C3755
SH.NO.DESIGNED BY
PAGE NO. REV.MARK DRAWING.NO.
371 38
MP
PE1000ZA
TOSHIBA CORPORATION
E
F
Page 43

5T03655D
87654321
A
M_AUDIO_PWDN A_PWDN
114
R3711
B
5V1
C
R3745
10K(J)
114 950
M_EXT_AMUTE
114
21
C_ACDET
10K(J)
21
GND
[MFNN]
G
D
R3712
10K(J)
21
D3712
AC
1SS352(TH3,F,T)
1SS352(TH3,F,T)
NOT MOUNT
D
Q3711
SSM3K16FV(TPL3,Z)
S
GND
R3757
21
1K(J)
D3714
AC
1SS352(TH3,F,T)
R3750
100K(J)
21
GND
D3700
AC
D3701
AC
1SS352(TH3,F,T)
[TRNC]
B
3.3VD
R3700
4.7K(D)
21
C
Q3700
DTC143ZEBTL
E
GND
R3704
0(X)
NOT MOUNT
370
A_DRV_MUTE
310
21
A_HP_MUTE
321
A
B
C
D
E
F
ENDO
2011.07.11 18:55
MAIN UNIT
GND
FUNCTIONTITLE
AUDIO MUTE
SH.NO.DESIGNED BY
PAGE NO. REV.MARK DRAWING.NO.
373 39
MP
PE1000ZA
TOSHIBA CORPORATION
E
F
Page 44

5T03655D
87654321
A
DP600
1
EXternal1
NEW_V21A00020700
MRC-021H-12 PC LF<V21A00007700> or CSS5021-9C01F<V22A00000800>
[V-CN323H]
*PJ600
GND
NC
NC
DP601
1
DP603
1
DP605
1
DP607
1
DP609
1
DP611
1
DP613
1
DP619
1
22
21
20
19
18
17
16
15
14
13
12
11
10
9
8
7
6
5
4
3
2
1
GND
1
1
1
DP617
DP621
DP620
L6001
12
120ohm
L6000
12
120ohm
C6002
1.5nF(K)
1
DP618
*R6009
1K(D)
*R6010
1K(D)
GND
21
21
2
2
1.5nF(K)
1
1
GND
CVBS/SY IN RETURN
B
VIDEO OUT RETURN
FAST BLANKING
BLANKING RETURN
RED/SC RETURN
C
D
E
SHIELD GND
SHIELD GND
CVBS/SY IN
VIDEO OUT
RED/SC IN
GREEN IN
GREEN RETURN
SLOW SWITCH
BLUE IN
AUDIO IN(L)
BLUE RETURN
AUDIO EARTH
AUDIO OUT(L)
AUDIO IN(R)
AUDIO OUT(R)
F
2
1
GND
2
1
GND
C6001
DP604
1
DP602
1
DP606
1
DP608
1
DP610
1
DP612
1
DP614
1
*C6006
1nF(K)
*C6000
1nF(K)
21
R6013
100K(D)
GND
[VARA]
*RV606
U
MOUNT
[VARA]
*RV605
U
MOUNT
21
22K(D)
*R6011
NOT MOUNT
GND
21
22K(D)
*R6012
NOT MOUNT
GND
21
R6014
100K(D)
NOT MOUNT
NOT MOUNT
GND
21
[VARA]
MOUNT
A_L_E1
606
A_R_E1
606
*RV610
GND
U
21
NOT MOUNT
10K(D)
21
*R6004
MOUNT
2
C6003
1
330pF(J)
GND
R6001
125mW
75(J)
*R6002
125mW
75(J)
*R6003
125mW
75(J)
R6007
125mW
150(J)
R6008
125mW
150(J)
2
C6004
1
330pF(J)
R6000
125mW 75(J)
21
21
21
MOUNT
21
MOUNT
R6005
2.7K(D)
[VARA]
RV604
[VARA]
RV600
[VARA]
RV601
MOUNT
[VARA]
*RV602
MOUNT
[VARA]
*RV603
21
21
21
GND
U
U
U
U
U
NOT MOUNT
21
21
21
21
21
*R6006
GND
0(J)
MOUNT
21
21
0(X)
*W6001
GND
NOT MOUNT
0(X)
*W6000
21
GND
21
GND
S_DET_E1
A_R_TV1
A_L_TV1
607
V_TV_OUT
V_E1
RED_E1
GREEN_E1
BLUE_E1
M_VSYNC1
ASIA_V_E1
M_HSYNC1
310
310
A
605
606
B
606 608
608
608
101
C
606
101
D
E
F
SHIBATA/Audio
2011.07.11 18:55
FUNCTIONTITLE
SH.NO.DESIGNED BY
PAGE NO. REV.MARK DRAWING.NO.
MAIN UNIT EURO SCART 600 40 MP PE1000ZA
TOSHIBA CORPORATION
Page 45

5T03655D
87654321
A
B
C
Headphone
φ
D
(3.5
PJ3523-FD07G1BA300
E
/SIDE)
[V-J7F]
PJ605
V21A00025200
GND
SW2
SW2
SW1
1
5
7
3
T2
6
4
T1
2
T3
DP630
DP631
DP615
1
DP616
1
1
1
1
DP622
C6058
2.2nF(K)
GND
2
2
1
1
C6059
2.2nF(K)
R6054 75(J)
21
R6055 75(J)
21
R6056 75(J)
21
R6057 75(J)
21
[VARA]
RV620
21
U
NOT MOUNT
GND
C6060
NOT MOUNT
R_HP
321
L_HP
321
A_HP_DET
2
1
2
1
C6061
NOT MOUNT
115
A
B
C
D
E
F
SHIBATA/Audio
2011.07.11 18:55
MAIN UNIT
F
FUNCTIONTITLE
FRONT AV
SH.NO.DESIGNED BY
PAGE NO. REV.MARK DRAWING.NO.
601 41 MP PE1000ZA
TOSHIBA CORPORATION
Page 46

5T03655D
87654321
A
V22A00106000
[C15A2]
PJ604
RED PC
GREEN PC
BULE PC
NC
GND
B
GND
GND
GND
NC
GND
NC
NC
H PC
V PC
NC
GND
GND
D229FD015S117BY
1
2
3
4
5
6
7
8
9
10
11
12
13
14
15
1T
2T
C
GND
DP644
1
DP645
1
DP646
1
DP647
1
DP649
1
GND
D
DP6581DP6591DP660
1
DP654
DP653
1
1
MOUNT
[VARA]
RV616
21
MOUNT
[VARA]
RV614
21
MOUNT
[VARA]
RV615
21
MOUNT
[VARA]
RV628
21
U
MOUNT
[VARA]
RV627
21
U
GND
R6047
21
R6042
U
GND
U
GND
U
GND
75(J)
R6043
75(J)
R6044
75(J)
21
GND
21
GND
21
GND
0(J)
R6046
0(J)
R6049
0(J)
21
21
2
C6015
1
10pF(J)
GND
2
C6017
1
10pF(J)
GND
2
C6016
1
10pF(J)
GND
ON
ON
ON
V_PC_R
V_PC_G
V_PC_B
V_HD_DSUB
V_VD_DSUB
608
608
608
608
608
A
B
C
D
E
F
SHIBATA
2011.07.11 18:55
FUNCTIONTITLE
SH.NO.DESIGNED BY
PAGE NO. REV.MARK DRAWING.NO.
MAIN UNIT DSUB PC IN 602 42 MP PE1000ZA
TOSHIBA CORPORATION
E
F
Page 47

5T03655D
A
B
External2
V21A00025500
C
D
[GN]
[BL]
[RD]
[WH]
[RD]
RCA-532H-00C-01
E
F
SHIBATA/Audio
2011.07.11 18:55
[V-CN16E]
PJ606
87654321
5V_AV
2
C6010
10V
100nF(K)
1
R6017
18K(J)
21
W6003
NOT MOUNT
21
C6009
10V
10uF(K)
2
R6018
DP633
1
11
10
9
DP634
1
1
1
[TP]
DP642
1
DP635
1
[TP]
DP643
DP636
1
DP637
1
1
[TP]
DP641
[TP]
DP640
R6063
470(D)
R6062
C6018
1nF(K)
8
7
6
5
4
3
2
1
DP638
1
DP639
1
GND
R6019
1
100(J)
10K(J)
21
GND
470(D)
21
21
2
1
GND
21
21
R6051
75(J)
125mW
63mW
75(J)
21
R6052
63mW
75(J)
21
R6053
2
C6024
1nF(K)
1
GND
FUNCTIONTITLE
MAIN UNIT
EURO COMPONENT IN
560(J)
E
B
C
GND
GND
GND
R6020
21
GND
[TRP]
Q6003
2SA1576UB TLQ
[VARA]
*RV619
21
U
MOUNT
[VARA]
*RV617
21
U
MOUNT
[VARA]
*RV618
21
U
MOUNT
[VARA]
RV629
21
U
NOT MOUNT
GNDGND
GND
GND
GND
R6021
0(J)
R6022
0(J)
R6033
0(J)
CV_E3
Y_CS_E2
CB_CS_E2
CR_CS_E2
CR_E2_SW
PAGE NO. REV.MARK DRAWING.NO.
2
C6029
1
10pF(J)
GND
2
C6030
1
10pF(J)
GND
2
C6031
1
10pF(J)
GND
ON
A_L_CS_E2
A_R_CS_E2
21
ON
21
ON
21
SH.NO.DESIGNED BY
606
606
607
606
606
606
607
Y-E2
Cb-E2
Cr-E2
L-E2
R-E2
603 43 MP PE1000ZA
緑
青
赤
白
赤
A
B
C
D
E
F
TOSHIBA CORPORATION
Page 48

5T03655D
87654321
A
5V_AV
MOUNT
*FL606
12
FB MH1608HM221-T
B
NOT MOUNT
100uF(M)
M_CVBSOUT0
C
102
EU TV
C6039
NOT MOUNT
2
[CP]
+
1
100nF(K)
1
*C6033
C6032
10uF(K)
2
MOUNT
GND
R6024
0(X)
NOT MOUNT
C6034
2
10uF(K)
NOT MOUNT
1
2
21
1
D
E
NOT MOUNT
21
R6026
47K(J)
NOT MOUNT
NOT MOUNT
R6064
33(J)
21
R6027
27K(J)
NOT MOUNT
GND
R6025
390(J)
21
220pF(J)
*R6073
0(X)
MOUNT
21
C
B
2SC4081UB TLQ
E
1
C6025
2
100nF(K)
21
27K(J)
21
GND
NOT MOUNT
Q6000
MOUNT
*C6096
1
*C6097
100nF(K)
R6074
E
B
NOT MOUNT
NOT MOUNT
GND
2
1
2
NOT MOUNT
GND
NOT MOUNT
[TRP]
Q6001
2SA1576UB TLQ
C
21
1
R6028
100(J)
C6026
2
220pF(J)
NOT MOUNT
21
R6029
100(J)
MOUNT
NJM2561BF1
[L2571]
4
1
65
MOUNT
*IC600
VIN VOUT
POWER_SAVE VSAG
V+ GND
2
3
GND
125mW
75(J)
21
*R6030
MOUNT
C6027
2
47pF(J)
*R6031
0(X)
NOT MOUNT
[CP]
C6037
+
2
220uF(M)
[CP]
C6038
+
2
220uF(M)
NOT MOUNT
1
21
2
C6036
1
1
1
47pF(J)
GND
V_TV_OUT
600
A
B
C
D
E
F
SHIBATA
2011.07.11 18:55
FUNCTIONTITLE
SH.NO.DESIGNED BY
PAGE NO. REV.MARK DRAWING.NO.
MAIN UNIT EURO TV OUT 605 44 MP PE1000ZA
TOSHIBA CORPORATION
F
Page 49

5T03655D
87654321
SCART1(RGB)
A
600
V_E1
GND
ASIA_V_E1
でガード
600 606
R6034
470(J)
MOUNT
*R6100
33(J)
*R6016
33(J)
NOT MOUNT
21
21
21
B
10K(D)
2
C6053
1
330pF(J)
R6121
470(J)
R6098
33(J)
R6099
33(J)
R6097
33(J)
10K(D)
2
C6063
1
NOT MOUNT
R6106
R6104
R6116
R6118
21
21
21
21
21
21
21
21
A_L_E1
600
A_R_E1
600
2
C6052
1
330pF(J)
C
D
E
COMP (E2)
Y_CS_E2
603
CB_CS_E2
603
CR_CS_E2
603
GND
A_L_CS_E2
603
A_R_CS_E2
603
GND
F
NOT MOUNT
でガード
でガード
NOT MOUNT
NOT MOUNT
2
C6062
1
330pF(J)
330pF(J)
*C6007
1nF(K)
FL601
0(X)
R6107
12K(D)
R6108
21
21
L6060
L6061
L6062
0(X)
R6115
R6117
12K(D)
21
21
1
21
47nF(K)
2
C6047
1
560pF(K)
21
21
21
2
C6056
1
560pF(K)
2
C6045
2
2
C6049
1
GND
4.7nF(K)
C6041
47nF(K)
C6042
47nF(K)
C6040
47nF(K)
2
C6054
1
100nF(K)
NOT MOUNT
1
2.2uF(K)
C6048
2
C6046
2
C6095
2
2
2
2
2.2uF(K)
C6055
2
C6057
2
GND
1
C6105
220pF(J)
To MSD388
*C6008
2
1
1
M_SOGIN1
2
1
GND
M_AUL0
M_AUR0
To MSD388
1
1
1
1
M_SOGIN2
M_GIN2P
C6111 NOT MOUNT
1
2
M_BIN2P
C6112
NOT MOUNT
1
2
M_RIN2P
C6113
NOT MOUNT
1
2
GND
M_AUL1
1
M_AUR1
1
M_CVBS2
103
103
103
103
101
102
101
101
101
101
AU S-Video
GND
GND
GND
V_E1
RED_E1
でガード
GND
600 606
600 608
NOT MOUNT
*R6101
33(J)
*R6102
33(J)
NOT MOUNT
GND
*FL602
21
0(X)
*FL603
21
0(X)
R6200
R6201
R6202
R6203
R6204
R6205
NOT MOUNT
L6064
NOT MOUNT
L6063
NOT MOUNT
L6065
R6209
68(J)
21
21
21
21
21
21
21
21
21
21
21
21
47nF(K)
NOT MOUNT
*C6043
2
47nF(K)
NOT MOUNT
*C6044
2
47nF(K)
GND
C6200
2
1
C6201
2
1
C6202
2
1
C6203
2
1
C6204
2
1
C6205
2
1
R6206
R6207
R6208
C6209
2
1
1
1
でガード
21
21
21
C6206
2
C6207
2
C6208
2
*C6127
100nF(K)
MOUNT
M_BIN0M
M_GIN0M
M_RIN0M
M_BIN1M
M_GIN1M
M_RIN1M
M_BIN2M
1
M_GIN2M
1
M_RIN2M
1
M_VCOM
101
101
101
101
101
101
101
101
101
102
To MSD388
M_VY1IN
M_VC1IN
2
2
*C6128
1
1
100nF(K)
GND
102
102
MOUNT
A
B
C
To MSD388
D
E
F
SHIBATA/Audio
2011.07.11 18:55
FUNCTIONTITLE
SH.NO.DESIGNED BY
PAGE NO. REV.MARK DRAWING.NO.
MAIN UNIT AV INPUT1 606 45 MP PE1000ZA
TOSHIBA CORPORATION
Page 50

5T03655D
87654321
INPUT
SIDE AV(EXT-3)
CV_E3
A
B
C
D
603
600
S_DET_E1
でガード
GND
3.3VD
10K(J)
NOT MOUNT
R6136
33(J)
*R6139
21
GND
21
47nF(K)
C6067
2
1
C6117
1
2
GND
M_CVBS0
NOT MOUNT
102
A
ANALOG TUNER
750
V_TV
GND
でガード
21
47nF(K)
C6064
2
1
C6108
1
220pF(J)
M_CVBS1
2
GND
102
FL605
21
0(X)
R6174
33(J)
R6138
21
125mW
75(J)
NOT MOUNT
B
3.3VD
R6140
10K(J)
R6141
21
100(J)
2
M_S-DET
115
603
CR_E2_SW
21
NOT MOUNT
2
R6142
100(J)
21
M_CR_SW
114
C
D
E
F
SHIBATA/Audio
2011.07.11 18:55
GND
1
10nF(K)
*C6068
NOT MOUNT
MAIN UNIT
1
C6069
10nF(K)
GND
E
F
FUNCTIONTITLE
AV INPUT2
SH.NO.DESIGNED BY
PAGE NO. REV.MARK DRAWING.NO.
607 46 MP PE1000ZA
TOSHIBA CORPORATION
Page 51

5T03655D
A
600 606
B
600
600
GREEN_E1
RED_E1
BLUE_E1
GND
でガード
MOUNT
*R6094
33(J)
MOUNT
*R6096
33(J)
MOUNT
*R6095
33(J)
87654321
MOUNT
*L6080
0(X)
MOUNT
*L6081
0(X)
MOUNT
*L6082
0(X)
21
21
21
21
21
21
MOUNT
2
*C6082
47nF(K)
MOUNT
2
*C6081
47nF(K)
MOUNT
2
*C6083
47nF(K)
1
*C6114
1
100nF(K)
NOT MOUNT
1
*C6115
1
100nF(K)
NOT MOUNT
1
*C6116
1
100nF(K)
NOT MOUNT
2
2
2
GND
M_GIN1P
M_RIN1P
M_BIN1P
101
101
101
A
B
C
V_PC_R
602
V_PC_G
602
V_PC_B
602
D
E
V_HD_DSUB
602
V_VD_DSUB
602
F
SHIBATA/Endo
2011.07.11 18:55
GND
でガード
R6035
100(J)
R6038
100(J)
R6164
21
R6165
21
R6166
21
33(J)
R6041
21
470(J)
21
21
GND
R6036
2.2K(J)
R6039
2.2K(J)
21
21
R6037
100(J)
R6040
100(J)
21
21
FUNCTIONTITLE
C6073
2
C6076
2
C6074
2
47nF(K)
C6065
1
1nF(K)
SH.NO.DESIGNED BY
1
1
1
2
C6118
1
C6119
1
C6120
1
C6066
1
100nF(K)
NOT MOUNT
2
NOT MOUNT
2
NOT MOUNT
2
NOT MOUNT
2
GND
M_HSYNC0
M_VSYNC0
M_RIN0P
M_GIN0P
M_BIN0P
M_SOGIN0
101
101
101
101
101
101
PAGE NO. REV.MARK DRAWING.NO.
MAIN UNIT AV INPUT3 608 47 MP PE1000ZA
TOSHIBA CORPORATION
→
Seine4L
C
D
E
F
Page 52

5T03655D
87654321
M_LVB4+1
108
M_LVB4-1
108
M_LVB3+1
A
B
C
D
108
108
108
108
108
108
108
108
108
108
108
108
108
108
108
108
108
108
108
108
108
108
113
114
M_LVB3-1
M_LVBCLK+1
M_LVBCLK-1
M_LVB2+1
M_LVB2-1
M_LVB1+1
M_LVB1-1
M_LVB0+1
M_LVB0-1
M_LVA4+1
M_LVA4-1
M_LVA3+1
M_LVA3-1
M_LVACLK+1
M_LVACLK-1
M_LVA2+1
M_LVA2-1
M_LVA1+1
M_LVA1-1
M_LVA0+1
M_LVA0-1
M_L/R_SW
M_2D/3D_SW
EXC28CE121U
4
3
2
1
FL640
EXC28CE121U
4
3
2
1
FL641
EXC28CE121U
4
3
2
1
FL642
EXC28CE121U
4
3
2
1
FL643
EXC28CE121U
4
3
2
1
FL644
EXC28CE121U
4
3
2
1
FL645
8
7
6
5
[FL09J]
8
7
6
5
[FL09J]
8
7
6
5
[FL09J]
8
7
6
5
[FL09J]
8
7
6
5
[FL09J]
8
7
6
5
[FL09J]
MOUNT
*R6512
100(J)
21
MOUNT
100(J)
*R6513
21
3DGLASSES
SAM
L:
H:
’11-05-31
GND
CMO
L:Right
H:Left
12V_LCD
R6511 10K(J)
21
R6510 10K(J)
21
1
E
115
115
DP651
1
R6502
4.7K(J)
R6504
21
NOT MOUNT
B_TEMPSEL1
B_TEMPSEL0
GND
[TP][TP][TP]
DP670
DP652
1
4.7K(J)
R6500
NOT MOUNT
21
21
12V_LCD
NOT MOUNT
R6509 0(X)
21
R6508 0(X)
21
W6500
21
NOT MOUNT
NOT MOUNT
W6501
21
GND
L6500
30ohm
12
2
2
1
1
25V
16V
C6500
C6501
100nF(K)
1uF(K)
0(X)
2
1
50V
C6502
1nF(K)
0(X)
1
[TP]
DP656
1
1
2
3
4
5
6
7
8
9
10
11
12
13
14
15
16
17
18
19
20
21
22
23
24
25
26
27
28
29
30
31
32
33
34
35
36
37
38
39
40
41
42
43
44
45
46
47
48
49
50
51
1T
2T
3T
4T
5T
6T
7T
8T
9T
10T
11T
12T
[TP]
DP657
20519-051E
V22A00112800
[V-CN51A]
CN650
NC
NC
3D_GLASSES
L/R_SW
NC
NC
NC/LVDS_SEL
NC
NC
2D/3D
NC
NC
GND
TB4+
TB4-
TB3+
TB3-
GND
TBCLK+
TBCLK-
GND
TB2+
TB2-
TB1+
TB1-
TB0+
TB0-
GND
TA4+
TA4-
TA3+
TA3-
GND
TACLK+
TACLK-
GND
TA2+
TA2-
TA1+
TA1-
TA0+
TA0-
GND
GND
GND
NC
VCC_LCD
VCC_LCD
VCC_LCD
VCC_LCD
VCC_LCD
[SHIELD]
A
B
C
D
E
L/R_SW
SAM
L:
H:
CMO
L:Right
H:Left
F
S.KOMIYA
2011.07.11 18:55
10K(J)
R6507
21
GND
10K(J)
R6506
21
R6505
21
NOT MOUNT
FUNCTIONTITLE
*R6501
NOT MOUNT
21
21
NOT MOUNT
GND
SH.NO.DESIGNED BY
PAGE NO. REV.MARK DRAWING.NO.
0(X)
1.6K(J)
1.6K(J)
R6503
GND
GND
MAIN UNIT LVDS CONNECTOR 650 48 MP PE1000ZA
TOSHIBA CORPORATION
F
Page 53

5T03655D
87654321
A
M_LVD4+1
109
M_LVD4-1
109
M_LVD3+1
109
M_LVD3-1
109
M_LVDCLK+1
109
M_LVDCLK-1
109
M_LVD2+1
109
M_LVD2-1
109
B
C
109
109
109
109
109
109
109
109
109
109
109
109
109
109
109
109
M_LVD1+1
M_LVD1-1
M_LVD0+1
M_LVD0-1
M_LVC4+1
M_LVC4-1
M_LVC3+1
M_LVC3-1
M_LVCCLK+1
M_LVCCLK-1
M_LVC2+1
M_LVC2-1
M_LVC1+1
M_LVC1-1
M_LVC0+1
M_LVC0-1
D
E
EXC28CE121U
4
3
2
1
*FL646
EXC28CE121U
4
3
2
1
*FL647
EXC28CE121U
4
3
2
1
*FL648
EXC28CE121U
4
3
2
1
*FL649
EXC28CE121U
4
3
2
1
*FL650
EXC28CE121U
4
3
2
1
*FL651
8
7
6
5
[FL09J]
MOUNT
8
7
6
5
[FL09J]
MOUNT
8
7
6
5
[FL09J]
MOUNT
8
7
6
5
[FL09J]
MOUNT
8
7
6
5
[FL09J]
MOUNT
8
7
6
5
[FL09J]
MOUNT
12V_LCD
*L6501
30ohm
MOUNT
MOUNT
20519-041E
V22A00112700
W6502
0(X)
21
NOT MOUNT
GND
W6503
0(X)
NOT MOUNT
21
[TP]
[TP]
DP655
DP650
1
1
*R6517
21
MOUNT
*R6518
21
MOUNT
*R6519
2
MOUNT
21
MOUNT
*R6520
21
MOUNT
*R6521
21
MOUNT
2
2
MOUNT
MOUNT
1
1
12
1
GND
1
2
3
4
5
6
7
8
9
10
11
12
13
14
15
16
17
18
19
20
21
22
23
24
25
26
27
28
29
30
31
32
33
34
35
36
37
38
39
40
41
1T
2T
3T
4T
5T
6T
7T
8T
9T
10T
11T
12T
[V-CN41A]
*CN651
NC
NC
GND
TD4+
TD4-
TD3+
TD3-
GND
TDCLK+
TDCLK-
GND
TD2-
TD2+
TD1+
TD1-
TD0+
TD0-
GND
TC4+
TC4-
TC3+
TC3-
GND
TCCLK+
TCCLK-
GND
TC2+
TC2-
TC1+
TC1-
TC0+
TC0-
GND
GND
GND
NC
12V_LCD(NC)
12V_LCD(NC)
12V_LCD(NC)
12V_LCD(NC)
12V_LCD(NC)
[SHIELD]
A
B
C
D
E
F
S.KOMIYA
2011.07.11 18:55
GND
SH.NO.DESIGNED BY
PAGE NO. REV.MARK DRAWING.NO.
*C6505
1uF(K)
25V
50V
*C6506
1nF(K)
16V
*C6504
100nF(K)
FUNCTIONTITLE
GND
MAIN UNIT LVDS CONNECTOR 651 49 MP PE1000ZA
TOSHIBA CORPORATION
F
Page 54

5T03655D
87654321
A
1
[7SH08]
2
5
[Vcc]
3
[Vss]
NOT MOUNT
R6531
0(X)
&
IC651
1
2
5
3
21
4
R6533
21
33(J)
&
[7SH08]
IC652
[Vcc]
[Vss]
NOT MOUNT
C6532
4
2.2nF(K)
50V
M_BL_ONOFF
114
B
B_PWM_DIM
C
114
GND
D
21
GND
R6532
21
MOUNT
3.3VD
NOT MOUNT
R6530
MOUNT
21
R6534
3.3V_STNBY
3.3V_STNBY
NOT MOUNT
2
C6533
1
GND
NOT MOUNT
2
C6534
1
GND
L6531
12
MPZ1608S221AT
2
C6531
50V
2.2nF(K)
1
GND
L6532
12
MPZ1608S221AT
2
1
2
C6535
1
GND
2
C6536
1
GNDGND
B_BL_ONOFF
NOT MOUNT
B_PWM
NOT MOUNT
950
950
A
B
C
D
E
F
S.KOMIYA
2011.07.11 18:55
MAIN UNIT
FUNCTIONTITLE
BL_CONTROL & DIMMING
SH.NO.DESIGNED BY
PAGE NO. REV.MARK DRAWING.NO.
652 50 MP PE1000ZA
TOSHIBA CORPORATION
E
F
Page 55

5T03655D
A
B
C
D
113 120
113 120
E
*C6540
100nF(K)
MOUNT
F_UGPIO1
F_UPWM0
12V_IN
16V
GND
3.3VD
1
2
5
TC7SZ125FU(TE85L,F
MOUNT
30ohm
*L6580
12
*C6541
100nF(K)
16V
MOUNT
V45A00004500
BUS BUFFER
[V-7SZ125A]
IC658
G#
IN_A OUT_Y
VCC GND
C6580
2
100nF(K)
GND
1
2
1
MOUNT
*C6542
10uF(K)
87654321
NOT MOUNT
*R6730
MOUNT
SSM6J409TU(TE85L,F
[MFPI]
*Q6500
S
4
21
21
MOUNT
200(D)
*R6725
MOUNT
MOUNT
*R6707
21
200(D)
D
S
GND
21
*R6726
NOT MOUNT
D
S
[MFNN]
MOUNT
*R6705
0(X)
4
3
GND
NOT MOUNT
*R6706
0(X)
*Q5002
G
21
100K(J)
21
GND
NOT MOUNT
[MFNN]
*Q5003
G
21
36
MOUNT
*R6709
200(D)
*R6710
150(D)
MOUNT
21
SSM3K16FV(TPL3,Z)
NOT MOUNT
SSM6J409TU(TE85L,F
[MFPI]
*Q6501
4
S
36
*R6711
200(D)
NOT MOUNT
*R6712
150(D)
21
NOT MOUNT
1
D
2
5
G
*R6713
47K(D)
21
GND
1
2
D
5
G
*R6714
47K(D)
21
GND
21
MOUNT
*R6727
4.3K(D)
MOUNT
2
1
21
*R6728
4.3K(D)
NOT MOUNT
NOT MOUNT
2
1
GND
21
4.3K(D)
21
2.2K(D)
100nF(K)
21
4.3K(D)
21
2.2K(D)
100nF(K)
*R6715
*R6716
*R6718
*R6719
SSM6J409TU(TE85L,F
4
36
MOUNT
21
MOUNT
220K(D)
16V
*C6544
MOUNT
GND
SSM6J409TU(TE85L,F
4
36
NOT MOUNT
21
NOT MOUNT
220K(D)
16V
*C6545
NOT MOUNT
GND
*R6717
*R6720
0(X)
MOUNT
[MFPI]
*Q6502
S
D
G
NOT MOUNT
NOT MOUNT
*R6731
0(X)
NOT MOUNT
[MFPI]
*Q6503
S
D
G
NOT MOUNT
21
A
1
2
5
MOUNT
*R6721
47K(D)
21
GNDGND
MOUNT
*R6723
0(X)
MOUNT
*R6724
0(X)
F_3DIR1
21
F_3DIR2
21
700
B
700
C
21
1
2
5
*R6722
47K(D)
21
NOT MOUNT
GND
NOT MOUNT
*R6729
0(X)
21
D
E
F
M.SATO
2011.07.11 18:55
*R6708
100K(J)
21
NOT MOUNT
GND
SSM3K16FV(TPL3,Z)
GND
FUNCTIONTITLE
SH.NO.DESIGNED BY
PAGE NO. REV.MARK DRAWING.NO.
MAIN UNIT @Functi 658 51 MP PE1000ZA
TOSHIBA CORPORATION
F
Page 56

5T03655D
87654321
A
B
C
D
E
Port#1
[V-C19A6]
PJ660
D2+
D2S
D2-
D1+
D1S
D1-
D0+
D0S
D0-
CLK+
CLKS
CLK-
(CEC)
NC
SCL
SDA
GND
PWR
DET
Port#2 Port#4
[V-C19A6]
PJ661
D2+
D2S
D2-
D1+
D1S
D1-
D0+
D0S
D0-
CLK+
CLKS
CLK-
(CEC)
NC
SCL
SDA
GND
PWR
DET
1
2
3
4
5
6
7
8
9
10
11
12
13
14
15
16
17
18
19
1T
2T
3T
4T
5T
6T
GNDGND
1
2
3
4
5
6
7
8
9
10
11
12
13
14
15
16
17
18
19
1T
2T
3T
4T
5T
6T
12K(D)
21
47K(D)
21
GND
H_DDCDC_CK
H_DDCDC_DA
HDMI_PWRC
HDMI_HPDC
R9084
C9505
NOT MOUNT
1
1uF(K)
NOT MOUNT
R9086
NOT MOUNT
H_DDCDD_CK
H_DDCDD_DA
HDMI_PWRD
HDMI_HPDD
H_RXC2P
H_RXC2N
H_RXC1P
H_RXC1N
H_RXC0P
H_RXC0N
H_RXCCKP
H_RXCCKN
2
16V
H_RXD2P
H_RXD2N
H_RXD1P
H_RXD1N
H_RXD0P
H_RXD0N
H_RXDCKP
H_RXDCKN
107
107
107
107
107
107
107
107
107 664
107 664
661
663
R9082
21
39(J)
NOT MOUNT
107
107
107
107
107
107
107
107
107 664
107 664
661
663
R9081
21
16(J)
NOT MOUNT
H_ARC1
106 118
Port#3
[V-C19A6]
PJ662
D2+
D2S
D2-
D1+
D1S
D1-
D0+
D0S
D0-
CLK+
CLKS
CLK-
(CEC)
NC
SCL
SDA
GND
PWR
DET
[C19A4]
PJ663
D2+
D2S
D2-
D1+
D1S
D1-
D0+
D0S
D0-
CLK+
CLKS
CLK-
(CEC)
NC
SCL
SDA
GND
PWR
DET
A
1
2
3
4
5
6
7
8
9
10
11
12
13
14
15
16
17
18
19
1T
2T
3T
4T
5T
6T
GND
GND
H_RXB2P
H_RXB2N
H_RXB1P
H_RXB1N
H_RXB0P
H_RXB0N
H_RXBCKP
H_RXBCKN
H_DDCDB_CK
H_DDCDB_DA
HDMI_PWRB
HDMI_HPDB
H_CEC
106
106
106
106
106
106
106
106
106 664
106 664
661
662
106
B
C
D
1
2
3
4
5
6
7
8
9
10
11
12
13
14
15
16
17
18
19
1T
2T
3T
4T
H_RXA2P
H_RXA2N
H_RXA1P
H_RXA1N
H_RXA0P
H_RXA0N
H_RXACKP
H_RXACKN
H_DDCDA_CK
H_DDCDA_DA
HDMI_PWRA
HDMI_HPDA
106
106
106
106
106
106
106
106
106 664
106 664
661
662
E
F
Noguchi/Kuwata
2011.07.11 18:55
GNDGND
FUNCTIONTITLE
GND
GND
SH.NO.DESIGNED BY
PAGE NO. REV.MARK DRAWING.NO.
MAIN UNIT HDMI CONNECTOR 660 52 MP PE1000ZA
TOSHIBA CORPORATION
F
Page 57

5T03655D
87654321
A
660
HDMI_PWRA
1.5K(D)
21
R6610
3.3K(D)
GND
R6611
21
H_+5VPWRA
662 114
B
660
HDMI_PWRB
C
660
HDMI_PWRC
D
1.5K(D)
21
R6612
3.3K(D)
GND
1.5K(D)
21
R6614
3.3K(D)
GND
R6613
21
R6615
21
H_+5VPWRB
H_+5VPWRC
662 114
114 663
A
B
C
D
E
F
Kuwata
2011.07.11 18:55
660
HDMI_PWRD
1.5K(D)
21
R6616
R6617
3.3K(D)
21
GND
FUNCTIONTITLE
H_+5VPWRD
SH.NO.DESIGNED BY
114 663
PAGE NO. REV.MARK DRAWING.NO.
MAIN UNIT HDMI 5VPWR 661 53 MP PE1000ZA
TOSHIBA CORPORATION
E
F
Page 58

5T03655D
87654321
A
5V1
V45A00011600
&
[7SET08]
IC660
[Vcc]
[Vss]
4
R6623
10K(J)
21
GND
21
R6624 1K(J)
HDMI_HPDA
660
106
H_+5VPWRA
H_HOTPLUGA
R6622
10K(J)
21
661 114
B
2
C6620
1
100nF(K)
GNDGND
1
2
5
3
C
R6625
5V1
2
C6621
1
100nF(K)
GND
V45A00011600
1
2
5
3
&
[7SET08]
IC661
[Vcc]
[Vss]
4
R6626
10K(J)
21
GND
21
R6627 1K(J)
HDMI_HPDB
660
D
106
H_+5VPWRB
H_HOTPLUGB
10K(J)
21
661 114
E
GND
A
B
C
D
E
F
Kuwata
2011.07.11 18:55
FUNCTIONTITLE
SH.NO.DESIGNED BY
PAGE NO. REV.MARK DRAWING.NO.
MAIN UNIT HDMI HPD(1) 662 54 MP PE1000ZA
TOSHIBA CORPORATION
F
Page 59

5T03655D
87654321
A
5V1
V45A00011600
&
[7SET08]
IC662
[Vcc]
[Vss]
4
R6631
10K(J)
21
GND
21
R6632 1K(J)
HDMI_HPDC
660
107
H_+5VPWRC
H_HOTPLUGC
R6630
10K(J)
21
B
661 114
2
C6622
1
100nF(K)
GNDGND
1
2
5
3
C
R6633
5V1
2
C6623
1
100nF(K)
V45A00011600
1
2
5
3
&
[7SET08]
IC663
[Vcc]
[Vss]
4
R6634
10K(J)
21
21
R6635 1K(J)
HDMI_HPDD
660
D
107
H_+5VPWRD
H_HOTPLUGD
10K(J)
21
661 114
E
A
B
C
D
E
F
Kuwata
2011.07.11 18:55
GND
GND
FUNCTIONTITLE
GND
SH.NO.DESIGNED BY
PAGE NO. REV.MARK DRAWING.NO.
MAIN UNIT HDMI HPD(2) 663 55 MP PE1000ZA
TOSHIBA CORPORATION
F
Page 60

5T03655D
87654321
A
B
660 106
660 106
C
660 106
660 106
660 107
660 107
660 107
660 107
H_DDCDA_CK
H_DDCDA_DA
H_DDCDB_CK
H_DDCDB_DA
H_DDCDD_CK
H_DDCDD_DA
H_DDCDC_CK
H_DDCDC_DA
5V1
21
21
R6640 47K(D)
R6641 47K(D)
47K(D)
21
21
R6643
R6644 47K(D)
21
R6642 47K(D)
21
21
R6645 47K(D)
R6646 47K(D)
R6647 47K(D)
21
D
A
B
C
D
E
F
Kuwata
2011.07.11 18:55
FUNCTIONTITLE
SH.NO.DESIGNED BY
PAGE NO. REV.MARK DRAWING.NO.
MAIN UNIT HDMI DDC 664 56 MP PE1000ZA
TOSHIBA CORPORATION
E
F
Page 61

5T03655D
87654321
A
B
5V1
C
[SBD]
D6650
CMS03(TE12L,Q)
CA
C6650
2.2uF(K)
10V
4
3
61
D6651
1SS352(TH3,F,T)
V47A00047300
[V-LR1173S151]
CE
NC
VDD
RP131S331B-E2-FE
UREG
IC667
AC
VOUT
[GND]
[GND]
3.3V_HDMI
FL665
12
MPZ1608S221AT
2
5
2
1
C6651
100nF(K)
10V
2
1
C6652
4.7uF(K)
6.3V
D
GND
A
B
C
D
E
F
Kuwata
2011.07.11 18:55
POWER TV2 [MAIN]
FUNCTIONTITLE
SH.NO.DESIGNED BY
PAGE NO. REV.MARK DRAWING.NO.
3.3V_HDMI 665 57 MP
E
F
TOSHIBA CORPORATION
Page 62

5T03655D
87654321
A
B
370 114 122 750 765 770 775
C
370 114 122 750 765 770 775
M_MSDA1
M_MSCL1
D
3.3VD
2
C6690
1
100nF(K)
2
C6691
1
GND GND
SlaveAddr = 0xA8,0xAA,0xAC,0xAE
100nF(K)
8kbit
V4AA00010200
CAT24C08WI-GT3-H-RECV
EEPROM
[V-U24C08]
IC669
5
SDA
6
SCL
1
NC
2
NC
3
A2
7
WP
8
VSSVCC
4
A
B
C
D
E
F
Noguchi/Kuwata
2011.07.11 18:55
FUNCTIONTITLE
SH.NO.DESIGNED BY
PAGE NO. REV.MARK DRAWING.NO.
MAIN UNIT HDCP KEY ROM 669 58 MP PE1000ZA
TOSHIBA CORPORATION
E
F
Page 63

5T03655D
A
B
1 .RMT_IN
2 .GND
3 .3.3VF
4 .3.3V_TVM
5 .OP_IN
6 .GND
7 .POWER_ON LED
8 .STANDBY LED
9 .PROGRAM TIMER(RED)
10 .PROGRAM TIMER(GREEN)
11 .GND
12 .GND
13 .GND
14 .3D-IROUT1
C
15 .3D-IROUT2
D
CN740
V22A00115700
[C15A2]
CN740
A1257WV0-15PS
PJ740
1
2
3
4
5
6
7
8
9
10
11
12
13
14
15
1T
2T
GND
3.3VD 3.3V_STNBY
2
C7000
1
2
C7001
1nF(K)
1
2
C7004
1
100pF(J)
2
C7010
1
2
C7002
1
10nF(K)
NOT MOUNT
for EMC
2
C7003
1
2
C7005
1nF(K)
1
2
C7007
1
[TP]
DP711
[TP]
1
DP712
[TP]
1
DP713
1
DP714
1
2
2
C7008 NOT MOUNT
C7009 NOT MOUNT
1
1
1
[TP]
DP715
[TP]
DP716
[TP]
1
DP717
[TP]
1
DP718
1
RV700 NOT MOUNT
[VARA]
10nF(K)
21
U
[TP][TP]
DP719
[TP]
1
DP720
[TP]
1
DP721
1
DP722
1
21
U
RV702 NOT MOUNT
[VARA]
[VARA]U[VARA]
[TP]
21
RV703NOT MOUNT
RV705 NOT MOUNT
21
U
21
U
RV706 NOT MOUNT
[VARA]
115
21
U
RV710 NOT MOUNT
[VARA]
[VARA]
M_RMT_IN
*R7005
R7030
21
U
RV711 NOT MOUNT
*R7004
R7031
NOT MOUNT
R7022
21
0(X)
MOUNT
V45A00009700
[CL1G017]
IC706
42
21
47(J)
R7021
35
GND
NL17SZ17XV5T2G
[Vcc][GND]
C7027
NC
AY
3.3V_STNBY
1
MOUNT100nF(K)
MOUNT
47(J)
MOUNT
21
47(J)
21
47(J)
21
21
47(J)
21
R7007
21
R7008
4.7K(J)
21
R7006
GND
4.7K(J)
1
MOUNT
GND
C_POWERLED
C_STANDBYLED
M_PROGRAM_R
M_PROGRAM_O
21
R7009
4.7K(J)
4.7K(J)
2
F_3DIR1
F_3DIR2
87654321
C7028
33pF(J)
21
47(J)
R7023
114
114
114
114
658
658
A
B
C
D
E
F
IMURA
2011.07.11 18:55
GND
GND
U
GND
[VARA]
21
RV707
R7001
15K(J)
NOT MOUNT
NOT MOUNT
21
R7000
4.7K(J)
21
2
1
C7006
10nF(K)
OP_IN
114
FUNCTIONTITLE
SH.NO.DESIGNED BY
PAGE NO. REV.MARK DRAWING.NO.
MAIN UNIT LED/IR IF 700 59 MP PE1000ZA
TOSHIBA CORPORATION
E
F
Page 64

5T03655D
87654321
A
[V-SWT03]
S700
KSMC632A
B
C
D
12
34
GND GND
POWER KEY
GND
[V-SWT03]
S701
KSMC632A
12
34
GND GND
UP DOWN
21
R7018
22K(D)
KSMC632A
GND
[V-SWT03]
S702
12
34
GND GND
GND
21
R7019
10K(D)
12
34
[V-SWT03]
S703
GND GND
SELECT
GND
21
U
[VARA]
[VARA]
RV721 NOT MOUNT
R7013
1K(J)
R7017
1K(J)
21
U
RV722 NOT MOUNT
21
21
21
R7016
33K(J)
3.3V_STNBY
21
R7015
33K(J)
C_KEY_1
C_KEY_2
114
114
A
B
C
D
E
F
IMURA
2011.07.11 18:55
GND
FUNCTIONTITLE
SH.NO.DESIGNED BY
PAGE NO. REV.MARK DRAWING.NO.
MAIN UNIT 5V LED/KEY 701 60 MP PE1000ZA
TOSHIBA CORPORATION
E
F
Page 65

5T03655D
87654321
A
3.3VD
114 950 704
B
115
C_POWER_SIG
C_FANSTOP
114 950 704
10K(D)
C_POWER_SIG
3.3VD
*R7058
21
C
NOT MOUNT
*R7062
10K(D)
21
*R7063 0(X)
NOT MOUNT
*R7064
21
21
0(X)
12V
*C7021
1uF(K)
V47A00027400
XC6216C202PR
[V-L6216CXXX]
3
CE
VIN
16V
NOT MOUNT
UREG
*IC705
[VSS]
VOFB
VOUT
*C7022
1uF(K)
16V
FAN=8V
*C7023
1uF(K)
16V
GNDGND
R7031:30k
21
*R7061
30K(D)
*R7060
10K(D)
[TP]
DP708
[TP]
1
DP709
V22A00074300
[TP]
1
DP710
1
2
2
21
GND
2
1
*C7024
1nF(K)
GND
1
*C7025
10nF(K)
NOT MOUNT
C7026
1
10nF(K)
1
2
3
1T
2T
NOT MOUNT
CN710
[C3A2]
*CN710
1:VCC_FAN
2:GND
3:STOP_FAN
BM03B-GHS-TBT(LF)(SN)(N)
FAN1
4
15
2
D
A
B
C
D
E
F
IMURA
2011.07.11 18:55
FUNCTIONTITLE
SH.NO.DESIGNED BY
PAGE NO. REV.MARK DRAWING.NO.
MAIN UNIT TVM FAN CONTROL 704 61 MP PE1000ZA
TOSHIBA CORPORATION
E
F
Page 66

5T03655D
A
B
C
ENGS7305D5F
の下は
H7501
スルーホール禁止。
V86A00015800
A/D-TUNER
[V-HBVPS03]
H7501
+B(Antenna)
BB(5V)
VB1(1.8V)
VB2(3.3V)
RESET
SCL
SDA
IF AGC
IFD_OUT1
IFD_OUT2
VIDEO OUT
Audio/SIO_OUT
GND
GND
GND
GND
GND
5V_TUNER
FL750
600ohm
MPZ1608S601AT
[CP]
C7504
12
+
100uF(M)
2
以外の
GND
DP751
1
C7501
1nF(K)
1
2
1
DP763
1
DP764
1
3.3K(D)
2
2
GND
R7500
1
1
DP752
1
2
DP753
1
6
DP754
1
10
DP755
1
7
DP756
1
9
DP757
1
8
DP758
1
11
DP759
1
4
DP760
1
5
DP761
1
12
DP762
1
13
1
3
GND
C7502 1nF(K)
C7503 1nF(K)
1
DP765
NC
14
NC
DP766
15
16
17
18
19
1
[CP]
C7505
+
100uF(M)
2
1
D7500
NOT MOUNT
CA
C7506
10uF(K)
[ZD]
2
1
C7507
100nF(K)
2
1
R_IFAGC
21
R_DIF_N
R_DIF_P
C7516 100pF(J)
2
GND
1.8V_TUNER
GND
765
750
750
1
R7505
21
6.8K(D)
NOT MOUNT
FL751
600ohm
MPZ1608S601AT
12
C7508
10uF(K)
2
1
C7509
100nF(K)
2
1
FL752
0(J)
FL753
0(J)
R_V_OUT
でガード
GND
GND
C7510 1nF(K)
R7501
3.3K(D)
M_SIFP
3.3V_DEMO
12
GND
2
21
C7511
33pF(J)
2
21
21
C7512
33pF(J)
2
750
103
FL754
600ohm
MPZ1608S601AT
C7513
10uF(K)
2
1
C7514
100nF(K)
2
1
1
1
1
GND
R_TUNER_RST
GND
R_SCL_TN
R_SDA_TN
GND
GND
114
750
750
VIDEO OUT
R_V_OUT
750
C7517
100nF(K)
R7508
100(D)
21
R7509
0(X)
2
1
GND
5V_TUNER
R7506
1.5K(D)
21
E
[TRP]
B
Q7501
2SA1586-Y(T5L,F,H)
C
GND
21
R7507
100(D)
21
V_TV
607
87654321
A
B
C
D
DIF Filter
R_DIF_N
750
C7519
8pF(D)
E
IF
ラインは
750
で囲んで下さい。
GND
C7521
8pF(D)
R_DIF_P
F
R.IZUMI
2011.07.11 18:55
1
2
2
1
C7523
1uF(K)
2
2
C7524
1uF(K)
D
I2C for Analog model
R_I2CM_SCL
765
の為、纏めて配置
filter
1
1
FL756
12
300ohm
GND
C7425
8pF(D)
FL755
12
300ohm
1
C7522
8pF(D)
2
1
2
近くに配置
IC
R7513
100(J)
R7512
100(J)
M_ADCIM
21
2
C7518
22pF(J)
1
2
C7520
22pF(J)
1
M_ADCIP
21
R_DIF_N_T2
R_DIF_P_T2
370 669 114 122 765 770 775
101
370 669 114 122 765 770 775
To DVB-T/C
GND
101
765
765
To DVB-T2
R_TUNER_BUSSW_EN
M_MSCL1
R_I2CM_SDA
765
M_MSDA1
114
3.3V_DEMO
FUNCTIONTITLE
-->
-->
-->
SH.NO.DESIGNED BY
*R7514
21
*R7502
21
33(J)
*R7515
21
*R7503
21
33(J)
R7504
21
100(D)
2
1
GND
C7515
100nF(K)
PAGE NO. REV.MARK DRAWING.NO.
V45A00010300
[CL2G066]
IC751
1
7
5
3
8
TC7W66FU(TE12L,F)
[1]
IN/OUT
OUT/IN
CONT
[2]
IN/OUT
OUT/IN
CONT
GNDVCC
R7510
6.8K(J)
R7511
6.8K(J)
R_SCL_TN
2
750
R_SDA_TN
6
750
4
GND
21
21
E
F
MAIN UNIT TUNER 750 62 MP PE1000ZA
TOSHIBA CORPORATION
Page 67

5T03655D
87654321
SL863,32-37UL863
VL863,WL863YL863
A
B
C
チューナ内で
が交換されているため配線も
IQ
D
は、天面出しチューナ
は、水平出しチューナ
V86A00015600
BS-TUNER
[V-HSCEB3]
*H7550
[GND]
[GND]
[GND]
[GND]
SCL
SDA
AGC
Q OUT N
Q OUT P
I OUT P
I OUT N
3.3V/B2
LNB/B1
SCEB3V
C7551、C7552配置
13
12
11
10
9
8
7
6
5
4
3
2
1
IQ
1
1
1
1
1
1
1
1
1
1
1
を交換する
DP799
DP798
DP794
DP793
DP792
DP791
DP790
DP789
DP788
DP787
DP786
GND
2
1
*C7551
1nF(K)
50V
GND
33(J)
21
*R7551
2
*C7552
1
1nF(K)
50V
GND
21
2
1
2
1
GND
*C7557
1nF(K)
50V
NOT MOUNT
33(J)
*R7550
NOT MOUNT
*C7558
33pF(J)
GND
*R7552
180(J)
21
2
2
+
1
1
GND
*C7553
100nF(K)
NOT MOUNT
2
*C7559
1
33pF(J)
GND
1
*C7550
1nF(K)
*FL757
12
MPZ1608S601AT
0ohm
[CP]
*C7554
100uF(M)
16V
A
R_CS_SCL
R_CS_SDA
R_PSKAGC
2
GND
R_PSK_IP_N
R_PSK_IP_P
R_PSK_QP_P
R_PSK_QP_N
3.3V_DEMO
21
1K(D)
*R7555
21
1K(D)
*R7556
21
*R7553
21
1K(D)
1K(D)
*R7554
770
770
770
770
770
770
770
B
C
D
GND
GND
E
F
R.IZUMI
2011.07.11 18:55
LNB
775
2
*C7555
1nF(K)
1
50V
GND
FUNCTIONTITLE
SH.NO.DESIGNED BY
PAGE NO. REV.MARK DRAWING.NO.
MAIN UNIT TUNER DVB-S/S2 755 63 MP PE1000ZA
TOSHIBA CORPORATION
E
F
Page 68

5T03655D
A
ラインは
IF
B
3.3V_DEMO
750
で囲んで下さい。
GND
750
102
750
R_DIF_N_T2
R_DIF_P_T2
R_IFAGC_T
R_IFAGC
C
2
12
1
*C7665
1uF(K)
GND
*FL769
600ohm
D
*C7660
GNDGND GND
*C7661
100nF(K)
GND
*C7671
100nF(K)
100nF(K)
E
F
R.IZUMI
2011.07.11 18:55
2
1
*C7659
100nF(K)
*C7684
1uF(K)
*C7683
1uF(K)
2
1
GND
*C7680
100nF(K)
100nF(K)
2
2
*R7660
100(J)
*C7650
22nF(K)
GND
*C7679
NOT MOUNT
1
*C7653
47pF(J)
1
2
1
2
*C7655
27nF(K)
*C7666
100nF(K)
GND
*R7651
10K(D)
*C7673
100nF(K)
*C7664
1uF(K)
*C7681
1
47pF(J)
NOT MOUNT
21
2
1
GNDGND
370 669 114 122 750 770 775
370 669 114 122 750 770 775
3.3V_DVDD
GND
*C7676
100nF(K)
MAIN UNIT
GND
21
12
600ohm
*FL774
1.2V_DEMO
2
1
GND
*C7651
100nF(K)
NOT MOUNT
*R7655
6.8K(D)
NOT MOUNT
*R7656
6.8K(D)
*L7651
0(J)
*L7652
0(J)
12
600ohm
*FL768
100nF(K)
12
*FL770
600ohm
GND GND
*C7652
100nF(K)
NOT MOUNT
21
*C7685
100nF(K)
NOT MOUNT
21
*C7686
100nF(K)
21
1
*C7657
22pF(J)
2
*C7658
22pF(J)
21
3.3V_DVDD
21
*R7658
1K(J)
M_MSCL1
M_MSDA1
12
12
*FL766
600ohm
*FL767
GNDGNDGNDGND
*C7675
2
1
GND
GND
*C7668
100nF(K)
*C7669
100nF(K)
1
2
1
2
2
1
GND
2
*C7682
100nF(K)
1
GND
21
21
1.2V_CVDD
3.3V_DVDD
600ohm
*C7674
100nF(K)
1.2V_CVDD
GND
*C7677
100nF(K)
[V-LMSB1231]
37
ADC_QN
38
ADC_QP
39
ADC_IN
40
ADC_IP
62
I2CS_SCL
63
I2CS_SDA
34
SAR_RSSI SPI_CLK
56
RFAGC
57
*R765433(J)
*R765333(J)
IFAGC
9
VDDC_1V2
20
VDDC_1V2
30
VDDC_1V2
51
VDDC_1V2
59 19
VDDC_1V2
7
VDDP_3V3
18
VDDP_3V3
28
VDDP_3V3
31
VDDP_3V3
50
VDDP_3V3
53
VDDP_3V3
60
VDDP_3V3
42
AVDD_ADC_2V5
33
AVDD_SAR_3V3
36
AVDD_SDC_3V3
43
AVDD_MPLL_3V3
47
AVDD_APLL_3V3
MSB1231-LF
2.5V_DEMO
12
2
1
*FL772
600ohm
GND
*C7670
1uF(K)
GND
*C7656
100nF(K)
FUNCTIONTITLE
DEMOD DVB-T2/T/C
*IC761
XOUT
X IN
TSDATA0
TSDATA1
TSDATA2
TSDATA3
TSDATA4
TSDATA5
TSDATA6
TSDATA7
TS_SYNC
TS_VALID
TS_CLK
TS_ERR
I2CM_SCL
I2CM_SDA
RESETZ
SPI_DI
SPI_DO
SPI_CZ
GPIO
GPIO
GPIO_11
GPIO_0
GPIO_3
GND
GND
GND
GND
GND
GND
GND
GND
GND
GND
GND
GND
87654321
DSX321G 24.000MHZ 20PPM
2
GND
1
2
GND
21
5
72
81
[RMX4A]
21
2
21
1
GND
R_DATA3
R_DATA2
R_DATA1
R_DATA0
R_DATA7
R_DATA6
R_DATA5
R_DATA4
R_TSVAL
R_TSSYC
R_TSCLK
[XF]
*X7650
1
3
[V-M25DF]
*IC762
52
6
SCK
1
CS#
3
WP#
7
HOLD#
84
VCC GND
EN25F10-100GIP
3.3V_DEMO
*C7678
1uF(K)
105 770 796
105 770 796
105 770 796
105 770 796
105 770 796
105 770 796
105 770 796
105 770 796
105 770 796
105 770 796
105 770 796
NC
NC
SOSI
44
45
3
4
5
6
10
11
12
13
1
2
14
15
54
55
17
23
24
25
26
22
27
32
49
64
8
16
21
29
35
41
46
48
52
58
61
GND
SH.NO.DESIGNED BY
*C7662
15pF(J)
1
*C7663
15pF(J)
114 770
*R7657
33(J)
33(J)
4
36
*RM764
*R7662
10K(J)
*R7661
10K(J)
[RMX4A]
*RM756
[RMX4A]
*RM757
[RMX4A]
*RM758
33(J)
33(J)
*R7516
10(J)
81
72
5
81
72
5
10(J)
81
72
5
21
R_MDO0_T2
R_MDO1_T2
R_MDO2_T2
R_MDO3_T2
R_MDO4_T2
R_MDO5_T2
R_MDO6_T2
R_MDO7_T2
R_MOSTRT_T2
R_MOVAL_T2
R_MOCLK_T2
R_I2CM_SCL
R_I2CM_SDA
21
GND GND
*R7663
10K(J)
*R7659
10K(J)
R_MDO3_T2
765
R_MDO2_T2
765
R_MDO1_T2
765
R_MDO0_T2
765
R_MDO7_T2
765
R_MDO6_T2
765
R_MDO5_T2
765
R_MDO4_T2
765
R_MOVAL_T2
765
R_MOSTRT_T2
765
R_MOCLK_T2
765
*R7652
1.8K(J)
21
765
765
765
765
765
765
765
765
765
765
765
750
750
R_DEMO_RST
21
36
4
36
4
36
4
PAGE NO. REV.MARK DRAWING.NO.
765 64 MP PE1000ZA
TOSHIBA CORPORATION
2
A
4
GND
B
C
GND
D
E
F
Page 69

5T03655D
ラインは各々
IF
1
*C7739
100nF(K)
*C7736
100nF(K)
1
1
*C7737
100nF(K)
*C7738
100nF(K)
1
775
775
775
3.3V_DEMO
A
B
755
R_PSK_IP_P
R_PSK_IP_N
755
755
R_PSK_QP_P
R_PSK_QP_N
755
C
D
3.3V_DEMO
2
12
1
*C7717
1uF(K)
GND GND
E
GND
*C7722
100nF(K)
100nF(K)
*C7712
100nF(K)
*C7713
*FL779
600ohm
2
1
GNDGND GND
*C7711
100nF(K)
3.3V_DVDDS
100nF(K)
F
R.IZUMI
2011.07.11 18:55
GND
2
*C7707
10pF(J)
NOT MOUNT
2
2
*C7735
10pF(J)
NOT MOUNT
2
R_DSQOUT
R_DSQIN
R_EXTM
*FL775
600ohm
755
755
755
*C7716
1uF(K)
GND
*C7727
で囲んで下さい。
1
2
1
2
*R7713 10K(D)
*C7740
100nF(K)
12
R_CS_SCL
R_CS_SDA
R_PSKAGC
1.2V_DEMO
2
1
GND GND
*C7701
100nF(K)
*C7702
100nF(K)
*L7703
0(J)
*L7700
0(J)
*L7701
0(J)
*L7702
0(J)
*C7718
100nF(K)
*C7700
10nF(K)
12
*FL780
*C7719
100nF(K)
21
21
21
21
21
GND
2
+
1
600ohm
GND
GND
*C7720
100nF(K)
NOT MOUNT
*C7703
2
10pF(J)
1
2
*C7733
1
10pF(J)
NOT MOUNT
GND
2
1
[CP]
*C7742
220uF(M)
16V
2
1
GND
*C7725
100nF(K)
*C7709
1
22pF(J)
*C7710
2
22pF(J)
*C7732
2
22pF(J)
*C7731
2
22pF(J)
*R7709 33(J)
*R7708 33(J)
*R7710
*R7705
6.8K(J)
*R7706
6.8K(J)
*R7701
4.7K(J)
2
*C7705
1
2.2nF(K)
GNDGND
1.2V_CVDDS
GND
GND
100nF(K)
*C7726
100nF(K)
*C7724
2
1
1
1
NOT MOUNT
21
21
21
GND
*C7708
100nF(K)
GND
GND
21
21
21
33(J)
1.2V_ADC
12
*FL781
600ohm
GND GND
*C7728
100nF(K)
1.2V_ADC
3.3V_DVDDS
1.2V_CVDDS
GND
*C7723
100nF(K)
[V-LAVL6211]
3
4
7
8
55
58
59
60
53
54
16
ADC_IP
ADC_IN
ADC_QP
ADC_QN
DISEQC_IN
DISEQC_OUT
LNB_CNTRL_0
LNB_CNTRL_1
SCL2
SDA2
RFAGC
*IC771
REFCLK_XI
REFCLK_XO
TSDATA7
TSDATA6
TSDATA5
TSDATA4
TSDATA3
TSDATA2
TSDATA1
TSDATA0
MPEG_CLK
MPEG_VALID
MPEG_SYNC
MPEG_ERR
SCL1
SDA1
LOCK
SLEEP
RST_B
GPIO_CLK
CS_0
TCLK
1
ADC_AVDD_1V2 ADC_AVSS
6
ADC_AVDD_1V2
17
VDDIO_3V3
30 12
VDDIO_3V3
36
VDDIO_3V3
43
VDDIO_3V3
56
VDDIO_3V3
11
VDDC_1V2
13
VDDC_1V2
26
VDDC_1V2
35
VDDC_1V2
41
VDDC_1V2
48
VDDC_1V2
57
VDDC_1V2
9
PLL_AVDD_1V2
TRST_N
ADC_AVSS
DVSS
DVSS
DVSS
DVSS
DVSS
DVSS
DVSS
DVSS
DVSS
PLL_AVSS
AVL6211LA
12
600ohm
*FL776
TDI
TDO
TMS
14
15
27
28
29
32
33
34
38
39
40
44
45
46
50
51
19
49
62
18
61
20
21
22
24
25
2
5
23
31
37
42
47
52
63
64
21
*R7702
1.8K(J)
R_MDO7_S
R_MDO6_S
R_MDO5_S
R_MDO4_S
R_MDO3_S
R_MDO2_S
R_MDO1_S
R_MDO0_S
R_MOCLK_S
R_MOVAL_S
R_MOSTRT_S
R7714
10K(D)
NOT MOUNT
R7715
10K(D)
NOT MOUNT
*R7704 33(J)
21
21
*R7703 33(J)
21
*R7711 33(J)
21
*R7712 33(J)
*R7707
33(J)
10
GND
770
770
770
770
770
770
770
770
770
770
770
R_MDO3_S
R_MDO2_S
R_MDO1_S
R_MDO0_S
R_MDO7_S
R_MDO6_S
R_MDO5_S
R_MDO4_S
R_MOSTRT_S
R_MOVAL_S
R_MOCLK_S
*C7714
18pF(J)
1
2
GND
1
*C7715
770
18pF(J)
770
770
770
770
770
770
770
770
770
770
21
21
M_MSCL1
M_MSDA1
R_DEMO_LOCK
R_DEMO_SLEEP
R_DEMO_RST
3.3V_DVDDS
21
GND
*C7704
100nF(K)
33(J)
4
36
*RM761
33(J)
4
36
*RM762
[RMX4A]
*RM763
36
4
10(J)
*R7700
2
GND
3.3V_DVDDS
C7741
100nF(K)
NOT MOUNT
GND
370 669 114 122 750 765 775
370 669 114 122 750 765 775
114
114
114 765
R_DATA3
R_DATA2
5
R_DATA1
R_DATA0
72
81
[RMX4A]
R_DATA7
R_DATA6
5
R_DATA5
R_DATA4
72
81
[RMX4A]
81
72
R_TSSYC
R_TSVAL
5
R_TSCLK
21
1
3
105 765 796
105 765 796
105 765 796
105 765 796
105 765 796
105 765 796
105 765 796
105 765 796
105 765 796
105 765 796
105 765 796
10(J)
FUNCTIONTITLE
SH.NO.DESIGNED BY
PAGE NO. REV.MARK DRAWING.NO.
MAIN UNIT DEMOD DVB-S2/S 770 65 MP PE1000ZA
TOSHIBA CORPORATION
[XF]
*X7700
27MHz
87654321
2
NC
4
NC
GND
A
B
C
D
E
F
Page 70

5T03655D
87654321
A
*D7750
RSX201L-30 TE25
[SBD]
CA
2
2
B
C
*C7754
470nF(K)
50V
12
1.7A
*L7750
22uH(M)
370 669 114 122 750 765 770
370 669 114 122 750 765 770
[CP]
+
1
1
*C7755
47uF(M)
25V
GND GND
NOT MOUNT
D
12V
2
+
*C7750
1
E
100uF(M)
*FL782
MPZ2012S300AT
30ohm 6A
12
2
[CP]
+
1
*C7763
47uF(M)
25V
770
770
770
[CP]
16V
2
+
1
*C7762
47uF(M)
25V
NOT MOUNT
M_MSDA1
M_MSCL1
R_DSQIN
R_DSQOUT
R_EXTM
2
*C7751
100nF(K)
50V
1
[CP]
2
+
47uF(M)
1
2
*C7752
100nF(K)
50V
1
[CP]
*C7756
25V
0(X)
GND
2
*C7757
470nF(K)
50V
1
*R7755
21
*R7751
21
100(D)
2
*C7753
1
27
4
6
9
12
11
13
1
2
3
7
8
16
18
19
LNBH23QTR
220nF(K)
25V
Vup
LX
SDA
SCL
DSQIN
DSQOUT
EXTM
NC
NC
NC
NC
NC
NC
Vcc
V46A00045800
[V-LLNBH23]
1SR154-400TE25
AC
*D7752
*IC775
VoTX
VoRX
DETIN
ADDR
BYP
TTX
VCTRL
ISEL
P_GNDVcc_L
A_GND
HEAT_GND
1
CA
[SBD]
GND
*D7753
RSX201L-30 TE25
22
21
29
10
15
14
30
28
17
NC
23
NC
24
NC
25
NC
26
NC
31
NC
32
NC
5
20
33
GND
2
1
GND
21
*R7753
GND
*C7761
220nF(K)
25V
*R7752
10K(D)
2
1
GND
11K(D)
2
*C7758
10uF(K)
25V
RSX201L-30 TE25
21
*C7764
220nF(K)
25V
2
1
GND
CA
[SBD]
*D7751
*C7759
10nF(K)
25V
*R7754
21
18(J)
12
*L7751
CLF10040T-221M-1
220uH(M)
1
2
*C7760
10nF(K)
25V
LNB
755
A
B
C
D
E
F
R.IZUMI
2011.07.11 18:55
GND GND
MAIN UNIT
FUNCTIONTITLE
DiSEqC,LNB POWER
SH.NO.DESIGNED BY
PAGE NO. REV.MARK DRAWING.NO.
775 66 MP PE1000ZA
TOSHIBA CORPORATION
F
Page 71

5T03655D
87654321
A
6VD
3.3V_DEMO
RGL
[L1111NXX1B]
B
2
1
C7800
2.2uF(K)
10V
GND
C
D
6VD
[SBD]
D7803
RB055L-30TE25
2
E
1
C7801
10nF(K)
25V
GND
[SBD]
CA
D7802
RB055L-30TE25
3.3VD
CA
2
1
GND
IC780
1
VDD
3
CE
4
NC
2
GND
S-L2980A50MC-TF-G
UREG
[V-LR1173S151]
4
3
61
C7803
2.2uF(K)
10V
IC781
CE
NC
VDD
RP131S331B-E2-FE
VOUT
[GND]
[GND]
VOUT
5
GND
2
5
5V_TUNER
1
2
GND
C7802
2.2uF(K)
10V
3.3V_DEMO
2
C7804
1
2.2uF(K)
10V
3.3VD
[SBD]
CA
D7800
RB055L-30TE25
3.3V_DEMO
3.3VD
[SBD]
D7801
RB055L-30TE25
C7811
2.2uF(K)
10V
CA
C7806
2.2uF(K)
10V
3.3VD
2
1
V47A00030700
UREG
[V-L6219BXXX]
3
4
2
*C7810
1
2.2uF(K)
10V
放熱用銅箔面積
4
3
61
2
2
1
1
C7807
2.2uF(K)
GND GND
放熱の為、
3
1
2
1
C7812
2.2uF(K)
10V
*IC783
CE
NC
VIN
XC6221A252MR
V47A00039500
180平方mm
UREG
[V-LR1173S151]
IC784
CE
NC
VDD
10V
RP131S121B-E2-FE
は大きく取ってください。
GND
V47A00009000
UREG
[V-L6209FXXXP]
IC782
CE
NC
VIN
[VSS]
XC6209F182PR
VOUT
[VSS]
VOUT
[GND]
[GND]
VOUT
51
2
GNDGND GND
以上確保願います
2
5
54
2
2.5V_DEMO
2
1
GND
*C7809
2.2uF(K)
10V
1.2V_DEMO
2
C7805
1
10uF(K)
GND
1.8V_TUNER
1
2
2.2uF(K)
GND
16V
C7813
10V
A
B
C
D
E
F
R.IZUMI
2011.07.11 18:55
GND
FUNCTIONTITLE
SH.NO.DESIGNED BY
PAGE NO. REV.MARK DRAWING.NO.
MAIN UNIT TUNER POWER 780 67 MP PE1000ZA
TOSHIBA CORPORATION
F
Page 72

5T03655D
87654321
A
B
S_CICD_MDO7
791
S_CICD_MDO6
791
S_CICD_MDO5
791
S_CICD_MDO4
791
S_CICD_MDO1
791
S_CICD_MDO2
791
S_CICD_MDO0
791
S_CICD_MDO3
C
791
791
791
791 795
S_CICD_MOVAL
S_CICD_MOSTRT
S_CICD_MCLKO
4
36
*RM767
33(J)
[RMX4A]
33(J)
*RM769
36
4
*R7901
33(J)
*R7902
33(J)
*R7903
33(J)
5
72
81
[RMX4A]
81
72
5
21
21
21
M_TSI0DATA7
M_TSI0DATA6
M_TSI0DATA5
M_TSI0DATA4
M_TSI0DATA1
M_TSI0DATA2
M_TSI0DATA0
M_TSI0DATA3
M_TSI0VALID
M_TSI0SYNC
M_TSI0CLKI
105
105
105
105
105
105
105
105
105
105
105
D
A
B
C
D
E
F
OSANAI
2011.07.11 18:55
FUNCTIONTITLE
SH.NO.DESIGNED BY
PAGE NO. REV.MARK DRAWING.NO.
MAIN UNIT CI TS RESISTOR 790 68 MP PE1000ZA
TOSHIBA CORPORATION
E
F
Page 73

5T03655D
87654321
A
B
C
D
E
CI POWER
H:Enable
S_CI_VCC_EN
115
*C7911
2.2uF(K)
10V
*R7916
21
47K(D)
6VD
2
1
5V_CI
2
1
GND
3.3VD
*C7912
1uF(K) 16V
V47A00047200
UREG
[V-LR1173S151]
4
3
61
RP131S501B-E2-FE
3
12
R5524N001B-TR-FE
DTC123YEB TL
*IC788
CE
NC
VDD
V47A00055000
HIGHSIDE SW
[V-L5524]
*IC789
EN
VOUT
VIN
[TRNC]
*Q7901
B
2.2k+10k
VOUT
[GND]
[GND]
FLG
GND
3.3VD
*R7910
10K(J)
C
E
2
5
GND
5
4
21
GND
S_5VCICARD_EN
*R7918
150(D)
5V_CI
1
4.7uF(K)
2
2
1
*C7910
10V
*C7915
100nF(K) 10V
793 795 796
5V_CICARD
2
1
GND
*C7916
1uF(K) 16V
GND
21
*R7913
1K(D)
CI CONNECTOR
S_CICDAT3
794
S_CICDAT4
794
S_CICDAT5
794
S_CICDAT6
794
S_CICDAT7
794
S_CICD_CE1
795
S_CICADD10
793
S_CICD_OE
795
S_CICADD11
793
S_CICADD9
793
S_CICADD8
793
S_CICADD13
793
S_CICADD14
793
S_CICD_WE
795
S_CICD_IREQ
795
S_CICD_MIVAL
796
S_CICD_MCLKI
796
S_CICADD12
793
S_CICADD7
793
S_CICADD6
793
S_CICADD5
793
S_CICADD4
793
S_CICADD3
793
S_CICADD2
793
S_CICADD1
793
S_CICADD0
793
S_CICDAT0
794
S_CICDAT1
794
S_CICDAT2
794
S_CICD_IOIS16
795
5V_CICARD
GND
V25A00005000
[IS68]
*PJ790
2
1
GND
35
36
37
38
39
40
41
42
43
44
45
46
47
48
49
50
51
52
53
54
55
56
57
58
59
60
61
62
63
64
65
66
67
6834
*C7914
100nF(K)
1
2
3
4
5
6
7
8
9
10
11
12
13
14
15
16
17
18
19
20
21
22
23
24
25
26
27
28
29
30
31
32
33
A0PA0A000070P57
5V_CICARD
5V_CICARD
GND
S_CICD_CD1
S_CICD_MDO3
S_CICD_MDO4
S_CICD_MDO5
S_CICD_MDO6
S_CICD_MDO7
S_CICD_CE2
S_CICD_VS1
S_CICD_IORD
S_CICD_IOWR
S_CICD_MISTRT
S_CICD_MDI0
S_CICD_MDI1
S_CICD_MDI2
S_CICD_MDI3
S_CICD_MDI4
S_CICD_MDI5
S_CICD_MDI6
S_CICD_MDI7
S_CICD_MCLKO
S_CICD_RESET
S_CICD_WAIT
S_CICD_INPACK
S_CICD_REG
S_CICD_MOVAL
S_CICD_MOSTRT
S_CICD_MDO0
S_CICD_MDO1
S_CICD_MDO2
S_CICD_CD2
795
790
790
790
790
790
795
795
795
795
796
796
796
796
796
796
796
796
796
790 795
795
795
795
795
790
790
790
790
790
795
A
B
C
D
E
F
OSANAI
2011.07.11 18:55
GND
MAIN UNIT
FUNCTIONTITLE
CI POWER/CONNECTOR
SH.NO.DESIGNED BY
PAGE NO. REV.MARK DRAWING.NO.
791 69 MP PE1000ZA
TOSHIBA CORPORATION
F
Page 74

5T03655D
87654321
A
From Mstar To CICARD
M_EBDAT14
104
M_EBDAT13
104
B
104
104
104
104
104
M_EBDAT12
M_EBDAT11
M_EBDAT10
M_EBDAT9
M_EBDAT8
*R7904
21
33(J)
*R7905
21
33(J)
*R7906
21
33(J)
[RMX4A]
33(J)
*RM780
36
4
*R7900
33(J)
81
72
5
21
S_CICADD14
S_CICADD13
S_CICADD12
S_CICADD8
S_CICADD9
S_CICADD11
S_CICADD10
791
791
791
791
791
791
791
C
V45A00007800
D
791 795 796
134 131
134 131
134 131
134 131
134 131
E
134 131
134 131
134 131
S_EBDAT7
S_EBDAT6
S_EBDAT5
S_EBDAT4
S_EBDAT3
S_EBDAT2
S_EBDAT1
S_EBDAT0
S_5VCICARD_EN
3.3VD
[VHC244]
*IC791
1
EN1
19
EN2
2
4
6
8
11
13
15
17
20
TC74VHC244FK(EL,K)
[0]
[1]
[2]
[3]
[0]
[1]
[2]
[3]
[Vss][Vcc]
1
*C7921
100nF(K)
1
1
1
1
2
2
2
2
2
To CICARDFrom Mstar
18
16
14
12
9
7
5
3
10
GND
4
36
*RM783
33(J)
4
36
*RM784
33(J)
5
72
81
[RMX4A]
5
72
81
[RMX4A]
S_CICADD7
S_CICADD6
S_CICADD5
S_CICADD4
S_CICADD3
S_CICADD2
S_CICADD1
S_CICADD0
791
791
791
791
791
791
791
791
F
A
B
C
D
E
F
OSANAI
2011.07.11 18:55
MAIN UNIT
FUNCTIONTITLE
CI ADDRESS BUFFER
SH.NO.DESIGNED BY
PAGE NO. REV.MARK DRAWING.NO.
793 70 MP PE1000ZA
TOSHIBA CORPORATION
Page 75

5T03655D
87654321
A
B
C
D
FROM Mstar
M_CICDAT7
104
M_CICDAT4
104
M_CICDAT6
104
M_CICDAT5
104
M_CICDAT3
104
M_CICDAT2
104
M_CICDAT1
104
M_CICDAT0
104
*R7920
21
33(J)
[RMX4A]
*RM787
36
4
*R7907
*R7908
*R7909
*R7914
33(J)
33(J)
81
72
5
21
21
21
21
36
*RM791
[RMX4A]
2.2K(J)
72
81
4
5
21
*R7924
2.2K(D)
TO CICARD
S_CICDAT7
S_CICDAT6
S_CICDAT5
S_CICDAT4
S_CICDAT3
S_CICDAT2
S_CICDAT1
S_CICDAT0
72
81
5
[RMX4A]
*RM790
4
36
2.2K(J)
GNDGND
791
791
791
791
791
791
791
791
A
B
C
D
E
F
OSANAI
2011.07.11 18:55
MAIN UNIT
FUNCTIONTITLE
CI DATA RESISTOR
SH.NO.DESIGNED BY
PAGE NO. REV.MARK DRAWING.NO.
794 71 MP PE1000ZA
TOSHIBA CORPORATION
E
F
Page 76

5T03655D
87654321
A
791 793 796
S_5VCICARD_EN
From Mstar To CICARD
M_CIRESET
104
M_CICS_N
104
M_CIWE_N
104
M_CIOE_N
104
B
104
104
104
M_CIIOWR_N
M_CIIORD_N
M_CICD_REG
C
GND
D
M_CICD_N
104
21
*R7953100(D)
E
M_CIWAIT_N
104
M_CIIREQ_N
104
21
*R7950
2.2K(D)
4
*R7915
*R7917
*R7919
33(J)
>
[7SH32]
*IC795
[Vcc]
[Vss]
21
21
21
3.3VD
GND
5V_CI
1
2
5
3
1
GND
21
*R795533(J)
21
*R795633(J)
V45A00007800
[VHC244]
*IC796
1
EN1
19
EN2
2
4
6
8
11
13
15
17
20
TC74VHC244FK(EL,K)
5V_CICARD
2
*C7951
[0]
[1]
[2]
[3]
[0]
[1]
[2]
[3]
1
*C7950
100nF(K)
*R7951
10K(J)21*R7925
*R7952
100nF(K)
1
1
1
1
2
2
2
2
[Vss][Vcc]
2
5V_CI
21
47K(J)
21
*R7926
21
10(J)
18
16
14
12
9
7
5
3
10
GND
47K(J)
36
4
4
36
10(J)
4
36
*RM795
[RMX4A]
72
81
5
[RMX4A]
*RM793
*RM794
5V_CICARD
21
47K(J)
*R7954
10K(J)
S_CICD_RESET
81
S_CICD_CE1
72
S_CICD_WE
S_CICD_OE
5
S_CICD_IOWR
S_CICD_IORD
5
S_CICD_REG
72
81
[RMX4A]
4
36
*RM796
[RMX4A]
47K(J)
72
81
5
S_CICD_CD1
S_CICD_CE2
S_CICD_VS1
S_CICD_CD2
S_CICD_IOIS16
S_CICD_INPACK
S_CICD_WAIT
S_CICD_IREQ
S_CICD_MCLKO
791
791
791
791
791
791
791
From CICARDTo Mstar
791
791
791
791
791
790 791
791
791
791
A
B
C
D
E
F
OSANAI
2011.07.11 18:55
MAIN UNIT
FUNCTIONTITLE
CI CONTROL BUFFER
SH.NO.DESIGNED BY
PAGE NO. REV.MARK DRAWING.NO.
795 72 MP PE1000ZA
TOSHIBA CORPORATION
F
Page 77

5T03655D
87654321
A
V45A00007800
[S_CI_TS_SEL]
1: TS in CI is disabled.
0: TS in CI is enabled.
791 793 795
S_5VCICARD_EN
From Demo To CICARD
B
105 765 770
105 765 770
105 765 770
105 765 770
105 765 770
105 765 770
105 765 770
105 765 770
C
R_DATA7
R_DATA6
R_DATA5
R_DATA4
R_DATA3
R_DATA2
R_DATA1
R_DATA0
3.3VD
D
105 765 770
105 765 770
105 765 770
R_TSVAL
R_TSSYC
R_TSCLK
E
3.3VD
GND
[VHC244]
*IC797
1
EN1
19
EN2
2
4
6
8
11
13
15
17
20
TC74VHC244FK(EL,K)
V45A00007800
1
19
2
4
6
8
11
13
15
17
20
TC74VHC244FK(EL,K)
[0]
[1]
[2]
[3]
[0]
[1]
[2]
[3]
[Vss][Vcc]
2
*C7960
100nF(K)
[VHC244]
*IC798
EN1
EN2
[0]
[1]
[2]
[3]
[0]
[1]
[2]
[3]
[Vss][Vcc]
2
100nF(K)
*C7961
1
1
1
1
2
2
2
2
1
1
1
1
1
2
2
2
2
1
22(J)
18
16
14
12
9
7
5
3
10
GND
18
16
14
12
9
GND GND
7
5
3
10
GND
*RM797
36
4
22(J)
*RM798
36
4
4
36
*RM799
10(J)
[RMX4A]
[RMX4A]
81
72
5
81
72
5
5
72
81
[RMX4A]
S_CICD_MDI7
S_CICD_MDI6
S_CICD_MDI5
S_CICD_MDI4
S_CICD_MDI3
S_CICD_MDI2
S_CICD_MDI1
S_CICD_MDI0
To CICARDFrom Demo
S_CICD_MIVAL
S_CICD_MISTRT
S_CICD_MCLKI
791
791
791
791
791
791
791
791
791
791
791
A
B
C
D
E
F
OSANAI
2011.07.11 18:55
MAIN UNIT
FUNCTIONTITLE
CI TS OUTPUT BUFFER
SH.NO.DESIGNED BY
PAGE NO. REV.MARK DRAWING.NO.
796 73 MP PE1000ZA
TOSHIBA CORPORATION
F
Page 78

5T03655D
87654321
A
5V1
B
C9001
2.2uF(K)
C
10V
V47A00051500
UREG
[V-L00I]
8
5
4
6
BD00IC0WEFJ-E2
IC901
VCC
EN
NC
NC
NC
TH-PAD
V0UT
GND
1
2
FB
37
9
GND
R9002
30K(D)
R9001
10K(D)
3.3V_STNBY
R9003
1.5K(D)
C9002
2.2uF(K)
10V
D
A
B
C
D
E
F
HASUMI
2011.07.11 18:55
FUNCTIONTITLE
SH.NO.DESIGNED BY
PAGE NO. REV.MARK DRAWING.NO.
MAIN UNIT 3.3V STANDBY 901 74 MP PE1000ZA
TOSHIBA CORPORATION
E
F
Page 79

5T03655D
87654321
A
A
1.1V
6V_DD
POWER_SW_3.3V
903 905
B
FL905
220ohm
C9033
10uF(K)
10V
C
C9031
330pF(J)
C9032
10uF(K)
10V
10uF(K)
C9034
10uF(K)
10V
C9035
10V
100nF(K)
10nF(K)
C9036
10V
C9037
25V
R9016
4.7K(J)
R9022
100(J)
R9021
4.7K(J)
C9038
1uF(K)
16V
NOT MOUNT
C9039
68nF(K)
16V
15
2
6
3
4
C9040
2.2uF(K)
10V
GND
IC902
TCV7103AF(TE12L,Q)
PWM SWITCH
[V-L7103]
VIN1
VIN2
EN
SS
GND:TH_PAD
VFB
LX
LSG
L9002
8
7
SPM6530T-4R7M
521
[MFNE]
D
G
S
22uF(M)
4
36
Q9001
SSM6K411TU(TE85L,F
C9051
6.3V
R9024
560(D)
R9025
20K(D)
C9052
22uF(M)
6.3V
C9055
22uF(M)
NOT MOUNT1nF(K)
R9023
7.5K(D)
C9054
22uF(M)
6.3V
C9053
6.3V
CA
[ZD]
D9003
KDZTR3.6B
FL908
30ohm
FL906
30ohm
FL907
30ohm
D
1.1V
100nF(K)
C9056
10V
B
C
D
E
F
HASUMI
2011.07.11 18:55
2011/06/14
MAIN UNIT
FUNCTIONTITLE
POWER 1.1V
SH.NO.DESIGNED BY
PAGE NO. REV.MARK DRAWING.NO.
902 75 MP PE1000ZA
TOSHIBA CORPORATION
E
F
Page 80

5T03655D
87654321
A
B
*C9076
330pF(J)
C
D
6V_FRC
10uF(K)
*C9077
10V
*FL925
220ohm
*C9078
10uF(K)
10V
POWER_SW_3.3V
@NOTMOU
*C9080
10uF(K)
10V
*C9079
10uF(K)
10V
905 902
*C9082
10nF(K)
2
1
*C9081
100nF(K)
10V
25V
4.7K(J)
*R9029
*R9080
100(J)
*R9028
10K(J)
NOT MOUNT
*R9031
10K(J)
*C9050
1uF(K)
16V
@NOTMOU
*C9087
100nF(K)
10V
@NOTMOU
V47A00040900
PWM SWITCH
[V-L7106]
*IC903
25
VIN1
3
VIN2
7
EN
6
MODE
41
SGND
TCV7106FN(TE85L,F)
GND
VFB
PGND
*L9003
CLF7045T-4R7N
8
LX
12
4.7uH(X)
3.6A
*C9084
22uF(M)
6.3V
*R9073
1.6K(D)
20K(D)
*R9076
1nF(K)
*C9085
22uF(M)
6.3V
@NOTMOU
*C9029
*C9086
10uF(K)
16V
@NOTMOU
*R9074
10K(D)
FRC
2
1
100nF(K)
*C9088
10V
電源
21
*R9075
100K(J)
1.26V
*FL927
220ohm
*FL928
220ohm
*FL926
220ohm
@NOTMOU
に設定
1.26V_FRC
2
1
*C9089
100nF(K)
10V
A
B
C
D
E
F
HASUMI
2011.07.11 18:55
2011/06/14
MAIN UNIT
FUNCTIONTITLE
FRC POWER 1.26V
SH.NO.DESIGNED BY
PAGE NO. REV.MARK DRAWING.NO.
903 76 MP PE1000ZA
TOSHIBA CORPORATION
E
F
Page 81

5T03655D
A
B
C9003
2.2uF(K)
10V
3.3VD
V47A00051500
UREG
[V-L00I]
8
5
4
6
BD00IC0WEFJ-E2
IC904
VCC
EN
NC
NC
NC
TH-PAD
V0UT
GND
87654321
1.5V
1.5V
±
0.5%
1
2
FB
37
9
GND
R9005
13K(D)
R9004
15K(D)
R9006
510(D)
C9004
2.2uF(K)
10V
±
0.5%
21
1K(D)
21
1K(D)
GND
R9018
R9019
2
C9075
1
4.7uF(K)
6.3V
GND
M_DDRVREF
126
A
B
C
3.3VD
D
E
C9005
2.2uF(K)
10V
F
HASUMI
2011.07.11 18:55
V47A00051500
UREG
[V-L00I]
VCC
EN
NC
NC
NC
IC907
V0UT
TH-PAD
8
5
4
6
BD00IC0WEFJ-E2
MAIN UNIT
GND
C
1.5V_FRC
D
1
2
FB
37
9
GND
R9008
13K(D)
R9007
15K(D)
R9009
510(D)
C9006
2.2uF(K)
10V
1.5V_FRC
21
±
0.5%
10K(D)
*R9041
21
±
0.5%
10K(D)
*R9042
2
*C9176
100nF(K)
1
2
*C9177
100nF(K)
1
F_DDRVREF
E
129
F
GND
FUNCTIONTITLE
FRC POWER 1.5V
SH.NO.DESIGNED BY
PAGE NO. REV.MARK DRAWING.NO.
904 77 MP PE1000ZA
TOSHIBA CORPORATION
Page 82

5T03655D
87654321
A
B
C
D
C9061
330pF(J)
50V
12V
C9062
10uF(K)
16V
FL911
220ohm
C9063
10uF(K)
16V
114 906
10uF(K)
C9064
10uF(K)
16V
C9065
16V
100nF(K)
→
C9066
16V
C_POWER_DB
C9067
10nF(K)
25V
C9068
3.3nF(K)
R9030
10K(D)
NOT MOUNT
C9069
1uF(K)
6.3V
R9032
4.7K(J)
1
VIN
6
EN
5
COMP
3
AGND
10
TH-PAD:AGND
IC905
AOZ1094DIL
PWM SWITCH
[V-L1014D]
TH_PAD:LX
PGND
GND
3.3VD
NOT MOUNT
C9093
1.5nF(K)
9
7
LX
8
LX
4
FB
2
CA
[SBD]
[SBD]
D9031
NOT MOUNT
RB080L-30TE25
L9005
CLF10040T-4R7N
12
4.7uH(X)
C9057
470pF(J)
CA
NOT MOUNT
D9032
RB080L-30TE25
22uF(M)
R9034
47(J)
NOT MOUNT
C9058
6.3V
R9037
2.4K(D)
R9035
10K(D)
C9059
22uF(M)
6.3V
R9036
30K(D)
C9060
10uF(K)
10V
CA
[ZD]
D9033
KDZTR4.3B
FL912
220ohm
R9038
330(J)
NOT MOUNT
R9044
330(J)
C9094
100nF(K)
10V
100nF(K)
C9095
100nF(K)
10V
C9096
10V
1uF(K)
C9097
100nF(K)
10V
C9098
6.3V
POWER_SW_3.3V
C9099
100nF(K)
10V
R9020
0(X)
A
903 902
B
C
D
E
F
HASUMI
2011.07.11 18:55
2011/06/14
FUNCTIONTITLE
SH.NO.DESIGNED BY
PAGE NO. REV.MARK DRAWING.NO.
MAIN UNIT POWER 3.3VD 905 78 MP PE1000ZA
TOSHIBA CORPORATION
E
F
Page 83

5T03655D
12V_2
A
C9137
B
330pF(J)
C
D
E
F
C9138
10uF(K)
16V
3.3VD
C9041
1uF(K)
25V
FL945
220ohm
C9139
10uF(K)
16V
2
1
GND
C_POWER_DB
114 905
→
16V
C9142
100nF(K)
16V
C9143
10nF(K)
10uF(K)
C9140
10uF(K)
16V
C9141
[2.5V POWER]
V47A00005900
XC6209F252PR
UREG
[V-L6209FXXXP]
CE
NC
VIN
IC908
VOUT
[VSS]
3
1
25V
NOT MOUNT
C9145
1uF(K)
6.3V
54
2
R9043
4.7K(J)
R9045
20K(D)
C9144
3.3nF(K)
2
C9042
1
10nF(K)
25V
2.5V
2
1
1
6
5
3
10
C9043
2.2uF(K)
10V
IC906
AOZ1094DIL
PWM SWITCH
[V-L1014D]
TH_PAD:LX
VIN
EN
COMP
AGND
TH-PAD:AGND
FL913
12
MPZ1608S221AT
FL914
12
MPZ1608S221AT
FL915
12
MPZ1608S221AT
FL916
12
MPZ1608S221AT
PGND
GND
C9100
NOT MOUNT
C9101
NOT MOUNT
C9102
NOT MOUNT
LX
LX
FB
9
7
8
4
2
[SBD]
NOT MOUNT
2
1
GND
2
1
GND
2
1
10uF(K)
10uF(K)
2
C9103
1
GNDGND GND
NOT MOUNT
CLF10040T-4R7N
CA
CA
[SBD]
D9007
D9006
RB080L-30TE25
RB080L-30TE25
2
C9104
1
10V
10V
GND GND
2
C9106
1
10V
GND GND
2
C9107
10uF(K)
1
10V
2
C9110
NOT MOUNT
1
GND
L9004
12
4.7uH(X)
C9146
470pF(J)
NOT MOUNT
C9147
10uF(K)
10V
R9046
47(J)
NOT MOUNT
2
C9105
10uF(K)
1
NOT MOUNT
2
C9108
100nF(K)
1
2
1
GND
4.7K(D)
R9047
10K(D)
C9149
10uF(K)
2.5V_AVDD_ADC25
2.5V_AVDD_REF25
2.5V_AVDD_MOD
C9109
100nF(K)
2.5V_PGA
NOT MOUNT
1.5nF(K)
R9048
10V
2.2uF(K)
C9148
C9150
10uF(K)
C9091
10V
R9049
56K(D)
10V
C9151
10uF(K)
6VD 3.3VD
2
1
FL946
220ohm
FL947
220ohm
FL944
220ohm
FL948
220ohm
C9152
100nF(K)
10V
10V
100nF(K)
[5V POWER]
S-L2980A50MC-TF-G
[L1111NXX1B]
1
VDD
3
CE
4
NC
2
GND
GND
6V_USBIN6VD
C9153
100nF(K)
10V
C9161
10V
IC910
RGL
VOUT
[SBD]
D9008
RB055L-30TE25
C9154
100nF(K)
10V
6VD
GND
5
C9162
100nF(K)
10V
5V_AV
2
C9092
1
2.2uF(K)
CA
100nF(K)
10V
6V_DD
[SBD]
D9009
RB055L-30TE25
C9155
100nF(K)
10V
C9164
100nF(K)
10V
C9163
10V
CA
C9165
1nF(K)
50V
87654321
6V_FRC
C9166
1nF(K)
50V
A
B
C
D
E
F
2011/07/11
HASUMI
2011.07.11 18:55
FUNCTIONTITLE
SH.NO.DESIGNED BY
PAGE NO. REV.MARK DRAWING.NO.
MAIN UNIT POWER 6V 906 79 MP PE1000ZA
TOSHIBA CORPORATION
Page 84

5T03655D
87654321
A
12V_IN
FL949
MPZ1608S300AT
FL950
MPZ1608S300AT
B
1
2
3
68
7
C9181
1uF(K)
C
C_POWER_LCD
→
114
FOR NORMAL MODEL
R9058
1K(D)
MOUNT
MOUNT
25V
D
4
12
R9057
MOUNT
27K(D)
GND
AOZ1361DI-02(Latch-Off)
Rset vs Current Limit
*Rset= 27kΩ....5.6A
Rset= 33k
Rset= 47k
Rset= 68k
Rset=100k
MOUNT
V47A00048400
AOZ1361DI-02
LOAD SWITCH
[V-L136XX]
IC912
TH_PAD:OUT
VIN
VIN
FLTB
EN
SET
GND
TH-PAD:GND
OUT
OUT
TFLT
Ω
....4.8A
Ω
....3.5A
Ω
....2.9A
Ω
....2.1A
12V_LCD
11
10
9
R9060
R9059
5
SS
MOUNT
C9178
22nF(K)
25V
C9180
MOUNT
C9179
100nF(K)
MOUNT
1nF(K)
8.2K(D)
MOUNT
8.2K(D)
NOT MOUNT
GND
A
B
C
D
E
F
HASUMI
2011.07.11 18:55
2011/07/11
MAIN UNIT
FUNCTIONTITLE
PANEL I/F(POWER)
SH.NO.DESIGNED BY
PAGE NO. REV.MARK DRAWING.NO.
914 80 MP PE1000ZA
TOSHIBA CORPORATION
E
F
Page 85

5T03655D
87654321
A
12V_IN
V22A00114200
B
1:12V
2:12V
3:GND
4:GND
5:24V_AUDIO
6:GND_AUDIO
7:(24V_LNB)
8:GND
9:5V1
10:AC_DETECT
11:POWER_TV
12:POWER_SIG
13:BL On/Off
14:3D_CONTROL
C
15:PWM
[C15A2]
CN90
1
2
3
4
5
6
7
8
9
10
11
12
13
14
15
1T
A2010WR0-15PS-SHP
2T
1
1
DP972
GND
DP951
DP953
DP952
1
1
DP965
1
DP955
1
DP956
1
DP957
1
DP958
1
DP961
1
DP962
1
DP954
1
DP967
DP966
1
1
DP959
DP960
1
1
1
1
1
DP973
FL953
MPZ2012S221AT
FL951
MPZ2012S221AT
FL952
MPZ2012S221AT
FL955
DP968
MPZ2012S221AT
FL954
MPZ2012S221AT
DP974
C9500
10nF(K)
25V
12V
C9501
10nF(K)
25V
12V_2
GND
VCC_AUDIO
C9502
10nF(K)
25V
D
5V1
1
10nF(K)
2
GND
C_POWER_TV
C_POWER_SIG
B_BL_ONOFF
C9504
25V
C9506
100nF(K)
10V
C_ACDET
B_PWM
373 114
114
114 704
652
652
C9507
100nF(K)
10V
A
B
C
D
E
F
OSANAI
2011.07.11 18:55
MAIN UNIT
FUNCTIONTITLE
POWER CONNECTOR
SH.NO.DESIGNED BY
PAGE NO. REV.MARK DRAWING.NO.
950 81 MP PE1000ZA
TOSHIBA CORPORATION
E
F
Page 86

5T03655D
87654321
A
NOT MOUNT
VE1A00004500
OG-503040
[V-FC3] [V-FC3]
E960
B
123
GND GND
NOT MOUNT
VE1A00004500
OG-503040
E961
123
C
D
A
B
C
D
E
F
OSANAI
2011.07.11 18:55
MAIN UNIT
FUNCTIONTITLE
EMC CONTROL
SH.NO.DESIGNED BY
PAGE NO. REV.MARK DRAWING.NO.
960 82 MP PE1000ZA
TOSHIBA CORPORATION
E
F