
For Discount Tecumseh Engine Parts Call 606-678-9623 or 606-561-4983
ECV100-145340G Page 1 of 5
Engine Parts List #1
www.mymowerparts.com

For Discount Tecumseh Engine Parts Call 606-678-9623 or 606-561-4983
ECV100-145340G Page 2 of 5
Engine Parts List #1
Ref # Part Number Qty Description
1 34959 Cylinder Ass'y. (Incl. 2, 4, 50, 51 & 52)
2 26727 Dowel Pin
4 32600 Oil Seal
5 29313C Exhaust Valve (Std.) (Incl.10)
5 29315C Exhaust Valve (1/32" OS) (Incl. 10)
6 29314B Intake Valve (Std.) (Incl. 10)
6 29315C Intake Valve (1/32" OS) (Incl. 10)
9 31672 Valve Spring
10 31673 Lower Valve Spring Cap
11 34600 Crankshaft
14A 35541 Piston & Pin Ass'y. (Std.) (Incl. 16)
14A 35542 Piston & Pin Ass'y. (.010 OS) (Incl. 16)
14A 35543 Piston & Pin Ass'y. (.020 OS) (Incl. 16)
14 35544 Piston, Pin & Ring Set (Std.)
14 35545 Piston, Pin & Ring Set (.010 OS)
14 35546 Piston, Pin & Ring Set (.020 OS)
15 35547 Ring Set (Std.)
15 35548 Ring Set (.010 OS)
15 35549 Ring Set (.020 OS)
16 20381 Piston Pin Retaining Ring
17 30963B Connecting Rod (Incl. 18)
18 32610A Connecting Rod Bolt
21 27241 Valve Lifter
22 33148A Camshaft (Compression Release)
23 29914 Oil Pump Ass'y.
24 35261 * Mounting Flange Gasket
25 33521C Mounting Flange (Incl. 26 thru 29, 32 & 187)
26 26208 Oil Seal
28 27244 Oil Drain Plug
30 650488 Screw, 1/4-20 x 1-1/4"
31 35479 Washer
32 30574 Governor Shaft
33 30591 Governor Gear Ass'y. (Incl. 31)
34 29193 Retaining Ring
35 30588A Governor Spool
36 31335 Governor Lever Clamp
37 28277 Washer
38 650548 Screw, 8-32 x 5/16"
39 31383A Governor Lever
40 31361 Extension Spring
41 31513 Governor Rod
43 611004 Flywheel Key
44 6021A Screw, 5/16-18 x 1-1/2"
45 35395 Resistor Spark Plug (RJ19LM)
46 32643A * Cylinder Head Gasket
47 34335 Cylinder Head
50 34215 Breather Ass'y. (Incl. 51 & 52)
51 30200 Screw, 10-24 x 9/16"
52 32760A * Breather Gasket
53 34336 Throttle Link
54 34337 Governor Link
55 32755 Valve Spring Box Cover
56 27234A * Valve Spring Cover Gasket
57 650128 Screw, 10-24 x 1/2"
59 34690A * Intake Pipe Gasket
60 31384A Intake Pipe (Incl. 59)
61 6201 Screw, 1/4-28 x 7/8"
62 650451 Screw, 1/4-20 x 1"
www.mymowerparts.com

For Discount Tecumseh Engine Parts Call 606-678-9623 or 606-561-4983
ECV100-145340G Page 3 of 5
Engine Parts List #1
Ref # Part Number Qty Description
67 26756 * Carburetor Gasket
71 29752 Nut, 1/4-28
97 28763 Screw, 10-32 x 19/32"
99 650831 Screw, 1/4-20 x 15/32"
100 30200 Screw, 10-24 x 9/16"
101 34369A Fuel Tank (Incl. 102 & 104)
102 35355 Fuel Cap
103 30705 Fuel Line
104 26460 Fuel Line Clamp
108 32410 Control Knob
109 35727 Control Bracket (Incl. 110 thru 115)
110 33802 Compression Spring
111 650777 Screw, 6-32 x 21/32"
112 650549 Screw, 5-40 x 7/16"
113 31342 Compression Spring
114 30200 Screw, 10-24 x 9/16"
115 610973 Terminal
118 35177 Speed Control Cover
119 650807 Screw, 10-32 x 7/16"
121 650795 Screw, 1/4-20 x 2-1/4"
122 33753 Locking Plate
124 650562 Screw, 10-32 x 1/2"
125 34265 Fill Tube Gasket
126 35577 Oil Fill Tube
127 35499 "O" Ring
128 35578 Dipstick
129 610118 Spark Plug Cover
130 650816 Flywheel Nut
131 650815 Belleville Washer
165 34080 Flywheel Key Spacer
192 650802 Screw, 1/4-20 x 5/8"
199 650814 Screw, 10-24 x 1"
200 611046A Flywheel
201 34443A Solid State Ignition
235 35067 Air Cleaner Collar
236 35068 Air Cleaner Clamp
237 35066 Air Cleaner Filter
238 35065 Air Cleaner Cover
250 34442A Instruction Decal
255 632389 Carburetor (Incl. 67)
258 33238D Gasket Set (Incl. items marked *)
www.mymowerparts.com

For Discount Tecumseh Engine Parts Call 606-678-9623 or 606-561-4983
ECV100-145340G Page 4 of 5
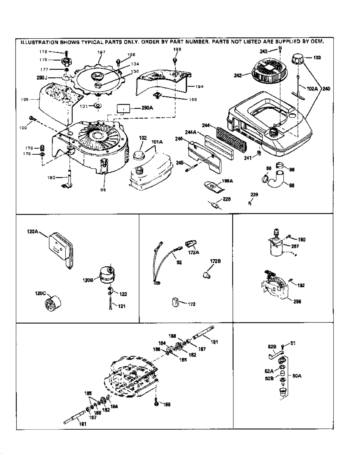
Engine Parts List #2
www.mymowerparts.com

For Discount Tecumseh Engine Parts Call 606-678-9623 or 606-561-4983
ECV100-145340G Page 5 of 5
Engine Parts List #2
Ref # Part Number Qty Description
51 30200 Screw, 10-24 x 9/16"
92 34231 Ground Wire
98 34480 Blower Housing
100 30200 Screw, 10-24 x 9/16"
102 35355 Fuel Cap
120A 34613 Muffler
121 650795 Screw, 1/4-20 x 2-1/4"
122 33753 Locking Plate
130 650816 Flywheel Nut
131 650815 Belleville Washer
134 34113 Blower Housing Plug
181 33774 P.T.O. Shaft
182 33401 Worm Gear
184 31745 Washer
185 31787 Washer
186 31749 Retaining Ring
187 31744 Oil Seal
188 31747 Washer
189 650492 Screw, 1/4-20 x 2-1/4"
192 650802 Screw, 1/4-20 x 5/8"
256 590531 Side Mount Starter
www.mymowerparts.com