
For Discount Tecumseh Engine Parts Call 606-678-9623 or 606-561-4983
ECV100-145317G Page 1 of 5
Engine Parts List #1
www.mymowerparts.com

For Discount Tecumseh Engine Parts Call 606-678-9623 or 606-561-4983
ECV100-145317G Page 2 of 5
Engine Parts List #1
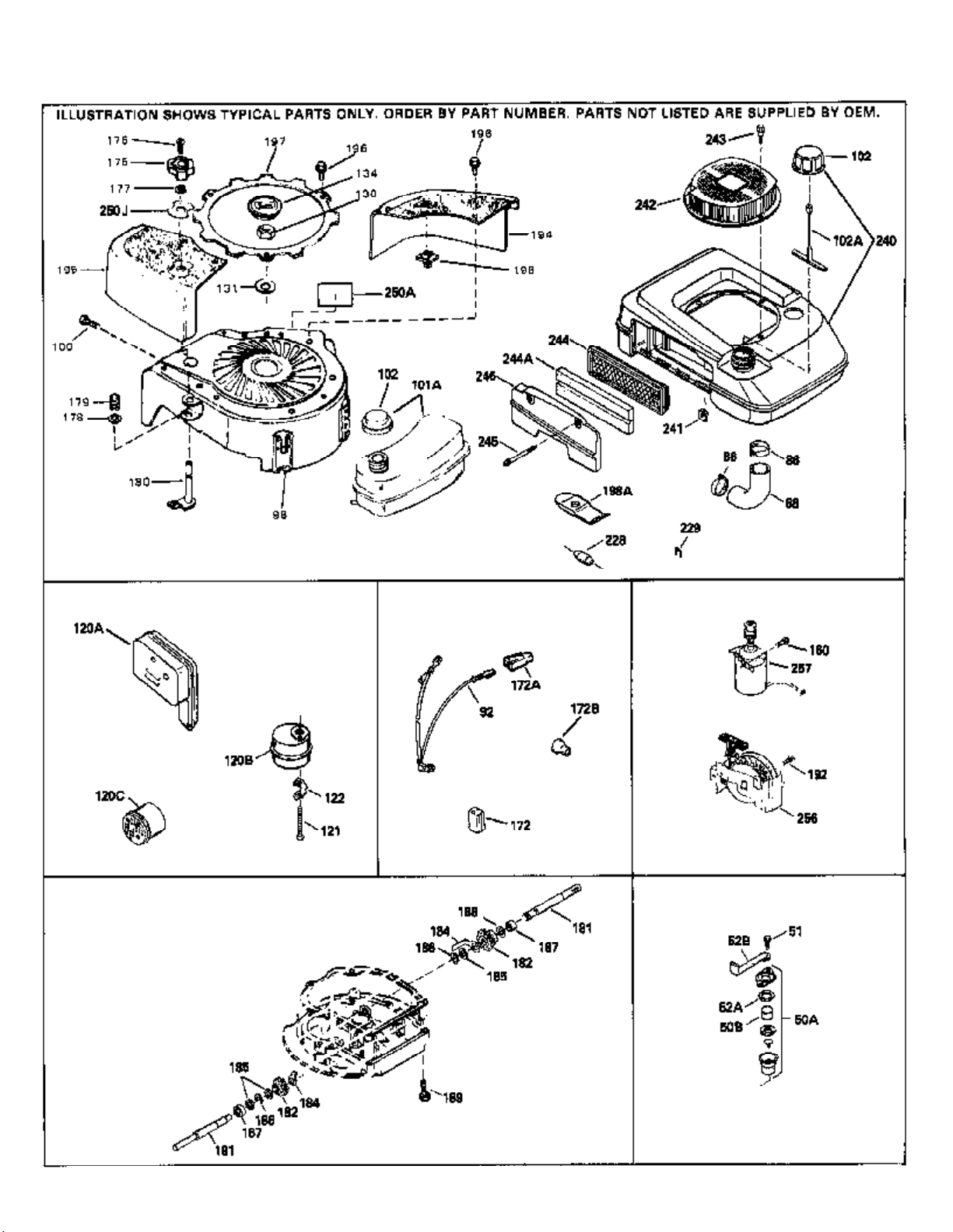
Ref # Part Number Qty Description
1 34959 Cylinder (Incl. 2, 4, 50, 51 & 52) (2 -5/8")
2 26727 Pin, Dowel
3 32323 Washer, Thrust
4 32600 Seal, Oil
5 29313C Exhaust Valve (Std.) (Incl. 10) (Conventional Ports)
5 29315C Exhaust Valve (1/32" OS) (Incl. 10) (Conventional Ports)
6 29314B Intake Valve (Std.) (Incl. 10) (Conventional Ports)
6 29315C Intake Valve (1/32" OS) (Incl. 10) (Conventional Ports)
9 31672 Spring, Valve
10 31673 Cap, Lower valve spring
11 35166 Crankshaft
14 35544 Piston, Pin & Ring Set (Std.) (2-5/8" Bore)
14 35545 Piston, Pin & Ring Set (.010" OS)
14 35546 Piston, Pin & Ring Set (.020" OS)
14A 35541 Piston & Pin Ass'y. (Incl. 16)(Std.)( 2-5/8")
14A 35542 Piston & Pin Ass'y. (Incl. 16) (.010" OS)
14A 35543 Piston & Pin Ass'y. (Incl. 16) (.020" OS)
15 35547 Ring Set (Std.) (2-5/8" Bore)
15 35548 Ring Set (.010" OS)
15 35549 Ring Set (.020" OS)
16 20381 Ring, Piston pin retaining
17 30963B Rod Assy., Connecting (Incl. 18)
18 32610A Bolt, Connecting rod
21 27241 Lifter, Exhaust valve
22 33553 Camshaft (MCR)
23 29914 Pump Assy.
24 35261 * Gasket, Mounting flange
25 34311B Flange Ass'y. (Incl. 26, 28, 29 & 32)
26 27897 Seal, Oil
28 27244 Plug, Oil drain
30 650488 Screw, 1/4-20 x 1-1/4"
31 30590A Washer, Flat
32 30574 Shaft, Mechanical governor
33 30591 Gear Assy., Governor (Incl. 31)
34 29193 Ring, Retaining
35 30588A Spool, Governor
36 31335 Clamp, Governor lever
37 28277 Washer, Flat
38 650548 Screw, 8-32 x 5/16"
39 31383A Lever, Governor
40 31361 Spring, Governor
41 30589 Rod, Governor (Incl. 37)
43 611004 Key, Flywheel
44 6021A Screw, 5/16-18 x 1-1/2"
45 35395 Resistor Spark Plug (RJ-19LM)
46 32643 * Gasket, Cylinder head
47 34335 Head, Cylinder
50 34215 Breather Assy. (Incl. 51 & 52)
51 30200 Screw, 10-24 x 9/16"
52 32760 * Gasket, Breather
53 34336 Link, Governor-to-throttle
54 34337 Link, Governor spring
55 32755 Cover, Valve spring box
56 27234 * Gasket, Valve spring cover
57 650128 Screw, 10-24 x 1/2"
59 34690 * Gasket, Intake
60 31384A Pipe, Intake (Incl. 59)
61 6201 Screw, 1/4-28 x 7/8"
www.mymowerparts.com

For Discount Tecumseh Engine Parts Call 606-678-9623 or 606-561-4983
ECV100-145317G Page 3 of 5
Engine Parts List #1
Ref # Part Number Qty Description
62 650451 Screw, 1/4-20 x 1"
67 26756 * Gasket, Carburetor
71 29752 Nut & Lockwasher, 1/4-28
97 28763 Screw, 10-32 x 19/32"
98A 35393 Housing, Blower
99 650831 Screw, 1/4-20 x 1/2"
100 30200 Screw, 10-24 x 9/16"
101 34369A Fuel Tank (Incl. 102 & 104)
102 35355 Fuel Cap
103 30705 Fuel Line (Braided 16")
104 26460 Clamp, Fuel line
108 32410 Knob, Speed control
109 33205A Control Bracket (Incl. 110,111,112,11 3 & 115)
110 33802 Spring, Compression
111 650777 Screw, 6-32 x 17/32"
112 650549 Screw, 6-50 x 7/16"
113 31342 Spring, Compression
114 30200 Screw, 10-24 x 9/16"
118 35176 Cover, Speed control
119 650807 Screw, 10-32 x 7/16"
120 34613 Muffler
121 650795 Screw, 1/4-20 x 2-1/4"
122 33753 Plate, Lock
124 650562 Screw, 10-32 x 1/2"
125 34265 Gasket, Oil fill tube
126 35577 Tube Assy., Oil filler
127 35499 "O" Ring
128 35578 Dipstick, Oil
129 610118 Cover, Spark plug
130 650816 Nut, Flywheel
131 650815 Washer, Belleville
132 35000 Hub, Starter
134A 35392 Plug, Starter
165 34080 Spacer, Flywheel Key
192 650884 Screw, 8-32 x 1/2"
199 650814 Screw, 10-24 x 1"
200 611112 Flywheel
201 34443A Solid State Assy.
221 35015A Bracket Assy., S.E. Brake
223 34966 Link, Control
224 34965 Spring, Extension
225 34968 Lever, Brake
226A 610973 Terminal Assy.
226 32309 Ring, Retaining
227 650839 Screw, 1/4-20 x 3/8"
235 35067 Collar, Air cleaner
236 35068 Clamp, Air cleaner
237 35066 Element, Air cleaner
238 35065 Cover, Air cleaner
239 35435 Filter, Pre-air (Use as required) (Po ly)
250A 35391 Decal, Instruction
251 631021 Inlet Needle, Seat & Clip Assy.
255 632389 Carburetor (Incl. 67) (Refer to Division 5, Section A, page 196
for breakdown)
256A 590621 Rewind Starter (Refer to Division 5, Section C, page 34 for
breakdown)
258 33238B * Gasket Set (Incl. items marked *)
www.mymowerparts.com

For Discount Tecumseh Engine Parts Call 606-678-9623 or 606-561-4983
ECV100-145317G Page 4 of 5
Engine Parts List #2
www.mymowerparts.com

For Discount Tecumseh Engine Parts Call 606-678-9623 or 606-561-4983
ECV100-145317G Page 5 of 5
Engine Parts List #2
Ref # Part Number Qty Description
51 30200 Screw, 10-24 x 9/16"
92 34961 Ground Wire
100 30200 Screw, 10-24 x 9/16"
102 35355 Fuel Cap
121 650795 Screw, 1/4-20 x 2-1/4"
122 33753 Plate, Lock
130 650816 Nut, Flywheel
131 650815 Washer, Belleville
192 650884 Screw, 8-32 x 1/2"
198A 35168 BracketAssy., Rope guide
228 34985 Rope Stop & Staple Assy.
250A 35391 Decal, Instruction
www.mymowerparts.com