Sold by SEARS, ROEBUCK AND CO., Chicago, IL. 60684 U.S.A. Printed in U.S.A. Part No. 62781
If within one year from the date of purchase, this Craftsman Table Saw fails due to a defect in material or workmanship, Sears will repair it, free of charge.
WARRANTY SERVICE IS AVAILABLE BY SIMPLY CONTACTING THE NEAREST SEARS STORE OR SERVICE CENTER THROUGHOUT THE UNITED STATES.
This warranty gives you specific legal rights, and you may also have other rights which vary from state to state.
SEARS, ROEBUCK AND CO., Sears Tower, BSC 41-3, Chicago, IL 60684
Read and understand the owner's manual and labels affixed to the tool. Learn its application and limitations as well as the specific potential hazards peculiar to this tool.
This tool is equipped with an approved 3-conductor cord and a 3-prong grounding type plug to fit the proper grounding type receptacle. The green conductor in the cord is the grounding wire. Never connect the green wire to a live terminal.
in working order, and in proper adjustment and alignment.
Form habit of checking to see that keys and adjusting wrenches are removed from tool before turning it on.
Cluttered areas and benches invite accidents. Floor must not be slippery due to wax or sawdust.
Don't use power tools in damp or wet locations or expose them to rain. Keep work area well lighted. Provide adequate surrounding work space.
All visitors should be kept a safe distance from work area.
- with padlocks, master switches, or by removing starter keys.
It will do the job better and safer at the rate for which it was designed.
Don't force tool or attachment to do a job it was not designed for.
Do not wear loose clothing, gloves, neckties or jewelry (rings, wrist watches) to get caught in moving parts. Nonslip footwear is recommended. Wear protective hair covering to contain long hair. Roll long sleeves above the elbow.
Wear Safety goggles (must comply with ANSI Z87.1) at all times. Everyday eyeglasses only have impact resistant lenses, they are NOT safety glasses. Also, use face or dust mask if cutting operation is dusty, and ear
protectors (plugs or muffs) during extended periods of operation.
P
Use clamps or a vise to hold work when practical. It's safer than using your hand, frees both hands to operate tool.
Keep proper footing and balance at all times.
Keep tools sharp and clean for best and safest performance. Follow instructions for lubricating and changing accessories.
before servicing; when changing accessories such as blades, bits, cutters, etc.
Make sure switch is in "OFF" position before plugging in.
Consult the owner's manual for recommended accessories. Follow the instructions that accompany the accessories. The use of improper accessories may cause hazards.
Serious injury could occur if the tool is tipped or if the cutting tool is accidentally contacted.
Do not store materials above or near the tool such that it is necessary to stand on the tool to reach them.
Before further use of the tool, a guard or other part that is damaged should be carefully checked to ensure that it will operate properly and perform its intended function. Check for alignment of moving parts, binding of moving parts, breakage of parts, mounting, and any other conditions that may affect its operation. A guard or other part that is damaged should be properly repaired or replaced.
Feed work into a blade or cutter against the direction of rotation of the blade or cutter only.
Turn power off. Don't leave tool until it comes to a complete stop.
WARNING: FOR YOUR OWN SAFETY, DO NOT OPERATE YOUR SAW UNTIL IT IS COMPLETELY ASSEMBLED AND INSTALLED ACCORDING TO THE INSTRUCTIONS... AND UNTIL YOU HAVE READ AND UNDERSTAND THE FOLLOWING.
If there is any tendency for the saw to tip over or move during certain cutting operations such as cutting extremely large heavy panels or long heavy boards, the saw should be bolted down.
If you attach any kind of table extensions over 24" wide to either end of the saw, make sure you either bolt the saw to the bench or floor as appropriate, or support the outer end of the extension from the bench or floor, as appropriate.
The saw should be positioned so neither the operator nor a casual observer is forced to stand in line with the saw blade.
A "KICKBACK" occurs during a rip-type operation when a part or all of the workpiece is thrown back violently toward the operator.
Keep your face and body to one side of the sawblade, out of line with a possible "Kickback."
Kickbacks – and possible injury from them – can usually be avoided by:
(sawing entirely thru the work) AND by removing all loose pieces from the table with a long stick of wood IMMEDIATELY after they are cut off.
A Dull, gummy, or improperly sharpened or set cutting tools can cause material to stick, jam, stall the saw, or kickback at the operator. Minimize potential injury by proper cutting tool and machine maintenance. NEVER ATTEMPT TO EREE A STALLED
SAWBLADE WITHOUT FIRST TURNING THE SAW OFF.
efficiency when ripping, use the maximum diameter blade for which the saw is designed, since under these conditions the spreader is nearest the blade.
Safety is a combination of operator common sense and alertness at all times when the saw is being used.
18. NOTE AND FOLLOW SAFETY INSTRUCTIONS THAT APPEAR ON THE FRONT OF YOUR SAW.
NOTE: Do not overtighten arbor nut. Use the arbor wrench to just "snug" it.
The operation of any power tool can result in foreign objects being thrown into the eyes, which can result in severe eye damage. Always wear safety goggles complying with ANSI Z87.1 (shown on Package) before commencing power tool operation. Safety Goggles are available at Sears retail or catalog stores.
This saw is designed to use a 3450 RPM motor only. Do not use any motor that runs faster than 3450 RPM. It is wired for operation on 110-120 volts, 60 Hz., alternating current. IT MUST NOT BE CONVERTED TO OPERATE ON 230 VOLTS. EVEN THOUGH SOME OF THE RECOMMENDED MOTORS ARE DUAL VOLTAGE. Changing to 230 volt will not conserve energy and requires changing the power cord plug.
The outlet in the switch box will accept either a 15 amp. or a 20 amp. motor plug.
RECOMMENDED CRAFTSMAN MOTORS FOR USE ON THIS SAW.
| H.P. | R.P.M. | Volts | Catalog No. |
|---|---|---|---|
| 1 | 3450 | 110-120 | 1217 |
| 1 | 3450 | 110-120 | 1220 |
CAUTION: Do not use blower or washing machine motors or any motor with an automatic reset overload protector as their use may be hazardous.
CONNECTING TO POWER SOURCE OUTLET
This saw must be grounded while in use to protect the operator from electrical shock.
If power cord is worn or cut, or damaged in any way, have it replaced immediately.
If your saw is for use on less than 150 volts it has a plug that looks like below.
Plug power cord into 110-120V properly grounded type outlet protected by a 15-amp. time delay or Circuit-Saver fuse or circuit breaker.
IF YOU ARE NOT SURE THAT YOUR OUTLET IS PROPERLY GROUNDED, HAVE IT CHECKED BY A QUALIFIED ELECTRICIAN.
WARNING: DO NOT PERMIT FINGERS TO TOUCH THE TERMINALS OF PLUG WHEN INSTALLING OR REMOVING THE PLUG TO OR FROM THE OUTLET.
WARNING: IF NOT PROPERLY GROUNDED THIS POWER TOOL CAN INCUR THE POTENTIAL HAZARD OF ELECTRICAL SHOCK, PARTICULARLY WHEN USED IN DAMP LOCATIONS, IN PROXIMITY TO PLUMBING, OR OUT OF DOORS. IF AN ELECTRICAL SHOCK OCCURS THERE IS THE POTENTIAL OF A SECONDARY HAZARD SUCH AS YOUR HANDS CONTACTING THE SAWBLADE.
This saw is equipped with a 3-conductor cord and grounding type plug which has a grounding prong, approved by Underwriters' Laboratories and the Canadian Standards Association. The ground conductor has a green lug and is attached to the tool housing at one end and to the ground prong in the attachment plug at the other end.
This plug requires a mating 3-conductor grounded type outlet as shown.
If the outlet you are planning to use for this saw is of the two prong type DO NOT REMOVE OR ALTER THE GROUNDING PRONG IN ANY MANNER. Use an adapter as shown and always connect the grounding lug to a known ground,
It is recommended that you have a qualified electrician replace the TWO prong outlet with a properly grounded THREE prong outlet.
An adapter as shown below is available for connecting plugs to 2-prong receptacles. The green grounding lug extending from the adapter must be connected to a permanent ground such as to a properly grounded outlet box.
| WARRANTY |
| GENERAL SAFETY INSTRUCTIONS |
| FOR POWER TOOLS 2 |
| ADDITIONAL SAFETY INSTRUCTIONS |
| FOR TABLE SAWS 3 |
| MOTOR SPECIFICATIONS AND ELECTRICAL |
| REQUIREMENTS 4 |
| UNPACKING AND CHECKING CONTENTS 6 |
| Tools Needed 6 |
| List of Loose Parts 6 |
| ASSEMBLY |
| Installing Handwheels 8 |
| Checking Table Insert 8 |
| Checking Blade Squareness to Table |
| Assembling Steel Legs |
| Attaching Table Extensions |
| Installing Rin Fence Guide Bars 10 |
| Aligning Rip Fence |
| Adjusting Rip Scale Indicator |
| Installing Blade Guard 14 |
| Mounting the Motor 16 |
| Installing Belt Guard 18 |
| Assembling Hold-Down 19 |
| Plugging in Motor |
| GETTING TO KNOW YOUR SAW |
| On-Off Switch |
| Tilt Handwheel |
| Tilt Lock Handle 21 |
| Rin Fence |
| Miter Gauge |
| Blade Guard |
NOTE: The adapter illustrated is for use only if you already have a properly grounded 2-prong receptacle.
The use of any extension cord will cause some loss of power. To keep this to a minimum and to prevent over-heating and motor burn-out, use the table below to determine the minimum wire size (A.W.G.) extension cord. Use only 3 wire extension cords which have 3 prong grounding type plugs and 3-pole receptacles which will accept the plug on the saw.
| 1 H.P. MOTOR | 110-120V | ||
|---|---|---|---|
| Extension Cord Length | Wire | Size | A.W.G |
| Up to 50 Ft. |
14 |
| 50 to 100 Ft. |
12 |
| 100 - 200 Ft. |
10 |
| 200 - 400 Ft. |
8 |
WARNING: FOR YOUR OWN SAFETY, MAKE SURE PLUG IS NOT CONNECTED TO POWER SOURCE OUTLET WHEN CHANGING MOTOR ROTATION.
The motor must rotate CLOCKWISE when viewed from the shaft end to which you will mount the pulley. (See page 16.) If it does not, change the direction according to the instructions furnished with the motor.
| Table Insert | 21 |
| Exacti-Cut | 22 |
| BASIC SAW OPERATION USING THE MITER GAUGE | 23 |
| Work Helpers | 23 |
| Repetitive Cutting | 24 |
| Miter Cutting | 25 |
| Bevel Crosscutting | 25 |
| Using the Hold-Down | 26 |
| BASIC SAW OPERATION USING THE RIP FENCE | 27 |
| Ripping | 27 |
| Bevel Ripping | 27 |
| Resawing | 29 |
| Cutting Panels | 29 |
| Rabbeting | 29 |
| Using Featherboards | 30 |
| ADJUSTMENTS | 31 |
| Miter Gauge | 31 |
| Sawblade to Miter Gauge Groove | 31 |
| Blade Tilt, or Squareness of | • |
| Blade to Table | 32 |
| 34 | |
| 30 | |
| 35 | |
| TROUBLE SHOOTING | 36 |
| REPAIR PARTS | 38 |
Model 113.298142 Table Saw is shipped complete in one carton but DOES NOT INCLUDE Table Extension, Steel Legs, or motor.
Model 113.298032 Table Saw is shipped complete in one carton but INCLUDES Two Table Extensions, Steel Legs, and Motor.
Model 113.298240 Table Saw is shipped complete in one carton but INCLUDES Two Table Extensions, Steel Legs, Motor, and Hold Down.
Separate all parts from packing materials and check each one with the illustration and the list of Loose Parts to make certain all items are accounted for, before discarding any packing material.
If any parts are missing, do not attempt to assemble the table saw, plug in the power cord or turn the switch on until the missing parts are obtained and are installed correctly.
Remove the protective oil that is applied to the table top and edges of the table. Use any ordinary household type grease and spot remover.
CAUTION: Never use gasoline, naptha or similar highly volatile solvents.
Apply a coat of automobile wax to the table.
Wipe all parts thoroughly with a clean, dry cloth
WARNING: FOR YOUR OWN SAFETY, NEVER CONNECT PLUG TO POWER SOURCE OUTLET UNTIL ALL ASSEMBLY STEPS ARE COMPLETE, AND YOU HAVE READ AND UNDERSTAND THE SAFETY AND OPERATIONAL INSTRUCTIONS.
0tv
| А | Blade Guard and Spreader | |
|---|---|---|
| В | Rip Fence | |
| C | Owners Manual | |
| D | Miter Gauge | |
| Ε | Arbor Nut Wrench* | |
| F | Switch w/ Key | |
| G | Rip Fence Guide Bar with Rip Scale (Front) | |
| Н | Handwheel | |
| J | V-Belt 1/2 in. x 41 in.* | |
| К | Pulley, 2-1/2 in. dia., with 5/8 in. bore* | |
| L | Belt and Pulley Guard | |
| М | Belt Guard Clip | |
| Ν | Self-Threading Screw, 10-32 x 1/2 in, Iong | |
| 0 | Belt Guard Support | |
| Ρ | Belt Guard Support Bracket | |
| Q | Motor Base | |
| R | Spreader Rod* | |
| S | Blade Guard Support with Screw* | |
| Т | Spreader Support* | ſ |
| U | Rip Fence Guide Bar (Rear) | 1 |
| V | Rip Fence Guide Bar Rod | 1 |
| *Pkg. of Miscellaneous Small Parts No. 62751 | ||
| Consisting of the Following: | ||
| W | Setscrew Wrench, 3/32 in. | 1 |
| W | Setscrew Wrench, 1/8 in. | 1 |
| W | Setscrew Wrench, 5/32 in. | 1 |
| Х | Self-Threading Nut | ว |
| Y | Hex Head Screw, 5/16-18 x 1-3/4 in Jong | 2 |
| Υ. | Hex Head Screw, 5/16-18 x 5/8 in Jong | 2 |
| Υ | Hex Head Screw, 5/16-18 x 1 in. long | ă |
| Y٠ | Hex Head Screw, 1/4-20 x 5/8 in, long | 2 |
Hex Head Screw, 5/16-18 x 3/4 in. long
*These parts are packaged in Loose Parts Bag No. 62750
| z | Hex Nut. 5/16–18 | |
|---|---|---|
| (approx. dia. of hole 5/16 in.) | 9 | |
| Ζ | Hex Nut, 1/4–20 | |
| (approx. dia. of hole 1/4 in.) | 2 | |
| AA | Lockwasher, 5/16 in. External Type | |
| (approx. dia. of hole 5/16 in.) | 11 | |
| AA | Lockwasher, 1/4 in. External Type | |
| (approx. dia. of hole 1/4 in.) | 2 | |
| AA | Lockwasher No. 10 External Type | |
| (approx. dia. of hole 3/16 in.) | 1 | |
| AB | Carriage Bolt, 5/16–18 x 3/4 in. long | 4 |
| AC | Rip Fence Guide Bar Spacer | 2 |
| AD | Wire Tie | 2 |
| AE | Thumbscrew, 5/16-18 x 1 in. long | 1 |
| AF | Screw Pan Hd. 10–32 x 3/4 | 1 |
| AG | Flat Washer (dia. of hole 21/64) | 2 |
The following parts are included with Model 113.298032 and 113.298240.
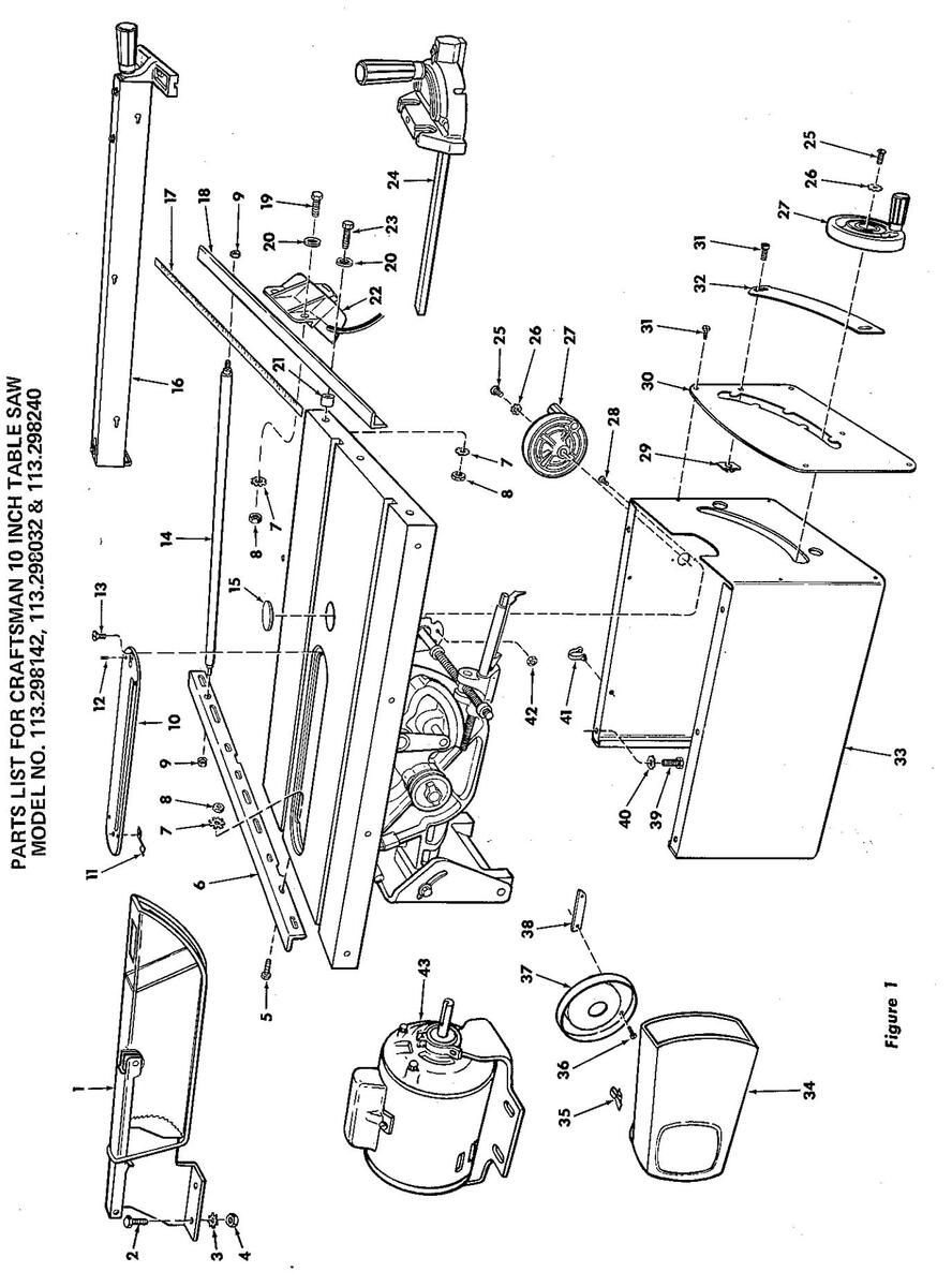
| Α | Leg | 4 |
|---|---|---|
| В | Side Stiffener | 2 |
| C | End Stiffener | 2 |
| D | Table Extension | 2 |
| F | Motor | 1 |
| F | Hex Head Screw 5/16-18 x 1-1/4 in. long | 4 | |
|---|---|---|---|
| G | Lockwasher, 1/4 in. External Type | ||
| (approx. dia. of hole 1/4 in.) | 24 | ||
| G | Lockwasher, 5/16 in. External Type | ||
| (approx. dia. of hole 5/16 in.) | 4 | ||
| Η | Hex Nut, 1/4-20 | ||
| (approx. dia. of hole 1/4 in.) | 24 | • | |
| Н | Hex Nut, 5/16–18 | ||
| (approx. dia. of hole 5/16 in.) | 4 | ||
| Н | Hex Nut, 1/2–13 | ||
| (approx. dia. of hole 1/2 in.) | 8 | ||
| J | Flat Washer (dia. of hole, 11/32 in.) | 8 | |
|
K
L |
Truss Head Screw, 1/4–20 x 5/8 in. long
(top of screw is rounded) Leveling Foot |
24
4 |
|---|---|---|
| Pkg. of Miscellaneous Small Parts No. 62745 for | ||
| Table Extensions. | ||
| 2 ea. for Model 113.298032 & 113.298240 | ||
| Consisting of the following: | ||
| F | Hex Hd. Screw, 5/16–18 x 1-1/4 in. long | 4 |
| G | Lockwasher, External Type | |
| (approx. dia. of hole 1/4 in.) | 8 | |
| G | Lockwasher, External Type | |
| (approx. dia. of hole 5/16 in.) | 4 | |
| н | Hex Nut, 1/420 | |
| (approx. dia. of hole 1/4 in.) | 8 | |
| Н | Hex Nut, 5/16-18 | |
| (approx. dia. of hole 5/16 in.) | 8 | |
| J | Flat Washer (dia. of hole 17/64 in.) | 4 |
| J | Flat Washer (dia. of hole 11/32 in.) | 4 |
| К | Truss Head Screw, 1/4–20 x 1 in. long | |
| 6.6 | (tup of screw is rounded) | 8 |
| NI | 2 | |
| IN | comer auphort pracket | Ζ |
Qtv.
The Hold Down is included with Model 113.298240 only. Qty.
| Α | Clamp Assembly | 1 |
|---|---|---|
| В | Wing Screw | 2 |
| C | Washer | 2 |
| D | Support Rod | 1 |
Before mounting the saw on legs, a stand or a bench, the Table Insert and Blade Squareness must be checked at this time.
Line up FLAT SPOTS on shaft and handwheel, push handwheel onto shaft. Install screw and lockwasher to lock handwheel on shaft.
Insert should be flush with table top. Check as shown. Loosen flat head screw that holds insert and adjust the four set screws as necessary. Tighten flat head screw. Do not tighten screw to the point where it deflects the insert.
3. To remove insert.
Place insert into insert opening in table and push toward rear of saw to engage spring clip and until keyslot in insert will drop over screw. Tighten screw. Do not tighten screw to the point where it will deflect the insert.
IMPORTANT: BLADE must be SQUARE (90°) to TABLE, in order to proceed with assembly.
To check for blade squareness, refer to "BLADE TILT, OR SQUARENESS OF BLADE TO TABLE" adjustment on page 32.
IMPORTANT: Saw blade MUST be parallel to miter gauge groove.
To check for parallelism, refer to "HEELING ADJUSTMENT OR PARALLELISM OF SAWBLADE TO MITER GAUGE GROOVE" adjustment on page 31 and 32.
NOTE: Steel Legs are furnished with Model 113.298032 and 113.298240. From among the loose parts, find the following Hardware:
24 Truss Head Screws, 1/4 - 20 x 5/8 in. long (top of screw is rounded)
24 Lockwashers, 1/4 in. External Type (approx. dia. of hole 1/4 in.)
24 Hex Nuts, 1/4 - 20 (approx. dia. of hole 1/4 in.) 8 Hex Nuts, 1/2 - 13 (approx. dia. of hole 1/2 in.)
4 Leveling feet.
Assemble the legs as shown ...
1. From among the loose parts, find the following hardware:
4 Hex Head Screws, 5/16 - 18 x 1-1/4 in. long.
4 Hex Nuts, 5/16 - 18 (approx. dia. of hole 5/16 in.) 4 Lockwashers, 5/16 in. External Type (approx. dia. of hole, 5/16 in.)
8 Flat Washers, (dia. of hole 11/32 in.)
If you mount the saw on any other bench, make sure that there is an opening in the top of the bench the same size as the opening in the bottom of the saw so that the sawdust can drop through. Recommended working height is 33 to 37 inches from the top of the saw table to the floor.
If you received Table Extensions with your saw attach them at this time.
Assemble brackets with hardware as listed.
Insert 5/16-18 x 1-1/4 in. long screws through holes in EXTENSION then through table. Install flat washer, lockwashers, and screw on the nuts . DO NOT TIGHTEN
Align front edge of extension with front edge of saw table. Pull Extension UPWARDS above table surface ... SLIGHTLY TIGHTEN SCREWS using 1/2 in. wrench.
Using small block of hardwood and hammer, tap extension DOWNWARDS at front, center & rear, until it is EVEN with table surface ... TIGHTEN SCREWS.
Lav REAR FENCE GUIDE BAR on table to act as a straightedge. If outer edge of extension is higher or lower than table surface:
NOTE: The various holes in the bar allow them to be positioned on this saw and also makes them adaptable to other models.
3. Insert a 1-3/4 inch long screw through the THIRD hole from LEFT IN THE FRONT BAR ... Insert another
1-3/4 inch long screw through the SEVENTH hole in bar. Insert two 3/4 inch long screws through two flat washers, through holes in switch, and then through holes EIGHT and TEN in bar. Install two lockwashers and nuts then tighten.
4. Place spacers on screws.
OF
Insert bolts through holes in middle and on right side of front of saw table ... install lockwashers and nuts. DON'T SCREW NUTS ON ALL THE WAY, just get them started on the screws.
)
NOTE: Fold a piece of newspaper making 8 thicknesses and place between rip fence and table to act as a spacer. This will hold the fence off of the table approx. 1/32 in.
19. Move fence to RIGHT edge of table ... make sure it is approx. 1/32 in. above table at front and rear and tighten screws.
The fence should slide easily along the bars and always remain in alignment (parallel to sawblade and miter gauge grooves).
The alignment is maintained by a spring underneath the fence which bears against the front guide bar.
To move the fence, loosen the lock handle and grasp the fence with one hand at the front.
For very close adjustments, grasp the guide bar with both hands and move the fence with your thumbs.
Place fence on saw but DO NOT LOCK IT. Move the REAR END of the fence slightly to the right or left ... when you release it, the fence should "spring" back to its original position.
If it does not, the spring pressure must be INCREASED. 1. Loosen the screws.
2. Move Spring slightly toward front of fence.
If the fence does not slide easily along the bars, the pressure of the spring can be REDUCED.
NOTE: If you cannot adjust indicator so that it points to "0", loosen the screws holding the front guide bar and move the guide bar.
1 Thumbscrew Guard Support
RETAIN WITH YOUR OWNERS MANUAL FOR FUTURE REFERENCE
NOTE: If you cannot adjust indicator so that it points to "2", loosen the screws holding the front guide bar and move the guide bar.
1. From among the loose parts, find
Insert SPREADER ROD into SPREADER SUPPORT until pin fits into notch. Insert Thumbscrew and tighten it
... Tighten both 5/16-18 x 1 in. HEX HEAD SCREWS.
14. IMPORTANT: The SPREADER must always be PARALLEL to the sawblade and in the MIDDLE of the cut (KERF) made by the sawblade.
NOTE: The spreader is thinner than the width of the KERE by approximately six thicknesses of paper.
15. Make two folds in a small piece (6 x 6 in.) of ordinary NEWSPAPER making three thicknesses.
The folded paper will be used as a "spacing gauge".
NOTE: Motor is included with Model 113,298032 and 113.298240.
16. Place RIP FENCE on table .
Screws in Support
SCREWS
tighten RIP FENCE LOCK KNOB HANDLE.
WARNING: FOR YOUR OWN SAFETY, MAKE SURE PLUG IS NOT CONNECTED TO POWER SOURCE OUTLET WHEN CHANGING MOTOR ROTATION.
20. Loosen the two MOTOR CLAMP SCREWS on each end of motor. Rotate the motor so that the CAPACITOR COVER is on top... tighten the screws. The ventilation holes are now facing downward which will help prevent sawdust from entering motor.
4. Install three CLIPS (furnished with guard) 90° apart starting with one clip at the end of the guard as shown ... LONG END of clip facing AWAY from you.
8. Press guard onto support so that bottom of guard is approximately 3/4 in, away from belt.
NOTE: To remove guard, lift up on LONG TABS of clips ... pull guard outward. The clips should remain on the BELT GUARD SUPPORT.
Locate the clamp assembly, support rod, two wing screws and two washers in loose parts bag.
Screw the support rod (1) tightly into the hole in the miter gauge head.
Position the clamp assembly (2) on the handle and rod ... install washers (3) and wing screws (4).
NOTE: The small knob (5) on the clamp screw must not turn. Check nut underneath it ... it must be tight against the knob. Use a 1/2 inch wrench to tighten it.
5-
LATCH
3/4 IN
ON-OFF SWITCH
CAUTION: Before turning switch on, make sure the blade guard is correctly installed and operating properly.
The On-Off Switch has a locking feature. THIS FEATURE IS INTENDED TO PREVENT UNAUTHORIZED AND POSSIBLE HAZARDOUS USE BY CHILDREN AND OTHERS.
B. TO turn saw ON ... stand to either side of the blade never in line with it ... insert finger under switch lever and pull END of lever out.
After turning switch ON, always allow the blade to come up to full speed before cutting.
Do not cycle the motor switch on and off rapidly, as this may cause the sawblade to loosen. In the event this should ever occur, allow the sawblade to come to a complete stop and retighten the arbor nut normally, not excessively. Never leave the saw while the power is "ON".
WARNING: FOR YOUR OWN SAFETY, LOWER BLADE OR OTHER CUTTING TOOL BELOW TABLE SURFACE. (IF BLADE IS TILTED, RETURN IT TO VERTICAL (90°) POSITION). ALWAYS LOCK THE SWITCH "OFF". WHEN SAW IS NOT IN USE ... REMOVE KEY AND KEEP IT IN A SAFE PLACE ... ALSO ... IN THE EVENT OF A POWER FAILURE (ALL OF YOUR LIGHTS GO OUT) TURN SWITCH OFF ... LOCK IT AND REMOVE THE KEY. THIS WILL PREVENT THE SAW FROM STARTING UP AGAIN WHEN THE POWER COMES BACK ON.
When the blade is tilted to the LEFT as far as it will go, it should be at 45° to the table and the bevel indicator should point 45°.
NOTE: There are LIMIT STOPS inside the saw which prevent the blade from tilting beyond 45o to the LEFT and 90o to the RIGHT. (See "Adjustments" section "Blade Tilt, or Squareness of Blade to Table").
4 TILT LOCK HANDLE ... locks the blade in the desired tilt position. To loosen, turn counterclockwise. Push handle in and turn it to another position if necessary in order to tighten or loosen.
IMPORTANT: Be sure handle is hanging in the "DOWN" position before tilting blade. If it is pointing to the 1 o'clock position it may jam on underside of the table and bend the locking bolt.
5 RIP FENCE ... is locked in place by tightening the lock knob. To move the fence, loosen the knob and grasp the fence with one hand at the front.
Holes are provided in the rip fence for attaching a wood facing when using the dado head, or molding head.
Select a piece of smooth straight wood approx. 3/4 in. thick and the same size as the rip fence.
Attach it to the fence with three Round Head #10 Wood Screws 2 in. long. To remove the facing, loosen the screws, slide the facing forward and pull the screws through the round holes.
If you are making a rip type cut in material thinner than 3/16 in. while the fence is positioned over the depressed area of table extension, the facing should be attached to the fence so that the bottom edge touches the top surface of the extension. In this case, the facing must be shorter than the fence. This will prevent thin material from sliding under the rip fence.
6 MITER GAUGE ... head is locked in position for crosscutting or mitering by tightening the lock knob. ALWAYS LOCK IT SECURELY WHEN IN USE.
There are two slots for the stop pin at the 45 degree right and left positions for conveniently setting the Miter Gauge to cut miters.
NOTE: The slots for the stop pin and the graduations are manufactured to very close tolerances which provide accuracy for average woodworking. In some cases where extreme accuracy is required, when making angle cuts, for example, make a trial cut and then recheck it.
If necessary, the miter gauge head can then be swiveled slightly to compensate and then locked.
Slots are provided in the miter gauge for attaching an AUXILIARY FACING to make it easier to cut long pieces. Be positive facing does not interfere with the proper operation of the sawblade guard.
Select a suitable piece of smooth straight wood . drill two holes through it and attach it with screws.
NOTE: When bevel crosscutting, attach facing so that it extends to the right of the miter gauge and use the miter gauge in the groove to the right of the blade.
7 BLADEGUARD must always be in place and working properly for all thru-sawing cuts. That is, all cuts whereby the blade cuts completely through the workpiece.
To remove the guard for special operations, loosen the thumbscrew and slide the guard off of the rod. DO NOT DISTURB THE SETTING OF THE ROD.
When replacing the guard, make sure the PIN in the rod engages with the NOTCH in the spreader support. Make sure thumbscrew is tightened securely.
8 TABLE INSERT is removable for removing or installing blades or other cutting tools.
WARNING: FOR YOUR OWN SAFETY, TURN SWITCH "OFF" AND REMOVE PLUG FROM POWER SOURCE OUTLET BEFORE REMOVING INSERT.
NEVER OPERATE THE SAW WITHOUT THE PROPER INSERT IN PLACE, USE THE SAW BLADE INSERT WHEN SAWING ... USE THE COMBINATION DADO MOLDING INSERT WHEN DADOING OR MOLDING.
21
WARNING: FOR YOUR OWN SAFETY, TURN SWITCH "OFF" AND REMOVE PLUG FROM POWER SOURCE OUTLET BEFORE REMOVING OR INSTALLING SAWBLADE.
BLADE GUARD NOT SHOWN FOR PICTURE CLARITY
BLADE GUARD NOT SHOWN FOR PICTURE CLARITY
C. To TIGHTEN arbor nut, place a block of wood against rear of blade ... PUSH wrench away from you.
When installing the blade ... make sure the teeth are pointing toward the front of the saw ... and that the blade and collars are clean, and free from any burrs.
The HOLLOW side of the collar must be against the blade.
Always tighten the arbor nut securely.
NOTE: When using the Dado or Molding Head, it is not necessary to install the loose collar.
Place insert into insert opening in table and push toward rear of saw to engage spring clip and until keyslot in insert will drop over screw. Tighten screw.
Do not tighten screw to the point where it will deflect the insert.
The "yellow" plastic disc imbedded in the table in front of the sawblade, is provided for marking the location of the "sawcut" on the workpiece.
BLADE GUARD NOT SHOWN FOR PICTURE CLARITY
Before cutting any wood on your saw, study all of the "Basic Saw Operations".
Notice that in order to make some of the cuts, it is necessary to use certain devices "Work Helpers" like the Push Stick, the Push Block and the Auxiliary Fence/Work Support, which you can make yourself.
After you have made a few practice cuts, make up these "helpers" before starting any projects. Make the "Push Stick" first.
Make the Push Stick using a piece of 1 x 2, or rip one from a wide board, say 11-1/2 in. wide, and set the rip fence 9-7/8 in. from the sawblade.
Make the Push Block using a piece of 3/8 in. and 3/4 in. plywood.
The small piece of wood 3/8 in. x 3/8 in. x 2-1/2 in. should be GLUED to the plywood ... DO NOT USE NAILS. This is to prevent dulling the sawblade in the event you mistakingly cut into the push block.
Position the handle in the center of the plywood and fasten together with glue and woodscrews.
Make one using a piece of 3/8 in. and 3/4 in. plywood. Fasten together with glue and woodscrews.
NOTE: Since the Push Block is used with the Auxiliary Fence, the 4-3/4 in. dimensions must be held identical on both the pieces.
CROSSCUTTING, MITER CUTTING, BEVEL CUTTING, COMPOUND MITER CUTTING, DADOING and when RABBETTING AND MOLDING across the end of a narrow workpiece, THE MITER GAUGE IS USED.
WARNING: FOR YOUR OWN SAFETY, ALWAYS OBSERVE THE FOLLOWING SAFETY PRECAUTIONS IN ADDITION TO THE SAFETY INSTRUCTIONS ON PAGES 2, 3, and 4.
Turn the saw OFF. After the blade has stopped turning, lift the guard and remove the piece.
CROSSCUTTING is known as cutting wood across the grain, at 90°, or square with both the edge and the flat side of the wood. This is done with miter gauge set at "0". The graduations on the miter gauge provide accuracy for average woodworking. In some cases where extreme
accuracy is required, when making angle cuts, for example, make a trial cut and then recheck it with an accurate square, or protractor.
If necessary, the miter gauge head can be swiveled slightly to compensate for any inacurracy.
NOTE: The space between the miter gauge bar and the groove in the table is held to a minimum during manufacturing.
For maximum accuracy when using the miter gauge, always "favor" one side of the groove in the table. In other words, don't move the miter gauge from side to side while cutting, but keep one side of the bar riding against one side of the groove.
NOTE: Glue a piece of sandpaper to the face of the miter gauge head. This will help prevent the workpiece from "creeping" while it is being cut.
The Hold-Down Clamp (Optional Accessory) included with 113.298240 should be used on the miter gauge for greater accuracy.
When cutting long workpieces, invert AUXILIARY FENCE/WORK SUPPORT and position it on top of the guide bars to support the workpiece as near to the end as possible. If this does not adequately support the workpiece, you can make a simple support by clamping a piece of plywood to a sawhorse.
Use the Hold-Down Clamp (Optional Accessory) included with 113.298240 on the miter gauge for greater accuracy.
The miter gauge may be used in either of the grooves in the table. Make sure it is locked.
When using the miter gauge in the LEFT hand groove, hold the workpiece firmly against the miter gauge head with your left hand, and grip the lock handle with your right.
When using the RIGHT Hand groove, hold the workpiece with your right hand and the lockhandle with your left hand.
REPETITIVE CUTTING is known as cutting a quantity of pieces the same length without having to mark each piece.
When making repetitive cuts from a long workpiece, make sure it is adequately supported.
Use the Hold-Down Clamp (Optional Accessory) included with 113.298240 on the miter gauge for greater accuracy.
CAUTION: When clamping the block, make sure that the end of the block is well in front of the sawblade. Be sure it is clamped securely.
MITER CUTTING is known as cutting wood at an angle other than 90o with the edge of the wood. Follow the same procedure as you would for crosscutting.
Adjust the miter gauge to the desired angle, and lock it.
The miter gauge may be used in either of the grooves in the table.
When using the miter gauge in the LEFT Hand groove, hold the workpiece firmly against the miter gauge head with your left hand, and grip the lock knob with your right.
When using the RIGHT hand groove, hold the workpiece with your right hand and the knob with your left hand.
Use the Hold-Down Clamp (Optional Accessory) included with Model 113.298240 on the miter gauge for greater accuracy.
BEVEL CROSSCUTTING is the same as crosscutting except that the wood is also cut at an angle ... other than 90° with the flat side of the wood.
Adjust the blade to the desired angle.
Use the Miter Gauge in the groove to the RIGHT of the blade. It cannot be used in the groove to the LEFT because the blade guard will interfere. Hold the workpiece with your right hand and the lockhandle with your left hand.
Use the AUXILIARY FENCE/WORK SUPPORT for additional support of the workpiece.
Lay it across the guide bars to support the workpiece as near to the end as possible.
Use the Hold-Down Clamp (Optional Accessory) included with Model 113.298240 on the miter gauge for greater accuracy.
COMPOUND MITER CUTTING is a combination of miter cutting and bevel crosscutting. The cut is made at an angle other than 90° to both the edge and the flat side of the wood.
Adjust the miter gauge and the blade to the desired angle ... Make sure miter gauge is locked.
When cutting wide pieces of material, move the clamp assembly forward as far as it will go...grip the lock handle and tighten by turning clockwise until lock handle is secured. Tighten both wing screws.
When cutting narrow pieces of material, adjust the clamp assembly with the clamp over the center of the workpiece. Grip the lock handle and tighten by turning clockwise until lock handle is secured. Tighten both wing screws.
The clamp screw contains a "rapid approach" feature. Disengage clamp lock latch, press IN the rapid approach button which is located on the left side of the clamp assembly and PUSH DOWN or PULL UP on the clamp screw. Release button and tighten the clamp screw. Engage clamp lock latch.
FOR YOUR PROTECTION, NEVER USE MITER GAUGE WITH CLAMP LOCK LATCH DISENGAGED.
SUPPORT LONG WORKPIECES ... you can make a simple support by clamping a piece of plywood to a sawhorse.
ADD FACING to front face of miter gauge head for support as needed. It must not extend past the right end – including the 45° corner – of miter gauge head when miter gauge is used in the left table groove, nor past the left end when miter gauge is used in the right table groove. Otherwise, the FACING will interfere with the saw blade guard and prevent proper and safe operation.
CAUTION: For bevel crosscutting or compound miter cutting, use the miter gauge in the groove to the RIGHT of the blade ... NEVER TO THE LEFT. This will permit the guard and the miter gauge to function properly.
Always release clamping knob – unclamp workpiece and disengage clamp lock latch before pressing in rapid approach button.
End of workpiece must extend at least two inches to either side of shoe of clamp screw.
Wide (12" or wider) and long (2 feet or longer) pieces of plywood, chip board or wall paneling should be cut using the rip fence rather than the miter gauge.
NOTE: It may be necessary to add a facing to the Fence to prevent very thin materials like wall paneling or formica from slipping under the fence. Support wide workpieces to the rear of the table — you can make a sample support by clamping a piece of plywood to a sawhorse.
BE POSITIVE edge of workpiece next to face of miter gauge head is straight and tight against miter gauge head so that workpiece does not rock or rotate.
When repositioning Head to another miter angle, it is necessary to loosen both Wing Screws slightly before lossening the Lock Handle.
CAUTION: After setting angle, secure Lock Handle and both Wing Screws, in that order, before clamping the workpiece and engaging the clamp lock latch.
ALWAYS use both hands when operating with miter gauge. Place one hand on the lock handle – use this hand to feed
workpiece thru the sawblade. For narrow work, place other hand so thumb is hooked behind miter gauge head and fingers hooked over leading edge for work. For wider work where other hand cannot span board as above, place hand on top of work and hook fingers over leading edge of work to hold it tight against the face of the miter gauge during the cutting operation.
Never use miter gauge with clamp lock latch disengaged.
RIPPING, BEVEL RIPPING, PLOUGHING, MOLDING, RESAWING AND RABBETING are performed using the RIP FENCE together with the AUXILIARY FENCE/WORK SUPPORT, PUSH STICK OR PUSH BLOCK.
WARNING: FOR YOUR OWN SAFETY, ALWAYS OBSERVE THE FOLLOWING SAFETY PRECAUTIONS IN ADDITION TO THE SAFETY INSTRUCTIONS ON PAGES 2, 3, and 4.
Frequently check the action of the ANTIKICKBACK PAWLS by passing the workpiece alongside of the spreader while saw is OFF.
Pull the workpiece TOWARD you. If the PAWLS do
RIPPING is known as cutting a piece of wood with the grain, or lengthwise. This is done using the rip fence.
Position the fence to the desired WIDTH OF RIP and lock in place.
Before starting to rip, be sure
When ripping LONG BOARDS or LARGE PANELS, always use a work support.
A simple one can be made by clamping a piece of plywood to a sawhorse.
When bevel ripping material 6 in. or narrower, use fence on the right side of the blade ONLY. This will provide more space between the fence and the sawblade for use of a push stick. If the fence is mounted to the left, the sawblade quard may interfere with proper use of a push stick.
When "WIDTH OF RIP" is 6 in. and WIDER use your RIGHT Hand to feed the workpiece until it is clear of the table.
Use LEFT hand ONLY to guide the workpiece ... do not FEED the workpiece with the left hand.
not DIG into the workpiece and HOLD it . the pawls must be SHARPENED. See "Maintenance" section.
Turn the saw OFF. After the blade has stopped turning, lift the guard and remove the piece.
When "WIDTH OF RIP" is 2 in. to 6 in. wide USE THE PUSH STICK to feed the work.
When WIDTH OF RIP is NARROWER than 2 in., the push stick CANNOT be used because the guard will interfere ... USE the AUXILIARY FENCE/WORK SUPPORT and PUSH BLOCK.
Attach Auxiliary Fence/Work Support to rip fence with two "C" clamps.
Feed the workpiece by hand along the AUXILIARY FENCE until the end is approx. 1 in. past the front edge of the table. Continue to feed using the PUSH BLOCK. Hold the workpiece in position and install the PUSH BLOCK by sliding it on top of the AUXILIARY FENCE/WORK SUPPORT (This May Raise Guard).
workpiece. Use PUSH BLOCK to complete cut.
PLOUGHING is grooving with the grain the long way of the workpiece, using the fence. USE proper holddowns and feed devices.
RESAWING
RESAWING is known as ripping a piece of wood through its thickness. Do not attempt to resaw BOWED or WARPED material. NOTE: To RESAW a piece of wood wider than 3-3/8 in...it will be necessary to remove the blade guard... and use the AUXILIARY FENCE/WORK SUPPORT. (See "Work Helpers").
Clamp it to the table so that the workpiece will SLIDE EASILY but not TILT or MOVE SIDEWAYS without BINDING between the two fences.
Do not clamp directly to the bottom edge of the table because the "swivel" of the clamp will not grip properly. Place a small block of wood between the bottom edge of the table and the "C" clamp.
WARNING: FOR YOUR OWN SAFETY ... 1. DO NOT "BACK UP" (REVERSE FEEDING) WHILE
RESAWING BECAUSE THIS COULD CAUSE A KICKBACK.
AUXILIARY FENCE/
2. INSTALL BLADE GUARD IMMEDIATELY UPON COMPLETION OF THE RESAWING OPERATION.
When cutting panels (whenever fence is positioned outside of table surface), ALWAYS use the AUXILIARY FENCE/WORK SUPPORT.
Rabbeting is known as cutting out a section of the corner of a piece of material, across an end or along an edge.
To make a RABBET requires cuts which do not go all the way through the material. Therefore the blade guard must be removed.
narrower make the rabbet cut with the board flat on the table using the miter gage fitted with a facing (per "6. MITER GAUGE" on p.21). DO NOT use the rip fence.
4. INSTALL BLADE GUARD IMMEDIATELY UPON COMPLETION OF RABBETING OPERATION.
Rabbet cuts can also be made using the dado head or molding head.
MOLDING is shaping the workpiece with the grain the long way of the workpiece, using the fence. Use proper holddowns and feed devices.
Instructions for operating the Dado Head are contained in booklet furnished with the Dado Head.
The Recommended Dado Head is listed under Recommended Accessories in this manual.
The arbor on the saw, is only long enough so that the widest cut that can be made is 13/16" wide.
It is not necessary to install the outside loose collar before screwing on the arbor nut. Make sure the arbor nut is tight. ALWAYS USE DADO INSERT LISTED UNDER RECOMMENDED ACCESSORIES.
When using the dado head it will be necessary to remove the Blade Guard and Spreader. USE CAUTION. USE FEATHERBOARDS AND PUSH STICKS AS REQUIRED. ALWAYS REPLACE THE BLADE, GUARD AND SPREADER WHEN YOU ARE FINISHED DADOING.
Instructions for operating the Molding Head are contained in a booklet furnished with the Molding Head.
The recommended molding head is listed under Recommended Accessories in this manual.
Always use Molding Insert Listed Under Recommended
When using the molding head it will be necessary to remove the Blade Guard and Spreader. USE CAUTION. USE FEATHERBOARDS AND PUSH STICKS, etc. AS REOUIRED.
ALWAYS REPLACE THE BLADE GUARD AND SPREADER WHEN YOU ARE FINISHED MOLDING.
Add 8 inch high flat facing board to the fence, the full length of the fence.
Use featherboards for all non "thru-sawing" operations (when sawblade guard must be removed). Featherboards are used to keep the work in contact with the fence and table as shown, and to stop kickbacks.
Mount featherboards to fence and table as shown, so that leading edges of featherboards will support workpiece until cut is complete, and the workpiece has been pushed completely past the cutter (sawblade, dado head, molding head, etc.) with a pushstick, as in ripping.
Before starting the operation (switch 'OFF' and cutter below table surface):
(a) Install featherboards so they exert pressure on the workpiece: be positive they are secure, and
(b) Make sure by trial that the featherboards will stop a kickback if one should occur.
Featherboards are not employed during non thru-sawing operations when using the miter gage.
Replace the sawblade guard as soon as the non thru-sawing operation is complete.
NOTE: The slots for the stop pin and the graduations are manufactured to very close tolerances which provide accuracy for average woodworking. In some cases where extreme accuracy is required, when making angle cuts, for example, make a trial cut and then recheck it.
If necessary, the miter gauge head can be swiveled slightly to compensate for any inaccuracy.
A. Loosen the "knob" (1) and the "two screws" (2)
While cutting, the material must move in a straight line PARALLEL to the SAWBLADE ... therefore both the miter gauge GROOVE and the RIP FENCE must be PARALLEL to the SAWBLADE.
If the sawblade IS NOT parallel to the miter gauge groove, the blade will bind at one end of the cut. (This is known as "HEELING").
adjusted by tightening or loosening the setscrew (4) ... using the 1/8 in. setscrew wrench.
NOTE: The setscrew is located inside of the head. To reach it, swivel the head to 60 degrees and turn the miter gauge upside down.
NOTE: All six screws can be reached through back of saw. Use a 9/16-in. wrench. To reach left-hand front trunnion screw, tilt blade to 45°. After loosening screws reposition blade at 90°.
CLAW HAMMER
PLACE BLOCK HERE
8. Using a wood block and mallet as shown, move rear trunnion to right or left as required to realign the blade. If necessary, shift front trunnion in similar manner; but do NOT move front trunnion unless necessary. Recheck the alignment with the square, then securely retighten all six trunnion screws.
90° (SQUARE) and 45° (BEVEL) STOP COLLARS.
When the bevel pointer is pointing directly to the "O" mark on the bevel scale, the sawblade should make a SQUARE cut 90° to the table.
To check for SQUARENESS:
WARNING: FOR YOUR OWN SAFETY, TURN SWITCH "OFF" AND REMOVE PLUG FROM POWER SOURCE OUTLET.
- OR HERE
Rotate tilt handwheel CLOCKWISE a few turns to tilt blade. Now rotate handwheel COUNTERCLOCKWISE until it stops. Blade should now be square with table and pointer should point to "0".
If blade is SQUARE to table;
A. Check pointer
IF POINTER DOES NOT point to the "O" mark on the bevel scale;
VELSCALE
- TILT CLAMP SCREW
-0-
TILT HANDWHEEL
TILT POINTER
If blade is NOT SQUARE to table . the 90o LIMIT STOP must be ADJUSTED.
TILT blade to LEFT as far as it will go. It will stop when the PIVOT NUT is against the 450 STOP COLLAR.
A. Place an ACCURATE square against blade. Make sure square is not touching the TIP of one of the saw TEETH.
If blade is 450 to table;
A. Check pointer.
If POINTER DOES NOT point to the 45° mark on the scale;
If blade is NOT 45o to table ... the 45o STOP COLLAR and SCALE must be ADJUSTED.
The handwheel should turn freely without binding. The turning action can be adjusted by tightening or loosening the screws in the bearing retainer.
NOTE: Tilt Handwheel must be removed to adjust. When adjusting the screws in the bearing retainer, hold the nut inside using a 3/8 in. wrench.
WARNING: FOR YOUR OWN SAFETY, TURN SWITCH "OFF" AND REMOVE PLUG FROM POWER SOURCE OUTLET BEFORE MAINTAINING OR LUBRICATING YOUR SAW.
Do not allow sawdust to accumulate inside the saw.
Frequently blow out any dust that may accumulate inside the saw cabinet and the motor.
Frequently clean your cutting tools with Craftsman Gum and Pitch Remover.
A coat of automobile-type wax applied to the table will help to keep the surface clean and allow workpieces to slide more freely.
If the power cord is worn or cut, or damaged in any way, have it replaced immediately.
Make sure the teeth of the ANTIKICKBACK pawls are always sharp. To sharpen:
1. Remove blade guard.
The following parts should be oiled occasionally with SAE No. 20 or No. 30 engine oil.
| ITEN | 1 |
|---|
| CAT. NO. | |
|---|---|
| Steel Legs | 9-22235 |
| Steel Stand | 9-22214 |
| Caster Sets | 22222 or 9-22221 |
| Solid Table Extension | 9-29957 |
| 7 In. Molding Head Set | 9-3217 |
| 7 In. Molding Head Set | 9-3218 |
| 7 In. Molding Head | 9-3214 |
| Molding/Dado Insert for 7 In. | |
| Dia. Molding or Dado Head | 9-29997 |
| Work Light | 9-2480 |
| ITEM | CAT. NO. |
|---|---|
| Work Light | |
| 7 In. Dia. Adjustable Dado Head | 9-3261-9-3262-9-3263 |
| 7 In. Dia. Dado Head | |
| Sanding Wheel | |
| Miter-Gauge Stop Rods | |
| Miter-Gauge Hold-Down Clamp . | |
| Taper Jig | |
| Universal Jig | |
| Power Tool Know How Handbook | C |
| Table Saw |
| TROUBLE PROBABLE CA | REMEDY | |
|---|---|---|
| Excessive vibration. |
|
|
|
Cannot make square
Cut when crosscutting. |
|
1. See "Adjustments" section "Miter Gauge." |
| Cut binds, burns or stalls motor when | 1. Dull blade with improper tooth set. | 1. Sharpen or replace blade. |
| ripping. |
|
|
|
|
|
| alignment | Blade Guard." | |
|
Cut not true at 90
0
or 45 0 positions. |
1. Stop collars not properly adjusted. |
1. See "Adjustments" section, "Blade Tilt, or
"Squareness of Blade to Table." |
| Tilt and elevating handwheel turn hard. |
1. Sawdust on threads of tilt
screw or elevating screw. |
1. See "Maintenance and Lubrication" section. |
|
2. See "Maintenance" section
"Tilt and Elevation Mechanism." |
|
NOTE: Motors used on wood-working tools are particularly susceptible to the accumulation of sawdust and wood chips and should be blown out or "vacuumed" frequently to prevent interference with normal motor ventilation.
| TROUBLE | PROBABLE CAUSE | REMEDY |
|---|---|---|
| Excessive noise. | 1. Motor. |
|
|
Motor fails to develop
full power. NOTE: LOW VOLTAGE: (Power output of motor decreases |
1. Circuit overloaded with
lights, appliances and other motors. |
|
|
rapidly with decrease in
voltage at motor terminals. For example, a reduction |
2. Undersize wires or circuit too long. |
|
|
of 10% in voltage causes
a reduction of 19% in maximum power output of which the motor is capable, and a reduction of 20% in voltage causes a reduction of 36% in maximum power output.) |
3. General overloading of
power company facilities. |
3. Request a voltage check from the power company. |
| TROUBLE | PROBABLE CAUSE | REMEDY |
|---|---|---|
| Motor starts slowly | 1. Low voltage will not | 1. Request voltage check from the power company. |
| or fails to come up | trip relay. | |
| to full speed. | 2. Windings burned out |
|
| or open. | ||
| 3. Starting relay not | 3. Have relay replaced. | |
| Motor overheats | 1 Motor overloaded. | 1. Feed work slower into blade. |
| NOLOI OVEINGALS. | 2 Improper cooling. (Air | 2. Clean out sawdust to provide normal air |
| circulation restricted | circulation through motor. | |
| through motor due to | See "Maintenance and Lubrication" section. | |
| inside of saw) | ||
| Canadiana analash in | 1 Burned switch contacts | 1. Have switch replaced and request a voltage check |
| I burned switch contacts | from the power company. | |
| hold-in periods caused | ||
| operate. | hy low line voltage atc.) | |
| 2 Shorted capacitor | 2 Have capacitor tested and replace if defective | |
| (when equipped) | ||
| 3 Loose or broken | 3. Have wiring checked and repaired. | |
| connections | ||
| Motor stalls 1. Starting switch not (resulting in blown operating. | 1. Have switch replaced. | |
| fuses or tripped | 2. Voltage too low to permit |
|
| circuit breakers). | motor to reach operating | |
| speed. | ||
| 3. Fuses or circuit breakers | 3. Install proper size fuses or circuit breakers. | |
| do not have sufficient | - | |
| capacity. | ||
| Frequent opening of | 1. Motor overloaded. | 1. Feed work slower into blade. |
| fuses or circuit | 2. Fuses or circuit breakers | 2. Install proper size fuses or circuit breakers. |
| breakers. | do not have sufficient | |
| capacity. | ||
| 3. Starting switch not | 3. Have switch replaced. | |
| operating (motor does | ||
| not reach speed). | ||
| ſ | ||||||
|---|---|---|---|---|---|---|
|
Key
No. |
Part
No. |
Description |
Key
No. |
Part
No. |
Description | |
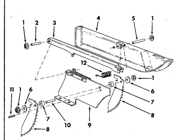
| ~ | 62579 | Guard Assembly (See Fig. 5) | 24 | 62776 | Gauge Assembly, Miter (See Fig. 4) | |
| 2 | STD522506 | *Screw, Hex Hd. 1/4-20 x 5/8 | (Model 113.298240) | |||
| ო | STD 551225 | *Lockwasher, External 1/4 | 25 | STD 511107 | *Screw, Pan Hd. 10-32 x 3/4 | |
| 4 | STD 541025 | *Nut, Hex 1/4-20 | 26 | STD 551210 | *Lockwasher, External No. 10 | |
| വ | STD 523110 | *Screw, Hex 5/16-18 x 1 | 27 | 62689 | Handwheel Assembly | |
| 9 | 62541 | Bar, Fence Rear | 28 | STD 511103 | *Screw, Pan Hd. 10-32 x 3/8 | |
| 2 | STD 551231 | *Lockwasher, External 5/16 | 29 | 60354 | Nut, Speed No. 8 | |
| ∞ | STD 541031 | *Nut, Hex 5/16-18 | 80 | 62701 | Panel, Front | |
| ი | 60388 | Nut, Self-threading | 31 | STD 610805 | *Screw, Pan Hd. Ty ''AB'' No. 8 x 1/2 | |
| 2 | 62703 | Insert Assembly, (Includes Key No. 11 & 12) | 32 | 62702 | Scale, Adjustable Bevel | |
| 11 | 62718 | Clip, Retaining | 33 | 62700 | Base | ····· |
| 12 | STD 501102 | *Screw, Locking Set 10-32 x 3/16 | 34 | 60252 | Guard, Belt | |
| 13 | 133645 | Screw, Flat Hd. 10-32 x 1 | 35 | 60255 | Clip, "S" | |
| 14 | 62748 | Rod, Separation (Includes Key No. 9) | 36 | STD 601105 | *Screw, Pan Hd. Ty ''T'' 10-32 × 1/2 | |
| 15 | 62493 | Insert, Exact-I-Cut | 37 | 60253 | Support, Belt Guard | |
| 16 | 62773 | Fence Assembly, Rip (See Fig. 3) | 38 | 60254 | Bracket, Support | |
| 17 | 62710 | Tape, Fence | 39 | 454896 | *Screw, Hex Hd. 3/8-16 x 1/2 | |
| 18 | 62709 | Bar Assembly, Fence Guide | 40 | STD 551237 | *Lockwasher, External 3/8 | |
| (Includes Key No. 17) | 41 | 71165 | Tie, Wire | |||
| 19 | STD 523107 | *Screw, Hex Hd. 5/16-18 x 3/4 | 42 | STD 541411 | Nut, Lock 10-32 | |
| 20 | STD 551031 | *Washer, 21/64 x 5/8 x 1/16 | 43 | 62618 | +Motor (Model 113.298032) | |
| 21 | 62539 | Spacer, Fence Guide Bar | 43 | 62680 | +Motor (Model 113.298240) | |
| 22 | 60381 | Switch Assembly, Box (See Fig. 6) | 62750 | Bag of Loose Parts (Not Illustrated) | ||
| 23 | STD 523117 | *Screw, Hex, 5/16-18 x 1-3/4 | (includes Bag 62751) | |||
| 24 | 62704 | Gauge Assembly, Miter (See Fig. 4) | 62751 | Bag of Loose Parts (Not Illustrated) | ||
| (Model No. 113.298142 & 113.298032) | 62781 | Owners Manual (Not Illustrated) |
* Standard Hardware Item – May Be Purchased Locally.
NOTE: Shipping and handling charges for standard hardware items (identified by *) such as nuts, screws, washers, etc., make buying these items by mail uneconomical. To avoid shipping and handling charges, you may obtain most of these locally.
+ Stock Item -- May be secured through the hardware department of most Sears Retail Stores or Catalog Order Houses.
5 8 ....................................... PARTS LIST FOR CRAFTSMAN 10 INCH TABLE SAW MODEL NO. 113.298142, 113.298032 & 113.298240 43 $ _____ †
Figure 2
40
PARTS LIST FOR CRAFTSMAN 10 INCH TABLE SAW MODEL NO. 113.298142, 113.298032 & 113.298240 FIGURE 2 PARTS LIST
|
Key
No. |
Part
No. |
Description |
Key
No. |
Part
No. |
Description |
|---|---|---|---|---|---|
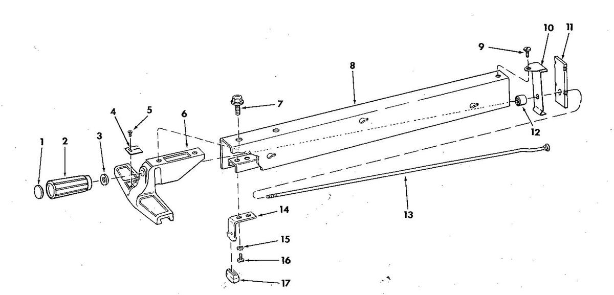
| - | 62587 | Support, Spreader | 34 | STD 302111 | *O-Ring |
| 2 | 60204 | Screw, Thumb 5/16-18 × 1 | 35 | 62697 | Screw, Lift |
| ო | STD 571812 | *Pin, Roll 3/16 × 1-1/4 | 36 | 62699 | Pointer |
| 4 | STD 523106 | *Screw, Hex Hd. 5/16-18 x 5/8 | 37 | STD 601103 | *Screw, Pan Hd. Ty ''T'' 10-32 x 3/8 |
| 5 | STD 523110 | *Screw, Hex Hd. 5/16-18 x 1 | 38 | STD 551210 | *Lockwasher, Externai No. 10 |
| 9 | STD 551231 | * Lockwasher, External 5/16 | 39 | 62489 | Cradle (includes Key No's. 42 and 43) |
| 7 | 62292 | Support, Guard | |||
| ∞ | STD 541031 | *Nut, Hex 5/16-18 | |||
| 0 | STD 532507 | *Bolt, Carriage 5/16-18 x 3/4 | 42 | 62312 | Link |
| 10 | 60206 | *Screw, Hex Ind. Wash. Hd. | 43 | 6527 | Ring, Retaining 3/4 |
| 1/4-20 × 1-1/2 | 44 | STD 328022 | *Pulley, 5/8 Bore (Includes Set Screw) | ||
| 11 | 60205 | Spring | 45 | STD 304410 | *Belt, V 1/2 × 41 |
| 12 | STD 551037 | *Washer, 380 × 47/64 × 3/32 | 46 | 30419 | Housing, Arbor Assembly (Includes Key No's. |
| 13 | 63011 | Washer, Knob Clamp | 44, 47, 49, 50, 51, 52, 53, 54) | ||
| 14 | 62295 | Spacer | 47 | STD 600803 | *Screw, Pan Hd. Ty ''T'' 8-32 × 3/8 |
| 15 | 30426 | Table, Trunnion | |||
| 16 | 62696 | Table, 10 In. Saw | 49 | 3508 | Retainer, Arbor Bearing |
| 17 | 60175 | +Blade, Saw 10 In. | 50 | 37158 | Ring, Retaining 5/8 |
| 18 | 62498 | Collar, Blade | 51 | 3509 | Bearing, Saw Arbor |
| 19 | 6362 | Nut, Arbor | 52 | 30420 | Housing, Arbor |
| 20 | 3540 | Wrench, Arbor | 23 | STD 580025 | *Key, Woodruff |
| 21 | 62437 | Retainer, Bearing | 54 | 6532 | Arbor (Includes Key No's. 31, 50, 53) |
| 22 | 62698 | Screw, Tilt | 55 | 37825 | Support, Motor Base |
| 23 | 37900 | Collar, Stop | 56 | 37824 | Base, Motor |
| 24 | STD 523710 | Screw, Hex Hd. 3/8-16 x 1 | 57 | 37823 | Pin, Hinge |
| 25 | STD 551237 | Lockwasher, External 3/8 | 58 | STD 581037 | Ring, Retaining 3/8 |
| 26 | 37899 | Nut, Tilt | 59 | 37836 | Wrench, Hex L 3/32 |
| 27 | 63054 | Ring, Retaining 3/4 | 60 | 37887 | Wrench, Hex L 1/8 |
| 28 | 37828 | Spring, Clamp Screw | 61 | 37837 | Wrench, Hex L 5/32 |
| 29 | 18 | Handle, Clamp Screw | 62 | 30628 | Screw, Pivot Arm |
| 30 | 37829 | Screw, Clamp | 63 | 6423 | Washer, Spring |
| 31 | STD 581062 | Ring, Retaining 5/8 | 64 | STD 551025 | *Washer, 17/64 × 47/64 × 1/16 |
| 32 | 37838 | Washer .629 × 7/8 × 1/64 | 65 | 62585 | Rod, Spreader |
| 33 | 60178 | Washer, Spring |
+ Stock Item – May be secured through the Hardware Department of most Sears Retail Stores or Catalog Order Houses.
* Standard Hardware Item – May Be Purchased Locally.
41
|
Key
No. |
Part
No. |
Description |
|---|---|---|
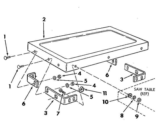
| _ | 62773 | Fence Assembly, Rip |
| 1 | 62693 | Plug, Button |
| 2 | 62692 | Knob (Includes Key No. 1) |
| 3 | STD 551031 | *Washer, 21/64 I.D. |
| 4 | 62775 | Indicator, Fence |
| 5 | 9404336 | *Screw, Pan Hd. Type ''T'' 4-40 x 1/4 |
| 6 | 62774 | Head, Fence Includes Key #4 |
| 7 | 423350 | Screw, Sems 3/8-16 x 1/2 |
| 8 | 62582 | Channel, Fence |
| 9 | STD 600805 | /*Screw, Pan Hd. Type ''T'' 8-32 x 1/2 |
| 10 | 62528 | Spring, Fence Lock |
| 11 | 62529 | Lock, Rear Fence |
| 12 | 62531 | Roller, Rear Fence |
| 13 | 62583 | Rod, Fence Lock |
| 14 | 62533 | Spring, Head Alignment (Includes Key No. 17) |
| 15 | STD 551210 | *Lockwasher, External No. 10 |
| 16 | STD 611005 |
*Screw, Type "A", Hex Ind. Sl. Wash. Hd.
No. 10 x 1/2 |
| 17 | 62532 | Pad, Alignment |
* Standard Hardware Item – May Be Purchased Locally.
|
Key
No. |
Part
No. |
Description |
|---|---|---|
| 62704 . | +Gauge Assembly, Miter | |
| 1 | 62693 | Plug, Button |
| ⊮ 2 | 62692 | Knob, Miter Gauge |
| 2 | 37897 |
(Includes Key No. 1)
Handle, Miter Gauge |
| (Model 113.298240 Only) | ||
| 3 | STD 551031 |
*Washer, Plain,
21/64 x 1 x 1/16 |
| 4 | 37893 | Gauge, Miter |
| 5 | STD 510803 | *Screw, Pan Hd. 8-32 x 5/16 |
| 6 | 135 | Indicator |
| 7 | 37895 | Block, Miter Gauge Indicator |
| 8 | 37896 | Pin, Miter Gauge Stop |
| 9 | 9417295 | *Screw, Pan Hd., |
| 10 | 62230 |
w/Lockwasher, 8-32 x 5/8
Rod Assembly, Miter Gauge, |
| 11 | CTD 541001 | Consisting of Items 11, 12, 13 |
| 11 |
51D 541231
62225 |
Nut, Hex., 5/16-18 |
| 12 | 62220 | |
| 17 | 60298 | Stud, Plvot |
| 15 | 37857 | Bod Support |
| 16 | 62780 | Sorou, Clown Assembly |
| 17 | STD 601102 | Screw, Clamp Assembly |
| 17 | 310 001103 | 10-32 x 3/8 |
| 18 | 60425 | Bushing |
| . 19 | 62779 | Latch, Clamp Lock |
| 20 | 62778 | Lock, Clamp |
| 21 | 62777 | Support, Clamp |
| 22 | 62482 | Knob |
| 23 | 37858 | Screw, Wing 1/4-20 x 1 |
| 24 | 9414920 | Washer, 17/64 x 5/8 x 1/16 |
| 25 | 37841 | Clip |
| 26 | STD 600803 |
*Screw, Pan Hd. Ty "T"
8-32 x 5/16 |
|
Key
No. |
Part
No. |
Description |
|---|---|---|
| 62579 | Guard Assembly, Saw 🎽 | |
| 1 | 60297 | Nut, Push |
| 2 | 62391 | Pin 1/4 x 1-1/2'' |
| 3 | 62395 | Support, Guard |
| 4 | 62389 | Guard, Saw |
| 5 | 62390 | Pin, 1/4 x 1-3/4" |
| 6 | STD 551025 | *Washer, 17/64 x 5/8 x 1/16" |
| 7. | 62520 | Spacer, Pawl |
| 8 | 62396 | Pawl |
| 9 | 62580 | Spreader, Assembly Blade |
| 10 | 62410 | Pin, 1/4 x 1'' |
| 11 | STD 571810 | *Pin, Roll, 3/16 x 15/16'' |
| 12 | 62519 | Spring, Pawl |
* Standard Hardware Item - May Be Purchased Locally
+ Stock Item – May be secured through the Hardware Department of most Sears Retail Stores or Catalog Order Houses.
|
Key
No. |
Part
No. |
Description |
|---|---|---|
| - | 60381 | On/Off Power Outlet Complete |
| 1 | 60375 | Cord, Molded |
| 2 | 60380 | Housing, Switch |
| 3 | 60256 | Key, Switch |
| 4 | 60374 | Switch, Locking |
| 5 | 60377 | Cover, Switch |
| 6 | 448007 | Screw, pn Hd. No. 6 x 3/4 |
• Does Not Include Key No. 3 Order Separately If Required.
|
Key
No. |
Part
No. |
Description |
|---|---|---|
| 1 | 60314 | Screw, Serrated Truss Hd. 1/4-20 x 5/8 |
| 2 | 62552 | Leg |
| 3 | 62554 | Stiffener, Side |
| 4 | STD 551225 | *Lockwasher, Ext. 1/4 |
| 5 | STD 541025 | *Nut, Hex 1/4-20 |
| 6 | 62553 | Stiffener, End |
| 7 | STD 541250 | *Nut, Hex 1/2-13 |
| 8 | 803835 | Foot, Leveling |
| HARD | WARE FOR A | ATTACHING LEGS TO SAW. |
| 9 | | STD 523112 | *Screw, Hex Hd. 5/16-18 x 1-1/4 |
| 10 | STD 551031 | Washer, 11/32 I.D. |
| 11 | STD 551131 | *Lockwasher, Ext. 5/16 |
| 12 | STD 541031 | *Nut, Hex 5/16-18 |
| 62752 | Bag of Loose Parts For Legs (not illust.) | |
| 4 |
(0)
|
Key
No. |
Part
No. |
Description |
|---|---|---|
|
_
1 |
62589
60323 |
tExtension Assembly, Complete
Screw, Serrated Truss Hd |
| • | 00020 | 1/4-20 x 1" |
| 2 | 62590 | Extension |
| 3 | 62549 | Bracket, Corner Support |
| 4 | STD 541025 | *Nut, Hex 1/4-20 |
| 5 | STD 551225 | *Lockwasher, Ext. 1/4 |
| 6 | 62550 | Bracket, Corner Stiffener |
| 7 | STD 523112 | *Screw, Hex Hd. 5/16-18 x 1-1/4 |
| 8 | STD 551131 | *Lockwasher, Ext. 5/16 |
| 9 | STD 541031 | *Nut, Hex 5/6-18 |
| 62745 | Bag of Loose Parts (not illustrated) | |
| 10 | STD 551031 | *Flat Washer, 11/32 I.D. |
| 11 | STD 551025 | *Flat Washer, 17/64 I.D. |














































Loading...