FILE NO. G-0909
*FXC-503LD only
PRODUCT CODE No. 147 826 01 (FXC-503LD) 147 826 03 (FXR-403LD)
| CASSETTE DECK SI | ECTION | |
|---|---|---|
| Wow & Flutter (WTD I | RMS) | 0.25% |
| Frequency Response | 40-15000Hz | |
| Crosstalk | 40dB | |
| Signal to Noise Ratio | (NORMAL) | 50dB |
| (METAL) | 52dB | |
| N | ||
| Usable Sensitivity | 40dB | |
| Signal to Noise Ratio | 40dB | |
| MW TUNER SECTIO | N | |
| Usable Sensitivity | 35dB | |
| Signal to Noise Ratio | 45dB | |
| Usable Sensitivity | .18dBµV |
|---|---|
| Signal to Noise Ratio | .50dB |
| Stereo Separation | .20dB |
| GENERAL | |
| Operation Voltage | .13.2V |
| Dimensions | .188 x 155 x 58 (mm) |
| Weight | 1.9kg |
Specifications are subject to change without notice
REFERENCE No. SM800010
* Location of components for alignment are shown in ADJUSTMENT LOCATION.
V.V.(TT)
OSCILOSCOPE
1. Set Up Diagram
- 0-
DC POWER SUPPLY
Fia. 1
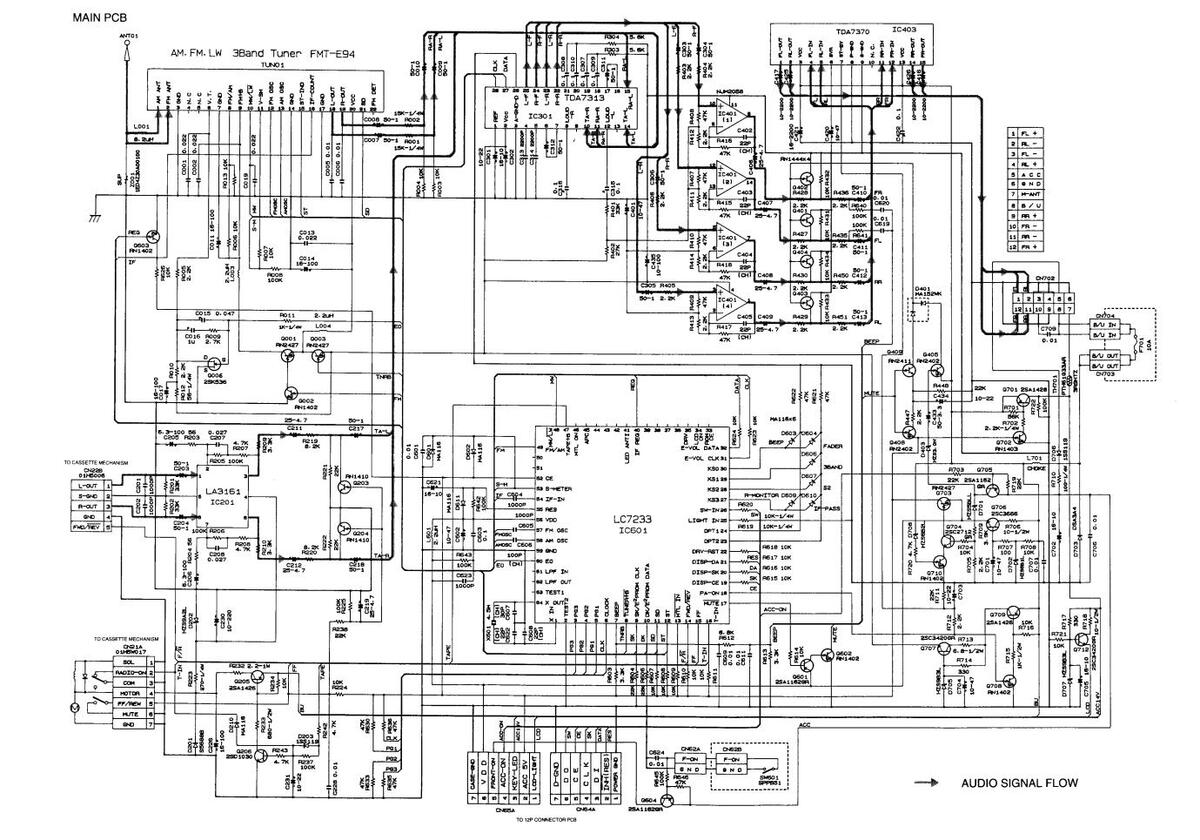
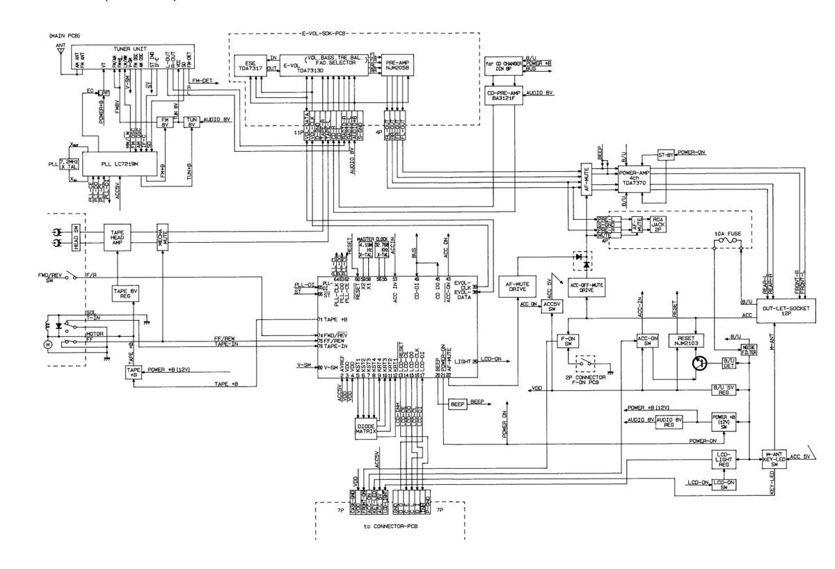
BLOCK DIAGRAM (FXC-503LD 1/2)
Downloaded from www.Manualslib.com manuals search engine
Downloaded from www.Manualslib.com manuals search engine
| Ref. No. PA | RT No. | DESCRIPTION | Q'ty | Ref. No. | PART No. | DESCRIPTION | Q'ty |
|---|---|---|---|---|---|---|---|
| AC | CESSORIES | ⊢ 23 | 644 005 5037 | SHEET,LAMP | 1 | ||
|
412
644 644 644 |
051 2900
005 6669 005 2906 001 1286 003 4797 |
SPECIAL SCREW (Mounting Screw)
ASSY,CARRYING CASE BEZEL REMOVER CAP,REAR (Mounting Grommet) CRADI E (Mounting Bracket) |
1
1 2 1 |
- 24
- 25 - 48 - 82 - 90 |
644 003 2861
644 003 2878 644 003 2090 411 025 9501 411 020 3603 |
SPRING,COMP,FF/REW
SPRING,COMP,DETACH MOUNT-M SCR S-TPG PAN 2X8 SCR PAN PCS 2X4 |
3
1 2 1 2 |
|
644
644 |
005 2814
005 8472 |
40
41 42 43 |
644 003 9105
644 003 4742 644 003 2809 644 003 4827 |
COVER,CAUTION LABEL 12P
LID,CASSETTE PANEL,TOP BUTTON.FF/REW MECHA |
1 1 2 | ||
| I 644 -2 644 -3 644 -4 644 -5 644 -6 644 -7 644 -9 644 -11 644 -11 644 -12 644 -13 644 -14 -14 -15 644 -16 644 -17 644 -18 644 -14 644 -15 644 -16 644 -17 644 -18 644 |
006 1632
003 2724 003 9129 003 9402 003 2533 003 2557 003 2564 003 2565 003 2663 003 2663 003 2663 003 2663 003 2748 003 2748 003 2748 003 2762 003 2762 |
ASSY CASE BEZEL
GOVER SECUTCHEON COVER CAUTION L 12P ESCUTCHEON BUTTON ESE BUTTON DETACH BUTTON CD BUTTON CD BUTTON CD BUTTON SEL BUTTON SEL BUTTON SEL BUTTON SEL BUTTON PECA BUTTON PECA BUTTON PECA BUTTON PECA BUTTON PECA BUTTON PECA BUTTON PECA BUTTON PECA BUTTON PECA BUTTON PECA BUTTON PECA BUTTON PECA BUTTON PECA BUTTON PECA BUTTON PECA BUTTON PECA BUTTON PECA BUTTON PECA BUTTON PECA BUTTON PECA BUTTON PECA BUTTON PECA BUTTON PECA BUTTON PECA BUTTON PECA BUTTON PECA BUTTON PECA BUTTON PECA BUTTON PECA BUTTON PECA BUTTON PECA BUTTON PECA BUTTON PECA BUTTON PECA BUTTON PECA BUTTON PECA BUTTON PECA BUTTON PECA BUTTON PECA BUTTON PECA BUTTON PECA BUTTON PECA BUTTON PECA BUTTON PECA BUTTON PECA BUTTON PECA BUTTON PECA BUTTON PECA BUTTON PECA BUTTON PECA BUTTON PECA BUTTON PECA BUTTON PECA BUTTON PECA BUTTON PECA BUTTON PECA BUTTON PECA BUTTON PECA BUTTON PECA BUTTON PECA BUTTON PECA BUTTON PECA BUTTON PECA BUTTON PECA BUTTON PECA BUTTON PECA BUTTON PECA BUTTON PECA BUTTON PECA BUTTON PECA BUTTON PECA BUTTON PECA BUTTON PECA BUTTON PECA BUTTON PECA BUTTON PECA BUTTON PECA BUTTON PECA BUTTON PECA BUTTON PECA BUTTON PECA BUTTON PECA BUTTON PECA BUTTON PECA BUTTON PECA BUTTON PECA BUTTON PECA BUTTON PECA BUTTON PECA BUTTON PECA BUTTON PECA BUTTON PECA BUTTON PECA BUTTON PECA BUTTON PECA BUTTON PECA BUTTON PECA BUTTON PECA BUTTON PECA BUTTON PECA BUTTON PECA BUTTON PECA BUTTON PECA BUTTON PECA BUTTON PECA BUTTON PECA BUTTON PECA BUTTON PECA BUTTON PECA BUTTON PECA BUTTON PECA BUTTON PECA BUTTON PECA BUTTON PECA BUTTON PECA BUTTON PECA BUTTON PECA BUTTON PECA BUTTON PECA BUTTON PECA BUTTON PECA BUTTON PECA BUTTON PECA BUTTON PECA BUTTON PECA BUTTON PECA BUTTON PECA BUTTON PECA BUTTON PECA BUTTON PECA BUTTON PECA BUTTON PECA BUTTON PECA BUTTON PECA BUTTON PECA BUTTON PECA BUTTON PECA BUTTON PECA BUTTON PECA BUTTON PECA BUTTON PECA BUTTON PECA BUTTON PECA BUTTON PECA BUTTON PECA BUTTON PECA BUTTON PECA BUTTON PECA BUTTON PECA BUTTON PECA BUTTON PECA BUTTON PECA BUTTON PECA BUTTON PECA BUTTON PECA BUTTON PECA BUTTON PECA |
1
1 1 1 1 1 1 1 1 1 1 1 1 1 1 1 1 1 1 |
44
45 46 47 51 52 53 53 54 80 81 83 84 83 84 85 86 87 88 88 88 88 88 88 88 88 88 88 88 88 |
644 003 4834
644 005 8663 644 006 8863 644 003 2836 644 003 2786 644 003 2786 644 003 2856 644 003 2856 644 003 2502 411 028 9200 411 028 5096 411 028 5096 411 028 5096 411 028 5096 411 023 9800 411 041 3309 411 041 3309 |
BUTTON,EJECT MECHA
HOOK,DETACH CHASSIS ASSY BRACKET-M.DECK BASE,ESCUTCHEON HEAT SINK SPRING,PLATE,HOOK DETACH SPRING,PLATE ELASE SPRING,PLATE ELASE SPRING,PLATE ELASE SCR STOR FAND XAS SCR STOR FAND XAS SCR STOR FAND X SCR STOR FAND X SCR STOR FAND X SCR STOR FAND X SCR STOR FAND X SCR STOR FAND X SCR STOR FAND X SCR STOR FAND X SCR STOR FAND X SCR STOR FAND X SCR STOR FAND X SCR STOR FAND X SCR STOR FAND X SCR STOR FAND X SCR STOR FAND X SCR STOR FAND X SCR STOR FAND X SCR STOR FAND X SCR STOR FAND X SCR STOR FAND X SCR STOR FAND X SCR STOR FAND X SCR STOR FAND X SCR STOR FAND X SCR STOR FAND X SCR STOR FAND X SCR STOR FAND X SCR STOR FAND X SCR STOR FAND X SCR STOR FAND X SCR STOR FAND X SCR STOR FAND X SCR STOR FAND X SCR STOR FAND X SCR STOR FAND X SCR STOR FAND X SCR STOR FAND X SCR STOR FAND X SCR STOR FAND X SCR STOR FAND X SCR STOR FAND X SCR STOR FAND X SCR STOR FAND X SCR STOR FAND X SCR STOR FAND X SCR STOR FAND X SCR STOR FAND X SCR STOR FAND X SCR STOR FAND X SCR STOR FAND X SCR STOR FAND X SCR STOR FAND X SCR STOR FAND X SCR STOR FAND X SCR STOR FAND X SCR STOR FAND X SCR STOR FAND X SCR STOR FAND X SCR STOR FAND X SCR STOR FAND X SCR STOR FAND X SCR STOR FAND X SCR STOR FAND X SCR STOR FAND X SCR STOR FAND X SCR STOR FAND X SCR STOR FAND X SCR STOR FAND X SCR STOR FAND X SCR STOR FAND X SCR STOR FAND X SCR STOR FAND X SCR STOR FAND X SCR STOR FAND X SCR STOR FAND X SCR STOR FAND X SCR STOR FAND X SCR STOR FAND X SCR STOR FAND X SCR STOR FAND X SCR STOR FAND X SCR STOR FAND X SCR STOR FAND X SCR STOR FAND X SCR STOR FAND X SCR STOR FAND X SCR STOR FAND X SCR STOR FAND X SCR STOR FAND X SCR STOR FAND X SCR STOR FAND X SCR STOR FAND X SCR STOR FAND X SCR STOR FAND X SCR STOR FAND X SCR STOR FAND X SCR STOR FAND X SCR STOR FAND X SCR STOR FAND X SCR STOR FAND X SCR STOR FAND X SCR STOR FAND X SCR STOR FAND X SCR STOR FAND X SCR STOR FAND X SCR STOR FAND X SCR STOR FAND X SCR STOR FAND X SCR STOR FAND X SCR STOR FAND X SCR STOR FAND X SCR STOR FAND X SCR STOR FAND X SCR STOR FAND X SCR STOR FAND X SCR |
1
1 1 1 1 1 1 1 1 1 2 1 4 2 3 4 1 6 1 4 1 |
OTES: 1. Part orders must contain Model Number, Part Number and Description 2. Ordering quantity of screws and resistors must be multiple of 10 peop
- 9 -
| Ref. | No. | PART No. | DESCRIPTION | Q'ty | Ref. No. | PART No. | DESCRIPTION | Q |
|---|---|---|---|---|---|---|---|---|
| A | CESSORIES | ⊢ 23 | 644 005 5037 | SHEET.LAMP | ||||
| - | 440.054.0000 | - 24 | 644 003 2861 | SPRING,COMP,FF/REW | ||||
| 412 051 2900 | SPECIAL SCREW (Mounting Screw) | - 25 | 644 003 2878 | SPRING,COMP.DETACH | · · | |||
| 644 005 6669 | ASSY,CARRYING CASE BEZEL | - 48 | 644 003 2090 | MOUNT-M | | 1 | |||
| 644 005 2906 | REMOVER | 2 | - 82 | 411 025 9501 | SCR S-TPG PAN 2X8 | 1 | ||
| 644 001 1286 | CAP, HEAR (Mounting Grommet) | L 90 | 411 020 3603 | SCR PAN PCS 2X4 | 2 | |||
| 644 003 4797 | CHADLE (Mounting Bracket) | 40 | 644 003 9105 | COVER, CAUTION LABEL 12P | | · | |||
| 644 005 2814 | WIREASSY, IZP (USA, EUR) | 41 | 644 003 4704 | LID,CASSETTE | | · | |||
| 644 005 84/2 | INSTRUCTION MANUAL | 42 | 644 003 2809 | PANEL, TOP | 1 . | |||
| CABI | NET & CHASSIS | 43 | 644 003 4827 | BUTTON, FF/REW MECHA | 12 | |||
| 044.000 4040 | ACCV CACE DEZEL | 44 | 644 003 4834 | BUTTON, EJECT MECHA | 1 | |||
| 2 | 644 000 1049 | COVER ESCUTCHEON | 45 | 644 005 8663 | HOOK, DETACH | 1 | ||
| 2 | 644 003 2724 | COVER,ESCUTCHEON | 46 | 644 006 4862 | CHASSIS | 1 | ||
| Γ. | 044 003 9129 | COVER,CAUTION L 12P | 47 | 644 003 2632 | BRACKET-M, DECK | 1 | ||
| C# | 644 004 7551 | BUTTONLOUD | 49 | 644 003 2786 | BASE, ESCUTCHEON | 1 1 | ||
| 5 | 644 003 4050 | BUTTON DETACH | 51 | 644 003 2823 | HEAT SINK | 1 | ||
| E: | 644 003 2557 | BUTTON VOI | 52 | 644 005 8656 | SPRING, PLATE, HOOK DETACH | | 1 | ||
| Lå | 644 003 2393 | BADOE | 53 | 644 003 2212 | SPRING, PLATE, BASE | 1 | ||
| E 10 | 644 000 0338 | BUTTON SEL | 54 | 644 005 6768 | SPRING, PLATE CLIP | 2 | ||
| E | 644 003 2018 | BUITTON TUNE/SEEK | 55 | 644 003 2502 | SPRING, WIRE, LID CASSETTE | | 1 | ||
| Lia | 644 003 2025 | BUTTON B SCANLO/DY AS/C | 80 | 411 028 9201 | SCR S-TPG PAN 3X4 | 4 | ||
| E 12 | 644 003 2030 | BUTTON OFFICI OCK | 81 | 411 002 5007 | SCR PAN 2X6 | 2 | ||
| Eia | 644 003 2003 | BUTTON CE | 83 | 411 028 6200 | SCR S-TPG PAN 2.6X6 | 3 | ||
| E 14 | 644 003 2731 | BUITTON DESET | 84 | 411 028 6606 | SCR S-TPG PAN 2.6X8 | 4 | ||
| E 15 | 644 003 2748 | BUTTON REW | 85 | 411 028 5609 | SCR S-TPG PAN 2.6X4 | | 1 | ||
| L 10 | 644 003 2755 | BUTTON FIERT | 86 | 411 028 5906 | SCR S-TPG PAN 2.6X5 | | e | ||
| E 10 | 644 003 2762 | BUTTON BAND | 87 | 411 023 9800 | SCR S-TPG PAN 3X8 | | 1 | ||
| E 10 | 644 005 5792 | BUTTON TARE | 88 | 411 041 3309 | SCR PAN 3X3 | 4 | ||
| Lia | 044 005 5785 | DEFICITOR | 89 | 411 025 9204 | SCR S-TPG PAN 2X6 | 1 | ||
| E 21 | 044 003 2519 | DEFLECTOR LID | 110 | 644 005 7604 | ASSY, BRACKET-M | 1 | ||
| - 22 | 044 003 383/ | | HEFLEUI UN,LIU |
VTES: 1. Part orders must contain Model Number, Part Number and Description 2. Ordering quantity of screws and resistors must be multiple of 10 pcs.
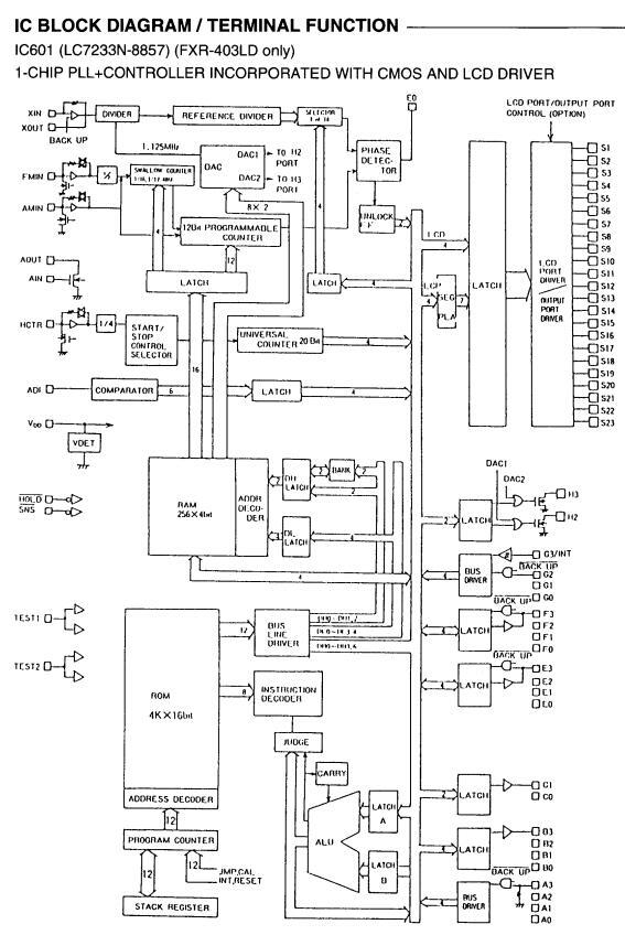
|
FXC-5
4-BIT |
03LD
SINGI |
IC601(µPD
_E-CHIP MI |
75517GF-2
CROPROC |
78-3B9)
ESSOR |
NOTE I: Input O: Output | |||||
|---|---|---|---|---|---|---|---|---|---|---|
|
Pin
No. |
1/0 |
Signal
Name |
Terminal
Name |
Function |
Pin
No. |
i/O |
Signal
Name |
Terminal
Name |
Function | |
| 1 | Т | AN0 | NC | 1 | 41 | Т | P30 | NC | ||
| 2 | 1 | AV Ref | AVREF | AD converter reference input | 42 | 1 | P23/BUZ | NC | ||
| 3 | - | VDD | VDD |
voltage
+5V |
43 | 0 | ACC-ON | P22/PCL |
Power ON/OFF output.
L: Power on |
|
| 4 | - | | VDD | VDD | +5V | 44 | 0 | P21 | NC | ||
| 5 | 0 | KST1 | P113 | Option setting (key matrix) | 45 | 0 | CD-DO | P20/PTO0 | Data output for CD changer | |
| 6 | 0 | KST2 | P112 | Option setting (key matrix) | 46 | 1 | P13/TIO | NC | ||
| 7 | 0 | KST3 | P111 | Option setting (key matrix) | 47 | 1 | _ | P12/INT2 | NC | |
| 8 | 0 | KST4 | P110 | Option setting (key matrix) | 48 | 1 | _ | P11/INT1 | NC | |
| 9 | 1 | KRT3 | P103 | Option setting (key matrix) | 49 | CD-DI | P10/INT0 | Data input for CD changer | ||
| 10 | 1 | KRT2 | P102 | Option setting (key matrix) | 50 | 1 | P03/SI0/SB1 | NC | ||
| 11 | 1 | KRT1 | P101 | Option setting (key matrix) | 51 | 1 | P02/SO0/SB0 | NC | ||
| 12 | 1 | KRTO | P100 | Option setting (key matrix) | 52 | 1 | - | P01/SCK0 | NC | |
| 13 | 0 | LCD-RESET | P93 | Control signal for LCD driver IC | 53 | Т | ACC IN | P00/INT4 | POWER SW ON/OFF input. | |
| 14 | 0 | LCD-CE | P92 | Control signal for LCD driver IC | = 4 | VCC | VCC | H: POWER SW ON. | ||
| 15 | 0 | LCD-DO | P91 | Control signal for LCD driver IC | 54 | - | V 00 | V SS | ||
| 16 | 0 | LCD-CLK | P90 | Control signal for LCD driver IC | 55 | XII | XII | Crystal oscillator input for clock | ||
| 17 | 1 | LCD-DI | SI1/P83 | Control signal for LCD driver IC | 50 | 10 | Crystal oscillator output for clock | |||
| 18 | 1 | SO1/P82 | NC | 57 | 1. | Control and line in the line of the line o | ||||
| 19 | - | | SCK1/P81 | NC | 58 |
X1
X0 |
Crystal oscillator input | ||||
| 20 | 0 | BEEP | PP0/P80 | Beep output | 59 | X2 | Crystal oscillator output | |||
| 21 | 0 | POWER-ON | KR7/P73 |
Power amplifier IC ST-BY ON/OFF.
H: ON |
60
61 |
RESET | P143 | Microprocessor reset input | ||
| 22 | 0 | AF-MUTE | KB6/P72 | AF-MUTE ON/OFF. L: MUTE | 62 | 0 | PLL-CE | P142 | Control signal for PLL-IC | |
| 23 | 0 | KB5/P71 | NC . | 63 | 0 | PLL-DO | P141 | Control signal for PLL-IC | ||
| 24 | KB4/P70 | NC | 64 | 0 | PLL-CLK | P140 | Control signal for PLL-IC | |||
| 25 | 0 | _ | KB3/P63 | NG | 65 | - | PLL-DI | P133 | Control signal for PLL-IC | |
| 26 | 0 | LIGHT | KB2/P62 | LCD backlight ON/OFF | 66 | ST | P132 | Stereo input H: Stereo | ||
| H: ON | 67 | 0 | P131 | NC | ||||||
| 27 | 1 | — | KR1/P61 | NC | 68 | 0 | P130 | NG | ||
| 28 | ο | — | KR0/P60 | NC | 69 | 0 | P123 | NC | ||
| 29 | Т | — | P53 | NC | 70 | 0 | P122 | NC | ||
| 30 | 1 |
P52
P51 |
NC | ĺ | 71 | 0 | TAPE+B | P121 | Tape system circuit power ON/OFF. | |
| 32 | P50 | NC | 72 | P120 | NC | |||||
| 33 | - | VSS | VSS | GND | 73 | AV-GND | AVSS | Analog GND | ||
| 34 | P43 | NC | 74 | EWD/REV | AN7/P153 | Judges play direction of tape | ||||
| 35 | i | P42 | NG | - Homer | 100 | H: FWD | ||||
| 36 | 1 | — | P41 | NC | 75 | 1 | FF/REW | AN6/P152 | Judges FF/REW of tape. | |
| 37 | 1 | — | P40 | NC | 76 | TAPE-IN | AN5/P151 | H: Tape inserted | ||
| 38 | 0 | EVOL-DATA | P33 |
Control signal for electrical volume
(IC301), and ESE equalizer (IC302) |
77 | 1 | AN4/P150 | NC | ||
| 39 | 0 | EVOL-CLK | P32 | Control signal for electrical volume | 78 | 1 | AN3 | NC | ||
| 1 | (IC301), and ESE equalizer (IC302) | 79 | 1 | AN2 | NC | |||||
| 40 | Т | P31 | NC | 80 | Т | V-SM | AN1 |
Judges intensity of radio reception
signal. |
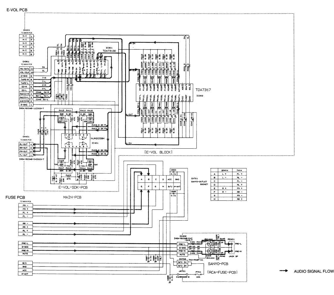
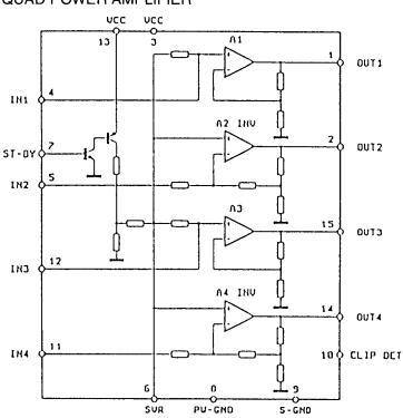
FXC-503LD IC402/FXR-403LD IC403 (TDA7370)
IC302 (TDA7317) (FXC-503LD only)
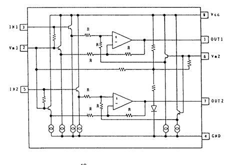
FXC-503LD/FXR-403LD IC201 (LA3161) 2-CHANNEL PREAMPLIFIER
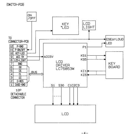
1/3 DUTY LCD DRIVER WITH KEY INPUT
IC701 (NJM-2103M-TE3) (FXC-503LD only SYSTEM RESET IC
IC801 (BA3121F-T1) (FXC-503LD only) GROUND ISOLATION AMPLIFIER
| PIN | SY | MBOL | FUNCTIONAL EXPLANATION | PIN | SYN | MBOL | FUNCTIONAL EXPLANATION |
|---|---|---|---|---|---|---|---|
| NO. | IN | OUT | NO. | IN | OUT | 1 | |
| 1 | IN | NC | 33 | S-29 | SEGMENT SIGNAL 29 OUTPUT for LCE | ||
| 2 | NC | 34 | S-30 | SEGMENT SIGNAL 30 OUTPUT for LCE | |||
| 3 | NC | 35 | NC | ||||
| 4 | 36 | NC | |||||
| 5 | S-1 | SEGMENT SIGNAL 1 OUTPUT for LCD | 37 | NC | |||
| 6 | S-2 | SEGMENT SIGNAL 2 OUTPUT for LCD | 38 | NC | |||
| 7 | S-3 | SEGMENT SIGNAL 3 OUTPUT for LCD | 39 | NC | |||
| 8 | S-4 | SEGMENT SIGNAL 4 OUTPUT for LCD | 40 | NC | |||
| 9 | S-5 | SEGMENT SIGNAL 5 OUTPUT for LCD | 41 | C-3 | COMMON SIGNAL 3 output for LCD | ||
| 10 | S-6 | SEGMENT SIGNAL 6 OUTPUT for LCD | 42 | C-2 | COMMON SIGNAL 2 output for LCD | ||
| 11 | S-7 | SEGMENT SIGNAL 7 OUTPUT for LCD | 43 | C-1 | COMMON SIGNAL 1 output for LCD | ||
| 12 | S-8 | SEGMENT SIGNAL 8 OUTPUT for LCD | 44 | KS1 | KEY SCAN 1 output | ||
| 13 | S-9 | SEGMENT SIGNAL 9 OUTPUT for LCD | 45 | KS2 | KEY SCAN 2 output | ||
| 14 | S-10 | SEGMENT SIGNAL 10 OUTPUT for LCD | 46 | KS3 | |||
| 15 | S-11 | SEGMENT SIGNAL 11 OUTPUT for LCD | 47 | KS4 | |||
| 16 | S-12 | SEGMENT SIGNAL 12 OUTPUT for LCD | 48 | KS5 | |||
| 17 | S-13 | SEGMENT SIGNAL 13 OUTPUT for LCD | 49 | NC | |||
| 18 | S-14 | SEGMENT SIGNAL 14 OUTPUT for LCD | 50 | KI1 | KEY SCAN 1 input | ||
| 19 | S-15 | SEGMENT SIGNAL 15 OUTPUT for LCD | 51 | KI2 | KEY SCAN 2 input | ||
| 20 | S-16 | SEGMENT SIGNAL 16 OUTPUT for LCD | 52 | KI3 | KEY SCAN 3 input | ||
| 21 | S-17 | SEGMENT SIGNAL 17 OUTPUT for LCD | 53 | KI4 | KEY SCAN 4 input | ||
| 22 | S-18 | SEGMENT SIGNAL 18 OUTPUT for LCD | 54 | KI5 | KEY SCAN 5 input | ||
| 23 | S-19 | SEGMENT SIGNAL 19 OUTPUT for LCD | 55 | RES | Reset input | ||
| 24 | S-20 | SEGMENT SIGNAL 20 OUTPUT for LCD | 56 | V | DD | ||
| 25 | S-21 | SEGMENT SIGNAL 21 OUTPUT for LCD | 57 | VC | D1 | ||
| 26 | S-22 | SEGMENT SIGNAL 22 OUTPUT for LCD | 58 | VC | D2 | ||
| 27 | S-23 | SEGMENT SIGNAL 23 OUTPUT for LCD | 59 | V | ss | ||
| 28 | S-24 | SEGMENT SIGNAL 24 OUTPUT for LCD | 60 | OSC | OSC input | ||
| 29 | S-25 | SEGMENT SIGNAL 25 OUTPUT for LCD | 61 | DO | Data output | ||
| 30 | S-26 | SEGMENT SIGNAL 26 OUTPUT for LCD | 62 | CE | Chip enable | ||
| 31 | S-27 | SEGMENT SIGNAL 27 OUTPUT for LCD | 63 | CL | Clock | ||
| 32 | 5.28 | SEGMENT SIGNAL 28 OUTPUT for LCD | 64 | DI | Data input |
- 21 -
- 23 -
- 25
- 27 -
- 28 -
- 29 -
| IC PIN | 1 | 2 - | ~ 4 | 5 | 6 | 7 | 8 | 9 | 10 | 1 | 1 | 12 | 1 | 3 | 14 | 15 | 16 | ) (V | ||
|---|---|---|---|---|---|---|---|---|---|---|---|---|---|---|---|---|---|---|---|---|
| IC002 | 2.4 |
5
(I |
.0
H) 0 |
5.0
(H) 0 |
0 | 0 |
5.0
(H) 0 |
0.7 | 0 |
5
(F |
i.0
M) 0 |
(F |
0
FM) 3.6 |
(FM, |
.2
LW) .6 |
(RA
8 |
).3
IDIO) 8.7 |
0 | 0 | |
| ( | Ĺ) | (L) | (L) | (MW | (, LW) | (MW | /, LW) | (M | W) | (CD, | TAPE | |||||||||
| 17 | 1 | 8 | 1 | 9 | 20 | 2 | 21 | 22 | 23 | 24 | ||||||||||
| 0.5 |
(F
2 (MW |
M)
.6 , LW) |
(F
(MW |
.0
M) ) , LW) |
5.0 |
1.01-
(SE |
~1.33
EK) |
0 | 0 | 2.4 | ||||||||||
| C201: T | APE F | IEAD | AMPL | IFIER | IC3 | 01: E | LECT | OLUM | E | |||||||||||
| 1 | 2 | 3 | 4 | 5 | 6 | 7 | 8 | ic | PIN | 1 | 2 | З | 4 ~ | 25 | 26 | 27 | 28 | |||
| IC201 | 1.3 | 0.8 | 2.9 | 8.2 | 1.3 | 2.9 | 0.8 | 1.3 | IC | 301 | 4.3 | 8.7 | 0 | 4.3 | 3 | 0 | 5.0 | 5.0 | ||
| C401: P | RE-AI | IER | 4 | - | 10 | 10 | 10 | 14 | 1 | |||||||||||
| 1 | 2 | 3 | 4 | 5 | ~ 10 | 11 | 12 | 13 | 14 | |||||||||||
| C401 |
4.6
OWEI |
4.0
R AME |
4.8
PLIEIE |
0.0
R |
4 | .0 | 4.0 | 4.0 | 4.0 | |||||||||||
| 1 | 2 | 3 | 4 | 5 | 6 | 7 | 8 | 9 | 10 | 11 | 12 | 13 | 14 | 15 | ] | |||||
| IC402 | 6.5 | 6.5 | 13.1 | 0.6 | 0.6 | 0.6 | 4.5 | 0 | 0 | 0 | 0.6 | 0.6 | 13.1 | 6.5 | 6.5 | 1 | ||||
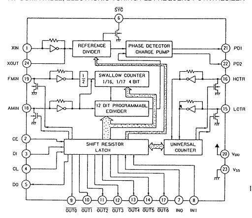
| C601: M | ICRO | PRO | ESS | DR | ||||||||||||||||
| 1 | 2 | 3 | 4 | 5 ^ | ~ 12 | 13 | 14 ~ | ~ 16 | 1 | 7 | 18 | 19 | 2 | :0 | 21 | 1 | 22 | 23 | 24 | |
| IC601 | 0 | 5.0 | 5.0 | 5.0 | D | 5.0 |
()
(DA |
)
3 .5 .TA) |
0V j
whil |
.0
oulse e key ration |
0 | 0 |
(
2 (BE |
0
& .0 EP) |
5.0 | (MUT |
0
E ON) .0 E OFF) |
5.0 | 0 | |
| 25 | 26 | 27 - | ~ 30 | з | 1 | 32 - | ~ 37 | з | 8 | з | 19 | 40 | 41 | 42 | 43 | 44 | 45 | 46 | 47 | |
| 0 | 5.0 | ( | D |
4
(META) |
.7
L TAPE) D |
0 | 5 | 0 | 0 | 0 | 0 | 0 | 5.0 | 0 |
H: 5
L: 0 |
0 | ο | |||
| 40 | 40 | 50 | E 1 | (NURMA | E IAPE) | 54 | 66 | E7 | 60 | E0 | 60 | 61 | 62 | 62 | 64 | 65 | - | |||
| 0 |
43
3.7 (H) 0.6 |
0 | 0 | 0 | 5.0 | 0 | 1.9 | 1.9 | 0 | 2.4 | 2.5 | 5.0 | 0 | 02 | 0 | 0 | 5.0 | (STE |
.8
REO |
|
| 67 | (L) | 70 | _ | 70 | 70 | 7 | - | 77 | 70 | 70 | - | |||||||||
| 67 | 68 | 69 | 70 | 2 | 2 | 12 | /3 | 5 | 4 | 0 | 5 | 0 | - // | 10 | /3 | c | ||||
| 0 | 0 | 0 | 0 |
(TÂ
(RAD) |
.PE)
0 0, CD) |
0 | 0 |
(TAPE
(TAPE |
FWD)
FWD) REV) |
(PL
3 (FF, |
AY)
7 REW) |
(TAP |
E IN)
OUT) |
5.0 | 0 | 2.0 |
1.4-
(SE |
~4.6
EK) |
||
| C701: A | CC V | OLTA | GE DE | TECT | ION | 1 | ||||||||||||||
| IC PIN | 1 | 2 | : | 3 | 4 | 5 | 6 | 7 | 8 | |||||||||||
| IC701 | 1.5 | 2.9 |
(ACC
7 (ACC |
0
0 ON) .0 OFF) |
0 | 5.0 | 2.0 | 5.0 | 5.0 | |||||||||||
| C801: C | D PR | E-AM | R | J | ||||||||||||||||
| 1 | 2 | 3 | 4 | 5 | 6 | 7 | 8 | |||||||||||||
| IC801 | 4.7 | 4.7 | 4.7 | 0 | 4.7 | 4.7 | 4.7 | 8.6 | ||||||||||||
| C901: L0 | CD DF | RIVEF | 1 | 5 | 40 | 10 | 50 | 50 | 67 | 50 | 50 | 61 | ~ · | |||||||
| 10 | 1 | 2 | 3 | 4 | 5 | ~ 43 | 44 - | ~ 48 | 49 | 50 - | ~ 54 | 55 | 56 | 5/ | 58 | 59 | • | 10 | 61 - | ~ 64 |
| IC901 | 4.8 | 0 | 0 | 0 | 2 | .5 | 0 |
0
& .5 Ise) |
5.0 |
Key Sw
0 & 5.0 Norr |
itch ON:
) (pulse) nal: O |
5.0 | 5.0 | 3.3 | 1.7 | 0 |
- TOus
Ma |
5
(DA |
0
8. .0 .TA) |
| (V) | |||||||||
|---|---|---|---|---|---|---|---|---|---|
| Q001 | Q003 | Q203, Q204 | Q205 | Q206 | Q401,Q402,Q403,Q404 | Q405 | Q408 | Q409 | |
| В |
0.4
(FM) 8.4 (MW) |
0.3
(RADIO) 8.5 (TAPE, CD) |
0
(NORMAL) 0.9 (FF/REW) |
12.2 |
2.0
(TAPE) 0 (RADIO, CD) |
0 (NORMAL)
1.1 (MUTE) 12.2 (ACC OFF, One Pulse) |
13.0
(One Pulse) |
5.0
(NORMAL) 0 (MUTE) |
5.0
(NORMAL) 0 (MUTE) |
| с |
8.3
(FM) 0 (MW) |
8.4
(RADIO) 0 (TAPE, CD) |
12.9 |
0.1
(TAPE) |
0 |
12.5
(ACC OFF, One Pulse) |
0
(NORMAL) 5.0 (MUTE) |
0
(NORMAL) 1.8 (MUTE) |
|
| E | 8.4 |
8.5
(RADIO) 0 (TAPE, CD) |
0 | 12.9 | 0 | . — | 13.1 | 5.0 |
0
(NORMAL) 1.9 (MUTE) |
| Q601 | Q602 | Q680 | Q701 | Q702 | Q703 | Q704 | Q705 | Q706 | Q707 | Q708 | |
|---|---|---|---|---|---|---|---|---|---|---|---|
| в | 1.2 |
5.0
(H) 0 (L) |
4.4
(POWER ON) 0 (POWER OFF) |
12.3 | 5.0 | 0 | 4.3 | 4.4 | 5.7 | 9.1 | 4.9 |
| с | 5.0 |
0
(POWER ON) 4.8 (POWER OFF) |
13.1 | 3.0 | 5.0 | 5.0 | 5.0 | 12.7 | 12.7 | 0.1 | |
| E | 0.6 | 0 | 13.1 | 0 | 5.0 | 5.0 | 5.0 | 5.0 | 8.4 | 0 |
| В | 12.3 | 5.0 | 0 | 9.2 | 4.9 | 11.8 |
|---|---|---|---|---|---|---|
| с | 13.0 | 0 | 9.2 | 12.3 | 0.1 | 12.5 |
| E | 13.0 | 0 | 9.3 | 8.6 | 0.1 | 12.5 |
- 35 -
| PIN | 1 | 2 | 3 | 4 | 5 | 6 | 7 | 8 | ) (V) | ||||||||||
|---|---|---|---|---|---|---|---|---|---|---|---|---|---|---|---|---|---|---|---|
| - | (TA |
3.3
(PE) |
,
, |
||||||||||||||||
| IC201 | 1.3 | 0.7 | 2.9 | (RA |
0
.DIO) |
0 | 2.9 | 0.7 | 1.3 | ||||||||||
| C301: E | LECT | RIC V | OLUN | ΛE | - | ||||||||||||||
| 1 | 2 | 3 | 4 - | ~ 25 | 26 | 27 | 28 | ||||||||||||
| IC301 | 4.3 | 0.7 | 0 | 4 | .3 | 0 | 5.0 | 5.0 | |||||||||||
| C401: F | RE-A | MPLI | IER | ||||||||||||||||
| 1 | 2 | з | 4 | 5 - | ~ 10 | 11 | 12 | 13 | 14 | ||||||||||
| IC401 | 4.8 | 4.8 | 4.8 | 8.6 | 4 | .8 | 0 | 4.8 | 4.8 | 4.8 | |||||||||
| C403: F | OWE | R AM | PLIFIE | R | 1 | ||||||||||||||
| IC PIN | 1 | 2 | З | 4 - | ~ 6 | 7 | 8 | 9 | 10 | 11 | 12 | 13 | 14 | 15 | ] | ||||
| IC403 | 6.5 | 6.5 | 13.1 | 0 | .6 | 4.0 | 0 | 0 | 0 | 0.6 | 0.6 | 13.1 | 6.5 | 6.5 | |||||
| C601: N | ICRC | PRO | CESS | OR | |||||||||||||||
| 1 | 2 | 3 | 4 | 5 | 6 | 7 | 3 | 9 | 10 | 11 | 12 | 13 | 1 | 4 | 15 | ||||
| ( | 0 | 5.0( | STER | EO) | 5. | .0 | 3.8 | ||||||||||||
| IC601 | 2.2 | 0 | 0 | 0 | 5.0 | 5.0 | 5.0 | (TA | PE) | 0 | 0 | 5.0 | 5.0 | 0.8( | MONO | D) | (F) | Ŵ) | (FF/REW) |
| (RA | DIO) | 5.0 | NORMAL | TAPE) | (RE |
)
EV) |
(PLAY) | ||||||||||||
| 1 | 6 | 1 | 7 | 1 | 8 | 19 ~ | - 22 | 23 - | ~ 30 | з | 1 | з | 12 | 33 - | ~ 39 | 4 | 0 | 41 ~ 47 | |
| (TAD | 0 | aut | 5 | 0 | 9 | 2 | 2 | 0 | 5. | 0 | |||||||||
|
)
) |
5 |
E UN)
.0 |
(PUWER | SW UN) | 5 |
,
O |
0 | 5 |
۶
0. |
5 | .0 | | 1 | C | | (IF H | (EQ) | 0 | |||
| (No 1 | ape) | (MUTE | OFF) | (POWER | SW OFF) | (DA | TA) | (DA | TA) | (DA | (ATA | (OTH | ERS) | ||||||
| 4 | 8 | 4 | 9 | 50 | 51 | 5 | 2 | 53 | 54 | 55 | 56 | 57 | 5 | 8 | 59 | 60 | |||
| ) | 5 | .0 | 5. | 0 | 3.4 | 1.0~1.38 (FM) | |||||||||||||
| (L) | .0 |
IVI)
D |
0 | 0 | (POWER | 5W ()N} | (FM 6 | 3.1 | input) | 2.5 | 5.2 | 5.2 |
2.5
(FM) |
(MW |
.4
.LW) |
0 | 1.08~1.38 (MW | ||
| (MW | FM) | (MW | , LW) | POWER | SW OFF) | (MW 74 | dBμ EN | (F input) | , | , | (SEEK) | ||||||||
| 61 | 62 | 63 | 64 | ||||||||||||||||
| 1 | |||||||||||||||||||
| 0 | 0 | 0 | 2.6 | ||||||||||||||||
| C680: P | OWE | R ON | DETE | CTION | N | ||||||||||||||
| 1 | 2 | 3~ | - 9 | 10 | 11 | 12 | 13 | 14 | 15 | 16 | |||||||||
| 4. | 4 | 5.1 | 1 | ||||||||||||||||
| IC680 | (POWE |
:H ON)
) |
(With fro |
nt panel a
O |
attached) | C | 4.9 | 4.2 | 5.1 | 5.1 | 5.1 |
5.
(Powe |
0 (puls |
e)
(shed) |
5.1 | ||||
| (POWE | R OFF) | (With from | nt panel d | letached) | 1.046 | 0001 | Janeu) | ||||||||||||
| C901: L | RIVEF | - | |||||||||||||||||
| 1 | 2 | 3 | 4 | 5 ~ | - 43 | 44 ~ | 48 | 49 | 50 ~ | - 54 | 55 | 56 | 57 | 58 | 59 | 60 | 0 | 61 ~ 64 | |
| - | 10 | ||||||||||||||||||
| 10901 | 4.8 | 0 | 0 | 0 | 2 | 5 | 8 | 5.0 | Key Swi | tch ON: | 5.0 | 5.0 | 22 | 17 | M | ι υμs |
0
& |
||
| Ŧ.U | v | Ŭ | Ŭ | 2. | ~ | |
0.
(pul |
5 | 0.0 | Norm | nal: 0 | 5.0 | 5.0 | 3.3 | 1.7 | v | 100 | V1 | 5.0 | |
| | | - 1 |
| Q001 | Q002 | Q003 | Q203, Q204 | Q205 | Q206 | Q401,Q4 | 02,Q403,Q | 404 | Q405 | Q408 | ||
| В |
8.6
(MW) 0 (FM, TAPE) |
4.3
(FM) 0 (MW, TAPE) |
0.7
(MW, FM) 8.6 (TAPE) |
0
(NORMAL) 1.0 (FF/REW) |
12.3
(TAPE) 13.1 (RADIO) |
0.7
(TAPE) 0 (RADIO) |
0 (N
1.1 6.0 (ACC ( |
IORMAL)
(MUTE) DFF, One Pu |
ulse) | 13.1 |
5.0
(NORMAL) 0 (MUTE) |
|
| с |
8.5
(FM) 0 (MW, TAPE) |
8.6
(MW) 0 (FM, TAPE) |
8.6
(MW, FM) 0 (TAPE) |
13.1
(TAPE) 0 (RADIO) |
0.1
(TAPE) 13.1 (RADIO) |
0 |
(NC
(ACC 0 |
0
DRMAL) 6.5 FF, One Pulse) |
0
(NORMAL) 5.0 (MUTE) |
|||
| Е |
8.6
(MW, FM) 0 (TAPE) |
0 | 8.6 | 0 | 13.1 | 0 | 13.1 | 5.0 | ||||
| PIN | Q409 | Q601 | Q602 | Q603 | Q604 | Q680 | Q701 | Q702 | Q7 | 03 | Q704 | Q705 |
| в |
5.0
(NORMAL) 0 (MUTE) |
5.0
(NORMAL) 4.4 (MUTE) |
0
(NORMAL) 5.0 (MUTE) |
4.3
(NORMAL) 0 (IF REQ) |
12.0 |
4.4
(POWER ON) 0 (POWER OFF) |
12.4 | 5.0 | 0. | 1 | 0.7 | 11.9 |
| В |
(NORMAL)
0 (MUTE) |
(NORMAL)
4.4 (MUTE) |
(NORMAL)
5.0 (MUTE) |
(NORMAL)
0 (IF REQ) |
12.0 |
(POWER ON)
O (POWER OFF) |
12.4 | 5.0 | 0.1 | 0.7 | 11.9 |
|---|---|---|---|---|---|---|---|---|---|---|---|
| с |
0
(NORMAL) 1.7 (MUTE) |
0
(NORMAL) 5.0 (MUTE) |
5.0
(NORMAL) 0 (MUTE) |
0
(NORMAL) 3.9 (IF REQ) |
12.6 |
0
(POWER ON) 4.8 (POWER OFF) |
13.1 | 0.1 | 5.0 | 0.1 | 12.6 |
| Е |
0
(NORMAL) 1.7 (MUTE) |
5.0 | 0 | 0 | 12.6 | 0 | 13.1 | 0 | 5.0 | 0 | 12.6 |
| PIN | Q706 | Q707 | Q708 | Q709 | Q710 | Q711 |
| В | 5.7 | 9.2 | 4.5 | 12.4 | 5.2 | 9.1 |
|---|---|---|---|---|---|---|
| с | 13.1 |
13.0 (TAPE)
12.7 (MW) 12.3 (FM) |
0.1 | 13.1 | 0 | 12.5 |
| Е | 5.0 | 8.6 | 0 | 13.1 | 0 | 8.5 |
- 36 -
- 37 -
| Def Ne | DADT No | DESCRIPTION | 011 | Rof No | PART No. | DESCRIPTION | O'ty | Ref No. | PART No. | DESCRIPTION | Otv | Bef No | PART No | DESCRIPTION | O'ty |
|---|---|---|---|---|---|---|---|---|---|---|---|---|---|---|---|
| Hef. No. | PART NO. | DESCRIPTION | Uly | Cold . | 402.040.1006 | ELECT 111 M 50V | 1 | C706 | 102.060.6601 | CERAMIC 0.0111K 50V | 1 | D702 | 407.098.0804 | ZENER DIODE HZS6B1L TA | 1 |
| PA01 MA | IN PCB ASSEMBLY | C312 * | 403 049 1906 | ELECT 1U M 50V | i | C707 ** | 403 237 8007 | MT-COMPO 0.1U J 50V | 1 i L | D703 | 407 158 2304 | DIODE DSA3A4 | 1 | ||
| Connector | rs | C313 * | 403 071 8102 | CERAMIC 2200P K 50V | 1 | C707 * | 403 069 5601 | CERAMIC 0.01U K 50V | 1 | D705 | 407 166 8503 | ZENER DIODE RD9.1JSB2-T4 | 1 | ||
| CN21A | 644 004 9258 | CORD ASSY 7P 170MM W017-3 | 3 1 | C314 * | 403 071 8102 | CERAMIC 2200P K 50V | 1 | C708 ** | 403 069 5601 | CERAMIC 0.01U K 50V | 1 | or | 407 164 2008 | ZENER DIODE HZS9B3L-TA | 11 |
|
CN22B
CN62A |
644 004 8596 | WIRE ASSY 2P 60MM /W027-2 | C315 * | 403 237 8007 | MT-COMPO 0.1U J 50V | C709 ** | 403 069 1702 | CERAMIC 1000P K 50V | or | 407 053 8906 | ZENER DIODE M12-1-729.1C | ||||
| CN64A | 644 006 0451 | CORD ASSY 7P 70MM(BLUE) | l i l | C401 * | 403 237 8007 | ELECT 47U M 10V | C710 ** | 403 069 5601 | CERAMIC 0.01U K 50V | D706 ** | 407 164 4408 | DIODE MA116-TX | 1 i l | ||
| CN65A | 644 004 8015 | CORD ASSY 7P 70MM | 1 | C402 * | 403 018 0503 | CERAMIC 22P J 50V | 1 | C713 ** | 403 069 5601 | CERAMIC 0.01U K 50V | 1 | D706 * | 407 112 4603 | DIODE 1SS119-T-72 | 1 |
| CN701 😳 ** | 644 004 1399 | CONNECTOR-P,12P | 1 | C403 * | 403 018 0503 | CERAMIC 22P J 50V | 1 | C797 ** | 403 069 5601 | CERAMIC 0.01U K 50V | 1 | D707 ** | 407 140 8703 | ZENER DIODE DTZ9.1B-TT11 | 1 |
| CN702 113 | 644 004 1399 | CONNECTOR-P,12P | 1 | C404 * | 403 018 0503 | CERAMIC 22P J 50V | 1 | C798 ** | 403 069 5601 | CERAMIC 0.01U K 50V | 1 | D707 | 407 164 2008 | ZENER DIODE HZS9B3L-TA | |
| CN801 (118) ** | 644 003 4582 | SOCKET.8P | C405 | 403 018 0503 | CERAMIC 22P J 50V | 1 | C/99 ··· | 403 069 5601 | CERAMIC 0.010 K 50V | or | 407 053 8906 | ZENER DIODE RD9 1 ISB2-T4 | |||
| Capacitors | S | C406 | 403 047 1700 | ELECT 4.70 M 25V | 11 | C802 ** | 403 049 1906 | ELECT 1U M 50V | or . | 407 166 8701 | ZD 04AZ9 1-Z-TPA8 | ||||
| C001 | 403 072 1607 | CERAMIC 0.022U K 50V | 1 | C408 | 403 047 1700 | ELECT 4.7U M 25V | 1 | C803 ** | 403 049 1906 | ELECT 1U M 50V | 1 i L | D708 | 407 098 0903 | ZENER DIODE HZS6B2L-TA | 1 |
| C002 | 403 072 1607 | CERAMIC 0.022U K 50V | C409 | 403 047 1700 | ELECT 4.7U M 25V | 1 | C804 ** | 403 040 2902 | ELECT 22U M 10V | 1 | D709 ** | 407 140 8604 | ZENER DIODE DTZ6.2B-TT11 | 1 | |
| C003 | 403 009 5708 | CERAMIC 100P J 50V | C410 | 403 049 1906 | ELECT 1U M 50V | 1 | C805 ** | 403 049 1906 | ELECT 1U M 50V | 1 | D801 ** | 407 152 5509 | ZENER DIODE DTZ-T114.7B | | 1 | |
| C004 | 403 069 5601 | CERAMIC 0.01U K 50V | | i | | C411 | 403 049 1906 | ELECT 1U M 50V | C806 ** | 403 049 1906 | ELECT 10 M 50V | IC's | |||||
| C006 | 403 069 5601 | CERAMIC 0.01U K 50V | 11 | C412 | 403 049 1906 | ELECT 1UM 50V | C808 ** | 403 039 8106 | ELECT 100 M 10V | IC002 ** | 409 248 8005 | IC LC7219M | 1 | ||
| C007 | 403 049 1906 | ELECT 1U M 50V | 1 | C414 ** | 403 069 1702 | CERAMIC 1000P K 50V | 1 | C809 ** | 403 072 1607 | CERAMIC 0.022U K 50V | 1 | IC201 | 409 016 7902 | IC LA3161 | 1 |
| C008 | 403 049 1906 | ELECT 1U M 50V | C415 ** | 403 069 1702 | CERAMIC 1000P K 50V | 1 | C885 ** | 403 069 5601 | CERAMIC 0.01U K 50V | 1 | 1C301 | 409 305 0607 | IC IDA/313D-TH | 1 | |
| C009 - | 403 049 1906 | ELECT 10 M 50V | C416 ** | 403 069 1702 | CERAMIC 1000P K 50V | C886 ** | 403 069 5601 | CERAMIC 0.01U K 50V | 1 | 10401 | 409 039 5505 | IC TD47370 | i | ||
| C010 ** | 403 049 1906 | ELECT 100U M 10V | 111 | C416 . | 403 211 4100 | ELECT 2200U M 10V | C887 ** | 403 069 5601 | CERAMIC 100P L50V | IC403 * | 409 311 5603 | IC TDA7370 | 1 | ||
| C011 * | 403 234 0400 | ELECT 100U M 16V | 11 | C417 * | 403 009 1/02 | ELECT 2200LLM 10V | 0892 ** | 403 069 5807 | CERAMIC 0.01U K 50V | IC601 * | 409 331 6000 | IC LC7233N-8857 | 1 | ||
| or | 403 281 6608 | ELECT 100U M 16V | 11 | C418 ** | 403 211 4100 | ELECT 2200U M 10V | - | i | | C893 ··· | 403 069 5601 | CERAMIC 0.01U K 50V | |i| | IC601 ** | 409 339 4404 | IC UPD75517GF-278-3B9 | 1 |
| C013 | 403 072 1607 | CERAMIC 0.022U K 50V | 11 | C419 ** | 403 211 4100 | ELECT 2200U M 10V | 1 | C895 ** | 403 069 5601 | CERAMIC 0.01U K 50V | 1 | IC701 ** | 409 327 8506 | IC NJM2103M-TE3 | 1 |
| C014 ** | 403 039 7901 | ELECT 100U M 10V | C420 ** | 403 211 4100 | ELECT 2200U M 10V | | 1 | | C897 ** | 403 009 5807 | CERAMIC 100P J 50V | 1 | 10801 | 409 262 4205 | IC BASIZIF-TI | ||
| 014 or | 403 234 0400 | ELECT 1000 M 16V | C420 * | 403 041 3700 | ELECT 47U M 10V | C898 ** | 403 009 5807 | CERAMIC 100P J 50V | Chip Jump | bers | |||||
| C015 ** | 403 260 2003 | MT-COMPO 1U J 50V | il | C421 ** | 403 211 4100 | ELECT 22000 M 10V | C899 | 403 069 5601 | CERAMIC 0.010 K 50V | 1 ' | JC001 ** | 401 035 4108 | MT-GLAZE 0.000 ZA 1/8W | 1 | |
| C015 ' | 403 225 2703 | MT-COMPO 0.047U J 50V | 1 | C422 | 403 041 3601 | ELECT 22000 M 10V | 11 | Diodes | JC002 | 401 037 5004 | MT-GLAZE 0.000 ZA 1/10W | ||||
| C016 ** | 403 225 2703 | MT-COMPO 0.047U J 50V | 1 | C423 ** | 403 211 5008 | ELECT 2200U M 16V | 11 | D001 ** | 407 053 8906 | ZENER DIODE MTZ-T-729.1C | 11 | 10004 ** | 401 037 5004 | MT-GLAZE 0.000 ZA 1/10W | |
| C016 | 403 260 2003 | MT-COMPO 1U J 50V | C424 ** | 403 020 0409 | CERAMIC 27P J 50V | 1 | D201 | 407 125 /103 | ZENER DIODE UZSOA2L TA | JC005 ** | 401 037 5004 | MT-GLAZE 0.000 ZA 1/10W | 11 | ||
| C017 | 403 234 0400 | ELECT 100U M 16V | C425 | 403 211 4100 | ELECT 2200U M 10V | 1 | D202 | 407 112 4603 | DIODE 155119-T-72 | JC006 ** | 401 035 4108 | MT-GLAZE 0.000 ZA 1/8W | 1 | ||
| C018 ** | 403 281 5403 | ELECT 100U M 10V | 1 i l | C426 * | 403 211 4100 | ELECT 2 2000 M 10V | D210 · | 407 164 4408 | DIODE MA116-TX | i | JC007 ** | 401 037 5004 | MT-GLAZE 0.000 ZA 1/10W | 1 | |
| C019 ** | 403 069 5601 | CERAMIC 0.01U K 50V | 1 | C433 | 403 050 7904 | ELECT 22LLM 10V | D401 ** | 407 003 3609 | DIODE DAN202K-T97 | 1 | JC008 ** | 401 037 5004 | MT-GLAZE 0.000 ZA 1/10W | ||
| C019 ' | 403 072 1607 | CERAMIC 0.022U K 50V | 1 | C435 * | 403 234 0400 | ELECT 100U M 16V | 1 | D401 | 407 008 6001 | DIODE MA152WK-TW | 1 | 10010 ** | 401 035 4108 | MT-GLAZE 0.000 ZA 1/8W | |
| C020 ** | 403 041 3601 | ELECT 47U M 10V | 1 | or · | 403 281 6608 | ELECT 100U M 16V | 1 | D403 | 407 167 2906 | ZENER DIODE HZS3B2-TAX | JC011 ** | 401 037 5004 | MT-GLAZE 0.000 ZA 1/10W | | i | | |
| C021 ** | 403 069 1702 | CERAMIC 1000P K 50V | C601 ** | 403 018 7403 | CERAMIC 220P J 50V | 1 | or | 407 167 0605 | ZENER DIODE HZS303-TAX | JC012 ** | 401 035 4108 | MT-GLAZE 0.000 ZA 1/8W | 1 | ||
| C022 ** | 403 089 1702 | CERAMIC 27P J 50V | il | C601 . | 403 069 5601 | CERAMIC 0.01U K 50V | D601 | 407 164 4408 | DIODE MA116-TX | l i l | JC013 ** | 401 035 4108 | MT-GLAZE 0.000 ZA 1/8W | 1 | |
| C024 ** | 403 020 0409 | CERAMIC 27P J 50V | 1 | C602 * | 403 072 1607 | ELECT 47LLM 10V | or | 407 149 0807 | DIODE 1SS355-TE-I7 | 1 | JC014 ** | 401 037 5004 | MT-GLAZE 0.000 ZA 1/10W | ||
| C201 | 403 069 1702 | CERAMIC 1000P K 50V | 1 | C603 ** | 403 041 3601 | ELECT 47U M 10V | 1 i l | D602 | 407 164 4408 | DIODE MA116-TX | 1 | JC015 | 401 035 4108 | MT-GLAZE 0.000 ZA 1/8W | |
| C202 | 403 069 1702 | CERAMIC 1000P K 50V | 1 | C603 * | 403 192 5905 | CERAMIC 0.1U K 25V | 1 | or | 407 149 0807 | DIODE 1SS355-TE-I7 | JC017 ** | 401 037 5004 | MT-GLAZE 0.000 ZA 1/10W | | i | | |
| C203 | 403 049 1906 | ELECT 10 M 50V | C604 * | 403 069 1702 | CERAMIC 1000P K 50V | 1 | 0503 | 407 164 4408 | DIODE 199355-TE-IZ | JC018 ** | 401 037 5004 | MT-GLAZE 0.000 ZA 1/10W | 1 | ||
| C204 | 403 049 1906 | ELECT 100U M 6 3V | C605 * | 403 069 1702 | CERAMIC 1000P K 50V | D604 | 407 164 4408 | DIODE MA116-TX | lil | JC019 ** | 401 035 4108 | MT-GLAZE 0.000 ZA 1/8W | 1 | ||
| C205 | 403 038 2600 | ELECT 100U M 6.3V | l i l | C606 . | 403 009 5708 | CERAMIC TOOP J 50V | or | 407 149 0807 | DIODE 1SS355-TE-I7 | 11 | JC020 ** | 401 035 4108 | MT-GLAZE 0.000 ZA 1/8W | 1 | |
| C207 | 403 072 5902 | CERAMIC 0.027U K 50V | 1 | C608 · | 403 018 0503 | CERAMIC 22P J 50V | i | D605 ** | 407 164 4408 | DIODE MA116-TX | 1 | JC021 ** | 401 035 4108 | MT-GLAZE 0.000 ZA 1/8W | |
| C208 | 403 072 5902 | CERAMIC 0.027U K 50V | 1 | C609 * | 403 069 5601 | CERAMIC 0.01U K 50V | 1 | or | 407 149 0807 | DIODE 1SS355-TE-I7 | JC023 ** | 401 035 4108 | MT-GLAZE 0.000 ZA 1/8W | 1 i l | |
| C211 | 403 047 1700 | ELECT 4.7U M 25V | C610 ** | 403 018 0503 | CERAMIC 22P J 50V | 1 | D606 | 407 164 4408 | DIQUE MA116-1X | JC024 ** | 401 037 5004 | MT-GLAZE 0.000 ZA 1/10W | 11 | ||
| C212 | 403 047 1700 | ELECT 4./U M 25V | C611 * | 403 069 5601 | CERAMIC 0.01U K 50V | 1 | D607 ** | 407 164 4408 | DIODE MA116-TX | JC025 ** | 401 035 4108 | MT-GLAZE 0.000 ZA 1/8W | 1 | ||
| C218 | 403 049 1906 | ELECT 1U M 50V | 111 | C611 " | 403 018 0503 | CERAMIC 0.0111K 50V | 1 | or | 407 149 0807 | DIODE 1SS355-TE-I7 | il | JC026 | 401 037 5004 | MT-GLAZE 0.000 ZA 1/10W | 11 |
| C219 | 403 047 1700 | ELECT 4.7U M 25V | | i | | C613 ** | 403 069 5601 | CERAMIC 0.01U K 50V | 1 | D608 | 407 164 4408 | DIODE MA116-TX | 11 | JC027 ** | 401 037 5004 | MT-GLAZE 0.000 ZA 1/10W | |
| C226 | 403 234 0400 | ELECT 100U M 16V | 1 | C614 ** | 403 192 5905 | CERAMIC 0.1U K 25V | i | or | 407 149 0807 | DIODE 1SS355-TE-I7 | 11 | JC028 ** | 401 037 5004 | MT-GLAZE 0.000 ZA 1/10W | |
| C226 | 403 281 6608 | ELECT 100U M 16V | C615 ** | 403 069 5601 | CERAMIC 0.01U K 50V | 1 | D609 * | 407 164 4408 | DIODE MA116-TX | 111 | 10030 | 401 037 5004 | MT-GLAZE 0.000 ZA 1/10W | 1 i L | |
| C228 | 403 069 5601 | CERAMIC 0.01U K 50V | C616 ** | 403 069 5601 | CERAMIC 0.01U K 50V | 1 |
Or
Deto |
407 149 0807 | DIODE 155355-1E-1/ | JC031 " | 401 037 5004 | MT-GLAZE 0.000 ZA 1/10W | i | ||
| C230 | 403 248 1806 | ELECT 220U M 10V | C619 · | 403 069 5601 | CERAMIC 0.01U K 50V | 1 | or | 407 149 0807 | DIODE ISS355-TE-IZ | JC032 ** | 401 037 5004 | MT-GLAZE 0.000 ZA 1/10W | 1 | ||
| C231 | 403 040 2002 | ELECT 22U M 10V | C620 | 403 069 5601 | CEHAMIC 0.01U K 50V | D611 * | 407 164 4408 | DIODE MA116-TX | 1 i L | JC033 ** | 401 037 5004 | MT-GLAZE 0.000 ZA 1/10W | 11 | ||
| C301 | 403 040 2902 | ELECT 22U M 10V | 111 | C621 | 403 042 0708 | CERAMIC 22P | 50V | or | 407 149 0807 | DIODE 1SS355-TE-I7 | 11 | JC034 ** | 401 037 5004 | MT-GLAZE 0.000 ZA 1/10W | ||
| C302 | 403 042 0708 | ELECT 10U M 16V | 11 | C623 · | 403 069 1702 | CERAMIC 1000P K 50V | i | D615 ** | 407 164 4408 | DIODE MA116-TX | JC035 | 401 037 5004 | MT-GLAZE 0.000 ZA 1/10W | ||
| C303 ' | 403 049 1906 | ELECT 1U M 50V | 111 | C624 · | 403 069 5601 | CERAMIC 0.01U K 50V | 1 | or | 407 149 0807 | DIODE 1SS355-TE-I7 | 111 | JC037 ** | 401 037 5004 | MT-GLAZE 0.000 ZA 1/10W | |
| C304 ' | 403 049 1906 | ELECT 1U M 50V | C701 | 403 041 3601 | ELECT 47U M 10V | 1 | D616 ** | 407 164 4408 | DIODE 199355-TE-17 | JC039 ** | 401 035 4108 | MT-GLAZE 0.000 ZA 1/8W | | i | | ||
| C305 | 403 049 1906 | ELECT 1U M 50V | C702 | 403 042 0708 | ELECT 10U M 16V | 1 | D617 ** | 407 149 0807 | DIODE 185300-1E-1/ | JC040 ** | 401 035 4108 | MT-GLAZE 0.000 ZA 1/8W | 11 | ||
| C307 | 403 192 5905 | CERAMIC 0 1U K 25V | C703 | 403 040 2902 | ELECT 22U M 10V | or | 407 149 0807 | DIODE 1SS355-TE-I7 | 1 i l | JC041 ** | 401 035 4108 | MT-GLAZE 0.000 ZA 1/8W | |||
| C308 ' | 403 192 5905 | CERAMIC 0.1U K 25V | 11 | 0704 | 403 040 4807 | ELECT 2200 MI 10V | D619 ** | 407 164 4408 | DIODE MA116-TX | 11 | JC042 ** | 401 035 4108 | MT-GLAZE 0.000 ZA 1/8W | ||
| C309 | 403 192 5905 | CERAMIC 0.1U K 25V | 11 | C705 | 403 042 0708 | ELECT 10U M 16V | 11 | or | 407 149 0807 | DIODE 1SS355-TE-I7 | 1 | JC043 | 401 035 4108 | MT-GLAZE 0.000 ZA 1/8W | |
| C310 | 403 192 5905 | CERAMIC 0.1U K 25V | 11 | C706 ** | 403 041 3601 | ELECT 47U M 10V | 1 | D701 | 407 100 6008 | ZENER DIODE HZS5BLL-TA | 1 | 30044 | 401 035 4108 | WIT-GLAZE 0.000 ZA 1/0W | |
| NOTE |
S: 1. Part orders must cont
2. Ordering quantity of s 3. " * " indicate FXR-403 |
ain Mo
crews LD only |
del Number, I
and resistors /. " ** " indic |
Part Number a
must be mul ate FXC-503L |
and Description.
tiple of 10 pcs. D only. |
L | NOTE |
S: 1. Part orders must conta
2. Ordering quantity of so 3. " * " indicate FXR-403L |
ain Mod
crews a D only. |
el Number, l
nd resistors " ** " indic |
Part Number a
must be mul ate FXC-503L |
and Description.
tiple of 10 pcs. D only. |
- 38 -
2. Ordering quantity of screws and resistors must be multiple of 3. " * " indicate FXR-403LD only. " ** " indicate FXC-503LD only. - 39 -
| No. | PART No. | DESCRIPTION | Q'ty | Ref. No. | PART No. | DESCRIPTION | Q'ty | Ref. No. | PART No. | DESCRIPTION | Qʻty | Ref. No. | PART No. | DESCRIPTION |
|---|---|---|---|---|---|---|---|---|---|---|---|---|---|---|
| 5 ** | 401 037 5004 | MT-GLAZE 0.000 ZA 1/10W | 1 | Q403 | 405 127 5905 | TR RN1444-A-TE85R | 1 | R018 | 401 037 5004 | MT-GLAZE 0.000 ZA 1/10W | 1 | R603 | 401 038 3603 | MT-GLAZE 3.3K JA 1/10W |
| 7 | 401 037 5004 | MT-GLAZE 0.000 ZA 1/10W | 1 | or | 405 127 6001 | TR RN1444-B-TE85R | 1 | R019 * | 401 037 5608 | MT-GLAZE 10K JA 1/10W | 1 | R604 * | · 401 037 5608 | MT-GLAZE 10K JA 1/10W |
| 401 037 5004 | MT-GLAZE 0.000 ZA 1/10W | Q404 | 405 127 5905 | TR RN1444-A-TE85R | 1 | R030 * | 401 037 5004 | MT-GLAZE 0.000 ZA 1/10W | 1 | R604 | * 401 038 0800 | MT-GLAZE 22K JA 1/10W | ||
| 401 037 5004 | MT-GLAZE 0.000 ZA 1/10W | or | 405 127 6001 | TR RN1444-B-TE85R | 1 | R201 | 401 038 3702 | MT-GLAZE 33K JA 1/10W | 1 | R605 | 401 037 5608 | MT-GLAZE 10K JA 1/10W | ||
| 401 037 5004 | MT-GLAZE 0.000 ZA 1/10W | 0405 | 405 104 8905 | TR HN2402-TE85R | R202 | 401 038 3702 | MT-GLAZE 33K JA 1/10W | R606 * | 401 037 5608 | MT-GLAZE 10K JA 1/10W | ||||
| 401 035 4108 | MT-GLAZE 0.000 ZA 1/8W | 0405 | 405 128 4303 | TR RN2424-TE85R | R203 | 401 038 7502 | MT-GLAZE 56 JA 1/10W | R606 | 401 038 0800 | MT-GLAZE 22K JA 1/10W | ||||
| 401 037 5004 | MT-GLAZE 0.000 ZA 1/10W | 0408 | 405 104 8905 | TR RN2402-1E85R | H204 | 401 038 7502 | MT-GLAZE 56 JA 1/10W | H607 | 401 037 5608 | MT-GLAZE 10K JA 1/10W | ||||
| ** | 401 035 4108 | MT-GLAZE 0.000 ZA 1/8W | 0601 | 405 015 4201 | TD 2902712.00 TE950 | H205 | 401 037 5707 | MT-GLAZE 100K JA 1/10W | R608 | 401 037 5608 | MT-GLAZE TOK JA 1/10W | |||
| ** | 401 037 5004 | MT-GLAZE 0.000 ZA 1/10W | lil | 0601 | * 405 002 4603 | TB 2541162-GB-TE85B | P200 | 401 037 5707 | MT GLAZE 100K JA 1/10W | R609 | 401 037 5608 | MT CLAZE 10K JA 1/10W | ||
| ** | 401 035 4108 | MT-GLAZE 0.000 ZA 1/8W | lil | or | * 405 002 4702 | TB 2SA1162-O-TE85B | P209 | 401 038 6406 | MT-GLAZE 4.7K JA 1/10W | D611 | 401 037 5608 | MT GLAZE 10K JA 1/10W | ||
| •• | 401 035 4108 | MT-GLAZE 0.000 ZA 1/8W | | i | | or | 405 002 4801 | TB 2SA1162-Y-TE85B | l i l | B209 * | 401 038 0800 | MT-GLAZE 22K JA 1/10W | B612 | 401 037 5008 | MT-GLAZE 10K 3A 1/10W | |
| ٠ | 401 037 5004 | MT-GLAZE 0.000 ZA 1/10W | 11 | Q602 | 405 001 0507 | TB BN1403-TB | lil | B209 | 401 038 3603 | MT-GLAZE 3.3K JA 1/10W | B613 * | • 401 037 5608 | MT-GLAZE 10K JA 1/10W | |
| • | 401 035 4108 | MT-GLAZE 0.000 ZA 1/8W | 1 1 | Q602 | * 405 058 5807 | TR BN1402-TE85R | lil | B210 · | 401 038 0800 | MT-GLAZE 22K JA 1/10W | l i l | B613 | * 401 038 3603 | MT-GLAZE 3 3K JA 1/10W |
| ٠ | 401 037 5004 | MT-GLAZE 0.000 ZA 1/10W | | 1 | | Q603 | * 405 058 5807 | TR RN1402-TE85R | 1 | R210 | 401 038 3603 | MT-GLAZE 3.3K JA 1/10W | 1 | R614 * | 401 012 6903 | CARBON 10K JA 1/4W |
| * | 401 037 5004 | MT-GLAZE 0.000 ZA 1/10W | 1 | Q604 | * 405 002 4603 | TR 2SA1162-GR-TE85R | 1 | R219 | 401 039 0403 | MT-GLAZE 8.2K JA 1/10W | 1 | R614 | * 401 037 5608 | MT-GLAZE 10K JA 1/10W |
| * | 401 037 5004 | MT-GLAZE 0.000 ZA 1/10W | 1 1 | or | * 405 002 4702 | TR 2SA1162-O-TE85R | 1 | R220 | 401 039 0403 | MT-GLAZE 8.2K JA 1/10W | 1 | R615 | 401 037 5608 | MT-GLAZE 10K JA 1/10W |
| • | 401 037 5004 | MT-GLAZE 0.000 ZA 1/10W | 1 | or | * 405 002 4801 | TR 2SA1162-Y-TE85R | 1 | R221 * | 401 037 8005 | MT-GLAZE 15K JA 1/10W | 1 | R616 | 401 037 5608 | MT-GLAZE 10K JA 1/10W |
| 401 037 5004 | MT-GLAZE 0.000 ZA 1/10W | 11 | Q701 | 405 088 8700 | TR 2SA1702-R-AN | 1 | R221 | 401 038 0800 | MT-GLAZE 22K JA 1/10W | 1 | R617 | 401 037 5608 | MT-GLAZE 10K JA 1/10W | |
| 401 037 5004 | MT-GLAZE 0.000 ZA 1/10W | or | 405 088 8809 | 1H 2SA1702-S-AN | 1 | R222 * | 401 037 8005 | MT-GLAZE 15K JA 1/10W | 1 | R618 | * 401 037 5608 | MT-GLAZE 10K JA 1/10W | ||
| 401 037 5004 | MT-GLAZE 0.000 ZA 1/10W | or | 405 088 8908 | TH 25A1702-T-AN | R222 | 401 038 0800 | MT-GLAZE 22K JA 1/10W | R619 | 401 012 6903 | CARBON 10K JA 1/4W | ||||
| ÷ | 401 037 5004 | MT GLAZE 0.000 ZA 1/10W | 0701 | 405 12/ 6407 | TR 25A1428-Y-TPF2 | R223 | 401 017 0708 | CAHBON 270 JA 1/4W | R620 | 401 012 6903 | CARBON 10K JA 1/4W | |||
| 401 037 5004 | MT-GLAZE 0.000 ZA 1/10W | 0702 | 405 001 0507 | TH HN1403-TH | R224 | 401 038 0800 | MT-GLAZE 22K JA 1/10W | R621 | 401 038 6505 | MT-GLAZE 47K JA 1/10W | ||||
| 401 037 3004 | MT GLAZE 0.000 ZA 1/10W | 0703 | 405 127 6100 | TR RN2427-TE85R | H224 | 401 037 5608 | MI-GLAZE 10K JA 1/10W | H622 | 401 038 6505 | MI-GLAZE 47K JA 1/10W | ||||
| 401 037 5004 | MT-GLAZE 0.000 ZA 1/0W | 07.04 | + 405 127 8302 | TR 25A1420-U-TPF2 | H225 | 401 03/ 5/0/ | MI-GLAZE 100K JA 1/10W | H623 | 401 037 5608 | MI-GLAZE 10K JA 1/10W | ||||
| 401 037 5004 | MT-GLAZE 0.000 ZA 1/10W | 0704 | 105 015 4201 | TD 2502712 CD TEMED | H232 | 401 059 9905 | CARRON 1 2.2 JA TW | H624 | 401 037 5608 | MT-GLAZE 10K JA 1/10W | ||||
| ٠ | 401 037 5004 | MT-GLAZE 0.000 ZA 1/10W | 0705 | 405 002 4801 | TR 2541162-Y-TE85R | P233 | 401 013 5202 | OVIDE-MT 690 JA 1/2W | H025 | 401 038 3603 | MT-GLAZE 3.3K JA 1/10W | |||
| • | 401 037 5004 | MT-GLAZE 0.000 ZA 1/10W | l i l | or | 405 002 4603 | TB 2SA1162-GB-TE85B | il | B234 | 401 037 5608 | MT-GLAZE 10K JA 1/10W | B627 * | * 401 038 3702 | MT-GLAZE 10K JA 1/10W | |
| ٠ | 401 035 4108 | MT-GLAZE 0.000 ZA 1/8W | 1 | Q706 | 405 127 7602 | TB 2SC3666-O-TPF2 | lil | B237 | 401 037 5707 | MT-GLAZE 100K JA 1/10W | B628 * | * 401 038 6406 | MT-GLAZE 60100A 1/10W | |
| ٠ | 401 035 4108 | MT-GLAZE 0.000 ZA 1/8W | 1 | or | 405 127 6704 | TR 2SC3666-Y-TPF2 | 11 | 8238 | 401 038 0800 | MT-GLAZE 22K JA 1/10W | B629 | * 401 038 6406 | MT-GLAZE 4 7K JA 1/10W | |
| ٠ | 401 035 4108 | MT-GLAZE 0.000 ZA 1/8W | 1 | or | 405 133 1007 | TR 2SD1858-TV2-R | 1 | B239 * | 401 037 5004 | MT-GLAZE 0.000 ZA 1/10W | l i l | B630 | * 401 038 6505 | MT-GLAZE 47K JA 1/10W |
| ٠ | 401 037 5004 | MT-GLAZE 0.000 ZA 1/10W | 1 | or | 405 104 3108 | TR 2SD1858-TV2-Q | 1 | R242 | 401 038 6406 | MT-GLAZE 4.7K JA 1/10W | 111 | R631 * | · 401 037 5608 | MT-GLAZE 10K JA 1/10W |
| • | 401 037 5004 | MT-GLAZE 0.000 ZA 1/10W | 1 | or | 405 029 4501 | TR 2SD1858-TV2-R | 1 | R243 | 401 038 6406 | MT-GLAZE 4.7K JA 1/10W | 11 | R632 * | * 401 038 6604 | MT-GLAZE 470K JA 1/10W |
| 401 037 5004 | MT-GLAZE 0.000 ZA 1/10W | 1 | Q707 | 405 127 6605 | TR 2SC3420-GR | 1 | R303 | 401 038 7700 | MT-GLAZE 5.6K JA 1/10W | 11 | R633 * | 401 037 5806 | MT-GLAZE 1M JA 1/10W | |
| 401 035 4108 | MT-GLAZE 0.000 ZA 1/8W | 1 | Q708 | 405 058 5807 | TR RN1402-TE85R | 1 | R304 | 401 038 7700 | MT-GLAZE 5.6K JA 1/10W | 1 | R633 | * 401 038 6505 | MT-GLAZE 47K JA 1/10W | |
| 401 035 4108 | MT-GLAZE 0.000 ZA 1/8W | | 1 | Q709 | 405 127 8302 | TR 2SA1426-O-TPF2 | | 1 | | R401 | 401 038 3702 | MT-GLAZE 33K JA 1/10W | 1 | R634 * | * 401 037 5608 | MT-GLAZE 10K JA 1/10W | |
| ÷ | 401 035 4108 | MT-GLAZE 0.000 ZA 1/8W | or | 405 127 8807 | TR 2SA1426-Y-TPF2 | 1 | R402 | * 401 038 2200 | MT-GLAZE 27K JA 1/10W | R635 * | * 401 037 5608 | MT-GLAZE 10K JA 1/10W | ||
| 401 037 5004 | MT-GLAZE 0.000 ZA 1/10W | or | 405 114 1200 | TR 2SB1237-P | 1 | R403 | 401 038 0701 | MT-GLAZE 2.2K JA 1/10W | 1 | R635 | * 401 038 6505 | MT-GLAZE 47K JA 1/10W | ||
| 401 037 5004 | MT-GLAZE 0.000 ZA 1/10W | or | 405 105 7709 | TR 25B1237-Q | | ] | | R404 | 401 038 0701 | MT-GLAZE 2.2K JA 1/10W | R636 | 401 037 5608 | MT-GLAZE 10K JA 1/10W | |||
| 401 037 5004 | MT-GLAZE 0.000 ZA 1/10W | or | 405 030 9205 | TR 25B1237-TV2-R | R405 | 401 038 0701 | MT-GLAZE 2.2K JA 1/10W | R636 | 401 038 6505 | MT-GLAZE 47K JA 1/10W | ||||
| 401 037 5004 | MT-GLAZE 0.000 ZA 1/10W | 0711 | 405 056 5607 | TD DN0402 TE95D | H406 | 401 038 0701 | MT-GLAZE 2.2K JA 1/10W | H637 | 401 037 5707 | MI-GLAZE 100K JA 1/10W | ||||
| ٠ | 401 035 4108 | MT-GLAZE 0.000 ZA 1/8W | 0712 | 405 127 7701 | TD 25C2400 GD | H407 | 401 038 6505 | MT-GLAZE 47K JA 1/10W | H638 | 401 037 5707 | MT-GLAZE 100K JA 1/10W | |||
| 401 000 41001 | INT GEFELE 0.000 ER NON | 1 1 | 0713 | * 405 015 4201 | TB 25C2712-GB-TE85B | R400 | 401 038 6505 | MT-GLAZE 47K JA 1/10W | H640 | 401 037 5707 | MT CLAZE 100K JA 1/10W | |||
| ors | 0799 | * 405 002 4603 | TR 2562712-GR-TE85R | R409 | * 401 038 6505 | MT-GLAZE 47K JA 1/10W | R641 | 401 037 5707 | MT-GLAZE 100K JA 1/10W | |||||
| 644 004 1061 | INDUCTOR 8.2UH | 1 | or | · 405 002 4000 | TB 2541162-0-TE85B | P410 | 401 038 0505 | MT GLAZE 4/K JA 1/10W | D642 | 401 037 5707 | MT-GLAZE 100K JA 1/10W | |||
| 644 004 6943 | INDUCTOR 2.2UH | 1 | or | * 405 002 4801 | TB 2SA1162-Y-TE85B | B412 | * 401 038 0701 | MT-GLAZE 2.2K JA 1/10W | D645 * | * 401 037 5707 | MT GLAZE 100K JA 1/10W | |||
| 644 004 6943 | INDUCTOR 2.2UH | 1 | Pasietore | 1.00.001 1001 | B413 | 401 038 0701 | MT-GLAZE 2.2K JA 1/10W | R645 | · 401 037 5707 | MT-GLAZE 22R JA 1/10W | ||||
| • | 644 004 6943 | INDUCTOR 2.20H | Ticolotora | 1 | B414 | 401 038 0701 | MT-GLAZE 2.2K JA 1/10W | - Li L | B646 * | * 401 038 0800 | MT-GLAZE 22K JA 1/10W | |||
| 644 003 0027 | INDUCTOR,SK | H001 | 401 037 5608 | MT-GLAZE 10K JA 1/10W | 1 | R415 | 401 038 6505 | MT-GLAZE 47K JA 1/10W | lil | R646 | * 401 038 6505 | MT-GLAZE 47K JA 1/10W | ||
| - | 044 003 5183 | INDUCTOH,SK,6A | H001 | 401 014 5102 | CAHBON 15K JA 1/4W | R416 | 401 038 6505 | MT-GLAZE 47K JA 1/10W | - H I | R647 | 401 038 0800 | MT-GLAZE 22K JA 1/10W | ||
| tors | P002 | 401 037 5608 | CARRON JEK JA 1/10W | R417 | * 401 038 6505 | MT-GLAZE 47K JA 1/10W | 1 | R648 * | * 401 038 0800 | MT-GLAZE 22K JA 1/10W | ||||
| ** | 405 104 8905 | TR RN2402-TE85R | 1 | 8003 | 401 039 0402 | MT.GLAZE 9 0K IA 1/40M | R418 | * | 401 038 6505 | MT-GLAZE 47K JA 1/10W | | 1 | | R649 * | * 401 038 6406 | MT-GLAZE 4.7K JA 1/10W | |
| ٠ | 405 127 6100 | TR RN2427-TE85R | 11 | R003 | • 401 033 0403 | MT-GLAZE 0.2K JA 1/10W | R427 | 401 038 0701 | MT-GLAZE 2.2K JA 1/10W | R650 * | * 401 038 6505 | MT-GLAZE 47K JA 1/10W | ||
| ٠ | 405 058 5807 | TR RN1402-TE85R | 1 | B004 | 401 039 0403 | MT-GLAZE 10K JA 1/10W | R428 | 401 038 0701 | MT-GLAZE 2.2K JA 1/10W | 1 | R651 * | * 401 037 5707 | MT-GLAZE 100K JA 1/10W | |
| 405 127 6100 | TR RN2427-TE85R | 1 | B004 | 401 037 5608 | MT-GLAZE 10K JA 1/10W | R429 | 401 038 0701 | MT-GLAZE 2.2K JA 1/10W | R652 | 401 012 6903 | CARBON 10K JA 1/4W | |||
| ••• | 405 045 8705 | TR 2SK536-TA | | 1 | | R005 | 401 016 3700 | CARBON 2.2K JA 1/4W | l i l | R430 | 401 038 0701 | MT-GLAZE 2.2K JA 1/10W | H653 | 401 012 6903 | CARBON 10K JA 1/4W | |
| 405 045 8705 | TR 2SK536-TA | R005 | 401 038 0701 | MT-GLAZE 2.2K JA 1/10W | lil | H431 | 401 037 5608 | MT-GLAZE 10K JA 1/10W | H654 | 401 038 6307 | MI-GLAZE 4/0 JA 1/10W | |||
| 405 090 0600 | TR HN1410-TE85R | R006 ' | 401 037 5103 | MT-GLAZE 10 JA 1/10W | 11 | R432 | 401 037 5608 | MT-GLAZE 10K JA 1/10W | H701 - | 401 038 0701 | MT-GLAZE 2.2K JA 1/10W | |||
| 405 090 0600 | TR RN1410-TE85R | R006 | · 401 037 5608 | MT-GLAZE 10K JA 1/10W | 1 | P400 | 401 037 5608 | MT CLAZE 10K JA 1/10W | B702 | 401 038 7809 | OVIDE ME 220 IA 1W | |||
| 405 127 8807 | TD 2541420-0-1PF2 | R007 | 401 037 5608 | MT-GLAZE 10K JA 1/10W | | 1 | | B435 | 401 038 0701 | MT-GLAZE 2 2K JA 1/10W | B702 | • 401 016 3700 | CARBON 2 2K IA 1/2W | |||
| 405 114 1200 | TR 2581237-P | R008 | 401 037 5707 | MT-GLAZE 100K JA 1/10W | | 1 | | B436 | 401 038 0701 | MT-GLAZE 2.2K JA 1/10W | B703 | 401 038 0800 | MT-GLAZE 22K JA 1/10W | |||
| 405 105 7709 | TB 25B1237-0 | R009 | 401 038 2101 | MT-GLAZE 2.7K JA 1/10W | B447 | 401 038 0701 | MT-GLAZE 2.2K JA 1/10W | - Li L | B704 | * 401 038 0800 | MT-GLAZE 22K JA 1/10W | |||
| 405 030 9205 | TB 25B1237-TV2-B | HOTO | 401 038 0701 | MT-GLAZE 2.2K JA 1/10W | 111 | R448 | 401 038 0800 | MT-GLAZE 22K JA 1/10W | 111 | R704 | 401 037 5608 | MT-GLAZE 10K JA 1/10W | ||
| ** | 405 060 6700 | TR RN1406-TE85R | HU11 | 401 012 5609 | CAHBON 1K JA 1/4W | | ! | | R450 | 401 038 0701 | MT-GLAZE 2.2K JA 1/10W | - i I | R705 | 401 038 6505 | MT-GLAZE 47K JA 1/10W | |
| ٠ | 405 021 1409 | TR 2SD1030-S-TW | H012 | 401 037 5400 | MI-GLAZE 1K JA 1/10W | R451 | 401 038 0701 | MT-GLAZE 2.2K JA 1/10W | 1 | R705 | 401 038 0701 | MT-GLAZE 2.2K JA 1/10W | ||
| 405 127 5905 | TB RN1444-A-TE85R | H012 | 401 021 0602 | CARBON 56 JA 1/4W | R498 * | 401 038 0701 | MT-GLAZE 2.2K JA 1/10W | 1 i L | R706 | 401 114 3602 | OXIDE-MT 10 JA 1/2W | |||
| 405 127 6001 | TR RN1444-B-TE85R | 1 | B013 | 401 012 5609 | MT GLAZE 10K IA 1/10M | R499 * | 401 038 0701 | MT-GLAZE 2.2K JA 1/10W | 1 | R707 | 401 037 5202 | MT-GLAZE 100 JA 1/10W | ||
| 405 127 5905 | TR RN1444-A-TE85R | 1 | B015 * | 401 037 5608 | CARBON 2 2K IA 1/10W | R601 * | 401 037 5608 | MT-GLAZE 10K JA 1/10W | 1 | R708 | 401 037 5608 | MT-GLAZE 10K JA 1/10W | ||
| 405 127 6001 | TR RN1444-B-TE85R | 1 | B016 | 101 037 5600 | MT-GLAZE 10K IA 1/10M | R602 * | 401 037 5608 | MT-GLAZE 10K JA 1/10W | 11 | R709 | · 401 038 5102 | MT-GLAZE 3.9K JA 1/10W | ||
| 1 1010 | 1901 007 0008 | WHI-GEAZE TUR JA 1/10W | 1 | 1 0000 1 | 1 404 007 5000 | NET OF A TE YOUR TA AVAILABLE | A second second | A set of a set of set of a | 1.0100.011 (00.11.11.000) |
Ordering quantity of screws and resistors must be multiple of 10 pcs. " * " indicate FXR-403LD only. " ** " indicate FXC-503LD only.
- 40 -
VOLCE: 1. Fart orders must contain Model Number, Part Number and Description Cordering quantity of screws and resistors must be multiple of 10 pcs. 3. " * " indicate FXR-403LD only. " ** " indicate FXC-503LD only.
- 41 -
| Ref. No. | PART No. | DESCRIPTION | Q'ty |
|---|---|---|---|
| B711 | 401 038 0800 | MT-GLAZE 22K JA 1/10W | 1 |
| B712 | 401 038 0701 | MT-GLAZE 2.2K JA 1/10W | 1 |
| B713 | 401 021 7007 | CARBON 6.8 JA 1/4W | 1 |
| B714 ** | 401 018 2701 | CARBON 330 JA 1/4W | 1 |
| B714 * | 401 038 3504 | MT-GLAZE 330 JA 1/10W | 1 |
| B715 ** | 401 225 6301 | OXIDE-MT 1K JA 1/2W | 1 |
| B715 * | 401 054 8903 | OXIDE-MT 1K JA 1/2W | 1 |
| B716 ** | 401 012 6903 | CARBON 10K JA 1/4W | 1 |
| B716 * | 401 037 5608 | MT-GLAZE 10K JA 1/10W | 1 |
| B717 | 401 038 3504 | MT-GLAZE 330 JA 1/10W | 1 |
| R718 | 401 114 3602 | OXIDE-MT 10 JA 1/2W | 1 |
| R719 ** | 401 037 5608 | MT-GLAZE 10K JA 1/10W | 1 |
| R719 * | 401 038 0800 | MT-GLAZE 22K JA 1/10W | 1 |
| R720 ** | 401 037 5400 | MT-GLAZE 1K JA 1/10W | 1 |
| R720 * | 401 038 6406 | MT-GLAZE 4.7K JA 1/10W | 1 |
| R721 ** | 401 037 6902 | MT-GLAZE 120K JA 1/10W | 1 |
| R721 * | 401 037 5608 | MT-GLAZE 10K JA 1/10W | 1 |
| R722 ** | 401 039 0502 | MT-GLAZE 82K JA 1/10W | 1 |
| R722 * | 401 037 5707 | MT-GLAZE 100K JA 1/10W | 1 |
| R724 ** | 401 038 7700 | MT-GLAZE 5.6K JA 1/10W | 1 |
| R725 ** | 401 038 6406 | MT-GLAZE 4.7K JA 1/10W | 1 |
| R726 ** | 401 037 5004 | MT-GLAZE 0.000 ZA 1/10W | 1 |
| R794 ** | 401 037 5707 | MT-GLAZE 100K JA 1/10W | 1 |
| R795 ** | 401 037 5608 | MT-GLAZE 10K JA 1/10W | 1 |
| R796 ** | 401 038 6505 | MT-GLAZE 47K JA 1/10W | 1 |
| R798 ** | 401 038 6505 | MT-GLAZE 47K JA 1/10W | 1 |
| R799 ** | 401 037 5707 | MT-GLAZE 100K JA 1/10W | |
| R801 ** | 401 037 5400 | MT-GLAZE 1K JA 1/10W | |
| R802 ** | 401 037 5608 | MT-GLAZE 10K JA 1/10W | |
| R803 ** | 401 037 5608 | MT-GLAZE 10K JA 1/10W | |
| R804 ** | 401 038 6406 | MT-GLAZE 4.7K JA 1/10W | |
| R805 ** | 401 038 6406 | MI-GLAZE 4.7K JA 1/10W | |
| R981 ** | 401 037 5004 | MI-GLAZE 0.000 ZA 1/10W | |
| R982 ** | 401 037 5004 | MI-GLAZE 0.000 ZA 1/10W | |
| Others | |||
| ANT01 (12) | 632 586 3665 | SOCKET, ANTENNA | | 1 |
| TH701 | 407 164 2800 | TH PTH61G33AR3R9MT2 | 1 |
| TUN01 115 | 644 004 1771 | ASSY, TUNER EUR FMT-E94 | | 1 |
| X001 ** | 644 001 3372 | RESONATOR, XTAL, 7.2MHZ | | 1 |
| X601 ** | 644 001 2917 | RESONATOR,CERAM,4.19MHZ | 1 |
| X602 ** | 644 001 2924 | RESONATOR, XTAL, 32.768KHZ | | 1 |
| X601 | 644 001 8919 | CRYSTAL RSONATOR 4.5M | 1 |
| Z001 | 644 001 2900 | SURGE PROTECTOR,200V | 1 |
| 411 023 9800 | SCR S-TPG PAN 3X8 | | 1 | |
| 411 152 0402 | SCR S-TPG PAN 3X8 | | 2 | |
| 1 1 | 644 003 2816 | BRACKET-M,IC | | 1 |
| (116) | 644 004 3966 | HEAT SINK | | 1 |
| -L | • | ||
| PA02 SWI | TCH PCB ASSEMBLY |
CN91B (3) 644 003 9334 CONNECTOR-P 12PIN
409 303 9404 IC LC75853W
LCD01 ③ 644 003 9341 LCD A-TYPE LED01 407 164 1605 LED AA1101H-TR LED02 407 164 1605 LED AA1101H-TR
LED03 ** 407 164 1605 LED AA1101H-TR LED03 ** 407 164 1605 LED AA1101H-TR 1 ED04 407 164 1605 LED AA1101H-TR
407 164 1605 LED AA1101H-TR
403 192 5905 CERAMIC 0.1U K 25V 403 192 5905 CERAMIC 0.1U K 25V 403 074 9502 CERAMIC 680P K 50V 403 130 3109 CERAMIC 0.047U K 50V 403 130 3109 CERAMIC 0.047U K 50V
* 401 037 5004 MT-GLAZE 0.000 ZA 1/10W
| LED09 | |||
|---|---|---|---|
| 407 164 1605 | LED AA1101H-TR | 1 | |
| 407 164 1605 | LED AA1101H-TB | 1 | |
| 407 164 1605 | LED AA1101H-TB | 1 | |
| 407 104 1003 | il | ||
| LED13 | 407 164 1605 | ||
| LED14 | 407 164 1605 | LED AA1101H-TH | |
| LED15 | 407 164 1605 | LED AA1101H-TR | 1 |
| LED16 | 407 164 1605 | LED AA1101H-TR | 1 |
| LED17 | 407 164 1605 | LED AA1101H-TR | 1 |
| 407 164 1605 | LED AA1101H-TB | 1 | |
| 407 164 1605 | 1 | ||
| LED19 | 407 164 1605 | 4 | |
| LED20 | 407 164 1605 | LED AATTUTH-TR | |
| LED21 | 407 164 1605 | LED AA1101H-TR | 1 |
| LED22 | 407 164 1605 | LED AA1101H-TR | 1 |
| LED23 | 407 164 1704 | LED BR1101H-TR | 1 |
| Lenn | |||
| Lamp | |||
| PL901 | 644 003 5244 | LAMP T3 HOLDER ASSY AMBER | 1 |
| Transietor | |||
| Transistor | |||
| Q901 | 405 001 0507 | TR RN1403-TR | 1 |
| Desisters | |||
| Resistors | |||
| R901 | 401 037 5400 | MT-GLAZE 1K JA 1/10W | | 1 | |
| BOUS | 401 037 5400 | MT-GLAZE 1K JA 1/10W | |
| D002 ** | 401 037 5400 | MT-GLAZE 1K JA 1/10W | 1 |
| N903 | 401 037 5400 | ||
| H903 * | 401 03/ 6/04 | ||
| R904 ** | 401 037 5400 | MI-GLAZE 1K JA 1/10W | |
| R904 * | 401 037 6704 | MT-GLAZE 1.2K JA 1/10W | | 1 | |
| R907 | 401 038 6406 | MT-GLAZE 4.7K JA 1/10W | | 1 | |
| B908 | 401 038 6406 | MT-GLAZE 4.7K JA 1/10W | | 1 | |
| Pooo | 401 037 6704 | MT-GLAZE 1 2K JA 1/10W | 1 |
| H909 | 401 037 0704 | ||
| R910 | 401 037 6704 | ||
| R911 | 401 037 6704 | MT-GLAZE 1.2K JA 1/10W | |
| R912 | 401 037 6704 | MT-GLAZE 1.2K JA 1/10W | |
| R913 | 401 037 5400 | MT-GLAZE 1K JA 1/10W | | 1 | |
| B914 | 401 037 5400 | MT-GLAZE 1K JA 1/10W | | 1 | |
| R015 | 401 037 5400 | MT-GLAZE 1K JA 1/10W | 1 |
| 401 037 5400 | MT GLAZE 1K IA 1/10W | 1 | |
| RUID | 401 037 5400 | ||
| R917 | 401 038 7809 | MI-GLAZE SON JA 1/10W | |
| R918 | 401 037 5608 | MI-GLAZE TUK JA 1/10W | |
| R919 | 401 037 5608 | MT-GLAZE 10K JA 1/10W | 1 |
| R920 | 401 037 5608 | MT-GLAZE 10K JA 1/10W | 1 |
| B921 | 401 037 5608 | MT-GLAZE 10K JA 1/10W | 1 |
| D022 | 401 037 5608 | MT-GLAZE 10K JA 1/10W | 1 |
| D000 | 401 007 5000 | MT GLAZE 10K IA 1/10W | 1 |
| R923 | 401 037 5606 | WIT-GLAZE TOK SA 1/10W | |
| 101 000 7700 | 1 | ||
| R924 | 401 038 7700 | MT-GLAZE 5.6K JA 1/10W | 1 |
|
R924
R925 |
401 038 7700
402 064 3209 |
MT-GLAZE 5.6K JA 1/10W
MT-GLAZE 18 JA 1/2W |
1 |
|
R924
R925 Switches |
401 038 7700
402 064 3209 |
MT-GLAZE 5.6K JA 1/10W
MT-GLAZE 18 JA 1/2W |
1 |
|
R924
R925 Switches |
401 038 7700
402 064 3209 |
MT-GLAZE 5.6K JA 1/10W
MT-GLAZE 18 JA 1/2W |
1 |
|
R924
R925 Switches SW901 ** |
401 038 7700
402 064 3209 644 003 5152 |
MT-GLAZE 5.6K JA 1/10W
MT-GLAZE 18 JA 1/2W SWITCH,TACT,ALPS SKQMAB |
1 |
|
R924
R925 Switches SW901 ** SW902 |
401 038 7700
402 064 3209 644 003 5152 644 003 5152 |
MT-GLAZE 5.6K JA 1/10W
MT-GLAZE 18 JA 1/2W SWITCH,TACT,ALPS SKQMAB SWITCH,TACT,ALPS SKQMAB |
1 |
|
R924
R925 Switches SW901 ** SW902 SW903 |
401 038 7700
402 064 3209 644 003 5152 644 003 5152 644 003 5152 |
MT-GLAZE 5.6K JA 1/10W
MT-GLAZE 18 JA 1/2W SWITCH,TACT,ALPS SKQMAB SWITCH,TACT,ALPS SKQMAB SWITCH,TACT,ALPS SKQMAB |
1 1 |
| R924 R925 Switches SW901 ** SW902 SW903 SW904 ** |
401 038 7700
402 064 3209 644 003 5152 644 003 5152 644 003 5152 644 003 5152 |
MT-GLAZE 5.6K JA 1/10W
MT-GLAZE 18 JA 1/2W SWITCH,TACT,ALPS SKQMAB SWITCH,TACT,ALPS SKQMAB SWITCH,TACT,ALPS SKQMAB SWITCH,TACT,ALPS SKQMAB |
1
1 1 1 1 1 |
|
R924
R925 Switches SW901 ** SW902 SW903 SW904 SW905 |
401 038 7700
402 064 3209 644 003 5152 644 003 5152 644 003 5152 644 003 5152 644 003 5152 644 003 5152 |
MT-GLAZE 5.6K JA 1/10W
MT-GLAZE 18 JA 1/2W SWITCH,TACT,ALPS SKQMAB SWITCH,TACT,ALPS SKQMAB SWITCH,TACT,ALPS SKQMAB SWITCH,TACT,ALPS SKQMAB |
1
1 1 1 1 1 1 |
| R924 R925 Switches SW901 ** SW902 SW903 SW904 SW905 SW906 SW906 |
401 038 7700
402 064 3209 644 003 5152 644 003 5152 644 003 5152 644 003 5152 644 003 5152 644 003 5152 |
MT-GLAZE 5.6K JA 1/10W
MT-GLAZE 18 JA 1/2W SWITCH,TACT,ALPS SKQMAB SWITCH,TACT,ALPS SKQMAB SWITCH,TACT,ALPS SKQMAB SWITCH,TACT,ALPS SKQMAB SWITCH,TACT,ALPS SKQMAB |
1
1 1 1 1 1 1 1 |
| R924 R925 Switches SW901 ** SW902 sw903 SW904 sw905 SW906 sw907 |
401 038 7700
402 064 3209 644 003 5152 644 003 5152 644 003 5152 644 003 5152 644 003 5152 644 003 5152 644 003 5152 |
MT-GLAZE 5.6K JA 1/10W
MT-GLAZE 18 JA 1/2W SWITCH,TACT,ALPS SKQMAB SWITCH,TACT,ALPS SKQMAB SWITCH,TACT,ALPS SKQMAB SWITCH,TACT,ALPS SKQMAB SWITCH,TACT,ALPS SKQMAB SWITCH,TACT,ALPS SKQMAB |
1
1 1 1 1 1 1 1 |
| R924 R925 Switches SW901 ** SW902 SW903 SW904 SW905 SW906 SW907 |
401 038 7700
402 064 3209 644 003 5152 644 003 5152 644 003 5152 644 003 5152 644 003 5152 644 003 5152 644 003 5152 644 003 5152 |
MT-GLAZE 5.6K JA 1/10W
MT-GLAZE 18 JA 1/2W SWITCH, TACT, ALPS SKQMAB SWITCH, TACT, ALPS SKQMAB SWITCH, TACT, ALPS SKQMAB SWITCH, TACT, ALPS SKQMAB SWITCH, TACT, ALPS SKQMAB SWITCH, TACT, ALPS SKQMAB SWITCH, TACT, ALPS SKQMAB |
1
1 1 1 1 1 1 1 1 1 |
| R924 R925 Switches SW901 ** SW902 SW903 SW904 SW905 SW905 SW906 SW907 SW908 |
401 038 7700
402 064 3209 644 003 5152 644 003 5152 644 003 5152 644 003 5152 644 003 5152 644 003 5152 644 003 5152 644 003 5152 644 003 5152 |
MT-GLAZE 5.6K JA 1/10W
MT-GLAZE 18 JA 1/2W SWITCH, TACT, ALPS SKQMAB SWITCH, TACT, ALPS SKQMAB SWITCH, TACT, ALPS SKQMAB SWITCH, TACT, ALPS SKQMAB SWITCH, TACT, ALPS SKQMAB SWITCH, TACT, ALPS SKQMAB SWITCH, TACT, ALPS SKQMAB SWITCH, TACT, ALPS SKQMAB |
|
| R924 R925 Switches SW901 ** SW902 $ SW903 $ SW904 $ SW905 $ SW906 $ SW907 $ SW908 $ |
401 038 7700
402 064 3209 644 003 5152 644 003 5152 644 003 5152 644 003 5152 644 003 5152 644 003 5152 644 003 5152 644 003 5152 644 003 5152 |
MT-GLAZE 5.6K JA 1/10W
MT-GLAZE 18 JA 1/2W SWITCH,TACT,ALPS SKQMAB SWITCH,TACT,ALPS SKQMAB SWITCH,TACT,ALPS SKQMAB SWITCH,TACT,ALPS SKQMAB SWITCH,TACT,ALPS SKQMAB SWITCH,TACT,ALPS SKQMAB SWITCH,TACT,ALPS SKQMAB SWITCH,TACT,ALPS SKQMAB |
|
| R924 R925 Switches SW901 ** SW902 sw903 SW904 sw905 SW905 sw906 SW907 sw908 SW908 sw909 SW910 sw910 |
401 038 7700
402 064 3209 644 003 5152 644 003 5152 644 003 5152 644 003 5152 644 003 5152 644 003 5152 644 003 5152 644 003 5152 644 003 5152 |
MT-GLAZE 5.6K JA 1/10W
MT-GLAZE 18 JA 1/2W SWITCH,TACT,ALPS SKQMAB SWITCH,TACT,ALPS SKQMAB SWITCH,TACT,ALPS SKQMAB SWITCH,TACT,ALPS SKQMAB SWITCH,TACT,ALPS SKQMAB SWITCH,TACT,ALPS SKQMAB SWITCH,TACT,ALPS SKQMAB SWITCH,TACT,ALPS SKQMAB |
|
| R924 R925 Switches SW901 ** SW902 SW903 SW904 SW904 SW905 SW906 SW907 SW908 SW909 SW910 SW911 SW911 |
401 038 7700
402 064 3209 644 003 5152 644 003 5152 644 003 5152 644 003 5152 644 003 5152 644 003 5152 644 003 5152 644 003 5152 644 003 5152 644 003 5152 644 003 5152 |
MT-GLAZE 5.6K JA 1/10W
MT-GLAZE 18 JA 1/2W SWITCH, TACT, ALPS SKQMAB SWITCH, TACT, ALPS SKQMAB SWITCH, TACT, ALPS SKQMAB SWITCH, TACT, ALPS SKQMAB SWITCH, TACT, ALPS SKQMAB SWITCH, TACT, ALPS SKQMAB SWITCH, TACT, ALPS SKQMAB SWITCH, TACT, ALPS SKQMAB SWITCH, TACT, ALPS SKQMAB |
|
| R924 R925 Switches SW901 ** SW902 SW903 SW904 SW905 SW905 SW906 SW907 SW908 SW909 SW910 SW910 SW911 SW912 SW912 |
401 038 7700
402 064 3209 644 003 5152 644 003 5152 644 003 5152 644 003 5152 644 003 5152 644 003 5152 644 003 5152 644 003 5152 644 003 5152 644 003 5152 644 003 5152 |
MT-GLAZE 5.6K JA 1/10W
MT-GLAZE 18 JA 1/2W SWITCH,TACT,ALPS SKQMAB SWITCH,TACT,ALPS SKQMAB SWITCH,TACT,ALPS SKQMAB SWITCH,TACT,ALPS SKQMAB SWITCH,TACT,ALPS SKQMAB SWITCH,TACT,ALPS SKQMAB SWITCH,TACT,ALPS SKQMAB SWITCH,TACT,ALPS SKQMAB SWITCH,TACT,ALPS SKQMAB SWITCH,TACT,ALPS SKQMAB |
|
| R924 R925 Switches SW901 ** SW902 $ SW903 $ SW904 $ SW905 $ SW906 $ SW907 $ SW908 $ SW909 $ SW910 $ SW911 $ SW914 $ |
401 038 7700
402 064 3209 644 003 5152 644 003 5152 644 003 5152 644 003 5152 644 003 5152 644 003 5152 644 003 5152 644 003 5152 644 003 5152 644 003 5152 644 003 5152 644 003 5152 |
MT-GLAZE 5.6K JA 1/10W
MT-GLAZE 18 JA 1/2W SWITCH,TACT,ALPS SKQMAB SWITCH,TACT,ALPS SKQMAB SWITCH,TACT,ALPS SKQMAB SWITCH,TACT,ALPS SKQMAB SWITCH,TACT,ALPS SKQMAB SWITCH,TACT,ALPS SKQMAB SWITCH,TACT,ALPS SKQMAB SWITCH,TACT,ALPS SKQMAB SWITCH,TACT,ALPS SKQMAB SWITCH,TACT,ALPS SKQMAB SWITCH,TACT,ALPS SKQMAB SWITCH,TACT,ALPS SKQMAB |
|
| R924 R925 Switches SW901 ** SW902 SW903 SW904 SW905 SW905 SW906 SW907 SW908 SW909 SW910 SW911 SW912 SW914 SW915 |
401 038 7700
402 064 3209 644 003 5152 644 003 5152 644 003 5152 644 003 5152 644 003 5152 644 003 5152 644 003 5152 644 003 5152 644 003 5152 644 003 5152 644 003 5152 644 003 5152 644 003 5152 |
MT-GLAZE 5.6K JA 1/10W
MT-GLAZE 18 JA 1/2W SWITCH, TACT, ALPS SKQMAB SWITCH, TACT, ALPS SKQMAB SWITCH, TACT, ALPS SKQMAB SWITCH, TACT, ALPS SKQMAB SWITCH, TACT, ALPS SKQMAB SWITCH, TACT, ALPS SKQMAB SWITCH, TACT, ALPS SKQMAB SWITCH, TACT, ALPS SKQMAB SWITCH, TACT, ALPS SKQMAB SWITCH, TACT, ALPS SKQMAB SWITCH, TACT, ALPS SKQMAB SWITCH, TACT, ALPS SKQMAB SWITCH, TACT, ALPS SKQMAB SWITCH, TACT, ALPS SKQMAB |
|
| R924 R925 Switches SW901 SW902 SW903 SW904 SW905 SW906 SW907 SW908 SW909 SW910 SW911 SW912 SW914 SW915 SW915 |
401 038 7700
402 064 3209 644 003 5152 644 003 5152 644 003 5152 644 003 5152 644 003 5152 644 003 5152 644 003 5152 644 003 5152 644 003 5152 644 003 5152 644 003 5152 644 003 5152 644 003 5152 644 003 5152 644 003 5152 644 003 5152 |
MT-GLAZE 5.6K JA 1/10W
MT-GLAZE 18 JA 1/2W SWITCH, TACT, ALPS SKQMAB SWITCH, TACT, ALPS SKQMAB SWITCH, TACT, ALPS SKQMAB SWITCH, TACT, ALPS SKQMAB SWITCH, TACT, ALPS SKQMAB SWITCH, TACT, ALPS SKQMAB SWITCH, TACT, ALPS SKQMAB SWITCH, TACT, ALPS SKQMAB SWITCH, TACT, ALPS SKQMAB SWITCH, TACT, ALPS SKQMAB SWITCH, TACT, ALPS SKQMAB SWITCH, TACT, ALPS SKQMAB SWITCH, TACT, ALPS SKQMAB SWITCH, TACT, ALPS SKQMAB SWITCH, TACT, ALPS SKQMAB |
|
| R924 R925 Switches SW901 ** SW902 SW903 SW904 SW905 SW905 SW906 SW907 SW908 SW909 SW910 SW911 SW912 SW914 SW915 SW915 SW916 |
401 038 7700
402 064 3209 644 003 5152 644 003 5152 644 003 5152 644 003 5152 644 003 5152 644 003 5152 644 003 5152 644 003 5152 644 003 5152 644 003 5152 644 003 5152 644 003 5152 644 003 5152 644 003 5152 644 003 5152 644 003 5152 |
MT-GLAZE 5.6K JA 1/10W
MT-GLAZE 18 JA 1/2W SWITCH, TACT, ALPS SKQMAB SWITCH, TACT, ALPS SKQMAB SWITCH, TACT, ALPS SKQMAB SWITCH, TACT, ALPS SKQMAB SWITCH, TACT, ALPS SKQMAB SWITCH, TACT, ALPS SKQMAB SWITCH, TACT, ALPS SKQMAB SWITCH, TACT, ALPS SKQMAB SWITCH, TACT, ALPS SKQMAB SWITCH, TACT, ALPS SKQMAB SWITCH, TACT, ALPS SKQMAB SWITCH, TACT, ALPS SKQMAB SWITCH, TACT, ALPS SKQMAB SWITCH, TACT, ALPS SKQMAB SWITCH, TACT, ALPS SKQMAB SWITCH, TACT, ALPS SKQMAB SWITCH, TACT, ALPS SKQMAB SWITCH, TACT, ALPS SKQMAB |
|
| R924 R925 Switches SW901 ** SW902 sW903 SW904 sW905 SW905 sW906 SW907 sW908 SW909 sW910 SW911 sW912 SW914 sW915 SW915 sW916 SW917 sW917 |
401 038 7700
402 064 3209 644 003 5152 644 003 5152 644 003 5152 644 003 5152 644 003 5152 644 003 5152 644 003 5152 644 003 5152 644 003 5152 644 003 5152 644 003 5152 644 003 5152 644 003 5152 644 003 5152 644 003 5152 |
MT-GLAZE 5.6K JA 1/10W
MT-GLAZE 18 JA 1/2W SWITCH,TACT,ALPS SKQMAB SWITCH,TACT,ALPS SKQMAB SWITCH,TACT,ALPS SKQMAB SWITCH,TACT,ALPS SKQMAB SWITCH,TACT,ALPS SKQMAB SWITCH,TACT,ALPS SKQMAB SWITCH,TACT,ALPS SKQMAB SWITCH,TACT,ALPS SKQMAB SWITCH,TACT,ALPS SKQMAB SWITCH,TACT,ALPS SKQMAB SWITCH,TACT,ALPS SKQMAB SWITCH,TACT,ALPS SKQMAB SWITCH,TACT,ALPS SKQMAB SWITCH,TACT,ALPS SKQMAB SWITCH,TACT,ALPS SKQMAB SWITCH,TACT,ALPS SKQMAB |
|
| R924 R925 Switches SW901 ** SW902 SW903 SW904 SW905 SW905 SW906 SW907 SW908 SW909 SW910 SW910 SW911 SW912 SW914 SW915 SW916 SW917 SW918 |
401 038 7700
402 064 3209 644 003 5152 644 003 5152 644 003 5152 644 003 5152 644 003 5152 644 003 5152 644 003 5152 644 003 5152 644 003 5152 644 003 5152 644 003 5152 644 003 5152 644 003 5152 644 003 5152 644 003 5152 644 003 5152 644 003 5152 |
MT-GLAZE 5.6K JA 1/10W
MT-GLAZE 18 JA 1/2W SWITCH,TACT,ALPS SKQMAB SWITCH,TACT,ALPS SKQMAB SWITCH,TACT,ALPS SKQMAB SWITCH,TACT,ALPS SKQMAB SWITCH,TACT,ALPS SKQMAB SWITCH,TACT,ALPS SKQMAB SWITCH,TACT,ALPS SKQMAB SWITCH,TACT,ALPS SKQMAB SWITCH,TACT,ALPS SKQMAB SWITCH,TACT,ALPS SKQMAB SWITCH,TACT,ALPS SKQMAB SWITCH,TACT,ALPS SKQMAB SWITCH,TACT,ALPS SKQMAB SWITCH,TACT,ALPS SKQMAB SWITCH,TACT,ALPS SKQMAB SWITCH,TACT,ALPS SKQMAB SWITCH,TACT,ALPS SKQMAB SWITCH,TACT,ALPS SKQMAB SWITCH,TACT,ALPS SKQMAB |
|
| R924 R925 Switches SW901 ** SW902 SW903 SW904 SW905 SW905 SW906 SW907 SW908 SW909 SW910 SW911 SW912 SW912 SW914 SW915 SW916 SW917 SW918 SW919 SW919 |
401 038 7700
402 064 3209 644 003 5152 644 003 5152 644 003 5152 644 003 5152 644 003 5152 644 003 5152 644 003 5152 644 003 5152 644 003 5152 644 003 5152 644 003 5152 644 003 5152 644 003 5152 644 003 5152 644 003 5152 644 003 5152 644 003 5152 644 003 5152 644 003 5152 |
MT-GLAZE 18 JA 1/10W
MT-GLAZE 18 JA 1/2W SWITCH, TACT, ALPS SKQMAB SWITCH, TACT, ALPS SKQMAB SWITCH, TACT, ALPS SKQMAB SWITCH, TACT, ALPS SKQMAB SWITCH, TACT, ALPS SKQMAB SWITCH, TACT, ALPS SKQMAB SWITCH, TACT, ALPS SKQMAB SWITCH, TACT, ALPS SKQMAB SWITCH, TACT, ALPS SKQMAB SWITCH, TACT, ALPS SKQMAB SWITCH, TACT, ALPS SKQMAB SWITCH, TACT, ALPS SKQMAB SWITCH, TACT, ALPS SKQMAB SWITCH, TACT, ALPS SKQMAB SWITCH, TACT, ALPS SKQMAB SWITCH, TACT, ALPS SKQMAB SWITCH, TACT, ALPS SKQMAB SWITCH, TACT, ALPS SKQMAB SWITCH, TACT, ALPS SKQMAB SWITCH, TACT, ALPS SKQMAB SWITCH, TACT, ALPS SKQMAB |
|
| R924 R925 Switches SW901 ** SW902 $ SW903 $ SW904 $ SW905 $ SW906 $ SW907 $ SW908 $ SW909 $ SW910 $ SW911 $ SW912 $ SW914 $ SW915 $ SW916 $ SW917 $ SW918 $ SW919 $ SW919 $ |
401 038 7700
402 064 3209 644 003 5152 644 003 5152 644 003 5152 644 003 5152 644 003 5152 644 003 5152 644 003 5152 644 003 5152 644 003 5152 644 003 5152 644 003 5152 644 003 5152 644 003 5152 644 003 5152 644 003 5152 644 003 5152 644 003 5152 644 003 5152 644 003 5152 644 003 5152 |
MT-GLAZE 18 JA 1/10W
MT-GLAZE 18 JA 1/2W SWITCH, TACT, ALPS SKQMAB SWITCH, TACT, ALPS SKQMAB SWITCH, TACT, ALPS SKQMAB SWITCH, TACT, ALPS SKQMAB SWITCH, TACT, ALPS SKQMAB SWITCH, TACT, ALPS SKQMAB SWITCH, TACT, ALPS SKQMAB SWITCH, TACT, ALPS SKQMAB SWITCH, TACT, ALPS SKQMAB SWITCH, TACT, ALPS SKQMAB SWITCH, TACT, ALPS SKQMAB SWITCH, TACT, ALPS SKQMAB SWITCH, TACT, ALPS SKQMAB SWITCH, TACT, ALPS SKQMAB SWITCH, TACT, ALPS SKQMAB SWITCH, TACT, ALPS SKQMAB SWITCH, TACT, ALPS SKQMAB SWITCH, TACT, ALPS SKQMAB SWITCH, TACT, ALPS SKQMAB SWITCH, TACT, ALPS SKQMAB SWITCH, TACT, ALPS SKQMAB SWITCH, TACT, ALPS SKQMAB SWITCH, TACT, ALPS SKQMAB |
|
| R924 R925 Switches SW901 SW902 SW903 SW904 SW905 SW906 SW907 SW908 SW909 SW910 SW911 SW912 SW914 SW915 SW916 SW917 SW918 SW919 SW919 SW920 SW920 |
401 038 7700
402 064 3209 644 003 5152 644 003 5152 644 003 5152 644 003 5152 644 003 5152 644 003 5152 644 003 5152 644 003 5152 644 003 5152 644 003 5152 644 003 5152 644 003 5152 644 003 5152 644 003 5152 644 003 5152 644 003 5152 644 003 5152 644 003 5152 644 003 5152 644 003 5152 644 003 5152 |
MT-GLAZE 5.6K JA 1/10W
MT-GLAZE 18 JA 1/2W SWITCH,TACT,ALPS SKQMAB SWITCH,TACT,ALPS SKQMAB SWITCH,TACT,ALPS SKQMAB SWITCH,TACT,ALPS SKQMAB SWITCH,TACT,ALPS SKQMAB SWITCH,TACT,ALPS SKQMAB SWITCH,TACT,ALPS SKQMAB SWITCH,TACT,ALPS SKQMAB SWITCH,TACT,ALPS SKQMAB SWITCH,TACT,ALPS SKQMAB SWITCH,TACT,ALPS SKQMAB SWITCH,TACT,ALPS SKQMAB SWITCH,TACT,ALPS SKQMAB SWITCH,TACT,ALPS SKQMAB SWITCH,TACT,ALPS SKQMAB SWITCH,TACT,ALPS SKQMAB SWITCH,TACT,ALPS SKQMAB SWITCH,TACT,ALPS SKQMAB SWITCH,TACT,ALPS SKQMAB SWITCH,TACT,ALPS SKQMAB SWITCH,TACT,ALPS SKQMAB SWITCH,TACT,ALPS SKQMAB SWITCH,TACT,ALPS SKQMAB SWITCH,TACT,ALPS SKQMAB |
|
| R924 R925 Switches SW901 SW902 SW903 SW904 SW905 SW906 SW907 SW908 SW909 SW910 SW911 SW912 SW914 SW915 SW916 SW917 SW918 SW919 SW920 SW921 Others |
401 038 7700
402 064 3209 644 003 5152 644 003 5152 644 003 5152 644 003 5152 644 003 5152 644 003 5152 644 003 5152 644 003 5152 644 003 5152 644 003 5152 644 003 5152 644 003 5152 644 003 5152 644 003 5152 644 003 5152 644 003 5152 644 003 5152 644 003 5152 644 003 5152 644 003 5152 644 003 5152 644 003 5152 644 003 5152 644 003 5152 |
MT-GLAZE 5.6K JA 1/10W
MT-GLAZE 18 JA 1/2W SWITCH,TACT,ALPS SKQMAB SWITCH,TACT,ALPS SKQMAB SWITCH,TACT,ALPS SKQMAB SWITCH,TACT,ALPS SKQMAB SWITCH,TACT,ALPS SKQMAB SWITCH,TACT,ALPS SKQMAB SWITCH,TACT,ALPS SKQMAB SWITCH,TACT,ALPS SKQMAB SWITCH,TACT,ALPS SKQMAB SWITCH,TACT,ALPS SKQMAB SWITCH,TACT,ALPS SKQMAB SWITCH,TACT,ALPS SKQMAB SWITCH,TACT,ALPS SKQMAB SWITCH,TACT,ALPS SKQMAB SWITCH,TACT,ALPS SKQMAB SWITCH,TACT,ALPS SKQMAB SWITCH,TACT,ALPS SKQMAB SWITCH,TACT,ALPS SKQMAB SWITCH,TACT,ALPS SKQMAB SWITCH,TACT,ALPS SKQMAB SWITCH,TACT,ALPS SKQMAB SWITCH,TACT,ALPS SKQMAB SWITCH,TACT,ALPS SKQMAB SWITCH,TACT,ALPS SKQMAB |
|
| R924 R925 Switches SW901 ** SW902 SW903 SW904 SW905 SW905 SW906 SW907 SW908 SW909 SW910 SW911 SW912 SW915 SW916 SW917 SW918 SW918 SW919 SW920 SW921 Others Guide State |
401 038 7700
402 064 3209 644 003 5152 644 003 5152 644 003 5152 644 003 5152 644 003 5152 644 003 5152 644 003 5152 644 003 5152 644 003 5152 644 003 5152 644 003 5152 644 003 5152 644 003 5152 644 003 5152 644 003 5152 644 003 5152 644 003 5152 644 003 5152 644 003 5152 644 003 5152 644 003 5152 644 003 5152 644 003 5152 644 003 5152 644 003 5152 644 003 5152 |
MT-GLAZE 5.6K JA 1/10W
MT-GLAZE 18 JA 1/2W SWITCH,TACT,ALPS SKQMAB SWITCH,TACT,ALPS SKQMAB SWITCH,TACT,ALPS SKQMAB SWITCH,TACT,ALPS SKQMAB SWITCH,TACT,ALPS SKQMAB SWITCH,TACT,ALPS SKQMAB SWITCH,TACT,ALPS SKQMAB SWITCH,TACT,ALPS SKQMAB SWITCH,TACT,ALPS SKQMAB SWITCH,TACT,ALPS SKQMAB SWITCH,TACT,ALPS SKQMAB SWITCH,TACT,ALPS SKQMAB SWITCH,TACT,ALPS SKQMAB SWITCH,TACT,ALPS SKQMAB SWITCH,TACT,ALPS SKQMAB SWITCH,TACT,ALPS SKQMAB SWITCH,TACT,ALPS SKQMAB SWITCH,TACT,ALPS SKQMAB SWITCH,TACT,ALPS SKQMAB SWITCH,TACT,ALPS SKQMAB SWITCH,TACT,ALPS SKQMAB SWITCH,TACT,ALPS SKQMAB SWITCH,TACT,ALPS SKQMAB SWITCH,TACT,ALPS SKQMAB |
|
| R924 R925 Switches SW901 ** SW902 SW902 SW903 SW904 SW904 SW905 SW905 SW906 SW907 SW908 SW908 SW909 SW910 SW911 SW912 SW914 SW915 SW916 SW917 SW918 SW919 SW920 SW921 Others |
401 038 7700
402 064 3209 644 003 5152 644 003 5152 644 003 5152 644 003 5152 644 003 5152 644 003 5152 644 003 5152 644 003 5152 644 003 5152 644 003 5152 644 003 5152 644 003 5152 644 003 5152 644 003 5152 644 003 5152 644 003 5152 644 003 5152 644 003 5152 644 003 5152 644 003 5152 644 003 5152 644 003 5152 644 003 5152 644 003 5152 |
MT-GLAZE 5.6K JA 1/10W
MT-GLAZE 18 JA 1/2W SWITCH, TACT, ALPS SKQMAB SWITCH, TACT, ALPS SKQMAB SWITCH, TACT, ALPS SKQMAB SWITCH, TACT, ALPS SKQMAB SWITCH, TACT, ALPS SKQMAB SWITCH, TACT, ALPS SKQMAB SWITCH, TACT, ALPS SKQMAB SWITCH, TACT, ALPS SKQMAB SWITCH, TACT, ALPS SKQMAB SWITCH, TACT, ALPS SKQMAB SWITCH, TACT, ALPS SKQMAB SWITCH, TACT, ALPS SKQMAB SWITCH, TACT, ALPS SKQMAB SWITCH, TACT, ALPS SKQMAB SWITCH, TACT, ALPS SKQMAB SWITCH, TACT, ALPS SKQMAB SWITCH, TACT, ALPS SKQMAB SWITCH, TACT, ALPS SKQMAB SWITCH, TACT, ALPS SKQMAB SWITCH, TACT, ALPS SKQMAB SWITCH, TACT, ALPS SKQMAB SWITCH, TACT, ALPS SKQMAB SWITCH, TACT, ALPS SKQMAB SWITCH, TACT, ALPS SKQMAB SWITCH, TACT, ALPS SKQMAB SWITCH, TACT, ALPS SKQMAB |
|
| R924 R925 Switches SW901 ** SW902 SW902 SW903 SW904 SW905 SW906 SW906 SW907 SW908 SW909 SW910 SW910 SW911 SW912 SW914 SW915 SW915 SW916 SW917 SW918 SW919 SW920 SW921 Others 28 27 |
401 038 7700
402 064 3209 644 003 5152 644 003 5152 644 003 5152 644 003 5152 644 003 5152 644 003 5152 644 003 5152 644 003 5152 644 003 5152 644 003 5152 644 003 5152 644 003 5152 644 003 5152 644 003 5152 644 003 5152 644 003 5152 644 003 5152 644 003 5152 644 003 5152 644 003 5152 644 003 5152 644 003 5152 644 003 5152 644 003 5152 644 003 5152 644 003 5152 644 003 5152 |
MT-GLAZE 5.6K JA 1/10W
MT-GLAZE 18 JA 1/2W SWITCH,TACT,ALPS SKQMAB SWITCH,TACT,ALPS SKQMAB SWITCH,TACT,ALPS SKQMAB SWITCH,TACT,ALPS SKQMAB SWITCH,TACT,ALPS SKQMAB SWITCH,TACT,ALPS SKQMAB SWITCH,TACT,ALPS SKQMAB SWITCH,TACT,ALPS SKQMAB SWITCH,TACT,ALPS SKQMAB SWITCH,TACT,ALPS SKQMAB SWITCH,TACT,ALPS SKQMAB SWITCH,TACT,ALPS SKQMAB SWITCH,TACT,ALPS SKQMAB SWITCH,TACT,ALPS SKQMAB SWITCH,TACT,ALPS SKQMAB SWITCH,TACT,ALPS SKQMAB SWITCH,TACT,ALPS SKQMAB SWITCH,TACT,ALPS SKQMAB SWITCH,TACT,ALPS SKQMAB SWITCH,TACT,ALPS SKQMAB SWITCH,TACT,ALPS SKQMAB SWITCH,TACT,ALPS SKQMAB SWITCH,TACT,ALPS SKQMAB SWITCH,TACT,ALPS SKQMAB SWITCH,TACT,ALPS SKQMAB SWITCH,TACT,ALPS SKQMAB SWITCH,TACT,ALPS SKQMAB |
|
| R924 R925 Switches SW901 SW902 SW903 SW904 SW905 SW906 SW907 SW908 SW909 SW910 SW911 SW912 SW914 SW915 SW916 SW917 SW918 SW919 SW920 SW921 Others (20) |
401 038 7700
402 064 3209 644 003 5152 644 003 5152 644 003 5152 644 003 5152 644 003 5152 644 003 5152 644 003 5152 644 003 5152 644 003 5152 644 003 5152 644 003 5152 644 003 5152 644 003 5152 644 003 5152 644 003 5152 644 003 5152 644 003 5152 644 003 5152 644 003 5152 644 003 5152 644 003 5152 644 003 5152 644 003 2854 644 003 2854 644 003 2854 |
MT-GLAZE 5.6K JA 1/10W
MT-GLAZE 18 JA 1/2W SWITCH,TACT,ALPS SKQMAB SWITCH,TACT,ALPS SKQMAB SWITCH,TACT,ALPS SKQMAB SWITCH,TACT,ALPS SKQMAB SWITCH,TACT,ALPS SKQMAB SWITCH,TACT,ALPS SKQMAB SWITCH,TACT,ALPS SKQMAB SWITCH,TACT,ALPS SKQMAB SWITCH,TACT,ALPS SKQMAB SWITCH,TACT,ALPS SKQMAB SWITCH,TACT,ALPS SKQMAB SWITCH,TACT,ALPS SKQMAB SWITCH,TACT,ALPS SKQMAB SWITCH,TACT,ALPS SKQMAB SWITCH,TACT,ALPS SKQMAB SWITCH,TACT,ALPS SKQMAB SWITCH,TACT,ALPS SKQMAB SWITCH,TACT,ALPS SKQMAB SWITCH,TACT,ALPS SKQMAB SWITCH,TACT,ALPS SKQMAB SWITCH,TACT,ALPS SKQMAB SWITCH,TACT,ALPS SKQMAB SWITCH,TACT,ALPS SKQMAB SWITCH,TACT,ALPS SKQMAB SWITCH,TACT,ALPS SKQMAB SWITCH,TACT,ALPS SKQMAB SWITCH,TACT,ALPS SKQMAB |
DESCRIPTION
Ref. No. PART No.
Q'tv
NOTES: 1. Part orders must contain Model Number, Part Number and Description.
Ordering quantity of screws and resistors must be multiple of 10 pcs. " * " indicate FXR-403LD only. " ** " indicate FXC-503LD only.
Connector
Capacitors
C901 C902 C903 C904 C905 ĪC
IC901 Chip Jumper JC901 * 4
| Ref. No. | PART No. | DESCRIPTION | Q'ty | Ref. No | |
|---|---|---|---|---|---|
| 29 | 644 003 2700 | HOLDER,LCD | 1 | R682 | |
| L | R683 | ||||
| PA03 FUS | SE P.C.B. ASSEMBLY | R685 | |||
| Connector | s | Other | |||
| CN402 ** | 644 004 7711 | CONNECTOR-P,4PIN | 1 | (117) | |
| CN702 ** | 644 004 9234 | PLUG,2P,PINHEADER N028-1 | |||
| CN704 * | 644 004 9234 | PLUG.2P, PINHEADER N028-1 | F | ۶A | |
| Capacitors | i | Connect | ors | ||
| C431 ** | 403 042 0708 | ELECT 10U M 16V | CN101 | ** | |
| C432 ** | 403 042 0708 | ELECT 10U M 16V | i | CN301 | ** |
| C498 ** | 403 009 5807 | CERAMIC 100P J 50V | 1 | CN401 | ** |
| C499 ** | 403 009 5807 | CERAMIC 100P J 50V | Capacito | rs | |
| Fuse | C301 | ** | |||
| F/01 | 423 023 3900 | FUSE 32V 10A | 1 | C302 | ** |
| Chip jumpe | er | ······ | C304 | ** | |
| JC070 ** | 401 037 5004 | MT-GLAZE 0.000 ZA 1/10W | 1 | C305 | ** |
| Transistors | S | C306 | ** | ||
| Q406 ** | 405 127 5905 | TR RN1444-A-TE85R | 1 | C308 | ** |
| or ** | 405 127 6001 | TR RN1444-B-TE85R | C309 | ** | |
| or ** | 405 127 5905 | 1 | C310 | ** | | |
| Resistors | C313 | ** | |||
| R440 ** | 401 027 5400 | 0314 | ** | ||
| R440 | 401 037 5400 | MT-GLAZE 1K JA 1/10W | 1 | C322 | ** |
| R443 ** | 401 038 3702 | MT-GLAZE TR 3A 1/10W | C323 | ** | |
| R444 ** | 401 038 3702 | MT-GLAZE 33K JA 1/10W | il | C324 | ** |
| R445 ** | 401 037 5400 | MT-GLAZE 1K JA 1/10W | 1 | | C325 | ** |
| R446 ** | 401 037 5400 | MT-GLAZE 1K JA 1/10W | 1 | C326 | ** |
| Others | C328 | ** | |||
| JW701 ** | 644 004 7971 | ASSY,CONNECTOR-P,1P,110MM | 1 | C329 | ** |
| HCA01 (19) ** | 644 003 5176 | 1 | C330 | ** | |
| 032 523 2317 | TERMINAL, AUTO FUSE | 2 | C331 | ** | |
| C333 | ** | ||||
| Connector | FAU4 FRUNT | -ON P.C.B. ASSEMBLY | C334 | ** | |
| Chicop | 644.004.0000 | C335 | ** | ||
| CIN62B | 644 004 8602 | PLUG 2P TXL-P02P-M1 | 1 | C336 | ** |
| Switch | C338 | ** | |||
| SW601 | 644 004 7681 | SWITCH, DETECTOR, SPPB51 | 1 | C339 | ** |
| J | C340 | ** | |||
| PA05 CONNE | CTOR PCB ASSEMBLY | C341 | ** | ||
| CN64B | 644 006 0468 | 1 | C343 | ** | |
| CN65B | 644 005 2234 | CONNECTOR-P.7P | 1 | C344 | ** | |
| CN91A | 644 003 9327 | CONNECTOR-S 12PIN | i | | C345 | ** |
| Capacitors | C346 | ** | | |||
| C680 | 403 069 5601 | CERAMIC 0.01U K 50V | 1 | C347 ' | ** |
| C681 | 403 192 5905 | CERAMIC 0.1U K 25V | i | | C349 | ** |
| C682 | 403 192 5905 | CERAMIC 0.1U K 25V | 1 | | C401 | ** |
| Diadu | 403 192 5905 | CERAMIC 0.1U K 25V | 1 | C402 | ** |
| DIODES | r | C403 ' | ** | ||
| D680 | 407 164 4408 | DIODE MA116-TX | 1 | C404 | +* |
|
0r
D681 |
407 149 0807 | DIODE 1SS355-TE-I7 | 1 | C406 * | ** |
| -07 144 3104 | C407 · | * | |||
| 10680 | 100 065 9707 | IC TC0120E | C435 * | 1 | |
| Transistor | 409 005 8/0/ | IC'S | — | ||
| 0000 | 105 001 055- | IC301 * | * | ||
| 405 001 0507 | IR RN1403-TR | 1 | IC302 * | * | |
| nesistors | Resistore | ||||
| R680 | 401 037 5608 | MT-GLAZE 10K JA 1/10W | 1 | P301 * | ** |
| 401 037 5608 | MIT-GLAZE TUK JA 1/10W | 1 | R302 * | * | |
| · | |||
|---|---|---|---|
| R682 4 | 401 037 5608 | MT-GLAZE 10K JA 1/10W | 1 |
| R683 4 | 401 037 5707 | MT-GLAZE 100K JA 1/10W | 1 |
| R684 4 | 401 038 6604 | MT-GLAZE 470K JA 1/10W | 1 |
| R685 4 | 401 037 5707 | MT-GLAZE 100K JA 1/10W | 1 |
| Other | _ I | ||
| 117 6 | 644 001 4379 | GROUND | 3 |
| CN101 ** 644 004 8886 CONNECTOR-P,6PIN CN301 ** 644 004 9548 CONNECTOR-P,11PIN CN401 ** 644 004 7711 CONNECTOR-P,4PIN Capacitors Connector-P,4PIN Connector-P,4PIN C301 ** 403 105 5107 ELECT 22U M 16V C302 ** 403 042 0708 ELECT 10U M 16V C303 ** 403 049 1906 ELECT 1U M 50V C304 ** 403 049 1906 ELECT 1U M 50V |
1
1 1 1 1 1 |
|---|---|
| CN301 ** 644 004 9548 CONNECTOR-P,11PIN CN401 ** 644 004 7711 CONNECTOR-P,4PIN Capacitors Connector Connector C301 ** 403 105 5107 ELECT 22U M 16V C302 ** 403 042 0708 ELECT 10U M 16V C303 ** 403 049 1906 ELECT 1U M 50V C304 ** 403 049 1906 ELECT 1U M 50V |
1
1 1 1 1 1 |
| CN401 ** 644 004 7711 CONNECTOR-P,4PIN Capacitors ELECT 22U M 16V C301 ** 403 105 5107 ELECT 22U M 16V C302 ** 403 042 0708 ELECT 10U M 16V C303 ** 403 049 1906 ELECT 1U M 50V C304 ** 403 049 1906 ELECT 1U M 50V |
1
1 1 1 |
| Capacitors C301 ** 403 105 5107 ELECT 22U M 16V C302 ** 403 042 0708 ELECT 10U M 16V C303 ** 403 049 1906 ELECT 1U M 50V C304 ** 403 049 1906 ELECT 1U M 50V |
1
1 1 1 |
| C301 ** 403 105 5107 ELECT 22U M 16V C302 ** 403 042 0708 ELECT 10U M 16V C303 ** 403 049 1906 ELECT 1U M 50V C304 ** 403 049 1906 ELECT 1U M 50V |
1
1 1 1 |
| C302 ** 403 042 0708 ELECT 10U M 16V C303 ** 403 049 1906 ELECT 1U M 50V C304 ** 403 049 1906 ELECT 1U M 50V | 1 |
|
C303 ** 403 049 1906 ELECT 1U M 50V
C304 ** 403 049 1906 ELECT 1U M 50V |
1 |
| C304 ** 403 049 1906 ELECT 1U M 50V | |
| C305 ** 403 049 1906 FLECT 111 M 50V | |
| C306 ** 403 049 1906 ELECT 10 M 50V | |
| C307 ** 403 192 5905 CEBAMIC 0 111K 25V | |
| C308 ** 403 192 5905 CEBAMIC 0 11 K 25V | |
| C309 ** 403 192 5905 CEBAMIC 0 11 K 25V | |
| C310 ** 403 192 5905 CERAMIC 0 111K 25V | 1 |
| C313 ** 403 071 8102 CERAMIC 2200P K 50V | |
| C314 ** 403 071 8102 CERAMIC 2200P K 50V | 1 |
| C321 ** 403 049 1906 ELECT 111 M 50V | |
| C322 ** 403 049 1906 ELECT 10 M 50V | 1 |
| C323 ** 403 070 5508 CEDAMIC 12008 K 50V | 4 |
| C324 ** 403 070 5508 CEDAMIC 1200P K 50V | 4 |
| C325 ** 403 069 1702 CERAMIC 1000P K 50V | 4 |
| C326 ** 403 069 1702 CERAMIC 1000P K 50V | |
| C327 ** 403 130 3100 CEPAMIC 0.04711K 50V | 4 |
| C328 ** 403 130 3109 CERAMIC 0.0470 K 50V | |
| C329 ** 403 215 2508 CERAMIC 0.0470 K 50V | 4 |
| C330 ** 403 215 2508 CERAMIC 0.0500 K 50V | 1 |
| C331 ** 403 069 5601 CERAMIC 0.0560 K 50V | |
| C332 ** 403 069 5601 CERAMIC 0.010 K 50V | |
| C333 ** 403.069.5601 CERAMIC 0.010 K 50V | - |
| C334 ** 403.069.5601 CERAMIC 0.010 K 50V | 4 |
| C335 ** 403 072 5902 CERAMIC 0.027U K 50V | |
| C336 ** 403 072 5902 CERAMIC 0.0270 K 50V | |
| C337 ** 403 072 0905 CERAMIC 2200 K 50V | |
| C338 ** 403 073 0005 CERAMIC 3300P K 50V | |
| C339 ** 403 260 2508 MT COMPO 0 1911 L50V | |
| C340 ** 403 260 2508 MT-COMPO 0,180 J 50V | |
| C341 ** 403 260 2508 MT COMPO 0 1911 50V | |
| C342 ** 403 260 2508 MT-COMPO 0 1911 L 50V | 1 |
| C343 ** 403 040 1006 ELECT 111 M 50V | 1 |
| C344 ** 403 049 1906 ELECT 10 M 50V | |
| C345 ** 403 069 5601 CERAMIC 0 0111K 50V | 4 |
| C346 ** 403 105 5107 ELECT 201 M 16V | |
| C347 ** 403 042 0708 ELECT 10L M 16V | |
| C348 ** 403 049 1906 ELECT 100 W 10V | |
| C349 ** 403 049 1906 ELECT 1U M 50V | 4 |
| C401 ** 403 039 3101 ELECT 10 M 500 | 井 |
| C402 ** 403 018 0503 CEPAMIC 220 L50V | |
| C403 ** 403 018 0503 CERAMIC 22F J 50V | |
| C404 ** 403 018 0503 CERAMIC 22P J 50V | |
| C405 ** 403 018 0503 CERAMIC 22P J 50V | |
| C406 ** 403 047 1700 ELECT 4 71 M 251/ | |
| C407 ** 403 047 1700 ELECT 4.70 M 25V | |
| C435 ** 403 039 3101 ELECT 4.70 M 6 2V | |
| 100 000 0101 LLECT 4/0 MI0.3V | |
| IC301 ** 409 305 0607 IC TDA7313D-TR | 1 |
| IC302 ** 409 325 8607 IC TDA7317 | 1 |
| IC401 ** 409 039 5404 IC NJM2058M-T1 | 1 |
| Resistors | |
| B301 ** 401 037 5004 MT-GLAZE 0 000 ZA 1/1014 | 1 |
| B302 ** 401 037 5004 MT-GLAZE 0.000 ZA 1/10W | |
| 101 007 3004 WIT-GLAZE 0.000 ZA 1/10W |
NOTES: 1. Part orders must contain Model Number, Part Number and Description. 2. Ordering quantity of screws and resistors must be multiple of 10 pcs. 3. " * " indicate FXR-403LD only. " ** " indicate FXC-503LD only.
| Ref. No. | PART No. | DESCRIPTION | Q'ty | Ref. No. | PART No. | DESCRIPTION | Q'ty |
|---|---|---|---|---|---|---|---|
| B303 ** | 401 038 7700 | MT-GLAZE 5.6K JA 1/10W | 1 | R331 ** | 401 037 5004 | MT-GLAZE 0.000 ZA 1/10W | 1 |
| R304 ** | 401 038 7700 | MT-GLAZE 5.6K JA 1/10W | 1 | R332 ** | 401 037 5004 | MT-GLAZE 0.000 ZA 1/10W | 1 |
| R311 ** | 401 038 8608 | MT-GLAZE 6.2K JA 1/10W | 1 | R401 ** | 401 038 3702 | MT-GLAZE 33K JA 1/10W | | 1 | |
| R312 ** | 401 038 8608 | MT-GLAZE 6.2K JA 1/10W | 1 | R402 ** | 401 038 2200 | MT-GLAZE 27K JA 1/10W | 1 |
| R313 ** | 401 038 3702 | MT-GLAZE 33K JA 1/10W | 1 | R403 ** | 401 038 0701 | MT-GLAZE 2.2K JA 1/10W | 1 |
| R314 ** | 401 038 3702 | MT-GLAZE 33K JA 1/10W | 1 | R404 ** | 401 038 0701 | MT-GLAZE 2.2K JA 1/10W | | 1 | |
| R315 ** | 401 038 7205 | MT-GLAZE 5.1K JA 1/10W | 1 | R405 ** | 401 038 0701 | MT-GLAZE 2.2K JA 1/10W | 1 |
| R316 ** | 401 038 7205 | MT-GLAZE 5.1K JA 1/10W | 1 | R406 ** | 401 038 0701 | MT-GLAZE 2.2K JA 1/10W | 1 |
| R317 ** | 401 038 3108 | MT-GLAZE 30K JA 1/10W | 1 | R407 ** | 401 038 6505 | MT-GLAZE 47K JA 1/10W | 1 |
| R318 ** | 401 038 3108 | MT-GLAZE 30K JA 1/10W | 1 | R408 ** | 401 038 6505 | MT-GLAZE 47K JA 1/10W | 1 |
| R319 ** | 401 038 9209 | MT-GLAZE 6.8K JA 1/10W | 1 | R409 ** | 401 038 6505 | MT-GLAZE 47K JA 1/10W | 1 |
| R320 ** | 401 038 9209 | MT-GLAZE 6.8K JA 1/10W | 1 | R410 ** | 401 038 6505 | MT-GLAZE 47K JA 1/10W | 1 |
| R321 ** | 401 038 5300 | MT-GLAZE 39K JA 1/10W | 1 | R411 ** | 401 038 0701 | MT-GLAZE 2.2K JA 1/10W | 1 |
| R322 ** | 401 038 5300 | MT-GLAZE 39K JA 1/10W | 1 | R412 ** | 401 038 0701 | MT-GLAZE 2.2K JA 1/10W | 1 |
| R323 ** | 401 038 8608 | MT-GLAZE 6.2K JA 1/10W | 1 | R413 ** | 401 038 0701 | MT-GLAZE 2.2K JA 1/10W | 1 |
| R324 ** | 401 038 8608 | MT-GLAZE 6.2K JA 1/10W | 1 | R414 ** | 401 038 0701 | MT-GLAZE 2.2K JA 1/10W | 1 |
| R325 ** | 401 038 5300 | MT-GLAZE 39K JA 1/10W | 1 | R415 ** | 401 038 3702 | MT-GLAZE 33K JA 1/10W | 1 |
| R326 ** | 401 038 5300 | MT-GLAZE 39K JA 1/10W | 1 | R416 ** | 401 038 3702 | MT-GLAZE 33K JA 1/10W | 1 |
| R327 ** | 401 038 8608 | MT-GLAZE 6.2K JA 1/10W | 1 | R417 ** | 401 038 3702 | MT-GLAZE 33K JA 1/10W | | 1 | |
| R328 ** | 401 038 8608 | MT-GLAZE 6.2K JA 1/10W | 1 | R418 ** | 401 038 3702 | MT-GLAZE 33K JA 1/10W | | 1 | |
| R329 ** | 401 038 3702 | MT-GLAZE 33K JA 1/10W | 1 | R419 ** | 401 038 2200 | MT-GLAZE 27K JA 1/10W | | 1 | |
| R330 ** | 401 038 3702 | MT-GLAZE 33K JA 1/10W | 1 | R420 ** | 401 038 3702 | MT-GLAZE 33K JA 1/10W | 1 |
NOTES: 1. Part orders must contain Model Number, Part Number and Description. 2. Ordering quantity of screws and resistors must be multiple of 10 pcs. 3. " * " indicate FXR-403LD only. " ** " indicate FXC-503LD only.
LCD PIN ASSIGNMENT
DISCH (IN) DEI MTL MS (SID SDK a CD12 AS DX FMI
| No. | COM1 | COM2 | COM3 | No. | COM1 | COM2 | СОМЗ |
|---|---|---|---|---|---|---|---|
| 1 | 1-d | 1-f | 1-e | 18 | FM | MW | Left I |
| 2 | 1-m | 1-h | 1-k | 19 | ST | Right I | |
| 3 | 1-n | 1-a | 1-i | 20 | 4-a | 4-i, n | 4-k, l |
| 4 | 1-0 | 1-j | 1-1 | 21 | 5-d | 5-f | 5-e |
| 5 | 1-b | 1-c | 22 | 5-p | 5-a | 5-g | |
| 6 | DISK | IN | 23 | SDK | 5-b | 5-c | |
| 7 | 2-d | 2-f | 2-е | 24 | 2 | 1 | CD |
| 8 | 2-m | 2-h | 2-k | 25 | : | 6-f | 6-е |
| 9 | 2-n | 2-a | 2-i | 26 | 6-d | 6-a | 6-g |
| 10 | 2-0 | 2-j | 2-1 | 27 | AS | 6-b | 6-c |
| 11 | ۵۵ | 2-b | 2-c | 28 | 7-f | 7-e | |
| 12 | 3-d | 3-f | 3-е | 29 | 7-d | 7-a | 7-g |
| 13 | 3-m | 3-h | 3-k | 30 | DX | 7-b | 7-c |
| 14 | 3-n | 3-a | 3-i | 31 | COM1 | ||
| 15 | 3-о | 3-j | 3-1 | 32 | COM2 | ||
| 16 | MTL | 3-b | 3-c | 33 | СОМЗ | ||
| 17 | MS | LW | AM |
SANYO Electric Co., Ltd. Osaka, Japan.
Jul. '94/1,070/MZ Printed in Japan.



























Loading...