Page 1

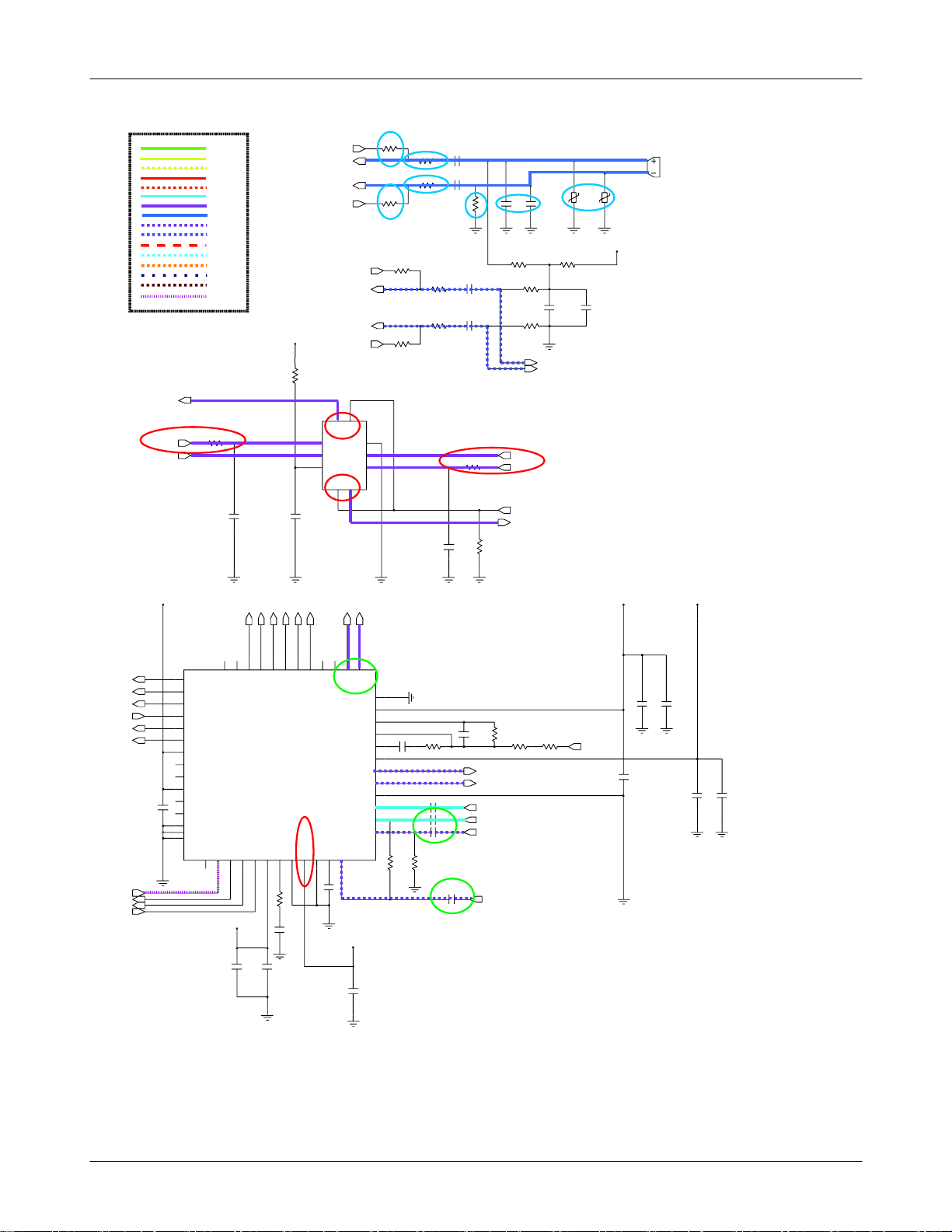
10. Flow Chart of Troubleshooting
10-1.
10-1-1.
Baseband
Power ON
Power On' does not work
'
Check the current consumption
Yes
Current consumption
Check the Vbat Voltage
Voltage
Check the pin of
Pin#J12
>= 100
mA
Yes
>=3.3V
Yes
>= 2.8V
Yes
U300
No
No
No
Download again
Charge the Battery
Check
U300
and
C313
Pin#A13 and
pin#A14
Checktheclocksignalatpin#21of
Freq
Vpp>=400
Vpp
Checktheclocksignalatpin#
Freq
Check the initial operation
=26
≒
=13
600
=2.8V
Yes
MHz
mV
mV
Yes
MHz
Yes
5,#6ofU101
U100
No
No
No
pin#G11
Check the clock generation circuit
Check U101
=
1.8V
Yes
related to OSC
(
No
101)
Check U300and
C314
END
10-1
SAMSUNG Proprietary-Contents may change without notice
This Document can not be used without Samsung's authorization
Page 2

Flow Chart of Troubleshooting
T
H
2
0
R108
C
4
0
1
ANT
GSM_RX
GSM_TX
DCS_RX
DCS_TX
FM_RADIO
SPK
MAIN_MIC
EAR_SPK
EAR_MIC
POWER_ON
SIM
CHARGING
LCD
MOT
CLK
0
C213
R111
R107
R106
R
C
4
4
0
0
3
3
CP_WEN
C131
C130
V
V
C
R
R
4
4
4
0
0
0
2
0
1
VCCD_2.9V
VCCA_2.9V
C
C
1
1
3
3
2
3
L
1
U101
1
0
C
R
4
4
0
2
0
9
VCCD_2.9V
C
R
R
3
4
C310
C206
4
C
4
1
0
R
4
1
8
R
4
2
0
1
0
0
7
2
4
C300
3
0
0
U
C
C
C
C
C
3
3
1
1
1
2
3
3
1
1
3
9
8
0
3
C
4
0
C
O
1
0
4
F
1
0
0
C118
0
0
1
U
C
C
C
1
1
1
2
2
2
6
8
9
R
1
0
4
R101
C102
C
C
1
1
C134
0
0
0
1
C135
C116
C114
C
C
1
1
0
0
5
6
L
L
1
1
0
0
1
6
C117
R102
C107
R103
C110
L105
C
C
C
1
1
1
1
2
2
C
5
5
7
1
2
0
L108
C103
1
0
1
C
S
5
R
R430
4
1
2
C407
R
C
4
1
4
1
4
1
C313
C
3
0
1
C314
R
5
1
9
C308
C309
C
2
2
1
R211
Q300
C
C
C
3
3
3
1
0
1
5
2
6
VBAT
DSP_DB(0:15)
DSP_AB(0:8)
DSP_RWN
FLASH_RESET
BAND_SEL1
BAND_SEL2
VMOD_EN
SERDAT
SERCLK
DSP_IO
FM_EN
TX_EN
SERLE
DSP_AB(8)
DSP_AB(7)
DSP_AB(6)
DSP_AB(5)
DSP_AB(4)
DSP_AB(3)
DSP_AB(2)
DSP_AB(1)
DSP_AB(0)
DSP_DB(15)
DSP_DB(14)
DSP_DB(13)
DSP_DB(12)
DSP_DB(11)
DSP_DB(10)
DSP_DB(9)
DSP_DB(8)
DSP_DB(7)
DSP_DB(6)
DSP_DB(5)
DSP_DB(4)
DSP_DB(3)
DSP_DB(2)
DSP_DB(1)
DSP_DB(0)
DSP_IO
C300
C302
0
3
0
0
6
7
8
9
1
9
1
7
8
1
2
J
H
J
K
H
H
H
J
J
5
6
5
9
6
7
0
1
2
3
4
1
1
1
1
1
1
1
1
S
C
C
S
S
S
S
S
S
S
S
D
N
N
D
D
D
D
D
D
D
D
N
N
N
N
N
N
N
N
N
G
G
G
G
G
G
G
G
G
D2
DB15
D3
DB14
E3
DB13
E2
DB12
F3
DB11
F2
DB10
F1
DB9
F4
DB8
G4
DB7
G3
DB6
H5
DB5
J6
DB4
J5
DB3
K3
DB2
K2
DB1
K1
DB0
K5
AB8
K7
AB7
M1
AB6
M2
AB5
N2
AB4
N1
AB3
L5
AB2
P1
AB1
K6
AB0
L3
I|O
L2
RWN
R3
RESETN_CSP
E6
NC4
C5
OCTL1
F5
OCTL2
E5
NC
A4
OCTL4
G6
OCTL5
B3
OCTL6
A3
OCTL7
B1
SERLE1
A2
SERLE2
C1
SERDA
C2
SERCK
P
N
P
1
2
N
P
F
A
F
I
I
Q
Q
T
E
E
X
X
X
X
U
T
T
R
T
R
T
C
P
X
A
X
X
A
X
F
O
X
A
T
R
R
A
R
R
R
R
1
7
9
6
6
7
5
6
7
1
E
B
B
D
D
D
C
C
P
P
P
P
N
C
C
N
I
I
A
F
P
Q
Q
X
C316
X
T
A
A
X
X
T
T
U
T
V
T
R
R
O
R
R
A
3
0
1
7
8
9
1
1
4
6
1
4
6
7
8
9
1
1
D
F
C
A
P
F
L
F
F
F
B
G
G
G
G
8
L
1
2
3
L
4
5
6
7
8
S
S
D
D
N
N
G
G
B
B
V
V
T
T
S
S
S
S
S
S
C
D
D
D
D
C
C
D
D
D
D
D
D
N
N
D
N
D
O
N
N
N
N
O
N
N
G
V
V
G
G
_
_
G
G
G
G
G
D
D
N
D
V
G
U300
N
P
N
P
T
T
N
N
P
T
T
N
P
N
P
U
N
U
P
A
B
B
M
U
U
K
N
N
N
T
T
T
N
N
G
G
I
I
O
O
C
I
I
O
O
C
U
U
U
O
O
O
A
A
A
2
2
2
1
1
1
P
N
R
P
N
N
B
B
A
T
T
T
U
U
U
O
O
O
A
A
A
R
E
I
E
I
X
X
X
X
V
C
C
C
C
I
I
I
I
A
A
R
X
R
U
U
U
U
D
V
V
V
D
A
A
A
M
M
A
M
M
4
3
4
1
N
6
3
5
5
4
3
4
4
5
3
4
1
1
L
1
1
1
1
1
1
1
1
P
R
L
L
K
P
R
R
N
M
M
M
P
P
P
P
N
N
N
N
T
T
T
T
N
N
N
N
I
I
I
I
U
U
U
U
X
X
C
C
I
I
O
O
O
O
U
U
X
X
C
M
M
C
A
A
I
I
U
U
M
M
A
A
C317
C301
0
1
1
2
1
6
R
P
M
N
4
3
D
D
S
S
D
D
S
S
N
D
V
V
V
G
K
L
C
I
O
_
D
D
I
I
C
T
A
A
R
D
D
6
4
N
M
K
2
3
_
K
L
C
0
3
5
5
1
3
5
1
6
5
4
1
8
1
1
1
3
4
G
M
C
J
K
N
B
E
F
N
J
B
K
1
2
2
1
3
1
2
1
2
R
S
S
D
D
D
C
C
O
O
U
I
I
S
S
S
S
D
D
D
C
_
_
V
V
P
P
V
V
V
D
D
H
_
_
_
D
D
D
D
D
V
V
N
N
N
G
G
G
N
F
1
2
U
O
W
W
Q
B
_
S
S
_
A
2
T
R
_
_
1
N
E
D
T
R
R
7
E
S
V
W
N
C
C
E
I
S
S
O
W
W
N
R
M
P
D
R
X
P
P
4
7
0
5
5
6
3
9
1
1
L
1
1
P
P
K
R
D
C
N
C
T
C
N
N
N
O
O
M
I
_
_
_
_
R
G
P
M
I
3
S
J
W
1
D
P
K
L
C
C303
5
7
Q
6
D
D
D
VDD34
D
N
D
V
G
V
VDD12
UP_CLK
UP_RST
UP_IO
SIM_IO
SIM_RST
SIM_CLK
VSIM
VRTC
LED2_DRV
LED1_DRV
RING_DRV
VIB_DRV
VLDO_7
VLDO_6
VL5S_B
VL5S_A
VLDO_5
VL4S_B
VL4S_A
VLDO_4
VLDO_3
VLDO_2
VLDO_1
VACC
CSN_PSC
SCLK_PSC
SDO_PSC
SDI_PSC
VEXT
VBAT
CH_BDRV
CH_ISEN
CH_RES
NC3
NC9
VREF
CREF
P
E
RTC_ALMN
E
K
_
Q
D
R
R
V
T
S
W
N
R
P
I
9
9
0
L
1
M
L
INTRQ
1
C319
C11
J13
N9
SIMCLK
R10
SIMRST
P10
SIMDATA
J11
SIM_IO
K11
SIM_RST
K14
SIM_CLK
K12
VSIM
H11
G12
G13
KEY_BL1
F13
F15
VIB_DRV
C12
A14
C9
D10
C318
B10
B11
A12
B12
A13
J12
G11
F14
K8
UP_CS
L8
UP_SCLK
N7
UP_SDO
M7
UP_SDI
E14
E13
VBAT
E11
F12
D14
D15
E10
A10
E9
H10
VIB_EN
INTRQ
PWR_KEEP
RST
KEY_COL(2)
3
Q300
2
KEY_ROW(4)
VREF
RTCALARM
VCCB_2.9V
TP300
VCCA_2.9V
C308
C315
VCCD_2.9V
VRF_2.9V
C309
C312
DPCS_PAM_IN
GSM_PAM_IN
VCCD_1.8V
C313
VRF_2.9V
R102
L101
R103
C314
26M_OUT
VRTC_3V
VBAT
013C113C
VRF_2.9V
OSC101
4
3
1
C101
6
1
5
1
4
1
3
1
2
1
1
1
0
1
9
VLDO2
VLDO1
VBAT
VDD
VCC_TXVCO
TXOP_HI
TXOP_LO
VLDO3
2
RTXQN
3
1
4
2
7
8
0
9
2
2
2
1
2
1
2
1
F
P
B
N
Q
C
Q
B
I
E
F
B
O
Q
F
N
R
I
_
A
B
E
_
F
F
_
V
R
C
C
V
C
N
8
RX1900B
E
E
C
R
R
C
V
RX1900
RX1800B
U100
RX1800
RX900B
RX900
RX850B
RX850
I
B
E
A
B
F
_
_
T
K
A
C
C
N
L
C
D
E
C
C
C
B
I
S
S
V
I
V
S
N
7
5
6
4
3
2
1
C118
RTXQP
PCS1900_LNA_IN_P
5
2
PCS1900_LNA_IN_N
6
2
DCS1800_LNA_IN_P
7
2
DCS1800_LNA_IN_N
8
2
GSM900_LNA_IN_P
9
2
GSM900_LNA_IN_N
0
3
GSM850_LNA_IN_P
1
3
GSM850_LNA_IN_N
2
3
GND
3
3
C
N
5
4
3
3
C104
C100
R101
AFC
C105
C106
L106
L110
VCCD_2.9V
C102
C103
C107
C110
C115
C117 C114
C116
L105
SERLE
SERCLK
SERDAT
RTXIN
RTXIP
U101
9
26M_OUT
8
C
C
N
C
1
7
V
_SD
CP
6
2
D
_RD
5
3
_Q
Q
C134
L108
C135
C133
R108
C132
R111
D
N
G
4
C130
R106
R107
R109
CLK13M_TR
C131
CLK13M_MC
R110
CLK13M_YMU
10-2
SAMSUNG Proprietary-Contents may change without notice
This Document can not be used without Samsung's authorization
Page 3

Flow Chart of Troubleshooting
10-1-2.
System Initial
Initial Failure
The pin#G11 of U30
1.8V
the pin#J12 of U30
2.8V ?
Is the pin#K9 of U30
Low→High"
"
There is
32.768
forms at the
C217
Yes
and
Yes
Yes
kHz wave
C216
?
0=
0=
0
and
No
No
No
if it has some problem, it is to be replaced.)
(
if it has some problem, it is to be replaced.)
(
Check the U3
Check the U30
Check the UCP20
00
0
0
Yes
The voltage is"High" at
the
LCD display is O.K
C314,C310
C313,
Yes
Yes
Sound is O.K
Yes
END
No
No
No
Check the U30
Check the LCD part
Check the Audio part
0
10-3
SAMSUNG Proprietary-Contents may change without notice
This Document can not be used without Samsung's authorization
Page 4

Flow Chart of Troubleshooting
R
R
5
5
0
0
5
6
C
3
1
7
U501
C
4
4
1
R430
C407
R
R
4
R
4
1
3
C
4
0
5
R
4
1
2
R
4
1
1
4
R
4
1
9
C
4
1
0
R
4
1
8
R
4
2
0
0
0
0
1
R
R
4
4
0
0
2
4
C313
C
3
C310
0
1
C206
C314
R
5
1
9
C308
C
C
3
1
3
8
1
1
C309
C
3
1
2
C300
C
3
0
3
TA501
0
0
3
C
3
1
9
U
R
R
5
5
1
2
6
0
C207
R211
R444
C
2
2
1
R446
Q300
C
C
4
4
0
R427
C417
TP300
2
1
1
U
C
P
2
0
0
DSP_IO
INTRQ
C
C
3
1
5
C
3
3
0
1
2
6
C208
OSC200
C216
C217
C
2
0
C210
9
C
2
R
0
2
5
0
4
C
C
2
2
0
0
3
4
T
R
C
2
1
2
H
2
2
0
0
6
0
10-4
SAMSUNG Proprietary-Contents may change without notice
This Document can not be used without Samsung's authorization
Page 5

ANT
GSM_RX
GSM_TX
DCS_RX
DCS_TX
FM_RADIO
SPK
MAIN_MIC
EAR_SPK
EAR_MIC
POWER_ON
SIM
CHARGING
LCD
MOT
CLK
VCCD_2.9V
VCCA_2.9V
VCCD_2.9V
Flow Chart of Troubleshooting
VBAT
A(21)
DSP_DB(0:15)
DSP_AB(0:8)
C207
VCCD_2.9V
DSP_IO
DSP_RWN
FLASH_RESET
BAND_SEL1
BAND_SEL2
FM_EN
VMOD_EN
TX_EN
SERLE
SERDAT
SERCLK
VCCD_1.8V
C210
C209
CP_CSROMEN
CP_CSRAMEN
R203
C208
AMP_EN
LCD_CS
EAR_CHECK
YMU_EN
CP_WEN
CP_OEN
MLCD_RST
UPPER_BYTE
FM_INT
HALL_SW
YMU_IRQ
C211
INTRQ
DSP_DB(15)
DSP_DB(14)
DSP_DB(13)
DSP_DB(12)
DSP_DB(11)
DSP_DB(10)
DSP_DB(9)
DSP_DB(8)
DSP_DB(7)
DSP_DB(6)
DSP_DB(5)
DSP_DB(4)
DSP_DB(3)
DSP_DB(2)
DSP_DB(1)
DSP_DB(0)
DSP_AB(8)
DSP_AB(7)
DSP_AB(6)
DSP_AB(5)
DSP_AB(4)
DSP_AB(3)
DSP_AB(2)
DSP_AB(1)
DSP_AB(0)
A(0:20)
DSP_IO
A(22)
A(23)
D(0:15)
R214 H
KEY_COL(0:4)
KEY_ROW(0:4)
C300
C302
0
0
0
7
8
9
1
8
7
9
6
1
8
9
7
1
H
H
1
2
H
J
J
J
J
K
H
G
G
G
G
5
6
9
5
6
7
8
0
1
5
4
7
6
3
2
1
1
1
1
1
1
1
1
S
S
S
S
S
C
C
S
S
S
S
S
S
S
S
D
D
D
D
D
N
N
D
D
D
D
D
D
D
D
N
N
N
N
N
N
N
N
N
N
N
N
N
G
G
G
G
G
G
G
G
G
G
G
G
G
D2
DB15
D3
DB14
E3
DB13
E2
DB12
F3
DB11
F2
DB10
F1
DB9
F4
DB8
G4
DB7
G3
DB6
H5
DB5
J6
DB4
J5
DB3
K3
DB2
K2
DB1
K1
DB0
K5
AB8
K7
AB7
M1
AB6
M2
AB5
N2
AB4
N1
AB3
L5
AB2
P1
AB1
K6
AB0
L3
I|O
L2
RWN
R3
RESETN_CSP
E6
NC4
C5
OCTL1
F5
OCTL2
E5
NC
A4
OCTL4
G6
OCTL5
B3
OCTL6
A3
OCTL7
B1
SERLE1
A2
SERLE2
C1
SERDA
C2
SERCK
C215
P
C
F
X
T
A
7
9
E
D
C
C
F
P
A
A
V
R201
D(0)
D(1)
D(2)
D(3)
D(4)
D(5)
D(6)
D(7)
D(8)
D(9)
D(10)
D(11)
D(12)
D(13)
D(14)
D(15)
A(0)
A(1)
A(2)
A(3)
A(4)
A(5)
A(6)
A(7)
A(8)
A(9)
A(10)
A(11)
A(12)
A(13)
A(14)
A(15)
A(16)
A(17)
A(18)
A(19)
A(20)
I2C_SCL
I2C_SDA
DEBUG_DTR
DEBUG_RTS
DEBUG_TXD
DEBUG_RXD
DEBUG_CTS
CHG_DET
SDS_TXD
SDS_RXD
SIMDATA
C316
SIMCLK
2
F
E
R
A
R
5
B
A6
B5
F8
F7
C5
D6
E7
D5
C4
B4
B3
C1
C2
D2
D3
E3
B13
F11
E14
D15
B15
C14
A16
A15
B17
C17
D16
F14
G14
G13
G17
J12
K12
K13
K14
L14
L15
L16
A12
A13
M15
M14
M11
N14
C13
P16
P15
T15
M9
T5
P2
N2
1
N
P
F
I
I
E
X
X
R
T
T
A
X
X
R
R
R
6
6
7
B
D
D
P
I
X
T
R
XCP_D0
XCP_D1
XCP_D2
XCP_D3
XCP_D4
XCP_D5
XCP_D6
XCP_D7
XCP_D8
XCP_D9
XCP_D10
XCP_D11
XCP_D12
XCP_D13
XCP_D14
XCP_D15
XCP_A0_BEON
XCP_A1
XCP_A2
XCP_A3
XCP_A4
XCP_A5
XCP_A6
XCP_A7
XCP_A8
XCP_A9
XCP_A10
XCP_A11
XCP_A12
XCP_A13
XCP_A14
XCP_A15
XCP_A16
XCP_A17
XCP_A18
XCP_A19
XCP_A20
XCP_A21
XCP_CSROMEN
XCP_CSRAMEN
XPA0/CS1N
XPA1/CS2N
XPA2/CS3N
XPA3/CS4N
XCP_WEN
XPA4/OEN
XPA5/WAITN
XPA6/BE1N
XPA7/IRQ1
XPA8/IRQ2
XPA9/IRQ3
XPA10/IRQ4
KEY_COL(0)
KEY_COL(1)
KEY_COL(2)
KEY_COL(3)
KEY_COL(4)
KEY_ROW(0)
KEY_ROW(1)
KEY_ROW(2)
KEY_ROW(3)
KEY_ROW(4)
N
P
Q
Q
X
X
T
T
X
X
R
R
6
7
C
C
P
N
N
I
Q
Q
X
X
X
T
T
T
R
R
R
VCCD_1.8V
2
1
C
C
N
N
4
L
N
N
P
P
P
A
B
B
A
T
T
T
T
N
I
U
U
U
U
C
I
O
O
O
O
M
A
A
A
A
4
2
2
4
1
2
1
1
1
1
1
1
P
P
N
N
R
M
P
P
P
N
N
B
A
B
A
N
I
T
T
T
T
C
I
U
U
U
U
O
O
O
O
M
A
A
A
A
F
V
_
P
B
5
4
3
7
1
1
1
1
N
L
H
L
2
N
N
D
2
0
5
D
A
S
S
V
_
C
C
5
_
_
3
2
3
A
3
2
P
A
A
X
_
P
6
X
3
A
P
X
0
T
4
3
2
1
0
U
N
N
N
N
I
O
I
I
IN
I
S
S
S
S
S
S
/
/
/
/
/
/
4
3
5
2
1
0
B
B
B
B
B
B
K
K
K
K
K
K
_
_
_
_
_
_
P
P
P
P
P
P
C
C
C
C
C
C
X
X
X
X
X
X
2
3
1
5
4
L
T
T
R
M
0
3
3
0
1
1
4
1
6
1
4
7
6
8
9
1
1
F
F
M
C
A
D
F
F
F
L
P
B
8
1
3
2
4
L
L
B
V
B
V
D
T
S
T
S
S
S
C
D
D
D
D
D
D
C
D
D
D
C
N
D
D
N
N
N
N
N
N
N
O
O
V
V
G
G
G
_
_
G
G
G
G
D
D
N
D
V
G
U300
N
P
P
N
T
T
T
T
P
N
U
N
U
P
N
M
U
U
K
I
N
N
N
N
O
O
G
I
G
I
C
O
O
I
C
D
R
X
X
E
E
I
I
X
X
I
V
C
C
C
I
I
I
A
A
A
U
U
R
R
U
U
X
M
M
M
A
A
V
D
A
V
D
A
D
V
5
3
4
4
6
3
4
5
3
5
4
3
1
1
1
1
1
1
1
1
L
1
P
R
L
L
P
K
N
R
R
M
M
P
P
P
N
N
N
N
T
T
T
T
N
N
N
I
I
I
U
U
U
U
X
X
C
I
O
O
O
O
U
U
X
C
X
C
M
A
I
A
I
U
U
M
M
A
A
C317
0
1
0
1
7
9
1
7
1
6
7
8
9
6
1
7
1
M
H
J
H
J
L
L
K
G
G
L
L
K
S
S
S
S
S
S
S
V
1
T
U
O
S
/
6
B
K
_
P
C
X
3
U
S
S
S
S
S
S
S
S
S
S
S
S
S
S
S
S
S
S
S
V
V
V
V
V
V
V
V
V
V
V
V
4
2
3
T
T
T
X
X
U
U
U
R
T
O
O
O
A
A
0
1
0
S
S
S
0
/
/
/
D
D
X
X
7
9
M
M
8
I
R
I
R
T
R
I
I
B
B
B
/
/
/
_
_
/
K
K
K
6
5
0
1
1
2
_
_
_
1
1
1
3
3
1
P
P
P
A
A
A
A
A
A
C
P
C
C
P
P
P
P
P
X
X
X
X
X
X
X
X
X
3
3
1
4
5
3
4
3
1
L
F
T
P
E
K
H
N
N
1
2
1
6
R
P
N
3
4
D
S
S
D
S
S
D
V
V
V
K
L
C
O
_
D
I
C
T
A
R
D
6
4
1
N
D
M
K
2
3
_
K
L
C
VCCD_1.8V
3
2
6
A
F
A
S
S
S
S
S
S
V
V
V
1
0
M
M
O
O
I
I
_
_
9
8
2
2
A
A
P
P
X
X
1
5
F
G
5
4
G
K
1
2
S
S
S
S
V
V
Q
A
N
E
C
O
M
X
6
R
6
1
C
6
G
3
6
5
4
N
N
J
3
1
2
D
O
O
I
I
D
_
_
V
D
D
D
D
V
V
R
T
7
N
I
C
D
N
4
3
5
1
P
P
C
T
C
N
M
I
_
_
P
M
3
S
1
D
K
L
C
6
7
1
1
5
1
R
R
A
D
D
D
D
D
D
D
D
V
V
V
V
UCP200
A
1
1
T
X
X
A
R
T
D
_
_
_
4
3
0
1
1
A
M
A
P
S
P
X
X
X
3
2
1
1
G
U
3
M
J
2
D
D
V
N
2
1
W
W
S
S
_
_
R
R
W
W
P
P
5
1
C
N
O
_
G
I
J
3
4
R
T
D
D
V
K
L
C
_
0
M
S
X
0
N
C301
5
1
1
1
F
K
1
2
R
D
C
U
D
S
C
V
P
H
_
_
D
D
N
N
G
G
F
U
O
B
_
_
T
1
E
S
W
E
S
P
R
7
9
L
K
N
O
_
R
W
P
1
1
R
G
D
D
D
D
D
D
V
V
V
I
O
S
S
O
I
M
M
_
_
P
P
C
C
/
/
9
0
1
2
A
A
P
P
X
X
2
1
L
L
0
3
5
1
8
1
1
E
C
B
B
5
7
1
Q
6
D
C
D
D
VDD34
D
S
N
D
V
P
G
_
V
VDD12
D
N
G
UP_CLK
UP_RST
UP_IO
SIM_IO
SIM_RST
SIM_CLK
VSIM
VRTC
LED2_DRV
LED1_DRV
RING_DRV
VIB_DRV
VLDO_7
VLDO_6
VL5S_B
VL5S_A
VLDO_5
VL4S_B
VL4S_A
VLDO_4
VLDO_3
VLDO_2
VLDO_1
VACC
CSN_PSC
SCLK_PSC
SDO_PSC
SDI_PSC
VEXT
VBAT
CH_BDRV
CH_ISEN
CH_RES
VREF
CREF
P
E
RTC_ALMN
E
K
2
_
Q
D
D
R
R
V
V
T
S
S
W
N
P
R
R
I
9
9
0
0
1
1
L
M
L
N
1
VCCD_2.9V
4
6
7
1
2
1
1
B
E
E
E
E
E
E
D
D
D
D
D
V
D
D
D
V
V
V
K
C
2
S
M
N
_
P
S
W
S
C
P
1
/
/
/
2
3
1
M
2
2
2
A
A
A
W
P
P
P
P
X
X
X
X
6
6
4
5
J
K
H
R
C11
J13
N9
R10
P10
J11
K11
K14
K12
H11
G12
G13
F13
F15
C12
A14
C9
D10
B10
B11
A12
B12
A13
J12
G11
F14
K8
L8
N7
M7
E14
E13
E11
F12
D14
D15
NC3
E10
NC9
A10
E9
H10
INTRQ
3
2
VCCD_1.8V
C203
6
5
6
1
1
1
8
U
N
P
U
E
E
E
E
D
D
D
D
D
D
D
D
V
V
V
V
3
0
M
M
W
O
P
B
_
/
T
5
4
2
2
S
A
A
R
P
P
F
X
X
X
5
3
4
F
H
M
C303
SIMCLK
SIMRST
SIMDATA
SIM_IO
SIM_RST
SIM_CLK
VSIM
KEY_BL1
VIB_DRV
C319
VCCB_2.9V
VCCA_2.9V
VRF_2.9V
VCCD_2.9V
VCCD_1.8V
VRTC_3V
C318
UP_CS
C308
UP_SCLK
UP_SDO
UP_SDI
C309
C313
C312
013C113C
C314
VBAT
VREF
RTCALARM
C315
VIB_EN
INTRQ
PWR_KEEP
RST
TP300
KEY_COL(2)
Q300
KEY_ROW(4)
VCCD_2.9V
R200
C204
6
5
0
0
1
1
2
1
1
1
1
F
U
M
E
E
B
G
L
L
F
E
E
A
E
L
L
E
S
D
D
D
P
P
R
S
D
D
D
D
D
V
V
V
V
V
_
_
X
S
D
S
D
V
V
K
B
A
L
K
C
Q
Q
0
_
E
E
C
1
1
Q
R
R
A
M
R
M
_
_
_
T
T
S
T
O
D
_
_
_
_
_
_
4
7
8
6
3
7
3
2
1
2
3
1
A
A
A
A
A
A
P
P
P
P
P
P
X
X
X
X
X
X
7
2
4
3
7
4
1
1
1
E
G
G
P
N
M
C205
2
1
7
8
1
1
1
C
F
C
D
I
A
C
K
T
D
C
R
D
V
V
XTIC_MODE
XCPTSTSTOP_CKO
XRTCALARM_N
S
K
I
XOSC32OUT
C
M
D
T
T
T
_
_
_
P
P
P
C
C
C
X
X
X
7
9
7
8
F
D
C
G
VRTC_3V
C206
VREF
CLK13M_TR
TR_RST
B
T
S
R
F12
TDO
F15
TRST
H12
TDI
G12
TMS
H13
TCK
G15
CKO
L12
IOBIT#2
K11
IOBIT#1
N4
INT#0
R12
IO7
U5
RWN
T17
AB#8
T14
AB#7
R14
AB#6
P12
AB#5
P11
AB#4
N11
AB#3
R13
AB#2
M10
AB#1
U13
AB#0
P10
DB#15
R11
DB#14
T11
DB#13
U11
DB#12
M8
DB#11
N8
DB#10
N7
DB#9
P7
DB#8
M6
DB#7
R7
DB#6
T7
DB#5
U7
DB#4
P6
DB#3
R6
DB#2
U6
DB#1
P5
DB#0
D12
M12
D11
XAG3
E11
XAG2
A11
XAG1
B11
XAG0
B7
XBSWN
A7
X1RTC
D10
X2RTC
E8
N
T
C6
O
S
D
R
T
T
_
_
P
P
C
C
X
X
3
1
D
R204
R202
DSP_AB(8)
DSP_AB(7)
DSP_AB(6)
DSP_AB(5)
DSP_AB(4)
DSP_AB(3)
DSP_AB(2)
DSP_AB(1)
DSP_AB(0)
DSP_DB(15)
DSP_DB(14)
DSP_DB(13)
DSP_DB(12)
DSP_DB(11)
DSP_DB(10)
DSP_DB(9)
DSP_DB(8)
DSP_DB(7)
DSP_DB(6)
DSP_DB(5)
DSP_DB(4)
DSP_DB(3)
DSP_DB(2)
DSP_DB(1)
DSP_DB(0)
C216
OSC200
3
TR_RST
RTCALARM
CLK_32K
CP_TDO
TR_RST
CP_TDI
CP_TMS
CP_TCK
DEBUG_DSR
EAR_SWITCH
AS1
JACK_IN
PWR_KEEP
SIMRST
LCD_DET
FLASH_RESET
LED_EN
CHG_OFF
UP_CS
UP_SCLK
UP_SDO
UP_SDI
21
TR_RST
AS2
DSP_INT
DSP_IO
DSP_RWN
DSP_AB(8:0)
DSP_DB(15:0)
ICHRG
C217
VBAT
R205
C212
C214
R208
VCCB_2.9V
TH200
R206
R207
C213
10-5
SAMSUNG Proprietary-Contents may change without notice
This Document can not be used without Samsung's authorization
Page 6

Flow Chart of Troubleshooting
10-1-3.
Sim Part
Insert SIM is displayed on the LCD
"
Yes
Check the SIM
connector's(SIM600
connection to SIM card
Yes
Check the voltage at
pin#1 of SIM600
2.8V ?
Is there any signals
pin#
2,#3,#6
>=
Yes
of SIM600
No
)
No
No
?
Resolder or change SIM600
Check the U300
Check the U300
Yes
Check the SIM Card
END
10-6
SAMSUNG Proprietary-Contents may change without notice
This Document can not be used without Samsung's authorization
Page 7

Flow Chart of Troubleshooting
C
4
4
1
U501
R430
C407
R
5
1
9
C
3
0
1
R
4
1
3
C
4
0
5
R
4
1
2
R
4
1
1
C313
C310
C206
C314
C308
C309
U503
R
4
R
0
4
1
1
R
4
C
0
4
2
1
0
R
4
1
8
R
4
2
0
C
3
1
2
R
R
TA502
5
5
0
0
R
6
5
4
0
0
R
C
4
3
0
1
4
7
C
3
1
1
TA501
C300
0
0
C
C
3
1
3
8
0
3
C433
R444
C
2
2
1
R211
3
U
C
C
C
C
3
3
3
3
1
1
1
0
9
5
6
2
R446
Q300
DSP_IO
INTRQ
C
4
4
0
R427
C208
OSC200
C417
C434
TP300
C
2
1
1
U
C
P
2
0
0
C216
C217
C423
R
R
5
5
2
1
0
6
C207
0
0
2
E
M
U
C
2
0
C210
9
C
2
R
0
2
5
0
4
C
C
1
1
3
3
3
2
R108
L
1
U101
1
0
C
C
R
4
4
4
0
0
2
1
0
9
C
C
R
2
2
2
0
0
0
4
3
0
T
R
R
C
H
2
2
2
2
0
0
1
0
7
6
2
0
C213
R111
C131
R107
C130
R106
V
V
C
R
R
R
4
4
4
4
0
0
0
0
3
3
1
0
R
2
0
2
R
2
0
5
CP_WEN
C
4
0
2
R
C
2
2
0
1
8
4
D[1]
R109 R110
R
2
0
3
CP_OEN
C620
R
2
0
1
CP_CSRAMEN
R210
C220
R213
CP_CSROMEN
A[2]
R212
0
1
2
G
J
A
T
10-7
SAMSUNG Proprietary-Contents may change without notice
This Document can not be used without Samsung's authorization
0
I
6
0
S
M
R
C
6
1
9
C
6
1
8
C
C
6
6
6
1
1
1
0
7
6
Page 8

Flow Chart of Troubleshooting
ANT
GSM_RX
GSM_TX
DCS_RX
DCS_TX
FM_RADIO
SPK
MAIN_MIC
EAR_SPK
EAR_MIC
POWER_ON
SIM
CHARGING
LCD
MOT
CLK
VSIM
SIM_RST
SIM_CLK
R610
C617 C618C616 C620C619
SIM600
D
C
C
P
K
N
L
C
C
C
C
V
1
C
C
P
O
C
N
N
G
N
N
I/
V
V
7
8
6
3
9
2
4
5
0
1
SIM_IO
DSP_DB(0:15)
DSP_AB(0:8)
FLASH_RESET
DSP_IO
DSP_RWN
BAND_SEL1
BAND_SEL2
FM_EN
VMOD_EN
TX_EN
SERLE
SERDAT
SERCLK
DSP_DB(15)
DSP_DB(14)
DSP_DB(13)
DSP_DB(12)
DSP_DB(11)
DSP_DB(10)
DSP_DB(9)
DSP_DB(8)
DSP_DB(7)
DSP_DB(6)
DSP_DB(5)
DSP_DB(4)
DSP_DB(3)
DSP_DB(2)
DSP_DB(1)
DSP_DB(0)
DSP_AB(8)
DSP_AB(7)
DSP_AB(6)
DSP_AB(5)
DSP_AB(4)
DSP_AB(3)
DSP_AB(2)
DSP_AB(1)
DSP_AB(0)
DSP_IO
D2
D3
E3
E2
F3
F2
F1
F4
G4
G3
H5
J6
J5
K3
K2
K1
K5
K7
M1
M2
N2
N1
L5
P1
K6
L3
L2
R3
E6
C5
F5
E5
A4
G6
B3
A3
B1
A2
C1
C2
DB15
DB14
DB13
DB12
DB11
DB10
DB9
DB8
DB7
DB6
DB5
DB4
DB3
DB2
DB1
DB0
AB8
AB7
AB6
AB5
AB4
AB3
AB2
AB1
AB0
I|O
RWN
RESETN_CSP
NC4
OCTL1
OCTL2
NC
OCTL4
OCTL5
OCTL6
OCTL7
SERLE1
SERLE2
SERDA
SERCK
9
D
VCCD_2.9V
VCCA_2.9V
C302
0
0
1
1
1
2
J
K
5
6
7
1
C
C
S
N
N
D
N
G
0
1
6
7
8
9
9
7
8
J
H
H
H
H
J
J
G
9
5
6
0
1
2
3
4
1
1
1
1
1
1
1
S
S
S
S
S
S
S
S
D
D
D
D
D
D
D
D
N
N
N
N
N
N
N
N
G
G
G
G
G
G
G
G
3
0
7
8
9
1
F
G
G
G
5
6
7
8
S
S
S
S
D
D
D
D
N
N
N
N
G
G
G
G
3
1
1
4
1
4
6
7
8
9
F
4
S
D
N
G
1
F
D
L
C
P
F
B
F
L
1
L
2
3
8
B
V
V
T
T
S
S
S
C
D
D
D
C
C
D
D
D
N
D
N
O
O
N
N
N
G
V
G
_
_
G
G
D
D
N
D
V
G
U300
N
P
N
P
T
N
P
P
N
P
1
2
N
P
A
F
A
F
E
R
P
C
A
F
X
T
A
R
7
6
5
E
B
B
C
C
C316
F
P
A
A
100NF
V
10V
B
I
I
Q
Q
T
T
T
E
X
X
X
X
U
U
U
T
R
T
T
T
X
A
X
X
X
O
O
O
A
R
R
A
R
A
R
R
2
2
1
6
7
6
7
1
1
1
D
D
C
C
P
N
R
P
P
N
N
IP
IN
A
A
Q
Q
X
X
T
T
X
X
T
T
U
T
U
T
R
R
R
O
R
O
A
A
T
N
T
T
N
P
N
P
B
U
T
N
IN
I
O
U
C
IC
I
IC
O
M
M
A
M
4
4
5
2
1
1
1
1
P
N
N
M
P
P
N
N
B
B
IN
IN
T
T
IC
U
IC
U
O
M
O
M
A
A
N
P
U
U
M
U
O
IC
M
5
1
P
P
T
U
O
IC
M
K
N
N
G
G
I
I
O
O
C
C
E
I
E
X
X
X
X
V
A
R
R
X
U
U
U
U
V
D
V
V
A
A
A
A
4
3
3
5
4
4
3
3
1
1
1
1
1
1
1
R
L
L
K
R
R
M
M
P
P
N
N
N
T
T
T
IN
IN
U
U
U
X
X
O
O
O
U
U
X
X
C
A
A
I
U
U
M
A
A
C317
VCCD_2.9V
C300
0
1
1
2
1
6
4
6
R
P
K
A
M
N
4
2
3
B
D
D
S
S
S
D
D
D
S
S
S
N
D
N
D
V
V
V
V
V
G
G
K
Q
L
A
C
O
I
N
N
_
D
D
E
I
I
IR
C
T
A
A
A
O
R
X
D
D
D
6
4
6
4
1
L
P
N
D
M
K
2
3
_
K
L
C
C301
5
5
1
3
5
6
5
1
1
1
3
4
G
M
J
N
N
F
J
B
K
1
1
2
2
1
2
3
R
S
C
D
D
D
O
O
U
I
I
S
S
D
D
D
C
_
_
V
P
V
V
V
H
D
D
_
_
D
D
D
D
V
V
N
N
G
G
N
F
2
1
U
O
W
W
B
_
S
S
_
2
T
_
_
R
1
E
D
T
R
R
7
S
V
W
N
C
E
I
C
S
W
S
W
P
R
P
M
D
P
N
R
5
4
0
7
9
6
3
5
1
1
1
L
K
P
P
R
C
C
N
T
C
N
N
N
O
O
M
I
_
_
_
_
R
P
M
IG
3
S
J
W
1
D
P
K
L
C
VBAT
0
3
1
1
8
C
B
E
1
5
7
Q
6
C
D
D
D
VDD34
S
D
N
D
P
V
G
_
V
VDD12
D
N
G
UP_CLK
UP_RST
UP_IO
SIM_IO
SIM_RST
SIM_CLK
VSIM
VRTC
LED2_DRV
LED1_DRV
RING_DRV
VIB_DRV
VLDO_7
VLDO_6
VL5S_B
VL5S_A
VLDO_5
VL4S_B
VL4S_A
VLDO_4
VLDO_3
VLDO_2
VLDO_1
VACC
CSN_PSC
SCLK_PSC
SDO_PSC
SDI_PSC
VEXT
VBAT
CH_BDRV
CH_ISEN
CH_RES
NC3
NC9
VREF
CREF
P
E
RTC_ALMN
E
K
_
Q
D
R
R
V
T
S
W
N
P
R
I
9
9
0
L
1
M
L
1
C11
J13
N9
R10
P10
J11
K11
K14
K12
H11
G12
G13
F13
F15
C12
A14
C9
D10
B10
B11
A12
B12
A13
J12
G11
F14
K8
L8
N7
M7
E14
E13
E11
F12
D14
D15
E10
A10
E9
H10
INTRQ
C303
C319
SIMCLK
SIMRST
SIMDATA
SIM_IO
SIM_RST
SIM_CLK
VSIM
KEY_BL1
VIB_DRV
VCCA_2.9V
VCCB_2.9V
VRF_2.9V
VCCD_2.9V
VCCD_1.8V
VRTC_3V
C318
UP_CS
UP_SCLK
UP_SDO
UP_SDI
C308
C309
C311 C310
C312
C313
C314
VBAT
VREF
RTCALARM
C315
VIB_EN
INTRQ
PWR_KEEP
RST
TP300
KEY_COL(2)
3
Q300
2
KEY_ROW(4)
10-8
SAMSUNG Proprietary-Contents may change without notice
This Document can not be used without Samsung's authorization
Page 9

Flow Chart of Troubleshooting
10-1-4.
Charging Part
Check
IFC500
No
No
Abnormal charging part
What is the type
of Charging
TA Charging
The
TA_VEXT
The pin#6of
U301 is
"
U301
_5V뵃5
Yes
LOW"?
is
V?
Check
UCP200
No
Check U300
Yes
Charging Current
is
mA~650mA?
350
Yes
Check The Battery
10-9
SAMSUNG Proprietary-Contents may change without notice
This Document can not be used without Samsung's authorization
Page 10

Flow Chart of Troubleshooting
VR503
U501
R430
C407
C
4
4
1
R
5
1
9
C510
R
5
1
1
L503
R
5
1
0
BTC500
R214
C
4
0
4
R408
R507
R
4
4
C
5
4
3
9
C433
R211
TA500
R
4
2
2
R504
R444
C
2
2
1
R405
U400
R
4
2
1
U
4
0
4
Q300
ZD502
R
5
1
7
R
5
0
3
I
F
C
5
0
0
0
0
5
U
R
R
4
4
1
1
3
9
C
C
4
4
1
0
0
5
R
R
4
4
1
1
8
2
R
R
4
4
1
2
1
0
C313
C
3
C310
0
1
C206
C506
R515
R514
VR501
R508
L
5
0
R501
1
U503
R
5
0
R
R
5
4
4
0
0
0
1
R
R
C
4
4
3
0
0
1
2
4
7
R513
R509
C501
C502
L
5
0
2
R
5
0
6
C300
R
5
0
2
C505
VR502
TA502
TA501
0
0
1
0
5
D
Z
R
5
1
2
0
0
5
D
Z
3
U
R446
R435
V
R
5
0
0
C
4
0
8
C412
C
4
1
5
C
4
1
4
C
C
C
R
4
2
4
DSP_IO
INTRQ
4
4
4
0
1
1
6
3
1
R428
C418
C
4
3
U402
5
C
4
4
0
R427
C417
R438
C416
R415
R443
C434
U
4
0
1
R
4
3
1
TP300
R
R
4
4
0
1
9
4
R410
C
2
1
1
U
C
P
2
0
0
C
C
C
6
0
6
R306
C431
R442
C429
C428
C424
C421
R432
R
4
3
3
C420
C419
C423
R309
1
0
3
U
C207
C
6
6
6
0
0
0
7
8
9
C
3
0
5
R
4
4
1
C
4
2
2
R
C
3
3
0
0
7
6
C304
C
3
0
7
R308
R440
R439
R
5
2
1
8
0
5
U
R
R
5
5
1
2
6
0
C314
C308
C309
C
C
C
C
C
3
1
2
C
C
3
1
1
3
3
1
1
3
9
8
0
3
C
3
3
3
1
0
1
5
2
6
C208
OSC200
C216
C217
C
C
C210
C
2
0
5
C
2
2
0
0
3
4
T
R
C
H
2
2
2
0
1
0
6
2
0
C213
2
0
9
R
2
0
4
C
C
1
1
3
3
2
3
ANT
GSM_RX
GSM_TX
DCS_RX
DCS_TX
FM_RADIO
SPK
MAIN_MIC
EAR_SPK
EAR_MIC
POWER_ON
SIM
CHARGING
LCD
MOT
CLK
VBAT
U301
TA_VEXT
ICHRG
R306
R307
C305
C306
C307
R308
IN
1
2
GND
ISET
3
4
ABI ABO
8
BATT
7
_POK|
6
_EN|
5
GND
9
C304
R309
10-10
SAMSUNG Proprietary-Contents may change without notice
This Document can not be used without Samsung's authorization
CHG_DET
CHG_OFF
JIG_ONJIG_ON_IF
Page 11

Flow Chart of Troubleshooting
10-1-5.
Microphone Part
Microphone does not work
Yes
Is the soldered status of
microphone O.K?
Yes
Check the reference voltage on mic path
Yes
C402/C403
Is microphone ok?
END
≒
Yes
Yes
2.0V ?
No
No
No
Reassemble the microphone
R400,R401,R402,R403,R404,R429,R430,
Resolder or change
VR400,VR401,C400,C401,C402,C403
Check
U300
10-1-6.
Receiver Part
There is no sound from the Receiver
Yes
Is the terminal of
Receiver O.K
Is there any signals at
the pin# P11 and
pin#N12 of U30
Is there any signals at
the pin#5and pin#
of
This Document can not be used without Samsung's authorization
?
Yes
0?
Yes
U402 ?
END
10
Yes
SAMSUNG Proprietary-Contents may change without notice
①
No
No
10-11
No
Replace the Receiver
Check U30
Check
0,R427,
U402
R428
Page 12

Flow Chart of Troubleshooting
10-1-7.
Speaker Part
There is no sound from the Speaker
Yes
Is the terminal of Speaker
Is there any signals at
the pin#25and pin#
Is there any signals at
the pin#5and pin#
of
of
O.K
U403 ?
U402 ?
END
?
Yes
Yes
Yes
26
10
No
No
No
Replace the Speaker
Check
U403,
Check
C429,C431
U402
③
④
10-12
SAMSUNG Proprietary-Contents may change without notice
This Document can not be used without Samsung's authorization
Page 13

VR503
U501
R430
C407
C
4
4
1
R
5
1
9
C
3
0
1
IF
C
5
0
0
C314
C308
C309
R
4
1
3
C
4
0
5
R
4
1
2
R
4
1
1
C313
C310
C206
Flow Chart of Troubleshooting
R
5
0
3
R601
C506
R515
R514
R513
R509
VR501
C505
R508
VR502
C501
C502
L
L
5
5
0
0
R501
0
0
5
U503
U
R
4
R
0
4
1
1
9
R
4
C
0
4
2
1
0
R
4
1
8
R
4
2
0
2
1
R
R
TA502
5
5
0
0
R
6
5
4
0
0
R
C
4
3
0
1
4
7
TA501
C300
0
C
C
3
1
2
C
C
3
1
3
3
8
0
1
3
1
F
1
0
0
R
1
5
R214
1
0
0
5
D
Z
R
R
R
5
5
5
1
1
0
2
1
2
R405
C
4
0
4
U400
L503
R
R
R
4
4
4
2
2
2
4
2
R408
0
0
5
D
R507
Z
C
4
3
9
C433
R211
3
0
U
C
C
C
3
3
3
1
1
0
9
5
2
1
C
1
0
4
1
R504
R444
C
2
2
1
R435
U
4
0
4
R446
R
4
4
5
Q300
DSP_IO
INTRQ
C
3
1
6
1
0
C103
C
S
O
R101
C102
0
0
1
U
C412
C
4
4
0
C
4
1
1
R428
C
4
3
5
R427
C208
OSC200
C
1
0
1
C
1
0
6
C
4
1
3
U402
C116
C114
C
4
0
8
C
4
1
5
C
4
1
4
L108
C
1
0
0
C
1
0
5
C
4
0
6
C418
C417
L
1
0
6
R438
C134
C135
C416
R415
R443
C434
L
1
0
1
U
4
0
1
R
4
3
1
TP300
R
R
4
4
1
0
4
9
R410
R
C
5
2
2
1
0
1
U
C
P
2
0
0
C216
C217
C431
R442
C429
C428
C424
C421
R440
R432
R
4
R439
3
3
R
C420
5
2
1
8
0
C419
5
U
C423
R
5
1
6
C207
C
2
0
C210
9
C
2
R
0
2
5
0
4
C
C
1
1
3
3
3
2
R108
L
1
U101
1
0
C
C
R
4
4
4
0
0
2
1
0
9
C
R
C
4
4
4
3
4
3
0
1
8
C
4
2
2
C
C
R
2
2
2
0
0
0
4
0
3
T
R
R
C
H
2
2
2
2
0
0
1
0
7
6
2
0
C213
R111
R107
C131
R106
C130
V
V
C
R
R
R
4
4
4
4
0
0
0
0
3
3
1
0
R
2
0
2
R
2
0
5
C
4
3
2
CP_WEN
C
4
0
2
R
4
3
4
4
0
3
C
2
1
4
D[1]
R10 9 R110
C
4
3
7
R
2
0
3
R
2
0
8
CP_OEN
C620
C
C
4
2
3
1
6
5
U
0
0
2
E
M
U
R
2
R210
0
1
C220
R213
CP_CSROMEN
CP_CSRAMEN
A[2]
C601
C
C
6
6
0
0
5
2
R603
V
C
R
R
6
6
6
0
0
1
3
2
2
C427
C425
C426
C202
C201
C200
R212
2
0
1
G
J
A
T
10-13
SAMSUNG Proprietary-Contents may change without notice
This Document can not be used without Samsung's authorization
Page 14

Flow Chart of Troubleshooting
ANT
GSM_RX
GSM_TX
DCS_RX
DCS_TX
FM_RADIO
SPK
MAIN_MIC
EAR_SPK
EAR_MIC
POWER_ON
SIM
CHARGING
LCD
MOT
CLK
VBAT
SPK_N
AOUTAN
MAIN_N
R427
C417
R443
C434
MICOUTP
MICINP
MICINN
MICOUTN
1
1S2
2
1S1
3
VCC
AUXOUTP
AUXINP
AUXINN
AUXOUTN
U402
0
9
1
1
N
I
D
1
GND
N
2
I
2
D
4
5
R400
R401
C400
C401
R404
R402
R403
R411
R420
8
7
2S1
6
2S2
R412
R418
C405
C410
R428
C402
R429
MAIN_P
AOUTAP
AS1
SPK_P
R413
R419
C403
EAR_MIC_P
EAR_MIC_N
0
0
4
R
V
R430
C441
1
0
4
R
V
VCCA_2.9V
C407
MIC400
CP_WEN
YMU_EN
CP_OEN
CLK13M_YMU
VIB_EN
YMU_IRQ
MEM_RST
D(1)
D(0)
A(1)
VCCD_2.9V
37
38
39
40
41
42
43
44
45
46
47
48
C427
49
50
51
D1
D0|AURXD
_WR|AUTXD
_CS|AUSTB
A0
_RD|AUCLK
IFSEL
NC
SDATA
VDDIO
SCLK
LRCK
GND
NC
NC
K
L
C
M
1
4
6
5
3
3
3
4
3
M
M
W
W
P
P
L
2
T
I
M
IN
K
L
W
U
C
P
A
4
2
3
VCCD_1.8V
C436
C418 R431
P
N
_
_
N
)
)
)
)
)
3
5
2
4
6
(
(
(
(
(
D
D
D
D
D
3
0
2
1
3
3
3
3
6
5
2
4
3
D
D
D
D
D
U403
T
S
R
N
C
D
D
C
O
N
L
D
P
_
P
G
V
5
7
8
6
R434
C432
C437
)
7
(
D
9
2
7
D
D
D
V
A
9
7
8
2
2
1
C
M
N
W
P
M
D
N
O
C
G
V
A
1
0
1
1
C430
VCCD_2.9V
N
I
A
M
6
2
N
K
P
S
HPOUT-R
HPOUT-L
N
IN
V
2
1
5
2
SGND
SVDD
EQ3
EQ2
EQ1
AVDD
AGND
AUX1
AUX2
VINP
C438
I
A
M
P
K
P
S
24
23
22
21
R432
20
C421
19
18
17
16
C424
15
C428
14
C429
13
R441
R442
C431
C422
EAR_R
EAR_L
AMP_R
AMP_L
AOUTBP
AOUTBN
R433
R439
R440
VBAT
AOUTBN
C423
C419
VCCD_2.9V
C420
C425
C426
10-14
SAMSUNG Proprietary-Contents may change without notice
This Document can not be used without Samsung's authorization
Page 15

ANT
GSM_RX
GSM_TX
DCS_RX
DCS_TX
FM_RADIO
SPK
MAIN_MIC
EAR_SPK
EAR_MIC
POWER_ON
SIM
CHARGING
LCD
MOT
CLK
VCCD_2.9V
VCCA_2.9V
VCCD_2.9V
Flow Chart of Troubleshooting
VBAT
DSP_DB(0:15)
DSP_AB(0:8)
FLASH_RESET
DSP_IO
DSP_RWN
BAND_SEL1
BAND_SEL2
FM_EN
VMOD_EN
TX_EN
SERLE
SERDAT
SERCLK
DSP_DB(15)
DSP_DB(14)
DSP_DB(13)
DSP_DB(12)
DSP_DB(11)
DSP_DB(10)
DSP_DB(9)
DSP_DB(8)
DSP_DB(7)
DSP_DB(6)
DSP_DB(5)
DSP_DB(4)
DSP_DB(3)
DSP_DB(2)
DSP_DB(1)
DSP_DB(0)
DSP_AB(8)
DSP_AB(7)
DSP_AB(6)
DSP_AB(5)
DSP_AB(4)
DSP_AB(3)
DSP_AB(2)
DSP_AB(1)
DSP_AB(0)
DSP_IO
D2
D3
E3
E2
F3
F2
F1
F4
G4
G3
H5
J6
J5
K3
K2
K1
K5
K7
M1
M2
N2
N1
L5
P1
K6
L3
L2
R3
E6
C5
F5
E5
A4
G6
B3
A3
B1
A2
C1
C2
DB15
DB14
DB13
DB12
DB11
DB10
DB9
DB8
DB7
DB6
DB5
DB4
DB3
DB2
DB1
DB0
AB8
AB7
AB6
AB5
AB4
AB3
AB2
AB1
AB0
I|O
RWN
RESETN_CSP
NC4
OCTL1
OCTL2
NC
OCTL4
OCTL5
OCTL6
OCTL7
SERLE1
SERLE2
SERDA
SERCK
3
1
D
8
C
N
N
N
I
X
U
A
4
1
L
P
IN
X
U
A
4
B
L
T
C
O
_
D
N
G
U300
P
N
T
T
U
U
O
O
X
X
U
U
A
A
3
3
3
1
1
1
L
K
R
P
N
N
T
T
IN
U
U
X
O
O
U
X
X
A
U
U
A
A
C300
0
1
3
1
1
4
1
2
4
6
6
1
6
1
M
F
L
C
P
L
T
C
O
_
D
D
V
P
M
G
C
E
V
R
X
V
V
3
1
M
K
N
R
P
A
3
2
4
B
V
B
V
D
D
S
S
S
D
D
D
D
D
D
S
S
S
N
D
D
N
N
D
V
V
V
V
V
V
G
G
G
K
Q
L
A
N
C
N
O
I
K
N
_
G
D
D
C
E
IR
I
I
I
E
C
A
A
A
T
A
O
R
D
D
D
X
V
R
D
6
4
4
6
4
4
1
L
1
P
N
R
D
M
R
K
2
3
_
K
L
C
C317
C301
0
3
5
5
1
3
5
5
6
4
N
J
G
N
1
2
1
S
O
O
I
I
S
_
_
V
D
D
D
D
V
V
R
T
7
N
C
I
C
M
D
N
3
6
5
P
P
R
T
C
N
M
I
_
_
P
M
3
S
1
D
K
L
C
1
8
1
1
1
1
3
E
M
C
J
B
F
B
K
2
5
1
7
3
1
2
R
Q
6
D
D
D
D
C
C
U
D
D
VDD34
S
S
D
D
D
D
C
N
D
P
P
V
V
V
V
H
G
_
_
V
VDD12
_
D
D
D
N
N
N
G
G
G
UP_CLK
UP_RST
UP_IO
SIM_IO
SIM_RST
SIM_CLK
VSIM
VRTC
LED2_DRV
LED1_DRV
RING_DRV
VIB_DRV
VLDO_7
VLDO_6
VL5S_B
VL5S_A
VLDO_5
VL4S_B
VL4S_A
VLDO_4
VLDO_3
VLDO_2
VLDO_1
VACC
CSN_PSC
SCLK_PSC
SDO_PSC
SDI_PSC
VEXT
VBAT
CH_BDRV
CH_ISEN
CH_RES
NC3
NC9
VREF
CREF
N
P
F
2
1
E
U
O
RTC_ALMN
W
W
E
B
_
S
S
K
_
2
T
_
_
_
Q
1
D
E
D
R
R
R
R
V
S
V
W
T
S
E
S
W
W
W
S
N
P
P
R
P
R
R
P
I
5
0
9
7
4
9
9
0
1
1
L
L
1
1
K
M
L
C
N
C
N
N
O
O
_
_
R
IG
J
W
P
1
INTRQ
C303
C318
SIMCLK
SIMRST
SIMDATA
SIM_IO
SIM_RST
SIM_CLK
VSIM
KEY_BL1
VIB_DRV
VBAT
UP_CS
UP_SCLK
UP_SDO
UP_SDI
VREF
RTCALARM
C319
VCCB_2.9V
VCCA_2.9V
C308
VCCD_2.9V
VRF_2.9V
C309
C312
C311 C310
VCCD_1.8V
C313
VRTC_3V
C314
C11
J13
N9
R10
P10
J11
K11
K14
K12
H11
G12
G13
F13
F15
C12
A14
C9
D10
B10
B11
A12
B12
A13
J12
G11
F14
K8
L8
N7
M7
E14
E13
E11
F12
D14
D15
E10
A10
E9
H10
C315
VIB_EN
INTRQ
PWR_KEEP
RST
TP300
KEY_COL(2)
3
Q300
2
KEY_ROW(4)
C302
0
0
1
1
J
K
1
2
7
5
6
1
C
C
S
N
N
D
N
G
P
C
F
X
T
A
5
7
9
B
E
D
C
C
C316
F
P
A
A
100NF
V
10V
0
0
7
8
9
1
9
7
8
6
7
8
9
J
H
H
J
H
J
H
2
3
0
1
6
4
5
1
1
1
1
1
1
1
S
S
S
S
S
S
S
D
D
D
D
D
D
D
N
N
N
N
N
N
N
G
G
G
G
G
G
G
P
N
P
2
1
P
N
A
F
F
Q
Q
I
I
T
E
E
X
X
X
X
U
T
T
R
T
R
T
X
X
A
X
A
X
O
R
R
A
R
R
R
R
1
7
6
7
6
6
1
B
C
C
D
D
P
P
N
IP
IN
Q
Q
X
X
X
X
T
T
T
T
R
R
R
R
7
8
9
1
F
F
F
F
G
G
G
G
1
2
3
4
9
5
6
7
8
S
S
S
S
S
S
S
S
S
D
D
D
D
D
D
D
D
D
N
N
N
N
N
N
N
N
N
G
G
G
G
G
G
G
G
G
P
N
P
N
N
T
T
P
P
N
B
B
A
U
U
N
T
T
T
N
I
O
O
I
IN
U
U
U
X
C
IC
IC
I
IC
U
O
O
O
M
M
M
A
M
A
A
A
5
5
4
2
2
2
5
4
1
1
1
1
1
1
1
1
P
P
N
N
R
N
M
M
P
P
P
P
N
N
N
N
T
T
A
B
A
B
IN
IN
T
T
T
U
T
U
IC
U
U
U
U
IC
O
O
O
O
O
O
M
C
M
IC
I
A
A
A
A
M
M
10-15
SAMSUNG Proprietary-Contents may change without notice
This Document can not be used without Samsung's authorization
Page 16

Flow Chart of Troubleshooting
10-1-8.
LCD
Backlight does not work
Backlight ON"TIME"
mode in the menu?
Yes
Check conecting
between PBA and LCD
Check HEA600△v(pin
conector
3.1/2.7
Yes
#13) =
V(dimming)
No
Select backlight
No
No
"15
Check FPCB
Check the LCD
sec" mode
END
Yes
10-16
SAMSUNG Proprietary-Contents may change without notice
This Document can not be used without Samsung's authorization
Page 17

Flow Chart of Troubleshooting
10-2.
10-2-1.
RF
EGSM
Rx
Continuous RX ON
RF Input
AMP
:-50
Normal Condition Catch the
channel
Check pin
PAM100
Check pin
PAM100
Check pin
U100
≥
≥
≥
:62
YES
YES
#17
-65
YES
#12
-65
YES
#17
2.8V
dBm
dBm
dBm
CH
of
of
of
NO
NO
NO
NO
Check soldered status of
ANT, C109,R104, C127, C101
RFS100,C108,C111,L102,L103,L104
Resolder or Change
Resolder or Change PAM100
Resolder or change U300
pinA13 C312
YES
Check the pin
U100=26Mhz
YES
Check the pin
U100 Vp-p=120mV
GSM Receiver is O.K?
#2,3,22,23
YES
YES
END
#19,20
of
of
NO
NO
NO
Resolder or Change osc101
Resolder or Change U100
GSM RX path component
resolder or change
10-17
SAMSUNG Proprietary-Contents may change without notice
This Document can not be used without Samsung's authorization
Page 18

Flow Chart of Troubleshooting
10-2-2.
DCS Rx
Continuous RX ON
RF Input
AMP
Normal Condition Catch the
channel
Check pin
PAM100
Check pin
PAM100
Check pin
U100
: 660
:-50
≥
≥
≥
dBm
YES
YES
#17
-65
YES
#13
-65
YES
#17
2.8V
CH
dBm
dBm
of
of
of
NO
NO
NO
NO
Check soldered status of
ANT, C109, C127, C101
RFS100,C108,C111,L102,L103,L104
Resolder or Change
Resolder or Change PAM100
Resolder or change U300
C312
YES
Check the pin
U100=26Mhz
YES
Check the pin
U100 Vp-p=120mV
#2,3,22,23
YES
GSM Receiver is O.K?
YES
END
#19,20
of
of
NO
NO
NO
Resolder or Change OSC101
Resolder or Change U100
GSM RX path component
resolder or change
10-18
SAMSUNG Proprietary-Contents may change without notice
This Document can not be used without Samsung's authorization
Page 19

Flow Chart of Troubleshooting
10-2-3. E
GSM Tx
Check
PAM100
:about2~3
dbm?
pin 17
Yes
Check and change
RFS100,C108,C111,
L102,L103,L104
No
No
PAM100pin
:
3.7V ?
pin
PAM100pin
about
check&change
30
Check
PAM100
4 : 2.8V ?
Yes
dbm?
4~5
Yes
U100
No
No
27:
Battery,
check&change
U300
Check and
change
UCP200,U300
CONTINUS TX ON CONDITION
TX POWER DAC
APPLIED
CH
RBW
VBW
SPAN
REF LEV
ATT
:62
:100
: 100
:10
:20
:10
: 554
ch
KHz
KHz
MHz
dBm
dB
CODE
Yes
PAM100pin
3:
1.2V ?
Yes
PAM100pin
about-5dbm?
17:
Yes
PAM100pin
4:
2.8V ?
Yes
PAM1
00
change or resolder
No
No
No
U300 check
check
U300
2,3,22,23 :
change or resolder
U100 pin
100mV ?
Yes
U100
No
change or resolder
U300
10-19
SAMSUNG Proprietary-Contents may change without notice
This Document can not be used without Samsung's authorization
Page 20

Flow Chart of Troubleshooting
10-2-4.
DCS Tx
Check
PAM100
:about2~3
pin 17
Yes
Check and change
RFS100,C108,C111,
L102,L103,L104
No
No
PAM100pin
:
3.7V ?
Yes
PAM100pin
1.2V ?
pin
PAM100pin2
about
check&change
30
3:
Check
PAM100
4 : 2.8V ?
Yes
dbm?
4~5
Yes
U100
No
No
PAM100check
No
9:
Battery, PAM1
check&change
Check and
change
CP200,U300
U
00
CONTINUS TX ON CONDITION
TX POWER DAC
APPLIED
CH
: 698
660
RBW
VBW
SPAN
REF LEV
ATT
CH(PCS)
: 100
: 100
:10
:20
CH(DCS),
:10
: 560
KHz
KHz
MHz
dBm
dB
CODE
Yes
PAM100pin
about-5dbm?
17
:
Yes
PAM100pin
4:
2.8V ?
Yes
PAM1
00
change or resolder
No
No
U300
check
U100 pin
2,3,22,23 :
100mV ?
Yes
U100
change or resolder
No
U300
change or resolder
10-20
SAMSUNG Proprietary-Contents may change without notice
This Document can not be used without Samsung's authorization
Page 21

Flow Chart of Troubleshooting
R
R
5
5
0
0
R
R
6
5
4
4
R
0
0
4
0
1
1
9
R
R
4
4
C
0
0
4
2
4
1
0
R
4
1
8
R
4
2
0
C
C
3
3
1
1
1
2
TA501
C
3
1
7
C300
0
0
C
C
3
1
3
8
0
3
F
1
0
0
C121
C122
C123
C124
U501
R430
C407
C
4
4
1
BOTHHOLE100
R
4
1
3
C
4
0
5
R
4
1
2
R
4
1
1
C313
C
3
C310
0
1
C206
C314
R
5
1
9
C308
C309
R
C
5
C134
C135
R102
R103
L105
C
1
2
0
C119
2
2
1
0
1
TP300
U
C
P
2
0
0
C216
C217
L
1
0
1
C
4
R446
R444
R211
3
U
C
C
C
C
3
3
3
3
1
1
1
0
9
5
6
2
0
1
C118
1
C
1
2
9
C
1
0
4
0
4
0
C417
C
1
2
6
Q300
O
M
R
1
0
4
C103
R101
C102
A
DSP_IO
INTRQ
P
C
1
2
5
R427
C208
OSC200
C
1
0
1
C116
C114
C
1
0
6
C117
C107
C110
C
1
2
7
L108
C
1
0
0
C
1
0
5
C
1
1
5
L
1
0
6
C
2
2
1
C
S
0
0
1
U
C
1
2
8
1
0
R
F
S
1
0
0
L
1
0
2
C
1
0
8
C109
C111
L104
L103
C136C137
10-21
SAMSUNG Proprietary-Contents may change without notice
This Document can not be used without Samsung's authorization
Page 22

ANT
GSM_RX
GSM_TX
DCS_RX
DCS_TX
FM_RADIO
SPK
MAIN_MIC
EAR_SPK
EAR_MIC
POWER_ON
SIM
CHARGING
LCD
MOT
CLK
DPCS_PAM_IN
GSM_PAM_IN
L101
R102
R103
26M_OUT
VBAT
Flow Chart of Troubleshooting
VRF_2.9V
OSC101
4
3
1
C101
C100
R101
AFC
C103
C105
C106
C107
C110
L106
L105
C115
C102
C117 C114
VCCD_2.9V
C116
VLDO2
6
1
VLDO1
5
1
VBAT
4
1
VDD
3
1
VCC_TXVCO
2
1
TXOP_HI
1
1
TXOP_LO
0
1
VLDO3
9
F
E
R
_
C
C
V
C
N
2
RTXQN
1
9
1
N
I
F
E
R
K
L
C
S
6
0
2
2
P
N
I
O
F
_
E
F
R
E
R
U100
I
B
B
A
_
T
C
A
D
C
V
S
5
3
4
2
2
2
2
B
Q
Q
B
Q
B
_
RX1900B
C
5
C
2
V
RX1900
6
2
RX1800B
7
2
RX1800
8
2
RX900B
9
2
RX900
0
3
RX850B
1
3
RX850
2
3
E
F
GND
3
_
3
C
C
C
C
B
I
I
V
N
N
5
4
2
4
3
1
3
3
8
7
1
1
C
B
F
A
V
N
E
S
7
8
RTXQP
PCS1900_LNA_IN_P
PCS1900_LNA_IN_N
DCS1800_LNA_IN_P
DCS1800_LNA_IN_N
GSM900_LNA_IN_P
GSM900_LNA_IN_N
GSM850_LNA_IN_P
GSM850_LNA_IN_N
C104
ANT_PAD1
ANT_PAD2
SERLE
SERCLK
SERDAT
RTXIN
RTXIP
C118
RFS100
ANT
C136
C109
C137
C
G
A
G
2
1
3
4
L103
C108
L104
L102
C111
VBAT
C119
C120
VMOD_EN
VAPC
TX_EN
GSM_PAM_IN
DPCS_PAM_IN
PAM100
7
0
1
3
T
T
T
2
VLOGIC
R104
3
VRAMP
4
TX_EN
27
GSM_IN
29
DCS|PCS_IN
C127
C126
C125
N
A
A
B
V
G
G
G
G
G
G
G
G
G
G
G
G
G
G
G
G
8
5
6
4
3
2
5
1
6
0
9
0
8
2
2
2
2
2
2
2
1
1
8
1
9
1
7
2
1
1
5
BS1
6
BS2
12
RX1
13
RX2
G
G
G
G
G
G
G
1
4
2
5
3
6
3
3
3
3
3
3
BAND_SEL1
BAND_SEL2
C128
C129
C121
C122
C123
C124
GSM900_IN
GSM1800_IN
9
2
3
D
D
D
N
N
N
G
G
G
GSM900_OUT1
GSM900_OUT2
GSM1800_OUT1
GSM1800_OUT1
F100
0
1
D
N
G
GSM850_LNA_IN_P
GSM850_LNA_IN_N
GSM900_LNA_IN_P
5
GSM900_LNA_IN_N
6
DCS1800_LNA_IN_P
7
DCS1800_LNA_IN_N
8
PCS1900_LNA_IN_P
PCS1900_LNA_IN_N
10-22
SAMSUNG Proprietary-Contents may change without notice
This Document can not be used without Samsung's authorization