
Issued 4/99
Item Part No. Description
1 182059 Air Cleaner/Muffler Cover Assembly (includes 2 & 42)
2 180350 Air Cleaner Filter
3 180351 Carburetor Mounting Screw Assembly
4 180352 Wavey Washer
5 182061 Choke Lever Assembly (includes 6)
6 182070 Choke Knob and Screw
7 182060 Choke Lever and Plate (includes 5)
8 182062 Carburetor Assembly W/Limiter Caps
(includes 9 & 21)
9 610675 Carburetor Gasket
10 181860 Carb Mount Screw
11 181558 Primer and Hose Assembly
12 182063 Carb Mount Assembly (includes 10)
13 684451 Reed Assembly
14 181498 Power Shaft Assembly
15 612115 Carburetor Mount Gasket
16 180026 Crank Case Service Assembly
(includes 10, 14 & 24)
17 612134 Rear Mounting Pad
18 181438 Fuel Tank Assembly (includes 19-21)
19 181559 Fuel Cap Assembly
20 181168 Fuel Return Line
21 682039 Fuel Line Assembly
22 145308 Front Mounting Pad
23 153520 Shroud Assembly
24 181861 Shroud Screw
25 182064 Shroud Extension and Stand
26 180929 Flywheel Assembly
27 181065 Spacer
28 181597 Recoil Pulley Assembly
29 613102 Recoil Spring
30 611061 Rope Guide
31 181441 Pulley Retainer Assembly
32 181442 Switch Assembly (includes 44)
33 181079 Pull Handle
Item
Part No. Description
34 613103 Rope
35 181443 Starter Housing Assembly
(includes 28-34 & 44)
36 181862 Housing Screw
37 181074 Clutch Washer
38 181445 Clutch Rotor Assembly
39 153592 Clutch Drum Assembly
40 612468 Spring
41 180098 Clutch Cover Assembly
42 181345 Cover Screw
43 153597 Upper Clamp Assembly
44 180036 Wire Lead
45 181937 Module Assembly
46 610311 Spark Plug
47 182065 Exhaust Gasket
48 182066 Muffler Assembly (includes 49)
49 147575 Muffler Mounting Bolt Assembly
50 181622 Cylinder Assembly (includes 53)
51 684449 Piston and Rod Assembly
52 610674 Cylinder Gasket
53 181870 Cylinder Bolt
* 180011 Engine Gasket Kit
* 180602 O.E.M. Carburetor Repair Kit (Walbro)
* 180090 O.E.M. Carburetor Repair Kit (Zama)
* 181873 Gasket Diaphragm Repair Kit (Walbro)
* 180091 Gasket Diaphragm Repair Kit (Zama)
* 180530 Piston Ring
* 181623 Short Block Assembly
(includes 10, 14, 16, 24, 46, 50-53)
* 610676 Flywheel Key
* 181501 Starter Housing Screw Set
* 610309 Crankcase Seal
* 181599 Clutch Springs (Qty. 2)
* Items Not Shown
42
1
2
3
8
10
12
3
4
5
7
6
11
13
15
16
51
52
14
22
53
20
17
18
19
21
37
38
39
40
42
43
41
26
27
28
29
32
30
33
34
32
36
42
35
25
32
44
45
50
46
47
48
49
24
31
23
9
ENGINE PARTS - MODEL 750r
2-CYCLE GAS TRIMMER
(Serial Number 812061726 and greater)

Issued 4/99
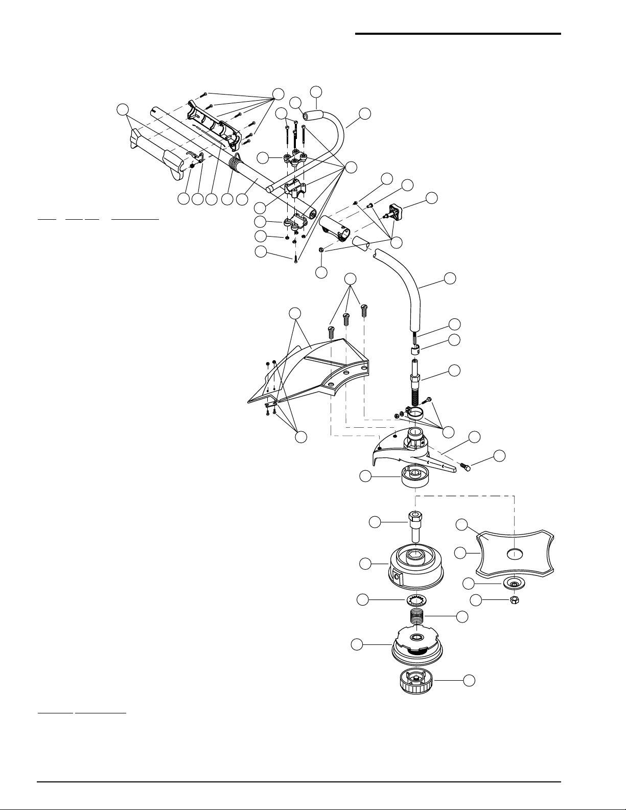
BOOM AND TRIMMER PARTS - MODEL 750r
2-CYCLE GAS TRIMMER
(Serial Number 812061726 and greater)
Item Part No. Description
1 182079 Throttle Housing and Trigger
Assembly (includes 2 & 3)
2 610314 Throttle Trigger Spring
3 181556 Throttle Trigger
4 182068 Throttle Cable Assembly
5 610327 Harness Clip
6 180339 Upper Drive Shaft Housing Assembly
7 182078 J-Handle Assembly (includes 8 & 9)
8 612831 Grip
9 612021 Tube Closure
10 683295 Handle Bracket Assembly
(includes 11-16)
11 181811 Screw
12 181812 Upper Handle Clamp
13 181813 Middle Handle Clamp
14 181814 Lower Handle Clamp
15 181815 Nut
16 145569 Anti-Rotation Screw
17 181616 Click-Link Coupler
(includes 18-21)
18 182057 Screw
19 181617 Bolt
20 181618 Adjustment Knob
21 181886 Knob Retaining Nut
22 180733 Lower Drive Shaft Housing Assembly
23 683608 Lower Flexible Drive Shaft
24 181578 Retainer Sleeve (includes 28)
25 180724 Output Shaft
26 153597 Clamp Assembly
27 153598 Bearing Housing Assembly
28 180288 Mounting Bolt
29 683304 Shield Mounting Screw
30 683299 Shield and Blade Assembly (includes 31)
31 682061 Blade Assembly
32 147006 Shaft Bushing
33 145896 Spool Shaft
34 153599 Outer Spool and Eyelet Assembly (includes 35)
35 612026 Retainer
36 610317 Spring
37 610318 Inner Reel
38 153066 Bump Head Knob Assembly
39 145873 4-Tooth Blade (includes 40)
40 613231 Blade Cover
41 612023 Retaining Washer
42 145895 Nut
* 180015 Blade Retaining Kit (includes 41 & 42)
* 613226 Locking Rod Tool
* 682075 Shoulder Harness
Optional Accessories
* 610375 Replacement Line, 0.080 Diameter
* 153577 Reel and Line Assembly
* 153700 Bump Head Assembly (includes 33-38)
* 147543 Ryobi 2-Cycle Oil
* Items Not Shown
26
25
23
22
29
30
24
42
33
34
41
32
40
39
27
28
31
38
36
35
37
1
1
5
6
13
14
15
16
12
11
9
8
7
10
18
19
20
17
21
4
3
2