
5-1
KEY BOARD
Block Diagram
O S C I
D A T A
5-1
HT1622
D i s p l a y R A M
C S
R D
W R
C o n t r o l
a n d
T i m i n g
C i r c u i t
L C D D r i v e r /
B i a s C i r c u i t
C O M 0
C O M 7
S E G 0
TABLE OF CONTENTS
IC Block Diagram ........................................................................ 5-1
Circuit Diagram ........................................................................... 5-2
Layout Diagram-Component ...................................................... 5-3
Layout Diagram-SMD ................................................................. 5-3
Electrical parts list ...................................................................... 5-4
Pin Assignment
V D D
V S S
S E G 3 1
V L C D
B Z
B Z
C S
N C
R D
W R
D A T A
V S S
O S C I
V D D
V L C D
I R Q
B Z
N C
B Z
C O M 0
C O M 1
N C
T o n e F r e q u e n c y
T 1
T 2
T 3
G e n e r a t o r
S E G 3 0
S E G 3 1
6 3
6 4
1
2
3
4
5
6
7
8
9
1 0
1 1
1 2
1 3
1 4
1 5
1 6
1 7
1 8
2 0
2 1
1 9
S E G 2 8
S E G 2 9
6 1
6 2
2 3
2 2
W a t c h d o g T i m e r
T i m e B a s e G e n e r a t o r
S E G 2 3
S E G 2 4
S E G 2 5
S E G 2 6
S E G 2 7
5 6
5 7
5 8
5 9
6 0
0 6 $
$ " 3 . 2
2 4
2 5
2 6
2 7
2 8
a n d
S E G 2 0
S E G 2 1
S E G 2 2
N C
5 2
5 3
5 4
5 5
5 1
5 0
4 9
4 8
4 7
4 6
4 5
4 4
4 3
4 2
4 1
4 0
3 9
3 8
3 7
3 6
3 5
2 9
3 4
3 0
3 1
3 2
3 3
I R Q
N C
N C
N C
S E G 1 9
S E G 1 8
S E G 1 7
S E G 1 6
S E G 1 5
S E G 1 4
S E G 1 3
S E G 1 2
S E G 1 1
S E G 1 0
S E G 9
S E G 8
S E G 7
N C
N C
N C
C O M 5
C O M 2
C O M 3
C O M 4
C O M 6
C O M 7
S E G 0
S E G 1
S E G 2
S E G 3
S E G 4
S E G 5
S E G 6
2 January 10, 2001

CIRCUIT DIAGRAM - FRONT BOARD
5-2
5-2

7-1
TUNER BOARD
7-1
AM/FM TUNER IC
TA2149BN
TABLE OF CONTENTS
IC Block Diagram............................................................. 7-1 to 7-3
Circuit Diagram_Non Cenelec....................................................7-4
Layout Diagram-Component_Non Cenelec............................... 7-5
Layout Diagram-SMD_Non Cenelec..........................................7-5
Circuit Diagram_Cenelec ...........................................................7-6
Layout Diagram-Component_Cenelec ....................................... 7-7
Layout Diagram-SMD_Cenelec .................................................7-7
Electrical parts list ......................................................................7-8

7-2 7-2
RDS/RBDS DECODER
BU1923F
BLOCK DIAGRAM
100k
(4)
120k
100k
(3)
(5)
Analog
Power supply
(6)
(12)
Digital
Power supply
(11)
(13) (14) (10) (9)
4.332MH
Z
2.2∝F
1
MUX
270p
Vref
1
V
V
2
V
SS1
DD2
SS2
DD1
V
XI
PLL
57kH
Z
RDS/ARI
XO
anti-aliasing
filter
Reference
clock
PLL
1187.5Hz
8th Switched
capacitor filter
Bi-phase
decoder
SS3
V
Measurement
circuit
T1
560p
(7) (8)
comparator
Differential
decoder
T2
CMP
(16)
RDS/RBDS DECODER
BU1923F
Pins Description
Pin No. Pin nameSymbol Functions Input/Output type
1 QUAL Demodulator quality Type CGood data: High, bad data : Low
2 RDATA Demodulator data
3Vref Reference voltage
4 MUX Input
5V
6V
RCLK
7
8
9T2
QUAL
(1)
10 T1
11 V
12 V
13 XI
RDATA
(2)
14 XO
15
D
D1
Analog power supply
S
S1
V
S
S3
GND
CMP Comparator input Type D
Test input Type BOpen or connected to ground
D2
D
Digital power supply
S
S2
Crystal oscillator Type A
(N.C.)
16 RCLK Demodulator clock 1187.5Hz clock (refer to the timing diagram)
Type A
Refer to output data timing
D1
1/2 V
(refer to input/output circuits)
D
Composite signal input (refer to input/output circuits)
4.5V to 5.5V
C-junction (refer to input/output circuits )
4.5V to 5.5V
Connects to 4.332MHz oscillator
(refer to input/output circuits)
Type B
Type C
Type E
Type D
Type C
33pF
3
1
RCLK
QUAL
33pF
3
(N.C.)
2
RDATA
DD1
DD2
and V
are separated within the IC.
DD2
(digital power supply) of a sufficiently low impedance.
DD2
V
SS2
V
T1
10111213141516
10M
T2
9
Type D
Type E
XO
1: V
2: Have V
3: Match the capacitor constants with the crystal manufacturer.
XI
+
+
3
Vref
4
MUX
5
DD1
V
6
SS1
V
7
SS3
V
8
CMP

7-3
7-3
DIGITAL TUNING IC
TC9257F
DIGITAL TUNING IC
TC9257F

7-4
CIRCUIT DIAGRAM - TUNER BOARD (NON CENELEC)
7-4

8-2
8-2
MICROPROCESSOR
TMP87EP26F
BLOCK DIAGRAM
MICROPROCESSOR
TMP87EP26F
PINS DESCRIPTION

8-3
8-3
MICROPROCESSOR
TMP87EP26F
PINS DESCRIPTION
POWER DRIVER IC
TA2092N

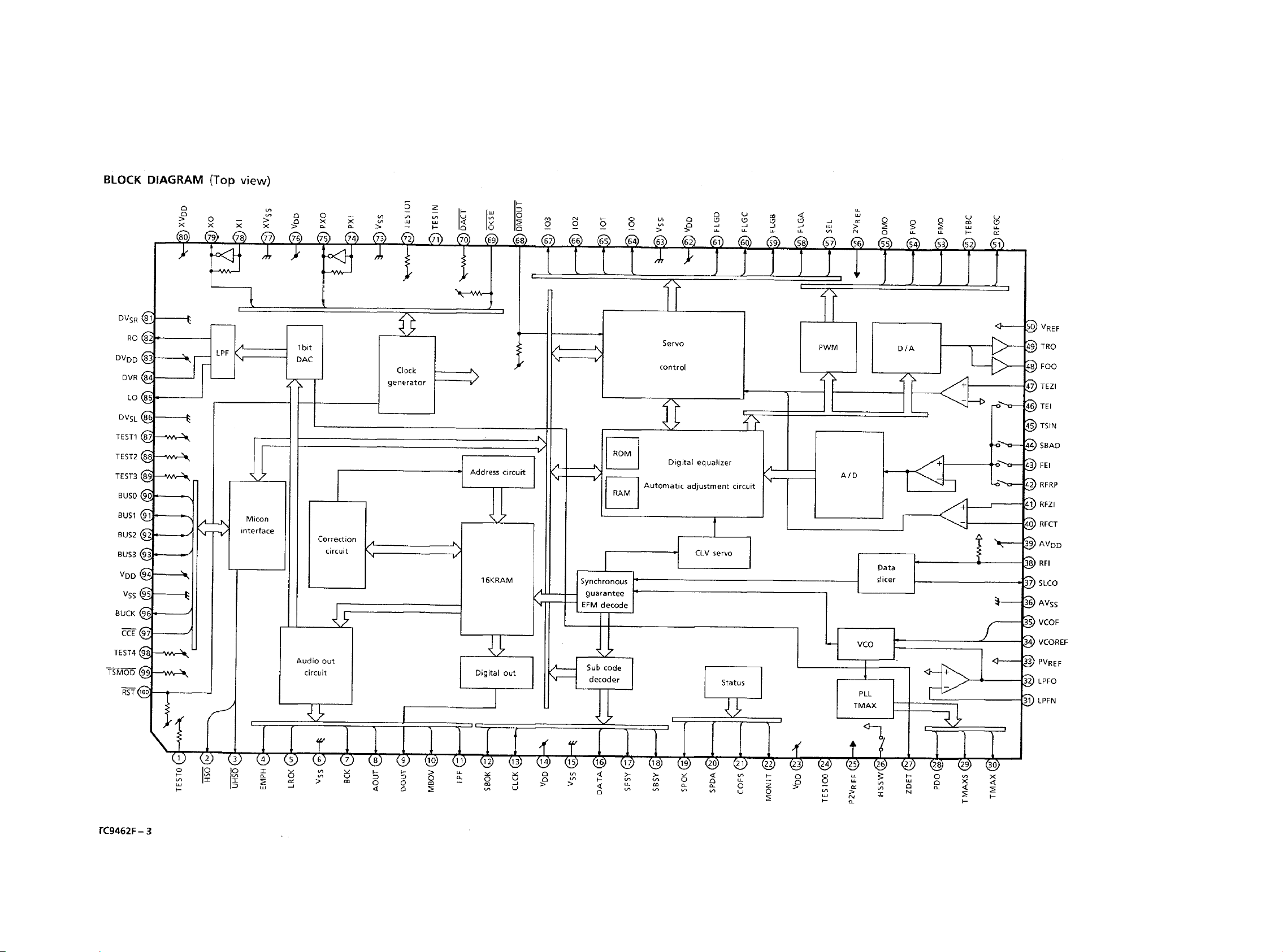
DIGITAL SERVO PROCESSOR
TC9462F
BLOCK DIAGRAM
8-4
8-4

8-5 8-5
DIGITAL SERVO PROCESSOR
TC9462F
PINS DESCRIPTION
DIGITAL SERVO PROCESSOR
TC9462F
PINS DESCRIPTION

8-6
8-6
DIGITAL SERVO PROCESSOR
TC9462F
DIGITAL SERVO PROCESSOR
TC9462F
PINS DESCRIPTION PINS DESCRIPTION

CIRCUIT DIAGRAM - MCU&CD BOARD
8-7
8-7

9-2 9-2
CONNECTION PCB CIRCUIT DIAGRAM

MAIN BOARD - CIRCUIT DIAGRAM
10-2
10-2

TAPE PART - CIRCUIT DIAGRAM
10-3 10-3