
Order by Part Number
There is more than 1 version of this model.
Page down to identify the version you have.
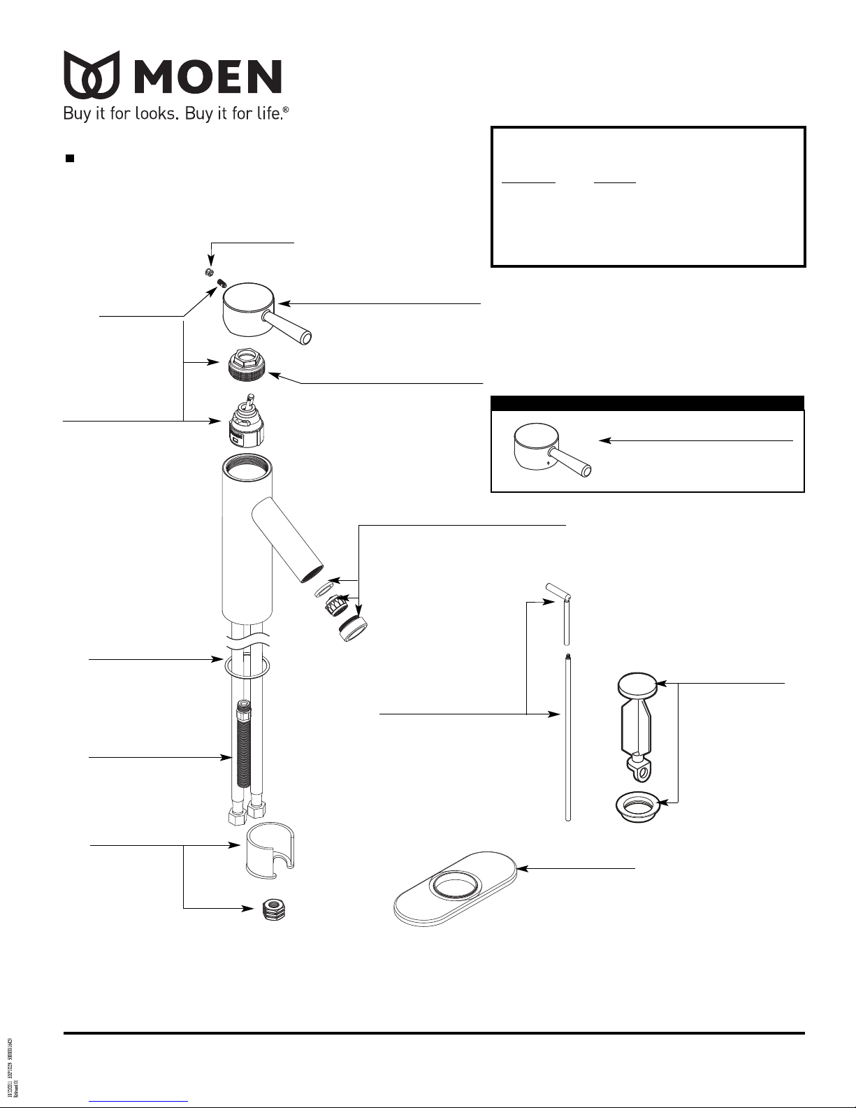
Plug Button
152859 Chrome
152859CSL Brushed Nickel
I l l u s t r a t e d P a r t s
LEVELâ„¢
Single-Handle Lavatory Faucet
MODELS FINISH
6100 Chrome
6100BN Brushed Nickel
6100HC Chrome w/ Red & Blue Indicators
6100HCBN Brushed Nickel w/ Red & Blue Indicators
Set Screw
155023
Cartridge, Cartridge Nut
and Set Screw
1255
O-Ring
137515
Mounting Kit
137518
Handle Hub & Lever
146928 Chrome
146928CSL Brushed Nickel
Cartridge Nut
Note: Must change nut with cartridge
144266
Aerator (1.5 gpm)
101053 Chrome
101053BN Brushed Nickel
Lift Rod
123804 Chrome
123804BN Brushed Nickel
Option
Handle Kit with Red & Blue Indicators
158492 Chrome
158492BN Brushed Nickel
(2.2 gpm)
137514 Chrome
137514BN Brushed Nickel
Pop-Up Plug & Seat
10709 Chrome
10709BN Brushed
Nickel
Hardware Kit
137517
Rev. 8/11
Escutcheon Kit
137516 Chrome
137516BN Brushed Nickel
TO ORDER PARTS CALL: 1-800-465-6130
www.moen.com

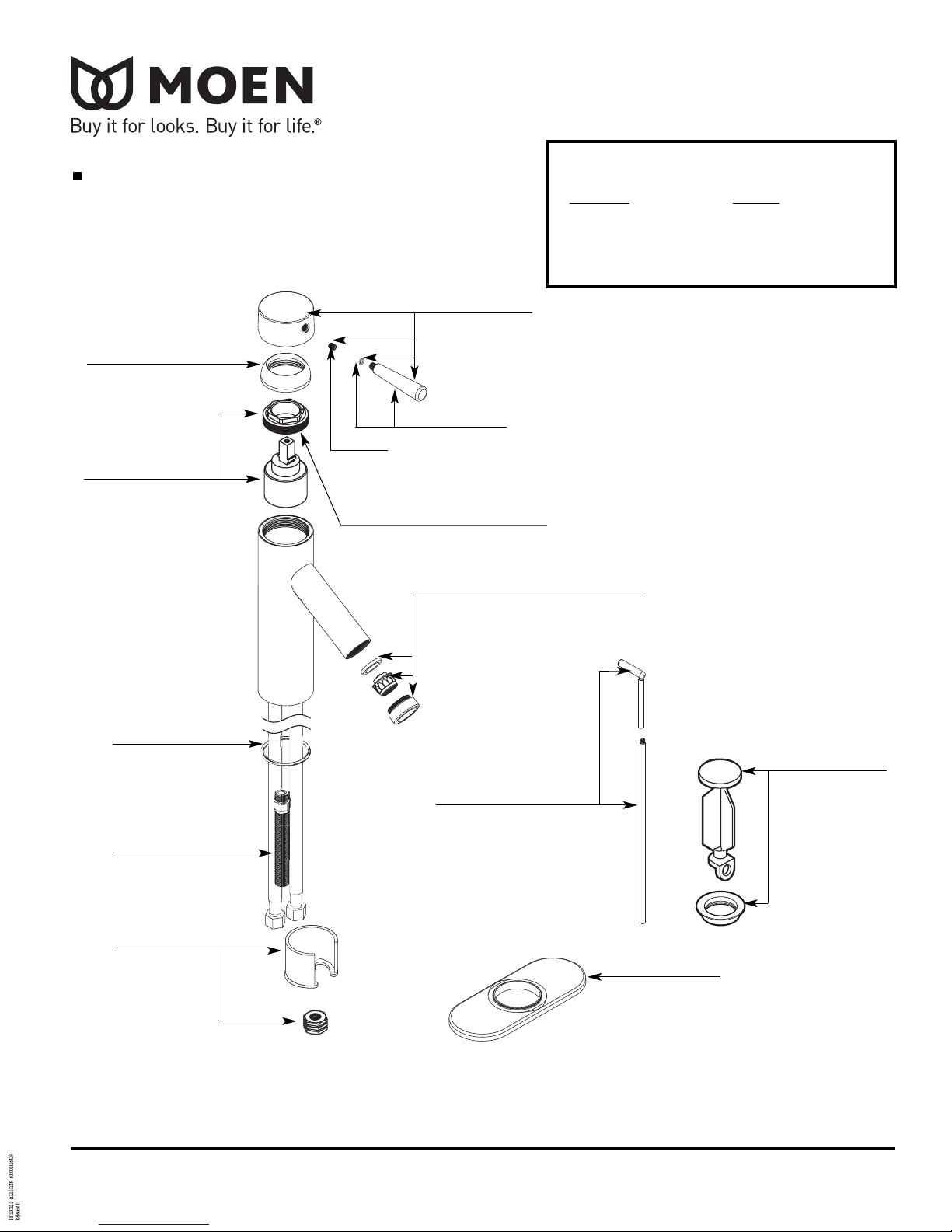
Order by Part Number
Handle Dome
137512 Chrome
137512BN Brushed Nickel
Cartridge
121620
Handle Hub & Lever
137510 Chrome
137510BN Brushed Nickel
Lever Handle
Set Screw
129920
Cartridge Nut
Note: Must change nut with cartridge
137513
137511 Chrome
137511BN Brushed Nickel
I l l u s t r a t e d P a r t s
LEVELâ„¢
Single-Handle Lavatory Faucet
MODELS FINISH
6100 Chrome
6100BN Brushed Nickel
O-Ring
137515
Mounting Kit
137518
Hardware Kit
137517
Aerator (1.5 gpm)
101053 Chrome
101053BN Brushed Nickel
Lift Rod
123804 Chrome
123804BN Brushed Nickel
(2.2 gpm)
137514 Chrome
137514BN Brushed Nickel
Pop-Up Plug & Seat
10709 Chrome
10709BN Brushed
Nickel
Escutcheon Kit
137516 Chrome
137516BN Brushed Nickel
Rev. 8/11
TO ORDER PARTS CALL: 1-800-465-6130
www.moen.com