
PRODUCT INFORMATION PACKET
Model No: E103021.00
Catalog No: E103021.00
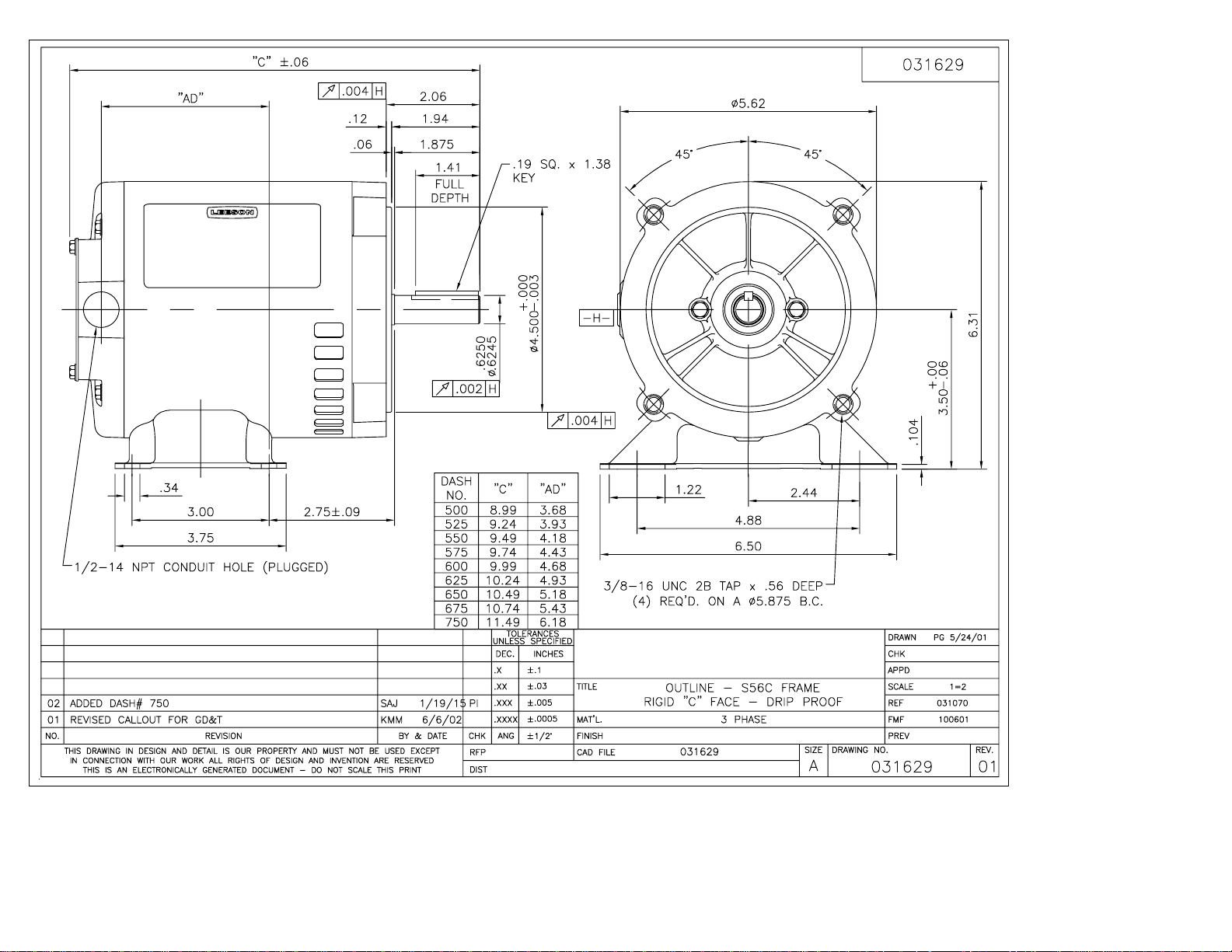
0.33 HP General Purpose Motor, 3 phase, 1800 RPM, 230/460 V, 56C Frame, ODP
Three Phase ODP Motors
Regal and Leeson are trademarks of Regal Beloit Corporation or one of its affiliated companies.
©2019 Regal Beloit Corporation, All Rights Reserved. MC017097E
1 of 41 of 41 of 41 of 41 of 41 of 41 of 41 of 41 of 41 of 41 of 41 of 41 of 41 of 41 of 41 of 41 of 41 of 41 of 41 of 41 of 41 of 41 of 41 of 41 of 4

Product Information Packet: Model No: E103021.00, Catalog No:E103021.00 0.33 HP General Purpose Motor, 3 phase, 1800 RPM, 230/460 V, 56C
Frame, ODP
Nameplate Specifications
Output HP 0.33 Hp Output KW 0.25 kW
Frequency 60 Hz Voltage 230/460 V
Current 1.2/0.60 A Speed 1725 rpm
Service Factor 1.25 Phase 3
Efficiency 73.4 % Power Factor 70.6
Duty Continuous Insulation Class F
Design Code B KVA Code M
Frame S56C Enclosure Drip Proof
Thermal Protection No Ambient Temperature 40 °C
Drive End Bearing Size 6203 Opp Drive End Bearing Size 6203
UL Recognized CSA Y
CE Y IP Code 22
Technical Specifications
Electrical Type Squirrel Cage Inverter Rated Starting Method Line Or Inverter
Poles 4 Rotation Reversible
Resistance Main 20.8 Ohms Mounting Rigid base
Motor Orientation Horizontal Drive End Bearing Ball
Opp Drive End Bearing Ball Frame Material Rolled Steel
Shaft Type NEMA 56 Overall Length 11.49 in
Frame Length 7.50 in Shaft Diameter 0.625 in
Shaft Extension 2.06 in Assembly/Box Mounting F1 Only
This is an uncontrolled document once printed or downloaded and is subject to change without notice. Date Created:01/11/2019
2 of 42 of 42 of 42 of 42 of 42 of 42 of 42 of 42 of 42 of 42 of 42 of 42 of 42 of 42 of 42 of 42 of 42 of 42 of 42 of 42 of 42 of 42 of 42 of 42 of 4

3 of 43 of 43 of 43 of 43 of 43 of 43 of 43 of 43 of 43 of 43 of 43 of 43 of 43 of 43 of 43 of 43 of 43 of 43 of 43 of 43 of 43 of 43 of 43 of 43 of 4

Uncontrolled Copy
HIGH VOLTAGE
(U1) T1
(V1) T2
(W1) T3
(U2) T4
(U3) T7
(V2) T5
(V3) T8
(W2) T6
(W3) T9
LOW VOLTAGE
(U1) T1
(U3) T7
(V1) T2
(V3) T8
LOW VOLTAGE
T4 T5 T6
P1
HIGH VOLTAGE
T4 T7 T5 T8 T6 T9
L1
L2
L3
L1 T7 T1 L2 T8 T2 L3 T9 T3
L1 T1 L2 T2 L3 T3
P2
NOTE FOR FACTORY USE ONLY:
TO SURGE TEST FOR COMMON CONNECT:
HIGH VOLT: CONNECT P1 TO T1
THEN P2 TO L1
LOW VOLT: CONNECT P1 TO T1 & T7,
THEN P2 TO L1
L1
L2
P1
P2
PROT.
THREE PHASE
DUAL VOLTAGE MOTOR
PROT.
T1
T4
T7
T9
T6
T3
T8
T5
THERMO-PROTECTORS
CONNECTED IN SERIES
RED
OR
PURPLE
BLACK
BLACK
YELLOW
BROWN
ORANGE
BLACK
BLACK
T2
PURPLE
RED
BLUE
OR
RED
P1 (TB1)
T1 (U1)
T4 (U2)
T9 (W3)
T7 (U3)
T8 (V3)
T6 (W2)
T5 (V2)
T2 (V1)
T3 (W1)
P2 (TB2)
(W1) T3
(W3) T9
L3
(U2) T4
(V2) T5
(W2) T6
DRAWING REVISION
ECO
ECO DESCRIPTION
T
ECO-0159915
ADDED TERMINAL CONNECTION DIAGRAM
COPYRIGHT REGAL BELOIT AMERICA, INC. ALL RIGHTS RESERVED.
PROPRIETARY AND CONFIDENTIAL INFORMATION - THIS DOCUMENT IS THE PROPERTY OF
REGAL BELOIT AMERICA, INC. ("OWNER") AND CONTAINS OWNER'S PROPRIETARY
INFORMATION. ANY PERSON, CORPORATION OR OTHER FIRM RECEIVING IT IS DEEMED,
BY RECEIVING IT, TO AGREE THAT IT, AND/OR ANY PART OF IT, SHALL NOT BE DISCLOSED
TO ANY PERSON, CORPORATION OR OTHER ENTITY, DUPLICATED, AND/OR USED, EXCEPT
AS EXPRESSLY APPROVED IN WRITING IN ADVANCE BY OWNER. THIS DOCUMENT SHALL
BE RETURNED TO OWNER UPON REQUEST. IT MAY BE SUBJECT TO CERTAIN
RESTRICTIONS UNDER APPLICABLE EXPORT CONTROL LAWS AND REGULATIONS.
REVISION BY
ZR
APPROVED BY
DR
NOTE: LEAD'S COLOR CAN BE YELLOW OR WHITE FOR MT2 PLANT
DATE
01-14-2019
DATE
01-15-2019
DRAWN BY
DATE
APPROVED BY
DATE
REFERENCE
THIRD ANGLE
PROJECTION
SMC
05-13-1992
05-13-1992
EE7308/EE7300
PROT.
VIEW OF TERMINAL END
TM
Regal Beloit America, Inc.
TB
DESCRIPTION
CONN DIAGRAM-INTERNAL
MATERIAL
SIZE
DRAWING NUMBER
3 PHASE - DUAL VOLTAGE MOTOR
A
4 of 44 of 44 of 44 of 44 of 44 of 44 of 44 of 44 of 44 of 44 of 44 of 44 of 44 of 44 of 44 of 44 of 44 of 44 of 44 of 44 of 44 of 44 of 44 of 44 of 4
EE7308T
PROCESS/FINISH
SHEET
1 OF 1