
PRODUCT INFORMATION PACKET
Model No: 193423.60
Catalog No: 193423.60
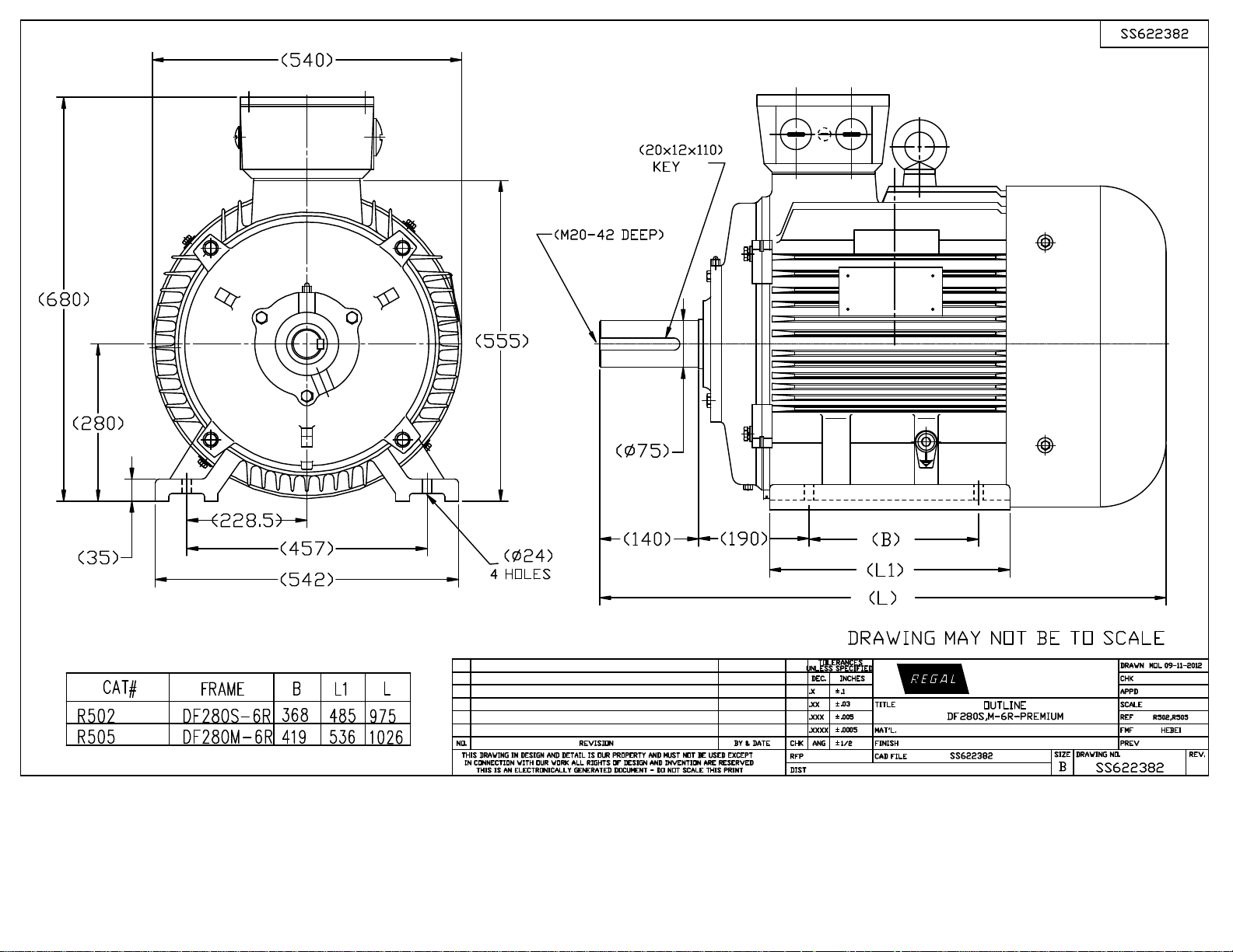
100 HP General Purpose, 3 phase, 1800 RPM, 230/460 V, 280S Frame, TEFC
Cast Iron TEFC Motors
Regal and Leeson are trademarks of Regal Beloit Corporation or one of its affiliated companies.
©2019 Regal Beloit Corporation, All Rights Reserved. MC017097E
1 of 31 of 31 of 31 of 31 of 31 of 31 of 31 of 31 of 31 of 31 of 31 of 31 of 31 of 31 of 31 of 31 of 31 of 31 of 31 of 31 of 31 of 31 of 31 of 31 of 3

Product Information Packet: Model No: 193423.60, Catalog No:193423.60 100 HP General Purpose, 3 phase, 1800 RPM, 230/460 V, 280S Frame,
TEFC
Nameplate Specifications
Output HP 100 Hp Output KW 75.0 kW
Frequency 60 Hz Voltage 230/460 V
Current 226.0/113.0 A Speed 1785 rpm
Service Factor 1.15 Phase 3
Efficiency 95.4 % Power Factor 87
Duty Continuous Insulation Class F
Design Code B KVA Code G
Frame 280S Enclosure Totally Enclosed Fan Cooled
Thermal Protection No Ambient Temperature 40 °C
Drive End Bearing Size 6317 Opp Drive End Bearing Size 6314
UL Recognized CSA Y
CE Y IP Code 55
Technical Specifications
Electrical Type Squirrel Cage Inverter Rated Starting Method Wye Start Delta Run Or Inverter
Poles 4 Rotation Reversible
Resistance Main .045 Ohms Mounting Rigid base
Motor Orientation Horizontal Drive End Bearing Ball
Opp Drive End Bearing Ball Frame Material Cast Iron
Shaft Type IEC Overall Length 38.39 in
Shaft Diameter 3.000 in Shaft Extension 5.51 in
Assembly/Box Mounting F3
This is an uncontrolled document once printed or downloaded and is subject to change without notice. Date Created:01/11/2019
2 of 32 of 32 of 32 of 32 of 32 of 32 of 32 of 32 of 32 of 32 of 32 of 32 of 32 of 32 of 32 of 32 of 32 of 32 of 32 of 32 of 32 of 32 of 32 of 32 of 3

REGAL-BELOIT CORPORATION
3 of 33 of 33 of 33 of 33 of 33 of 33 of 33 of 33 of 33 of 33 of 33 of 33 of 33 of 33 of 33 of 33 of 33 of 33 of 33 of 33 of 33 of 33 of 33 of 33 of 3
9/12/2012 8:52:30 AM - Converted by Connexus