
Features
•
Includes face plate with handle, shower arm with flange and
showerhead.
•
Single lever handle controls both on/off activation and
temperature setting.
•
Coordinates with Forte faucets and accessories to complete
your bathroom.
•
Includes single function 2.5 gpm (9.5 l/min) showerhead.
•
Showerhead features MasterClean™ sprayface for easy
cleaning.
•
Pressure-balancing diaphragm technology maintains outlet
temperature within +/-3 degrees Fahrenheit during water
pressure fluctuations.
Forté
®
Rite-Temp® Shower Valve Trim
K-TS10276-4A
Material
•
Premium material construction with metal handle ensures
reliability and durability.
•
KOHLER finishes resist corrosion and tarnishing.
Installation
•
Trim set requires valve to complete installation.
Required Products/Accessories
K-304/K-P304 Series Rite-Temp® Valves
or
K-304/K-P304 Series Rite-Temp® Valves
or
K-304/K-P304 Series Rite-Temp® Valves
or
K-304/K-P304 Series Rite-Temp® Valves
or
K-304/K-P304 Series Rite-Temp® Valves
or
K-304/K-P304 Series Rite-Temp® Valves
or
K-304/K-P304 Series Rite-Temp® Valves
or
K-304/K-P304 Series Rite-Temp® Valves
or
K-304/K-P304 Series Rite-Temp® Valves
or
K-304/K-P304 Series Rite-Temp® Valves
or
K-304/K-P304 Series Rite-Temp® Valves
or
K-304/K-P304 Series Rite-Temp® Valves
or
K-304/K-P304 Series Rite-Temp® Valves
or
K-304/K-P304 Series Rite-Temp® Valves
Codes/Standards
ASME A112.18.1/CSA B125.1
DOE - Energy Policy Act 1992
KOHLER® Faucet Lifetime Limited
Warranty
See website for detailed warranty information.
Available Colors/Finishes
Color tiles intended for reference only.
DescriptionCodeColor
Polished ChromeCP
Brushed ChromeG
Vibrant® Brushed NickelBN
1-800-4KOHLER (1-800-456-4537)
Kohler Co. reserves the right to make revisions without notice to product specifications.
For the most current Specification Sheet, go to www.kohler.com.
1-31-2019 20:03 - US/CA

Forté
®
Rite-Temp® Shower Valve Trim
K-TS10276-4A
Technical Information
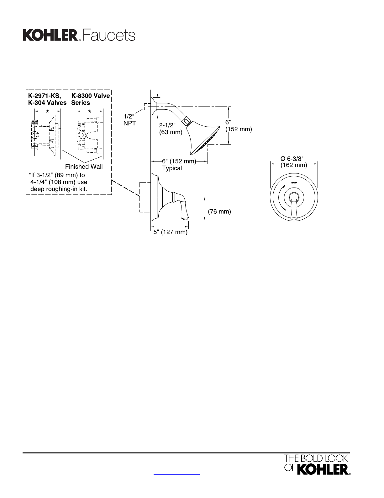
All product dimensions are nominal.
Showerhead/Body Spray:
2.5 gal/min (9.5 l/min)Rated maximum flow:
80 psi (5.5 bar)Pressure:
Notes
Install the product according to the installation
guide.
Install straight pipe or tube drop of 7" (178 mm)
to 18" (457 mm) with single elbow between the
valve and the wall-mount spout. Elbow must be
a 90 degree drop ell that is secured to rigid
framing.
1-800-4KOHLER (1-800-456-4537)
Kohler Co. reserves the right to make revisions without notice to product specifications.
For the most current Specification Sheet, go to www.kohler.com.
1-31-2019 20:03 - US/CA