Page 1

NO.
ISSUED:
71193
OCT. 2, 2001
REVISED:
JAN. 27, 2003
HOSHIZAKI
STACKABLE CRESCENT CUBER
MODELS
KM-1600SWH
KM-1600SRH
KM-1600SWH3
KM-1600SRH3
PARTS LIST
Page 2

HA
KM-1600SWH L-0 June, 2001
M-0 Feb., 2002
M-1 Feb., 2002
M-2 March, 2002
M-3 May, 2002
N-0 Dec., 2002
KM-1600SRH L-0 May, 2001
M-0 Dec., 2001
M-1 April, 2002
M-2 June, 2002
N-0 Jan., 2003
KM-1600SWH3 L-0 Sept., 2001
M-0 Dec., 2001
M-1 March, 2002
M-3 May, 2002
N-0 March, 2003
KM-1600SRH3 L-0 June, 2001
M-0 Dec., 2001
M-1 April, 2002
M-2 May, 2002
N-0 Jan., 2003
2
Page 3

HA
MATERIAL ABBREVIATIONS
ALUMINUM
AL = Aluminum
COPPER
CU = Copper
PLASTIC
ABS = Acrylonitritrile -butadiene - styrene
AC = Polyacetal
EVA = Ethylene vinyl acetate
PA = Polyamide = Nylon
PC = Polycarbonate
PE = Polyethylene
PES = Polyester
PETP = Polyethylene terephthalate = Tetlon
PP = Polypropylene
PS = Polystyrene
PTFE = Polytetrafluoroethylene = Teflon
PUR = Polyurethane
PVC = Polyvinyl chloride
RUBBER
VN = Vinyl Nitrile
EPDM = EP rubber
NBR = Nitrile butadiene rubber
NR = Natural rubber
NP = Neoprene
SI.R = Silicone rubber
SY.R = Synthetic rubber
EPH = Epichlorohydrin
STEEL
G.S = Galvanized steel
S.S = Stainless steel
PS = Plated steel
PAS = Primed steel
AUXILIARY CODE
Ex.1 K-0
Parts are the same as in the preceding (Note) - = Part deleted.
year.
"K" is the tenth in alphabetical order with "I" by "o" (interchangeable)
skipped. So, "K" indicates "2000".
x = Part deleted and replaced
part.
Ex.2 L-0 o = New part for "x" in the
"L" is the next in alphabetical same auxiliary code.
order. So, "L" indicates "2001".
Ex.3 L-1
Each time a part is changed non-interchangeably
in a year, this number advances.
3
Page 4

HA
KM-1600SWH A. ICE CUBER ASSEMBLY L-0, M-0, M-1, M-2, M-3, N-0
4
Page 5

HA
:
MODEL
INDEX
NO.
B REFRIGERATION CIRCUIT - 1A0294A01 1 1 -
- 1A0694A01 1 1 1
C WATER CIRCUIT - 105109A04 1 1 1 1 1
D CONTROL BOX ASSEMBLY - 2A1122A03 1 1 1 1 -
- 2A2527A01 1
T2 SCREW 4X8 7P31-0408 3 3 3 3 3
E LABEL LOCATION - 2A2230A01 1 1 1 1 -
- 2A2556A01 1
F CAPACITOR BOX ASSEMBLY - 3A1003A01 1 -
- 3A2054A01 1 1 1 1
T2 SCREW 4X8 7P31-0408 2 2 2 2 2
1 EVAPORATOR CASE - 1A0603G04 1 -
- 1A0603G10 1 1 1 1
2 CONTROL BOX COVER GS 3A0174-01 1 1 1 1 -
GS 3A2386-01 1
T2 SCREW 4X8 7P31-0408 3 3 3 3 3
3 SQUARE WASHER BRASS 433537-02 1 1 1 1 1
4 SCREW - GROUNDING BRASS 433304-02 1 1 1 1 1
5 BUSHING SR-34-2 420472-05 1 1 1 1 1
6 JUNCTION BOX COVER GS 433410-01 1 1 1 1 1
T2 SCREW 4X8 7P31-0408 1 1 1 1 1
7 SPACER ABS 439727-01 1 1 1 1 1
8 BULB HOLDER PE 328919-01 1 1 1 1 1
T2 SCREW 4X16, SS 7P32-0416 2 2 2 2 2
9 BULB HOLDER (C) ABS 216340G01 1 1 1 1 1
TRUSS HEAD SCREW 4X12, SS 7C32-0412 2 2 2 2 2
10 CAPILLARY RING - 425307-01 1 1 1 1 1
11 SPACER PE 443545-01 1 1 1 1 2
12 BULB HOLDER (D) GS 328742-01 1 1 1 1 1
DESCRIPTION
KM-1600SWH
MATERIAL
OR MODEL
NUMBER
TITLE
:
A. ICE CUBER ASS EMBLY
PART
NUMBER
REQUIRED NUMBER
L-0 M-0 M-1 M-2 M-3
N-0
5
Page 6

HA
:
MODEL
INDEX
NO.
13 FRONT PANEL - BRACKET SS 323903-01 1 1 1 1 1
T2 SCREW 4X12, SS 7P32-0412 3 3 3 3 3
14 SPACER ABS 324321-01 1 1 1 1 1
15 TOP INSULATION ABS, PE 324216G01 1 1 1 1 1
16 FRONT INSULATION ABS, PE 324215G01 1 1 1 1 1
17 THUMBSCREW ABS, SS 415949G01 1 1 1 1 1
18 SIDE PANEL (R) SS 2A2226G01 1 1 1 1 1
TRUSS HEAD SCREW 4X8, SS 7C32-0408 1 1 1 1 1
19 TOP PANEL (A) SS 2A2255-01 1 1 1 1 1
TRUSS HEAD SCREW 4X8, SS 7C32-0408 2 2 2 2 2
20 FRONT PANEL SS 3A1969G01 1 1 1 1 1
TRUSS HEAD SCREW 4X16, SS 7C32-0416 2 2 2 2 2
21 GASKET L=1219 4A0808L02 1 1 1 1 1
DESCRIPTION
KM-1600SWH
MATERIAL
OR MODEL
NUMBER
TITLE
:
A. ICE CUBER ASSEMBLY
PART
NUMBER
REQUIRED NUMBER
L-0 M-0 M-1 M-2 M-3
N-0
6
Page 7

HA
KM-1600SWH3 A. ICE CUBER ASSEMBLY L-0, M-0, M-1, M-3, N-0
7
Page 8

HA
:
MODEL
INDEX
NO.
B REFRIGERATION CIRCUIT - 1A0294A02 1 1 -
- 1A0694A02 1 1 1
C WATER CIRCUIT - 105109A04 1 1 1 1 1
D CONTROL BOX ASSEMBLY - 2A1122A03 1 1 1 -
- 2A2527A01 1 1
T2 SCREW 4X8 7P31-0408 3 3 3 3 3
E LABEL LOCATION - 2A2230A02 1 1 1 -
- 2A2556A02 1 1
F TRANSFORMER BOX
ASSEMBLY
HEX HEAD BOLT W/ WASHER
(LF)
1 EVAPORATOR CASE - 1A0603G04 1 1 -
- 1A0603G10 1 1 1
2 CONTROL BOX COVER GS 3A0174-01 1 1 1 -
GS 3A2386-01 1 1
T2 SCREW 4X8 7P31-0408 3 3 3 3 3
3 SQUARE WASHER BRASS 433537-02 1 1 1 1 1
4 SCREW - GROUNDING BRASS 433304-02 1 1 1 1 1
5 BUSHING SR-34-2 420472-05 1 1 1 1 1
6 JUNCTION BOX COVER GS 433410-01 1 1 1 1 1
T2 SCREW 4X8 7P31-0408 1 1 1 1 1
7 SPACER ABS 439727-01 1 1 1 2 2
8 BULB HOLDER PE 328919-01 1 1 1 1 1
T2 SCREW 4X16, SS 7P32-0416 2 2 2 2 2
9 BULB HOLDER (C) ABS 216340G01 1 1 1 1 1
TRUSS HEAD SCREW 4X12, SS 7C32-0412 2 2 2 2 2
10 CAPILLARY RING - 425307-01 1 1 1 1 1
11 SPACER PE 443545-01 1 1 1 1 1
12 BULB HOLDER (D) GS 328742-01 1 1 1 1 1
KM-1600SWH3
DESCRIPTION
MATERIAL
OR MODEL
NUMBER
- 3A1102A01 1 1 1 1 1
5X10 7B0130510 4 4 4 4 4
TITLE
:
A. ICE CUBER AS SEMBLY
PART
NUMBER
REQUIRED NUMBER
L-0 M-0 M-1 M-3 N-0
8
Page 9

HA
:
MODEL
INDEX
NO.
13 FRONT PANEL - BRACKET SS 323903-01 1 1 1 1 1
T2 SCREW 4X12, SS 7P32-0412 3 3 3 3 3
14 SPACER ABS 324321-01 1 1 1 1 1
15 TOP INSULATION ABS, PE 324216G01 1 1 1 1 1
16 FRONT INSULATION ABS, PE 324215G01 1 1 1 1 1
17 THUMBSCREW ABS, SS 415949G01 1 1 1 1 1
18 SIDE PANEL (R) SS 2A2226G01 1 1 1 1 1
TRUSS HEAD SCREW 4X8, SS 7C32-0408 1 1 1 1 1
19 TOP PANEL (A) SS 2A2255-01 1 1 1 1 1
TRUSS HEAD SCREW 4X8, SS 7C32-0408 2 2 2 2 2
20 FRONT PANEL SS 3A1969G01 1 1 1 1 1
TRUSS HEAD SCREW 4X16, SS 7C32-0416 2 2 2 2 2
21 GASKET L=1219 4A0808L02 1 1 1 1 1
KM-1600SWH3
DESCRIPTION
MATERIAL
OR MODEL
NUMBER
TITLE
:
A. ICE CUBER ASSEMBLY
PART
NUMBER
REQUIRED NUMBER
L-0 M-0 M-1 M-3 N-0
9
Page 10

HA
KM-1600SRH A. ICE CUBER ASSEMBLY L-0, M-0, M-1, M-2, N-0
10
Page 11

HA
:
MODEL
INDEX
NO.
B REFRIGERATION CIRCUIT - 1A0274A01 1 1 x1
- 1A0274A03 o1 1 1
C WATER CIRCUIT - 105109A04 1 1 1 1 1
D CONTROL BOX ASSEMBLY - 2A1122A03 1 1 1 -
- 2A2527A01 1 1
T2 SCREW 4X8 7P31-0408 3 3 3 3 3
E LABEL LOCATION - 2A2231A01 1 1 1 -
- 2A2557A01 1 1
F CAPACITOR BOX ASSEMBLY - 3A1003A01 1 -
- 3A2054A01 1 1 1 1
T2 SCREW 4X8 7P31-0408 2 2 2 2 2
1 EVAPORATOR CASE - 1A0603G05 1 1 1 1 1
2 CONTROL BOX COVER GS 3A0174-01 1 1 1 -
GS 3A2386-01 1 1
T2 SCREW 4X8 7P31-0408 3 3 3 3 3
3 SQUARE W ASHER BRASS 433537-02 2 2 2 2 2
4 SCREW - GROUNDING BRASS 433304-02 2 2 2 2 2
5 BUSHING SR-34-2 420472-05 1 1 1 1 1
6 JUNCTION BOX COVER GS 433410-01 2 2 2 2 2
T2 SCREW 4X8 7P31-0408 2 2 2 2 2
7 SPACER ABS 439727-01 1 1 1 2 2
8 BULB HOLDER PE 328919-01 1 1 1 1 1
T2 SCREW 4X16, SS 7P32-0416 2 2 2 2 2
9 BULB HOLDER (C) ABS 216340G01 1 1 1 1 1
TRUSS HEAD SCREW 4X12, SS 7C32-0412 2 2 2 2 2
10 CAPILLARY RING - 425307-01 1 1 1 1 1
11 SPACER PE 443545-01 1 1 1 1 1
12 BULB HOLDER (D) GS 328742-01 1 1 1 1 1
13 FRONT PANEL - BRACKET SS 323903-01 1 1 1 1 1
T2 SCREW 4X12, SS 7P32-0412 3 3 3 3 3
14 SPACER ABS 324321-01 1 1 1 1 1
DESCRIPTION
KM-1600SRH
MATERIAL
OR MODEL
NUMBER
TITLE
:
A. ICE CUBER ASSEMBLY
PART
NUMBER
REQUIRED NUMBER
L-0 M-0 M-1 M-2 N-0
11
Page 12

HA
:
MODEL
INDEX
NO.
15 TOP INSULATION ABS, PE 324216G01 1 1 1 1 1
16 FRONT INSULATION ABS, PE 324215G01 1 1 1 1 1
17 THUMBSCREW ABS, SS 415949G01 1 1 1 1 1
18 SIDE PANEL (R) SS 2A2226G01 1 1 1 1 1
TRUSS HEAD SCREW 4X8, SS 7C32-0408 1 1 1 1 1
19 TOP PANEL (A) SS 2A2255-01 1 1 1 1 1
TRUSS HEAD SCREW 4X8, SS 7C32-0408 2 2 2 2 2
20 FRONT PANEL SS 3A1969G01 1 1 1 1 1
TRUSS HEAD SCREW 4X16, SS 7C32-0416 2 2 2 2 2
21 BUSHING - 420472-03 1 1 1 1 1
22 GASKET L=1219 4A0808L02 1 1 1 1 1
DESCRIPTION
KM-1600SRH
MATERIAL
OR MODEL
NUMBER
TITLE
:
A. ICE CUBER ASSEMBLY
PART
NUMBER
REQUIRED NUMBER
L-0 M-0 M-1 M-2 N-0
12
Page 13

HA
KM-1600SRH3 A. ICE CUBER ASSEMBLY L-0, M-0, M-1, M-2, N-0
13
Page 14

HA
:
MODEL
INDEX
NO.
B REFRIGERATION CIRCUIT - 1A0274A02 1 1 x1
- 1A0274A04 o1 1 1
C WATER CIRCUIT - 105109A04 1 1 1 1 1
D CONTROL BOX ASSEMBLY - 2A1122A03 1 1 1 -
- 2A2527A01 1 1
T2 SCREW 4X8 7P31-0408 3 3 3 3 3
E LABEL LOCATION - 2A2231A02 1 1 1 -
- 2A2557A02 1 1
F TRANSFORMER BOX
ASSEMBLY
HEX HEAD BOLT W/ WASHER
(LF)
1 EVAPORATOR CASE - 1A0603G05 1 1 1 1 1
2 CONTROL BOX COVER GS 3A0174-01 1 1 1 -
GS 3A2386-01 1 1
T2 SCREW 4X8 7P31-0408 3 3 3 3 3
3 SQUARE WASHER BRASS 433537-02 2 2 2 2 2
4 SCREW - GROUNDING BRASS 433304-02 2 2 2 2 2
5 BUSHING SR-34-2 420472-05 1 1 1 1 1
6 JUNCTION BOX COVER GS 433410-01 2 2 2 2 2
T2 SCREW 4X8 7P31-0408 2 2 2 2 2
7 SPACER ABS 439727-01 1 1 1 1 1
8 BULB HOLDER PE 328919-01 1 1 1 1 1
T2 SCREW 4X16, SS 7P32-0416 2 2 2 2 2
9 BULB HOLDER (C) ABS 216340G01 1 1 1 1 1
TRUSS HEAD SCREW 4X12, SS 7C32-0412 2 2 2 2 2
10 CAPILLARY RING - 425307-01 1 1 1 1 1
11 SPACER PE 443545-01 1 1 1 2 2
12 BULB HOLDER (D) GS 328742-01 1 1 1 1 1
13 FRONT PANEL - BRACKET SS 323903-01 1 1 1 1 1
T2 SCREW 4X12, SS 7P32-0412 3 3 3 3 3
DESCRIPTION
KM-1600SRH3
MATERIAL
OR MODEL
NUMBER
- 3A1102A01 1 1 1 1 1
5X10 7B0130510 4 4 4 4 4
TITLE
:
A. ICE CUBER ASSEM BLY
PART
NUMBER
REQUIRED NUMBER
L-0 M-0 M-1 M-2 N-0
14
Page 15

HA
:
MODEL
INDEX
NO.
14 SPACER ABS 324321-01 1 1 1 1 1
15 TOP INSULATION ABS, PE 324216G01 1 1 1 1 1
16 FRONT INSULATION ABS, PE 324215G01 1 1 1 1 1
17 THUMBSCREW ABS, SS 415949G01 1 1 1 1 1
18 SIDE PANEL (R) SS 2A2226G01 1 1 1 1 1
TRUSS HEAD SCREW 4X8, SS 7C32-0408 1 1 1 1 1
19 TOP PANEL (A) SS 2A2255-01 1 1 1 1 1
TRUSS HEAD SCREW 4X8, SS 7C32-0408 2 2 2 2 2
20 FRONT PANEL SS 3A1969G01 1 1 1 1 1
TRUSS HEAD SCREW 4X16, SS 7C32-0416 2 2 2 2 2
21 BUSHING - 420472-03 1 1 1 1 1
22 GASKET L=1219 4A0808L02 1 1 1 1 1
DESCRIPTION
KM-1600SRH3
MATERIAL
OR MODEL
NUMBER
TITLE
:
A. ICE CUBER ASSEMB LY
PART
NUMBER
REQUIRED NUMBER
L-0 M-0 M-1 M-2 N-0
15
Page 16

HA
KM-1600SWH, SWH3 B. REFRIGERATION CIRCUIT 1/2 L-0, M-0
16
Page 17

HA
KM-1600SWH, SWH3 B. REFRIGERATION CIRCUIT 2/2 L-0, M-0
17
Page 18

HA
KM-1600SWH, SWH3 B. REFRIGERATION CIRCUIT 1/2 M-1, M-2, M-3, N-0
18
Page 19

HA
KM-1600SWH, SWH3 B. REFRIGERATION CIRCUIT 2/2 M-1, M-2, M-3, N-0
19
Page 20

HA
KM-1600SWH, SWH3 B. REFRIGERATION CIRCUIT
20
Page 21

HA
21
Page 22

HA
KM-1600SRH, SRH3 B. REFRIGERATION CIRCUIT 1/2 L-0, M-0, M-1, M-2, N-0
22
Page 23

HA
KM-1600SRH, SRH3 B. REFRIGERATION CIRCUIT 2/2 L-0, M-0, M-1, M-2, N-0
23
Page 24

HA
24
Page 25

HA
25
Page 26

HA
KM-1600SWH, SWH3, SRH, SRH3 C. WATER CIRCUIT L-0, M-0, M-1, M-2, M-3, N-0
26
Page 27

HA
:
MODEL
INDEX
NO.
H PUMP MOTOR ASSEMBLY - 215692A01 1 1 1 1 1
TRUSS HEAD SCREW SS, 5X8 7C32-0508 2 2 2 2 2
1 WATER SUPPLY PIPE COPPER 4A0768G01 1 1 1 1 1
T2 SCREW 4X8 7P31-0408 2 2 2 2 2
2 RUBBER GASKET SI.R 413854-03 1 1 1 1 1
3 WATER VALVE BRACKET GS 321443-01 1 1 1 1 1
T2 SCREW 4X8 7P31-0408 1 1 1 1 1
4 WATER VALVE J248-030 3U0111-01 1 1 1 1 1
5 DISTRIBUTOR HOSE (A) SANTOPRENE 325738-01 1 1 1 1 1
6 JOINT PIPE ABS 439297-01 1 1 1 1 1
7 DISTRIBUTOR HOSE (B) SANTOPRENE 325738-02 1 1 1 1 1
8 - - -
9 HOSE CLAMP SS, 13.5 mm 427443-07 6 6 6 6 6
10 SPRAY TUBE ABS 437049G01 6 6 6 6 6
11 SPRAY GUIDE (A) PE 208586-01 18 18 18 18 18
12 SEPARATOR (A) ABS 213622-01 2 2 2 2 2
13 SEPARATOR (B) ABS 2A0100-01 2 2 2 2 2
14 CUBE GUIDE ABS 214243-01 2 2 2 2 2
15 HOSE (A) EPDM 435091-01 1 1 1 1 1
16 DISTRIBUTOR ABS 438276G01 1 1 1 1 1
17 HOSE CLAMP SS, 32 mm 427443-09 5 5 5 5 5
18 DISTRIBUTOR HOSE (C) EPDM 323985-01 2 2 2 2 2
19 HOSE CLAMP SS, 25 mm 427443-03 11 11 11 11 11
20 HOSE (B) EPDM 436599-01 1 1 1 1 1
21 VALVE HOUSING - DRAIN ABS 323613-01 1 1 1 1 1
T2 SCREW 4X10, SS 7P32-0410 3 3 3 3 3
22 SPRING SS 322110-01 1 1 1 1 1
23 VALVE SHEET EPDM 433705-01 1 1 1 1 1
24 OVERFLOW CAP PE 323978-01 1 1 1 1 1
25 JOINT - OVERFLOW ABS 323923-02 1 1 1 1 1
KM-1600SWH, SWH3, SRH, SRH3
DESCRIPTION
MATERIAL
OR MODEL
NUMBER
PART
NUMBER
TITLE
:
C. WATER CIRCUIT
REQUIRED NUMBER
L-0 M-0 M-1 M-2 M-3
N-0
27
Page 28

HA
:
MODEL
INDEX
NO.
26 BUSHING SB-1500-21 420470-06 2 2 2 2 2
27 FLOAT SW. BRACKET SS 3A0449-01 1 1 1 1 1
T2 SCREW 4X8, SS 7P32-0408 2 2 2 2 2
28
29 FLOAT SWITCH FS-0893B-1 4A0886-01 1 1 1 1 1
TRUSS HEAD SCREW 4X10, SS 7C32-0410 2 2 2 2 2
30 CLAMP No.4253 427902-05 1 1 1 1 1
31 "O" RING 1AP18 7611-P018 1 1 1 1 1
32 "O" RING 1AG35 7611-G035 1 1 1 1 1
33 DRAIN HOSE EPDM 324757-01 1 1 1 1 1
34 DRAIN AC 309246-01 1 1 1 1 1
35 "O" RING 1AP15 7611-P015 1 1 1 1 1
36 DISTRIBUTOR (C) ABS 439238-01 1 1 1 1 1
37 JOINT HOSE EPDM 439296-01 1 1 1 1 1
38 DISTRIBUTOR (B) ABS 439239-01 1 1 1 1 1
39 FLANGE EPDM 439267-02 1 1 1 1 1
40 BY-PASS HOSE EPDM 439237-02 1 1 1 1 1
41 MALE ADAPTOR
KM-1600SWH, SWH3, SRH, SRH3
DESCRIPTION
CONNECTOR - FLOAT SWITCH
MATERIAL
OR MODEL
NUMBER
EPDM 426799-04 1 1 1 1 1
ABS,
PART
NUMBER
325826-01 2 2 2 2 2
TITLE
:
C. WATER CIRCUIT
REQUIRED NUMBER
L-0 M-0 M-1 M-2 M-3
N-0
(442137A01)
42 "O" RING
43 BALL VALVE
44 VALVE HOLDER GS 3A1178-01 1 1 1 1 1
TRUSS HEAD SCREW 4X8 7C31-0408 3 3 3 3 3
45 MICRO SWITCH V3L-111-D8 4A0365-01 1 1 x1
- 4A2546-01 o1 1 1
46 TAPPING SCREW 3X14 431415-02 2 2 2 2 2
47 JOINT HOSE EPDM 439309-02 1 1 1 1 1
T2 SCREW 4X8 7P31-0408 1 1 1 1 1
1AP18,
(442137A01)
PVC,
(442137A01)
7611-P018 2 2 2 2 2
439293-01 1 1 1 1 1
28
Page 29

HA
:
MODEL
INDEX
NO
.
48 HANDLE JH1352 215383-01 1 1 1 1 1
T2 SCREW 4X8 7P31-0408 1 1 1 1 1
49 CORNER INSULATION (A) PE 439376-01 1 1 1 1 1
50 CORNER INSULATION (B) PE 439392-01 1 1 1 1 1
51 FLOAT SWITCH STOP SS 4A0137-01 1 1 1 1 1
52 VINYL HOSE L=170 7716-2732 1 1 1 1 1
53 VINYL HOSE L=230 7716-2732 1 1 1 1 1
54 INSULATION HOSE L=80 7762-3555 1 1 1 1 1
55 INSULATION HOSE L=120 7762-3555 1 1 1 1 1
56 INSULATION HOSE L=150 7762-3555 1 1 1 1 1
57 SILICONE HOSE L=140
58 SILICONE HOSE L=390
59 WIRE SADDLE
KM-1600S WH , SW H3, SRH, SRH 3
DESCRIPTION
MATERIAL
OR MODEL
NUMBER
VWS4238-C
PART
NUMBER
7730I3812
7730I3896
4A0338-02 8 8 8 8 8
TITLE
:
C. WATER CIRCUIT
REQUIRED NUMBER
L-0 M-0 M-1 M-2 M-3
1 1 1 1 1
1 1 1 1 1
N-0
29
Page 30

HA
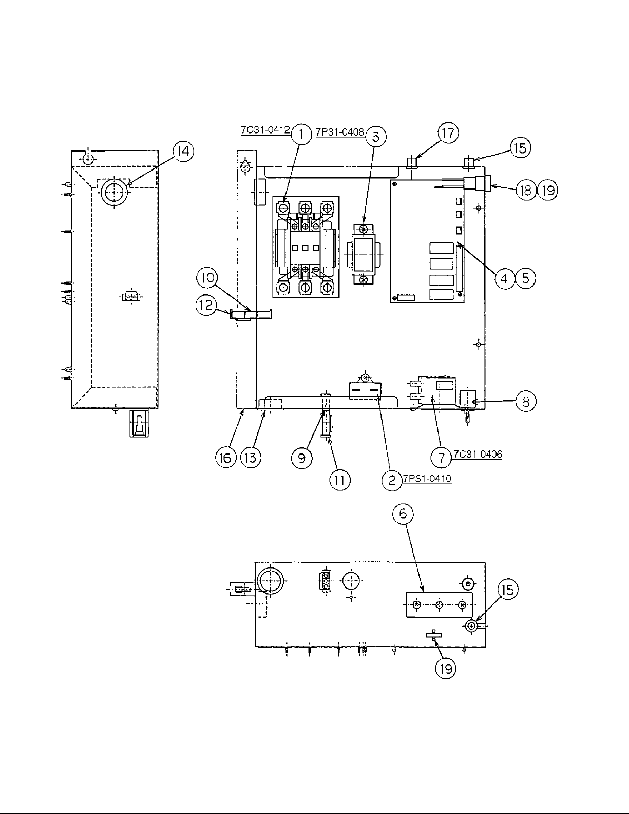
KM-1600SWH, SWH3 D. CONTROL BOX ASSEMBLY L-0, M-0, M-1, M-2
30
Page 31

HA
KM-1600SWH, SWH3 D. CONTROL BOX ASSEMBLY M-3, N-0
31
Page 32

HA
KM-1600SWH, SWH 3
INDEX
NO.
1 MAGNETIC CONTACTOR
TRUSS HEAD SCREW 4X12 7C31-0408 2 2 2 2 2
2 CAPACITOR 250V, 10MFD 443192-01 1 1 1 1 1
T2 SCREW 4X10 7P31-0410 2 2 2 2 2
3 TRANSFORMER 26D285H 3A0172-01 1 1 1 1 1
T2 SCREW 4X8 7P31-0408 2 2 2 2 2
4 CONTROLLER BOARD 2A1410-01 1 1 1 1 1
5 BOARD SUPPORT CBLS37-M 4A0336-03 6 6 6 6 6
6 CONTROL LABEL PES FILM 4A1758-01 1 1 1 1 1
7 THERMOSTAT A30-3842-00 4A0824-02 1 1 1 x1
- 4A2879-02 o1 1
TRUSS HEAD SCREW 4X6 7C31-0406 2 2 2 2 2
8 TOGGLE SWITCH 7563K6 443119-01 1 1 1 1 1
9 3P PLUG HOUSING 3191-03P 412832-06 1 1 1 1 1
10 2P PLUG HOUSING 3190-02P (RED) 412832-07 1 1 1 1 1
11 3P RECEPTACLE HOUSING 3191-03R1 412831-06 1 1 1 1 1
12 2P RECEPTACLE HOUSING 3191-02R1
DESCRIPTION
TITLE
MATERIAL OR
MODEL
NUMBER
A77-309040A-226
D. CONTROL BOX ASSEMBLY
:
PART
NUMBER
4A0794-01 1 1 1 1 1
412831-07 1 1 1 1 1
REQUIRED NUMBER
L-0 M-0 M-1 M-2 M-3
N-0
(RED)
13 BUSHING SB-1093-15 420470-03 1 1 1 1 1
14 BUSHING SB-1093-13 420470-12 1 1 1 1 1
15 BUSHING OCB-500 428394-02 2 2 2 2 2
16 CONTROL BOX GS 2A1082G02 1 1 1 1 -
GS 2A2524G01 1
17 BUSHING OCB-875 428394-04 1 1 1 1 1
18 FUSE HOLDER - 4A0892-01 1
19 FUSE - 4A0893-07 2
32
Page 33

HA
KM-1600SRH, SRH3 D. CONTROL BOX ASSEMBLY L-0, M-0, M-1
33
Page 34

HA
KM-1600SRH, SRH3 D. CONTROL BOX ASSEMBLY M-2, N-0
34
Page 35

HA
KM-1600SR H, SRH3
INDEX
NO.
1 MAGNETIC CONTACTOR
TRUSS HEAD SCREW 4X12 7C31-0408 2 2 2 2 2
2 CAPACITOR 250V, 10MFD 443192-01 1 1 1 1 1
T2 SCREW 4X10 7P31-0410 2 2 2 2 2
3 TRANSFORMER 26D285H 3A0172-01 1 1 1 1 1
T2 SCREW 4X8 7P31-0408 2 2 2 2 2
4 CONTROLLER BOARD 2A1410-01 1 1 1 1 1
5 BOARD SUPPORT CBLS37-M 4A0336-03 6 6 6 6 6
6 CONTROL LABEL PES FILM 4A1758-01 1 1 1 1 1
7 THERMOSTAT A30-3842-00 4A0824-02 1 1 1 x1
- 4A2879-02 o1 1
TRUSS HEAD SCREW 4X6 7C31-0406 2 2 2 2 2
8 TOGGLE SWITCH 7563K6 443119-01 1 1 1 1 1
9 3P PLUG HOUSING 3191-03P 412832-06 1 1 1 1 1
10 2P PLUG HOUSING 3190-02P (RED) 412832-07 1 1 1 1 1
11 3P RECEPTACLE HOUSING 3191-03R1 412831-06 1 1 1 1 1
12 2P RECEPTACLE HOUSING 3191-02R1
DESCRIPTION
TITLE
MATERIAL OR
MODEL
NUMBER
A77-309040A-226
D. CONTROL BOX ASSEMBLY
:
PART
NUMBER
4A0794-01 1 1 1 1 1
412831-07 1 1 1 1 1
REQUIRED NUMBER
L-0 M-0 M-1 M-2 N-0
(RED)
13 BUSHING SB-1093-15 420470-03 1 1 1 1 1
14 BUSHING SB-1093-13 420470-12 1 1 1 1 1
15 BUSHING OCB-500 428394-02 2 2 2 2 2
16 CONTROL BOX GS 2A1082G02 1 1 1 -
GS 2A2524G01 1 1
17 BUSHING OCB-875 428394-04 1 1 1 1 1
18 FUSE HOLDER - 4A0892-01 1 1
19 FUSE - 4A0893-07 2 2
35
Page 36

HA
KM-1600SWH, SWH3 E. LABEL LOCATION L-0, M-0, M-1, M-2
36
Page 37

HA
KM-1600SWH, SWH3 E. LABEL LOCATION M-3, N-0
37
Page 38

HA
MODEL: KM-1600SWH, SWH3 TITLE: E. LABEL LOCATION
INDEX
NO.
1 EMBLEM ABS 4A0560-01 1 1 1 1 1
2 MODEL NUMBER LABEL
(SWH)
3 LABEL - PENGUIN (R) PETP FILM 4A0526-01 1 1 1 1 1
4 MAINTENANCE LABEL PVC FILM 326275-01 1 1 1 1 x1
PVC FILM 3A1770-01 o1
5 CAUTION LABEL (K) PVC FILM 439150-01 1 1 1 1 1
6 LABEL - R404A PES FILM 4A0960-01 1 1 1 1 1
7 NAMEPLATE (SWH) PES FILM 4A2492-01 1 1 1 1 1
8 WIRING LABEL (SWH) PVC FILM 3A1002-01 1 1 1 1 -
PVC FILM 3A2455-01 1
9 MANUAL LABEL PVC FILM 324476-01 1 1 1 1 1
10 MANUAL LABEL - BIN
DESCRIPTION
MATERIAL
OR MODEL
NUMBER
PETP FILM 4A2356-15 1 1 1 1 1
PVC FILM 324477-01 1 1 1 1 1
PART
NUMBER
REQUIRED NUMBER
L-0 M-0 M-1 M-2 M-3
N-0
CONTROL
11 TAG - WARNING: ELECTRICAL
CONNECTION (SWH)
12 INSTRUCTION SHEET PAPER 2A2232-01 1 1 1 1 1
13 OPERATION LABEL - VALVE PVC FILM 439541-01 1 1 1 1 1
14 INSTRUCTION LABEL PVC FILM 444575-01 1 1 1 1 1
15 RATING LABEL (SWH) - 4A2482-01 1 1 1 1 1
16 LABEL – CONTROL BOARD - 3A1272-01 1 1 1 1 1
17 MODEL NUMBER LABEL
(SWH3)
18 NAMEPLATE (SWH3) PES FILM 4A2494-01 1 1 1 1 1
19 WIRING LABEL (SWH3) PVC FILM 3A0991-01 1 1 1 1 -
PVC FILM 3A2394-01 1
20 TAG - WARNING: ELECTRICAL
CONNECTION (SWH3)
21 RATING LABEL (SWH3) - 4A2482-01 1 1 1 1 1
22 LABEL FUSE - 4A2817-01 1
PAPER 428430-01 1 1 1 1 1
PETP FILM 4A2356-16 1 1 1 1 1
PAPER 428479-01 1 1 1 1 1
38
Page 39

HA
KM-1600SRH, SRH3 E. LABEL LOCATION L-0, M-0, M-1
39
Page 40

HA
KM-1600SRH, SRH3 E. LABEL LOCATION M-2, N-0
40
Page 41

HA
:
MODEL
INDEX
NO.
1 EMBLEM ABS 4A0560-01 1 1 1 1 1
2 MODEL NUMBER LABEL
(SRH)
3 LABEL - PENGUIN (R) PETP FILM 4A0526-01 1 1 1 1 1
4 MAINTENANCE LABEL PVC FILM 326275-01 1 1 1 x1
PVC FILM 3A1770-01 o1 1
5 CAUTION LABEL (K) PVC FILM 439150-01 1 1 1 1 1
6 LABEL - R404A PES FILM 4A0960-01 2 2 2 2 2
7 LABEL - CHARGE PES FILM 4A1399-05 1 1 1 1 1
8 NAMEPLATE
9 WIRING LABEL
PVC FILM 3A2455-01 1 1
10 MANUAL LABEL PVC FILM 324476-01 1 1 1 1 1
11 MANUAL LABEL - BIN
DESCRIPTION
KM-1600SRH, SRH3
MATERIAL
OR MODEL
NUMBER
PETP FILM 4A2356-13 1 1 1 1 1
(SRH)
PES FILM 4A2493-01 1 1 1 1 1
(SRH)
PVC FILM 3A1002-01 1 1 1 -
PVC FILM 324477-01 1 1 1 1 1
TITLE
:
E. LABEL LOCATION
PART
NUMBER
REQUIRED NUMBER
L-0 M-0 M-1 M-2 N-0
CONTROL
12 TAG - WARNING:
ELECTRICAL CONNECTION
(SRH)
13 TAG - FAN MOTOR LEADS PAPER 4A1494-01 1 1 1 1 1
14 INSTRUCTION SHEET PAPER 2A2232-01 1 1 1 1 1
15 OPERATION LABEL - VALVE PVC FILM 439541-01 1 1 1 1 1
16 CAUTION - REMOTE LABEL PVC FILM 4A1491-01 1 1 1 1 1
17 INSTRUCTION LABEL PVC FILM 444575-01 1 1 1 1 1
18 RATING LABEL
19 LABEL – CONTROL BOARD - 3A1272-01 1 1 1 1 1
20 MODEL NUMBER LABEL
(SRH3)
21 NAMEPLATE
22 WIRING LABEL
PVC FILM 3A2394-01 1 1
(SRH)
(SRH3)
(SRH3)
- 4A2483-01 1 1 1 1 1
PES FILM 4A2495-01 1 1 1 1 1
PVC FILM 3A0991-01 1 1 1 -
PAPER 428430-01 1 1 1 1 1
PETP FILM 4A2356-14 1 1 1 1 1
41
Page 42

HA
:
MODEL
INDEX
NO.
23 TAG - WARNING:
ELECTRICAL CONNECTION
(SRH3)
24 RATING LABEL
25 LABEL FUSE - 4A2817-01 1
DESCRIPTION
KM-1600SRH, SRH3
MATERIAL
OR MODEL
NUMBER
PAPER 438479-01 1 1 1 1 1
(SRH3)
- 4A2485-01 1 1 1 1 1
TITLE
:
E. LABEL LOCATIO N
PART
NUMBER
REQUIRED NUMBER
L-0 M-0 M-1 M-2 N-0
42
Page 43

HA
KM-1600SWH, SRH F. CAPACITOR BOX ASSEMBLY L-0, M-0, M-1, M-2, M-3, N-0
43
Page 44

HA
:
MODEL
INDEX
NO.
1 CAPACITOR BOX GS 326124-02 1 1 1 1 1
2 CAPACITOR 40MFD, 370V 439943-09 1 -
RUN CAPACITOR 40MFD, 370V 3A2005-13 1 1 1 1
3 CAPACITOR - STARTING 189-227MFD,
4 STRAP GS 434580-08 1 -
GS 4A2662-03 1 1 1 1
T2 SCREW 4X8 7P31-0408 1 1 1 1 1
5 STARTER 3ARR3CT10S5 4A1107-09 1 1 1 1 1
T2 SCREW 4X8 7P31-0408 1 1 1 1 1
6 BUSHING SR-30-1 420472-05 1 1 1 1 1
7 CAPACITOR BOX COVER GS 326125-01 1 1 1 1 1
T2 SCREW 4X8 7P31-0408 2 2 2 2 2
KM-1600SWH, SRH
DESCRIPTION
MATERIAL
OR MODEL
NUMBER
330V
TITLE
:
F. CAPACITOR BOX ASSEMBLY
PART
NUMBER
3A0076-12 1 1 1 1 1
REQUIRED NUMBER
L-0 M-0 M-1 M-2 M-3
N-0
44
Page 45

HA
KM-1600SWH3, SRH3 F. TRANSFORMER BOX ASSEMBLY L-0, M-0, M-1, M-2, M-3, N-0
45
Page 46

HA
N-0
MODEL
INDEX
NO.
: KM-1600SW H 3, SRH 3
1 TRANSFORMER BOX - 3A1101-01 1 1 1 1 1
2 TRANSFORMER BOX COVER 40MFD, 440V 438467-01 1 1 1 1 1
T2 SCREW 4X8 7P31-0408 4 4 4 4 4
3 TRANSFORMER 4A0817-01 1 1 1 1 1
TRUSS HEAD SCREW 4X8 7C31-0408 4 4 4 4 4
4 SLIDE SWITCH 4A1477-01 1 1 1 1 1
5 BUSHING SR-30-1 420472-03 1 1 1 1 1
6 MANUAL LABEL - TAP
SWITCH
DESCRIPTION
MATERIAL
OR MODEL
NUMBER
PVC FILM 439423-01 1 1 1 1 1
: F. TRANSFORMER BOX ASSEMBLY
TITLE
PART
NUMBER
REQUIRED NUMBER
L-0 M-0 M-1 M-2 M-3
46
Page 47

HA
KM-1600SWH, SWH3, SRH, SRH3 G. EVAPORATOR L-0, M-0, M-1, M-2, M-3, N-0
47
Page 48

HA
:
MODEL
INDEX
NO.
1 EVAPORATO R (S-0533) 103444G02 6 6 6 6 6
2 EVAPORATOR BRACKET (A) SS 323690-01 2 2 2 2 2
3 EVAPORATOR BRACKET (B) SS 323691-01 2 2 2 2 2
4 END PLATE (A) ABS 323692-01 2 2 2 2 2
5 END PLATE (B) ABS 323693-01 2 2 2 2 2
6 HO OK PE 324152-01 8 8 8 8 8
7 EVAPORATOR BRACKET G S 436582-01 2 2 2 2 2
8 CO PPER TUBE COPPER 434137-01 4 4 4 4 4
KM-1600SW H , SWH 3, SRH, SRH3
DESCRIPTION
MATERIAL
OR MODEL
NUMBER
NUMBER
PART
TITLE
:
G. EVAPORATOR
REQUIRED NUMBER
L-0 M-0 M-1 M-2 M -3
N-0
48
Page 49

HA
KM-1600SWH, SWH3, SRH, SRH3 H. PUMP MOTOR ASSEMBLY L-0, M-0, M-1,
M-2, M-3, N-0
49
Page 50

HA
:
MODEL
TITLE
INDEX
NO.
1 PUMP MOTOR
2 PUMP FLANGE PC 215662-01 1 1 1 1 1
3 PUMP MOTOR BRACKET SS 323904-01 1 1 1 1 1
TOOTH W ASHER SS, M6 7R22-0600 2 2 2 2 2
HEX HEAD BOLT SS, 6X40 7B02-0640 4 4 4 4 4
FLAT WASHER SS, M6 7W22-0600 4 4 4 4 4
SPLIT LOCK WASHER SS, M6 7L22-0600 4 4 4 4 4
NUT SS, M6 7N12-0600 4 4 4 4 4
4 MECHANICAL SEAL H5-PN, 8MM 428545-01 1 1 1 1 1
5 PACKING EPDM 428547-01 1 1 1 1 1
6 IMPELLER ABS 436584-01 1 1 1 1 1
7 PIN SS 414102-01 1 1 1 1 1
8 PUMP HOUSING ABS 213687-01 1 1 1 1 1
HEX HEAD BOLT SS, 4X55 7B02-0455 4 4 4 4 4
FLANGE NUT SS, M4 7J02-0400 4 4 4 4 4
DESCRIPTION
KM-1600S WH , SW H3, SRH, SRH 3
:
H. PUMP MOTOR ASSEMBLY
MATERIAL
OR MODEL
NUMBER
M91A60SP201
PART
NUMBER
2U0106-01 1 1 1 1 1
REQUIRED NUMBER
L-0 M-0 M-1 M-2 M-3
N-0
50
Page 51

HA
KM-1600SWH, SWH3, SRH, SRH3 J. ACCESSORIES L-0, M-0, M-1, M-2, M-3, N-0
51
Page 52

HA
MODEL
:
KM -1600S W H , SW H 3, SR H, S RH 3
TITLE
:
J. ACCESSORIES &
PACKAGING
INDEX
NO.
1 INSTRUCTION MANUAL PAPER 91A1GE10A 1 1 1 1 1
2 UNIVERSAL BRACE GS 4A0363-01 2 2 2 2 2
HEX HEAD BOLT 5X12, SS 7B02-0512 4 4 4 4 4
3 THUMBSCREW ABS, SS 415949G01 1 1 1 1 1
4 THERMOSTAT EXTENSION
BRACKET
TRUSS HEAD SCREW 4X10, SS 7C32-0410 2 2 2 2 2
PACKAGING 2A0876A11
1 PALLET - 2A0865-05 1 1 1 1 1
2 WOOD BLOCK – B - 4A0004-02 3 3 3 3 3
3 CORNER POST - 3A0788-08 2 2 2 2 2
4 WOOD BLOCK – C - 4A0004-03 2 2 2 2 2
5 CORNER POST - 3A0788-06 4 4 4 4 4
6 SIDE PROTECTOR - 4A2304-01 3 3 3 3 3
7 CARTON - 2A2125-07 1 1 1 1 1
8 SIDE PROTECTOR - 4A2304-02 2 2 2 2 2
DESCRIPTION
MATERIAL
OR MODEL
NUMBER
SS 3A0408-01 1 1 1 1 1
PART
NUMBER
REQUIRED NUMBER
L-0 M-0 M-1 M-2 M-3
N-0
1 1 1 1 1
52