Page 1

CATALOG OF
REPLACEMENT
PARTS
SECURITY LABEL
APPLIER
SLA-1, SLA-2 ML-44180
SLA-3 ML-44192
A product of HOBART CORPORATION 701 S. RIDGE AVENUE TROY, OHIO 45374-0001
FORM 34051 Rev. A (January 2002)
Page 2

SECURITY LABEL APPLIER REPLACEMENT PARTS
F-34051 Rev. A (January 2002)
- 2 -
© HOBART CORPORATION
Page 3

Table of Contents
SECURITY LABEL APPLIER REPLACEMENT PARTS
Page Description
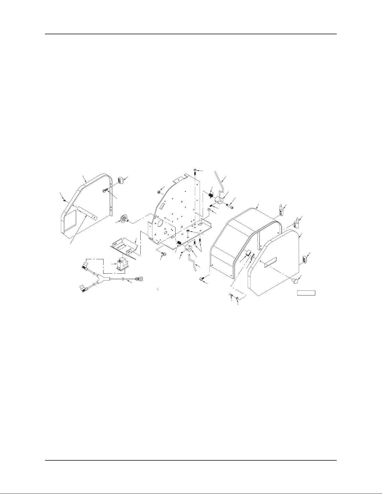
5 Interior Assembly SLA-1, SLA-2 (ML-44180)
7 Housing Unit SLA-1, SLA-2 (ML-44180)
9 Interior Assembly SLA-3 (ML-44192)
11 Housing Unit SLA-3 (ML-44192)
- 3 -
F-34051 Rev. A (January 2002)
Page 4

SECURITY LABEL APPLIER REPLACEMENT PARTS
45
46
41
50
49
47
48
51
44
54
52
42
43
53
55
56
hidden art!
1
2
3
4
5
6
7
8
12
13
9
10
11
40
37
39
38
35
36
30
34
33
32
29
31
INTERIOR ASSEMBLY
SLA-1, SLA-2 (ML-44180)
28
27
17
25
26
18
14
24
19
15
16
20
21
23
22
PL-55584
F-34051 Rev. A (January 2002)
- 4 -
Page 5

SECURITY LABEL APPLIER REPLACEMENT PARTS
INTERIOR ASSEMBLY
SLA-1, SLA-2 (ML-44180)
ILLUS. PART NO. NAME OF PART AM T.
PL-55584
1 NS-044-05 Nut Assy. 6-32 Hex KEPS .......................................................................................................... 4
2 00-049469 Board Assy. ................................................................................................................................1
3 00-258301-00005 Standoff ...................................................................................................................................... 4
4 SC-123-88 Mach. Screw 8-32 x
5 FE-023-15 Clamp – Elect. 1/4 ......................................................................................................................... 3
6 00-048771 Frame – Label Applicator ........................................................................................................... 1
7 WL-006-42 Lockwasher #6 Medium (SST) .................................................................................................. 4
8 SC-124-01 Mach. Screw 6-32 x 3/8 Slotted Truss Hd. (SST) ...................................................................... 4
9 SC-124-02 Mach. Screw 8-32 x 1/2 Slotted Truss Hd. (SST) ...................................................................... 2
10 00-048773 Disc – Label Roll Tension ........................................................................................................... 1
11 00-048774 Spool – Label Roll ....................................................................................................................... 1
12 NS-044-07 Nut Assy. 8-32 Hex KEPS .......................................................................................................... 2
13 SC-119-52 Mach. Screw 8-32 x 5/8 Slotted Pan Hd. (SST) ......................................................................... 3
14 NS-044-05 Nut Assy. 6-32 Hex KEPS .......................................................................................................... 1
15 SC-124-03 Set Screw 1/4-28 x 3/4 Hex Hdls., Cup Pt. ................................................................................... 3
16 00-048783 Spool – Take-Up .......................................................................................................................... 1
17 00-048803 Bracket – Sensor ....................................................................................................................... 1
18 NS-044-05 Nut Assy. 6-32 Hex KEPS .......................................................................................................... 1
19 00-047293 Board – Circuit Sensor ............................................................................................................... 1
20 00-048768 Bracket – Sensor Mounting .......................................................................................................1
21 00-441030 Bracket – Label Guide ................................................................................................................1
22 SC-110-97 Mach. Screw 10-32 x 1/2 Slotted Truss Hd. (SST) .................................................................... 4
23 SC-124-01 Mach. Screw 6-32 x 3/8 Slotted Truss Hd. (SST) ...................................................................... 4
24 00-049689 Shoulder Bolt .............................................................................................................................. 1
25 00-047353 Collar Assy. (Incls. Item 26) ....................................................................................................... 1
26 SC-075-10 Set Screw 1/4-20 x 3/16 Hex Hdls., Cup Pt. .................................................................................. 1
27 00-048772 Pin – Sensor Guide .................................................................................................................... 1
28 SC-118-19 Cap Screw 1/4-20 x 3/4 Hex Hd. .................................................................................................. 2
29 WL-006-17 Lockwasher 1/4 Medium (SST) ................................................................................................... 2
30 WS-022-21 Washer ....................................................................................................................................... 2
31 SC-118-19 Cap Screw 1/4-20 x 3/4 Hex Hd. .................................................................................................. 2
32 WL-006-17 Lockwasher 1/4 Medium (SST) ................................................................................................... 2
33 WS-022-21 Washer 1/4 ................................................................................................................................... 2
34 00-049424 Washer Plate .............................................................................................................................. 1
35 00-442035 Bracket – Stripper Guide (Check Point) (Incls. Item 36) ............................................................ 1
36 SC-125-19 Set Screw 10-32 x 1/4 Hex Hdls., Cup Pt. (SST) ....................................................................... 1
37 00-048779 Bracket Assy. – Stripper Guide (Sensormatic) (Incls. Item 36) .................................................1
38 SC-118-57 Cap Screw 1/4-20 x 21/2 Hex Hd. ................................................................................................ 4
39 00-049867 Gear Motor Assy. ....................................................................................................................... 1
40 WL-006-17 Lockwasher 1/4 Medium (SST) ................................................................................................... 4
41 NS-015-01 Nut 1/4-20 Hex (SST) ...................................................................................................................4
42 00-048791 Switch – Push ............................................................................................................................ 1
43 WL-006-17 Lockwasher 1/4 Medium (SST) ................................................................................................... 1
44 SC-118-19 Cap Screw 1/4-20 x 3/4 Hex Hd. .................................................................................................. 1
45 00-049423 Cable Assy. – Test Button .......................................................................................................... 1
46 FE-023-09 Fuse (1 Amp.)............................................................................................................................. 1
47 SC-124-01 Mach. Screw 6-32 x 3/8 Slotted Truss Hd. (SST) ...................................................................... 1
48 00-047354 Fuse Block ..................................................................................................................................1
49 WL-006-02 Lockwasher #8 (SST) ............................................................................................................... 1
50 SC-123-88 Mach. Screw 8-32 x 5/16 Slotted Truss Hd. (SST) ..................................................................... 1
51 00-046569 Resistor ...................................................................................................................................... 1
52 00-048806 Bracket – Resistor ..................................................................................................................... 1
53 00-049397 Board Assy. – Interface (Ultima) ................................................................................................ 1
54 00-049694 Cable Assy. – Interconnect (Ultima) .......................................................................................... 1
55 00-440093 Cable Assy. – Interconnect (Quantum) ..................................................................................... 1
56 00-049714 Board Assy. – Interface (Quantum) .......................................................................................... 1
00-440899 Teflon Tape 21/2 In. (10 Yd. Roll) ............................................................................................... AR
5
/16 Slotted Truss Hd. (SST) ..................................................................... 3
- 5 -
F-34051 Rev. A (January 2002)
Page 6

SECURITY LABEL APPLIER REPLACEMENT PARTS
42
41
35
36
40
1
39
38
37
hidden art
2
5
6
3
4
31
30
29
28
34
33
32
27
12
8
7
9
10
11
26
13
24
22
23
25
14-15
17
16
18
21
PL-55585
20
19
F-34051 Rev. A (January 2002)
HOUSING UNIT
SLA-1, SLA-2 (ML-44180)
- 6 -
Page 7

SECURITY LABEL APPLIER REPLACEMENT PARTS
HOUSING UNIT
SLA-1, SLA-2 (ML-44180)
ILLUS. PART NO. NAME OF PART AM T.
PL-55585
1 00-048776 Cover – Motor Side .................................................................................................................... 1
2 00-048794 Hinge Assy. (LH) (Incls. Item 14) ............................................................................................. AR
3 SC-114-99 Mach. Screw 10-32 x
4 NS-037-10 Lock Nut
1
/4-20 Special Nylok ..................................................................................................... 1
5 00-047298 Rocker Switch – On/Off ............................................................................................................1
6 SD-009-41 Self-Tapping Screw 8-32 x 3/8 Phil. Pan Hd., Type F (SST)....................................................... 4
7 00-049486 Spring – Tension Arm ................................................................................................................. 1
8 00-049485 Rod – Tension Arm ..................................................................................................................... 1
9 00-049484 Coupling – Tension Arm.............................................................................................................. 1
10 SC-124-55 Shoulder Screw 1/4-20 x 11/4 Soc. Hd. .......................................................................................1
11 SC-047-82 Set Screw 10-32 x 3/16 Hex Hdls., Cup Pt. ................................................................................. 1
12 00-048786 Adapter – Key Slot ..................................................................................................................... 1
13 00-048787 Cover – Middle ............................................................................................................................ 1
14 00-048794 Hinge Assy. (LH) (Incls. Item 2) ............................................................................................... AR
15 SC-021-23 Mach. Screw 10-24 x 1/2 Slotted Rd. Hd. (SST) ........................................................................ 2
16 00-048793 Hinge Assy. (RH) (Incls. Item 20) ............................................................................................. AR
17 SC-021-23 Mach. Screw 10-24 x 1/2 Slotted Rd. Hd. (SST) ........................................................................ 2
18 00-048775 Cover – Lable Side ..................................................................................................................... 1
19 SC-114-99 Mach. Screw 10-32 x 1/2 Phil. Flat Hd. (SST) ............................................................................. 2
20 00-048793 Hinge Assy. (RH) (Incls. Item 16) ............................................................................................. AR
21 00-441639 Knob (Late SLA-2) (Used With Item 23) ....................................................................................1
22 00-049690 Strike Plate (With Adhesive Tape) (SLA-1 & Early SLA-2) ....................................................... 1
23 00-442037 Plate – Strike Magnet (Late SLA-2) (Use With Item 21) ............................................................ 1
24 00-049691 Catch .......................................................................................................................................... 1
25 WL-006-07 Lockwasher #10 (SST) ............................................................................................................. 1
26 SC-110-97 Mach. Screw 10-32 x 1/2 Slotted Truss Hd. (SST) .................................................................... 1
27 SC-124-02 Mach. Screw 8-32 x 1/2 Slotted Truss Hd. (SST) ...................................................................... 5
28 00-048785 Rod – Arm Delay ........................................................................................................................ 1
29 00-048784 Coupling – Arm Delay ................................................................................................................. 1
30 SC-124-68 Mach. Screw 10-32 x 3/8 Phil. Flat Hd. (SST) ............................................................................. 4
31 NS-048-19 Nut 10-32 Hex KEPS .................................................................................................................. 4
32 SC-047-82 Set Screw 10-32 x 3/16 Hex Hdls., Cup Pt. ................................................................................. 2
33 00-048795 Spring – Torsion .......................................................................................................................... 1
34 SC-124-02 Mach. Screw 8-32 x 1/2 Slotted Truss Hd. (SST) ...................................................................... 1
35 00-046512 Power Cord Assy. ...................................................................................................................... 1
36 FE-025-53 Strain Relief ................................................................................................................................1
37 00-048782 Plate – Power Cord .................................................................................................................... 1
38 00-048790 Capacitor .................................................................................................................................... 1
39 SC-123-88 Mach. Screw 8-32 x 5/16 Slotted Truss Hd. (SST) ..................................................................... 1
40 00-049470 Potentiometer Assy. (20k ohms) ................................................................................................ 1
41 00-048804 Bracket – Door Mount ................................................................................................................ 1
42 SC-124-02 Mach. Screw 8-32 x 1/2 Slotted Truss Hd. (SST) ...................................................................... 2
00-049344 Table Assy. Label (Long) ........................................................................................................... 1
00-048797 Label – Threading Diagram (Sensormatic) ................................................................................ 1
00-048800 Label – Threading Diagram (Check Point) ................................................................................. 1
1
/2 Phil. Flat Hd. (SST) ............................................................................. 2
- 7 -
F-34051 Rev. A (January 2002)
Page 8

SECURITY LABEL APPLIER REPLACEMENT PARTS
48
1
47
2
3
7
6
4
5
9
8
11
44
38
43
36
42
37
45
41
40
39
46
35
34
32
31
33
30
29
28
27
17
25
26
13
18
10
12
14
15
16
19
20
21
23
22
24
F-34051 Rev. A (January 2002)
PL-55729
INTERIOR ASSEMBLY
SLA-3 (ML-44192)
- 8 -
Page 9

SECURITY LABEL APPLIER REPLACEMENT PARTS
INTERIOR ASSEMBLY
SLA-3 (ML-44192)
ILLUS. PART NO. NAME OF PART AM T.
PL-55729
1 NS-044-05 Nut Assy. 6-32 Hex KEPS .......................................................................................................... 4
2 00-440569 Board Assy. ................................................................................................................................1
3 00-258301-00005 Standoff ...................................................................................................................................... 4
4 SC-118-19 Cap Screw
5 WL-006-17 Lockwasher
6 00-441147 Transformer Assy. .....................................................................................................................1
7 SC-113-88 Mach. Screw 10-32 x
8 WL-007-12 Lockwasher #10 External .........................................................................................................4
9 00-048771 Frame – Label Applicator ........................................................................................................... 1
10 SC-124-02 Mach. Screw 8-32 x
11 00-048773 Disc – Label Roll Tension ........................................................................................................... 1
12 00-048774 Spool – Label Roll ....................................................................................................................... 1
13 WL-006-42 Lockwasher #6 (SST) ............................................................................................................... 4
14 SC-124-01 Mach. Screw 6-32 x
15 SC-124-03 Set Screw 1/4-28 x 3/4 Hex Hdls., Cup Pt. ................................................................................... 3
16 00-441636 Spool – Take-Up .......................................................................................................................... 1
17 00-048803 Bracket – Sensor ....................................................................................................................... 1
18 NS-044-05 Nut Assy. 6-32 Hex KEPS .......................................................................................................... 2
19 00-047293 Board – Circuit Sensor ............................................................................................................... 1
20 00-048768 Bracket – Sensor Mounting .......................................................................................................1
21 00-441030 Bracket – Guide Label ................................................................................................................1
22 SC-110-97 Mach. Screw 10-32 x 1/2 Slotted Truss Hd. (SST) .................................................................... 2
23 SC-124-01 Mach. Screw 6-32 x 3/8 Slotted Truss Hd. (SST) ...................................................................... 2
24 00-049689 Bolt – Shoulder ........................................................................................................................... 1
25 00-047353 Collar Assy. (Incls. Item 26) ....................................................................................................... 1
26 SC-075-10 Set Screw 1/4 -20 x 3/16 Hex Hdls., Cup Pt. ................................................................................. 1
27 00-048772 Pin – Sensor Guide .................................................................................................................... 1
28 SC-118-19 Cap Screw 1/4-20 x 3/4 Hex Hd. .................................................................................................. 2
29 WL-006-17 Lockwasher 1/4 Medium (SST) ................................................................................................... 2
30 WS-022-21 Washer 1/4 ................................................................................................................................... 2
31 SC-118-19 Cap Screw 1/4 -20 x 3/4 Hex Hd. ................................................................................................. 2
32 WL-006-17 Lockwasher 1/4 Medium (SST) ................................................................................................... 2
33 00-049424 Plate – Washer ........................................................................................................................... 1
34 SC-125-19 Set Screw 10-32 x 1/4 Hex Hdls., Cup Pt. (SST) ....................................................................... 1
35 00-442035 Bracket Assy. – Stripper Guide (Check Point) (Incls. Item 34) .................................................. 1
36 00-048779 Bracket – Stripper Guide (Sensomatic) (Incls. Item 34) ............................................................ 1
37 SC-123-89 Mach. Screw 8-32 x 3/4 Slotted Truss Hd. (SST) ...................................................................... 4
38 WL-006-07 Lockwasher #10 (SST) ............................................................................................................. 4
39 00-441461 Clip & Retaining Ring .................................................................................................................. 1
40 FE-023-15 Clamp – Electrical ....................................................................................................................... 3
41 SC-123-88 Mach. Screw 8-32 x 5/16 Slotted Truss Hd. (SST) ..................................................................... 4
42 00-441799-00001 Stepper Motor Assy. ................................................................................................................... 1
43 NS-044-07 Nut Assy. 8-32 KEPS .................................................................................................................. 4
44 00-049423 Cable Assy. – Test Button .......................................................................................................... 1
45 00-441456 LED Assy. ................................................................................................................................... 1
46 00-048791 Switch – Push ............................................................................................................................ 1
47 00-049694 Cable Assy. – Interconnect (Ultima) .......................................................................................... 1
48 00-440093 Cable Assy. – Interconnect (Quantum) ..................................................................................... 1
00-440899 Teflon Tape 21/2 In. (10 Yd. Roll) ............................................................................................... AR
1
/4-20 x 3/4 Hex Hd. .................................................................................................. 1
1
/4 Medium (SST) ................................................................................................... 1
5
/8 Slotted Hex Washer Hd. .................................................................... 4
1
/2 Slotted Truss Hd. (SST) ...................................................................... 2
3
/8 Slotted Truss Hd. (SST) ...................................................................... 4
- 9 -
F-34051 Rev. A (January 2002)
Page 10

SECURITY LABEL APPLIER REPLACEMENT PARTS
38
36
27
28
26
5
29
25
7
6
8
11
10
23
9
24
22
21
12
13-14
15-16
17
20
PL-55728
19
18
1
37
34
2
4
3
35
32
33
31
30
F-34051 Rev. A (January 2002)
HOUSING UNIT
SLA-3 (ML-44192)
- 10 -
Page 11

SECURITY LABEL APPLIER REPLACEMENT PARTS
HOUSING UNIT
SLA-3 (ML-44192)
ILLUS. PART NO. NAME OF PART AM T.
PL-55728
1 00-048776 Cover – Motor Side .................................................................................................................... 1
2 00-048794 Hinge Assy. (LH) (Incls. Item 13) ............................................................................................. AR
3 SC-114-99 Mach. Screw 10-32 x
4 NS-037-10 Lock Nut
1
/4-20 Special Nylok ..................................................................................................... 1
5 SD-009-41 Self-Tapping Screw 8-32 x
6 00-049486 Spring – Tension Arm ................................................................................................................. 1
7 00-049485 Rod – Tension Arm ..................................................................................................................... 1
8 00-049484 Coupling – Tension Arm.............................................................................................................. 1
9 SC-124-55 Shoulder Screw 1/4-20 x 11/4 Soc. Hd. .......................................................................................1
10 SC-047-82 Set Screw 10-32 x 3/16 Hex Hdls., Cup Pt. ................................................................................. 1
11 00-048786 Adapter – Key Slot ..................................................................................................................... 1
12 00-048787 Cover – Middle ............................................................................................................................ 1
13 00-048794 Hinge Assy. (LH) (Incls. Item 2) ............................................................................................... AR
14 SC-021-23 Mach. Screw 10-24 x 1/2 Slotted Rd. Hd.(SST) ......................................................................... 2
15 00-048793 Hinge Assy. (RH) (Incls. Item 19) ............................................................................................. AR
16 SC-021-23 Mach. Screw 10-24 x 1/2 Slotted Rd. Hd. (SST) ........................................................................ 2
17 00-048775 Cover – Label Side ..................................................................................................................... 1
18 SC-114-99 Mach. Screw 10-32 x 1/2 Flat Hd................................................................................................ 2
19 00-048793 Hinge Assy. (RH) (Incls. Item 15) ............................................................................................. AR
20 00-441639 Knob ........................................................................................................................................... 1
21 00-442037 Strike Plate .................................................................................................................................. 1
22 WL-006-07 Lockwasher #10 (SST) ............................................................................................................. 1
23 SC-110-97 Mach. Screw 10-32 x 1/2 Slotted Truss Hd. (SST) .................................................................... 1
24 00-049691 Catch .......................................................................................................................................... 1
25 SC-124-02 Mach. Screw 8-32 x 1/2 Slotted Truss Hd. (SST) ...................................................................... 8
26 00-441637 Rod – Arm Delay ........................................................................................................................ 1
27 00-048784 Coupling – Arm Delay ................................................................................................................. 1
28 SC-124-68 Mach. Screw 10-32 x 3/8 Phil. Flat Hd. (SST) ............................................................................. 4
29 NS-048-19 Nut 10-32 Hex KEPS .................................................................................................................. 4
30 SC-047-82 Set Screw 10-32 x 3/16 Hex Hdls., Cup Pt. ................................................................................. 2
31 00-441487 Power Cord Assy. ...................................................................................................................... 1
32 00-048795 Spring – Torsion .......................................................................................................................... 1
33 SC-124-02 Mach. Screw 8-32 x 1/2 Slotted Truss Hd. (SST) ...................................................................... 2
34 00-441068-00001 Module Assy. – Power Input ......................................................................................................1
35 00-441638 Plate – Power Cord .................................................................................................................... 1
36 00-048804 Bracket – Door Mount ................................................................................................................ 1
37 00-441589 Potentiometer Assy. (10k ohms) ................................................................................................ 1
38 SC-124-02 Mach. Screw 8-32 x 1/2 Slotted Truss Hd. (SST) ...................................................................... 2
00-049344 Table Assy. – Label (Long) ........................................................................................................ 1
00-441033 Table Assy. – Label (Long) (Wide Printer)................................................................................. 1
00-048797 Label – Threading Diagram (Sensormatic) ................................................................................ 1
00-048800 Label – Threading Diagram (Check Point) ................................................................................. 1
1
/2 Phil. Flat Hd. (SST) ............................................................................. 2
3
/8 Pan Hd., Type F (SST) .............................................................. 4
- 11 -
F-34051 Rev. A (January 2002)
Page 12

SECURITY LABEL APPLIER REPLACEMENT PARTS
FORM 34051 Rev. A JANUARY 2002 PRINTED IN U.S.A.