| 1 | مقدمة |
|---|---|
| 4 | تعريفات الرموز وملصقات الخطر . |
| 6 | السلامة العامة |
| 9 | السلامة الشخصية |
| 10 | السلامة في منطقة العمل |
| 18 | قائمة تفسيرية |
| 19 | أدوات التحكم |
| 28 | الفحوصات |
| 46 | تعليمات التشغيل |
| 55 | تعليمات النقل والتحميل |
| 58 | الصيانة |
| 62 | المواصفات |
حقوق الطبع © 2011 شركة Terex Corporation
الإصدار الثاني: الطباعة الثالثة، سبتمبر 2015
تُعد Genie و "ZX" علامتين تجاريتين مسجلتين لشركة .Terex South Dakota, Inc في الولايات المتحدة الأمريكية والعديد من الدول الأخرى.
تتوافق مع التوجيه الأوروبي EC Directive 2006/42/EC راجع إعلان المفوضية الأوروبية للمطابقة
تقدر شركة Genie اختيارك لآلتنا لاستخدامها في تطبيقاتك. والأولوية التي تحتل المرتبة الأولى لدينا هي سلامة المستخدم، والتي تتحقق على الوجه الأمثل من خلال جهودنا المتضافرة. هذا الكتاب هو دليل التشغيل والصيانة اليومية لمن يستخدم أو يشغل آلة Genie.
يجب اعتبار هذا الدليل جزءًا لا يتجزأ من الآلة ويجب أن يظل مرفقًا بالآلة في جميع الأوقات. إذا كانت لديك أية استفسارات، فتواصل مع شركة Genie.
التحقق من المنتج
يوجد الرقم التسلسلي للألة في ملصق المسلسل.
تستخدم هذه الآلة فقط في رفع أفراد العمل بالإضافة إلى أدواتهم والمواد المتعلقة بهم إلى موقع عمل هوائي.
تمثل سلامة مستخدمي المنتجات أهمية قصوى بالنسبة لشركة Genie. توزع شركة Genie على الوكلاء ومالكي الألات نشر ات متنوعة تحتوي على معلومات مهمة خاصة بأمور السلامة والمنتجات.
نتعلق المعلومات الواردة في النشرات بآلات معينة تستخدم طراز الألة والرقم التسلسلي.
يعتمد توزيع النشرات على المالك الحالي المسجل ووكيله ولذا من المهم تسجيل آلنك والاحتفاظ بأحدث معلومات الاتصال.
لضمان سلامة العاملين واستمر ار التشغيل الموثوق للآلة، تأكد من الامتثال إلى الإجراءات المشار إليها في النشر ات ذات الصلة.
قد يكون من الضروري في بعض الأحيان الاتصال بشركة Genie. وعندما تقوم بذلك، تجهز برقم الطراز والرقم التسلسلي للآلة بالإضافة إلى اسمك ومعلومات الاتصال الخاصة بك. على الأقل، يجب الاتصال بشركة Genie في الحالات التالية:
الإبلاغ عن حادثة
الأسئلة المتعلقة باستخدامات المنتجات والسلامة
المعايير والمعلومات الخاصة بالامتثال التنظيمي
تحديثات المالك الحالي، مثل التغييرات التي تطرأ على ملكية الألة أو على معلومات الاتصال الخاصة بك. راجع نقل ملكية الألة، أدناه.
استغراق بعض الدقائق في تحديث معلومات المالك يضمن لك الحصول على المعلومات المهمة المتعلقة بالسلامة والصيانة والتشغيل التي تنطبق على التك.
يرجى تسجيل ألتك بزيارتنا على موقع الويب على www.genielift.com أو بالاتصال بنا على الرقم المجانى1800-536-1800 .
خطر
قد ينجم عن عدم اتباع التعليمات وقواعد السلامة الواردة بهذا الدليل التعرض للموت أو الإصابة الخطيرة.
تعرّف على قواعد السلامة وافهمها قبل الانتقال إلى القسم التالي.
استبدل أي لافتات مفقودة أو تالفة تتعلق بالسلامة. اجعل سلامة المشغل في ذهنك على الدوام. استخدم الماء والصابون اللطيف في تنظيف لافتات السلامة. لا تستخدم منظفات تعتمد على المذيبات حيث إنها قد تتسبب في تلف مادة لافتة السلامة.
تستخدم ملصقات منتج Genie الرموز والرموز اللونية والكلمات التعبيرية لتحديد ما يلي:
تحذير
تنبيه
A
رمز تنبيه السلامة - ويستخدم لتنبيهك لمخاطر التعرض للإصابات الشخصية المحتملة. التزم بجميع رسائل السلامة التي تنبع هذا الرمز لتجنب الموت أو الإصابة المحتملة.
تشير إلى موقف ينطوي على خطر ، والذي في حالة عدم تفاديه يمكن أن يؤدي إلى الوفاة أو الإصابة الخطيرة.
تشير إلى موقف ينطوي على خطر، والذي في حالة عدم تفاديه يمكن أن يؤدي إلى الوفاة أو الإصابة الخطيرة.
تشير إلى موقف ينطوي على خطر، والذي في حالة عدم تفاديه يمكن أن يؤدي إلى الإصابة البسيطة أو المتوسطة.
يشير إلى رسالة تتعلق بحدوث أضرار في الممتلكات.
تعريفات الرموز وملصقات الخطر
| طر الاصطدام | العائق العلوي خ | خطر الانسحاق | ابتعد عن الأجزاء المتحركة | خطر الانسحاق |
|---|---|---|---|---|
| THE . | 1 53 | |||
| بطر الانقلاب | خطر الانقلاب | خطر الانقلاب |
حافظ على المسافات
المطلوبة |
خطر الصعق بالكهرباء |
| ⋧⇔ৠ | ||||
| رجى قراءة دليل الخدمة | اقرأ دليل المشغل | فصل البطارية | تجنب التلامس | ـــــــــــــــــــــــــــــــــــــ |
| STOP | ||||
| طفأة حرائق | خطر الاحتراق م | خطر الانفجار |
ممنوع التدخين.
ممنوع تواجد مصادر اللهب. إيقاف المحرك. |
خطر الانفجار |
| K JOD Y | Jacon, | |||
| طقات تثبيت الحبل | ممنوع التخطي | خطر الانفجار | ممنوع التدخين | خطر الحريق |
160578
133067
دليل المشغل
السلامة العامة
رقم الجزء 1258936AR
الحماية الشخصية من السقوط
يشترط وجود المعدات الشخصية للحماية من السقوط (PFPE) عند تشغيل هذه الألة.
يتعين على ركاب المنصبة ارتداء حزام الأمان أو عدة الأمان التي تتوافق مع التنظيمات الحكومية. قم بتوصيل الحبل بحلقة التثبيت المتوفرة في المنصبة.
يتعين على المشغلين الالتزام بقواعد صاحب العمل وموقع العمل والقواعد الحكومية التي تتعلق باستخدام معدات الحماية الشخصية.
يتعين أن تكون جميع المعدات الشخصية للحماية من السقوط (PFPE) متوافقة مع القواعد الحكومية المعمول بها ولا بد من إجراء الاختبارات عليها واستخدامها بالتوافق مع تعليمات المصنِّع للمعدات الشخصية للحماية من السقوط (PFPE).
هذه الألة غير معزولة كهربيًا ولا توفر الحماية من الاتصال أو الاقتراب من التيار الكهربي.
| المسافة المطلوبة | فولتية خط الكهرباء |
|---|---|
| 3.05 م | من 0 إلى 50 كيلو فولت |
| 4.60 م | من 50 إلى 200 كيلو فولت |
| 6.10 م | من 200 إلى 350 كيلو فولت |
| 7.62 م | من 350 إلى 500 كيلو فولت |
| 10.67 م | من 500 إلى 750 كيلو فولت |
| 13.72 م | من 750 إلى 1,000 كيلو فولت |
ترك متسعًا لحركة المنصة وخط الكهرباء بالتأرجح أو الارتخاء وتوخ الحذر من الرياح القوية أو العاتية.
طاقة موصلة بالتيار الكهربي. يتعين على أفراد العمل الموجودين على الأرض أو في المنصة عدم لمس أو تشغيل الآلة إلا بعد إيقاف تشغيل خطوط الطاقة الكهربائية.
يجب عدم تشغيل الآلة أثناء الرعد أو العواصف لا تستخدم الآلة كطرف تأريض لعملية اللحام.
يجب ألا يتجاوز الأشخاص والمعدات والمواد الموجودة في المنصة الحد الأقصى لقدرة أستيعاب المنصبة.
| 272 کجم | الحد الأقصى لقدرة استيعاب المنصة |
|---|---|
| 2 | الحد الأقصى للأفراد المتواجدين في المنصة |
| ل الأندوب وجوامل | سيعمل وذين الأدوات الاخترارية والكولارات، مثل حوام |
اللوحة وماكينات اللحام، على تقليل السعة المقررة للمنصة ويتعين طرحه منُ سعةُ المنصة. انظر الملصقات المرفقة مع الأدوات الاختيارية. و الكماليات.
في حالة استخدام الكماليات، ير حي قر اءة الملصقات و التعليمات و الأدلة الملحقة بهذه الكماليات وفهمها والالتزام بها
سطح المنصة أو الحمولة. فزيادة المساحة المتعرضة للريّاح ستعمل على قلة استقرار الآلة.
يجب عدم استخدام وضع الاستعادة إلا بواسطة أفراد العمل المعتمدين والمدربين فقط.
قبل الانتقال إلى سطح ثابت مستو. لا تلف عمود الرفع أثناء عملية
الرفع على المنحدر كماً هو موضح أدناه اتبع خطوات خفض عمود الرفع
. الخفض.
لا تقد الآلة على الطرق غير الممهدة أو بالقرب منها أو الأسطح غير المستقرة أو الأحوال الأخرى الخطيرة عندما يكون عمود الرفع مرفوعًا أو ممددًا.
لا تستخدم الآلة كمرفاع.
لا تدفع الآلة أو الأشياء الأخرى بعمود الرفع.
لا تلامس الهياكل القريبة بعمود الرفع.
لا تربط عمود الرفع أو المنصة بالهياكل القريبة.
لا تضع الحمولات خارج محيط المنصة.
لا تغير مكونات الآلة أو تعطلها بأي طريقة يمكن أن تؤثر على السلامة أو الاستقرار.
لا تستبدل أجزاء الآلة التي تمثل أهمية لاستقرار ها بأشياء مختلفة الوزن أو المواصفات.
لا تستبدل الإطارات المركبة من المصنع بإطارات مختلفة المواصفات أو معدل الإطار المطاطي الخارجي.
لا تستخدم مفاتيح التحكم في المنصبة لتحرير المنصبة العالقة أو المحجوزة أو الممنوعة من الحركة العادية بسبب هيكل مجاور . يتعين إخراج جميع أفراد العمل من المنصبة قبل محاولة تخليص المنصبة باستخدام مفاتيح التحكم الأرضية.
لا تستخدم الإطارات المملوءة بالهواء. هذه الألات مجهزة بالإطارات المعبأة بالرغوة. وزن العجلات يمثل أهمية للثبات.
لا تعدل أو تغير منصة العمل الهوائية بدون الحصول على إذن كتابي مسبق من المصنَّع. يمكن أن يعمل توصيل المرفقات للإمساك بالأدوات أو المواد الأخرى على المنصة أو قوائم الحماية أو نظام حواجز الأمان على زيادة الوزن في المنصة ومنطقة السطح الخاصة بالمنصة أو الحمولة.
A مخاطر التشغيل على المنحدرات
لا تقد الألة على منحدر يتجاوز الحد الأقصى من معدل الصعود أو النزول أو الانحدار الجانبي للآلة. تنطبق معدلات الانحدار فقط على الآلات التي تكون في وضع التخزين.
| التخزين | الانحدار، وضع | لمعدل | الأقصى | الحد |
|---|---|---|---|---|
| 45% (24°) | هبوط المنصبة |
|---|---|
| 30% (17°) | صعود المنصبة |
| 25% (14°) | لانحدار الجانبي |
ملاحظة: يخضع معدل الانحدار لأحوال الأرض وقوة الجر المناسبة. راجع القيادة على المنحدرات في قسم تعليمات التشغيل.
لا تنقل الأدوات والمواد ما لم تكن موز عة بالتساوي ويمكن للشخص (الأشخاص) الموجود في المنصة أن يتناولها بأمان.
لا تستخدم الآلة على سطح أو مركبة متحركة أو متنقلة.
تأكد أن الإطارات بحالة جيدة وأن صواميل العجلات مربوطة بشكل صحيح.
يتعين على ركاب المنصة ارتداء
حرام الأمان أو عدة الأمان التي تتوافق مع التنظيمات الحكومية. قم
بتوصيل الحبل بحلقة التثبيت المتوفرة
أرضية المنصة في جميع الأوقات.
لا تتسلق المنصة نزولاً عند رفعها.
الدور أن.
A مخاطر الاصطدام
تحقق من منطقة العمل للتأكد من عدم وجود عوائق علوية أو مخاطر أخرى ممكنة
حذر من محدودية مسافة الرؤية
والنقاط السوداء أثناء القيادة أو
احذر من وضع عمود الرفع والجزء الخلفي من الألة عند تدوير صينية
اتخذ الحبطة من طول الآلة عند التشغيل. بيلغ طول الآلة 12.9 م.
يتعين على المشغلين الالتزام بقواعد صاحب العمل وموقع العمل والقواعد الحكومية التي تتعلق باستخدام معدة الحماية الشخصية.
اجعل أرضية المنصة خالية دائمًا من الركام. اخفض الحاجز النصفي لمدخل المنصنة أو أغلق بوابة الدخول قبل لتشغيل.
لا تدخل المنصة أو تخرج منها ما لم تكن الآلة في وضع التخزين والمنصة في مستوى الأرض.
تجب مراعاة واستخدام أسهم التوجيه الملونة على مفاتيح التحكم بالمنصنة وشاسيه القيادة للتعرف على وظائف التحكم بالمقود والقيادة.
لا تشغل عمود رفع في طريق أي مرفاع ما لم تكن أدوات التحكم في المرفاع مؤمنة و/أو إذا كانت الاحتياطات قد تم اتخاذها للوقاية من أي اصطدام.
ممنوع القيادة الجنونية أو المزاح الخشن أثناء تشغيل الآلة.
A مخاطر الإصابة البدنية
قم دومًا بتشغيل الآلة في مكان جيد التهوية لتجنب التسمم بغاز أول أكسيد الكربون.
لا تشغل الآلة مع تسرب زيت هيدروليكي أو هواء. يمكن للتسرب في الهواء أو التسرب الهيدروليكي أن يخترق و/أو يحرق الجلد.
الاحتكاك غير السليم بأي مكونات تحت أي غطاء يمكن أن يؤدي إلى إصابة خطيرة. يتعين وصول أفراد الصيانة المدربين فقط لحجرات التشغيل. ينصح بوصول المشغل فقط للآلة عند إجراء فحص ما قبل التشغيل. يجب أن تظل جميع الغرف مغلقة ومؤمنة أثناء التشغيل.
لا تبدأ تشغيل المحرك إذا شممت أو وجدت غاز البترول السائل (LPG) أو البنزين أو وقود الديزل أو المواد الأخرى القابلة للانفجار.
لا تعد تزويد الألة بالوقود والمحرك في وضع التشغيل.
يجب أيضًا إعادة تزويد الألة بالوقود وشحن البطارية في مكان مفتوح وجيد التهوية وخال من ألسنة الشرر أو اللهب أو السجائر المشتعلة.
لا تشغل الآلة أو تشحن البطارية في المواقع الخطيرة أو المواقع التي يمكن أن تتواجد فيها غازات أو أشياء قابلة للانفجار أو الاحتراق.
لا ترش الإيثير داخل المحركات المزودة بشمعات احتراق.
لا تستخدم آلة تالفة أو آلة لا تعمل على الوجه الصحيح. قم بعمل فحص شامل للألة قبل عملية التشغيل واختبار جميع الوظائف قبل كل وردية عمل. قم على الفور بتمبيز وتسريح الآلة التالفة أو التي تعاني من قصور في الوظائف من الخدمة. تأكد من إجراء جميع أعمال الصيانة كما هو محدد في هذا الدليل ودليل الخدمة الخاص بآلات Genie
تأكد من أن جميع الملصقات في مكانها ومقروءة.
تأكد من أن أدلة المشغل والسلامة والمسؤوليات كاملة ومقروءة بوضوح وموضوعة في حاوية التخزين الموجودة على المنصة.
البطاريات تحتوي على أحماض. ارتد دومًا الملابس الواقية مع وضع واق على العينين عند العمل مع البطاريات.
تجنب سكب أو ملامسة الأحماض الموجودة في البطارية. قم بتحييد أحماض البطارية المسكوبة بالماء والصودا الخاصة بالخبز.
ضع كابلات التوصيل في بطارية بدء الحركة والتحكم، وليس في بطارية الطاقة الإضافية.لا تستخدم أي بطارية أو شاحن أعلى من 12 فولت لبدء تشغيل المحرك في الآلة التي تعاني من ضعف في البطارية.
لا يجب استخدام الآلة كطرف تأريض لعملية اللحام ما لم تكن الآلة مجهزة بخيار خط اتصال اللحام بالمنصة وتكون متصلة على نحو صحيح.
مخاطر الانفجار
أبق الشرر وألسنة اللهب والتبغ المشتعل بعيدًا عن البطاريات. حيث تُطلق البطاريات غازات قابلة للانفجار.
★ خطر الصعق بالكهرباء تجنب الاتصال بالأطراف الكهربية.
يرجى قراءة التحذيرات والتعليمات الملحقة بوحدة طاقة اللحام وفهمها والالتزام بها.
لا توصل أسلاك أو كبلات اللحام ما لم تكن وحدة طاقة اللحام مطفأة من مفاتيح التحكم في المنصبة.
لا تقم بعملية التشغيل ما لم تكن كبلات اللحام موصلة بشكل صحيح وتكون ماكينة اللحام مؤرضة على النحو الصحيح.
يعمل وزن ماكينة اللحام على تقليل سعة قدرة الاستيعاب المقررة للمنصبة، الأمر الذي يجب تحديده في الحمولة الكلية للمنصبة. يبلغ وزن مزود الطاقة الخاص بماكينة اللحام 34 كجم.
لا تقم بتشغيل ماكينة اللحام ما لم تكن مطفأة الحرائق جاهزة للاستخدام الفوري، بمقتضى قانون الصحة والسلامة المهنية 1926.352(d).
يرجى قراءة التحذيرات والتعليمات الملحقة بوحدة طاقة اللحام وفهمها والالتزام بها.
لا توصل أسلاك أو كبلات اللحام ما لم تكن وحدة طاقة اللحام مطفأة من مفاتيح التحكم في المنصبة.
لا تقم بعملية التشغيل ما لم تكن كبلات اللحام موصلة بشكل صحيح.
قم بتوصيل سلك القطب الموجب بالموصل المؤمن بصينية الدوران والمنصة.
قم بتثبيت سلك القطب السالب بالقطب الأرضى بصينية الدوران والمنصة.
قفل الآلة بعد كل استخدام
6 منصة
اضغط على زر رفع/مد عمود الرفع الثانوي وسيرتفع عمود الرفع الثانوي ثم يمتد. اضغط على زر خفض/سحب عمود الرفع الثانوي وسيتم سحب عمود الرفع الثانوي ثم خفضه.
4 أزرار تحريك عمود الرفع الأولي لأعلى/لأسفل
اضغط على عمود الرفع الأولي لأعلى وسيتم رفع عمود الرفع. اضغط على عمود الرفع الأولي لأسفل وسيتم خفض عمود الرفع.
اضغط على زر تحديد سرعة المحرك لتحديد سرعة المحرك. عند إضاءة السهم الموجود فوق رمز الأرنب، يكون المحرك في سرعة التباطؤ العالية. عند إضاءة السهم الموجود فوق رمز السلحفاة، يكون المحرك في سرعة التباطؤ المنخفضة.
7 شاشة إظهار القراءة LCD
ادفع زر التوقف في حالة الطوارئ الأحمر إلى وضع الإيقاف لإيقاف جميع الوظائف وإيقاف تشغيل المحرك. اسحب زر التوقف في حالة الطوارئ الأحمر إلى وضع التشغيل لتشغيل الآلة.
أدر المفتاح الدوار لوضع إيقاف التشغيل وستتوقف الآلة عن العمل. أدر المفتاح الدوار إلى وضع التأريض وسوف تعمل أدوات التحكم الأرضية. أدر المفتاح الدوار إلى وضع المنصة وسوف تعمل مفاتيح التحكم في المنصة.
11 زر بدء تشغيل المحرك
اضغط زر بدء تشغيل المحرك لبدء المحرك.
لا يستخدم موضع مفتاح التحويل إلا في ضبط استواء المنصة إذا أظهرت شاشة أدوات تحكم الأرضية أن المنصة غير مستوية (P22) وكانت أدوات التحكم في استواء المنصة لا تعمل. راجع تعليمات التشغيل.
يجب عدم استخدام وضع مفتاح الاستعادة إلا بواسطة أفراد العمل المعتمدين والمدربين فقط.
20 أزرار مد/سحب عمود الرفع النصفي
اضغط على زر مد عمود الرفع النصفي وسيمتد عمود الرفع النصفي. اضغط على زر سحب عمود الرفع النصفي وسيتم سحب عمود الرفع النصفي.
اضغط على زر تمكين وظيفة السرعة المنخفضة لتمكين الوظائف في لوحة التحكم الأرضية من العمل بسرعة منخفضة.
23 زر مصدر الطاقة في وضع الطوارئ
استخدم مصدر الطاقة في وضع الطوارئ في حالة فشل مصدر الطاقة الرئيسي (المحرك). اضغط في نفس الوقت على زر مصدر الطاقة في وضع الطوارئ وقم بتتشيط الوظيفة المرغوبة.
دليل المشغل
أدوات التحكم
اضبط استواء المنصبة إلى أن يتوقف الضوء. سيعمل مفتاح تحويل مستوى المنصبة فقط في الاتجاه الذي سيجعل المنصبة في وضع استو اع
3 مصياح مؤشر عدم استواء الألة
يضيء المصباح عندما تكون المنصبة مرفوعة وتكون الألة على منحدر شديد الانحدار لن تعمل وظيفة القيادة في اتجاه واحد أو في كلا الاتجاهين. قد تتعطل صبنية الدور إن.
4 مصباح مؤشر خفض عمود الرفع الرئيسي
اخفض عمود الرفع الرئيسي إلى أن يتوقف الضوء.
8 مفتاح مصدر الطاقة في وضع الطوارئ مزود بمصباح مؤشر استخدم مصدر الطاقة في وضع الطواري في حالة فشل مصدر الطاقة الرئيسي (المحرك). حرك في نفس الوقت مفتاح مصدر الطاقة في وضع الطوارئ وقم بتنشيط الوظيفة المرغوبة. سيضيء مصباح المؤشر عندما يكون مصدر الطاقة في حالة الطوارئ قيد الاستخدام.
الطرز التي تعمل بالبنزين/غاز البترول السائل:مفتاح الخانق مزود 9 بمصباح مؤشر حرك هذا المفتاح لتنشيط الخانق. طرز الديزل: مصباح شمعة احتراق أوتوماتيكي أو مفتاح شمعة احتراق مفتاح شمعة الاحتراق المزود بمصباح مؤشر حرك هذا المفتاح واضغط مع الاستمرار لمدة من 3 إلى 5 ثوان لتنشبط شمعات الاحتراق.
مصباح مؤشر شمعة الاحتراق أوتوماتيكي بشبر مصباح الكهر مان إلى تشغيل شمعات الاحتر اق.
10 مفتاح تشغيل المحرك المزود بمصباح مؤشر
حرك مفتاح بدء تشغيل المحرك وسيبدأ تشغيل المحرك. سيضيء مصباح مؤشر تشغيل المحرك عندما يتم تحريك المفتاح.
11 مفتاح اختيار تباطؤ المحرك المزود بمصباح مؤشر:
حرك هذا المفتاح لاختيار إعداد تباطؤ المحرك. إضاءة رمز الأرنب تشير إلى
إضاءة المصباح تعني حدوث خطأ بالمحرك.
ادفع زر التوقف في حالة الطوارئ الأحمر إلى وضع الإيقاف لإيقاف جميع الوظائف وإيقاف تشغيل المحرك. اسحب زر التوقف في حالة الطوارئ الأحمر إلى وضع التشغيل لتشغيل الآلة.
18 مقبض التحكم النسبي ثنائي المحور لوظائف القيادة والتوجيه أو مقبض التحكم النسبي لوظيفة القيادة ومفتاح الضغط بالأصبع لوظيفة التوجيه. حرك مقبض التحكم في الاتجاه المحدد بالسهم الأزرق في لوحة التحكم وسوف تتحرك الآلة إلى الأمام. حرك مقبض التحكم في الاتجاه المحدد بالسهم الأصفر وسوف تتحرك الآلة إلى الخلف. حرك مقبض التحكم في الاتجاه المحدد بالمثلث الأزرق وسوف تتحرك الآلة جهة اليسار. حرك مقبض التحكم في الاتجاه المشار البه
بالمثلث الأصفر وسوف تتحرك الآلة إلى جهة اليمين. أو حرك مقبض التحكم في الاتجاه المشار إليه بالسهم الأزرق في لوحة التحكم وسوف تتحرك الآلة إلى الأمام. حرك مقبض التحكم في الاتجاه المحدد بالسهم الأصفر وسوف تتحرك الآلة إلى الخلف. اضغط على الجهة اليسرى من مفتاح الضغط بالإصبع وسوف تسير الآلة في اتجاه اليسار. اضغط على الجهة اليمنى من مفتاح الضغط بالإصبع وسوف تسير الآلة في اتجاه اليمين.
19 زر اختيار وضع التوجيه مزود بمصابيح مؤشر
20 مقبض التحكم النسبي أحادي المحور لوظيفة رفع/مد وخفض/سحب عمود الرفع الثانوي
حرك مقبض التحكم لأعلى وسيتم رفع عمود الرفع الثانوي ثم يمتد. حرك مقبض التحكم لأسفل وسيتم سحب عمود الرفع الثانوي ثم خفضه.
22 مفتاح الضغط بالإصبع لوظيفة مد/سحب عمود الرفع النصفي
23 مقبض التحكم النسبي ثنائي المحاور لوظائف التحكم في رفع/خفض عمود الرفع النصفي ولوظائف تدوير المنصبة لليسار/لليمين
حرك مقبض التحكم لأعلى وسيتم رفع عمود الرفع النصفي. حرك مقبض التحكم لأسفل وسيتم خفض عمود الرفع النصفي. حرك مقبض التحكم لليسار وستدور المنصة جهة اليسار. حرك مقبض التحكم لليمين وستدور المنصة جهة اليمين.
21 مفتاح تحديد القيادة مزود بمصابيح مؤشر
حرك مفتاح اختيار القيادة لاختيار • ٢٠٠٠ المحمد • وضع القيادة. سيضيء مصباح • المؤشر الموجود بجانب الوضع • الحالي.
24 مفتاح مد/سحب المحور المزود بمصابيح مؤشر
حرك مفتاح اختيار المحور لاختيار وضع المحور . سيومض مصباح المؤشر أثناء مد المحاور ويظل مضيئًا عندما تكون المحاور ممتدة تمامًا. سيومض مصباح المؤشر أثناء سحب المحاور ويظل مضيئًا عندما يتم سحب المحاور تمامًا.
25 مفتاح تمكين القيادة المزود بمصباح مؤشر
في حالة تشغيل الضوء فإن ذلك يدل على أن عمود الرفع الرئيسي قد تجاوز أيًا من العجلات ذات الأطراف المستديرة وأن وطيفة القيَّادة متوقفة عن التشغيل. لكي تتمكن من القيادة، حرك مفتاح تمكين القيادة وحرك مقبض التحكم في القيادة ببطء بعيدًا عن المركز.
26 مفتاح الضغط بالإصبع لوظيفة مد/سحب عمود الرفع الأولى
اضنغط أعلى مفتاح الضىغط وسيتم سحب عمود الرفع الأولى. اضغط أسفل مفتاح الضغط وسيتم مد عمود الرفع الأولي.
عمود الرفع الرئيسي. حرك مقبض
الرئيسي حرك مقبض التحكم لليسار
وستدور صينية الدوران جهة اليسار. حرك مقبض التحكم لليمين وستدور
صينية الدوران جهة اليمين.
28 مفتاح مستوى المنصبة
تعرف على وتفهم فحص ما قبل التشغيل قبل الانتقال إلى القسم التالي.
أساسبات فحص ما قبل التشغيل
يتولى المشغل مسؤولية إجراء فحص ما قبل التشغيل وأعمال الصيانة الدورية.
يعد فحص ما قبل التشغيل عبارة عن فحص بالعين يقوم به المشغل قبل كل وردية عمل. وهذا الفحص مصمم لاكتشاف ما إذا كان أي شيء خطأ في الآلة قبل قيام المشغل بإجراء الاختبارات الوظيفية.
ويعمل فحص ما قبل التشغيل أيضًا على تحديد ما إذا كانت إجراءات الصيانة الدورية مطلوبة أم لا. يمكن للمشغل إجراء أعمال الصيانة الروتينية المحددة في هذا الدليل فقط.
ارجع إلى القائمة الموجودة في الصفحة التالية وتحقق من جميع الأشياء.
إذا عُثر على تلف أو أي اختلاف غير مرخص به عن الحالة المستلمة من المصنع، فلا بد من تمييز الآلة وإخراجها من الخدمة.
يمكن إجراء الإصلاحات للآلة فقط من خلال فني الخدمة المؤهل، وذلك طبقًا لمواصفات المصنّع. وبعد إكمال عمليات الإصلاح، يتعين على المشغل إجراء فحص ما قبل التشغيل مرة أخرى قبل المتابعة إلى مرحلة الاختبارات الوظيفية.
يتعين إجراء فحوصات الصيانة المجدولة على يد فنيي الخدمة المؤهلين، وذلك طبقًا لمواصفات جهة التصنيع ومتطلباتها المذكورة في دليل المسؤوليات.
3 قم بإجراء الاختبارات الوظيفية قبل الاستخدام على الدوام.
تعرف على وتفهم الاختبارات الوظيفية قبل الانتقال إلى القسم التالي.
أساسيات اختبار الوظائف
الاختبارات الوظيفية مصممة لاكتشاف أي قصور في الوظائف قبل دخول الآلة الخدمة. لا بد أن يتبع المشغل التعليمات المتتالية لاختبار جميع وظائف الآلة.
يجب عدم استخدام الآلة التي تعاني من قصور في الوظائف. في حالة اكتشاف قصور في الوظائف، فلا بد أن يتم تمييز الآلة وإخراجها من الخدمة. يمكن إجراء الإصلاحات للآلة فقط من خلال فني الخدمة المؤهل، وذلك طبقًا لمواصفات المصنّع.
بعد إكمال عمليات الإصلاح، يتعين على المشغل إجراء فحص ما قبل التشغيل والاختبارات الوظيفية مرة أخرى قبل إدخال الآلة إلى الخدمة.
ملاحظة: ابدأ هذا الاختبار بالمحاور التي تم سحبها.
ملاحظة: للحفاظ على طاقة البطارية، اختبر كل وظيفة واحدة من خلال دورة جزئية. ④ النتيجة: يجب أن تعمل جميع وظائف عمود الرفع. 23 ابدأ تشغيل المحرِّك.
سيتم رفع عمود الرفع الثانوي ثم مده. لن يتم مد عمود الرفع الثانوي حتى يتم رفعه تمامًا.
35
اختبار مفتاح القدم
34 أدر المفتاح الدوار إلى التحكم بالمنصة. 35 اضغط على زر توقف الطوارئ الأحمر بالمنصة إلى وضع إيقاف التشغيل. آلنتيجة: سيتوقف المحرك عن العمل ولن تعمل أي وظيفة. 36 اسحب زر توقف الطوارئ الأحمر وأعد تشغيل المحرك.
اختبار التوجيه
51 اضغط على مفتاح القدم.
Genîe
58 حرك مفتاح اختيار وضع التوجيه واختر وضع التوجيه المنسق.
اختبار القيادة ونظام الفرامل
ملاحظة: يجب أن تكون الفرامل قادرة على نثبيت الألة على أي منحدر تقدر على صعوده.
اختبار نظام تمكين القيادة
65 اضغط على مفتاح القدم واخفض عمود الرفع إلى وضع التخزين.
66 أدر صينية الدوران إلى أن يتجاوز عمود الرفع الأولي أحد الإطارات ذات الأطراف المستديرة.
ملاحظة: عندما يكون نظام تمكين القيادة قيد الاستخدام، قد تسير الألة في الاتجاه المعاكس للطريقة التي يتم بها تحريك مقبض تحكم القيادة والتوجيه.
استخدم أسهم التوجيه ذات الرموز اللونية الموجودة في مفاتيح التحكم في المنصة وشاسيه القيادة لتحديد اتجاه السير .
لونيه سة أصفر
في حالة عدم تحريك مقبض التحكم في القيادة في غضون ثانيتين من تحريك مفتاح تحويل تمكين القيادة، فلن يتم تشغيل وظيفة القيادة.
اختبار سرعة القيادة المحدودة اضغط على مفتاح القدم. 69 اضغط على مفتاح القدم. 70 ارفع عمود الرفع الأولى °10 فوق المستوى الأفقى. 71 حرك مقبض تحكم القيادة ببطء إلى وضع القيادة التي يمكن الحصول ٥ النتيجة: لن يتعدى الحد الأقصى لسرعة القيادة التي يمكن الحصول عليها أثناء رفع عمود الرفع الأولي 00 مثانية. 72 حلف مقبض تحكم القيادة ببطء إلى وضع القيادة التي يمكن الحصول عليها أثناء رفع عمود الرفع الأولي 00 ما ثانية. 72 منه مقبض تحكم القيادة ببطء إلى وضع القيادة التي يمكن الحصول عليها أثناء رفع عمود الرفع الأولي 00 مم/الثانية. 72 اخفض عمود الرفع الأولي إلى وضع التخزين. 73 محرك مقبض تحكم القيادة ببطء إلى وضع التخزين. 74 محرك مقبض تحكم القيادة ببطء إلى وضع التخزين. 75 ملاحظة: ستسير الألة مسافة 12 م في 40 ثانية. 75 اسحب عمود الرفع الأولي إلى وضع التخزين. 76 الرفع الأولي إلى وضع التخزين.
إذا تجاوزت سرعة القيادة 30 سم في الثانية مع رفع أو مد عمود الرفع الأولي أو الثانوي أو مد عمود الرفع النصفي، فضىع على الفور علامة على الآلة واستبعدها من الخدمة.
إذا تجاوزت سرعة القيادة 15 سم في الثانية مع مد عمود الرفع النصفي ومد عمود الرفع الأولي، فضع على الفور علامة على الآلة واستبعدها من الخدمة.
83 اسحب عمود الرفع الأولي وعمود الرفع النصفي.
| 109 | مع وجود عمود الرفع في وضع التخزين الكامل، قم بقيادة الألة على ا | اختبر |
|---|---|---|
|
منحدر بحيث تكون زاوية الشاسية اكبر من «4.5 مع المحور X
(من الجانب إلى الجانب). |
117 | |
| ۲ |
النتيجة: من المفترض عدم استمرار الآلة في القيادة.
8 |
118 |
| 110 |
عد إلى مستوى الأرضية وارفع عمود الرفع الثانوي حوالي
°5 فوق المستوى الأفقي. |
119 |
| 111 |
قم بقيادة الألة على منحدر بحيث تكون زاوية الشاسيه أكبر من
°4.5 مع المحور X (من الجانب إلى الجانب). |
i
120 ∥ |
| ۲ |
النتيجة: من المفترض توقف الألة عندما تصل الألة إلى °4.5 من
إمالة الشاسيه. |
ملاحظ |
| 112 |
اخفض عمود الرفع الثانوي إلى وضع التخزين أو قم بالقيادة في
الاتجاه المعاكس. |
دوره .
⊙ اا |
| ۲ | النتيجة: من المفترض تحرك الآلة في القيادة. | |
| 113 |
عد إلى مستوى الأرضية وقم بمد عمود الرفع النصفي حوالي
30 سم. |
|
| 114 |
قم بقيادة الألة على منحدر بحيث تكون زاوية الشاسيه أكبر من
°4.5 مع المحور X (من الجانب إلى الجانب). |
|
| ۲ |
النتيجة: من المفترض توقف الألة عندما تصل الألة إلى °4.5 من
إمالة الشاسيه. |
|
| 115 |
اسحب عمود الرفع النصفي إلى وضع التخزين أو قم بالقيادة في
الاتجاه المعاكس. |
|
| ۲ | النتيجة: من المفترض تحرك الآلة في القيادة. | |
| 116 |
عد إلى مستوى الأرضية وضع عمود الرفع النصفي في وضع
التخزين. |
|
13
تعرف على وتفهم فحص مكان العمل قبل الانتقال إلى القسم التالي.
5 استخدم الآلة في الأغر اض التي صنعت من أجلها فقط.
بساعد فحص مكان العمل المشغل على تحديد ما إذا كان مكان العمل يناط التشغيل الأمن للألة أم لا. ولا بد من إجراء هذا الفحص على يد المشغل قبل نقل الآلة الى مكان العمل
وتقع على كاهل المشغل مسؤولية قراءة واستذكار مخاطر أماكن العمل ثم تقصى هذه المخاطر وتجنيها أثناء نقل الآلة وتثيبتها وتشغيلها
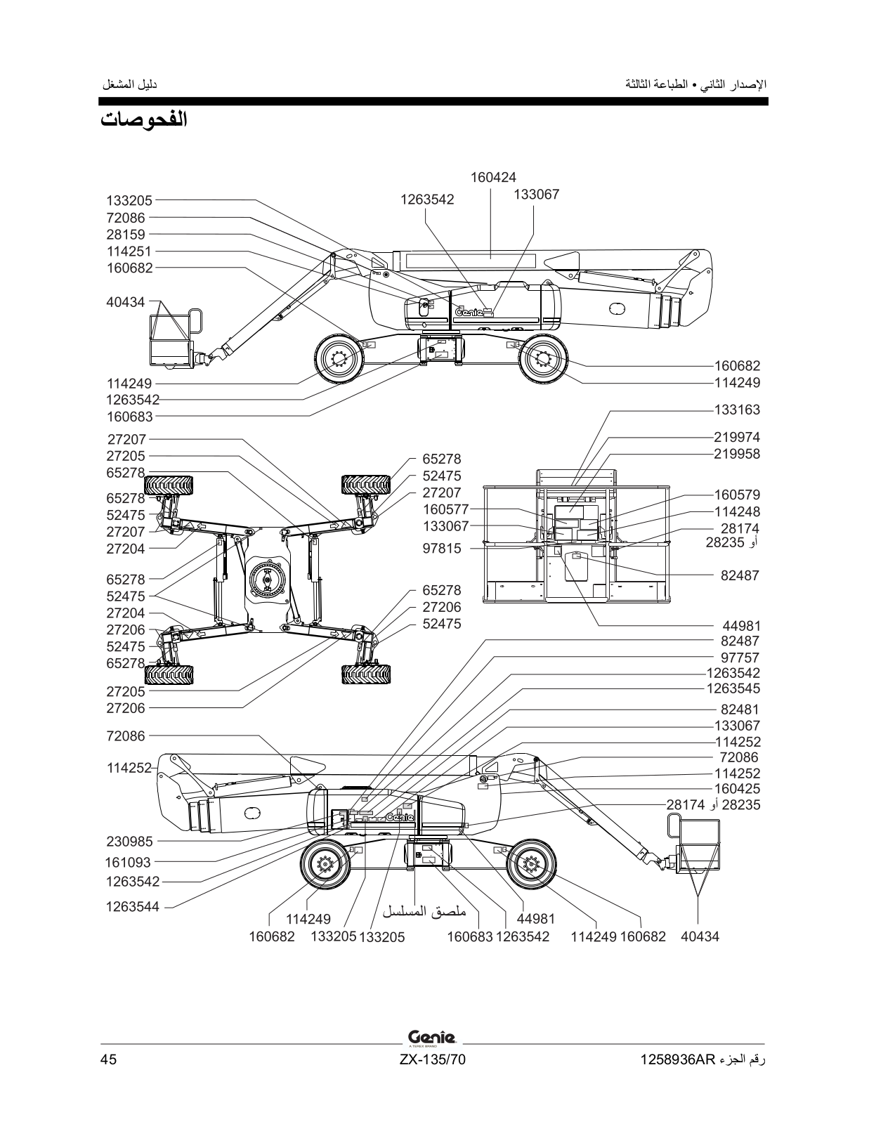
استخدم الصور الموجودة بالصفحة التالية للتأكد من أن جميع الملصقات مقروءة وفي مكانها الصحيح.
توجد أدناه قائمة عددية بالكميات والمواصفات.
| الكمية | وصف الملصق | رقم الجزء |
|---|---|---|
| 2 | سهم – أزرق | 27204 |
| 2 | سهم ـــ أصفر | 27205 |
| 4 | مثلث – أزرق | 27206 |
| 4 | مثلث – أصفر | 27207 |
| 1 | ملصق – الديزل | 28159 |
| 2 | ملصق ــ توصيل الطاقة بالمنصة، 230 فولت | 28174 |
| 2 | ملصق – توصيل الطاقة بالمنصة، 115 فولت | 28235 |
| 8 | ملصق – حلقات تثبيت الحبل | 40434 |
| 2 | ملصق – خط المهواء إلى المنصىة (اختياري) | 44981 |
| 6 | ملصق _ ربط النقل | 52475 |
| 6 | تنبيه – ممنوع التخطي | 65278 |
| 4 | علامة – نقطة الرفع | 72086 |
| 1 | ملصق – 107 دیسیبل | 82247 |
| 1 | ملصق – سلامة الشاحن/البطارية | 82481 |
| 2 | ملصق – اقرأ الدليل | 82487 |
| 1 | ملصق – منسوب الزيت الهيدروليكي | 97757 |
| 1 | ملصق – خفض الحاجز النصفي | 97815 |
| 1 | ملصق – خطر الانقلاب، إنذار الإمالة | 114248 |
| الكمية | وصف الملصق | رقم الجزء |
|---|---|---|
| 4 | ملصق – مخاطر الانقلاب، الإطارات | 114249 |
| 1 | ملصق – خطر الانفجار | 114251 |
| 3 | ملصق – خطر الانقلاب، مفاتيح الحدود | 114252 |
| 3 | ملصق – خطر الصعق بالكهرباء | 133067 |
| 1 | ملصق – إلغاء الوظيفة | 133163 |
| (حزمة الحماية من الأجسام الطائرة) | ||
| 2 | ملصق – خطر الصعق بالكهرباء/الاحتراق | 133205 |
| 1 | زخرفي – 2X-135/70 | 160424 |
| 1 | زخرفي – 2X-135/70 | 160425 |
| 1 | ملصق – الحد الأقصى للسعة والرياح والقوة | 160578 |
| اليدوية | ||
| 1 | ملصق - معدل الانحدار | 160579 |
| 1 | ملصق – حمولة العجلات | 160682 |
| 1 | ملصق ــ مخطط النقل | 160683 |
| 1 | ملصق - تعليمات خفض الطوارئ | 161093 |
| 1 | ملصق – خطر الانقلاب، خطر الانسحاق | 219958 |
| 1 | لوحة التحكم في المنصبة | 219974 |
| 1 | لوحة التحكم الأرضية | 230985 |
| 5 | ملصق - الوصول للغرفة | 1263542 |
| 1 | المفتاح الدوار للتحويل | 1263544 |
| 1 | تعليمات – المفتاح الدوار للتحويل | 1263545 |
| ليل إلى إخفاء الملصق بعيدًا عن الرؤية، أي تحت الأغطية | 🗖 يشير التظ |
يقدم قسم تعليمات التشغيل التعليمات اللاز مة لكل جانب من جوانب تشغيل الألة. يتحمل المشغل مسئولية انباع جميع قواعد السلامة والتعليمات الموجودة في أدلة المشغل والسلامة والمسئوليات.
يعتبر استخدام الآلة في أي شيء غير رفع أفراد العمل مع ما يخصهم من أدوات ومواد لموقع عمل هوائي أمرًا غير آمن وخطير.
غير مسموح بتشغيل هذه الآلة إلا لأفراد العمل المدربين والمرخصين. في حالة قيام أكثر من مشغل واحد باستخدام الآلة في أوقات متباينة في نفس وردية العمل، فيتعين على كل مشغل أن يكون مؤ هلاً مع اتباع جميع قواعد السلامة والتعليمات الموجودة في دليلي السلامة والمسئوليات. و هذا يعني أن كل مشغل جديد يجب أن يجري فحص ما قبل التشغيل بالإضافة إلى الاختبارات الوظيفية وفحص مكان العمل قبل استخدام الآلة.
في حالة فشل المحرك في البدء بعد 15 ثانية من تدوير المحرك، حدد السبب وأصلح هذا القصور الوظيفي. انتظر مدة 60 ثانية قبل إجراء المحاولة مرة أخرى.
في الأجواء الباردة، عندما تبلغ درجة الحرارة °6 مئوية تحت الصفر أو أقل، قم بتسخين المحرك لمدة 5 دقائق قبل عملية التشغيل للوقاية من تلف النظام الهيدروليكي.
أما في الظروف الجوية شديدة البرودة عندما تبلغ درجة الحرارة °18 مئوية تحت الصفر أو أقل، يجب تزويد الألة بأدوات التشغيل البارد الاختبارية. إن محاولة تشغيل المحرك في درجة حرارة أقل من °18 مئوية تحت الصفر قد نتطلب استخدام بطارية تقوية.
في حالة تخزين الآلة لفترات طويلة من الوقت في درجات حرارة منخفضة (تحت °0) مع رفع عمود الرفع الثانوي ومده، قد لا يعمل المحرك بسبب حدوث خطأ في النظام.
للتخلص من الخطأ، حرك واضغط مع الاستمرار على مفتاح مصدر الطاقة في وضع الطوارئ وقم بتنشيط وظيفة رفع عمود الرفع الثانوي إلى أن تبدأ عملية مد عمود الرفع الثانوي.
ادفع زر توقف الطوارئ الأحمر إلى وضع إيقاف التشغيل من خلال أدوات التحكم في الأرضية أو أدوات التحكم في المنصة لإيقاف جميع وظائف الآلة وإيقاف تشغيل المحرك.
قم بإصلاح أي وظيفة تعمل أثناء الضغط على أي من زري توقف الطوارئ.
سيؤدي تحديد مفاتيح التحكم الأرضية وتشغيلها إلى إلغاء زر توقف الطوارئ الأحمر في المنصة.
استخدم مصدر الطاقة في وضع الطوارئ في حالة فشل مصدر الطاقة الرئيسي (المحرك).
سيومض مصباح المؤشر أثناء حركة المحاور ويظل مضيئًا عندما يتم مد المحاور أو سحبها تمامًا.
يمكن سحب المحاور فقط إذا تم خفض أعمدة الرفع الأولية والثانوية تمامًا وكانت المنصة بين العجلات ذات الأطراف المستنيرة.
2 اضغط على زر الوظيفة المناسب وفقًا للعلامات الموجودة على لوحة التحكم.
يرجى ملاحظة أن وظائف القيادة والتوجيه غير متاحة من مفاتيح التحكم الأرضية.
استخدم أسهم التوجيه ذات الرموز اللونية الموجودة في مفاتيح تحكم المنصة وشاسيه القبادة لتحديد اتجاه سير الألة.
يرجى ملاحظة أن سرعة سير الآلة تكون محددة عندما يكون عمود الرفع مرفوعًا أو ممتدًا.
3 حرك ببطء مقبض التحكم في القيادة في الاتجاه المحدد بالمثلث الأزرق أو الأصفر أو اضغط على مفتاح الضغط بالأصبع في أعلى مقبض التحكم في القيادة.
استخدم أسهم التوجيه ذات الرموز اللونية الموجودة في مفاتيح تحكم المنصة وشاسيه القيادة لتحديد الاتجاه الذي ستدور فيه العجلات.
حدد معدلات الصعود والنزول وجانب المنحدر للألة وحدد مستوى الانحدار .
الحد الأقصى من معدل الانحدار، نزول المنصة (إمكانية التدرج): (24°) 45%
, الحد الأقصى من معدل الانحدار، ارتفاع المنصة: ( (17°) 30%
الحد الأقصى من معدل الانحدار الجانبي: (14°) 25%
ملاحظة: يخضع معدل الانحدار لأحوال الأرض وقوة الجر المناسبة ينطبق مصطلح إمكانية الندرج على ضبط علو الثقل المقابل فقط.
تأكد من أن عمود الرفع تحت المستوى الأفقي وأن المنصة بين العجلات ذات الأطراف المستديرة.
حرك مفتاح تحديد سرعة القيادة إلى رمز حالة ميلان الآلة.
لتحديد مستوى الانحدار: قم بقياس المنحدر بجهاز قياس مستوى الانحدار الرقمي أو استخدام الإجراء التالي. • ميزان الفقاعة الذي يستخدمه النجار • قطعة مستقيمة من الخشب طولها 1 م على الأقل • مقياس شريطي عند نهاية المنحدر، ضع الميزان على أعلى حافة قطعة الخشب وارفع مؤخرتها إلى أن تصبح قطعة الخشب مستوية.
اقسم المسافة التي تم قياسها بالمقياس الشريطي (الارتفاع) على طول قطعة الخشب (الميل) و اضرب في 100.
الر أسبةُ من أسفل قطعة الخشب إلى الأرض
مثال:
قطعة الخشب = 3.6 م
السير = 3.6 م
الارتفاع = 0.3 م
0.3 م ÷ 3.6 م = 8.3% × 100 × 8.3% درجة
إذا تجاوز المنحدر الحد الأقصى لمعدل انحدار الصعود أو النزول أو الميل الجانبي، فلا بد من رفع الآلة بالونش أو نقلها أعلى المنحدر أو أسفله. راجع قسم النقل والرفع.
المصباح مضيء والمحرك متوقف: ضع علامة على
المصباح مضبيء والمحرك لايزال قيد العمل: اتصل
المسبع مسي وحسر ، ير ع ... يفريق الصيانة في غضون 24 ساعة.
ستضرء مصابيح المؤشر الخاصة ببيئة التشغيل لتنبه المشغل إلى إعاقة
في حالة تشغيل الضوء فإن ذلك يدل على أن عمود الرفع الرئيسي قد تجاوز أيًا من العجلات ذات الأطراف المستديرة وأن وظيفة القيادة متوقفة عن التشغيل.
فحص مصباح المحرك
المسب - ي المحدمة.
مصابيح المؤشر الخاصة يببئة التشغيل
مصباح مؤشر خفض/سحب عمود الرفع
الثانوي مومض: قم يخفض/سحب عمود
الرفع الثانوي إلى أن ينطفئ مصباح المؤشر .
مصباح مؤشر خفض عمود الرفع الأولي مومض: قم بخفض عمود الرفع الأولي إلى أن
مصباح مؤشر عدم استواء المنصة مومض:
ينطفئ مصباح المؤشر
احدى الوظائف وأنه يتعين اتخاذ احراء من حانب المشغل
لكي تتمكن من القيادة، حر ك مفتاح تمكين القيادة و حر ك مقبض التحكم في القيادة/التوجيه ببطَّء بعيدًا عن المركز .
في حالة عدم تحريك مقبض التحكم في القيادة/التوجيه خلال ثانيتين من تحريك مفتاح تمكين القيادة، لن تعمل وظيفة القيادة. حرر وحرك مفتاح تمكين القيادة مرة أخرى.
يتعين عليك الاحتياط من أن الآلة قد تسير في الاتجاه المعاكس لمفاتيح التحكم في القيادة والتوجيه التي يتم تحريكُها.
استخدم دومًا أسهم التوجيه ذات الرموز اللونية الموجودة في مفاتيح تحكم المنصة وشاسيه القيادة لتحديد اتجاه سير الآلة.
عندما بضيء مصباح تمكين القبادة، بتعذر سحب المحاور
اختر وضع تناطؤ المحرك (لفة في الدقيقة) بالضغط على مفتاح اختيار تباطؤ المحرك سيضيء مصباح المؤشر الموجود بجانب الوضع الحالي.
سينطلق جهاز إنذار الإمالة عندما يومض
∿∩
رمز السلحفاة: تتاطؤ منخفض
رمز الأرنب: تباطؤ عالٍ
يستخدم موضع مفتاح التحويل في تسوية المنصبة إذا أظهرت شاشة التحكم الأرضية أن المنصبة غير مستوية (P22) وأن أدوات التحكم في استواء المنصبة لا تعمل.
للتشغيل:
إذا أظهرت شاشة أدوات التحكم في الأرضية رسالة PLATFORM LEVEL > 15 DEGREES FAULT (مستوى المنصة > خطأ 15 درجة) وكانت أدوات التحكم في مستوى المنصة لا تعمل، فستحتاج الآلة إلى إصلاح من قبل أفراد العمل المدربين والمعتمدين أو فني صيانة مؤهل.
يشير المصباح الوامض إلى أن المنصة بها حمولة زائدة وأنه لن يتم تشغيل الوظائف. تخلص من الوزن الزائد عن المنصة إلى أن يتوقف هذا المصباح.
إذا كانت شاشة LCD الخاصة بأدوات التحكم في الأرضية تعرضOVERLOAD RECOVERY (استعادة زيادة الحمولة)، فهذا يعني استخدام نظام خفض الطوارئ في وقت زيادة حمولة المنصة. للمعلومات حول كيفية إعادة تعيين هذه الرسالة، استشر دليل خدمة Genie المناسب.
لتشغيل المولد، حرك مفتاح المولد. سيضيء مصباح المؤشر وسيستمر تشغيل المحرك. صل إحدى أدوات الطاقة بنقطة قاطع دائرة العطل الأرضي بالمنصة. لإيقاف تشغيل المولد، حرك مفتاح المولد. سينطفئ مصباح المؤشر.
Genîe
تعرض شاشة LCD عداد الساعات والجهد وضغط الزيت ودرجة حرارة سائل التبريد. كما تعرض الشاشة الرموز الخطأ وغيرها من معلومات الصيانة.
نتمتع الآلات المزودة بمحركات Perkins 854F-34T الديزل يوجود وضع إعادة التوليد الذي من المفتر ض أن بعمل تلقائبًا عند الحاجة.
ستعرض شاشة LCD REGEN FORCED (إعادة التوليد القسري) WARNING HIGH EXHAUST SYSTEM TEMP (تحذير ارتفاع درجة حرارة نظام العادم) عندما بكون نظام إعادة التوليد ر قبد العمل. لا تلز م صبانة.
إذا أطلق جهاز إنذار الإمالة صوتًا أثناء رفع المنصبة، فسيضيء مصباح مؤشر عدم استواء الألة ولن يتم تشغيل وظيفة القيادة في أتجاه واحد أو في كلا الاتجاهين حدد حالة عمود الرفع على لمنحدر كما هو موضح أدناه. انبع خطوات خفض عمود الرفع قبل الانتقال إلى سطّح ثابت مستو. لا تلف عمود الرفع أثناء عملية الخفض.
1 اسحب عمود الرفع الأولى. اخفض عمود الرفع الثانوي 2 3 الحفض عمود الرفع الأولى.
حزمة الحماية من الأجسام الطائرة (إن كانت الآلة مجهزة بها)
بعد كل استخدام
✓ توفر شركة Genie معلومات التأمين هذه من باب التوصية. يتحمل السائقون وحدهم مسؤولية التأكد من أن الآلة مؤمنة على النحو الصحيح وأنه قد تم اختيار المقطورة الصحيحة وفقًا لقوانين وزارة النقل بالولايات المتحدة والتنظيمات الأخرى المحلية وسياسة الشركة التي يعملون بها.
إيقاف التشغيل
أحكم تثبيت العجلات لحماية الآلة من الانز لاق أثناء العمل.
حرر فرامل العجلات بإدارة جميع أغطية فصل صرات القيادة الأربع.
تأكد من أن خط الونش مؤمن بشكل سليم بنقاط ربط شاسيه القيادة وأن الطريق خالٍ من جميع العوائق.
نفذ عكس الإجراءات المذكورة لإعادة تعشيق الفرامل.
ملاحظة: يجب أن يظل صمام العجلة الحرة بالمصد مغلقًا دائمًا.
تعليمات النقل والتحميل
الربط في شاحنة أو قاطرة لنقل الآلة
استخدم دومًا دبوس تأمين دوران صينية الدوران في كل مرة يتم فيها نقل الألة.
دبوس تأمين دوران صينية الدوران أدر المفتاح الدوار لوضع إيقاف التشغيل وانزع المفتاح قبل النقل. افحص الألة برمتها للتأكد من عدم وجود أجزاء مرتخية أو غير محكمة الربط.
تأمين الشاسيه استخدم سلاسل ذات سعة حمولة كافية. استخدم في الربط 6 سلاسل بحد أدني.
اضبط تجهيزات الربط للوقاية من تلف السلاسل.
ضع كتلة تحت موتور تدوير المنصة. لا تجعل الكتلة تتلامس مع أسطوانة المنصة.
قم بتأمين المنصبة بحز ام من النايلون يوضع من خلال دعامة المنصبة السفلية. لا تستخدم القوة المفرطة في الضبغط لأسفل عند تأمين قطاع عمود الرفع.
اخفض واسحب عمود الرفع تمامًا. اخفض عمود الرفع النصفي كليًا. (إذا كانت الألة مجهزة به). قم بإزالة جميع الأجزاء المفكوكة على الآلة.
حدد مركز الجاذبية للألة مستخدمًا الجدول الموجود في هذه الصفحة.
لا تربط الأحبال إلا في نقاط الرفع المخصصة لذلك بالآلة. توجد أربع نقاط رفع بالآلة، واحدة على كل محور .
اضبط الأحبال للوقاية من تلف الألة وللحفاظ على استواء الألة.
| المحور Y | المحور X | مركز الجاذبية |
|---|---|---|
| 1.03 م | 1.85 م | ZX-135/70 |
تم استخدام الرموز التالية في هذا الدليل للمساعدة على توصيل الهدف من م مسلم مربور عليه في مناطق المسلم مربور عليه منهم المسلم. التعليمات. ففي حالة ظهور رمز واحد أو أكثر في بداية إجراء أعمال الصيانة، فإنه يعني المعنى المذكور أدناه.
يشير إلى أنه يتعين توفير الأدوات لأداء هذا الإجراء.
يشير إلى أنه ستكون هناك حاجة لأجزاء جديدة لأداء هذا يشير إلى الإجراء.
فحص مستوى زيت المحرك
ľ,
يعتبر الحفاظ على المستوى المناسب لزيت المحرك أمرًا ضروريًا يمبر المحاط على المسوى المحاسب تريف المحارك المرا لمتروري للحصول على الأداء الجيد للمحرك وللحفاظ على العمر المتوقع للمحرك. أما تشغيل الألة بمستوى الزيت غير الصحيح فيمكن أن يتسبب في تلف مكونات المحرك
ملاحظة: افحص منسوب الزبت أثناء توقف المحرك.
1 افحص أداة قياس مستوى الزيت. قم بإضافة الزيت حسب الحاجة.
| محرك Perkins 1104D-44T | |
|---|---|
| 15W-40 | نوع الزيت |
| 10W-30 | نوع الزيت - ظروف باردة |
| محرك Deutz TD2011 L04i | |
| 15W-40 | نوع الزيت |
| 5W-30 | نوع الزيت - ظروف باردة |
| محرك Perkins 854F-34T | |
| 15W-40 | نوع الزيت |
| 5W-30 | نوع الزيت - ظروف باردة |
| محرك Deutz TD2.9L | |
| 15W-40 | نوع الزيت |
| 5W-30 | نوع الزيت - ظروف باردة |
متطلبات وقود الديزل
محرك Perkins 1104D-44T
حرك Perkins 854F-34T
حرك Deutz TD2011 L04i
حرك Deutz TD2.9L
يعتمد الأداء المرضي للمحرك على استخدام وقود بنوعية جيدة. استخدام
الديزل منخفض الكبريت (LSD)
الدبز ل منخفض الكبر بت (LSD)
الديز ل منخفض الكبر يت للغاية (ULSD)
الديز ل منخفض الكبريت للغاية (ULSD)
وقود بنوعية جيدة سيؤدي إلى ما يلي: إطالة عمر المحرك ومستويات
تجد أدناه الحد الأدنى من متطلبات وقود الديزل لكل محرك.
ľ,
انبعاث وقود مقبولة.
ع الوقود
ع الوقو د
ع الوقو د
وع الوقود
فحص منسوب الزيت الهيدروليكي 10
تعتبر المحافظة على الزيت الهيدروليكي عند مستوى مناسب أمرًا مهمًا لعمل الآلة. حيث يمكن لمستويات الزيت الهيدروليكي غير المناسبة أن تتسبب في تلف المكونات الهيدروليكية. أما الفحوصات اليومية فتتيح لمن يقوم بالفحص تحديد التغييرات في منسوب الزيت التي يمكن أن تشير إلى وجود مشكلات في النظام الهيدروليكي.
الحد الأقصى لمنسوب الزيت
الحد الأدنى لمنسوب الزيت
| مواصفات الزيت الهيدروليكي | |
|---|---|
| مكافئ Chevron Rando HD | نوع الزيت المهيدروليكي |
يعتبر الحفاظ على المستوى المناسب لسائل تبريد المحرك أمرًا ضبروريًا للحفاظ علم، العمر المتوقع للمحرك. فالمستوى غير المناسب من مستوى سائل التبريد يؤثر على قدرة تبريد المحرك ويتسبب في تلف مكونات المحرك. أما الفحوصات اليومية فتتيح لمن يقوم بالفحصّ تحديد التغييرات في منسوب سائل التبريد والتي يمكن أن تشير إلى وجود مشكلات في نظام التبريد
تعتبر حالة البطارية المناسبة أمرًا ضروريًا للأداء الجيد للألة وسلامتها أثناء التشغيل. ويمكن أن تؤدي مستويات السائل غير الصحيحة أو الكابلات والوصلات التالفة إلى تلف المكونات وحالات التعرض للخطر.
ملاحظة: تساعد إضافة مواد الحفاظ على أطر اف التوصيل ومواد الوقاية من الصدأ على إزالة الصدأ والتآكل في أطراف توصيل وكابلات البطارية.
يجب أن يقوم بأعمال الصيانة ربع السنوية والسنوية والتي تجرى كل عامين شخص مدرب ومؤهل لإجراء أعمال الصيانة على هذه الآلة طبقًا للإجراءات الموجودة في دليل الخدمة الخاص بهذه الآلة.
أما الآلات التي تم تسريحها من الخدمة لأكثر من ثلاثة أشهر ، فيجب أن تخضع للفحص ربع السنوي قبل إعادتها للخدمة مرة أخرى.
| ZX-135/70 | الطراز |
|---|---|
| 42.9 | الارتفاع، الحد الأقصى أثناء التشغيل |
| 41.4 | الحد الأقصى لارتفاع المنصبة |
| 3.1 | الارتفاع، الحد الأقصى في وضع التخزين |
| 21.3 | الحد الأقصبي للوصول الأفقي |
| 2.5 | العرض، عند سحب المحاور |
| 5 | العرض، عند مد المحاور |
| 12.9 | الطول، في وضع التخزين |
| 272 کج | الحد الأقصىي لاستيعاب الحمولة |
| 12.5 م/ــً | الحد الأقصىي لسرعة الريح |
| 2.2 | قاعدة العجلات، عند مد المحاور |
| 5 | قاعدة العجلات، عند سحب المحاور |
| 38 س | الارتفاع عن الأرض |
| نصف قطر الدوران، عند مد المحاور | |
| 3 | من الداخل |
| 6.3 | من الخارج |
| نصف قطر الدوران، عند سحب المحاور | |
| 7.3 | من الداخل |
| 8.6 | من الخارج |
| °360 متواصل | صينية الدوران (درجات) |
| 4.3 | مؤخرة صينية الدوران، |
| 0.74 | عد حص عمود الرقع الثانوي |
| 0.74 |
موحرة صيبية الدوران،
عند رفع عمود الرفع الثانوي |
| 12 فولت تيار مستمر نسب | مفاتيح التحكم |
| ـــــــــــــــــــــــــــــــــــــ | أبعاد المنصة، 1.8 م (الطول x العرض) |
| 244 × 91 س | أبعاد المنصبة، 2.4 م (الطول x العرض) |
| الضبط الذاتي للاستوا | ضبط مستوى المنصبة |
| 160° | دوران المنصبة |
| قياسے | مخرج التيار المتردد في المنصة |
| 151 لترً | سعة خزان الوقود |
| 203 بار | الحد الأقصى للضغط الهيدروليكي |
| (وظائف عمود الرفع) | |
| 218 بار |
الحد الأقصى للضبغط الهيدروليكي
( حدة المالقة المساعدة) |
| روحده الطافة المساعدة |
| 12 فولت | جهد النظام |
|---|---|
| 445/65 D22.5 | مقاس الإطار |
| · · 1 | |
| 20457 حجم | |
| ظر ملصق المسلسل الذي يبين وزن |
(نباين أوران الأله مع النكوينات الخياريه. أنَّ
الآلة تحديدًا.) |
| انبعاثات الضوضاء المحمولة جؤا | |
| 85> ديسيبل صوتي |
مستوى ضغط الصوت في المحطة
الأرضية |
| 74> يسيبل صوتي |
مستوى ضىغط الصوت في محطة
المنصبة |
| لها نظام اليد/الذراع 2.5 م/ث 2 . | لا تتجاوز قيمة الاهتزاز الكلية التي يتعرض |
| بارع المرجح الذي يتعرض له الجسم |
أعلى قيمة لجذر متوسط المربع الخاص بالتس
لا تتجاوز 0.5 م/ث 2 . |
| الدفع الرباعي | الحد الأقصى للانحدار، وضع التخزين، طرز |
| 45% 24° | الصعود بعكس اتجاه الوزن |
| 30% 17° | النزول بعكس اتجاه الوزن |
| 25% 14° | الانحدار الجانبي |
| ض وقوة الجر المناسبة. | ملاحظة: يخضع معدل الانحدار لأحوال الأر |
| سرعات القيادة | |
|
4.8 كم/ساعة
12.2 مت/9.1 ث |
سرعة القيادة، في وضع التخزين |
|
1.1 كم/الساعة
12.2 م/40 ث |
سرعة القيادة، أثناء الرفع أو المد |
|
0.6 كم/الساعة
12.2 م/68 ث |
سرعة القيادة، أثناء الرفع والمد |
| معلومات تحميل الأرضية | |
| 9,979 کجم | الحد الأقصىي لحمولة الإطار |
|
5.77 كجم/سم
2
566 كيلو باسكال |
الضغط الناتج عن احتكاك الإطار |
|
2
كجم/م
1,411 كجم/م 13.84 كيلو باسكال |
ضغط الأرضية المستخدمة |
ملاحظة: معلومات حمولة الأرضية تقريبية ولا نشمل التكوينات الخيارية المختلفة. ويجب أن تستخدم فقط مع عوامل السلامة المناسبة.
يعتبر التطوير المتواصل لمنتجاتنا بمثابة السياسة المتبعة لشركة Genie. تخضع مواصفات المنتج للتغيير دون إخطار أو إجبار.
ŕ
ζ
ζ
-
www.genielift.com


































































Loading...