
Product Technical Information
June 23, 2020
Data shown is for the current revision model #. Ensure your nameplate model # matches.
Accessory Connection Diagrams
Performance Characteristics

Model Number:5KS143XAA204D2
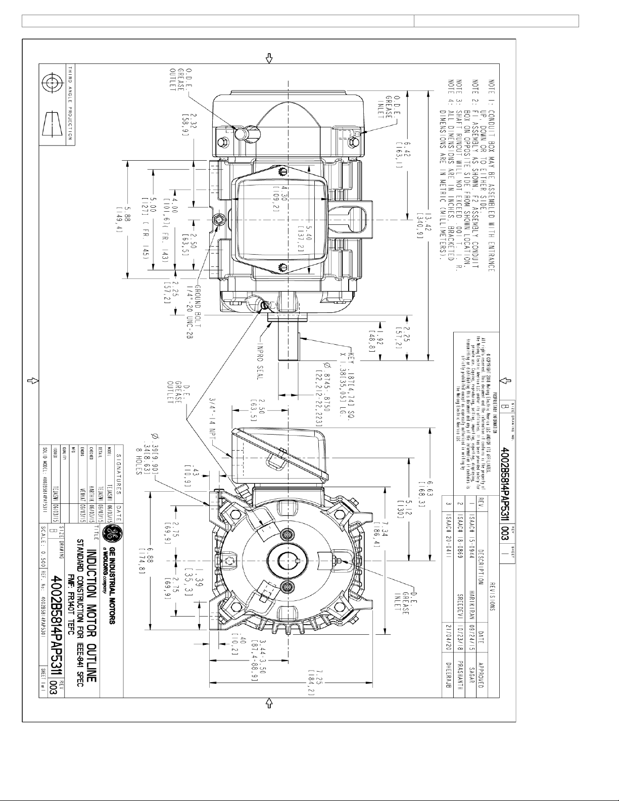
Enclosure is Totally Enclosed Fan-Cooled
Stamped Nameplate Notes:
IEEE-STD-841-2009
DE BRG 25BC02JP30 ODE BRG 25BC02JP30
STAMP NP249A5564P051 AS BELOW:
MODEL:5KS143XAA204D2 S/N: XXX
CSA CERTIFIED CSA09.2216219 FOR EX NA IIC 200 C GC
CL1 ZONE2 AEXNAIIC 200C FOR CL1DIV2 GRP ABCD 200C
IN -25C <= AMB <= 40C, 1.0 SF ON SINE-WAVE PWR
SURF TEMP 200C AT 1.15 SF ON SINE-WAVE PWR
OR 200 C VT OR 200 C CT OR 200 C CHP PWM CONTROL
ALTERNATE RATING FOR PWM CONTROL 1.0 SF 40 C AMB
VT 0-60 HZ, CT 3-60 HZ, CHP 60-90 HZ.
4P - T EXTN
STANDARD FLOOR MOUNT
C/BOX 30 CU IN-0.75 NPT
F1 CONDUIT BOX MOUNTING
PAINTED FRAME ID & SHAFT,
FAN COVER INSIDE & ODE E/S OUTSIDE
ROUTINE AND 5 POINT VIBRATION TESTS INCL IN C/BOX
INPRO SEAL BOTH ENDS
GROUND SCREW ON FRAME
SHAFT RUNOUT LIMIT .001" TIR
COPPER WASHER UNDER HEADS OF BEARING CAP BOLTS
APPLY TITE-SEAL (A50CD427A) ON BEARING CAP SCREWS, RABBETS,
AND PLUG THREADS
OIL RESISTANT SLEEVING ON LEADS

Model Number:5KS143XAA204D2

Model Number:5KS143XAA204D2
Performance Characteristics
1st Winding 1st Connection
This motor is capable of two cold or one hot start with a maximum connected load inertia of 83 Lb-Ft Sq (3.49 Kg-meter
Sq)at 100% voltage, where the load torque varies with the square of the speed. Acceleration time with maximum inertia
and the above load type is 37 seconds. Safe stall time at 100% voltage is 82 seconds cold, 65 seconds hot. Rotor inertia
is 0.08 Lb-Ft Sq (0 Kg-meter Sq).

Model Number: 5KS143XAA204D2

Model Number: 5KS143XAA204D2

Model Number: 5KS143XAA204D2
Conduit & Accessories Box Assembly