
Product Information Packet
April 30, 2019
Data shown is for the current revision model #. Ensure your nameplate model # matches.
Accessory Connection Diagrams
Performance Characteristics

Model Number:5KS182CWL305
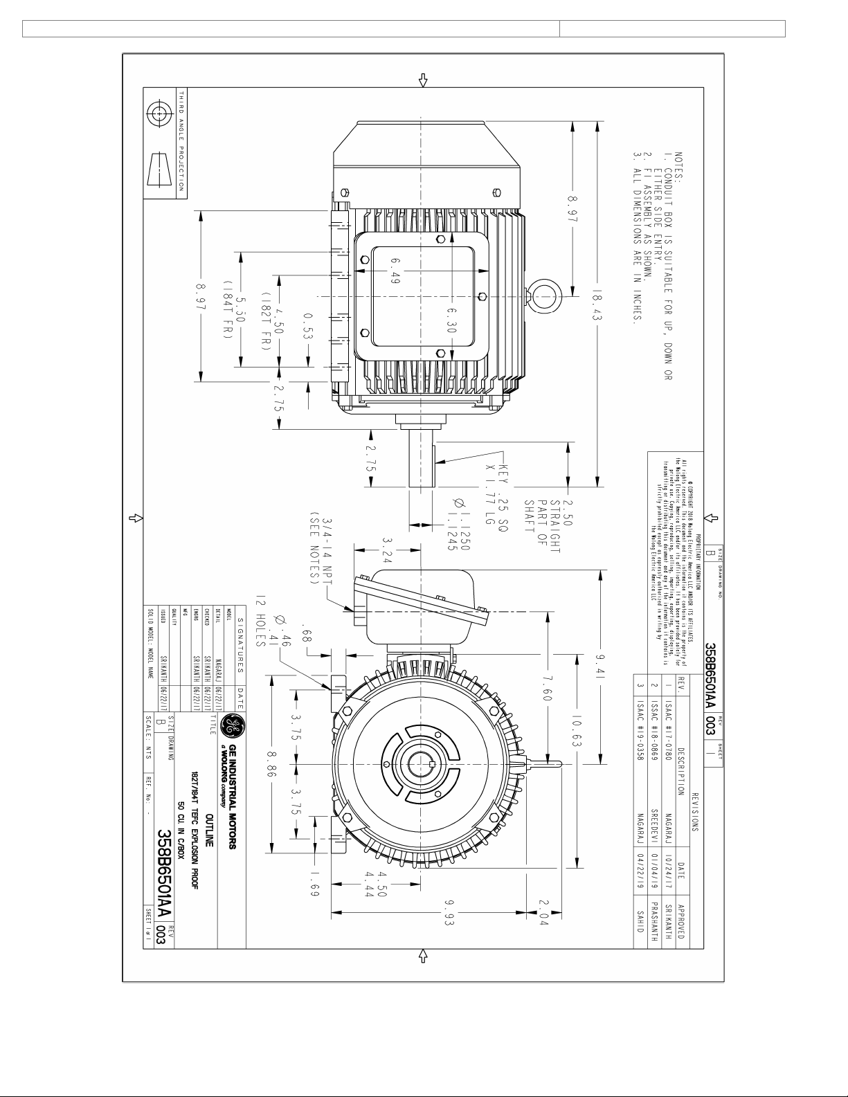
Enclosure is Totally Enclosed Fan-Cooled
Stamped Nameplate Notes:
THERMOSTAT FOR: TRIP 145+/-5 DEG C
THERMOSTAT LEADS: 3 NC TO TERMINATE IN MAIN CB
ROTATION:CCW VIEWED FROM ODE
CLASS /GAS GROUP:CL I GR C and D, CLASS II GR F and G
CBOX SIZE:49.96 CU INCH
INVERTER DUTY PER NEMA MG1 PART 31
INVERTER RATED PWM 10:1 VARIABLE TORQUE, 5:1 CONSTANT TORQUE, 1.0 SF
UL CERTIFICATION SUITABLE FOR INSTALLATION IN –
- THE UNITED STATES, NIGERIA AND KUWAIT

Model Number:5KS182CWL305
Performance Characteristic:
Other Useful Information for Application:
Rotor Inertia: Lb-Ft2 (Kg-m2):
Max load inertia: Lb-Ft2 (Kg-m2):
Square Torque/Speed Characteristic
Number of starts per hour:
Acceleration Time with maximum inertia (sec):
Safe stall time (sec): Cold/Hot
182T, 6P, 1.5HP/1.1kW, 460V, 60Hz
Current vs Slip Curve and Torque vs Slip Curve
0
2
4
6
8
10
12
14
16
18
20
22
24
26
00.20.40.60.81
0
2
4
6
8
10
12
14
16
18
20
22
24
26

Model Number: 5KS182CWL305

Model Number: 5KS182CWL305