
APPLICATION:
JOB NAME:
ITEM NO.:QUANTITY:
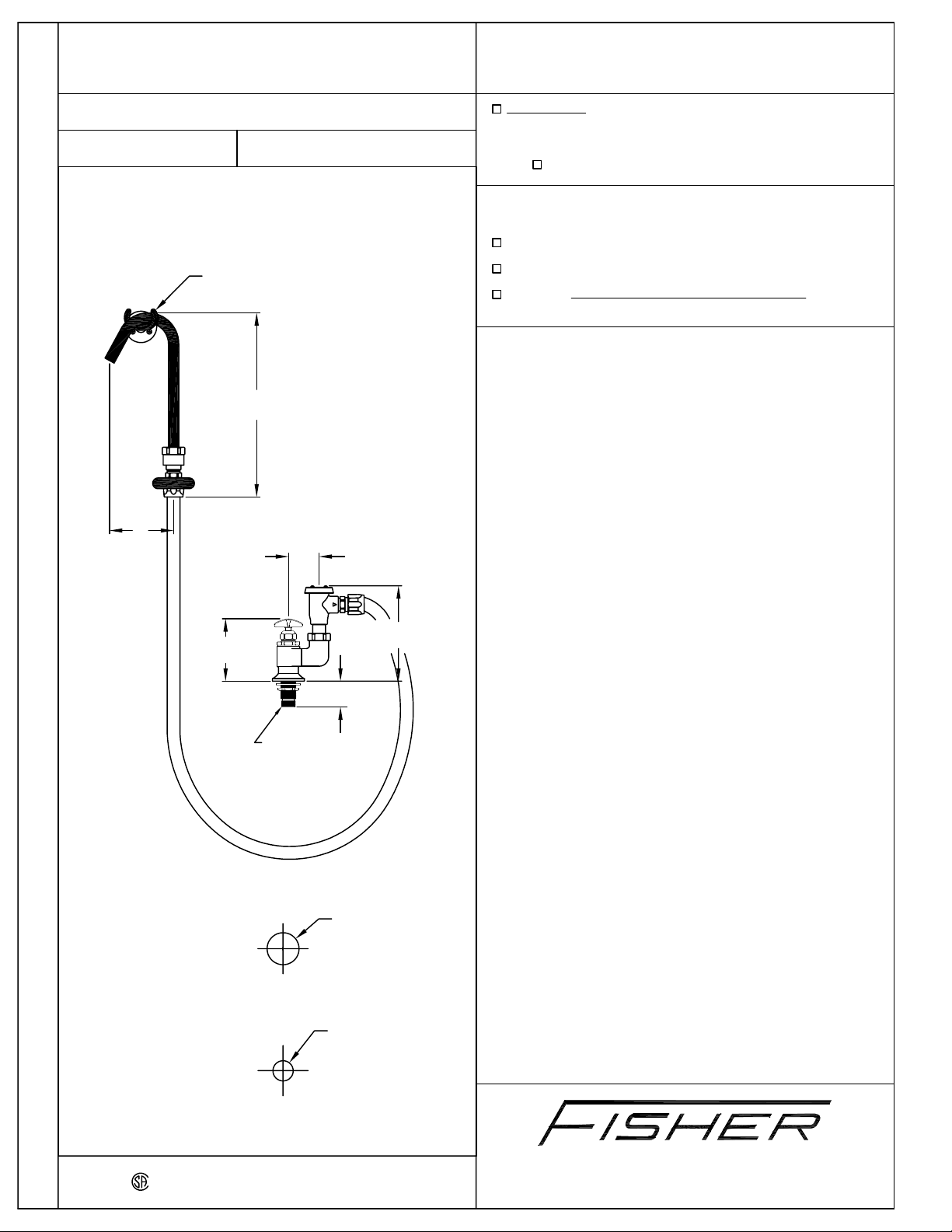
WALL HOOK
14-3/8"
[365.1mm]
PRODUCT NAME:
SINGLE DECK 3/4" POT FILLER
WITH VACUUM BREAKER
SPECIAL CONFIGURATION
MODEL:
OPTIONS OR MODIFICATIONS:
VANDAL RESISTANT KIT
HANDLES (LEVER OR WRIST) CIRCLE STYLE
OTHER
FEATURES:
CONTROL VALVE
* SINGLE DECK MOUNT
* STEM - LEFT HAND
* HOT & COLD INDEX BUTTONS
* SWIVELING SEAT DISKS
* STAINLESS STEEL SEATS
* STAINLESS STEEL SEAT SCREWS
* STAINLESS STEEL HANDLE SCREWS
(CHECK BASE MODEL AND OPTIONS)
5040
SPEC. 5040 REV. C
5"
[127.0mm]
FOOTPRINT
2-1/2"
[63.5mm]
5"
[127mm]
3/4" NPT
MALE
1-7/8"
[47.6mm]
Ø2-1/2"
[63.5mm]
7-1/2"
[190.5mm]
HOSE
* 72" LG. HEAT MASTER FDA NITRILE/ARAMID
* NSF-51 (100 PSI W.P. AT 300°F) CONSTANT
* RENEWABLE END FITTINGS & BUMPER
* INLET - 360° SWIVEL VACUUM BREAKER
* OUTLET - 360° SWIVEL SPOUT WITH VINYL FINISH
* 360° SWIVEL GOOSENECK
* NON-MARRING GOOSENECK
* 360° SWIVEL ATMOSPHERIC VACUUM BREAKER
SYSTEM LIMITS
* TEMP: 40°F MIN. TO 140°F MAX.
* PRESSURE. 200 PSI MAX. STATIC
* 29 GPM AT 80 PSI
SHIPPING WEIGHT
* 11.0 LBS
ROUGH-IN:
Ø1-5/8"
[40.2mm]
ANSI/A112.18.1M, ANSI/NSF 61.9
FISHER MANUFACTURING COMPANY
TOLL FREE: 800-421-6162 - FAX: 800-832-8238
information@fisher-mfg.com - www.fisher-mfg.com