 
   
     
   
     
   
使用说明书
     
   
According to The Low Voltage Directive 2006/95/EC, entering into force 16 January 2007 The EMC Directive 2004/108/EC, entering into force 20 July 2007
Type of equipment Welding power source
Type designation etc. LAF 1001, LAF 1001M, from serial number 935 xxx xxxx (2009 w.35)
Brand name or trade mark ESAB
Manufacturer or his authorised representative established within the EEA Name, address, telephone No, telefax No: ESAB AB
Esabvägen, SE-695 81 LAXÅ, Sweden Phone: +46 584 81 000, Fax: +46 584 411 924
The following harmonised standard in force within the EEA has been used in the design: EN 60974-1, Arc welding equipment – Part 1: Welding power sources EN 60974-10, Arc welding equipment – Part 10: Electromagnetic compatibility (EMC) requirements
Additional information: Restrictive use, Class A equipment, intended for use in locations other than residential
By signing this document, the undersigned declares as manufacturer, or the manufacturer's authorised representative established within the EEA, that the equipment in question complies with the safety requirements stated above.
Date Laxå 2009-09-15
Tintal
Position Global Director Equipment and Automation
| 1 | 安全 | ÷ | ÷ | ÷ | ÷ | .4 | |||||||||||||||||||||||||||||||
|---|---|---|---|---|---|---|---|---|---|---|---|---|---|---|---|---|---|---|---|---|---|---|---|---|---|---|---|---|---|---|---|---|---|---|---|---|---|
| 2 | 引言 | ÷ | ÷ | ÷ | ÷ | .6 | |||||||||||||||||||||||||||||||
| 2.1 | 概述 | ÷ | 6 | ||||||||||||||||||||||||||||||||||
| 2.2 | 技术数 | 数据 | 6 | ||||||||||||||||||||||||||||||||||
| 3 | 安装 | ÷ | ÷ | ÷ | ÷ | .7 | |||||||||||||||||||||||||||||||
| 3.1 | 概述 | ÷ | 7 | ||||||||||||||||||||||||||||||||||
| 3.2 | 地点 | ÷ | 7 | ||||||||||||||||||||||||||||||||||
| 3.3 | 接头 | • | • | • • | • • | • | • • | • | • • | • | • | • • | • | • • | • • | • • | • • | ÷ | • • | • • | • • | 8 | |||||||||||||||
| 4 | 操作 | ÷ | 2. | ÷ | ÷ | ÷ | .9 | ||||||||||||||||||||||||||||||
| 4.1 | 概述 | ÷ | 9 | ||||||||||||||||||||||||||||||||||
| 4.2 | 控制 | • | • | • • | • | • | • • | • | • | • • | • • | • • | • • | ÷ | • • | • • | 9 | ||||||||||||||||||||
| 5 | 维护 | ÷ | ÷ | ÷ | ÷ | 1 | .0 | ||||||||||||||||||||||||||||||
| 5.1 | 概述 | ÷ | ' | 10 | |||||||||||||||||||||||||||||||||
| 5.2 | 清洁 | ÷ | ' | 10 | |||||||||||||||||||||||||||||||||
| 5. | 2.1 | 焊 | 倿目 | 1.源 | ί. | • • | • • | • • | • • | • • | • • | • • | • • | • • | • • | • • | • • | • • | • • | • • | • • | • • | • • | • • | • • | . 1 | 0 | ||||||||||
| 5. | 2.2 | 接 | 触者 | F . | • • | • | • | • • | • • | • • | • • | • • | • • | • • | • • | • • | • • | • • | • • | • • | • • | • • | • • | • • | • • | ÷ | • • | • | • | ••• | • • | • • | • • | • • | . 1 | 0 | |
| 6 | 配件 | 订购。 | ÷ | ÷ | ÷ | .1 | 0 | ||||||||||||||||||||||||||||||
| 冬 | ÷ | ÷ | . 1 | 2 | |||||||||||||||||||||||||||||||||
| 连: | 接说即 | 1 | 6 | ||||||||||||||||||||||||||||||||||
| ح د، | ᇮᅇᄬ | 1 | 1 | 1 | 1 | ÷. | 1 | 1 | 1 | 1 | 1 | 1 | 1 | 1 | 1 | Ċ, | ī. | 1 | 1 | 1 | |||||||||||||||||
| บ! | 购编号 |  | • | • • | • • | • • | • • | • | ÷ | • • | • • | ÷ | • • | ÷ | • • | • • | • | • • | • • | ÷ | • • | ÷ | • • | • | ÷ | • • | ÷ | • • | ÷. | • • | ÷ | • • | .1 | .8 | 
使用 ESAB
设备用户应最终负责确保操作本设备的任何人以及靠近该设备的人员都应遵守所有相关的安全预防措施。 安全预防措施必须符合适用于此设备类型的所有要求。 除遵守适用于工作场所的标准规章以外,还应遵守以下建议。 必须由经过培训,且非常熟悉设备操作的人员进行所有工作。
设备操作不当可能会引起危险,而对操作员造成伤害,并损坏设备。
1. 使用本焊接设备的任何人必须熟知以下几点:
小心」
本产品仅用于电弧焊。
     
   
由于存在传导十犹以及辐射十扰,在这些地点 类设备的电磁兼容性会有潜在困难。
🏠 小心!
在安装或操作前,请阅读并理解本使用说明书。
     
   
废旧电子设备请运往回收站进行处理! 依据《废旧电气和电子设备 2002/96/EC 号欧盟指令》以及相关国家的法律,达到使用寿命的电气和/或电子设备必须在回收站进行处理。 作为负责处理设备的人员,获取经过批准的回收站的信息是您的责任。 有关更多信息,请联系最近的 ESAB 经销商。
ESAB 能为您提供所有必需的焊接保护和配件。
     
   
LAF 1001/ LAF 1001M 是远程控制 3 相焊接电源设备, 旨在实现高效机械式气体保护金属极电弧焊 (MIG/MAG) 或埋弧焊 (SAW)。 它们可与 ESAB 控制箱 A2 焊接控制箱 (PEI) 配合使用。
此焊接电源采用风扇冷却,并采用热熔断流器监控机器的运行,以防止电路过载。 一旦热熔断流器部署就绪,前面板的黄色灯会自动亮起。 当温度降至允许水平时,此指示灯会自动复位。
| LAF TUUT | LAF TOUTIN | 
|---|---|
| 400/415/500 V, 3∼50 Hz | 230/400/415/500 V, 3~50 Hz | 
| 400/440/550 V, 3~60 Hz | 230/400/440/550 V, 3~60 Hz | 
| I max 80 A | I max 138 A | 
| 800 A/44 V | 800 A/44 V | 
| 1000 A/44 V | 1000 A/44 V | 
| 100-1000 A /24-44 V | 100-1000 A /24-44 V | 
| 100-1000 A /19-44 V | 100-1000 A /19-44 V | 
| 53 V | 53 V | 
| 130 W | 130 W | 
| 88% | 88% | 
| 0,92 | 0,92 | 
| 330 kg | 330 kg | 
| 646 x 552 x 1090 | 646 x 552 x 1090 | 
| н | н | 
| IP 23 | IP 23 | 
| S | S | 
| 400/415/500 V, 3~50 Hz 400/440/550 V, 3~60 Hz I max 80 A 800 A/44 V 100-1000 A /24-44 V 100-1000 A /19-44 V 53 V 130 W 88% 0,92 330 kg 646 x 552 x 1090 H IP 23 S | 
IP 代码指示密封等级,即防止固体物体进入或水渗透的防护程度。 带 IP23 标记的设备在室内和户外均可使用。
占空比是指在没有过载的某一负荷下,在十分钟内可进行焊接的时间百分比 占空比适用于 40°C。
     
   
必须由专业人员进行安装。
主电源要求
由于主电流由主电源提供,因此,高能耗设备可能会影响电网的电力质量。 因此,在接入公共电网的交接点处有关允许的最大主阻抗或必需的最小供电量的连接限制或要求, 可能适用于部分设备类型(请参阅技术数据)。 这种情况下,由安装者或用户负责确保设备可以进行连接,必要时,请咨询配电网络操作员。
3.2 地点
固定本设备,尤其是在不平或倾斜的表面上使用时。
     
   
电源接头
| LAF 1001 | 50 Hz | 60 Hz | |||||||
|---|---|---|---|---|---|---|---|---|---|
| 电压 (V) | 400 | 415 | 500 | 400 | 440 | 550 | |||
| 相电流 I 1eff (A) | 64 | 64 | 52 | 64 | 64 | 52 | |||
| 电缆横截面积 (mm 2) | 4 x 16 | 4 x 16 | 4 x 16 | 4 x 16 | 4 x 16 | 4 x 16 | |||
| 保险丝(延时型)(A) | 63 | 63 | 63 | 63 | 63 | 63 | |||
| LAF 1001M | 50 | Hz | 60 Hz | |||||||
|---|---|---|---|---|---|---|---|---|---|---|
| 电压 (V) | 230 | 400 | 415 | 500 | 230 | 400 | 440 | 550 | ||
| 相电流 I 1eff (A) | 111 | 64 | 64 | 52 | 111 | 64 | 64 | 52 | ||
| 电缆横截面积 (mm 2) | 4x50 | 4 x 16 | 4 x 16 | 4 x 16 | 4x50 | 4 x 16 | 4 x 16 | 4 x 16 | ||
| 保险丝(延时型)(A) | 125 | 63 | 63 | 63 | 125 | 63 | 63 | 63 | ||
注意:
以上所示主电缆横截面积和保险丝尺寸符合瑞典法规。 可能不适用于其他国家或地区: 确保电缆面积和保险丝尺寸符合相关国家或地区的法规。
     
   
     
   
请在以下页面找到处置本设备的通用安全法规:页 4。 请在开始使用本设备之前进行通读!
注意! 切勿不带侧面板使用本焊接电源设备。
注意! 电源必需设置为模拟模式以使用 PEI 控制装置。
4.2 控制
前面板包括:
     
   
| 1. | Q | 主断路器,用于切换焊接电源之电源电压和风扇的开关。 | 
|---|---|---|
| • 位置"1"代表开启 | ||
| • 位置"0"代表关闭 | ||
| 2. | • 主开关开启时,指示灯(白色)会亮起。 | |
| 3. | Û | 电源过热指示灯(黄色) | 
| J | • 当热熔断流器部署就绪时,指示灯会因焊接电源温度过高而自动 | |
| 一 | ||
| • 当焊接电源的温度降至 允许水平时,指示灯会自动熄灭。 | ||
| 4. | 按钮用于重设 42 V 电源电压的自动保险丝 FU2。 | |
     
   
注意:
如果客户在保修期内试图自行纠正焊接电源的任何故障,则供应商的所有保修承诺均不再适用。
     
   
根据需要清洁焊接电源。 建议使用干燥的压缩空气进行清洁。
5.2.2 接触器
螫生∣
______________________________________
注意: 为确保接触器的可靠运行,磁性零件必须保持清洁。 如果必须清理接触器,必须先将其拆卸,然后清洁所有零部件。 或者,还可以更换接触器。
LAF 1001 / LAF 1001M 是根据国际和欧洲标准 60974-1 和 60974-10. 进行设计和测试的。 确保本产品仍然符合所述标准,是已经提供服务或进行维修工作的服务单位的责任。
可以通过就近的 ESAB 经销商订购备件,请参阅本出版物的最后一页。
notes
     
   
- 12 -
bb04e
     
   
     
   
     
   
     
   
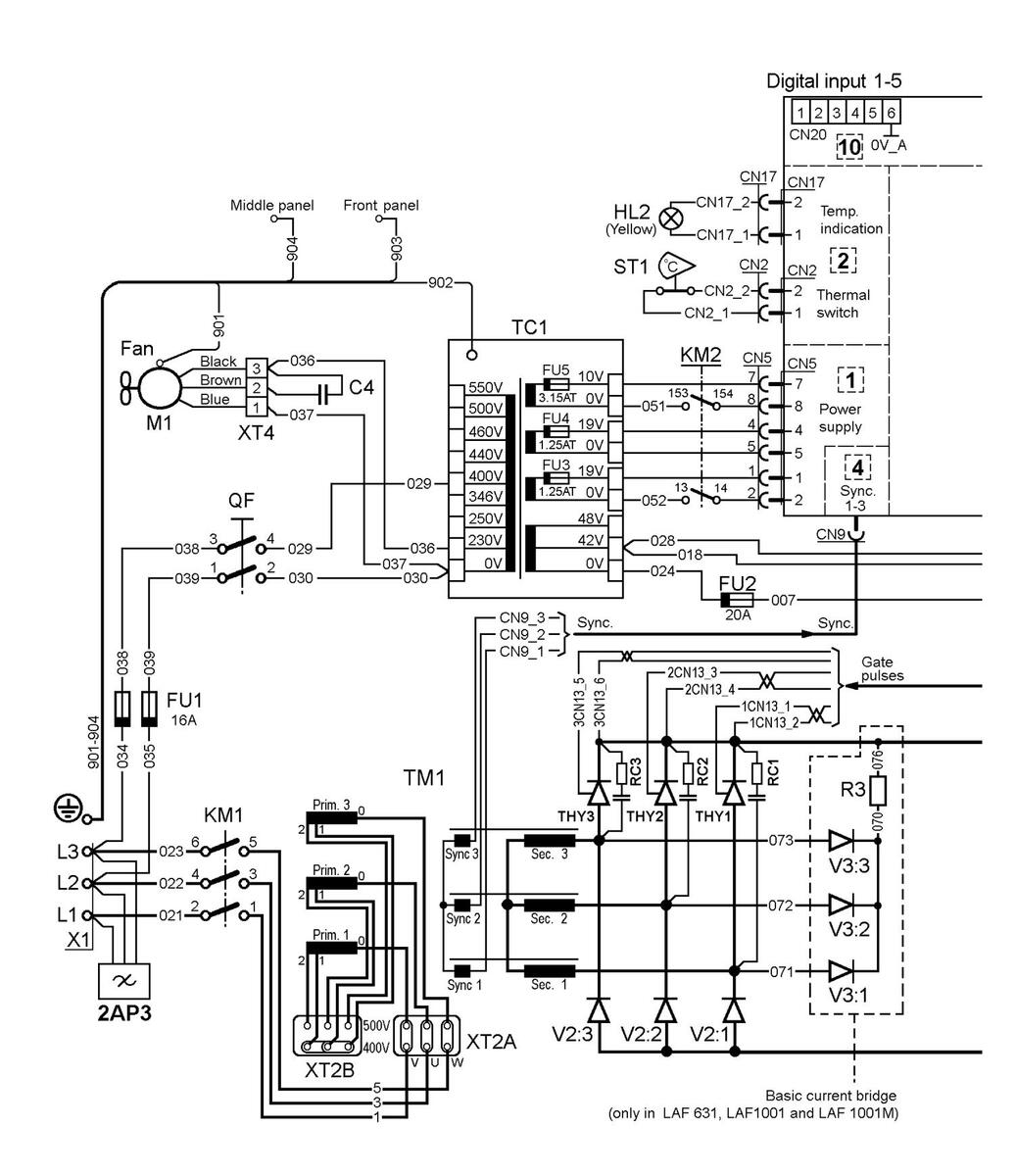
连接说明
     
   
     
   
| Ordering no. | Denomination | Туре | 
|---|---|---|
| 0460 513 880 | Welding power source | LAF 1001 | 
| 0460 513 881 | Welding power source | LAF 1001M | 
| 0459 839 057 | Spare parts list | LAF 1001 / LAF 1001M | 
Technical documentation is available on the Internet at www.esab.com
notes
AUSTRIA ESAB Ges.m.b.H Vienna-Liesing Tel: +43 1 888 25 11 Fax: +43 1 888 25 11 85
BELGIUM S.A. ESAB N.V. Brussels Tel: +32 2 745 11 00 Fax: +32 2 745 11 28
BULGARIA ESAB Kft Representative Office Sofia Tel/Fax: +359 2 974 42 88
THE CZECH REPUBLIC ESAB VAMBERK s.r.o. Vamberk Tel: +420 2 819 40 885 Fax: +420 2 819 40 120
DENMARK Aktieselskabet ESAB Herlev Tel: +45 36 30 01 11 Fax: +45 36 30 40 03
FINLAND ESAB Oy Helsinki Tel: +358 9 547 761 Fax: +358 9 547 77 71
FRANCE ESAB France S.A. Cergy Pontoise Tel: +33 1 30 75 55 00 Fax: +33 1 30 75 55 24
GERMANY ESAB GmbH Solingen Tel: +49 212 298 0 Fax: +49 212 298 218
GREAT BRITAIN ESAB Group (UK) Ltd Waltham Cross Tel: +44 1992 76 85 15 Fax: +44 1992 71 58 03
ESAB Automation Ltd Andover Tel: +44 1264 33 22 33 Fax: +44 1264 33 20 74
HUNGARY ESAB Kft Budapest Tel: +36 1 20 44 182 Fax: +36 1 20 44 186
ITALY ESAB Saldatura S.p.A. Bareggio (Mi) Tel: +39 02 97 96 8.1 Fax: +39 02 97 96 87 01
THE NETHERLANDS ESAB Nederland B.V. Amersfoort Tel: +31 33 422 35 55 Fax: +31 33 422 35 44
NORWAY AS ESAB Larvik Tel: +47 33 12 10 00 Fax: +47 33 11 52 03
POLAND ESAB Sp.zo.o. Katowice Tel: +48 32 351 11 00 Fax: +48 32 351 11 20
PORTUGAL ESAB Lda Lisbon Tel: +351 8 310 960 Fax: +351 1 859 1277
ROMANIA ESAB Romania Trading SRL Bucharest Tel: +40 316 900 600 Fax: +40 316 900 601
RUSSIA LLC ESAB Moscow Tel: +7 (495) 663 20 08 Fax: +7 (495) 663 20 09
SLOVAKIA ESAB Slovakia s.r.o. Bratislava Tel: +421 7 44 88 24 26 Fax: +421 7 44 88 87 41
SPAIN ESAB Ibérica S.A. Alcalá de Henares (MADRID) Tel: +34 91 878 3600 Fax: +34 91 802 3461
SWEDEN ESAB Sverige AB Gothenburg Tel: +46 31 50 95 00 Fax: +46 31 50 92 22
ESAB international AB Gothenburg Tel: +46 31 50 90 00 Eax: +46 31 50 93 60
SWITZERLAND ESAB AG Dietikon Tel: +41 1 741 25 25
UKRAINE ESAB Ukraine LLC Kiev Tel: +38 (044) 501 23 24
Tel: +38 (044) 501 23 24 Fax: +38 (044) 575 21 88
ARGENTINA CONARCO Buenos Aires Tel: +54 11 4 753 4039 Fax: +54 11 4 753 6313
BRAZIL ESAB S.A. Contagem-MG Tel: +55 31 2191 4333 Fax: +55 31 2191 4440
CANADA ESAB Group Canada Inc. Missisauga, Ontario Tel: +1 905 670 02 20 Fax: +1 905 670 48 79
MEXICO ESAB Mexico S.A. Monterrey Tel: +52 8 350 5959 Fax: +52 8 350 7554
USA ESAB Welding & Cutting Products Florence, SC Tel: +1 843 669 44 11 Fax: +1 843 664 57 48
Asia/Pacific
ESAB South Pacific Archerfield BC QLD 4108 Tel: +61 1300 372 228 Fax: +61 7 3711 2328
CHINA Shanghai ESAB A/P Shanghai Tel: +86 21 2326 3000 Fax: +86 21 6566 6622
INDIA ESAB India Ltd Calcutta Tel: +91 33 478 45 17 Fax: +91 33 468 18 80
INDONESIA P.T. ESABindo Pratama Jakarta Tel: +62 21 460 0188 Fax: +62 21 461 2929
JAPAN ESAB Japan Tokyo Tel: +81 45 670 7073 Fax: +81 45 670 7001
MALAYSIA ESAB (Malaysia) Snd Bhd USJ Tel: +603 8023 7835 Fax: +603 8023 0225
SINGAPORE ESAB Asia/Pacific Pte Ltd Singapore Tel: +65 6861 43 22 Fax: +65 6861 31 95
SOUTH KOREA ESAB SeAH Corpora
Kyungnam Tel: +82 55 269 8170 Fax: +82 55 289 8864
UNITED ARAB EMIRATES ESAB Middle East FZE Dubai Tel: +971 4 887 21 11 Fax: +971 4 887 22 63
Africa
EGYPT ESAB Egypt Dokki-Cairo Tel: +20 2 390 96 69 Fax: +20 2 393 32 13
SOUTH AFRICA ESAB Africa Welding & Cutting Ltd Durbanvill 7570 - Cape Town Tel: +27 (0)21 975 8924
Distributors
For addresses and phone numbers to our distributors in other countries, please visit our home page
www.esab.com
     
   
www.esab.com




















 Loading...
 Loading...