Page 1

ASZNALATIUTAS[TAS
TYPE
sZ~L~ssAvO
1589-U-52
TR-4722
ELOEROsiTO
.
EelS
Page 2

..
-
SZEt.ESSAVU
e.G
1589--U-52
ElOEROSITO
Page 3

Gy6rtjo:
ELEKTROHII<US
11631'
Tf.:!efoo:
forgo/ambo
MIGERT
Budapesi.
837--950 r(,;
ho.!
Z~l~
Page 4

*
TARTALOMJEGYZEK
A
1.
2.
3.
4.
5.
6.
7.
8.
9.
10.
KESZULEK
MUS
ZAKI
MUKomi:sI
ELOZETES
4.1-
4.2.
Kicsomagolasi
Uzembehelyezes
HASZNALATI
5.1-
5
5.3.
5.4.
Biztonsagi
Az
..
2.
Uzembehelyezes,
A
RESZLETES
6.1-
6.2.
6.3.
6.4.
6.5.
6.6.
A
Bemeneti
CHI
Foldelt
CH2
Kimeneti
Elektronkapcsolo
KESZULEK
HITELESITES
8.1.
8.2.
8.3.
Altalanos
A
Hitelesit~s
KARBANTARTAS
9.1-
9.2.
Karbantartas
Hibaelharitas
RAKTAROZASI
ME
LLEKLETEK
RENDELTETESE
ADATOK
ELV
•••••••••••••••••••••••••••••••••••••••••••••
. .
UTMUTATASOK
UTASITAS
intezkedesek
egyseg
hasznalatra
kezeloszerveinek
MUSZAKI
ara.rnkor
bemeneti
bazisu
bemeneti
er6sit6
MECHANIKAI
................................................ 24
utmutatasok
hitelesiteshez
•••••••••••••••••••••••••••••••••••••••••••
ES
HIBAELBARITAS
ES
SZALLITASI
ES
ALKALMAZASI
TERULETE
•••••••••••••••••••••••••••••••••••••••
utmutatas
elokeszitese
•••••••••••••••••••••••••••••••
...........................
........................................
•••••••••••••••••••••••••••••••
ismertetese
e16zetes
vonatkozo
LEIRAS
er6sit6
kapcsolo
er5sit6
...................................
••••••••••••••••••••••••••••••••••••••
••••••••••••••••••••••••••••••••••••••
•••••••••••••••••••••••••••••••••••.••
FEI,EPITESE
szlikseges
beallitas
altalanos
••••••••••••••••••••••••••••••••••
aramkor
•••••••••••••••••••••.••••••••••••
tudnivalok
•••••••••••••••••••••••
•••••••••••••••••••••••••••
•••••••••••••••••••••••••••••••••
mliszerek
••••••••••••••••
••••••••••••••••••••
••••••••••
•••••••••••••••••••
..............................
••••••••••••••••••••••••••••••••••••••••••
.........................................
FELTETELEK
•••••••••••••••••••••.
Oldal
3
4
6
8
8
8
9
9
9
10
12
17
17
17
18
19
19
19
23
24
24
25
35
35
35
42
U-52
1
Page 5

1.
A
KESZULEK
Az
EMG-1589-U-52
pusu
eloerosito.
lyezni.
galhatjuk
egytitt
kis.
Az
tizemmodban
dig
kozett
let
megforditjuk
A
meneti
A
saban
nagyfrekvencias
Az
Alkalmazasaval
elonyosen.
0-100
jelek
MHz. A kesztilek
vizsgalatat
elektronkapcsolo
mtikodhet.
nagyfrekvencias
van
meg
osszeadhatunk.
az
kesztilek
bemenete
ellenallasa
DC
bemenet
az
mellett
erosito
azaz a bemenet
sztiltsegti
anelktil,
A
kesztilek
maximalisan
ill
erzekenysege
ronizacio
mereseknel
hogy a merendo
helyes
2000-szeres
celjara
szinkronerositovel
csatornajelbol,
csatorna
jelet
a.
Az
csoljuk.
bemenoje1et
ket
celra
erzekenyseg
Ekkor a CH2
netre.
b.
CHOPPED
A
kesztilekhez
hetove
allasban
teszi,
RENDELTETESE
elektronkapcsolos
oszcilloszkoppal
eloerositot
ket
Az
oszcilloszkop
is.
Chopped
Az
elobbi
jelek
az
algebrailag
Ha
az
ADDED
eloerosito
nagyimpedanciaju,
es
bemeneti
AC
valamint
bemenetet
szabadda
valik.
megallapithatjuk
objektumrol
jelalakatvitelre
1eosztas
kalibralt,
az
eloerosito
rende1kezik.
vagy a masodik
a
CH2
lehet
felhasznalni:
novelesere
OUT
szinkronje1kent
kiskapacitasu
hogy
aramkorok
ES
ALKALMAZASI
TERULETE
ketsugaras
egytitt
a
kesztilek
jel
egymashoz
baloldali
kepesti
savszelessege
nagy
Mindket
(szaggatott)
erzekenysege
csatornan
vagy
alacsonyfrekvencias
vizsgalatara
osszegezo
tizemmodban
alkalmas.
(ADDED)
az
differencialerositokent
(1
Mohm
kapacitasa
GND
allas
minden
lefoldelhetjtik,
Ezzel a kapcsoloellenallassal
a
zerus
le
kellene
beallitott
eszkozolheto.
igy
vele
pontos
belsoszinkron
A
csatorna
OUT
erosito
olymodon,
erosito
belso
szinkronizaciot
jelebol
is
fe1erositi.
hogy a ket
kimenetet
hasznaljuk
1:10
osztasu
kismer~tti
merofej
alkatreszein
eloerosito
hasznalhato,
az
szelessavu
tartoreszebe
fazisviszonyait
az
eloerositovel
(10
polaritas
Alternate
A
tizemmod,
egyik
mV/cm)
jelek,
mtikodesi
csatorna
lehetove
valtas
(valtakozo)
az
mellyel
mtikodik.
25
pF).
Az
eloerosito
osztoallasban
is
van. A kapcsolo
mikozben a merendo
egyenfesztiltsegti
vennlink a merokabelt.
osztot
Az
meresek
tartalmaz,
erosito
vegezhetok.
erositese,
kicsato1assa1
vagy a kozos
vegezhetjtik.
Ezt a felerositett
erositot
rakapcsoljuk
a
CH2
OUT
kaszkadkapa
kimenojelet.
hasznalhato,
mereseket
EMG-1555
kell
behe-
vizs-
teszi
lehetseges.
utobbi
pe-
tizemmodok
ket
polaritasat
allando.
GND
alla-
objektum
egyenfe-
szintet
mel1yel
A
szink-
ill.
A
masodik
CHl
amely
belso
beme-
1e-
vegezzlink.
ti-
je-
be-
U-52
3
Page 6

2.
MUSZAKI
Az
alabbi
-1589-U-52)
KOP
(EMG-1555)
ADATOK
mliszaki
vonatkoznak~
adatok
mliszaki
a
dugaszolhato
de
termeszetesen
adatait
is
figyelembe
fliggaleges
a
NAGYFREKVENCIAS
kell
easita
venni.
egysegre
OSZCILLOSZ-
(EMG-
FUggaleges
(EMG-1555
Bemeneti
Bemeneti
Frekveneia
Linearis
erasit6
keszlilekkel)
esatlakozas:
impedaneia:
hatarok:
torzitas:
Alaesonyfrekveneias
allasban:
Polaritas:
Erzekenyseg:
Bemeneti
Bemeneti
A
folyamatos
esillapit~
esillapito
erasites
atfogasa:
Bemeneti
Felfutasi
feszliltseg:
ida:
Mlikodesi modok:
Belsa
CH2
Belsa
inditasi
OUTPUT
kesleltetes:
modok:
erasit6:
savhatar
AC
fokozatai:
pontossaga:
szabalyozas
DC,
AC
vagy
1
Mox-un
°-
max.
100
-3
II
25 pF
MHz
dB
vonatkoztatva,
merve
2
Hz
(-3
dB)
NORM
0,01
vagy
V/em - 20 V/em
(11
fokozatban
INVERT
0,01; 0,02;
1;
2;
5;
10;
~
2 %
kb.
1:
2,5
max.
3,5
CHI,
500
ns
(szamitott
CH2,
V
es-es
valtakoz6(ALTERNATE)
szaggatott
osszegzett
NORM,
Kimeneti
az
CH2
ernyan
ONLY
feszliltseg:
merve,
Savszelesseg:
esatorna
Csatolas:
Kimeneti
180
ns
kaszkad
DC
ellenallas:
GND
(100
MHz-en)
40 mm-es
atkapesolhato)
0,05;
0,1;
20 V/em
ertek)
(CHOPPED),
(ADDED)
lezaratlanul
20
MHz,
van
100
jellel
0,2;
algebrailag
~
100
mY/em
ha a ket
kapesolva
kb.
100
kHz-re
0,5;
ohm
4
U-52
Page 7

t>
EGYEB
ADATOK
Meretek:
Suly:
Csatlakozok:
Klimaadatok
Referencia
Homerseklettartomany:
Paratartalom:
Legnyomas:
Uzemi
Homerseklettartomany:
Paratartalom:
Legnyomas:
Szallitasi
H6merseklettartomany:
Paratartalom:
L€gnyomas:
klimaadatok:
klimaadatok:
es
raktarozasi
TARTOZEKOK
klimaadatok:
120 x 160
kb.
2,5
BNC
rendszerUek
+15°C _ +350 C
45 - 75
860 - 1060
+5 0 C _ +40°C
max. 85
860 - 1060
-25°C - +55°C
max. 98
860 -
kg
%
%
%
1060
x 320
mE
mb
mb
rom
"A"
tartozek
Hasznalati
"D"
tartozek
az
ar
10252 50 ohmos
"ENC"
1396-5
Kiskapacitasu
bellel
masik
(a
(a
killon
dugoval
es
vegen
keszillek
utasitas
keszillekkel
felszamitasa
kabel
beepitett
merofej
"BNC"
(20
csatlakozo
araban
em)
kompenzalassal,
bennfoglalt)
eg;yiitt
mellett)
mindket
1:10
1
rendelend6,
1 db
osztasu
cugoval
2
db
vegen
ka-
db
U-52
5
Page 8

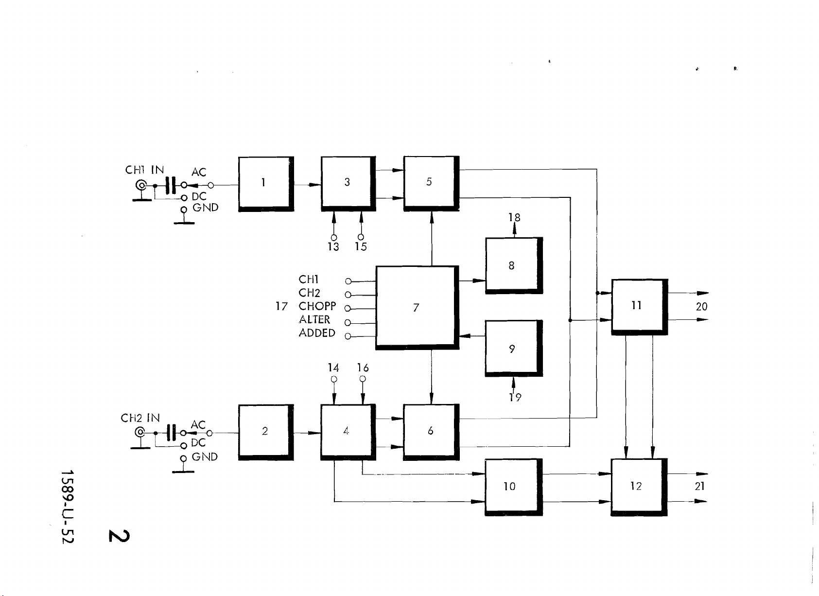
3.
MUKODESI
ELV
(Rovid
A
tombvazlat
A
kesztilek
1.
3.
4.
5. -6.
7.
8.
9.
10.
11.
12.
13. -14.
15. -16.
17.
18.
19.
20.
21.
-
2.
ismertetes
a
2.
villamos
Bemeneti
CHl
bemeneti
CH2
bemeneti
Diodas
a
abran
felepitese
aramkor
kapuaramkor
Elektronkapcsolo
Kiolto
Szinkron
CH2
Kimeneti
Trigger
F~ggoleges
impulzus
impulzus
trigger
erosito
erosito
Polaritast
Uzemmodkapcsolo
"Z"
erosit6hoz
Idoelterito
Keslelteto
Idoelterito
tombvazlat
lathato.
erosito
erosito
CHOPPED
erosito
erosito
pozicio
valto
kapcsolo
egysegbol
vonalhoz
egyseghez
alapjan)
szempontjabol
tizemmodban
valtoztatas
jovo
tobbsugaras
a
kovetkez6ket
szinkron
tartalmazza:
impulzus
A
kesztilek
CHl
a
lon
A
IN
kereszttil
bemeneti
vizsgalatat
sit6kre
terek
jelle
(13,14)
alakitja,
tenik.
tolas
polaritasa
kereszttil
mtikodese a
vagy
osztok
teszik
(3',4).
A
PULL
kozott
valtozatlan.
jut a kimeneti
elektronkapcsolo
val
(17)
a
kimeneti
1.
6
vezereljtik,
erosito
MODE
az
kapcsolo
erositore.
tombvazlat
CH2
IN
feliratu
jut a megfelelo
(VOLTS/CM
lehetove.
A
felerositett
vegzik.
a
TO
INVERT
van
A
bemeneti
poziciotolas
kapcsolo
elhelyezve,
A
bemeneti
erositore
(7)
vezerli.
es a kovetkezo
(11)
CHl
fele:
allasaban:
alapjan
bemeneti
bemeneti
feliratu
A
leosztott
jel
erosito
ftiggoleges
a
kovetkezo:
csatlakozorol
osztora
kapcsolok)
jelek
a
bejovo
poziciotolasat
tUlajdonkeppen
(15,16)
a
bemeneti
igy a polaritasvaltaskor
erositokrol
(11.)
Az
elektronkapcsolot
a
jel.
kapcsolasi
csak a CHl
A
merendo
a
valaszto
(1,2).
nagy
kertilnek
amplitudoju
a
fesztiltsegjelet
aramvaltoztatas
erosito
a
poziciotolas
a
diodas
A
diodas
kapukon
kapukat
(7) a MODE
modokat
bemeneti
hozhatjuk
erosito
jel
kapcso-
bemeneti
potenciome-
utjan
es
apozi~i6-
(5,6)
kapcsolo-
jele
a
jelek
ero-
aram-
tor-
az
letre
jut
IT-52
Page 9

2.
3.
4.
5.
Az
EMG
az
EMG
1.
2. A CH2
MODE
az
MODE
let
kapcsolo
erositore.
kapcsolo
felvaltva
idoelterito
vezerli
a
kapcsolot
MODE
let
kapcsolo
1
MHz
frekvencias
blocking
fenyt.
MODE
kapcsolo
osszegezve
valtassal
1589-U-592
1589-U-52
NORM
allasban
keresztUl
ONLY
erositon
trigger
jel
CH2
allasaban:
ALTER
allasaban:
adjuk a kimeneti
generatorbol
szinkron
impulzus
(7).
CHOPPED
frekvenciaval
jelek
oszcillator
ADDED
allasaban:
szaggatva
megfigyeleset
(8)
allasaban:
jut a kimeneti
kivonodnak a jelek
idoelterito
egysegbol
a
kimeneti
egyseg
kaphatjuk
tortenik.
allasban
(10)
es a trigger
a
CH2
kicsatolasa.
csak a CH2
a
erositore.
erkezo
tobbsugaras
erositon
teszi
az
atkapcsolas
a
erositore.
egymasbol.
reszere
a
erositorol
bemeneti
erositon
bemeneti
CHl
es
CH2
bemeneti
Ebben
szinkror
(9)
keresztUl
a
CHl
es
CH2
bemeneti
adjuk a kimenetre,
lehetove.
idotartamara
CHl
es
CH2
bemeneti
Ebben
TRIGGER
az
a
belso
kapcsolotol
allasban
szinkron
(11) a trigger
erositobol
(12)
keresztUl
(4)
erosito
az
allasban
az
A
CHOPPED
erositon
a
CH2
tortenik
jele
erositok
impulzus
elektron-
erosito
ez
alacsony
kiolto
kioltja
erositok
polaritas
jelet
fUggoen:
trigger
jut
je-
az
(19)
je-
a
jele
(21)
(12)
a
U-52
7
Page 10

4.
ELOZETES
UTMUTATASOK
4.1.
A
pir
a
nyag
kibonthato.
Kicsomagolasi
tobbretegti
doboz,
hullampapir
burkolat
melyet a ragasztasok
A
vedoboritast
anyaggal,
Mindezek
sZlilek
forditott
vagy
elvegzese
ismet
sorrendjeben
felhasznalasaval,
dast
4.2.
Az
az
keszitest
szenvedjen.
Uzembehelyezes
lizembehelyezes
EMG
1555
kesztilekbe
a
keszlilek
utmutatas
burkolatba
dobozbol
is
eltavolithato
kromozott,
le
kell
gongyolni
szentetraclorid
utan a keszlilek
szallitasra
nehogy a keszlilek
e16keszitese
e16keszitese
mliszerkonyvenek
csomagolt
tortent
v.
nikkelezett
kerlil,
tortenjek,
vale
dugaszolasabol
keszlilek
menten
kiemeles
kell
utan
es a keszlilek
alkatreszekr61
es a vekony
oldatos
vattaval
lizembehelyezhet6.
becsomagolasa
lehet61eg
az
ujabb
az
EMG
1589-U-52
azonos
klils6
felbont~~i.
burkolata
- a
legmentesen
a
bels6
papir
vazelinreteget
letorolni.
Amennyiben a
a
fent
minden
ismertetett
csomagolasi
szallitas
szelessavu
all.
A
fejezete
tovabbi
tartalmazza.
a
hUllamp~
A
keszlilekr61
zart
boritasoel
a
parafinpapir
puha
folyaman
e16erositonek
reszletes
-
mlia-
textil-
ke-
mod
anyag
karoso-
elo-
8
U-52
Page 11

•
5.
HASZNALATI
UTASITAS
5.1.
Az
Azonban
Biztonsagi
egyseg
vigyazzunk
kesztilekbe,
5.2.
Az
Az
egyseg
elolapon
AC-DC-GND:
CHI:
CH2:
Sl
S101
VOLTS/CM:
CHI:
CH2:
S2
S102
VARIABLE:
CHI:
CH2:
P5
PI05
POSITION:
CHI:
CH2:
PULL
Pl1
PIll
TO
INVERT:
CHI: S3
CH2:
Sl03
MODE:
S301
CHI:
CH2:
ALTER:
intezkedesek
kezelese
az
ktilonleges
arra,
alkatreszek
hogy
kozott
kezeloszerveinek
talalhato
A
kapcsoloallastol
kezeloszervek
valtakozofesztiltsegti
Az
AC
allasban
erosito
bemenetere,
levalasztja.
A
GND
allasban
hogy a rajta
Az
erzekenyseg
Az
erosites
ciometer
0,01
A
ftiggoleges
Az
erzekenyseg
VOLTS/CM
1 V/cm -
CAL.
- 20
kapcsolo
2,5
V/cm-ig.
a
bemeneti
Az
alacsonyfrekvencias
a
kapcsolo
levo
merendo
beallitasara
minden
allasban
erzekenyseg
valtozas
1 V/cm
V/cm
tartomanyban
Ezzel a potenciometerrel
golegesen
Polaritas
at
allasu
az
tizemmodok a
Az
1.
jen.
A
jel
a
A
2.
bemenetre
jen.
Az
Az
1.
az
ernyon.
valtasra
kapcsolo,
bemenetre
2.
csatorna
CH2
OUTPUT
1.
csatorna
es
2.
csatorna
kovetkezok:
adott
nem
kimeneten
adott
biztonsagi
ha
az
egyseg
ne
okozzunk
ismertetese
a
ftiggoen
komponenset
jel
tehat
az
az
objektum
allasban
van.
folyamatos
erteke
allasban
a
szolgalo
mely
jel
az
jelenik
mtikodik,
ilyenkor
jel
jelenik
nero
mtikodik.
jele
felvaltva
intezkedeseket
nincs
bedugaszolva
zarlatot.
3.
abran
mind
lathatok.
az
egyenfesztiltsegti,
vizsgalhatjuk
kondenzatoron
egyenfesztiltseget
savhatar:
erosito
bemenetet
nem
szolgalo
11
kalibralt,
Az
erzekenyseg
valtoztatasara
nagyobb,
van,
valtoztathato.
sugar
ketallasu
tizemm6d
helyzete
kapcso16.
kivalasztasara
meg a
azonban a CH2
is
megjelenik
meg a
katodsugarcso
jelenik
nem
igenyel.
a 1555
a
jelnek.
kereszttil
a
kondenzator
2
Hz
(-3
lefoldeli,
kertil
allasu
foldre.
kapcsolo.
ha a VARIABLE
valtoztathato
szolgal.
mint
akkor
1:2,5.
az
erzekenyseg
valtoztathato
alkalmas;
katodsugarcso
bemenetre
felerositve.
meg a
kat6dsugar-
mind
jut
poten-
Pl.
ernyo-
ernyo-
dB).
Ha
ftig-
adott
a
az
ugy,
a
U-52
Page 12

CHOP:
ADDED:
TRIGGER:
(S201)
NORM:
ONLY
CH2:
GAIN:
CH1:
CH2:
VAR
CH1:
CH2:
P9
P109
ATTEN
P2
P102
eso
ernyojen.
valtasa
alatt
zas
az
idoelterito
tortenik.
okoz,
ill.
a
az
idoelterites
nagyfrekveneias
Szaggatott
ismetlodesi
mlikodteti.
lizemmod,
frekveneiaval
Ilymodon
naldarabkakbol
eso
fenye
Az
ernyon
osszege.
kodtetni,
allasba
Ketallasu
a
triggerjel
allasaban
ki
lathat
Ha
az
a
PULL
kell
kapesolo,
az
van
kapesolni.
forrasat
inditojelet,
szlik.
allasban
a
2.
gerjel.
A
esavarhuzos
get
allithatjuk
BAL:
Csavarhuzos
riajat
allithatjuk
adunk a fliggoleges
kenyseget
mozdul
a
VARIABLE
el
fliggoleges
Az
ilymodon
visszafutas
A
villodzas
generator
mereseknel
amelynel
az
ernyon
all.
Az
atkapesolas
oltva.
jel
a
1.
erositot
TO
differeneialerositokent
INVERT
mellyel
meghatarozzuk.
esatorna
bemenojelebol
poteneiometer,
be
hiteles
poteneiometer,
be. A helyes
bemenetre
poteneiometerrel,
iranyba
valtakozva
a
flireszgenerator
frekveneiaja,
ismetlodesi
sebessegetol
hasznalhatjuk
az
elektronkapesolo
felvaltva
lathato
es a 2.
esatorna
kapesolok
ha
belso
a
ket
esatorna
amellyel
ertekre.
amellyel
beallitas
jelet
az
ernyon.
mlikodtetett
amelyet a valtakofrekveneiajatol,
fligg.
elonyosen.
az
1.
ill.
abra
ideje
0,5
alatt
jelenek
kozlil
az
inditast
kozos
szarmazik
az
erosito
az
erosito
eseten,
es
valtoztatjuk
a
vizszintes
esatornak
szlinetideje
Ezt
az
lizemmodot
kb. 1 MHz
a
2.
~s
idejli
a
katodsugar-
algebrai
kivanjuk
egyiket
alkalmazunk,
jelebol
a
belso
erzekenyse-
szimmet-
ha
az
vonal
tehat
esatornat
vo-
mli-
INVERT
vesz-
trig-
nem
erze-
nem
5.3.
Az
EMG
pusu
(a
jobboldali
5.3.1.
10
Dzembehelyezes,
1589-U-52
elektronkapesolos
nagyfrekveneias
fiokba
A
kovetkezokben
senel:
a.
Allitsuk
AC-DC-GND
VOLTS/CM
VARIABLE
elozetes
oszeilloszkop
pedig
az
leirt
a
kezeloszerveket
beallitas
eloerosito
baloldali
idoelterito
modon
jarjunk
DC
0,01
CAL.
egyseget).
el a keszlilek
a
kovetkezo
(mindket
(mindket
(mindket
egyseget
fiokjaba
helyzetbe:
esatornan)
esatornan)
esatornan)
az
EMG
1555
kell
bedugaszolni
lizembehelyeze-
ti-
U-52
Page 13

POSITION
MODE
PULL
TRIGGER
b.
Adjunk
ges
hogy
az
2
teneiometerre1
e.
Kapeso1juk
nagysagu
TION
d.
Kapeso1juk
ben
hogy
si
e.
A11itsuk
GER
a11itsuk
abrat
ernyon.
f.
Kapeso1juk a MODE
sugarnak
pedig
inek
ometer
g.
A11itsuk
VARIABLE
sugar
h.
Ismete1jtik
TO
INVERT
20
mV-os
bemenetre.
allo
AC
em
nagysagu
(P111)
sztikseges
ket
frekveneiaja
(S201)
az
abrat
(S8)
negyszogje1et
a110
a
be
kapjunk
ke11
4
em
osszege.
forgatasa
a
(P5)
ftiggo1eges
MODE
VAR.ATTEN.BAL
meg
Kozepa11asba
CH1
beto1va
NORM
je1et
A11itsuk
1assunk
a11ast
negyszogje1et
a11itsuk
a
MODE
poteneiometerre1
a
MODE
a11itsuk
abrat
az
(S301)
kapeso16t
ismet a LEVEL
az
ernyon.
megje1enni
1esz a nagysaga.
E11enorizztik,
mozgatja-e
poteneiometer
iranyba
az
a
ka1ibrator
be
az
es
a1ka1mazzunk
kozepre
(S301)
(S301)
1assunk
e1teritesi
(S301)
e1jarast
kapeso1ot
1atunk
kapeso1ot
be a LEVEL
kapeso16t
CH2
ONLY
Ket
kapeso1ot
az
az
(mindket
az
idoe1terites
ernyon.
1atunk.
a
az
az
abrat
az
ernyon.
sebesseg
allasba.
(P202a)
sugarat
ernyon,
A
je1
hogy
ftiggo1egesen
(P2)
poteneiometert
forgatasa
ernyon.
a
2.
esatorna
(mindket
esatornan)
kimenetro1
Haszna1juk
be1so
A
CH1
je1et.
CH2
ernyon.
az
az
ALTER
(P202a)
CHOP
al1asba,
poteneiometert
ke11
ADDED
az
az
1.
mindket
eseten
esatornan)
keze10szerveit
inditast.
POSITION
a11asba,
A11itsuk
ernyon
poteneiometert
A
ket
a11asato1
Amennyiben
ismet
a11asba.
ernyon
es a 2.
az
eseteben
mindket
az 1 ms/em
Az
ismet
a
kozepre.
a11asba.
sugar
ftigg.
tovabba
sztikseges
ugy,
1atnunk
Ekkor
1athat6
esatorna
POSITION
abrat.
ugy,
ne
hogy
mozdu1jon
is.
ftiggo1e-
(Sl)
ernyon
(P11)
CH2
va1takoza-
po-
2
em
POSI-
Amennyi-
ugy,
a TRIG-
hogy
az
egy
abranak
je1e-
potenei-
ha
ugy,
es
a110
a
e1 a
5.3.2.
U-52
A
GAIN
1itani:
a.
b.
e.
d.
(P9)
poteneiometert
Kapeso1juk a TRIGGER
Kapeso1juk
ba, a MODE
A11itsuk
a
VARIABLE
Az
idoe1terito
test,
me1ynek a
az
(S301)
az
(P5)
1.
(S201)
1.
esatorna
kapeso16t
esatorna
poteneiometert
egysegge1
sebessege:
a
kovetkezo
kapeso1ot
AC-GND-DC
pedig
VOLTS/CM
pedig
a11itsunk
0,1
msee/em.
modon
(Sl)
CH1
(S2)
CAL.
e10
ke11
NORM
a11asba.
kapeso1ojat
a11asba.
kapeso16jat
a11asba.
szabadonfut6
he1yesen
DC
0,01
idoe1teri-
bea1-
a11as-
a11asba
11
Page 14

e.
Adjunk
netere.
f.
Az
tero,
g.
Ismeteljlik
h.
Huzzuk
elteritest
lathato
ilag
50 mV-os
nagysagu
ernyon 5 em-es
allitsuk
meg
ugyanezt
ki a PULL
(S6)
FREE
vizszintes
kivontuk
egymasbol,
jelet
be
helyesen
TO
vonal
kalibralo
kell
a
INVERT
RUN
lizemmodba. A
azt
ugyanis
a
2.
(S3)
latnunk.
GAIN
esatorna
kapesolot.
jelzi,
a
jelet
(P9)
az
Ha
az
poteneiometert.
eseteben
katodsugareso
hogy a ket
ket
jel
1.
esatorna
abra
nagysaga
is.
Kapesoljuk
jelet
egyforma
beme-
az
ido-
erny6jen
algebra-
volt.
el-
5.3.3.
VAR
ATTEN
Mielott
1589-U-52
ATTEN.BAL.
allitani.
allitasu
ben
ujra
tipusu
Ha
RIABLE
oszeilloszkopba
az
erosito
poteneiometer
kepernyon.
A
VAR
ATTEN
a.
Kapesoljuk
lot
GND
b.
Kapesoljuk
e.
d.
Allitsuk
sunk
Allitsuk
elo
helyzete
elforgatjuk.
BAL
ES
GAIN
egyseget
(P2)
es a GAIN
Mindket
kezeloszerv
poteneiometer.
be
kell
allitani,
szimmetriaja
BAL
(P2/P102)
mindket
allasba.
a
MODE
szabadonfuto
a
vizszintes
a
P2
(P102)
ne
mozduljon
poteneiometerek
pont
os
(P9)
poteneiometereket
az
A
GAIN
poteneiometert
ha
a
1589~U-52
dugaszoljuk.
nines
allitasakor
beallitasat
esatornanal
(S301)
kapesolot
idoelteritest
vonalat
poteneiometereket
el,
mikozben a VARIABLE
beallitasa
meresekre
elolapon
helyesen
a
sugar
a
az
AC-DC-GND
CHl
az
az
ernyo
hasznalnank,
pontosan
talalhato
minden
egyseget
beallitva,
fliggolegesen
kovetkezokep
(Sl/SlOl)
(CH2)
allasba,
ernyon.
kozepere.
ugy,
hogy a fenyvonal
poteneiometert
a
be
esavarhuzos
egyes
masik
EMG
akkor a VA-
elmozdul
vegezzlik:
kapeso-
es
VAR.
kell
-
eset-
1555
a
allit-
5.4.
A
A
ket
jelet
(S301)
A
merendo
a.
Merozsinor,
A
modszer
Hatranya,
zott,
A
mereshez
12
hasznalatra
erosito
a
megfelelo
kapesoloval
jelet
elonye
hogy a szort
gyors
BNC-banandugo
vonatkozo
esatorna
bemenetre
valaszthatjuk
a
bemenetre
merokabel.
az
jeleknel
altalanos
barmelyike
kell
esatlakoztatni.
ki.
klilonfele
egyszerlis~g.
kapaeitas
a
jelatvitel
atmenet
tudnivalok
klilon-klilon
modokon
miatt
a
torzitast
szlikseges.
hasznalhato,
Az
lizemmodot a
vezethetjlik.
frekveneiaatvitel
szenved.
A
meresnel
a
merendo
1
Mohm"
MODE
korlato-
25 pF
U-52
Page 15

impedancia
jektumot.
nel
szort
b.
Lezaratlan
Elonye,
Hatranya,
nagyfrekvencias
A
mereshez
1
Mohm
c.
Lezart
A
lezarasnak
Elonye,
zaras
eseten
Hatranya,
het
levalaszto
A
mereshez
terhelest
ban
50 ohmos
d.
50 ohmos
'Elonye,
eseteben.
Hatranya,
e.
oszto
rend5
A
A
1:10
korlatozza
jelre
meresnel
mereshez
osztasu
Elonye,
Hatranya,
A
merofej
frekvencias
A
mereshez a 1396-5
zott
terhe18s:
es
meg a
Kellemetlen
jelek
zavarhatjak
koaxialis
hogy
az
erzekenyseget
hogy a nagy
atvitelt.
BNC
vegzodesti
1/
25 pF
koaxialis
hogy
impedancia
kabel.
az
oszcilloszkop
az
oszcilloszkop
az
impulzusatvitel
hogy a lezaras
kapacitas
BNC-vegzodesti
okoz,
ami
lezaras
osztoval
hogy
kisebb
hogy
az
a
van
sztikseg a veszteseg
jelentkezo
50-ohmos
merofej.
hogy
csokkenti
hogy
csokken
impulzusatvitelre
negyszogjellel
10
merokabel
lehet,
hogy
a
kabel.
kabelkapacitas
kabel
es
meg a
csokkenti
hasznalatara.
kabelre
reflexiokat
miatt
nagyobb
lezart,koaxialis
a
reflexio,
erzekenyseget
teljesitmenyt,
terhelo
koaxialis
az
ohmos
az
erzekenyseg.
kompenzalt,
ellenorizztik.
tipusu
Mohm
merofejet
1112
pF.
szort
kapacitasa
az
arnyekolas
merest.
nem
csokkenti.
miatt
szillcseges.
koaxialis
bemenetenel
erzekenyseget
jo
es a terheles
a
jelamplitud6t,
van
sztikseg.
okozhat.
teljesitmenyekre
kabel.
mint a csupan
az
osztas
amelyet
miatt.
impedancia
oszto
sztikseges.
es
kapacitiv
ennek
hasznaljuk.
terheli
hianya
jelentosen
A
merendo
kabel
kell
lennie.
nem
csokkenti.
ohmos.
A
meroeszkoz
Hatranya
meg,
50 ohmmal
csokkenti.
merhettink,
tisztan
ohmos: R =50 ohm.
terhelest.
helyesseget
(Celszertien
A
a
miatt
korlatozza
genera
kapaci
ill.
hogy
van
sztikseg.
lezart
A
lezaras
ill.
1
kHz-en.)
merofej
merendo
a
tort
tasa
terheli.
Helyes
sztikseg
R
II
o
az
nagyobb
o
alacsony-
altaI
ob-
meres-
a
le-
le-
25 pF
altala-
kabel
ill.
me-
oko-
Bemeneti
csatolas:
Ha a vizsgalt
segti
lasba
komponenset
kell
vizsgalni,
zatoron
cias
kereszttil
vagas
U-52
jelnek
kivanjuk
kapcsolni.
akkor
pedig
jut a bemenetre.
jon
letre,
mind
az
egyenfesztiltsegti,
vizsgalni,
H a
csak a valtofesztiltsegti
AC
allasba.
amelynek a -3
akkor
Ebben
A
dB-es
az
kondenzator
pontja
mind a valtakozofesztilt-
az
AC-GND-DC
kapcsolot
komponenst
utobbi
esetben
miatt
2
Hz-nel
alacsonyfrekven-
van,
kivanjuk
a
jel
ha a ge-
DC
al-
konden-
13
Page 16

(,<,hOT
'!eXlCias
akkor
impedwlci:;,
to.czi
ez
az
ido~11ann6
Erzekenyseg
Az
erzekenyseget
LiYit
osztaBa.
lc'betben
RIJiliLE
libralt
Ketsugaras
Az
kor
Ket
a
VARIABLE
A
VOLTS/CM
8rvenyes,
potenciometer
erzekenyseg
elektronkapeso16s
elektronkapeso16s
pedig
nem
A
CHOPPED
ritesi
jel
az
ismetlodo
sebessegek
uem
ismet16d6.
peri6dusnal
gyorsabb,
rites
Ket
Ebben
ilyenkor
lett
aju
tes
ismet15d6
alkalmazasaval,
az
esetben
a
kell,
jeleket
abrat
akkor a ket
celszeriibb
FeszUltsegmeres
Ha
ket
volsagot
az
erteket
olvashat6
pont
kozotti
kell
szorozva
ertek)
ha a VARIABLE
eseten
hasznalata
alkalmas
Ha a jel
modja
allasba.
a
mer6fej
eseten
AC
fesziiltsegmeresre.
egyenfesziiltsegU
ettol
kisse
Ezutan
L_,~:~.:s
tas;;}"l
k,,2.1
harom
poteneiometer
l~apesolo
ha a VARIABLE
erteke:
0.2
tenyez6
atfogasa
'oj,
J~C:il12,~:t
szamolnuJk.
H~.
hatarozza
allasa,
61
tal
potenciorn,~'ter
min.
50 V/em.
,j
1:2,5.
miikodes
iizemm6dok
ALTERNATE
jel
lizenrrnodot
eseteben
10
em-re
nem
ismet15d6
jel
vizsgalata
eelszerii
hasznalt
hogy
legyen.
vizsgalunk
latunk
sugar
a
az
valtakozasi
CEOPPED
fesziiltseget
merniink
az
iizemmodot
vizsgalata
10
Szels6
nyujtva
akkor
elteritesi
az
erny6n.
iizemmodot
fiigg61eges
elteritesi
koziil
/u
s/em elteri
hasznalhatjuk
esetben
latjuk
jeleket
egysugaras
eseten:
az
alternate
Ha
250
ALTERNATE
Ha
eelszerii
eseten:
kivanunk
sebesseg
Hz-nel
ennel
frekveneiaja
hasznalni.
akarunk
iranyban
tenyez6vel
kapjuk a fesziiltsegkiilonbseget.
poteneiometer
osztasat
tizszereset
CAL.
is
figyelembe
kell
helyzetben
venni a mert
szintjere
eltero.
allitsuk
E16szor
be
a POSITION
kapesoljuk
has.::naljuk,
H',
merofejjel
meg: a
es
az
elz,ett
er~:ekenyseg
Az
bizonyos
hasznalni.
tesi
pl.
0,1
a
katodsugares6
iizemmodot
iizemmodot
erteke
nagyobb
iizemmodban,
lassubb
merni,
a
kell
vagyunk
poteneiometert
:],kko]'
meriink
VOLTS/CM
eSlLleg
a
elerheto
alkalmazott
CAL
allasban
legiksebb
esetekben
sebessegnel
e16nyosen,
msee
periodus
vizsgalni,
kell
alkalmazni.
0,5
msee/em
ismet16desi
akkor
elteritest
mar
zavar6
a
ket
pont
katodsugares5
(a
VOLTS/CM
A
meres
van.
Mer5fej
venni.
(Pl.
erteknek.)
kivanesiak,
az
AC-GND-DC
ugy,
3.1ac:sonyfrek-
AC
allasban,
kapeso16,
mer6fej
esak
abban
van. A VA-
nem
a
CHOPPED,
lassubb
el
ha a vizsgalt
idejii
erny6jen.
gyorsabb
jel
Ha
idoelte-
alkalmazni.
Azonban
ertek
fr~kvenei
vil16dzas
alkalmazunk,
lesz,
emiatt
kozotti
ernyojen.
kapeso16n
akkor
helyes,
alkalmazasa
EMG
1396-5
Ez a
meres
akkor a meres
kapcsolot
hogy a viz-
'"
vala-
az
ka-
mas-
te-
ket
egy
fe-
men-
ta-
Ezt
le-
GND
14
U-52
Page 17

szintes
sztiltsegU
vonal
szint
sztiltsegmeresnel
tasanal
Pl.
POSITION
allasba.
A
mert
Az
elteritesi
merofejet
A
mert
A
mert
DC
A
nulla
poteneiometerrel
Merjtik
ertek
fesztiltseg:
fesztiltseg
allasban
szint
hasznaltunk:
Amennyiben a
kor a meres
szintet
litani.
igy
megallapitott
vegrehajtasanal
nero
az
Ebben
eppen
a
raszter
az
kovetett
mertink.
megallapitasara
meg
hany
pl.
2,6
em.t
tenyezo:
20 x
pozitiv.
fesztiltseget
ernyo
az
kozepere,
esetben
nulla
ernyo
ko~epen
kozepso
modon
a
sugarat
em-re
2
VOLTS/CM.
az
elteritesi
2,6
van a nulla
: 52
kisebb
elofordulhat,
hanem
termeszetesen
vonaltol
legyen.
vonalanak
eljarva
kapesoljunk
az
CAL.
tenyezo
V.
elteritesi
valamelyik
vala
tavolsag
felel
a
taszter
ernyo
szinttol
allasban
hogy
a
mert
Ilymodon a zerus
meg.
Ezutan
leptekenek
GND
allasba.
kozepere.
Kapesoljunk
a
merendo
vagyunk,
igy:
tenyezo
20 V/em.
mellett
eelszerti
roasik
fesztiltseg
hatarozza
a
rasztervonalra
nagysagat
meg.
egyenfeaz
a
Allitsuk
pont.
1:10
merjtik,
nulla
AC
fe-
megallapi-
a
DC
osztasu
ak-
egyen-
al-
az
Fesztiltsegmeres
Bizonyos
mertetett
ul
tudjuk,
szamu
eelszerti
sagura
1,5
em
A
tovabbiakban
hatjuk
A
meres
meny
fesztiltseg
Pontos
esetekben
madon
hogy a merendo
tobbszorose
a
VARIABLE
beallitani,
nagysagu
amplituda,
vegrehajtasa
kiszamitasanal
nagysagat.
DC
meres a millivolt
Amennyiben a
-52
egyseggel,
50 ohmos
gyozodjtink
ciometerek
A
VAR
zetben
A
GRID
merorendszert
meg
beallitasa
ATTEN
mar
BAL
lattuk.
CURRENT
osszehasonlitassal
a
fesztiltsegmerest
vegrehajtani,
lehet.
finomszabalyoza
ftiggetlentil
lenne
ezt
valamelyik
az
immar 1
azaz
fesztiltsegegysegnek.
azonos
nem
Voltban,
legerzekenyebb
es a legfelso
alkalmazni.
arral,
hogy a VAR ATTEN
helyes-e.
poteneiometer
ZERO
potenciometer
eelszertibb
jel
hanem
valaroely
osszehasonlitassal
mas
jel
Ekkor a refereneiakent
poteneiometer
attal,
kalibralt
em-nek
ezutan,
hanem
hogy a refereneia
,
elteritesi
megfelelo
az
elozo
relativ
tartomanyban
elteritesi
frekveneiaju
tenyezovel
tartomanyban,
Tovabba a meres
BAL
es a GRID
beallitasat
az
beallitasat
nem
az
elozoekben
merni.
amplitudajanak
szolgala
jel
segitsegevel
jel
tenyezo
refereneiajelet
madszerrel,
esak
egysegekben
mertink
az
eelszerti
pontossaga
CURRENT
tizembehelyezes
a
kovetkezokepp
is-
Ha
pelda-
esak
egesz-
amplitudajat
I
em
nagy-
nagysaga
pl.
mellett.
hasznal-
az
ered-
kapjuk a mert
EMG
1589-U-
lehet
erdekeben
ZERO
cimti
poten-
feje-
vegezztik:
U-52
15
Page 18

1.
A
1ek
2.
A
na1juk.
3.
A11itsuk
4.
A11itsuk
tert
5.
A11itsunk
suk
Figye1jlik
az
tert
bekapcso1t
hoegyensu1ya
MODE
kapcso1ot
CAL
az
ernyo
ernyon.
ugy,
be
a
a11asba,
e10
meg,
hogy
keszli1eket
bea11hasson.
kapcso1juk
he1yesen
VOLTS/CM
az
az
ernyon
kozepere.
hogy
Ha
e1mozdu1,
az
e1mozdu1as a megismete1t
mlikodtesslik
abba
a
VAR
ATTEN
kapcso1ot
AC-DC-GND
szabadonfuto
Kapcso1juk
atkapcso1askor
a11itsuk
0,01
Kapcso1ot
1ega1abb
az
a11asba,
BAL
potenciometert.
a11asba,
idoe1teritest,
az
AC-DC-GND
e1mozdu1-e a sugar
be
a
GRID
10
ame1yik
a
VARIABLE
pedig
GND
kapcso1ot
CURRENT
atkapcso1askor
percig,
a11asba.
a
ZERO
hogy a keszli-
csatornat
potenciome-
sugarat
DC
fliggo1egesen
potenciome-
a11it-
a11asba.
megszlinjon.
hasz-
16
U-52
Page 19

6.
RESZLETES
(Az
A
kesztilek
rajzok
kal
tortenik.
MUSZAKI
aramkorok
mtikodesenek
(7.
8.
9.
LEIRAS
ismertetese)
reszletesebb
10.
11.
abrak)
ismertetese
megfelelo
a
villamos
pozicioszamaira
kapcsolasi
valo
utalasok-
6.1.
Az
A
ve a VOLTS/CM
ban 1 Mohm
Bemeneti
EMG
bemenojel
den
allasaban
tositja,
aramkor
1589-U-52
frekvenciakompenzalt
(S2)
II
25 pF
ktilon-ktilon
hogy
az
suk.
Az
osszes
Egy
tovabbi
citast
6.2.
A
bemeneti
CHl
oszto
sont
beallitsuk.
bemeneti
erositot
anodfesztiltseget
tatjak.
A
V2
katodkoveto
todfesztiltseget
racsaramat
ge,
amely a racsaramnak
R14
racslevezeto
A
V2
katadfesztiltseget
kell
beallitani
kompenzalja
fesztiltseggel.
Ekkor a VARIABLE
lyik
forgatjuk,
bazisaramat
valik
kozatbol
ellentitemti
reben
egyenaram,
nem
a
a
potenciotolas
alla
fokozatot
talalhato
mozdul
BASE
fazisfokozat
egyseghez
kapcsolo
terhelest
oszto
ket
vagy
kapacitas
erosito
a
V2
a TRl
1,2
V-ra
ellenallas
az
R20
(P5)
es a GAIN
vezerles
el a vizszintes
CURRENT
nelktili
vezerli.
a
CHl
GAIN
BNC
csatlakozon
oszton
0,01
allasat.
kepvisel.
kondenzatorral
allasokban
harom
teszi
bemeneti
es
TR2
is a teljes
ellenallast
lehetove,
katodkoveto
kaszkadba
anadfesztiltsegenek
allitjuk
a
GRID
be. A bemeneti
CURRENT
megfeleloen
es
also
az
anodfesztiltseg
R21
pontjara.
ellenallasbal
(P4)
nelktili
(P6)
esetben,
potenciometer
erzekenyseg
fordito,
Ezen
RANGE
ellentitemti
(P9)
kereszttil
kereszttil
A
bemenet
Az
oszto
a
kompenzalt.
savszelesseget
es
ket
hogy
az
vezerli.
kapcsolt
a
emitterkovetok
valtoztatasaval
katodkoveto
ZERO
kisse
potenciometer
negativ
valtoztatasaval
alla
oszto
potenciometereken
igy
ha a potenciometereket
vonal
az
ernyon.
szolgaltatja,
valtoztatas.
a
TR5
es
TR6
tranzisztorokbal
erosito
potenciometer,
csatlakozhatunk.
jut a bemenetre,
minden
VOLTS/CM
oszto
kapcsolo
Ez a rendszer
hasznalhas-
kapacitast
allando
A
tartalmaz.
bemeno
katodkoveto
a
esetleges
(PJ)
fesztiltseget
kozepen
fesztiltse-
juttat
-
azonosra
ta}alhato
kereszttil
A
TRJ
tranzisztor
igy
A
TRJ
es
fokozat
mely
az
emitterko-
erosites
kive-
allasa-
min-
biz-
kapa-
szolgalV2
ka-
az
nem
foel-
lehetove
TR4
fo-
alla
U-52
17
Page 20

belso
A
CHI
allitasara
INV
BAL
(P8)
erositofokozat
allitast
lot
mtikddtetjtik.
nal
a
titemti
olym6don
kat6dsugarcso
erosito
fokozat
tenciometerrel
tapfeszliltseget
A
DJ
di6da
a
TR5
letkompenzaciojara
iranyu
hoz
zasat
A TRJOI
a
D4
nagyobb,
kezdenek.
ellenallsa
hason16an
kompenzalja.
es
TRJ02
es
D5
di6da.
mint a D4
Ez
valtozik
lehetove
lcgyen.
szolgal.
potenciometerrel,
egyenaramu
lehet
Helyes
ellenorizni,
beallitas
ernyojen.
kimeno
allithatjuk
valtoztatja.
es
TR6
szolgal.
a
TR5
es
meg,
foldeltbazisu
Ha
a TR301
es
D5
teszi,
szimmetriajat
eseten
A
TR5
es
szintjet
be.
Ez a
potenciometer
tranzisztorokb61
Homersekletvaltozas
TR6
tranzisztorok
ez a hatas
erosito
es
TRJ02
di6dak
nyit6fesztiltsege,
hogy
tulvezerles
a TRJ,
lehet
TR~-
beallitani.
hogy a PULL
nem
mozdul
TR6
tranzisztorokb6l
a
CHI
COMM
al16
erositofokozat
emitter-bazis
a
tranzisztorok
fokozatot
tranzisztorokra
eseten
tranzisztorokb61
A
helyes
TO
INVERT
(3J)
el a vizszintes
al16
MODE
eseten
a
fokozat
CURRENT
kollektor
a
DJ
dioda
ellenallasa-
homersekletvalto-
vedi
tulvezerles
jut6
vezerlo
akkor a diodak
az
ujjaeledes
alIa
be-
kapcso-
ellen-
(PlO~
homersek-
nyit6-
ellen
jel
vezetni
gyors
vo-
po-
6.J.
A
bemeneti
(3J)
Foldelt
kapcso16,
forditsuk.
tenciometer
A
TR
JOI
fokozat
JJl8neti
or
jellel
kapuzza
reszttil.
Ie
van
zarva,
kimeneti
meneti
A
foldelt
dak
erositot
hatasara
risztika
A TRJOI
mod
kapcsolo
delt
Az
bazisu
algebrai
erosito
Ugyancsak
(Pll).
es
TRJ02
kettos
a
Ha
a DJOI
erosito.
bazisu
pentoda
es
TR
fokozatba.
osszegezo
bazisu
kapcso16
kollektor
mely
lehetove
tranzisztorokbol
vezerlest
vezereljlik,
tovabbmeno
es
akkor
a TRJOI
Ha
a
CH2
kapcsolo
jelentosen
jellege
J02
tranzisztorokra
allasatol
itt
talalhato
kap;
masreszt
jelet
DJ04
dioda
a DJOI
csatorna
erosito
megvaltozik.
miatt
ftiggetlentil
ADDED
aramkor
aramkoreben
teszi,
hogy a vizsgalt
a
alIa
egyreszt
a
a
DJOl,
nyitva
es
TRJ02
es
DJ04
di6dak
bemeno
kollektor-fesztiltsege
nem
hat
csatlakoz6
ugyanakkora
tizemm6d
mindket
van
elhelyezve
ftiggoleges
pozicio
foldeltbazisu
a TR5,
TRJll
DJ02,
van,
THE:
es
TRJ12
DJOJ
a DJ02
tranzisztorokrol
Ie
vannak
erositoje
Ez
azonban,
vissza
vezerli.
a
bemeneti
kapcso16
aramot
kimenetet
a
PULL
jel
polaritasat
szabalyozo
kapcsolo
tranzisztorokrol
bistabil
es
DJ04
es
DJOJ
kap
di6dakon
vezerlest
zarva,
a
kapcsolo
a
tranzisztorkarakte-
erositore.
aramkorok
taplalnak
osszekapcsolja.
TO
INVERT
meg-
po-
erosito
a
multivibra-
ke-
di6da
pedig
a
akkor a ki-
di6-
az
tizem-
a
fol-
be-
18
U-52
Page 21

Ilymodon a kimeneti
A
MAIN
janak
dig
valtoztassuk.
AMPL
beallitasara
alkalmas
DIFF
arra,
BAL
erositot
(P301)
szolgal.
hogy a kapcsoloerosito
mindket
potenciometer
A
MAIN
bemeneti
AMPL
erositot
a
kapcsolo
CURRENT
kimeneti
vezerli.
erosito
(P302)
potenciometer
fesztiltsegszintjet
szimmetria-
pe-
6.4.
A
meneti
nagy
mat
potenciometer
tenciometerenek
a
es
potenciometer
zisztorok
6.5.
A
Az
a
delt
es
tereire
meghatarozza
zos
harmadik
+9
CH2
bemeneti
CH2
bemeneti
erosito
bemeneti
a TRIOl
VARIABLE
TRI06
kimeneti
elso
masodik
TR310)
triggererosito
tranzisztorok
Kimeneti
tranzisztor
emitteres
torteno
par
V.
(PI05)
emitterkorebol
erosito
tranzisztor
emittereibol
erosito
erosito
felepitesevel.
ellenallast.
es
TRI02
szerepe
szerepevel.
szolgal
erosito
fokozat)
visszacsatolas
az
erositest.
induktivitassal
emitterkovetok
azonos a CHl
potenciometereknek
a
harom
par
parra
(TRIGGER
felepitese
A VI02
A
katodkoveto
Teljesen
fazisfordito
szimmetria
csatoljuk
visszacsatolt
(TR305
csatlakozik.
a
masodik
es
(TR307
javitja
A
harmadik
NORM)
kompenzalt.
majdnem
bemeneti
biztositjak.
bemeno
azonos a megoldasa
is,
fokozatot
beallitasara.
ki a belso
TR306)
es
A
tranzi8ztor
kicsatolasa
teljesen
anodfesztiltseget,
erosito
mint a CHl
szimmetrikus
foldelt
TR308
harmadik
a
tranzisztor
visszacsatolas
par
nagyfrekvencias
A
plug-in
megegyezik
katodkoveto
A
VAR
hasonlo
csatornanal.
alkotnak.
A TRI05
szinkron
fokozatbol
emitteres
tranzisztor
(TR307
par
emittereibol
tortenik.
csatlakozasi
biztositja
azzal
ATTEN
elnevezesti
a
GAIN
Az
INV
es
jelet.
fokozat,
nelktili
es
TR308)
atvitelt
A
masodik
a
BAL
(PI04)
BAL
TRI06
all.
par
CHl
be-
a
az
ara-
(PI02)
po-
A TRI03
(PI08)
tran-
mely
fol-
(TR309
emit-
ill.
a
ko-
es
a
szintje
es
6.6.
A TR311
esetben
lasban
T314
lakoznak.
olto
Az
ttil,
Elektronkapcso16
impulzustranszformatoron
jeleket
ALTERNATE
valamint
U-52
es
TR312
vezet,
az
emitterek
A
multivibrator
tranzisztorokbol
ha a MODE
az
szolgaltat.
modban
az
az
R344
kapcsolo
R342,
emitterek
ellenallason
R343
kereszttil
ekkor
allo
ALTER
ellenallasokon
szabadon
a D309, a D310
es
bistabil
vagy
a
-15
fut,
a TR313
multivibrator
CHOP
allasban
kereszttil
V-os
es
tranzisztoron
tapfesztiltsegre
a TR316
es
D311
abban
van.
valamint
tranzisztor
diodakon
kereszttil
CHOP
csat-
keresz-
az
al-
a
ki-
19
Page 22

csatlakoznak
aramkorkent
tivibratoron
a
-15
mlikodik.
merheto
V-os
tapfeszliltsegre.
A
kiolta
feszliltsegeket
erosito
Ekkor a mu1tivibrator
pedig
a
kovetkezo
nem
mlikodik. A kapcso1a
tab1azat
tlinteti
bistabil
mul-
fel:
TR311
TR312
TR311
TR
CHOPPED
A
ratorkent
zott
denzatorok
emittere
V-ra a feszliltseg.
fo1yamat
szik,
terfeszli1tsege
TR311
tranzisztort.
re
negativabb
kol1ektro
kol1ektor
emitter
emitter
312
lizemmod
TR
311
es
TR312
mlikodik,
talalhato
csupan
2,5
kezdeten
ezzel
emitterfeszliltseget
+4,3
egylitt
V-ra1
1esz,
V-on
Ezutan
-1,6
CHI
+2,8
+8,8
+2,0 +2,0
+2,0 +2,0
tranzisztorokbal
amelynek a kapcso1asi
R-C e1emek
csatolasra
van
Ekkor
TR311
novekszik
is
novekszik,
az
V-ra
mint a bazisfeszliltseg,
hatarozzak
addig,
megkezdodik
tranzisztor
is
R342
esik.
CH2
+8,8
+2,8
va1ok.
amig
a TR312
ami
i1ymodon
es
Mikor a tranzisztor
ALTER
+6,5
+6,5
+0,9
+0,9
alIa
a TR312
C343
C343
multivibrator
frekvenciajat
meg. A baziskorben
Lathato,
emitteren
a
billenesi
1ezar,
bazisfeszliltsege
kondenzatoron
erosen
elemeken
kol1ektorfeszliltsege
a
hogy
lezarasban
tranzisztor
a TR311
fo1yamat.
keresztlil
emitterfeszliltsege
CHOP
+6,5
+6,5
+1,8
+1,8
astabi1
a
ket
talalhata
tranzisztor
nem
csokken
is.
A TR312
keresztlil
viszi
a TR311
vezet.
mu1tivib-
emitter
A
billenesi
nove1i
a TR311
ADDED
+2,8
+2,8
+2,0
+2,0
ko-
kon-
-1,6
novek-
emit-
emitte-
A
katadsugarcso
A
CHOPPED
oltjuk.
tranzisztort
TR314
tor
aram
zisztort.
seg
es
RJ50
sa
utan
TRJ14
megkapja.
A
tranzisztor
minden
mukodteti
erteke
tranzisztort
A TR315
zarva,
zator
vezetni
20
0,7
a TR316
kezd,
kioltasa
lizemmad
kio1tast
a
egyes
A TRJ14
ekkor
ellenal1asokbal
a TRJ14
tranzisztor
V.
eseten
a TR314, TR315
MODE
egy-egy
billenesekor.
a T314
tranzisztor
telitesben
tranzisztor
lezarasban
Ekkor
tranzisztort
a TRJ15
a
kapcso1as
kapcsolo
lmpulzustranszformatoron
alIa
bazisfeszliltsege,
az
emitterfeszliltseg
tranzisztort
mlikodokepes
tlisket
Ha a
ilyenkor
-12
V.
oszta
1ezar.
addig,
lezarva
idejere
es
TR316
a1lit
multivibrator
A TRJ15
jelentosen
A C348
mig a kovetkezo
tartja.
lezarja,
allapotba
elo
vezetni
kondenzator
amikor
erteke
a
katodsugarcso
tranzisztorok
hozza,
a TR311
bazisara
leosztja.
a TRJ14
Amikor
az
es
atbillen,
keresztlil
kezd.
kb.
a TRJ14
emitterfeszliltseg
fenyet
vegzik.
ilyenkor
TR312
A
kollektorfeszli1t-
juta
to1tese
nyita
tranzisztor
0
V.
multivibra-
az
a TR314
jelet
A
TJ14
impulzust
A C354
tranzisztor
U-52
A TR314
emitter-
tran-
az
RJ49
impulzu-
tartja
Ie
konden-
pedig
ki-
a
a
van
Page 23

csokken
az
meghatarozott
csokken,
periodus
4
V-ra
impulzus
akkor
zajlik
noveli,
halad
R353
idoallando
a TR316
ennek
at.
es
leo
R354
A T316
hatasara
Az
impulzus
ellenallasokon,
8zerint.
blocking
oszcillator
transzformator
a D314
idotartama
valam~nt
a C354
Amikor a feszliltseg
mUkr5dni
dio
a TR316
dan
keresztlil
kb.
bazisfeszliltseget
0,08
erteke
kesd,
100
IUs.
kondenzator
-0,7
es
egy
lEV
naEysagu
altal
V-ra
blocking
kb.
ALTERNATE
Ha a MODE
a TR311
ellenallason
Etben
szlikseg.
erintkezojen
Az
R346
elterites
szliltsege
tor
ekkor
feszliltsegen
A
TR
313
zisztort.
vezet
ra
tortenik.
atbillenti
tornarol
Trigger
A
CH2
impedanciaju
ketto
lizemmod
kapcsolo
es
TR312
keresztlil
az
esetben
A
triggerimpulzust
keresztlil
ellenallasra
utan
hirteleL
-10,9
telitesben
van.
bazisara
A
mul
tivibrator
az
lezar,
lEY
a TR311, TR312
a
2.
csatornara
erositok
trigger
erosito
es
visszacsatolt,
V,
nagy
zj_sztorparameter
A
CH2
res
fokozat.
terekbol
trigger
az
erosito
A
elso
masodik
ja a nagyfrekvercias
tenik
tora
tortenik
RC
bol
relheto
a
CH2
OUT
TR205, TR206.
a
visszacsatolas
tagok a fokozat
jut
a
jel
a
egyseg
trigger
csatlakozo
ALTER
allasban
tranzisztorok
csatlakoznak
a
multi
vibrator
szolgaltatja.
erkezo
nullara
(a
sziirt
van.
erkezo
a
lezart
minden
negativ
trarzisztor
idoelteritesi
a
hasonlo
aramkimenetli.
amely
val
tozastol,
elso
tranzisztor
par
TR201, TR202
atvitelt.
jelenek
kivezetese.
Masodik
nagyfrekvencias
erositojebe.
van,
pedig
a TR313
mUkodtetesehez,
az
idoelterito
impulzus
csokken.
-15 V erteke
A D309
es
D310
jel
tranzisztorai
multivibratort,
sugarat.
a
trigger
Mindket
lenyegeben
homersekletval
par
tranzisztora
par
bizjsiT8.
A TR204
A
fokozata
az
elso
TR207, TR208. E
fokozatra.
atvitelet
7
c.
es 9 c.
akkor
a D309
a TR313
es
tranzisztor
generator
feszliltsege
A TR313
kb.
-11,5
diodak
rovid
idore
kozlil
pedig
vezetni
periodus
ezzel
erositohoz.
erosito
a
fokozat
tozastol
TR201, TR202
TR203, TR204
torteno
tranzisztor
trigger
Az
javitjak.
pontjain
tranzisztor
DJIO
diodakon
kollektorahoz.
triggerimpulzusra
a
csatlakozQ
5 V,
tran~isztor
kozos
lezarja
az
e-l
amely
V).
A TR313
pontja
a TR313
tranzisztor,
kezd.
Ez C343
vegen 8 negativ
atkapcsolva
Mindketto
ket
fokozat1l
aramerositeset
fliggetlenne
foldelt
emitterkoveto.
visszacsatolas
kollektor
erosit6
elso
fokozat
emitterkorben
A
kolJektor
at
az
idoelterito
mLki:idik,
ill.
az
van
"la"
minden
bazisfe-
tranzisz-
pedig
tran-
amelyik
hatasa-
triggerjel
az
1.
csa-
kis
bemeno
8S
mind-
a
tranteszi.
effiitte-
javit-
korebol
par
tranzisz-
emittereibcl
leva
RL
kor-
RJ44
ido-
1 V
Emit-
tor-
es
cse-
U-52
21
Page 24

Feszti1tseg
A
1589-U-52
e16a11itasok
emitterkovet6k
terkovet6
seget
kisimpedancias
a
baziskorlikben
jak.
A TR209
TR317
er6sit6
tranzisztor
tranzisztor
fo1de1t
e16.
tipusu
specia1is
emitterti
csere1bet6
e16er6sit6ben
feszti1tseg
feszti1tseg
e1he1yezett
a
Trigger
er6sit6k
pedig a fo1de1t
fokozatanak
a TR209
e16ea11itast
forrast
biztosit.
nagypontossagu
-3,45
bazisu
+4,8
es
kapcso1oer6sit6k
es
+5,1 V feszli1tseget
es
a TR317
vegeznek.
A
pontos
e11ena11asok
-4,2
V
feszti1tseget
POZlClOJU
Mindket
emit-
feszti1t-
biztosit-
es a kimen6-
a11itja
a
22
U-52
Page 25

7. A KESZULEK
Az
e16erasit6
egysege.
egyben
rogzitese
elemmel
Az
EMG
kal a 3.
A
4.
zassal
Az
egyseget
a.
A
az
A
kesztilek
az
oszcilloszkopba
az
tortenik.
1589-U-52
abra
5.
6.
abrak a kesztilek
ellatva.
kupkerek
oszto
bal
kompenzalo
lyukakkal.
b.
Az
e16erosito
reket.
c.
A
trigger
d.
Az
aramkor
legnagyobb
Az
ket
Az
egyseget
csatorna
egyseg
jobb
hatlapjan
MECHANIKAI
az
EMG
1555
elo-
EMG
1555
oszcilloszkop
alegyseg
szemlelteti.
oldalrol
segitsegevel
trimmerkondenzatorainak
egyenfesztiltsegU
kapcsolot.
ellenallasainak,
reszet.
oldalrol
bemeneti
katodkovet6jet,
van a 30
FELEPITESE
nagyfrekvencias
es
hatlapjat
valo
bevezetest
negy
elolapjan
elolapjat
egyes
a
keze16szervekkel
reszeit
nezve a kovetkezo
forgatott
bemeneti
beallitasara
kondenzatorainak
nezve
lathatjuk
polusu
a
PULL-TO
csatlakozo.
oszcilloszkop
tartorud
is
megkonnyitik.
leva
mutatjak
f6bb
csavaros
megfelelo
reszeit
osztokat,
megfeleloen
szolgalo
es
induktivitasainak
az
osszes
INVERT
dugaszolhato
koti
ossze,
Az
rogzito
es
csatlakozok-
latjuk:
fedolemeztikon
poziciozot'G
potenciomete-
tranzisztort
kapcsolokat.
melyek
egyseg
pozicio-
es
a
IT-52
23
Page 26

8.
HITELESITES
8.1.
Az
minden
Altalanos
EMG
1589-U-52
500
utmutatasok
oras
mlikodes
ha a keszlilekben
hitelesiteni
kell.
mazza. A hitelesitesi
vegrehajtani.
Figyelem!
A
8.
hitelesitesi
tasahoz,
eloirasnak.
a
speeifikaeionak
8.2.
Az
alabbi
szertien
rendezesekkel
Ajanlott
1.
2.
3.
4.
5.
6.
7.
8.
9.
10.
11.
12.
13.
14.
15.
azonban
A
leirt
A
hitelesiteshez
felsorolasban
alkalmazhatok.
termeszetesen
mtiszerek:
Orivohm
EMG
EMG
EMG
1555
tipusu
1589-U-592
Dugaszolhato
Digitalis
50 ohmos
BNC
50
Negyszog
Amfenol
1:10
koaxialis
voltmero
koaxialis
ohmos
gener&tor
(+)
Kapaeitasmero
Szignalgenerator
RC
(1
tag,
Mohm
mely
II
25 pF)
Nagyfrekveneias
Infragenerator
nem
elektronkapesolos
utan
ujra
alkatreszeket
~z
a
fejezet
eljaras
eljaras
egyes
utmutataskent
tekintheta
hitelesitesi
megfelelaen
fog
sZlikseges
leva
mtiszerek a kesztilek
Azonban mas
a
hitelesites
1343
oszcilloszkop
idaelterito
egyseg
hosszabbito
kabel,
lezaras
1
nsee-nel
BNC
(-)
atmenet
BNC
oszto
100
kHz -
alkalmas
a
bemeneti
fesztiltsegmero
eloerositat
kell
eserellink,
a
teljes
lepeseit
a
specifikaeio
eljaras
mtikodni.
mtiszerek
has~nlo
egyseg
mindket
gyorsabb
100
MHz-ig
kapaeitas
(100
minden 6 honapban,
hitelesiteni.
a
kesztilek
hitelesitesi
a
leirt
szolgal
ellenarzesere
vegrehajtasa
speeifikaeionak
ugyanesak
vegen
BNC
felfutasu
kHz -
Abban
egy
reszet
eljarast
sorrendben
a
hitelesites
utan a kesztilek
hitelesitesehez
vegrehajthato.
esatlakozoval
beallitasahoz
100
MHz)
az
esetben,
szi~ten
tartal-
kell
vegrehaj-
szolgalo
eel-
megfelelo
vagy
be-
24 U-52
Page 27

8.3.
A
a.
b.
Hitelsites
hitelesites
Tavolitsuk
Csatlakoztassuk
hoz,
celszerU
Csatlakoztassuk
oszcilloszkop
az
EMG
c.
Allitsuk
A
beallitas
VAR
ATTEN
GAIN
POSITION
PULL
TO
VOLTS/CM
VARIABLE
AC-GND-DC
MODE
TRIGGER
d.
AJlitsuk
Kapcsoljuk
bemelegszik.
e.
Allitsuk
tatlan,
f.
Allitsuk
erny6n.
tert
ugy,
8.3.1.
megkezdese
el
az
EMG
az
a
dugaszolhato
az
e16tt
1555
EMG
EMG
jobboldali
1589-U-591
be
az
mindket
BAL
idoelterit6
EMG
1589-U-52
a
a
csatornara
teljesen
teljesen
kozepallasba
INVERT
betolva
0,01
CAL
GND
CHl
CH2
ONLY
be
az
INTENSITY
be a keszUleket
be
az
EMG
1589-U-592
0,5
ms/em
be
az
Ha
nem
hogy
DC
beallitasok
sebessegU
INTENSITY
latunk
vonalat
megjelenjek
MEGJEGYZES
Az
1-10
hajtani.
ill.
soknal
lepeseket
E16szor
beallitast.
ertelemszerUen
azokon a helyeken,
a
szovegben.
A POSITION
csak,
ha
8.3.1.1.
a.
Kapcsoljuk
legalabb
nuvisztor
potenciometerhez
kUlon
ATTEN
emlites
BAL
a
1,5
katodjara.
a
kovetkez6ket
tipUSll
1589-U-52
egyseg
1589-U-592
fiokjaba.
egyseget
kezeloszerveit
vonatkozik:
jobbracsavart
jobbracsavart
potenciometert
es
varjunk
egyseget
id6elteritest
potenciometert
az
a
vonal
mind
az
az
1.
csatornan
Azutan a 2.
a
2.
ahol a 2.
tortenik
RANGE
DC
voltmer6t
V-ot
tudunk
oszcilloszkop
egyseget
hosszabitot
idoelterit5
A
jobboldali
is.
baloldali
nehany
ugy,
ugy,
ernyon,
az
ernyon.
1,
mind
vegezzUk
csatornan,
csatorna
csatorna
a
hitelesites
rol~.
beallitasa
olyan
merni
vele.
hajtsuk
baloldali
az
EMG
1555
alkalmazni.
egyseget
fiokba
a
kovetkezo
helyzettol
helyzettol
szelso
percig,
hogy
szabadonfuto,
kapjunk.
hogy
allitsuk
a 2
csatornan
vonalat
be
el a hitelesltest
mikozben a beallita-
keze16szerveit
helyett
soran
meresi
tartomanyba,
~3atlakozzunk
vegre:
oldallapjat.
oszcilloszkop-
az
EMG
1555
alkalmazhatjuk
modon:
180o_ra
180o-ra
helyzetebe.
amig a keszUlek
lassunk
a P8
potenciome-
vegre
kell
allitjuk
1.
csatorna
ne
nyuljunk,
ahol
a
nyuj-
az
all
V2
U-52
25
Page 28

b.
Allitsuk
a
voltmeron
c.
Tavolitsuk
8.3.1.2.
a.
Allitsuk
Az
be
INV
be
vizszintes
8.3.1.3.
COM
a. A voltmer5t
koztassuk
b.
Kapcsoljuk
c.
Allitsuk
be
sztiltsegmero
d.
Tavolitsuk
CHl
(CH2)
8.3.1.4.
a.
JegyezzUk
b.
Forgassuk
sen
ATTEN
jobbra
sagat.
c.
Allitsuk
vonal
ter
forgatasakor,
lasnak.
be a P2
visszafele
Amennyiben
tenciometereket,
d.
Forgassuk
szelso
helyzetbe,
lepeseket
heto
8.3.1.5.
a.
Ha a vonal
s5
el.
BASE
helyzetben
mikor a VARIABLE
van,
elteres
allitsuk
a
Amennyiben
sitest
b.
Allitsuk
teres
lamelyik
elterest
a
6.
be
a
maximalis
szels5
az
az
ATTEN
BAL
1,2 V fesztiltseget
el a voltmerot
BAL
potenciometer
a P8
vonal
MODE
kapcsoljuk
ill.
az
PI08
ernyon
CURRENT
potenciometer
10
a TR311 (TR312)
a
MODE
a PIO
+9
kapcsolot
(PIIO)
V-ot
mutasson.
el a voltmer5t,
allasba.
BAL
RANGE
meg a
sugar
el a CHl
es
jegyezztik
potenciometer
helyet
(CH2)
(PI02)
mozduljon
a
tavolsag
sztikseges,
a P5
ezzel
(PI05)
az
VARIABLE
tovabba
egeszen
CURRENT
helyzete,
van,
addig,
beallitasa
mikor a VARIABLE
1 mm-nel
potenciometer
be a potenciometert
legnagyobb,
az
elteres
es
kisebb
lepessel.
a P6
(PI06)
helyzettol,
helyzeteben
"a"-ban
lattuk.)
RANGE
P2
potenciometert
merjtink.
a
V2
kat6djarol.
beallitasa
potenciometereketugy,
kozepen
legyen.
beallitasa
V-os
tranzisztor
CHl
meresi
(CH2)
kollektorara.
allasba.
potenciometereket
kapcsoljuk
a
vegleges
az
ernyon.
VARIABLE
fel
a
potenciometereket
sugar
elmozdulasanak
potenciometereket
el,
mint a VARIABLE
pedig
alli
erny5re
fele
tsuk
hozva a sugarakat.
potenciometereket
ismeteljtik
amig
tovabbi
meg
javulas
potenciometer
jobban
elter
valamelyik
abba a helyzetbe,
jegyezztik
fel
mint 1 mm,
potenciometereket
a
VARIABLE
negyszer
akkora
Amennyiben
tartomanyba.
ugy,
MODE
kapcsolot
beallitasa
ugy,
hogy a fenypotenciome-
legyen
mmet
az
az
l::e
a F8;1?1O&'
a.;
mar
attol
a
szelso
az
elterest.
folytassuk
ugy,
hogy
potenciometer
legyen.
sztikseges,
ugy,
hogy
hogy
a
Csatla-
hogy a fe-
telje-
a
nagy-
elmozdu-
po-
a
bal
b.;
es
c.
nem
er-
kozephelyzett51,
helyzeteben
ahol
a
hitele-
az
elva-
(A
max.
allitsuk
az
26
IT-52
Page 29

be
a P8
legyen.
8.3.1.6.
a.
Jegyezzlik
b.
Huzzuk
c.
Allitsuk
sugar
d.
Toljuk
e.
Ismeteljlik
vonal
sebb
nem
8.3.1.7.
a.
Alli
tsuk
vonal
ket
szelso
8.3.1.8.
a.
Allitsuk
vonal
forgatjuk.
8.3.1.9.
a.
Allitsuk
2 mm-nel
gombot
8.3.1.10.
a.
Ani
tsuk
b.
(CH2
Ani
POSI~ION)
tsuk
helyzete
lot
DC~bol
8.3.1.11.
Kapcsoljuk
az
1-10
8.3.1.12.
a.
Csatlakazzunk
kozos
b.
Kapcsoljuk
potenciometert
c.
Kapcsoljuk
d.
Allitsuk
a
V-at
(PI08)
INV.
fel
potenciometerekst,
BAL
masadik
a
sugar
ki a PULL
be
a P8
felig
visszaterjen
be a PULL
meg
az
elugrasa
lesz,
VAR
ATTEN
be
helyzete
a
mint 2 mm.
BAL
a P2
azonos
helyzeteben.
BASE
ne
INV
CURRENT
be
a p6
mozduljon
BAL
be
a P8
tobbet
kihuzzuk
GRID
CURRENT
vegleges
ne
ill.
be a fenyvonalat
potenciometerek
be a P3
ne
val
tozzek
GND
allasba
A
CH2
csatorna
a
MODE
pontokban
COM
MODE
bealli
CURRENT
tasa
DC
pontjara.
a
MODE
ugy,
a
MODE
be
a PIO
mutasson.
beallitasa
'ro
INVERT
(PI08)
TO
INVERT
el(520
PULL
elozo
TO
helyzetet.
nyomogomboi.
INV
BAL
elozo
helyzetebe.
nyomogombot.
negy
lepest
INVERT
potenciom~terek,!t,
nyomoccomb
beallitasa
(PI02)
potenciometereket
1egyen a VARIABLE
vegleges
(PI06)
be,Hlitasn
potenciometereket
mikozben a VARIABLE
beallitasa
(PI08)
mozdulj
potenciometereket
on
el,
ha a PULL
visszatoljuk.
ZERO
(PI03)
beallitasa
az
ernyo
segitsebev~l.
potenciometE;rcl·:d
az
ernY0~1
amikor
kaposoljuk.
hitelesitese
kapcsolot
leirtakat
valtmerovel
kapcsa16t
es
CH2
a
2.
MAIN
az
CH2
anasba
csatornara
AMPL.
R321
allasba.
hogy a voltmero
kapcso16t
potenciometert
ADDED
ugy,
hOG:I
,~VC':l::J
annyiszor,
kihuzB.sakor
lli~:V,
potenciometer
uSy,
potcncj_OJiu\tert'
ugy,
'fO
kozep~l',_
US:;;,
as
"\C-DC-GND
es
ismeteljU]{
CURRENT
es
R322
Allitsuk
a
V-ot
mutasson.
allasba.
hogy a voltmero
:l"
:~rny6n
ho~y
mig a feny-
hW~Y
ho~y
'..l.
u
hogy a vonal
HTVEHT
,1
Clil
ho!~y
nyomo-
PC;)1'rlON
a
kapc8o-
vOllatkozoan
vegleges
ellenallasck
be a PlIO
a
k
i-
i'enymind-
feny-
e1-
vonal
meg
is.
ismet
U-52
27
Page 30

e.
Kapcsoljuk
f.
Allitsuk
o
V-ot
g.
Kapcsoljuk
h.
Allitsuk
-ot
mutasson.
i.
EllenorizzUk,
mutasson,
teres
nagyobb,
8.3.1.13.
a.
Kapcso'juk
b.
Allitsuk
vonal
c.
Kapcsoljuk
d.
Allitsuk
nyo
e.
Kapcsoljuk
f.
Allitsuk
eppen
g.
Kapcsoljuk
h.
Allitsuk
vonal
i.
Ellenorizztik,
az
az
kozepere
az
eppen
ernyon,
kapcsoljuk.
8.3.1.14.
a.
Kapcsoljuk
0,2
V-os
b.
Csatlakoztassuk
c.
Allitsuk
MODE
TRIGGER
CHl
VOLTS/CM
VARIABLE
CHl
AC-GND-DC
CHl
POSITION a
d.
Az
EMG
az
alabbi
SOURCE
COUPLING
a
MODE
be
a P302
mutasson.
a
MODE
be a PIIO
hogy a voltmero
(MODE
ismeteljUk
MAIN
AMP
a
MODE
be
a POSITION
ernyo
a
MODE
kozepen
be a CHl
kerUljon
a
MODE
be
a P301
ernyo
a
MODE
kozepere
be a CH2
az
ernyo
hogy a vonal
ha a MODE
NORM.
az
TRIG
EMG
allasba.
az
alabbi
1589-U-592
allasba:
kapcsolot
potenciometert
kapcsolot
potenciometert
kapcsolo
DIFF
beallitasa
kapcsolot
CH2
legyen.
kapcsolot
POSITION
a
fenyvonal.
kapcsolot
potenciometert
essek.
kapcsolot
POSITION
kozepere
kapcsolot
DC
BAL
1555
a
kalibralo
tipusu
kapcsolokat
CHl
NORM
0,1
CAL
helyzetbe
AC
negyszogjel
idoelterito
INT
DC
CHl
allasba.
ugy,
CH2
allasba.
ugy,
minde~
CH1, CH2,
meg
az
CH2
ADDED)
elozo
allasba.
potenciometert
ADDED
allasba.
potenciometert
CHl
allasba.
ugy,
CH2
allasba.
p~ciometert
essek.
nem
mozdul-e
CHl
allasbol
beallitasa
oszcilloszkop
jelet
a
a
kovetkezo
az
egyseg
hogy a feszUltsegmero
hogy a voltmero
allasban
0 V + _ 5 mV-ot
amennyiben
lepeseket
ugy,
ugy,
(a-h).
hogy a feny-
hogy
hogy a fenyvonal
ugy,
2 mm-nel
hogy a feny-
tobbet
ADDED
allasba
kalibratorat
CHl
bemenetre.
allasba:
abra
kapcsoloit
kozepen
legyen
allitsuk
az
az
0 V-
el-
er-
el
U-52
Page 31

TRIG
TRIG
Nem
e.
Allitsuk
abrat
Ezutan
suk
amplitudaig
f.
Tavolitsuk
futa
8.3.1.15.
a.
Kapcsoljuk
b.
Kosslik
CHI
c.
Allitsuk
az
ernyo
d.
Kapcsoljuk
e.
Allitsuk
az
ernyo
f.
Tavolitsuk
MODE
LEVEL
biztos,
be
kapjunk
csokkentslik
a P202
idoelteritest
bemeneti
potenciometer
el
CH2
OUT
az
ossze
be
kozepere
az
be
kozepere
el a koaxialis
AUTO
o
hogy
a P202
folytassuk.
a POSITION
a P201
alIa
potenciometert
az
ernyon.
a
kalibrala
a bemeno
az
DC
LEVEL
AC-GND-DC
koaxialis
csatlakozaval.
essek.
AC-GND-DC
potenciometert,
essek.
abrat
ernyon.
kabellel
potenciometert
kapunk.
beallitasat.
jelet,
beallitasa
kapcsolat
(INPUT)
kapcsolat
kabelt.
jel
allitsunk
a
ugy,
GND
CH2
DC
hogy
amplitudajat
A
allasba.
OUTPUT
ugy,
allasba.
hogy a fenyvonal
inditott
finomitast
elo
ismet
kimenetet
hogy a fenyvonal
es
finomit-
20 mV-od
szabadon-
ismet
alIa
a
8.3.2.
8.3.3.
Az
erosites
GAIN
a.
b.
c.
d. A P4
e.
f.
Az
Megjegyzes:
RANGE
Kapcsoljuk
VOLTS/CM
VARIABLE
AC-GND-DC
PULL
MODE
Kapcsoljuk
Csatlakoztassunk
bemenet
elereseig.
Allitsuk
sitestobblet
A P4
ket,
osztak
TO
es
potenciometerrel
az
ellenorzese
beallitasa
beallitasa
az
alabbi
INVERT
az
oszcilloszkap
koze.
P9
potenciometereket
Ekkor
be a
P9
10 % legyen.
ernyon a jel
Az
EMG
1555
amplitudapontossaga
kapcsolakat
0,01
CAL
AC
betolva
CHI
egy
koaxialis
kortilbeltil
potenciometert
allitsuk
amplitudajanak
tipusu
a
kovetkezo
kalibratorat
kabelt
allitsuk
30 %
oszcilloszkap
erositestobbletet
ugy,
be
: 2
%.
a
a
hogy
az
erosites
5 cm-nek
allasba:
50 mV-os
CAL
OUT
es a CHI
maximalis
az
ernyon
pontos
kell
kalibratoranak
allasba.
erosites
kapunk.
az
ero-
erte-
lennie.
U-52
29
Page 32

30
8.3.4.
Az
EMG
1589-U-52
egyseg
bemeneti
Ilymodon a legkedvezotlenebb
~
4 %
lehet.
Tehat
eredmeny.
rizni,
kalibralo
8.3.3.1.
a.
b.
e.
d.
8.3.3.2.
a.
b.
e.
Az
ugy
latszik,
Ennek
hogy
valojaban
jel.
A
VOLTS/CM
Kapesoljuk
Adjunk
Allitsuk
20 mV-os
be
erositesnek
Ellenorizztik
tatva
a
bemenojel
Az
erosites
Kapesoljuk
-os
kalibralo
forgassuk
kell
esokkenni
Ellenorizztik
szelso
Vegezztik
helyzeteben
el
natkozoan
oszt6
nagyfrekveneias
mintha
elkerlilese
oszto
mindket
hiteles
a P4
ill.
megfeleloen.
az
osszes
a
VOLTS/CM
jelet
el
balra
az
azt,
az
1.
is.
Tavolitsuk
az
VOLTS/CM
erteket
finomszabalyozojanak
a
titkozesig.
ernyon.
hogy a CAL
van-e.
es
2.
Megjegyzes:
Az
oszto
beallitando
8.3.4.1.
a.
Kapesoljuk
-DC
b.
Adjunk a bemenetre
c.
Allitsuk
suk
elo
d.
Allitsuk
-es
e.
Allitsuk
jelalakja
f.
Kapesoljuk
~int,
minden
arnyeko16
trimmerkondenzatorok
Az
oszto
kapesolot
az
be a jel
allo
abrat
be a negyszoggenerator
abrat
lassunk
be
helyes
a
megfeleloen
egyes
lemezen
kompenzaeioja
a
VOLTS/CM
pedig
idoelteritesi
ismetlodesi
az
erny5n.
az
'a
C404
legyen.
CHl
VOLTS/CM
valtoztatva
allasban
DC
a
negyszog
erny6n.
trimmerkondenzatort
zatort.
osztojanak
esetben
a
tliresnel
eeljabol
adott
erteknel
ellenorzese
kapeso16t
kalibralojelet
PI04
GAIN
osztoallasokat,
is.
kapesolot
bemenetre.
A
allas
ellenorzeset
el a vezerlo
beallitasa
leva
pozieioszamok
megkereseset.
kapesolokat
allasba.
gener~torb61
sebesseget
frekveneiajat
kapesolot
a
allitsuk
be a megfelelo
a
pontossaga
az
ernyan
merhetn
kedvezatlenebb
eelszerli
milyen
ilyenkor
pontossagu
0,01
allasba.
a
bemenetekre.
potenciometereket
megfeleloen
ellenorzese
0,01
jelnek
allasba.
A
VARIABLE
2
a
poteneiometer
a
masik
jelet
poteneiometert
em-nel
esatornara
a
megkonnyitik
0,02
allasba,
(7)
0,2
msee/em-re,
2,5
kHz-re,
amplitudojat
ugy,
az
alabbi
bemenojel
ugy,
hogy a negyszog
amplitudojat,
~
2
hiba
lenne
az
elleno-
a
a
hiteles
valtoz-
Adjunk
50
mV-
kisebbre
jobb
vo-
bemenetrol.
a
az
AC-GND-
bemeno
jelet.
allit-
allitsunk
hogy
tablazat
5 cm-
sze-
trimmerkonden-
U-52
%.
Page 33

~
VOLTS/CM
CHI
CH2
g.
Kapesoljuk
az
egyes
tablazat
h.
Tavolitsuk
8.3.4.2.
a.
Kapesoljuk
esolojat
kapesoloit
b.
Csatlakozzunk
reo
e.
Hasznaljunk
a
TRIGGER
junk
nagysagu.
d.
Allitsuk
tato
egyenes
e.
Kapesoljuk
f.
Kapesoljuk
g.
Allitsuk
zatort
szogjel
Ismeteljiik
allasaiban.
0,02
0,05
0,1
0,2
0,5
1,0
2,0
5,0
10,0
20,0
a
MODE
lepeseket
szerint.
el a negyszog
A
bemeneti
az
EMG
0,1
V-os
0,01
az
0,5
kezeloszerveket
az
ernyon.
be a VOLTS/CM
kondenzatort
legyen
a
VOLTS/CM
az 1 kHz-es
be a megfelelo
ugy,
hogy
teteje
meg a
kapesolot
a
idoallando
1555
allasba
allasba.
RC
tagon
ms/em
Az
ernyon
ugy,
(C401,
ismet
(C403,
beallitast
C404
C408
C411 C450
C414
C418
C422
C426
C430 C469
C434
C438 C477
CH2
allasba
2-es
esatornara
generatort.
beallitasa
tipusu
oszeilloszkop
es
az
EMG
keresztiil
idoelteritesi
ugy,
lathato
kapesolo
hogy
az
hogy
negyszog
bemeneti
ernyon
C440).
kapesolot
kalibratort
bemeno
egyenes
0,02
0,2 V allasba.
kapaeitast
legyen
C442).
CHl
VOLTS/CM
C443
C447
C453
C457
C46-1
c465
C473
es
ismeteljlik
vonatkczoan
CALIBRATOR
1589-U-52
(1
Mohm
sebesseget.
inditott
amplitudoja
kapaeitasat
lathato
allasba.
valtoztato
az
ernyon
kapesolo
a
egyseg
II
25 pF)
Allitsuk
allo
negyszog
lathato
meg
fenti
VOLTS/CM
bemenet-
abrat
valtoz-
konden-
osszes
kap-
be
kap-
5
em
teteje
negy-
U-52
VOLTS/CM
0,05
0,1
0,2
CHI
CH2
C407 C446
C410
C449
C413 C452
31
Page 34

VOLTS/CM
CH1 CH2
8.3.5.
0,5
1,0
2,0
5,0
10,0
20,0
h.
Vegezzlik e1 a
tasat
i.
Tavo1itsuk
Az
erosito
a.
A11itsuk
kezQ m6don:
CHI
~~
VOLTS/CM
VARIABLE
POSITION
AC-GND-DC
TRIGGER
MODE
b.
Csat1akozzunk
menetere.
e.
A11itsuk
50 mV-os
d.
A11itsuk
DS
/em
(0,2
a11asban
bementi
a
masodik
e1 a
(CH2)
merokabe1t
nagyfrekveneias
be
az
EMG
CH2
csatornan:
0,01
CAL
kozepa11asban
DC
NORM
CH1
impu1zusgeneratorro1
be
az
impu1zusgenerator
amp1itudoju
be
az
idoe1terites
idoe1teritesi
;Us/em,
+,
10x-es
AC
a11asban
C417
C421
C425 C463
C429
C433
C437
idoa11ando
eseteben
es
a
az
atvite1enek
1589-U-52
pozitiv
egyseg
impu1zus
keze10szerveit
sebessegge1
1assuk
nyujtassa1).
tortenjek.
C456
C460
C468
C472
C476
(bemeno
fenti
RC
tagot.
kapaeitas)
tab1azat
bea11itasa
keze10szerveit
az
EMG
1589-U-52
keze10szerveit
jusson
ugy,
a
je1et
)
.. z inditas
szerint.
ugy,
a
bemenetre.
hogy
az
ernyon
be1so
bea11i-
a
kovet-
CH1
hogy
20
trigger
be-
32.
Megjegyzes:
Sztikseg
merest
juk,
vabba,
Az
ernyon
e.
Al1itsuk
1ehet
vegezztik,
azert,
hogy
ernyon
jlik
meg a
f.
A11itsuk
atvite1
g.
Tavo1itsuk
arra,
hogy
hosszabb
kb. 5 em
be
a C27, C40
mine1
toke1e~esebb
bea11itast
be
az
1eheto
e1 a
hogy
besotetitstik
tovabba a fenyerot
az
abrat
1assuk
fenye11enzot
nagysegu
pozitiv
trimmerkondenzatorokat
a1aku
CH2
kapeso1o
L316
1egjobb
induktivitast
1egyen.
merokabe1t.
a
he1yiseget,
maxima1is
az
ernyon.
haszna1junk.
impu1zust
impu1zust
a11asban:
ugy,
hogy
a11asban
Hasznos
ke11
1atni.
ugy,
1assunk.
C127, C140.
az
impu1zus
ame1yben a
haszna1-
1ehet
to-
hogy
Ismete1~
az
U-52
Page 35

8.3.6.
A
fUggaleges
1. A meresi
hasznaltunk.
2.
Allitsuk
lathata
3.
Allitsuk
bessege
4.
EllenarizzUk,
4,5
nsee.
5.
EllenarizzUk
don.
6.
Tavolitsuk
erasita
elrendezes
be
az
impulzus
be
az
10
ns/em
hogy a felfutasi'
a
el
az
felfutasi
azonos,
impulzusgeneratort
kb. 5 em
idoelteritest
legyen,
masik
esatorna
impulzus
ideje
mint
nagysagu
ugy,
(0,1
generatort.
amit
olymodon,
legyen.
hogy
Ius/em,
ida
kisebb
felfutasi
az
elozo
az
idoelterites
10x-es
legyen,
idejet
meresnel
hogy
az
nyujtas).
hasonlo
ernyon
se-
mint
ma-
A mUkodes
1.
Chopped Mode
a.
Allitsuk
test
b.
Kapesoljuk
Ha
tereit,
2.
Chopped
a.
Allitsuk
nal
legyen.
b.
Allitsuk
eseten
negyszog
ha
3.
Alternate
a.
Allitsuk
badonfuta
b.
Kapesoljuk
Ekkor
ernyan.
4.
CH2
OUTPUT
a.
Kapesoljuk
CH2
allasba.
b.
Kapesoljuk
e.
KossUk
d.
KossUk
ellenorzese
be
kapjunk,
megfeleloen
ket
Blanking
be a ket
az
ernya
be
az
ernyon
felfuto
fenyerat
Mode
be
idoelteritest
ket
felvaltva
jel
VOLTS/CM
ossze a CAL
ossze a CH2
az
idoelteritest
amelynek
az
EMG
1589-U-52
beallitjuk
vonalat
felso
az
idoelteritest
maximalis
az
idaelteritest
az
EMG
amplitudajanak
a
CHl
kapesolat
az
EMG
kell
pozieia
szelen,
latszolag
es
lefuto
1589-U-52
megjeleno
VOLTS/CM
1555
OUT
OUTPUT
ugy,
sebessege
MODE
a
ket
kapnunk a katadsugareso
poteneiometert
a
masik
ugy,
negyszogjelet
ele
allasba
ugy,
kapjunk.
MODE
ellenarz8se
kapesolat
0,01
tipus
kimenetet
allasba,
1
kimenetet
hogy
nyujtas
kapesolajat
esatorna
pedig
hogy
nem
lathato,
esavarjuk.
hogy
kapesolajat
vizszintes
0,1
a
kHz-es
a
CH2
a
kalibratorat
CHl
szabadon
nelkUl
e
POSITION
ugy,
az
inditott
lassunk,
20 ms/em
vonalat
allasba.
MODE
bemenettel.
hogy
ernya
kiveve
ALTER
kapesolot
bemenettel.
futo
0,5/us/em.
CHOP
idaelterites
sebessegU
idaelteri-
allasba.
poteneiome-
ernyojen.
az
egyik
also
azonban
latunk
Kapesoljuk
szelen
azt
az
allasba.
az
pedig
20
mV
vo-
a
esetet
sza-
a
CHl
allasba.
U-52
33
Page 36

e.
Allitsuk
az
kell
elterites
latni,
be
az
melynek
idoelteritest
sebessege
amplitud6ja
0,5
ugy,
ms/cm
hogy
legyen.
2
es J cm
belso
Az
kozott
inditas
ernyon
legyen,
negyszogjelet
van,
U-52
Page 37

~
9.
KARBANTARTAS
ES
HIBAELHARITAS
9.1.
Az
EMG
tes
zeteben
Az
kodik.
ezert
jtik
ujra
lekben,
Karbantartas
EMG
1589-U-52
1555
tipusu
utmutatast
talaljuk.
EMG
1589-U-52
Azonban,
minden
minden
kell
ez
vegrehajtasa.
9.2.
Hibaelharitas
9.2.1.
tipus
oszcilloszkopot,
az
EMG
megbizhato
hogy
500
oras
hat
honapban
hitelesiteni
esetben
Tudnivalok
Az
EMG
1555
talalunk
r61.
Az
ott
karbantartasat
1555
kesztilektink
hasznalat
ujra
a
keszUleket,
azonban
a
hibaelharitassal
tipus
esetleges
elmondottak
ezert
tipus
kezelesi
keszUlek,
mindig
utan,
kell
altalaban
kezelesi
meghibasodas
kalmazhatok.
Amennyiben
all,
mindig
egytitt
masik
probaljuk
tizemeltetett
fUgg61eges
ki
EMG
amennyiben a hiba a masik
jtink
ellen6rizni
olymodon,
1555
all.
het6
egysegek
megfele16
Az
tartozik,
komoly
legcelszerUbb
Amennyiben magunk
kell
hozza
hogy
tipus
Ugyanis
vissza.
egymas
az
EMG
1589-U-52
ezert
feladat.
torekedntink.
az
egyseg
az
EMG
mas
jobboldali
szamos
(Pl.
ALTERNATE
kozott
EMG
1589-U-532
egyseg a nagybonyolultsagu
javitasa
Eppen
a
gyarto
vegezztik a javitast,
Amennyiben a
javitasahoz.
1589-U-582
id6elterit6
fiokjanak
hiba a vizszintes
valo
ezert
mti
hasonle
a
karbantartasra
medon
utmutatasanak
mely
vagy
hitelesiteni
ha
hosszu
pontos
ha
nem
meresekre
a
kesztileket.
alkatreszeket
elegend6 a hitelesites
kapcsolatban
utasitasaban
alkalmaval
az
EMG
1589-U-52
elterit6
e16szor
1555
tipusu
fUgg61eges
egyseg
az
EMG
oszcilloszkopot,
fiokkal
Ugyancsak
vizszintes
egyseget
helyere,
elterit6
tizemmodban)
kicserelese
ill.
meg
esetleges
az
tapasztalt
EMG
meghibasodas
szervizszolgalatat
a
hiba
az
EMG
vegezztik,
vonatkozo
megfele16
ideig
hibamentesen
legyen
folyamatosan
Ugyancsak
cserelUnk
egy
altalanos
utmutatasokat
kovetend6
tipus
1589-U-52
eseteben
is
rendelkezesre
egyseggel
nem
all
feltetlentil
elterit6
helyeztink
ha
ilyen
egyseget
be
rendelkezesre
egysegre
Termeszetesen
a
legcelravezet6bb,
1589-U-591
egyseg
kesztilekek
szakember
reszere
eseten
igenybe
hiba
behatarolasara
1589-U-52
mint
az
reszlefeje-
alkalmas,
mtikodtet-
a
keszU-
reszenek
mOdszerek-
is
es
csak
fenn
kezd-
erdemes
az
EMG
vezet-
azonos
is.
koze
is
a
venni.
egysegben
mti-
al-
is
de
U-52
35
Page 38

van,
Ie,
eloszor
ezzel
tosabb
A
csatlakozon
hoz
kepest
sok
helyet.
a
a
csatlakozon
esetben
merheto
mar
ellenallasertekek
kovetkezok:
merheto
reszben
impedanciakat
behatarolhatjuk
(ohm-ertekben)
ellenorizztik
a
hiba
a
pon-
fold-
9.2.2.
la
~
Ib
35 k
lc
~
hiba
A
tos
akkor
leljtik
tapegysegzarlat,
ilyen
zarlatot
tavolitottuk,
kezhet
2a
3a
120
2b
300
2c
~
3b 4b 5b
~
3c
170
megkereseseben
megfigyelese,
az
elolapon
a
hibajelenseget.
vizsgalodasnak
okozo
es a zarlatot
a
bekapcsolt
amelynek
diodat,
ben a kezeloszerveket
azzal
a
kereses
honapban
A
mert
a
vetkezo
Rendszeres
A
a
EMG
az
eredmennyel
kesztileket
elott
volt-e
hiba
keresesenel
ezzel
hiba
megkereseseben
fejezetben
hibakereses
kovetkezo
1555
oszcilloszkop:
es
nem
ajanlatos
hitelesitve
a
hibat
hibakereses
megkezdese
allasba:
INTENSITY:
FOCUS:
ASTIGMATISM:
SCALE
ILLUM:
CALIBRATOR:
4a
11 k
4c
5a
~
5c
170
nagy
ezert
segitseget
ha a hiba
talalhato
Nagymervti
kovetkezteben
nincsen
tranzisztort
allapotban
mtikodtetjtik.
jar,
hogy
sztikseges
meggyozodni
celszerti
pontosan
is
ez
roviden
ismertetlink
elott
kozepallasba
kozepallasba
kozepallasba
tetszoleges
20
mV
(1
kHz)
6a
~
6b
6c
0
7a
~
7b
~
7c
600
nyujt
nem
nagymervti
kezeloszervek
meghibasodas
helye
addig,
vagy
meg nem
sztintetttik.
torteno
Az
ilyen
elegendo
hibas
alkatreszt
arrol,
a
kesztilek.
szisztematikus
fel
tudjuk
adja
a
leggyorsabb
kapcsoljuk
Sa
~
Sb
Sc
0
600
a
hibajelenseg
meghibasodas,
mtikodtetesevel
eseteben
a
kesztilek
mig
pl.
egyeb
alkatreszt
Ezutan
hiba
megfigyelese,
vizsgalodas
csupLln
ujrahitelesiteni
keresntink.
hogy a legutobbi
modszert
deriteni
es
mOdszert.
egy
ilyen
a
kezeloszerveket
9a
~
9b
9c
lOa
lOb
10c
ftistol
a
tapegyseg-
kovet-
kovetni,
altalaban
modszert.
0
0
pon-
esz-
pl.
stb.,
el
nem
mikoz-
gyakran
Hiba-
hat
A
ko-
36
U-52
Page 39

EMG
1589-U-592
HOR.
MAGN.
"A"
"A"
LEVEL:
A
tobbi
EMG
CHI
AC-GND-DC:
VOLTS/CM:
VARIABLE:
POSITION:
PULL
CH2
Megegyez5
TRIGGER:
MODE:
Ezutan
keszUlek
lenni
A
tovabbiakban
alkalmas
lenorzeser51,
reszt
jUk
sara.
9.2.2.1.
FREE
bajat.
CH2
erny5n,
bazisait
Ha a feny
csoljuk.
Ha
vonal
torok
cserelni.
Figyelem:
A
DISPLAY: "A"
:
COUPLING:
SOURCE: INT
keze15szerv
1589-U-52:
TO
bekapcsoljuk
az
felsoroljuk
azokat
RUN
allasba
hiba
id5elterit5
INVERT:
a CHI
bemelegszik.
erny5n.
egyreszt
beallitasokat
hanem a mUkodes
a
mereseket,
A
vonal
allasba
kapcsolunk:
akkor
rovidrezarjuk.
nem
ismet
aramkoreben
elharitasa
nem
kapcsolunk,
egy
jelenik
nem
parbavalogatott
egyseg:
OFF
DC
kozepallasba
allasa
AC
0,01
CAL
kozepallasba
betolt
keze15szerveivel.
NORM
CHI
a
keszUleket.
Vizszintes
az
esetleges
jelenik
100
meg, a MODE
jelenik
van.
utan
tetsz51eges.
helyzetbe
ismertetjlik
ill.
mereseket
amelyek
meg
ezzel
ha a vonal
ohmos
meg a hiba
Celszerli
tranzisztorok
a
vonal
Varunk
fenyes
ellenorzeserol
hibajelensegeket,
alkalmasak
az
kizarjuk
ekkor
ellenallassal
kapcsolot
eloszor
megjelenik.
vonalnak
a
mlikodes
(nem a specifikacio
erny5n
a
TRJ05-
nehany
ellen5rzesere
lesz
a
hiba
az
AUTO
nem
jelenik
TRJ05
CH2
TR
a
tranzisztorokat
sZliksegesek.
percig,
kell
szo),
veglil
behataroli-
alIas
es
allasba
JIO
mig
megje-
mas-
kozol-
meg
TRJ06
kap-
tranzisz-
a
el-
hi-
az
U-52
J7
I
Page 40

A
hiba
zisztorok
9.2.2.2.
a.
Egyik
TRJ12
megfele16ek,
elharitasa
bazisanak
Ellen6rizztik,
esetben
sines
kollektorfesztiltsegeit.
a
bistabil
Ha a fesztiltsegekhelyesek,
TRJ02, TRJOJ
segeit.
teles
Az
oszeilloszkoppal
es
egyenfesztiltsegek
nagyfrekveneian
Tovabbi
Eset,leges
b. A feny
vegz6dtek.
eiometerek
9.2.2.J.
feny.
a
CHI
allasban
sztiltseget.
hibalehet6seg:
hibas
nem
jelenik
A
hiba
aramkore.
A
meresek
megmerjtik a
Ha a fesztiltseg
utan a vonal
osszekotese
hogy
vonal.
aramkorben
TRJ04
tranzisztorok
gy6z6djtink
a
fokozat.
a
kapeso16
elem
javitasa
meg,
az
lehetseges
A
hibat
es a hibak
TR5
nem
CHI
ill.
Ekkor
Ha a fesztiltsegertekek
akkor
ellen6rzesen
utan a vonal
e16z6
oka:
kijavitva
kijavitasa
es
TR6
megfele16,
esak
utan
CH2
a TRJ05
jelenik
allasban
ellen6rizztik
keresstik
ellen6rizztik
bazis
meg
arrol,
diodak,
meresek
A PJOI
utan
tranzisztorok
es
TRJ06
meg.
van-e
a
a
hibat.
a TRJOl,
es
emitterfesztilt-
tulmen6en
hogy
DJOI-DJ08.
megjelenik.
negativ
vagy a PJ02
a
vonal
megjelenik.
sem
jelenik
kollektorfe-
merjtik
a TRJ,TR4
tran-
vonal.
TRJll
es
nem
mintave-
nem
gerjed-e
eredmennyel
poten-
meg
.,
kollektorfesztiltseget.
TR3
as
TR4
bazisfesztiltseget~
Ha a fesztiltseg
Ha a TRJ
esetleg
bazisfesztiltsege
a p6
Ha a fesztiltseg
stik a V2
A
hibat
a
P2
9.2.2.4.
Ha
nines,
Ha
ninesen
muvisztor
megkeresve
poteneiometerrel.
Ellen6rizztik,
kapesoljuk
ismet
fesztiltseget
Ha a fesztiltseg
tranzisztorok
Ha a fesztiltseg
TRI04
tranzisztorok
Ha a fesztiltseg
reI.
Ha
a TRIOJ
PI04, a PI05
nem
poteneiometeren.
nem
feny,
mertink.
helyes,
kollektoran.
helyes,
nem
bazisanak
esetleg
Ha a
fesztiltseg
megfele16,
nem
allithato
aramkoreben.
beallitjuk
A
vonal
hogy a CH2
a
TRIGGER
TRI05
es
merjtik a fesztiltseget
akkor
bazisan.
megfele16,
fesztiltsege
a
Plo6
poteneiometeren.
beallitjuk
megfele16,
be
helyes
a
TRJ
helyes
megjelenik
allasban
kapesolot
TRI06
tranzisztorok
fesztiltseget
beallitjuk
nem
nem
megfelelo,
a P8
poteneiometert.
allitsunk
ertekre,
bazisfesztiltseget
az
erny6n.
van-e
NORM
allasba.
TRIOJ
mertink a TRIOJ
a
PI08
megfele16,
merjtik
a
P4,
P5
a
hibat
feny
az
keres-
erny6n.
kollektoran
es
TRI04
es
poteneiometer-
allitunk
a
a
J8
U-52
Page 41

.,-
Ha a fesztiltseg
a VI02
poteneiometerrel
A
vonal
9.2.2.5.
ellen6rizztik
Ha
poteneiometereket.
Ha
visszafele
taroljuk,
A
hibat
9.2.2.6.
ellenorizztik,
szinkronizaeio.
Ha
TR201, TR202, TR203
Ha a hiba
stink a TR205, TR206, TR207
A
hibat
9.2.2.7.
orizztik
TR206
Ha
emitterkoreben,
A
hibat
mtikodik.
9.2.2.8.
Ha
P8
Figyelem!
teneiometerekkel
sitesi
tani.
Ezutan a polaritas
9.2.2.9.
Kapcsoljuk
nyan
(TIME/CM).
kapcsoloallasban
nuvisztor
megjelenik
A
az
erosites
nem
lehet
hogy
kijavitva
A
nincsen
kijavitasa
kijavitva
A
a
szinkronizaciot.
tranzisztorok
ez
hib~s,
megkeresve
Ellenorizzlik
hibas,
ill.
allasaban.
egymas
javitjuk
PI08
Nem
reszben
Ellenorizztik
kalibratorbol
haladva
TRIGGER
szinkronizacio
TRIGGER
a
kapesoljuk
meg
mindig
aramkoreben.
beallitjuk
az
ernyon.
az
erositok
nem
megfelela,
2
em-es
melyik
hogy a TRIGGER
hibat
ahonnan a kiesatolas
potenciometert.
biztos,
leirtak
TIME/CM
utan
abrat
oszeilloszkoppal
fokozatban
az
abra 2 em
kapesolot
es
TR204
utan
a
szinkronizacio
kapcsolot
bemenetere
keresstink
a
szinkronizacio
PULL
a
bekotest,
hogy a helyes
el
lehet
alapjan
valtast
a
helyes
kapcsolot
lefuto
ket
ket
vegig a teljes
vonalat
men
Miutan a hibat
a
helyes
20
mV
atvitelet
beallitjuk
beallitani,
CH2
kapcsolo
a
CH2
tranzisztorok
sincsen
es
TR208
NORM.
Ha
nem
a TR309
TO
INVERT
erni.
kell
helyesen
mtikodest a MODE
100
vonalat
kell
megfele16,
fesztiltseget.
feszliltseget
CHI
es
akkor a esatlakozotol
erositest
van a hiba.
nagysagu
ONLY
allasban,
juto
esetleg
Amennyiben
allasba
mindket
sZinkronizacio,
tranzisztorok
mtikodik.
allasba
mtikodik,
fesztiltseget
es
tortenik.
mindket
kapcsolo
helyesen
beallitast
a
kiegyenlitest
vegre
ms/em
kell
savban.
latnunk.
akkor
CH2
helyesen
lesz.
hibat
aramkoreben.
kapcsolva
merjtik a TR205
TR310
sztikseges
lehet
allasba.
latnunk.
hibat
megkeresttik,
adva a bemenetre
allasban.
a P4
mertink,
kapcsoljuk
allasaban
kereslink
hibat
aramkoreben.
NORM
tranzisztorok
allasaban
helyes
beallitjuk
ezekkel
hajtani.
kapcsolo
Ekkor
A
Az
ernyon
kerestink
PI02
es
PI04
es
beha-
es
van-e
a
kere-
ellen-
es
allasban.
helyesen
mtikodeset.
a
a
po-
a
hitele-
vegrehaj-
ALTER
az
er-
kapcsolot
minden
U-52
39
Page 42

Ha nem
TR311, TR312
Ellenorizzlik,
dito
EMG
hibat
A
hiba
9.2.2.10.
A
MODE
allasba
negyszogjelet
Ha
TR313
A
hibat
megjelent,
kereslink
A
hiba
9.2.2.11.
Adjunk
Kapcsoljuk
Kapcsoljuk
4
cm
PULL
Ha a mlikodes nem
TR312
koreben.
A
hibat
9.2.2.12.
Csatlakozzunk
netre.
Adjunk
Az
Ha
aramkoret,
9.2.2.13.
Az
POSITION
jerol
jelenik
es
hogy a csatlakozo
impulzus.
1589-U-52
az
emlitett
kijavitasa
dest.
kapcsolo
kapcsoljuk.
a mlikodes nem
tranzisztorok
kijavitva,
a TR314, TR315
megkeresese
kodest.
20 mV-os
nagysagu
TO
INVERT
tranzisztorok
kijavitva
Kapcsoljuk
2 mV-os
ernyon 2 cm-es
nem
latunk,
AC-GND-DC
potenciometert.
fel-
egysegben
Ellenorizzlik
latunk-e
de a
Ellenorizzlik
a
MODE
a
TRIGGER
negyszogjelet
Ellenorizzlik
BNC
es a hibat
EllenorizzUk
kapcsolot
es
lefele
meg
az
ernyon
TR313
Ha
CHOP
megfelelo,
fel-
kalibralojelet
kapcsolojat
megfelelo,
kalibralo
ellenorizzlik
tranzisztorok
az
impulzus
tranzisztorok
utan
kapcsolot
a mlikodes
kabellel
mindket
abrat
az
a
allasaban
Ellenorizzlik,
az
aramkoreben.
a
negyszogjel
es
utan a fel-
az
kapcsolot
vagy a P301
a
kijavitva
a POSITION
GND
ki
ket
van.
lefutas
es
kell
kell
Amennyiben
ernyon
CHOP
'ernyon.
hibat
TR316
ADDED
ADDED
kell
kihuzva
ugy
megfelelo
CH2
OUTPUT
a
CH2
VOLTS/CM
jelet
latnunk.
Ie
a.llasba
A
fenyvonalat
tudni
vonal,
"la"
nem
erkezik,
aramkoreben
ket
kapcsoloallasban
a
TIME/CM
hogy 1 MHz
kereslink
megjelenik.
nincsen
tranzisztorok
es
lefutas
kapcsolo
mindket
allasba.
CH2
ONLY
latnunk.
a
hibat
es
PJ02
OUTPUT
kapcsolot
a
CH2
a TR203
2
cm-es
potenciometerek
kapcsolva
tolni.
ugy
aramkoreben.
erintkezojen
az
vonal
kapcsolot
kioltva,
az
allasban
bemenetre.
allasba.
A
jelnek
kereslink
potenciometerek
lesz.
erosito
kimenetrol
bemenetre.
es
TR204
jelet
a
katodsugarcso
hibat
a
hiba
impulzus
kell
jelenik
ismetlodesi
a TR311, TR312,
Ha a negyszogjel
ernyon
CH2
el
mlikodeset.
10
forgassuk
kereslink
erkezik-e
nem
az
megvan,
keresnlink.
meg.
a
helyes
1
;u
s/cm
akkor
aramkOreben.
a
Az
csatorna
kell
a TR311
mV/cm
tranzisztorok
latunk
mlikodeset.
nem
helyes
ernyon
tlinnie.
a
CHI
allasba.
az
hibat
ill.
el
ernyo-
mliko-
latszik.
aram-
beme-
ernyon.
a
in-
a
idejli
ill.
mli-
a
40
U-52
Page 43

Ha
a rr:iil:odes
kimenettol
9.2.2.14.
10
mY-os
eppen
Ha
megnoveljiik
nak
is
mrn.
)Hiba
A
m{;rest
jellel
~l
hlbat
9.2.2.15.
Adjunk
latLunk
~enyvonalat
pontosan
Kapcsoljuk
e1'nyo
Kapcsoljuk
vonalanak
Hiba
denzito1't.
kalib1'a16jelet
1
em
eppen
eeeten
a POSITION
is
veg1'ehajtjuk.
kijavi
10
nN-os
az
hZ
kozepen
a
eseten
hibas,
visszafele
Ellenorizziik
nagysagu
az
4 cm-1'e
tva a linea1'i
Elleno1'izziik
e1'nyon. A kapcGo16t
kell
e1'ny6
a
kapcso16t
kell
a
kapcso16t
kozepvonallal
elleno1'izziik
fokozaconkent
haladva.
az
erosito
adjunk
ab1'at a GAIN
ab1'at
a
hibat
kalib1'a16jelet
latnunk
kozepe1'e.
elhelyezkecni.
ill.
kell
potenciorr:ete1'
megnoni.
fokozatonkent
az
AC-G:ND-DC
az
AC
allasba,
DC
allasba:
egybe
a
vegigmerjiik
a
CHI
potenciomete1'1'el.
a
bemenojelet
miikoctetesevel
tas
megfelelo
a
bemenet1'e.
GND
e1'nyon.
kell
kapcso16t
az
linearit~8at.
bemenetre.
40
mV-1'a,
(A
megengedett
ke1'esi.
lesz.
kapcso16
allasba
Allitsuk
ekko1' a
ekko1' a
esnl.
es 8 C9
miikodeset.
1
cm-es
kapcsolva
a
jelnek
negyszogjel
ill.
Grosi
Allitsunk
es
feryvonalat
tot,
3Z
hlba
portosan
a
:
10 mY-os
ab1'at
vizszintes
als6
CI09
8
te
ab1'a-
0,4
kel.l
az
kon-
-
...
h:ihak
Jit,3t
kijavitasa
a
8.
fejezetbcYl_
e::::
a miikodes
leirtuk
elleno1'zese
szeri.nt.
utan
hitelesitsiik
az
e1'o-
U-52
41
I
Page 44

10.
R.PLKTAROZASI
A
k,s3zUleket
potban
alyan
raktarozni
ES
SZALLITASI
a
4.1.
pontnak
raktarhelyisegben,
es
szallitani,
FElmf:TELEK
megfele16en
ill.
melyek
az
becsomagol t es
olyan
alanti
kUlso
eloirasoktol
leragasztott
korUlmenyek
nem
kozott
ternek
:illakell
el:
Kornyezeti
Levego
homerseklet:
relativ
Legnyomas:
A
keszUlek
hosszu
szUksegesse.
Raktarozas
korUlmenyek
0°
alatti
szUleket
mig
h6merseklet-egyensulyba
utan a keszlilek
kozott
homersekleten
celszerU
nedvessege:
idejU
raktarozasa
kicsomagolva
azonnal
Uzemkepes.
tortent
allandosito
legterbe
jut
kUlonleges
raktarozas
helyezni
es
csak
_25°C
max.
860 -1060
es
98
%
6vintezkedest
es
halozatra
utan,
es
azutan
lizembehelyezni.
+550 C
mb
csatlakoztatva
hasznalat
tartani,
nem
tesz
lizemi
e16tt a ke-
mindaddig,
42
U-52
Page 45

,"
MELLEKLETEK
Alkatreszjegyzek
Nezeti
kep
Tombvazlat
Elolap
Belso
a
elrendezes
Kapcsolasi
11.
abral
12.
abral
kezeloszervekkel
14,5,6
rajz
17,8,9,10,11
13.
abral
abral
abral
V-52
43
Page 46

Szabadsag
MGTSZ
Nyomda,
Gyal
78-093
Page 47

MELLEKLETEK
APPENDICES
AN
HANG
nPlnOJHEHIR
Page 48

, I
ALKATRESZJEGYZEK
en
E
l..-'
III
PARTS
LIST
SCHALTTEILLISTE
LlSTE
<I>
III
DU
KA
MATERIEL
l..-'
III
11
A
ET
An
Eiii
Page 49

RF
RK
RT
RH
RPH
RZ
femretegellenallas
szenrete
tarcsaellenallas
huzalellenallas
precizi6s
zomancbevonatu
gellenallas
huzalellenallas
allas
huzalellen-
metal-film
crystal-carbon
disc
resistor
wire-wound
precision
wire-wound
(enamelled)
wire-wound
resistor
resistor
resistor
resistor
resistor
Metalls
chicht
wider
Kohlens
chichtw
Scheibenwiderstand
Drahtwiderstand
Prazisions
Drahtwiderstand
-Drahtwiderstand
stand
iderstand
~
,
PH
PR
CP
CC
CK
CE
CS
CMP
CMF
CML
CMS
CT
CME
CET
CFE
V
NJ
D
Se
TR
Th
IC
XL
So
PI
T
L
A
REG
huzalpotenciometer
reteg
potenciometer
papirkondenzator
csillamkondenzator
keramia
elektrolit
styroflex
femezett
femezett
femezett
femezett
trimmer
femezett
tantal
polieszter
elektroncs6
szamjelz6
di6da
szelen
tranzisztor
termisztor
integralt
kristaly
csatlakoz6
csatlakoz6
transzformator
induktivitas
akkumulator
regisztra16
kondenzator
kondenzator
kondenzator
papirkondenzator
mtianyagf6lias
kondenzator
lakkfilm
styroflex
kondenzator
polieszter
elektrolit
kondenzator
eszk6z6k
egyeniranyit6
aramk6r
aljzat
dug6
kondenzator
kondenzator
kondenzator
kondenzator
wire-wound
film-type
paper
capacitor
mica
capacitor
ceramic
electrolytic
styroflex
metallized
metallized
capacitor
metallized
metallized
trimmer
metallized
tantal
electrolytic
polyester
tube
numerical
diode
selenium
transistor
thermistor
integrated
crystal
socket
plug
connector
transformer
inductivity,
rechargeable
recorder
potentiometer
potentiometer
capacitor
capacitor
capacitor
paper
capacitor
plastic
lacquered
styroflex
capacitor
polyester
capacitor
indicators
rectifier
';ircuit
coil
battery
foil
capacitor
capacitor
capacitor
capacitor
Drahtpoten
Schichpotentiometer
Papierkondensator
Glimmerkondensator
Keramikkondensator
Elektrolytkondensator
Styroflexkondensator
Metallpapierkondensator
Metallkunstoff-Folien-
kondensator
Metallisierte-Kunststoffkon-
densator
Metallstyroflexkondensator
T
rimmerkondensator
Metallpolyesterkondensator
T
antalelektrolytkondensator
Polyesterfolienkondensator
R6hren
Ziffernanzeigen
Dioden
Selen
T
ransistoren
Termistor
integrierte
Schwingquarz
Buchse
Stecker
Transformatoren/Ubertrager
Spulen
Batterie
Schreiber
tiometer
mit
Lackfolien
Stromkre.ise
F
H
Hx
RY
J
G
S
MOT
B
M
biztosit6
hallgat6
hangsz6r6
jelfog6
jelz61ampa
parazsfenylampa
kapcso16
motor
telep
mliszer
betet
fuse
headphone
loudspeaker
relay
pilot
lamp
glow
discharge
switch
motor
battery
meter
lamp
Sicherungseinsatz
Kopfh6rer/ Ohrh6rer
Lautsprecher
Relais
Signallampe
Glimmlampe
Schalter
Motor
Batterie
Anzeigeinstrument
Page 50

•
resistance a couche
resistance a couche
resistance a disque
resistance
resistance
resistance
potentiometre
potentiometre a couche
condensateur
condensateur
condensateur
condensateur
condensateur
condensateur
condensateur afeuille
synthetique
condensateur
metallise
condensateur
condensateur
condensateur
condensateur
condensateur
bobinee
bobinee
emaillee
metallique
de
de
bobine
au
papier
au
mica
ceramique
electrolytique
au
styroflex
au
papier
metallise
au
film
au
styroflex
trimmer
au
polyester
electrolytique
au
polyester
carbone
precision
metallise
en
matiere
de
vernis
metallise
metallise
au
tantale
peaVlcTop
peaVlcTop
peaVlcTop
peaVlcTop
peaVlcTop
peaVlcTop
nOKpblTVleM
peaVlcTOp
peaVlcTop
KOHlleHcaTOp
KOHlleHcaTOp
KOHlleHcaTOp
KOHneHcaTOp
KOHneHcaTOp
KOHneHcaTOp
KOHneHcaTOp
BOH
MeTaJIJIH3MpOBaHHN~
HOlJ:HOt!
KOHneHcaTOp
KOHneHcaTop
MeTaJIJU13Y1pOBaHHhlti
J~eKTpOnVlTVI~eCKVlH
nOnVlJdJVlpHbJH
MeTa~~V1aVlpoBaHH~
yr.nepoIlVlCT~
,lUt1CKOB!lrH
npOBO~O'lH~
npeUVlaVloHH~
npOBO~O'lH~
nepeMeHH~
nepeMsHHbm
6YMa7Hbm
C~IDIlHHOH
KepaMVI'IeCKVlH
3JIeKTpOJIMTM~eCKH~
nOJIMCTMPOJIbHM~
MeTaJIJIH3MpOBaHHM~
MeTaJIJIH3HpOBaHHNM C DJIaCTMaCCO-
dJo~hroH
OCHoBe
nOJIMCTMPOJIbHN~JMeTaJIJIH3HpOBaHHMt1
rro4CTpOeqHM~
KOHlleHcaTOp
nOBepxHocTHblH
npOBOJIOl.lHhlti
3MaJIeBIillv{
C
npoBo.nO'lHbm
yr~epoIlVlcTMi!
KOH4eHcaTop
nOJU13~l1PHbli1
TaHTanOBblH
OYMaXHN~
Ha
JIaKOrrJI8-
KOHlIeHca
KOHlleHcaTOp
TOP
RF
RK
RT
RH
RPH
RZ
PH
PR
CP
CC
CK
CE
CS
CMP
CMF
CML
CMS
CT
CME
CET
CFE
tube
electronique
indicateur
diode
redresseur
transistor
thermistor
circuit
cristal
douille
fiche
transformateur
bobine
accumulateur
enregistreur
fusible a tube
ecouter
haut-parleur
relais
lampe-temoin
lampe
interrupteur,
moteur
batt
indicateur
erie
integre
It
effluves
numerique
au
selenium
en
verre
selecteurJ commutateur
JneKTpOHHaH
UVldJPOBOH
IlVlOIl
TepMVlCTOp
~HTerpa~bHaH
KBapueBbJi!
UlTenCe~b
KaTyillKa
aKKYMYnHTOpHaH
npelloxpaHVlTenbHaH
rpOMKOrOBOpVlTenb
pene
MOTOp
6aTape>l
CTpenO'lH~
naMna
V1HIlVlKaTOp
cxeMa
pe30HaTop
V1H/lYKTVlBHOCTVI
npVl60p
6aTapeH
BCTaBKa
V
NJ
o
Se
TR
Th
IC
XL
So
PI
T
L
A
REG
F
H
Hx
RY
J
G
S
MOT
B
M
I
Page 51

Minden
nagyobb
Ennek
ertekli
mer6keszi.ilek
pontossag
k6vetkezteben
alkatelemeket
- a
megbizhat6sag
erdekeben
elMordulhat,
is
tartalmaznak.
es a mliszaki
-
gondos
egyedi
meressel
hogy a kesziHekek a mellekelt
adatokban
es
beszabalyozassal
el6irt
hatarerteken
keszlil.
alkatreszjegyzekt61
bellili
elter6
With a view
been
subjected
occur
given
Jedes
that
in
the
Geriit
an
sorgfaltigen
men,
dass
die
teilliste
Chaque
soignes
limites
angefiihrten
appareil
dans
prescrites
que l'appareil
Liste
KOTOPb~
du
Ka~~NH
~M4MH,
CTM
-
rrO~BepraeTCH
B
pe3Y~hTaTe
materiel
npM60p
npMBe~eHHh~
OT~M4aeTCH
to
reliability
to
careful
instrument
Parts
wird
List
im
Interesse
individuellen
Gerate
auch
Werten
de
mesure
l'interet
dans
contienne
ci-jointe.
- B
3Toro
and
increased
individual
includes
below.
einer
Messung
Teile
enthalten,
abweichen.
a
ete
de
la
fiabilitee
les
caracteristiques
des
elements
MHTepeCaX
B TeXHM4eCKMX
TmaTe~hHOH
MoxeT
OT
Be~M4MHN,
~OCT~XeHM~
C~4MTbCH,
accuracy
control
components
measurement
with
h6chstm6glichen
und
Eichung
fabrique
et
d'une
deren
Werte
avec
plus
unterzogen.
des
grande
techniques.
dont
la
valeur
6o~ee
~aHHNX, a Ta~e C ue~bID
MH~MBM~a~hHOH
4TO
rrpM60pN
rrpMBe~eHHOH
within
the
specifications,
and
alignment.
ratings
slightly
Genauigkeit
und
Demzufolge
von
den
in
der
mesaures
precision,
En
est
BNCOKOH T04HOCTM B
HaCTpOHKe
B
crreUM~MKaUMM
et
des
en-dedans
raison
autre
co~epxaT H ~eTa~,
de
que
celie
M
Ha~a~Ke.
each
Therefore,
different
from
Verliisslichkeit
kann
es
vorliegenden
reglages
individuels
des
ceci
il
peut
specifiee
rrpe~e~ax
rrOBNllieHMH
~eTa~eM
Ha~eXHO
Be~M4MHa
rrpM6opa.
unit
it
may
those
einer
verkom-
Schalt-
valeurs
arriver
dans
has
la
Be-
Magyar
Hirdet6
-
Nyomda
Zalaegerszeg
78
J602
Page 52

No
R2
R3
R4
R5
R6
R7
R8
R9
RF
RF
RF
RF
RF
RF
RF
RF
R10 RF 1
R11
RF
R12 RF
RF
RF
RF
RF
RF
RF
RF
RF
RF
RF
RF
RF
RF
RF
RF 12
RF
RF
RF
RF
RF
RF
RF
RF
RF
RF
RF
RF
RF
RF
R23
R24
R26
R27
R28
R29
R31
R32
R33
R34
R35
R36
- '
R37
R38
R39
R40
R41
R42
R13
R14
R15
R16
R17
R18
R19
R20
R21
R22
R30
1589-U-52
1,47
14,7
15
15
150
47
10
2,15
51
1
100
100
4,02
383
23,7
1,69
162
100
464
1,54
1,54
66,5
1,24
115
464
215
215
2,05
2,05
178
178
4,64
4,64
68
68
56
Q
k 1
k 1
1 k
k
k
1 k
M
k
M
k
k 1
k 1
k 1
k 1
k 1
k
I!:
k
k
k
k
%
1
5
1
1
1
1
1
1
1
1
1
1
1
1
1
1
1
1
1
1
1
1
- 1 -
--c:::J-
R
w
No
Q
W
"
0,125
0,5
5
5
5
5
5
5
5
5
0,5
1
0,25
2 R48
0,25
0,25
0,5
0,25
0,25
5
1
5
0,25
0,5
0,25
0,25
0,125
0,125
0,125
0,25
0,125
0,25
0,25
0,25
0,25
0,125
0,125
0,25
0,125
0,25
I
I
0,125
0,125
0,125
0,125
0,125
0,125
0,125
0,125
0,125
0,125
0,125
R43
R44
R45
R46
R47
R102
R103
R104
R105
R106
R107
R108
R109
R110
R111
R112
R113
R1l4
R115
R116
R117
R118
R119 RF
R120
R121
R122
I
R123
I
R124
R125
R126
R12?
R128
R129
R130
R131
R132
R1.,3
H134
RF
RF
RF
RF
RF
RF
RF
RF
RF
RF
RF
RF
RF
RF
RF
RF
RF
RF
RF
RF
RF
RF
RF
RF
RF
RF
RF
RF
RF
RF
RF
RF
RF
RF
RF
RF
ll]'
RF
56
51
51
10
10
51
1,47
14,7
1
15
15
1 k
150
47
1 M
10
2,
15
51
1 M 1
100
100
4,02k
383
23,
'II!: 1
l,69k
162
100
464
1,54k
51
1,
54
~6,5K
12
1,2Ltk
115
464
215
215
2,05k
k
k
k
k 1
k
k
k
k
I!:
k 1
~
1
1
1
5
5
5
1
5
5
5
5
5
5
5
5
1
5
7
5
1
1
1
1
1
1 ' '
1
<:;
-'
1
1
1
1
1
1
1
1
._-
".' , '
(',
' .
t
•.
t."
c:,
t}
, '
1.
1 , •
\.'"
0,)
1
~~
. ,
'.
~"'
.
\
,.
, )
,
(,'
,
u,
(
,"
) ,
'1
..
' .
.. " .1.
(':
,-"
C '
,',
(),
':;
,
(~
, .
. ,
0'
·
·
..
·
, '
~
:'
:~
/..;
..
c
.)
;
J
'1
.l.
J.
~;
~
J
c.
.'
I
I
Page 53

·i.\ . :;')
'\. .
Lf
l"i.
·./r~'
:.
,~
.
I.~,
'
J.
'.
~-:.I~,
L.:'i.J
.-
.'
..
.'
....
-
.~)
,-
<-,
,\.'
..
R
w
0,125
0,25
0,25
0,125
0,125
0,125
0,125
0,125
0,125
0,25
0,25
0,125
0,125
0,125
0,125
0,25
0,25
0,25
0,125
0,125
0,125
0,125
0,125
0,125
0,25
0,125
0,25
0,5
0,5
0,5
0,125
0,25
0,25
0,125
0,125
0,125
0,125
0,125
0,125
- 2 -
--c=J-
R222
R223
R224
R225
R226
R227
R228
R229
R230
R231
R232
R233
R234
R235
R236
R239
R240
R301
R302
R303
R304
R305
R306
R307
R308
R309
R310
R311
,
R312
R313
R314
R315
R316
R317
R318
R319
R320
R321
R322
No
RF
RF
RF
RF
RF
RF
RF
RF
RF
RF
RF
RF
RF
RF
RF
RF
RF
RF
RF
RF
RF
RF
RF
RF
RF
RF
RF
RF
RF
RF
RF
RF
RF
RF
RF
RF
RF
RF
RF
205
205
316
316
56,2
619
620
750
750
562
2,43
220
220
220
12
47
150
150
1,3
1,3
1,2
1,2
422
422
464
316
66,5
464
316
154
154
133
133
93,1
93,1
2,4
5,1
6,8
Q
W
"
1
1
1
1
1
1
1
1
1
1
k
1
2
5
.
5
5
5
5
5
5
5
k
k
k
k
1
1
0,5
0,5
1
1
1
1
1
1
1
1
1
1
1
1
1
k
k
k
5
0,5
0,5
0,125
0,125
0,125
0,125
0,125
0,5
0,5
0,5
0,5
0,12:5
0,125
0,25
1
0,5
0,5
0,25
0,25
0,25
0,25
0,125
'0,125
0,125
0,125
0,125
0,125
0,125
0,125
0,125
0,125
0,125
2
0,1
0,125
0,125
0,125
0,25
0,25
0,25
0,125
0,125
5
.,-_
...
_--
_.~.
Q
RB'
RF
hI!'
EF
hb'
RF
1
RF'
RB'
HF
ill'
R8'
HF
liF
RF
R8'
Kb'
HF
HI!'
:,
liF
H~'
IU'
11.F
HF
UF
HF
(~~
Rl!'
Rb'
RF
~~.
)
1
R]'
UP
HB
JiF
RB'
HI<'
HE'
JiF
HF
RB'
tiF
2,05k
1,1
1,1
143
143
68
68
31,6
31,6
487
487
56
56
51
51
10
k
k
10
12
195
196
464
464
34,8
39,2
82
39,2
82
576
576
750
115
3,9
k
75
120
10
k
",,5,4 1
12 k
46,
L~
12
k
%
k 1
k 1
1
1
1
1
5
5
0,5
1
0,5
1
0,5
1
1
1
1
1
1
1
1
1
1
1
1
1
5
5
5
1
1
1
1
1
1
1
1
1
!
Page 54

No
R323
R324R325
R325
R327
R328
R329
R330
R331
R332
R333
R334
R335
11336
R337
R338
R339
R340
R341
R342
R343
R34-4R345
R346
R34-7
R34<.3
R349
R350
R351
R352
R353
R354-
R355
R356
R357
R358
R359
R360
R361
R362
,
RF
RF
RF
RF
RF
RF
RF
RF
RF
RF
RF
RF
RF
RF
RF
RF
RF
RF
HF
RF
RF
RF
RF
RF
RF
RF
RF
RF
RF
RF
RF
RF
RF
RF
RF
RF
RF
RF
RF
RF
Q
520
261
251
261
261
620
66.5
75
23'7
~,3
3,3
100
lCC
196
196
1,62
1.62
3,83
3,83
750
750
383
15
1,2
6.8
220
10
4-643,3
1,5
1,';h
33
51
220
220
1,5
15
1 k
t.J2(;
10
"
k
,-
...
k
k
k
k
k
k
"
~\-
k
k
k
lI".
70
0.5
1
1
1
1
(),
~
1
1
1 c,
5
5
5
5
1
1
1
1
1
1
1
1
,
...
5
5
5
5
1
1
5
5
1
~"
;)
1
5
5
c;
-'
5
1
CJ,
5
I
I
f
I
,
I
0,25
0,25
°
I
,
0.125
0.25
0,25
0,25
°,5
0,25
:)
0,125
0,25
R
W
o '
..
e,
."-
....
0.25
C.25
0,25
0.25
0.25
0,125
0,25
~:~5
0,25
0,25
C,25
l),25
o
h;
,
....
0,5
0,125
0,125
0.125
0,125
0,25
0,25
0,5
0,25
0,25
0,25
0.25
0,125
0.125
0.25
')1::
,"-;)
--
-c:::::J-
No
R3G3
1:1364
R365
R36G
R367
R36B
R4-CJ4-
RL~05
RLj·CB
R409
11411
R412
R4-14
R4-15
R418
R419
R422
R423
R424-
R4-26
R4-27
R4-28
R4-30
R431
R4-32
R4-33
R4-34R435
R4-37
R4-38
R4-39
R442
R443
R446
R44-7
R44-9
R450
R4-53
R4-54-
RF
RZ
RZ
RF
RF
RF
HF
RF
HE'
rtF
rtF
HF
RF
RF
RF
rtF
RF
RF
RF
RF
RF
RF
RF
RF
RF
RF
RF
RF
RF
RF
RF
RF
RF
RF
RF
RF
HF
RF
RF
g
150
GI:J
u8
2'1,4-
56,2
75
5CO
1
bOO
250
';lOO
111 k
950
52,6
98D
2C,'k
990
10,lk
4'('
995
5.03
62
998
22
2
999
33
1
1 M
30
500
500
1
800
250 k
900
111 k
950
52,6
k
k
k
k
k
k
II!
k
k
k
II:
:,1
k
k
k
k
k
k
k
k
k
%
5
.?
1
1
1
1
1
1
1
1
1
1
1
1
1
1
1
5
1
1
5
1
5
1
1
5
1
1
5
1
1
1
1
1
1
1
1
1
i
u,
c~::;
?
')
v,~~
C.25
0,25
0,2)
o
'"le
,
c_/
0,5
0,1£.:-,
0,5
0.1:.:;.
o
,~
,
....
U,12:;
,j
°
<=
(;
•
lc:~
0,5
0, L::
0,25
0,25
0.12;
o
,,~5
0.25
0,25
0,125
0,25
0,25
0,125
0,5
0,25
0,125
0.25
0,25
,
....
°
<:;
0,
12~'
o
c;
..
'
O,E>
0,5
0,1;;:::
1589-u-52
Page 55

" -
...
-_._---_.-._------_.-
---------------------....,
".
,:
•...
..
_..
'c·
•c
I '
..-_.....,....
NI.)
J . ,
',_,.d
..
__
..
...
,.
----r-
Ui
l\F
hB' 99,) k
Eli?
_
......
---
Hi
---'-'0-1 %
...
-----jf-.
)0\0
k 1
,:"
,
'+
k
1,:)2
.....
----.----------..:..-----..:..:...---....:...---....:...----..!..---..:...----i
Q
5 k
:::5
k
~:~O
25
k
1
1
5
1
1
5
1
1
%
20
20
20
20
20
20
20
~
_ w
C,5
0,125
L,5
(,25
L"
0,25
C,25
0,125
0,25
p
1
1
1
1
1
1
1
1
1
2xC),15
w
L.5
-¢-
No
1\;+68
H470
R472
R473
R474
R476
H477
R478
No
PlO5
PI06
FlO7
PI08
PI09
PllO
PHl
P201
P202
RF
RF
RF
RF
RF 1 k 1
HF
HF
HF
PR
PR
PR
PH
PH
PR
PH
PH
PH
R
22
2 k 1
999
k
33 5
1 M
30
500
250
25
100
25
100
100
lOk+l0k
25
25
k
w
5
1
1
5
1
20
k
20
20
k
20
20
20
20
k
20
0,25
0,125
0,25
0,25
0,125
0,5
0,25
0,125
w
1
1
1
1
1
1
2xO,1>
1
1
:tel{
PH
5
25 k
lUO
<.
20
1
1
1
P301
P302
PR
PH
1 k
1 k
20
20
1
1
Page 56

- 5 -
--
~-
No
03
04
06
07
08
010
09
011
013
024
027
040
044045
048
0103
010-4-
0106
0107
0108
0109
0110
0111
0113
0124
0127
0138
0139
0140
0148
0149
0125
0218
0220
0226
0202
0212
0215
CK
OK
I
OK
i
OFE
OK
OK
OK
OMF
OK
OK
OT
OK
OK
OT
OK
OK
OE
OK
OK
OK
OK
OK
OK
OK
OK
OK
OFE
OK
OK
OK
OMF
OK
OK
OT
OT
OK
OK
OE
10
100 n
47
6,8
18
'100
100 D
15
I
2,1
2,1
lOp
10 p
4,7
10 D
10
10 D
100 n
47
18
6,8
100
100 D
15 p
2,1-11
82
82 p
2,1-11
10 p
10 p
4,7
47
47
18
22
22
15
F
10 n
10 n
/u
D
p
p
D
n
P
/u
p
p
P
n
D
p
%
+50-20
n
+50-20
+50-20
10
5
P
D
+50-20
p
5
20
n
+80-20
P
5
P
P
0,5p
0,5p
+100-10
+50-20
+50-20
+50-20
10
5
5
+30-20
20
+80-20
5
p
5 500
5
P
0,5p
0,5p
+100-10
5 500
5
5
+80-20
+80-20
5
I
c
V
500
500
500
100
500
500
500
630
40
500
500
500
500
500
40
500
500
500
100
500
500
500
630
40
500
500
500
500
500
500
40
500
500
40
40
500
-U-
No
0230
0234
0240
0301
0302
0320
0330
C336
0337
0338
0339
0343
0345
0346
0348
0354
C355
C359
C367
0368
0352
0402
0403
0404
0405
0406
0407
0408
0409
0410
0411
0412
0413
0414
0415
0416
0417
0418
OK
OK
OK
OK
OK
OK
OK
OK
OK
OK
OK
OK
OK
CK
OK
CK
C"
OK
CK
OK
OK
OK
OT
OT
OK
OK
OT
OT
CK
CT
OT
OK
O'L'
OT
OK
OK
CT
OT
"-
F
22 D
22 D
68
1
1 D
18
100
270 p
270 p
22
22 D
1,5
270
56
22
270
22
22 D
22 n
22
22
5 p
0,2-1,51:
2,1·-11p
5 p
8 p
0,
5-lf.!
p,5~4,
I 8 p
0,5-·4,2p
0,S-4·,,2p
8 p
!,5-4,2p
p,5-4,2p
27 P
8 p
p,
5-)+,
b,5-4,2p
P
D
p
D
D
D
p
p
I:'
P
n
D
D
2p
2p
2p
%
+80-20
+80-20
5
20
20
5
+80-20
5
5
+80-,20
+80-20
20
5
5
{·80-20
5
+80-20
+80-20
+80-20
+80-20
+80-20
0,5p
0,5p
0,5p
0,5p
O,5p
5
0,5p
_,
____
I
V
40
40
500
50
50
500
40
500
500
40
4-0
50
500
500
40
500
40
40
40
40
40
500
500
500
500
50u
S(;O
500
saO
.
_~~i
1589-U-52
Page 57

- 6 -
V
-U-
No
0451
0452
0453
0454
0455
0456
0457
0458
0459
0478
0479
0400
0460
0461
0462
0463
0464
0465
0466
0467
0468
0469
0470
0471
0472
0473
0474
0475
0476
0477
OK
OT
OT
OK
OK
OT
OT
OK
OK
00
OK
OK
OT
OT
00
OK
OT
OT
00
OK
CT
OT
00
OK
OT
OT
00
OK
OT
OT
F
8 P
0,5-4,2p
0,5-4,2p
27
8 p
0,5-4,2p
0,5-4,2p
47
10
2 n
2
2
0,5-4,2p
0,2-1,5p
100
10
0,5-4,2p
0,2-1,5p
200
10
0,5-4,2p
0,2-1,5p
500
10
0,5-4,2p
p
p
p
p
P
P
p
P
p
p
P
I
%
0,5p
5
0,5p
5
0,5p
5
0,5p
0,5p
10
0,5p
10
0,5p
10
0,5p
P,2_1,5Pj
1
10
0,5-4,2
0,2-1,5
tl
p
5
0,5p
0
V
500
500
500
500
500
500
500
500
500
500
500
500
500
500
500
500
c
No
0419
0420
0421
0422
0423
0424
0425
0426
0427
0428
0429
0430
0431
0432
0433
0434
0435
0436
0437
0438
0439
0441
0442
0443
0444-
0445
0446
0447
0448
0449
0450
OK
OK
OT
OT
00
OK
OT
OT
00
OK
OT
OT
00
OK
OT
OT
00
OK
OT
I
OT
00
OK
OT
OT
OK
OK
OT
OT
OK
OT
OT
F %
47
10
0,5-4,2p
0,2-1,5p
100
10
0,5-4,2p
0,2-1,5p
200
10
j
0,5-4,
0,2-1,5p
500
10
0,5-4,2p
0,2-1,5p
1 n
10
0,5-4,2p
0,2-1,5p
2 n
5 p
0,2-1,5p
2,1-llp
5 p
8 p
0,5-4,2p
0,5-4,2p
8 p
0,5-4,2p
0,5-4,2p
P
P
p
p
p
p
p 10
P
Ii
5
0,5p
10
0,5p
10
0,5p
2p
0,5p
0,5p
0,5p
0,5p
0,5p
0,5p
5
5
c
500
500
500
500
500
500
500
500
500
500
500
500
500
500
500
500
j
1589-U-52
Page 58

- 7 -
Vl
V2
Dl
D2
D3
D4
D5
D10l
D102
D103
D104
Dlo5
D301
TRl
TR2
TR3
TR4
TR5
TR6
TRIOI
1'R102
TRI03
TR104
TRI05
TR106
TR201
TR202
TR203
TR204
TR205
TR206
TR207
v
~
V
V
D
D
D
D
D
D
D
D
D
D
D
TR
TR
TR
TR
TR
TR
TR
TR
TR
TR
TR
TR
TR
TR
1'R
TR
TR
TR
TR
D
NM2L60VO.5
7586
lN4148
1N4-l4-8
lN4-l4-8
1N4l48
1N4-1LJ-8
lN4ll+8
lN4l48
lN4l48
1N4148
m4148
FD'177
2N2219A
2N2219A
BFW30
BFW30
BFW30
BFW30
2N2219A
2N22l9A
Bli'W30
BFW30
BFW30
BFW30
BFW30
BFW3'O
2N918
2N918
BFW30
BFW30
2N918
--M--
I
mA
V10l
VlO2
D302
D303
D304D305
D306
D3C'7
D308
D309
D3l0
D311
D312
D313
D314
TR208
TR20g
TR301
TR302
TR303
1'R304
TR305
'rR306
TR307
'rR308
TR309
'rR310
'rR311
TR312
TR313
TR314
TR315
1'R316
1'R317
I
I
I
I
I
I
I
I
TR
-@
V
V 7586
D
D
D
D
D
D
D
D
D
D
D
D
D
TR
TR
TR
TR
TR
1'R
1'R
TR
'ill
TR
'llR
'I'R
Tn
TR
I'R
rrR
TR
'I'R
TR
N1VI2L60VO
FD7?7
FD77'7
FD7'7'7
FD777
FD77'1
FD777
FDT17
rn414C"J
rn4148
m41i+8
lN4148
m4151
IN4151
2N918
2N221gA
BFW30
BFW30
BFW30
BFW30
2N5'169
2N5769
BFW30
BFW30
2N5'169
2N5'169
2N2219A
2N2219A
2N5'769
2N2219A
2l"T2219A
2N2219A
,5mA
15B9-U-52
r'=-
Page 59

- 8 -
• • •
T314
Ll
L2
L201
L202
L206
LL:'07
L208
L209
L301
L302
L303
1589-U-52
3
~~
T T316
L
L
L
L
L
L
L
L
L
L
L
N-lOO
N-lOO
0,3/
0,3/
0,15/
N-IOO
N-IOO
N-IOO
N-IOO
N-IOO
N-IOO
JZf
uR
uR
uH
{}-
L304
L305
L306
L307
L308
L314
L315
L316
L336
L337
L356
L358
---
I
!
I
I
I
I
,
T
L
L
L
L
L
L
L
L
L
L
L
L
-€3-
I
I
• • •
N-IOO
N-IOO
N-IOO
N-IOO
N-IOO
0,1
O,l/u
N-IOO
N-IOO
100
5
/u
/u
/u
Page 60

1
1589-U-
52
I
Page 61

CHI
IN
h!I
AC
If'l.-.
DC
GND
-
~
~
1
CH1
CH2
17 CHOPP 0
ALTER
ADDED
13
~, ~,
-
7
5
\8
8
9
.-
11
20
3
~
)
C
15
0-
0--
(L
0--
~
In
CO
\0
I
C
I
In
!'oJ
CH2
IN
.tt!t
t-V
AC~
DC-v
GND
-
2
14
Q
t
4
16
(
L
__
6
1-----
---
10
1 J 9
--
12
f------_
21
I---~
Page 62

t-
3
1589-U-
52
Page 63

..
~
N
1.1")
::J
0'
co
LI)
.....-
I
I
Page 64

I
Page 65

T
..................
Page 66

l
=
x.
0
0 0
tND2
f_
dOlJ
xl
1R
...
I
}
___
J
ICli-05
o
iZ'4-06
!_
'5
xlOO
fR+'M
I-
I ,£'479 \ 0
J
tz'lf\o9
xlO
t
)(500
PM.
l----!
1"416
t
dODO
x50
I·'
r
.......
C"8
0.5"-4.2
--0
C/.,.It]
41
dO
i
o
id
...
il
fRililil
II
.J:---l
,1000
~tr""
C4t-23
100
1/11·23
14fk
Rna
1
f{*t'f
1M:
6Z
.O,J,t
1
1~11
500
R~JI
2t
~~12
,.
l'
---------CHANNrL/----------
x.
C,,"J,' C/.i.42
T-t-Issaak
I I I
Xl
1Uf./f2
j 01
r
RIW-l
~
IH
T
___
--I
.,,*5
xS
xlO
'''8
,to
X50
coso
,,1
--"
VI
I:x)
'-l)
I
C----.l
In
I'J
x/OO
X2111J
----------CHANNEL
x501J
z----------
ATT£NUATORS
x
1000
dODO
®
Page 67

I
~
PIO
100
/122
100
?29
""
../(JU
lDMMOO£
tORRENT
+ISV
R"a
Sf
..
(1,,9
-Il,,'7/"
...
15V
(QEC)
8£COUPLING
r--r----r-------~----
R"1t
SI
•
R"2
5/1
("4
•
10
(HI
TO
EMITTER
rRJol
SIGNI9L
fl1
r&D
:~l??
j~f
I
rIO
'31
64
R4S
5&
~
~
't
53
R4S
$1
'"
~.
IN"/4a
___
Oil
......__-!-
OS
-fN4/4l/
+15V
-ISV
.l
1</;'7
fOIt
pI/
:2rlOk
IpoSITIoNI
f.!:.CIU
S/&AlRi.
r~EM1TTEIl
III
r"
302
8
•
RJ2
l/S
l
-i~V
1589-U-52
Page 68

..IODV
+ISU
fl
RIO
100
C7
1100n
012
IN.H8
TRtJ
BlUE
C~~~)
IDEC;
.
..
:t.~Jr
IVIIRIIiBLE I
CJ.II
If)/1
MOO
(ORREN"
RJ2
•
PIS
AlFl:RENCE ORI/Il/INGS
rIJSlJ/lTHING
III
IITTENUII
CIRCUIT
TORS
{ OUTPUT f/MPLII=IER
..
lSi!
(lEe)
,
Page 69

~/[jl/
RI:?J
51
+
-r
+15'V
IDEt)
oeCOUPLiNG
CI{?S
q
,,-
CH2
~COMMa7E
,PliO
CUR
lIEN
• If(J2
tlf
T
0103
I14H8
100
R12:?
100
C>3
!3D
~127
j~f!
RfJ[,
I,lk
TRI05"
8FWJO
1---------
Cfl2
TRIGGER
TO
eflSE TR20f
tH2
TRIGCCR
TO
BRS£
!?I*S
Sf -
5/0J
tiM
10
SIGNRL
SlGNflL
TI/202
_ISV
Pili
!lxlOk
IPOSITION
CH2
TO
EMITTER
SIGNRL
I
TN
303
'131
"*
R13?
/,11t
.,.lfV
INH
S"I
I_
~-
tl49
10
.......
--~-------:L-_
IUSI
1c:J<
CI-/2
/I)
SI&NIJL
TD
EMITTER
Til
304
9
1589-U-52
Page 70

+10011
RfO'f
Ik
+~OOU
RIO?
fk·
+
-1
+(SV
fOliC)
lJECQUPLIN&
N2!i
4
'0<-
r
(H2
JNPU,
-\
~t-o
l
S IOf
Cf~J
lOOn
~D~
NO
r
C/9J
R~09
*7
S
Ia?
rMUTSICM
.
I"J
I
M
Mo!--x2----<>
.J
.2
. S
-/
~
S
10
eDo-x2QQO--o
-ool-o-~-k::::J-.~:::J-""f--*
$0--,
fj----O
0--
X
40---0
l>-t
20--0
0---
/I.
SO----O
O---lIi
.400--0
0"-,>;
200--0
0--)(
5'00--0
~
v
JlJM--O
+ 100V
11/0!
IN~#B
+---K--'"--t-f'J
I
TR
102
2N221911
etO?
IOCr
D{O(
IN*I#103
3RSE
CURRENT
+(SV) )
DEC
i
• 23,?!
PI05
25k
/
~
nU8
IVRKIR8LE
.15//
r:..
CH2
~COHMIXlE
_
CURIlEN
PItO
loa
T
fl32
•
2ff
Of03
!N#{!'8
REFEIIEN(E ORIIIl/INCS
(jJ
SWITC}(IH&
@)
T!NGGER
rn
ATTENUATORS
flJ
CHANNEL 2 INPUT
CI!?CUlT
AMPLIFIER
I
OUTPUT
AMPLIFIER
liMP
(fiR
lA/V
BilL
-{5V
CH2
HF
DAMPING
RI26
I,m
Page 71

~
TRIGGER
IlHPUFIER
--j
+/fU
d5i/
}
pro,
25k
0
NORM.
OC
,_.---
----
BIlL
mio.
C215
15
R220
1,6.4
R221
12k
P219
. 1St
IRk
cue
47
(220
~7
R222
205
-4.2i1
Tk2D6
lJrW
R223
205
3,7
R22!;.
316
RPf!§
JI8
+---il!!!':-:;';-:;':::-::-;_:=-::_~--
TR/MER
f?!?2~
§{;.2
...
206
a/~1/
~_
.......
R228
&20
t--~~==-==::-::==-==~=.---
R2EO
7JO
gc
+
SI&NIJI.
7C
REFERENCE
UJ
Chonnel2 Jncul l?mp/fer
QJ
SI1JIT['H!N/i
Output
fJRJ?/1/INCS
{iPtuiT'(-
Ilmp/ijitr
VOL
TIUJ£
SOURCE
-~,2V
__
-+
-151!
R2S!?
2,Hlr
{P3i1
22n
10
1589-U-52
Page 72

NORI1/1L
IN/UCER
FRDM
NORMAL
rRlGGER
Ff?OM R3Z5
510/'///L
R32(;
S/6NI?L
0
0
+
r======
R235
220
~~""""-'--T----T
5201 _
I I I I
I I I
I
I I I
I I
I I
I I
I
I"
='::1"-'\
I"
~
I
N.VUD'R=M~C:H2::'----1E=-=,..;:--=-==r-_T~rl
"-
"-
r..
P202
251<
C2
o
-laU
NORM.
R216
120
OC.
aRL.
TRio.
R220
"6,4
R221
12k
TRIGGER
FRDM
TRIGUR
Ff?OM
CH2
S/(JNIfL
TRIM
CH2
SIGNIlL
TR106
IfI
III
+
R236
220
I
TR2n2
FiFIP30
[202
22n
R2D'f
46f
•
R2DB
39
_15V
R211
576 R!!09
8/?
R£j:£RENCE
aJ
ChD-;;~e/
rn
5
WITCHINfj
Output
ORIlWili
2 Jnpul
flRWI
IImpJijier
11m3
T
c..
I
Page 73

CHANNELi SIGNAL
fROM
R" ~ R45 .
(J)
(0
+tr.8V
--
I
11301
150
l30f
CJOI
In
BFMl30
L336
36
1C1
~70
l.qjiJf
(i
+4H
RJH
~
LJor
wur
,
fJi<IIII~:~
-t
66,5 Q
+~5V
t
~
T"'~
~:'fi
_15'
V,PTICAL I
5V
t
SIGrW:+I-c>
R325
\ I I
161
TRIGGER I I
SIGNALTO I I
"lif
TRIGGER
-R
---,.5201
if!
® I I
I ,15,
VERTICAL
SIGNAL - : :
TRIGGER
SIGNAL
FROM
COLL
TORS
.15V
J
TR20~~-
TR20&
q-.
IV
1-'
I I
I 1
I i
I I
I I
: I
I
3c
l
I I
I I
I I
: I
J-+-76C
I
I I
I I
: I
I I
I I
~
5c
I
~
I
,?c
I
1---t-+8cI
~9CI
l
l------t-c>lDc
I I
I :
I I
I I
I I
I
I
I I
I I
I I
....a.
In
CO
I
'"
C
I
In
tv
~
~
i-~+I5v
--~i5Vi.
II
R367
I - 56 75 I
I n
I
: I t
I
H5V
l~~~-'V:C~
OCCOUPLING
368 I
CJ61
C,l6&:
...
12n
...
11w.
Ii
·15V
--'
SYNC
AMPLIFIER
1
I
PULSE
____
'"""
'"'"
-
-
____________
""
"A"
I
R314r""'~
,'.'
,r~..
,'__
I
-"
,
,
I
"""'.,,
'
I
'"
I ••
'"~
:::0'
I'@
,,,,,,:'
_~
_,
.L
"I"'".
"".."
""w,,' -
.~"""
AMPLIFIER
S WITCHING CIRCUIT ;
--ill
"
,.f!~
rn
\'
OUTPUT
' ,
' '
! '
I I
I I
I I
,.
1b
II
I
""",-,,~,'
AMPLIFIER
.~,
".,
- I",I
v,
".,
-I5V
~
®
ro=
~
I'
I""
"I
I
I:
J
>2"1
.
2b
r----r:
P/J{
'
I
I
I
1
I