
RF & MICROWAVE TRANSISTORS
UHF COMM UNICATI ONS APPLICATI ONS
.REFRACTORY/GOLD METALLIZATION
.EMITTER SITE BALLASTED
.INPUT/OUTPUT MATCHING
.METAL/CERAMIC HERMETIC PACKAGE
.P
OUT =
30 W MIN. WITH 8.5 dB GAIN
AM80610-030
.400 x .400 2NLF L (S042)
hermetically sealed
ORDER CODE
AM80610-030
DESCRIP T IO N
The AM80610-030 is a high power, common 
base NPN silicon bipolar device optimized for 
CW operation in the 620 - 960 MHz frequency 
range.
AM80610-030 utilizes a rugged, overlay, emitterballasted L-Band die geometry to achieve high 
gain and collector efficiency and is suitable for 
driver or output stage use in Class C power amplifiers. Typical applications include military communications, ECM, and test equipment.
The AM80610-030 is provided in the industrystandard, metal/ ceramic AMPAC hermetic 
package.
ABSOLUTE MAXIMUM RATINGS (T
Symbol Parameter Value Unit
P
T
DISS
I
V
CC
T
STG
C
J
Power Dissipation* (TC≤ 50°C) 
Device Current* 3.0 A 
Collector-Supply Voltage* 32 V 
Junction Temperature 200
Storage Temperature
case
= 25°C)
PIN CONNECTIO N
1. Collector 3. Emitter
2. Base 4. Base
57 W
− 65 to +200
BRAND I NG
80610-30
°
C
°
C
THERMAL DATA
R
TH(j-c)
*Appliesonly torated RF amplifier operation
Junction-CaseThermal Resistance* 2.6
°
C/W

AM8 0610-03 0
ELECTRICAL SPECIFI CATIO NS (T
case
= 25°C)
STATIC
Symbol Test Conditions
BV 
BV 
BV
I
CBO 
EBO 
CER
CES
h
FE
IC= 20 mA IE= 0mA 
IE= 2mA IC=0mA 
IC= 40 mA RBE= 10 Ω 
VBE= 0V VCE= 28 V 
VCE= 5V IC=2A
DYNAMIC
Symbol Test Conditions
P
OUT
η
G
f = 620 − 960 MHz PIN= 4.2 W VCC= 28 V
cf=620 − 960 MHz P
f = 620 − 960 MHz PIN= 4.2 W VCC= 28 V
P
= 4.2 W VCC= 28 V
IN
Value
Min. Typ. Max.
Uni t
55 — — V
3.5 — — V 
55 — — V 
— — 10 mA 
15 — 150 —
Value
Min. Typ. Max.
Uni t
30——W 
50 — — %
8.5 — — dB
TEST CIRCUIT
Dwg.No. C127464

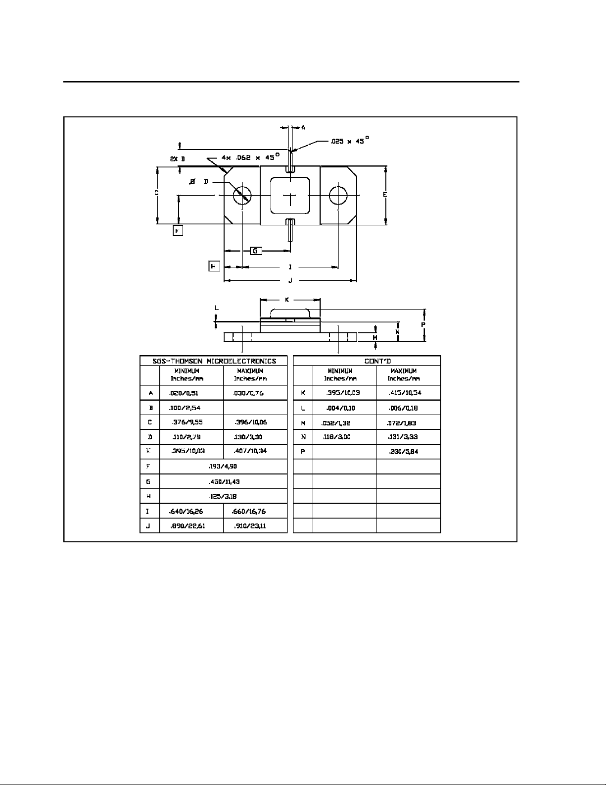
PACKAGE MECHANICAL DATA
Ref.: Dwg. No. 12-0213 rev. A
AM8 0610-03 0
Information furnished is believed to be accurate and reliable. However, SGS-THOMSON Microelectronics assumes no responsibility 
for the consequences of use of such information nor for any infringement of patents or other rights of third parties which may result 
from its use. No license is granted by implication or otherwise under any patent or patent rights of SGS-THOMSON Microelectronics. Specifications mentioned in this publication are subject to change without notice. This publication supersedes and replaces all 
information previously supplied. SGS-THOMSON Microelectronics products are not authorized for use as critical components in life 
support devices or systems without express written approval of SGS-THOMSON Microelectronics.
1995 SGS-THOMSON Microelectronics - All Rights Reserved
Australia - Brazil - France - Germany - Hong Kong - Italy - Japan - Korea - Malaysia - Malta - Morocco - The Netherlands -
Singapore - Spain - Sweden - Switzerland - Taiwan - Thailand - United Kingdom - U.S.A.
SGS-THOMSON Microelectronics GROUP OF COMPANIES