
Ultrasonic proximity switch
6RG6222-3BB00-PF Compact range M18S, normally
open
Kompaktreihe M18S, Schließer
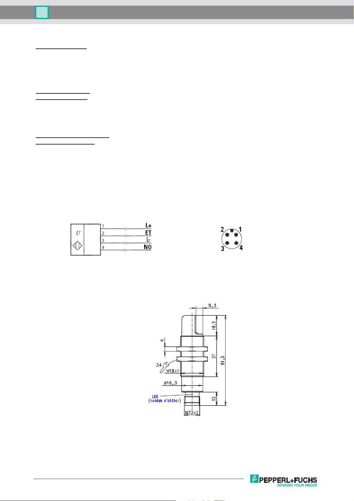
Connector M12
Stecker M12
Size/Bauform
Function/Funktion
Operating distance/Schaltabstand
Sensing range/Erfassungsbereich : 0 ... 250 mm
Focusing range/Einstellbereich : 90 ... 250 mm
Switching zone size/Fensterbreite : +/- 20 mm
Switching hysteresis/Hysterese H : 2 mm
Standard target/Normmessplatte : 20 x 20 mm
Rated ultrasonic frequency/
Ultraschallnennfrequenz
Output/Ausgang
Output/Ausgangsart : pnp
Switching function/Schaltfunktion : Normally open/Schließer
Rated operational current/
Bemessungsbetriebsstrom
Output voltage drop/Spannungsfall max. Ud : 2 V
Off-state current/Reststrom Ir : max. 0,01 mA
Short circuit strength/Kurzschlußfestigkeit : built-in/eingebaut
Overload withstand capability/
Überlastfestigkeit
Power supply voltage/
Versorgungsspannung
Rated operational voltage/
Bemessungsbetriebsspannung
Operating voltage range/
Betriebsspannungsbereich
No-load supply current/Leerlaufstrom Io : max. 20 mA
max. ripple content/zul. Restwelligkeit : 10 %
: cylindrical M18 Shorty/zylindrisch M18 Shorty
angled form / Winkel-Bauform
:
: 400 kHz
Ie : 150 mA
: built-in/eingebaut
Ue : 24 V DC
UB : 20 ... 30 V DC
Retroreflective/Reflexionsschranke
Subject to modifications without notice
Release: 08.09.2010
Copyright Pepperl+Fuchs
1

Ultrasonic proximity switch
Teach-in/Lerneingang
Function/Funktion : Position of switching zone/
Lage Schaltbereichsfenster
max. input voltage/max. Eingangsspannung : Operational voltage/Betriebsspannung
max. L-Level (Teach-in active)/
: < 0,7 V
max. L-Pegel (Teach-in aktiv)
min. H-Level (Teach-in inactive)/
: 15 V
min. H-Level (Teach-in inaktiv)
Input resistance (No-load supply current)/
: 16 kOhm
Eingangswiderstand (Stromsenke)
min. Teach-in time/min. Teach-in Zeit : 3 sec
Synchronization/Synchronisieranschluß : not built-in/nicht eingebaut
Times/Zeiten
Frequency of operating cycles/
f : 10 Hz
Schaltfrequenz
Time delay before availability/
tv : 20 ms
Bereitschaftsverzug
Response time/Ansprechzeit : 50 ms
Temperatures/Temperaturen
Rated temperature/
Tu : 25 Cel
Bemessungstemperatur
Ambient temperature range/
Ta : -25 ... +70 Cel
zul. Umgebungstemperatur
Storage temperature range/
Ts : -40 ... +85 Cel
zul. Lagertemperatur
Thermal drift (teach value)/
Temperaturdrift (Toleranzwert)
by heating treatment/bei Erwärmung : + 0,17 % / K
by cooling off/bei Abkühlung : - 0,17 % / K
Electrical protections/
Elektrische Schutzmaßnahmen, EMV
Reverse voltage protection/
: built-in/eingebaut
Verpolungsschutz
Wire breakage protection/
: built-in/eingebaut
Drahtbruchsicherheit
Inductive overvoltage/Induktionsschutz : built-in/eingebaut
False pulses/Einschaltfehlimpuls : suppressed/unterdrückt
IEC 61000-4-2 4 kV
IEC 61000-4-3 10 V/m
IEC 61000-4-4 2 kV
IEC 61000-4-6 10 V/m
EN 55011 Class B
Mechanical protections/
Mechanische Schutzmaßnahmen
Degree of protection/Schutzart : IP 67
Shock/Schockbeanspruchung : 30 g; 11 ms duration/Einwirkdauer
Vibration/Schwingbeanspruchung : 10 bis 55 Hz, 1 mm amplitude/Amplitude
Max. tightening torque/
: 60 Nm
max. Anzugsdrehmoment
Subject to modifications without notice
Release: 08.09.2010
Copyright Pepperl+Fuchs
2

Ultrasonic proximity switch
Indicators/Anzeigen
Mounting conditions/
Einbaubedingungen
Mounting position/Einbaulage : any/beliebig
Max. cable length/
max. zulässige Leitungslänge
Constructive characteristics/
Konstruktive Merkmale
Housing material/Gehäuse : brass nickel-plated/Messing vernickelt
Connection/Anschluß : Connector M12, 4-pole/Stecker M12, 4-polig
Direction of radiation/Abstrahlrichtung : 90°
Weight/Gewicht : 0,03 kg
: LED (yellow)/LED (gelb):
Switching status: On: LED shines/
Schaltzustand: Ein: LED leuchtet
Teach-in mode: LED flashes/
Teach-in Modus: LED blinkt
: 300 m
Subject to modifications without notice
Release: 08.09.2010
Copyright Pepperl+Fuchs
3