Page 1

PTG 系列智能压力变送器
型号 PTG71 / PTG72
概 况
PTG 型智能压力变送器是一款高性能、高可靠性
的标准压力变送器。 以株式会社山武成熟的智能变送
器技术为基础, PTG 在进一步提高性能和可靠性的同
时,其外型更小,重量更轻,而且成本更低。 另外,
内置数字表头作为选购件,使该变送器能适应各种不
同场合的使用。
它还可通过 DE 协议用 SFC( 智能现场通信器 ) 或
通过 HART 协议用 HART
方便了自诊断,测量范围重新设置和自动调零。
®
通信器实现双向通信,从而
No. SS4-PTG300-0100C (4 版 )
特 性
小型轻巧
约 0.9kg( 螺纹连接型 )
宽量程设定
测量范围 -100kPa ~ 50MPa
量 程 2.0kPa ~ 50MPa
注)螺纹连接型有5种测量范围覆盖。
远程通信
通过 SFC 或 HART
这将进一步提高量程变化的灵活性,并能有效地减少
备品库存。
内置数字表头
内置数字表头可有效确认现场输出。
®
通信器可任意设定测量量程。
CE 标识
PTG71G 型螺纹连接
防护类型
防水和防尘 IEC IP67
NEPSI 防火认证
NEPSI 防爆 Ex d IIC T4, T5, T6
NEPSI 防尘爆 DIP DP T11
FM 认可防爆
FM 防爆 I 类 1 区, A、 B、 C 和 D 组,
环境温度为 60°C
FM 防尘爆 II、 III 类 1 区, E、 F、 G 组,
环境温度为 60°C, 4X 型
FM 本质安全认证
本质安全 I、II、III 类 1 区,A、B、C、E、F 和
G 组。
T4 / I 类 0 区, AEx ia IIC T4
1
参考英文 SS2-PTG300-0100-12 版
Page 2

No. SS4-PTG300-0100C (4 版 )
PTG 系列的外观图
型号 PTG__G
( 螺纹型 )
型号 PTG__S
( 螺帽式卫生型 )
型号 PTG__B
( 平膜片型 )
型号 PTG__F
( 法兰型 )
型号 PTG__K
( 带冷却延长段的
抱箍式卫生型 )
型号 PTG__S
( 抱箍式卫生型 )
型号 PTG_K
( 带冷却延长段的
螺帽式卫生型 )
型号 PTG__T
( 远传毛细管抱箍式卫生型 )
2
型号 PTG__T
( 远传毛细管螺帽式卫生型 )
Page 3

No. SS4-PTG300-0100C (4 版 )
一般规格
精 度 ± 0.2%
防护类型
NEMA 3 和 4X: JIS C0920 水密
IEC IP67: JIS F8001 2 级水密
NEPSI 防爆认证
Ex d IIC T4
环境温度: -25°C ~ +60°C
接液部分的温度: -25°C ~ +130°C
Ex d IIC T5
环境温度: -25°C ~ +60°C
接液部分的温度: -40°C ~ +95°C
Ex d IIC T6
环境温度: -25°C ~ +40°C
接液部分的温度: -40°C ~ +80°C
防 尘 爆
DIP DP T11
FM 防爆认证
防 爆 I 类 1 区,A、 B、C 和 D 组 T4,环境温度
为 60°C
防 尘 爆 II、III 类,1 区,E、F、G 组 T6
60°C, 4X 型
FM 本质安全认证
本质安全:I、II、III 类,1 区,A、B、C、E、F 和 G 组。
T4 / I 类, 0 区, AEx ia IIC T4
电源电压和负荷电阻
请参考图 1。
,环境温度为
DE 输出 /SFC 通信
振动容许量
低于 100 Hz : 2 G
100 ~ 2000 Hz : 1 G
调 零
内置零点调整功能
与 CE 标准一致性
• EN50081-2-1993, 电磁兼容性
通用辐射标准,第 2 部分: 工业环境
• EN50082-2-1995, 电磁兼容性
通用抗干扰性标准,第 2 部分: 工业环境
• EN61010-1-1993,电气设备的安全性要求,
控制和实验室用途; 一般要求
表面涂装
聚丙烯烘漆、金属绿 ( 芒塞尔 5G7/8)
电气连接
1/2 NPT 内螺纹
安 装
直接安装到管道上 ( 管线安装 )
•
• 2 英寸管道安装
• 墙壁安装
当安装
道振动在内总振动的特性。
当安装在 2 英寸管道或墙壁上时,请使用选购的安装
支架。
选购规格
PTG
变送器时,必须考虑其相对振动和包括管
内置表头
数字 LCD 表头 ( 选购件 ) 可显示工程单位,并可在
-1999 和 1999 (3.5 位 ) 之间任意设定。
图 1 电源电压 - 负荷电阻特性
电源和电压效应
0.005% F.S./V
输出 / 通信
型号 PTG71
模拟输出 (DC 4 ~ 20mA)/SFC 通信
型号 PTG72
模拟输出 (DC 4 ~ 20mA)/HART 协议
安装支架
安装支架适用于 2 英寸管道或墙壁安装 ( 用于螺纹
连接型和带毛细管卫生型 )
禁油处理
出厂之前将接液部分禁油处理。
禁油和禁水处理
出厂之前将接液部分禁油和禁水处理。
电解磨光 ( 仅用于卫生型 )
接液部分表面通过电解磨光处理进行抛光。
钝化层处理 ( 仅用于卫生型 )
接液部分表面通过钝化层处理形成保护膜,增强抗
腐蚀能力。
抗腐蚀处理
防腐蚀涂层 ( 聚丙烯烘漆 )、防霉表面涂装
3
Page 4

No. SS4-PTG300-0100C (4 版 )
负压的工作范围
图 2PTG__G型的最低工作压力
1000
ጔҋᲰ䭿⍘Ꮥ
(T: - 40 C㜢-110 C)
100
ጔҋᲰ䭿⍘Ꮥ
(T: - 50 C㜢-40 C)
10
䓶⼺≰҂ࢺߊ(kPa abs.)
-50 0 50 100 150
1
ጔҋᲰ䭿⍘Ꮥ
(T: 110 C㜢125 C)
ᣔ⋡䘗⮳⍘Ꮥ:T( C)
图 3PTG__S型、PTG__T 型的最低工作压力,PTG__F 型
组合的最低工作压力以及丙二醇
图 4PTG__B型或 PTG__F 型组合的
最低工作压力
注
) *
为了与
SFC或HART
250
Ω 的回路电阻。
®
通信器通信,必需有一个
图 5PTG__K型的最低工作压力
4
Page 5

No. SS4-PTG300-0100C (4 版 )
过程连接型的详细规格索引
过程连接 过程连接型 测量量程 参考页
螺纹型
PTG_G
平膜片型
PTG_B
法兰型
PTG_F
卫生型
( 直接安装 )
PTG_S
带冷却延长段的
抱箍式卫生型
PTG_K
远传毛细管抱箍式卫生型
( 毛细管 1, 3, 5 m)
PTG_T
G3/8 外螺纹
G1/2 外螺纹
Rc3/8 内螺纹
Rc1/2 内螺纹
1/2 NPT 内螺纹
M20 × 1.5 外螺纹
Rc1/4 内螺纹
G1/2 外螺纹
1/4 NPT 内螺纹
M20 × 1.5 外螺纹
G2 英寸外螺纹
G1/2 英寸外螺纹
JIS10K 50 mm
JIS30K 50 mm
JIS10K 15 mm
JIS30K 15 mm
IDF 2S 抱箍式
IDF 1 ½S 抱箍式
IDF 1S 抱箍式
IDF 2S 螺帽式
IDF 1½S 螺帽式
IDF 2S 抱箍式
IDF 1½S 抱箍式
IDF 1S 抱箍式
IDF 2S 螺帽式
IDF 1 ½ 英寸 螺帽式
IDF 2S 抱箍式
IDF 1½S 抱箍式
IDF 2S 螺帽式
IDF 1½S 螺帽式
2.0 ~ 100 kPa {0.021 ~ 1.019 kgf/cm
40 ~ 400kPa {0.408 ~ 4.07 kgf/cm
0.2 ~ 2 MPa {2.04 ~ 20.3 kgf/cm
1 ~ 10 MPa {10.20 ~ 101.9 kgf/cm
5 ~ 50 MPa {51.0 ~ 509 kgf/cm
2.0 ~ 100 kPa {0.021 ~ 1.019 kgf/cm
40 ~ 400kPa {0.408 ~ 4.07 kgf/cm
0.2 ~ 2 MPa {2.04 ~ 20.3 kgf/cm
1 ~ 10 MPa {10.20 ~ 101.9 kgf/cm
0.2 ~ 2 MPa {2.04 ~ 20.3 kgf/cm
1 ~ 10 MPa {10.20 ~ 101.9 kgf/cm
2.0 ~ 100 kPa {0.021 ~ 1.019 kgf/cm
40 ~ 400kPa {0.408 ~ 4.07 kgf/cm
0.2 ~ 2 MPa {2.04 ~ 20.3 kgf/cm
1 ~ 10 MPa {10.20 ~ 101.9 kgf/cm
2.0 ~ 100 kPa {0.021 ~ 1.019 kgf/cm
40 ~ 400kPa {0.408 ~ 4.07 kgf/cm
0.2 ~ 2 MPa {2.04 ~ 20.3 kgf/cm
2.0 ~ 100 kPa {0.021 ~ 1.019 kgf/cm
40 ~ 400kPa {0.408 ~ 4.07 kgf/cm
0.2 ~ 2 MPa {2.04 ~ 20.3 kgf/cm
2.0 ~ 100 kPa {0.021 ~ 1.019 kgf/cm
40 ~ 400kPa {0.408 ~ 4.07 kgf/cm
0.2 ~ 2 MPa {2.04 ~ 20.3 kgf/cm
40 ~ 400kPa {0.408 ~ 4.07 kgf/cm
0.2 ~ 2 MPa {2.04 ~ 20.3 kgf/cm
2.0 ~ 100 kPa {0.021 ~ 1.019 kgf/cm
40 ~ 400kPa {0.408 ~ 4.07 kgf/cm
0.2 ~ 2 MPa {2.04 ~ 20.3 kgf/cm
2.0 ~ 100 kPa {0.021 ~ 1.019 kgf/cm
40 ~ 400kPa {0.408 ~ 4.07 kgf/cm
0.2 ~ 2 MPa {2.04 ~ 20.3 kgf/cm
40 ~ 400kPa {0.408 ~ 4.07 kgf/cm
0.2 ~ 2 MPa {2.04 ~ 20.3 kgf/cm
2.0 ~ 100 kPa {0.021 ~ 1.019 kgf/cm
40 ~ 400kPa {0.408 ~ 4.07 kgf/cm
0.2 ~ 2 MPa {2.04 ~ 20.3 kgf/cm
40 ~ 400kPa {0.408 ~ 4.07 kgf/cm
0.2 ~ 2 MPa {2.04 ~ 20.3 kgf/cm
2
}
2
}
2
}
2
}
2
}
2
}
2
}
2
}
2
}
2
}
2
}
2
}
2
}
2
}
2
}
2
}
2
}
2
}
2
}
2
}
2
}
2
}
2
}
2
}
2
}
2
}
2
}
2
}
2
}
2
}
2
}
2
}
2
}
2
}
2
}
2
}
2
}
2
}
2
}
6 至 11
12 至 14
15 至 18
19 至 21
22 至 24
25 至 27
28 至 30
31 至 33
34 至 36
5
Page 6

No. SS4-PTG300-0100C (4 版 )
螺纹型
测量量程 / 设定范围 / 耐过负荷
型号 测量量程 设定范围 耐过负荷 过程管线连接
PTG7_G - _3 2.0 ~ 100 kPa
PTG7_G - _4 40 ~ 400 kPa
PTG7_G - _5 0.2 ~ 2 MPa -0.1 ~ 2 MPa 4 MPa
PTG7_G - _6 1~10 MPa -0.1 ~ 10 MPa 20 MPa
PTG7_G - _7 5 ~ 50 MPa -0.1 ~ 50 MPa 75 MPa*
注
)*
防爆为
62.5MPa
-100 ~ 100
kPa
-100 ~ 400
kPa
200kPa
800kPa
Rc3/8
Rc1/2
G3/8
G1/2
1/2 NPT
M20×1.5
外螺纹
Rc1/4
G1/2
1/4 NPT
M20×1.5
外螺纹
内螺纹
内螺纹
外螺纹
外螺纹
内螺纹
内螺纹
外螺纹
内螺纹
环境温度
正常工作范围 : -25°C
运输和保管温度 : -40°C
接液部分的温度范围 : -40°C
~ 60°C
~ 70°C
~ 110°C
环境湿度 : 5 ~ 100% RH
材 质
封 入 液 硅油 : 一般用
氟油 : 氧用、氯用
接液部分 膜片 : SUS316L
其它 : SUS316
壳 体 铝合金
重 量 约 0.9 kg
6
Page 7

型号选择
智能压力变送器 PTG7XG
过程连接: 螺纹型
型号构成: 基本型号 - 选择 - 选项 1- 选项 2
No. SS4-PTG300-0100C (4 版 )
基本型号 选择 选项 1 选项 2
---
产品说明 标准压力变送器:
带 SFC 通信功能的螺纹连接型
标准压力变送器:
带 SFC/HART 通信功能的螺纹连接型
防护类型 防水和防尘: IEC IP67
电气连接:1/2 NPT
FM 防爆
电气连接:1/2 NPT
FM 本质安全
电气连接: 1/2 NPT
NEPSI 防爆
电气连接:1/2 NPT
测量量程
材质
膜片/ 其它接液部/封入液
过程连接 G½ 外螺纹
选项 1
无选择
SFC 通信 DE 输出 ( 仅用于型号 PTG72)
内置数字表头
防腐涂层
接液部分表面处理 禁油处理
选项 2
无选择
非 SI 单位
安装支架
电气连接 M20 × 1.5 适配器
2.0 ~ 100 kPa (0.021 ~ 1.019 kgf/cm
40 ~ 400 kPa (0.408 ~ 4.07 kgf/cm2)
0.2 ~ 2 MPa (2.04 ~ 20.3 kgf/cm2)
1 ~ 10 MPa (10.20 ~ 101.9 kgf/cm2)
5 ~ 50 MPa (51.0 ~ 509 kgf/cm2)
SUS316L/SUS316/ 硅油
SUS316L/SUS316/ 硅油
G3/8 外螺纹 ( 不能用于测量量程代码 “7” )
Rc1/4 内螺纹 ( 仅用于测量量程代码 “7” )
Rc½ 内螺纹 ( 不能用于测量量程代码 “7” )
Rc3/8 内螺纹 ( 不能用于测量量程代码 “7” )
1/4NPT 内螺纹 ( 仅用于测量量程代码 “7” )
½NPT 内螺纹 ( 不能用于测量量程代码 “7” )
M20 × 1.5 外螺纹
禁水和禁油处理
PTG71G
PTG72G
-
N
D
E
L
2
)
3
4
5
6
7
B1
B2
G4
G3
C2
C4
C3
N2
N4
PH
-
X
8
M
B
G
H
-
X
F
H
T
7
Page 8

No. SS4-PTG300-0100C (4 版 )
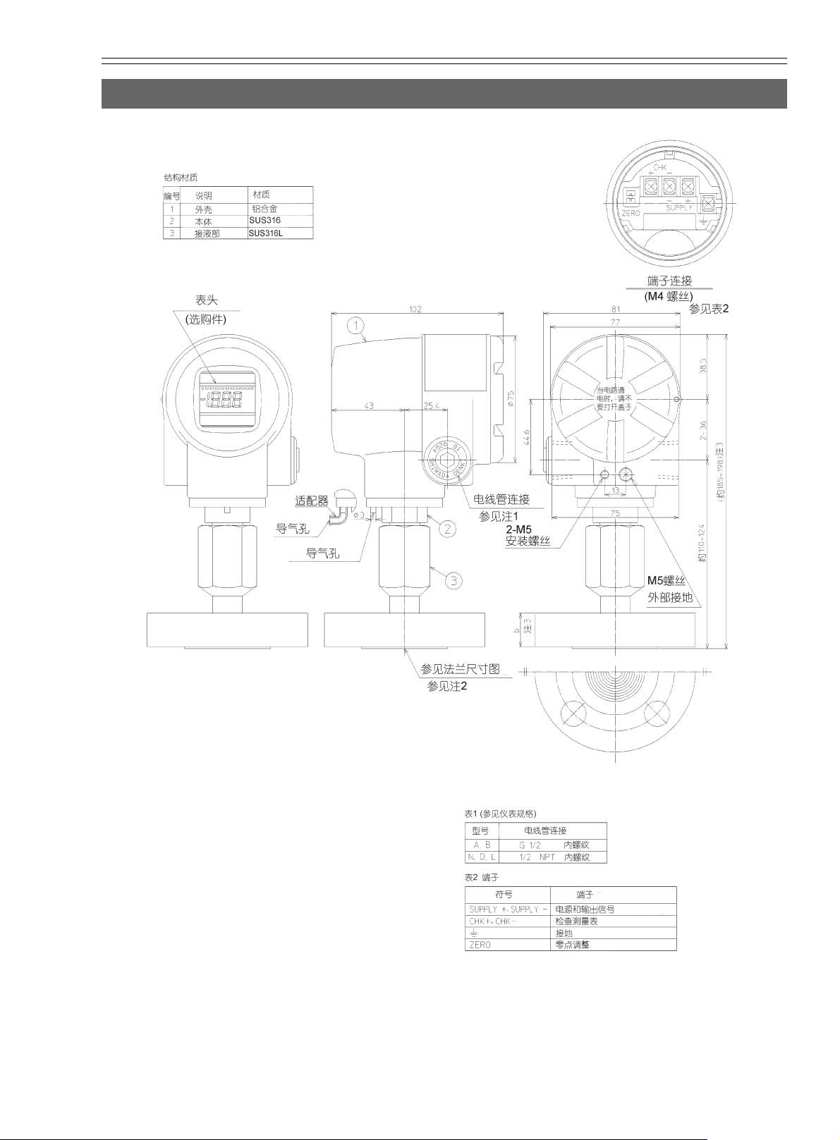
外形尺寸
[mm]
8
Page 9

No. SS4-PTG300-0100C (4 版 )
[mm]
9
Page 10

No. SS4-PTG300-0100C (4 版 )
[mm]
10
Page 11

No. SS4-PTG300-0100C (4 版 )
11
Page 12

No. SS4-PTG300-0100C (4 版 )
平膜片型
(G2 英寸外螺纹、 G1/2 英寸外螺纹 / 平膜片 )
精 度: ± 0.5%
测量量程 / 设定范围 / 耐过负荷
型号 测量量程 设定范围 耐过负荷
PTG7_B - _3 2.0 ~ 100kPa -100 ~ 100kPa 200kPa
PTG7_B - _4 40 ~ 400kPa -100 ~ 400kPa 800kPa
PTG7_B - _5 0.2 ~ 2 MPa -0.1 ~ 2 MPa 4MPa
PTG7_B - _6 1 ~ 10 MPa -0.1 ~ 10 MPa 20MPa
G2 外螺纹
G2 外螺纹
G1/2 外螺纹
环境湿度 5 ~ 100% RH
材 质
封 入 液 硅油 丙二醇
接液部分 膜片 : SUS316L
其它 : SUS316
壳 体 铝合金
重 量
G2 英寸外螺纹: 约 2.5kg
G1/2 外螺纹: 约 1.5kg
过程连接
G2 英寸外螺纹
G1/2 英寸外螺纹
过程管线连
接
环境温度
正常工作范围
封入液
硅油
丙二醇
运输和保管温度
封入液
硅油
丙二醇
接液部分的温度范围
封入液
硅油
丙二醇
G2 外螺纹 G1/2 外螺纹
-20°C ~ 60°C-10°C ~ 50°C
-10°C ~ 60°C-10°C ~ 50°C
G2 外螺纹 G1/2 外螺纹
-30°C ~ 60°C20°C ~ 60°C
-20°C ~ 60°C-20°C ~ 60°C
G2 外螺纹 G1/2 外螺纹
-20°C ~ 110°C-10°C ~ 85°C
-10°C ~ 110°C-10°C ~ 85°C
12
Page 13

型号选择
智能压力变送器 PTG7XB
过程连接: 平膜片型 (G2 英寸外螺纹、 G1/2 英寸外螺纹 / 平膜片 )
基本型号 选择 选项 1 选项 2
No. SS4-PTG300-0100C (4 版 )
---
产品说明 标准压力变送器:
带 SFC 通信功能的螺纹连接型 ( 平膜片 )
标准压力变送器:
带 SFC/HART 通信功能的螺纹连接型 ( 平膜片 )
防护类型 防水和防尘: IEC IP67
电气连接:1/2 NPT
FM 防爆
电气连接:1/2 NPT
FM 本质安全
电气连接: 1/2 NPT
NEPSI 防爆
电气连接:1/2 NPT
测量量程
材质
膜片/ 其它接液部/封入液
过程连接
选项 1
无选择
SFC 通信 DE 输出 ( 仅用于型号 PTG72)
内置数字表头
防腐涂层
接液部分表面处理
选项 2
无选择
非 SI 单位
安装支架
电气连接: M20 × 1.5 适配器
2.0~100 kPa (0.021~1.019 kgf/cm
( 不适用于过程连接 G1/2)
40~400 kPa (0.408~4.07 kgf/cm2)
( 不适用于过程连接 G1/2)
0.2~2 MPa (2.04~20.3 kgf/cm2)
1~10 MPa (10.20~101.9 kgf/cm2)
SUS316L/SUS316L/ 硅油
SUS316L/SUS316L/ 丙二醇
G2 外螺纹
G1/2 外螺纹
禁油处理
禁水和禁油处理
PTG71B
PTG72B
-
N
D
E
L
2
)
3
4
5
6
C1
CB
AGF
AG4
-
X
8
M
B
G
H
-
X
F
H
T
13
Page 14

No. SS4-PTG300-0100C (4 版 )
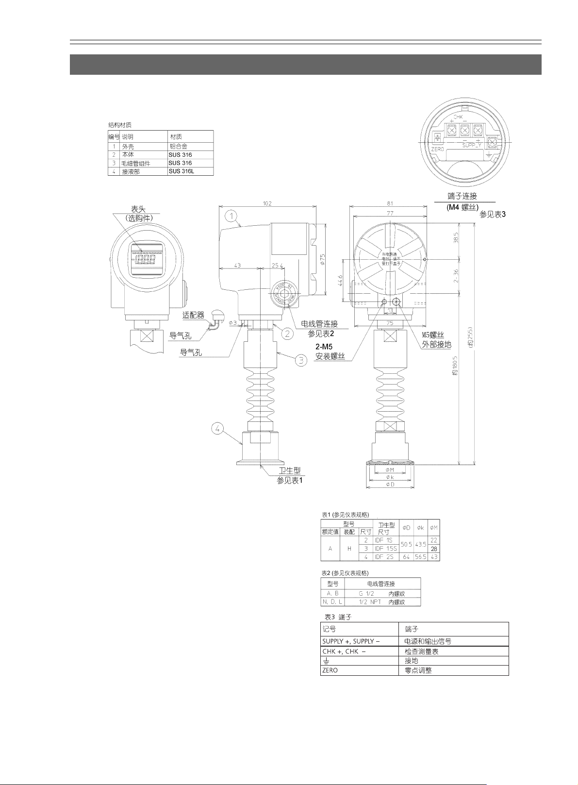
外形尺寸
[mm]
14
Page 15

No. SS4-PTG300-0100C (4 版 )
法兰型
(1/2 英寸、 2 英寸 )
精 度: ± 0.5%
测量量程 / 设定范围 / 耐过负荷
型号 测量量程 设定范围 耐过负荷
PTG7_F - _3 2.0~100 kPa -100~100 kPa 200kPa
PTG7_F - _4 40~400 kPa -100~400 kPa 800kPa
PTG7_F - _5 0.2~2 MPa -0.1~2 MPa
PTG7_F - _6 1~10 MPa -0.1~10 MPa
4MPa 或
法兰等级
20MPa 或
法兰等级
环境湿度 5~100% RH
材 质
封 入 液 硅油 丙二醇
接液部分 膜片 SUS316L
其它 SUS316
法兰部分 SUS304
壳 体 铝合金
重 量
JIS10K 50A 型 : 约 4.2 kg
JIS10K 15A 型 : 约 2 kg
过程连接
JIS : 10K_15 mm, 50 mm
JIS : 30K_15 mm, 50 mm
过程管
线连接
2 英寸
(50 mm),
1/2 英寸
(15 mm)
环境温度
正常工作范围
硅油 -25°C ~ 60°C
丙二醇 -10°C ~ 60°C
运输和保管温度
硅油 -40°C ~ 70°C
丙二醇 -20°C ~ 60°C
接液部分的温度范围
硅油 -40°C ~ 110°C
丙二醇 -10°C ~ 110°C
允许 150°C 下蒸汽清洗 30 分钟
15
Page 16

No. SS4-PTG300-0100C (4 版 )
型号选择
智能压力变送器 PTG7XF
过程连接: 法兰型
型号构成: 基本型号 - 选择 - 选项 1- 选项 2
基本型号 选择 选项 1 选项 2
---
产品说明 标准压力变送器:
带 SFC 通信功能的法兰型
标准压力变送器:
带 SFC/HART 通信功能的法兰型
防护类型 防水和防尘: IEC IP67
电气连接:1/2 NPT
FM 防爆
电气连接:1/2 NPT
FM 本质安全
电气连接: 1/2 NPT
NEPSI 防爆
电气连接:1/2 NPT
测量量程
材料
膜片 / 其它的接液部 / 封入液
法兰
标准 / 额定值
法兰直径
法兰材质
凸法兰长度 无
选项 1
无选择
SFC 通信 DE 输出 ( 仅用于型号 PTG72)
内置数字表头
防腐涂层
接液部分表面处理
选项 2
无选择
非 SI 单位
电气连接:M20 × 1.5 适配器
2.0~100 kPa (0.021~1.019 kgf/cm
40~400 kPa (0.408~4.07 kgf/cm2)
0.2~2 MPa (2.04~20.3 kgf/cm2)
1~10 MPa (10.20~101.9 kgf/cm2)
SUS316L/SUS316L/ 硅胶油
SUS316L/SUS316L/ 丙二醇
JIS10K A
JIS30K D
2 英寸 /50 mm
1/2 英寸 /15 mm
SUS304 S
禁油处理
禁水和禁油处理
PTG71
F
PTG72
F
2
)
-
N
D
E
L
3
4
5
6
C1
CB
3
7
X
X
8
M
B
G
H
X
F
T
16
Page 17

外形尺寸
No. SS4-PTG300-0100C (4 版 )
[mm]
注
)1.
参见表1。
2.
关于法兰尺寸请参见后一页。
3.
关于法兰尺寸请参见后一页。
4.
请不要松开。 松开法兰可能会导致封入液泄漏。
17
Page 18

No. SS4-PTG300-0100C (4 版 )
JIS 10K - 15 mm / 25 mm JIS 10K - 50 mm
法兰等级
1–
D
0
gkN
d
± 0.5
+1
1
hb
JIS 10K - 15 mm 95 54 70 4 15 12 15 16
JIS 10K - 50 mm 155 99 120 4 19 16 - 19
JIS 30K - 50 mm JIS 30K - 15 mm
法兰等级 D
-1
gkN
d
±0.5
M
+1
b
JIS 30K - 15 mm 115 55 80 4 19 - 21 1
JIS 30K - 50 mm 165 105 130 8 19 59 22 2
18
f
Page 19

卫生型
(1S、 1½、 2S 抱箍式 )
精 度: ± 0.5%
测量量程 / 设定范围 / 耐过负荷
型号 测量量程 设定范围 耐过负荷 过程连接
PTG7_S - _3 2.0~100 kPa -100 ~ 100 kPa 200kPa
PTG7_S - _4 40~400 kPa -100 ~ 400 kPa
PTG7_S - _5 0.2~ 2 MPa -0.1 ~ 2 MPa
800 kPa
夹持额定值
4 MPa
夹持额定值
或
或
2S
2S、1½S、1S
No. SS4-PTG300-0100C (4 版 )
、
1½S
环境温度
正常工作范围 -10°C ~ 60°C
运输和保管温度 -20°C ~ 70°C
接液部分的温度范围 -10°C ~ 121°C
允许在 150°C 下蒸汽清洗 60 分钟
环境湿度 5 ~ 100% RH
材 质
封 入 液 丙二醇
接液部分 膜片 SUS316L
其它 SUS316
壳 体 铝合金
重 量 约 1.2 kg
过程连接
IDF 1S 抱箍式
IDF 1½S 抱箍式
IDF 2S 抱箍式
19
Page 20

No. SS4-PTG300-0100C (4 版 )
型号选择
智能压力变送器 PTG7XS
过程管线连接: 抱箍式
型号构成: 基本型号 - 选择 - 选项 1- 选项 2
基本型号 选择 选项 1 选项 2
产品说明 标准压力变送器:
带 SFC 通信功能的抱箍式
标准压力变送器:
带 SFC/HART 通信功能的抱箍式
防护类型 防水和防尘: IEC IP67
电气连接:1/2 NPT
FM 防爆
电气连接:1/2 NPT
FM 本质安全
电气连接: 1/2 NPT
NEPSI 防爆
电气连接:1/2 NPT
测量量程
材质
膜片/ 其它接液部 /封入液
过程连接
选项 1
无选择
SFC 通信 DE 输出 ( 仅用于型号 PTG72)
内置数字表头
防腐涂层
接液部分表面处理 禁油处理
选项 2
无选择
非 SI 单位
安装支架
电气连接: M20 × 1.5 适配器
2.0~100 kPa (0.021~1.1019 kgf/cm
( 不适用于过程连接 1S。 )
40~400 kPa (0.408~4.07 kgf/cm2)
0.2~2 MPa (2.04~20.3 kgf/cm2)
SUS316L/SUS316L/ 丙二醇
IDF 1S 抱箍式卫生型
IDF1 ½S 抱箍式卫生型
IDF 2S 抱箍式卫生型
禁水和禁油处理
电解磨光
钝化层处理
PTG71S
PTG72S
2
)
-
N
D
E
L
3
4
5
CB
AH2X
AH3X
AH4X
-
X
8
M
B
G
H
K
W
-
X
F
H
T
20
Page 21

外形尺寸
No. SS4-PTG300-0100C (4 版 )
[ 单元: mm]
21
Page 22

No. SS4-PTG300-0100C (4 版 )
卫生型
(1 ½ 英寸, 2 英寸螺帽式 )
精 度: ± 0.5%
测量量程 / 设定范围 / 耐过负荷
型号 测量量程 设定范围 耐过负荷 过程连接
PTG7_S - _3 2.0 ~ 100 kPa -100 ~ 100 kPa 200kPa
800 kPa
PTG7_S - _4 40 ~ 400 kPa -100 ~ 400 kPa
PTG7_S - _5 0.2 ~ 2 MPa -0.1 ~ 2 MPa
或螺帽额
定值
4 MPa 或
螺帽额定
值
2S、 1½S
环境温度
正常工作范围 -10°C ~ 60°C
运输和保管温度 -20°C ~ 70°C
接液部分的温度范围 -10°C ~ 121°C
允许在 150°C 下蒸汽清洗 60 分钟
环境湿度 5~100% RH
材 质
封 入 液 丙二醇
接液部分 膜片 SUS316L
其它 SUS316
壳 体 铝合金
重 量
½ 英寸: 约 1.4 kg
1
2 英寸: 约 1.7 kg
过程连接
IDF 1
½S 螺帽式
IDF 2S 螺帽式
22
Page 23

型号选择
智能压力变送器 PTG7XS
过程连接: 螺帽式卫生型
型号构成: 基本型号 - 选择 - 选项 1- 选项 2
No. SS4-PTG300-0100C (4 版 )
基本型号 选择 选项 1 选项 2
---
产品说明 标准压力变送器:
带 SFC 通信功能的螺帽式
标准压力变送器:
带 SFC/HART 通信功能的螺帽式
防护类型 防水和防尘: IEC IP67
电气连接:1/2 NPT
FM 防爆
电气连接:1/2 NPT
FM 本质安全
电气连接: 1/2 NPT
NEPSI 防爆
电气连接:1/2 NPT
测量量程
材质
膜片 /其它接液部 /封入液
过程连接
选项 1
无选择
SFC 通信 DE 输出 ( 仅用于型号 PTG72)
内置数字表头
防腐涂层
接液部分
表面处理
选项 2
无选择
非 SI 单位
安装支架
电气连接: M20 × 1.5 适配器
2.0~100 kPa (0.021~1.1019 kgf/cm
40~400 kPa (0.408~4.07 kgf/cm2)
0.2~2 MPa (2.04~20.3 kgf/cm2)
SUS316L/SUS316L/ 丙二醇
IDF1
½ 螺帽式卫生型
IDF 2S 螺帽式卫生型
禁油处理
禁水和禁油处理
电解磨光
钝化层处理
2
)
PTG71S
PTG72S
-
N
D
E
L
3
4
5
CB
AC3X
AC4X
-
X
8
M
B
G
H
K
W
-
X
F
H
T
23
Page 24

No. SS4-PTG300-0100C (4 版 )
外形尺寸
[ 单元: mm]
24
Page 25

No. SS4-PTG300-0100C (4 版 )
带冷却延长段的卫生型
(1 英寸, 1 ½ 英寸, 2 英寸抱箍式 )
精 度: ± 0.5%
测量量程 / 设定范围 / 耐过负荷
型号 测量量程 设定范围 耐过负荷 过程连接
PTG7_K - _3 2.0~100 kPa -100~100 kPa 200kPa 2, 1½S
或
PTG7_K - _4 40~400 kPa -100~400 kPa
PTG7_K - _5 0.2~2 MPa -0.1~2 MPa
800 kPa
夹持额定值
或
4 MPa
夹持额定值
2S, 1½S, 1S
过程连接
IDF 1S 抱箍式
IDF 1½S 抱箍式
IDF 2S 抱箍式
环境温度
正常工作范围 -10°C ~ 60°C
运输和保管温度 -20°C ~ 70°C
接液部分的温度范围 -10°C ~ 150°C
环境湿度 5 ~ 100% RH
材 质
封 入 液 丙二醇
接液部分 膜片 SUS316L
其它 SUS316
壳 体 铝合金
重 量 约 1.4 kg
25
Page 26

No. SS4-PTG300-0100C (4 版 )
型号选择
智能压力变送器 PTG7XK
过程连接: 带冷却延长段的抱箍式卫生型
型号构成: 基本型号 - 选择 - 选项 1- 选项 2
基本型号 选择 选项 1 选项 2
---
产品说明 标准压力变送器:
带 SFC 通信功能的抱箍式
标准压力变送器:
带 SFC/HART 通信功能的抱箍式
防护类型 防水和防尘: IEC IP67
电气连接:1/2 NPT
FM 防爆
电气连接:1/2 NPT
FM 本质安全
电气连接: 1/2 NPT
NEPSI 防爆
电气连接:1/2 NPT
测量量程
材质
膜片/ 其它接液部/封入液
过程连接
选项 1
无选择
SFC 通信 DE 输出 ( 仅用于型号 PTG72)
内置数字表头
防腐涂层
接液部分表面处理
选项 2
无选择
非 SI 单位
安装支架
电气连接: M20 × 1.5 适配器
2.0~100 kPa (0.021~1.019 kgf/cm
( 仅用于过程管线连接 2S)
40~400 kPa (0.408~4.07 kgf/cm2)
0.2~2 MPa (2.04~20.3 kgf/cm2)
SUS316L/SUS316L/ 丙二醇
IDF 1
½S 抱箍式卫生型
IDF 2S 抱箍式卫生型
禁油处理
禁水和禁油处理
电解磨光
钝化层处理
PTG71K
PTG72K
-
N
D
E
L
2
)
3
4
5
CB
AH3X
AH4X
-
X
8
M
B
G
H
K
W
-
X
F
H
T
26
Page 27

外形尺寸
No. SS4-PTG300-0100C (4 版 )
[ 单元: mm]
27
Page 28

No. SS4-PTG300-0100C (4 版 )
带冷却延长段的卫生型
(1 ½ 英寸, 2 英寸螺帽式 )
精 度: ± 0.5%
测量量程 / 设定范围 / 耐过负荷
型号 测量量程 设定范围 耐过负荷
PTG7_K - _3 2.0 ~ 100kPa -100 ~ 100 kPa 200kPa
PTG7_K - _4 40 ~ 400 kPa -100 ~ 400 kPa
PTG7_K - _5 0.2 ~ 2 MPa -0.1 ~ 2 MPa
800 kPa 或
螺帽额定
值
4 MPa 或
螺帽额定
值
过程连接
IDF 1½S 螺帽式
IDF 2S 螺帽式
过程管线
连接
2S、 1½S
环境温度
正常工作范围 -10°C ~ 60°C
运输和贮藏温度范围 -20°C ~ 70°C
接液部分的温度范围 -10°C ~ 150°C
环境湿度 5~100% RH
材 质
封入液 丙二醇
接液部分 膜片 SUS316L
其它 SUS316
壳 体 铝合金
重 量
1 ½ 英寸: 约 1.6 kg
2 英寸: 约 1.9 kg
28
Page 29

型号选择
智能压力变送器 PTG7XK
过程连接: 带冷却延长段的螺帽式卫生型
型号构成: 基本型号 - 选择 - 选项 1- 选项 2
No. SS4-PTG300-0100C (4 版 )
基本型号 选择 选项 1 选项 2
---
产品说明 标准压力变送器:
带SFC通信功能的冷却延长段螺帽式
标准压力变送器:
带 SFC/HART 通信功能的冷却延长段
的螺帽式
防护类型 防水和防尘: IEC IP67
电气连接:1/2 NPT
FM 防爆
电气连接:1/2 NPT
FM 本质安全
电气连接: 1/2 NPT
NEPSI 防爆
电气连接:1/2 NPT
测量量程
材质
膜片 / 其它接液部 / 封入液
过程连接
选项 1
无选择
SFC 通信 DE 输出 ( 仅用于型号 PTG72)
内置数字表头
防腐涂层
接液部分表面处理
选项 2
无选择
非 SI 单位
安装支架
电气连接: M20 × 1.5 适配器
2.0~100 kPa (0.021~1.019 kgf/cm
( 仅用于过程连接 2S)
40~400 kPa (0.408~4.07 kgf/cm2)
0.2~2 MPa (2.04~20.3 kgf/cm2)
SUS316L/SUS316L/ 丙二醇
IDF 1
½S 螺帽式卫生型
IDF 2S 螺帽式卫生型
禁油处理
禁水和禁油处理
电解磨光
钝化层处理
2
)
PTG71K
PTG72K
-
N
D
E
L
3
4
5
CB
AC3X
AC4X
-
X
8
M
B
G
H
K
W
-
X
F
H
T
29
Page 30

No. SS4-PTG300-0100C (4 版 )
外形尺寸
[ 单元: mm]
30
Page 31

No. SS4-PTG300-0100C (4 版 )
运传毛细管的卫生型
(1½ 英寸, 2 英寸抱箍式 )
精 度: ± 0.5%
测量量程 / 设定范围 / 耐过负荷
型号 测量量程 设定范围 耐过负荷 过程线接
PTG7_T - _3 2.0~100 kPa -100~100 kPa 200kPa 2S
PTG7_T - _4 40~400 kPa -100~400 kPa
PTG7_T - _5 0.2~2 MPa -0.1~2 MPa
800 kPa 或
夹持额定值
4 MPa 或夹
持额定值
2S、 1
过程连接
IDF 1½S 抱箍式
IDF 2S 抱箍式
½S
环境温度
正常工作范围 1 1/2 英寸:-5°C ~ 55°C
2 英寸:-5°C ~ 60°C
运输和贮藏温度 -20°C ~ 70°C
接液部分的温度范围 -10°C ~ 110°C
允许在 150°C 下蒸汽清洗 30 分钟
环境湿度 5 ~ 100% RH
材 质
封入液 丙二醇
接液部分 膜片 SUS316L
其它 SUS316
壳 体 铝合金
毛细管护套管 烯烃
重 量
约 1.8 kg ( 细管长度 3 m)
31
Page 32

No. SS4-PTG300-0100C (4 版 )
型号选择
智能压力变送器 PTG7XT
过程管线连接: 远传毛细管的抱箍式卫生型
型号构成: 基本型号 - 选择 - 选项 1- 选项 2
基本型号 选择 选项 1 选项 2
---
产品说明 标准压力变送器:
带 SFC 通信功能和运传毛细管抱箍式
标准压力变送器:
带 SFC / HART 通信功能和运传毛细管
抱箍式
防护类型 防水和防尘: IEC IP67
电气连接:1/2 NPT
FM 防爆
电气连接:1/2 NPT
FM 本质安全
电气连接: 1/2 NPT
NEPSI 防爆
电气连接:1/2 NPT
测量量程
材质
膜片/其它接液部 / 封入液
过程连接
毛细管长度
选项 1
无选择
SFC 通信 DE 输出 ( 仅用于型号 PTG72)
防腐涂层
内置数字表头
接液部分表面处理
选项 2
无选择
非 SI 单位
安装支架
电气连接: M20 × 1.5 适配器
2.0 ~ 100 kPa (0.021 ~ 1.019 kgf/cm
( 不适用于过程连接 1S)
40 ~ 400 kPa (0.408 ~ 4.07 kgf/cm2)
0.2 ~ 2 MPa (2.04 ~ 20.3 kgf/cm2)
SUS316L/SUS316L/ 丙二醇
½S 抱箍式卫生型
IDF1
IDF 2S 抱箍式卫生型
1 m( 带毛细管护套 )
3 m( 带毛细管护套 )
5 m( 带毛细管护套 )
禁油处理
禁水和禁油处理
电解磨光
钝化层处理
PTG71T
PTG72T
2
)
-
N
D
E
L
3
4
5
CB
AH3X
AH4X
E
G
J
X
8
B
M
G
H
K
W
X
F
H
T
32
Page 33

外形尺寸
No. SS4-PTG300-0100C (4 版 )
[ 单元: mm]
33
Page 34

No. SS4-PTG300-0100C (4 版 )
远传毛细管的卫生型
(1½ 英寸, 2 英寸螺帽式 )
精 度: ± 0.5%
测量量程 / 设定范围 / 耐过负荷
型号 测量量程 设定范围 耐过负荷
PTG7_T - _3 2.0 ~ 100 kPa -100 ~ 100 kPa 200kPa 2S
或
PTG7_T - _4 40 ~ 400 kPa -100 ~ 400 kPa
PTG7_T - _5 0.2 ~ 2 MPa -0.1 ~ 2 MPa
800 kPa
螺帽额定值
或螺
4 MPa
帽额定值
环境温度
正常工作范围 -5°C ~ 60°C
运输和贮藏温度 -20°C ~ 70°C
接液部分的温度范围 -5°C ~ 121°C
允许 150°C 蒸汽清洗 30 分钟
环境湿度 5 ~ 100% RH
材 质
封 入 液 丙二醇
接液部分 膜片 SUS316L
其它 SUS316
过程管
线连接
2S, 1 1/2S
壳 体 铝合金
毛细管护套管 烯烃
重 量
约 2.3 kg( 毛细管长度 3 m)
过程连接
IDF 1½S 螺帽式
IDF 2S 螺帽式
34
Page 35

型号选择
智能压力变送器 PTG7XT
过程连接: 远传毛细管的螺帽式卫生型
型号构成: 基本型号 - 选择 - 选项 1- 选项 2
No. SS4-PTG300-0100C (4 版 )
基本型号 选择 选项 1 选项 2
---
产品说明 标准压力变送器: 带 SFC 通信功能
和远传毛细管螺帽式
标准压力变送器: 带 SFC / HART 通
信功能和带毛细管的螺帽式
防护类型 防水和防尘: IEC IP67
电气连接:1/2 NPT
FM 防爆
电气连接:1/2 NPT
FM 本质安全
电气连接: 1/2 NPT
NEPSI 防爆
电气连接:1/2 NPT
测量量程
材质
膜片/其它接液部/封入液
过程连接
毛细管长度
选项 1
无选择
SFC 通信 DE 输出 ( 仅用于型号 PTG72)
防腐涂层
内置数字表头
接液部分表面处理
选项 2
无选择
非 SI 单位
安装支架
电气连接: M20 × 1.5 适配器
2.0~100 kPa (0.021~1.019 kgf/cm
40~400 kPa (0.408~4.07 kgf/cm2)
0.2~2 MPa (2.04~20.3 kgf/cm2)
SUS316L/SUS316L/ 丙二醇
IDF 1 1/2S 螺帽式卫生型
IDF 2S 螺帽式卫生型
1m( 带护套 )
3m( 带护套 )
5m( 带护套 )
禁油处理
禁水和禁油处理
电解磨光
钝化层处理
2
)
PTG71T
PTG72T
-
N
D
E
L
3
4
5
CB
AC3X
AC4X
E
G
J
X
8
B
M
G
H
K
W
X
F
H
T
35
Page 36

No. SS4-PTG300-0100C (4 版 )
外形尺寸
•
[ 单元: mm]
代理商:杭州维特科技有限公司
网址:http://www.witltd.com
地址:杭州市朝晖路152号绿洲花园商务楼4F
电话:0571-87083163 传真:0571-87083073
36