
NCR76A (1999 & Before) Page 1 of 5
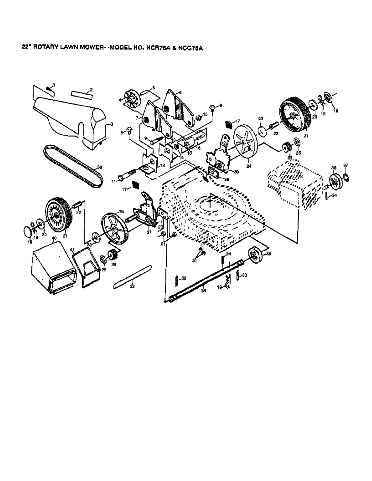
22" ROTARY LAWN MOWER

NCR76A (1999 & Before) Page 2 of 5
22" ROTARY LAWN MOWER
Ref # Part Number Qty Description
1 750832 DRIVE BAR ASS'Y
2 750831 ENGINE CONTROL BA
3 801513X479 NLA
4 850724 SUB= 155890
5 85692 SUB= 74250434
6 85723 WASHER PM
7 851463 THROTTLE CONTROL
8 850042 DR CONT ACTUATOR
9 36953 SCREW SELF TAP
10 850041 ZONE CONT ACTUATO
11 751274 SUB= 532133055
12 751274 SUB= 532133055
13 50806 SUB= 19101216
14 63601 SUB= 73800400
15 53109 SUB= 74760424
16 66426 SUB= 7192J
17 63688 SUB= 136376
18 103672X ROPER GUIDE PM
19 84676X479 SUB= 151516X479
20 58714 SUB= 131959
21 51793 HAIRPIN COTTER
22 850247X479 "BAFFLE,SIDE"
23 54583 SCREW
24 36953 SCREW SELF TAP
25 86779 HEX SCREW
26 76399 "SCREW,HEX HEAD"
27 850009X423 SUB= 850009X479
85009X419 BACK PLATE GREEN
28 750328 HINGE ROD
29 48137 SUB= 91848137
30 74189 NUT
31 85723 WASHER PM
32 850061 BAFFLE
33 81276 SCREW
34 88366 SUB= 130444
35 88367X004 BACKING STRIP
36 107339X DECAL HYT
37 55187 SCREW
38 63124 SUB= 73690500
39 81963X423 SUB= 81963X479
81963X419 SUB= 81963X479
40 81964X423 SUB= 81964X479
81964X419 SUB= 81964X479
41 850988 ENGINE SPACER
42 850987 SUB= 850988
43 54509 SUB= 73731000
44 750346 SUB= 88615
45 53830 SUB= 72240404
46 129913 "KIT,HOUSING "
47 57155 SHOULDER SCREW
48 66238 SUB= 72140505
49 77400 HUB CAP
50 85179 RETAINER CLIP PM
51 52160 WASHER
52 800333 WHL&TIRE ASS'Y
53 84921 SUB= 142748
54 62335 "WASHER, BELLEVIL."
55 85021X004 AXLE ARM

NCR76A (1999 & Before) Page 3 of 5
22" ROTARY LAWN MOWER
Ref # Part Number Qty Description
56 850855X004 SUB= 700331X004
57 87877 KNOB PM
58 88348 WASHER PM
59 84920 SUB= 146630
60 850904 SUB= 750085X007
61 851201X004 WASHER
62 850999 SCREW
63 77508X479 SUB= 144964
64 751592 LOCKNUT PM
65 850859 BOLT
66 850263 LOCKWASHER
67 103524X "BLADE 22"" PM"
68 107251X004 "ADAPTOR,BLADE"
69 103113X SPACER PM
70 87677 HI PRO KEY PM
71 129195 "DECAL,HOUSING"
72 107488X SCREW
73 213146 CABLE CLAMP
74 223290 DEFLECTOR, MUFFLER
75 93705 SUB= 69485
76 850472 "CLIP,CABLE"

NCR76A (1999 & Before) Page 4 of 5
22" ROTARY LAWN MOWER

NCR76A (1999 & Before) Page 5 of 5
22" ROTARY LAWN MOWER
Ref # Part Number Qty Description
1 750097 TAPPING SCREW
2 850209 DECAL
3 850043 DR CVR
4 88516 IDLER PULLEY
5 850037 PULLEY SPACER
6 65231 SCREW
7 850036X004 "BRKT,IDLER"
8 850034X004 "BRKT,IDLER LH"
9 53109 SUB= 74760424
10 50962 LOCKNUT
11 50884 SUB= 74760524
12 850032X004 "BRKT,PIVOT RH"
13 850030X004 "BRKT,PIVOT LH"
14 63124 SUB= 73690500
15 48160 IDLER ASSY
16 88576 IDLER SPACER
17 87877 KNOB PM
18 77400 HUB CAP
19 85179 RETAINER CLIP PM
20 52160 WASHER
21 86943 SUB= 86870
22 88446 BUSHING.HEX
23 67725 WASHER FLUT
24 88080 DUST SHROUD PM
25 53753 E-RING
26 850017 DR PINION LH
27 751810 SUB= 151206
28 8500024X004 SUB= 850024X004
29 850016 DR PINION RH
30 751809 SUB= 151207
31 63601 SUB= 73800400
32 850373 DR SHAFT CVR
33 850018 PAWL DRIVE
34 88028 SUB= 851980
35 88082 DRIVE PULLEY PM
36 850027 DR PULLEY
37 58334 SUB= 2286J
38 850025 DR SHAFT
39 850028 DR BELT
40 128013 GRASSBAG
41 751446 CATCHER FRAME