Page 1

425170 (1994) Page 1 of 28
CHASSIS AND ENCLOSURES
Page 2

425170 (1994) Page 2 of 28
CHASSIS AND ENCLOSURES
Ref # Part Number Qty Description
1 140341 SUB= 145501
2 140356 SUB= 145009
4 10040400 LOCKWASHER
6 127543X SUB= 127543X011
7 17490616 SCREW GTV
9 140398 DASHBOARD BLACK
11 141108 PANEL.DASH.LH.ASM
13 140284 PANEL.DASH.RH.ASM
14 17490612 SCREW
15 135138X016 PLATE.DASH
16 132177 LOWER DASH
17 132635X520 HOOD.LT/YT/GT
18 74180512 SCREW
19 19111116 WASHER
20 73510500 NUT
21 74760612 SUB= 74780612
22 19131312 WASHER
23 73680600 SUB= 73690600
24 124130X SUPPORT ASS'Y
26 73220400 SUB= 50675
28 131716 SUB= 532131716
30 140001X520 FENDER.PNTD
31 139976 BRACKET SUPT FEND
32 17490612 SCREW
33 105464X520 SUB= 145243X520
34 105465X520 FOOTREST.LH
35 72110606 BOLT
36 73680600 SUB= 73690600
37 133671 FOOTREST PAD
38 105419X520 STRAP.GRILL
41 106784X SUB= 155013
42 104618X SUB= 155013
43 73510400 NUT
44 109808X HOOD LATCH T
45 74191008 SCREW
46 10071000 LOCKWASHER
47 2029J WELDNUT
48 123481X SUB= 7605J
49 73680400 SUB= 73690400
53 137655X520 PANEL.SIDE.RH
54 132637X520 PANEL.SIDE.LH
55 19091216 WASHER PM
56 73220400 SUB= 50675
57 7206J SPACER LT
58 19070818 WASHER
59 73731000 NUT
60 74981020 SCREW
61 74760614 SUB= 74760616
66 123198X SUB= 146525
71 124392X417 SUB= 147717
72 106395X LENS LT
73 17211010 SCREW LT
74 140181 PLATE.SUPT.BATTER
75 104755X """J"" FASTENER LT"
76 17490512 SCREW
77 19131210 WASHER
78 132644 SUB= 532132644
80 19091016 WASHER
Page 3

425170 (1994) Page 3 of 28
CHASSIS AND ENCLOSURES
Ref # Part Number Qty Description
85 74760532 BOLT
86 121236X SPACER
87 73800500 NUT
91 74780616 BOLT
92 73680600 SUB= 73690600
93 139978 PLATE EXTEN FEND
94 74780616 BOLT
95 19131312 WASHER
96 73680600 SUB= 73690600
97 19171416 WASHER
98 72110608 BOLT D
99 139977 SPACER FENDER LT
100 74760612 SUB= 74780612
101 2751R CLIP T
102 126471X "CLIP,INSULATOR"
103 139886 BRACKET ASM LH
104 139887 BRACKET ASM RH
105 72140608 SUB= 72110608
110 110436X SUB= 9151R
111 142992 STOP.OVER.CENTER
112 72240608 BOLT
113 19131612 WASHER GT
Page 4

425170 (1994) Page 4 of 28
DANA TRANSAXLE
Page 5

425170 (1994) Page 5 of 28
DANA TRANSAXLE
Ref # Part Number Qty Description
1 5305D HOUSING, UPPER
2 1919 SCREW
3 5112 BALL, DETENT
4 3626 SPRING, DETENT
5 3623 SCREW, SET
6 4604 KIT, SHIFTER ASSEMBLY
7 5024 BOOT, SHIFTER
8 3907 PUCK, FRICTION
9 5131 SCREW TAPPING WITH SEALER
10 1106 RING, RETAINING
11 4689 ASSY, KIT, SHIM .625 SHAFT
12 5406 GEAR, SPUR, 15T
13 3876 WASHER, PLAIN .632 X 1.38 X .046
14 1746 KEY, WOODRUFF, #9
15 4171 ASSY KIT INPUT SHAFT
16 3725 PINION BEVEL 14 TEETH
17 3624 RING, RETAINING
18 3625 CHAIN, 24 PITCHES
19 1542 BEARING, FLANGE
20 5402 GEAR, SPUR, 14 TEETH
21 5303 COLLAR, CLUTCH
22 4759 ASSY, KIT, CLUTCH KEYS
23 5415 BEARING, FLANGE
24 5403 SHAFT, INTERMEDIATE
25 1375 KEY, WOODRUFF, #61
26 3627 RING, RETAINING
27 3830 SPROCKET, 18 TEETH
28 3841 SPACER
29 5365 GEAR, SPUR, 37 TEETH
30 5407 GEAR, SPUR, 35T
31 3867 GEAR, SPUR, 30 TEETH
32 3783 GEAR, SPUR, 25 TEETH
33 3869 GEAR, SPUR, 22 TEETH
34 5202 GEAR, SPUR, 19 TEETH
35 3628 WASHER, PLAIN .640 X 1.37 X .061
36 1423 WASHER, PLAIN .632 X 1.00 X .026
37 3422 SPACER .630 X 1.00 X .169
38 4286 ASSY GEAR COMB 12&35 TEETH
39 3967 SHAFT, IDLER
40 3901 SPACER .635 X .875 X .755
41 3645 SPROCKET, 9 TEETH
42 3589 GEAR, BEVEL, 42 TEETH
43 4691 ASSY, KIT, SHIM .750 SHAFT
44 3882 SHAFT, DRIVE
45 3724 SCREW TAPPING
46 5364 GEAR SPUR, 12 TEETH
47 3866 GEAR, SPUR, 20 TEETH
48 3719 GEAR, SPUR, 25 TEETH
49 3868 GEAR, SPUR, 28 TEETH
50 3683 GEAR, SPUR, 31 TEETH
51 1145 WASHER, PLAIN .632 X 1.00 X .060
52 5130 WASHER, NEOPRENE
53 3184 WASHER, PLAIN .758 X 1.25 X .031
54 3880 AXLE LEFT HAND
55 3871 GEAR MITER 15 TEETH
56 3656 RING, RETAINING
57 3839 GEAR, SPUR, 32 TEETH
58 3919 SHAFT, CROSS
Page 6

425170 (1994) Page 6 of 28
DANA TRANSAXLE
Ref # Part Number Qty Description
59 3726 GEAR, MITER, 15 TEETH
60 3881 AXLE, R.H.
61 5304E HOUSING, LOWER
62 3920 PUCK, FRICTION
63 3276 DISC, BRAKE
64 3758 SPACER
65 3916 JAW, BRAKE
66 3843 PIN, DOWEL
67 5120 SCREW, SELF-TAPPING
68 5285 LEVER ACTUATING
69 3760 WASHER, PLAIN .321 X 1.00 X .055
70 3917 BRACKET, ANTI-ROTATION
71 3847 LOCKNUT 5/16-24
72 5416 SEAL, OIL
73 4300 GREASE
Page 7

425170 (1994) Page 7 of 28
DECALS
Page 8

425170 (1994) Page 8 of 28
DECALS
Ref # Part Number Qty Description
1 138984 DECAL.FENDER
2 135426 DECAL.ENG.272559
3 143348 DECAL.HD.LOWES.LH
4 143347 DECAL.HD.LOWES.RH
5 135020 NLA
6 140837 DECAL BRAK PARK
7 133796 DECAL
8 4900J DECAL T
9 139016 DECAL.CHASSIS
10 139346 "DECAL.V.BELT.44"""
11 138990 DECAL.WHL.STRG
12 138955 DECAL.DASH.INST.
138311 DECAL HANDLE LIFT
143418 MANUAL.O.425170.E
LC05 WHEEL WTS.
Page 9

425170 (1994) Page 9 of 28
DRIVE
Page 10

425170 (1994) Page 10 of 28
DRIVE
Ref # Part Number Qty Description
1 142607 SUB= 145605
2 110422X SUB= 146682
3 123666X PULLEY TRANS
4 12000028 SUB= 2267J
5 121520X STRAP TORQUE
6 17490512 SCREW
8 141003 ROD SHIFT FEND LT
10 76020416 PIN COTTER 1/8
11 105701X WASH-SHFT PLT LT
12 19151216 WASHER
13 71040412 SUB= 74550412
14 10040400 LOCKWASHER
16 73800500 NUT
17 121520X STRAP TORQUE
18 74780616 BOLT
19 73800600 NUT
20 17490512 SCREW
21 106933X KNOB T (1/2-HOLE)
22 130804 BRAKE ROD
23 73800600 NUT
24 73350600 NUT
25 106888X SPRING ROD LT
26 19131316 WASHER
27 76020412 COTTER PIN
28 133261 BRAKE PARK ROD
29 71673 PLUNGER CAP T
30 130807 TRANSAXLE MTG BKT
31 130807 TRANSAXLE MTG BKT
31 127275X "KEEPER,BELT LH T"
32 74760512 BOLT
33 73800500 NUT
34 122424X SUB= 149001
35 120183X NYLON BEARING
36 19211616 WASHER LT
37 1572H SUB= 2882J
38 123674X PULLEY.IDLER.FLAT
39 74760644 BOLT
40 4470J SPACER T
41 109070X BELT KEEPER LT
42 19131312 WASHER
43 73800600 NUT
44 105706X "LY, BEARING"
45 110812X WASHER LT
46 12000039 KLIP RING
47 127783 SUB= 139245
48 123789X ARM IDLER
49 123205X RETAIN BELT
50 74760624 SUB= 74930624
51 73680600 SUB= 73690600
52 19131616 WASHER HYT
53 105710X "LINK, CLUTCH T"
54 76020412 COTTER PIN
55 105709X "SPRING, RETURN LT"
56 76020412 COTTER PIN
57 130801 SUB= 138255
58 127274X "KEEPER,BELT RH T"
59 140312 KEEPER BELT CNTSP
60 19131312 WASHER
Page 11

425170 (1994) Page 11 of 28
DRIVE
Ref # Part Number Qty Description
61 17490612 SCREW
62 8883R PEDAL COVER T
63 140186 PULLEY.ENGINE
64 71170764 BOLT
65 10040700 LOCKWASHER
66 129921 KEEPER.BELT.ENG.L
67 74760616 BOLT
68 19131312 WASHER
69 73680600 SUB= 73690600
70 134683 KEEPER BELT ENG
71 74760616 BOLT
72 19132012 WASHER
73 73680600 SUB= 73690600
74 109502X SPACER LT
75 121749X WASHER
76 12000001 E-RING LT
77 123583X SQUARE KEY
78 123583X SQUARE KEY
78 121748X WASHER
80 131487 ARM SHIFT TRANS
81 136933 SHAFT ASM.SHIFT
82 123782X "SPRING,TORSION"
83 19171216 WASHER
84 132183 TIE ROD
85 73530400 NUT 1/4-28
86 71208 BUSHING
87 19212016 WASHER D
88 12000008 KLIP RING
89 139964 SUB= 918139964
90 124346X NUT
92 72110608 BOLT D
94 17490616 SCREW GTV
95 17490612 SCREW
100 19111216 WASHER M
113 2751R CLIP T
115 74780544 BOLT HEX
149 135029 MUFFLER GUARD
Page 12

425170 (1994) Page 12 of 28
ELECTRICAL
Page 13

425170 (1994) Page 13 of 28
ELECTRICAL
Ref # Part Number Qty Description
1 121265X SUB= 123899X
2 74760412 BOLT LT
3 19091016 WASHER
4 10040400 LOCKWASHER
5 121264X "CAP,BATTERY "
6 73220400 SUB= 50675
7 7697J "DRAIN TU T, BATT"
8 7603J "TRAY T, BATTERY"
9 109596X HOSE CLAMP T
10 72240460 BOLT
11 102476X SUB= 150109
12 123198X SUB= 146525
19 10090400 SUB= 10040400
20 73350400 NUT
21 136850 "HARNESS,LIGHT SOC"
22 4152J HEADLAMP BULB
23 11150400 LOCKWASHER
24 4799J "CABLE T, BATTERY"
25 4206J CABLE-BATTERY T
26 108824X FUSE HYT
28 4207J CABLE T
29 121305X SWITCH SEAT
30 140399 SUB= 163088
31 140400 SUB= 145774
32 141226 COVER KEY SWITCH
33 140401 KEY MLD GEN DELTA
34 110712X SWITCH LT
35 108236X BRACKET LT
36 17021008 SCREW
37 104445X SWITCH-INTER. GT
38 140336 BRACKET SWITCH IN
39 109553X SWITCH INTERLOCKT
40 140419 HARNESS.IGN.DASH
41 71110408 BOLT HXHD FIN
42 131563 SUB= 154336
43 138406 SUB= 146154
44 73640400 NUT HXKEP 1/4X20
45 140844 ADAPTER AMMETER
47 11050600 LOCKWASHER
70 140413 HARNESS ENG DUAL
Page 14

425170 (1994) Page 14 of 28
ENGINE
Page 15

425170 (1994) Page 15 of 28
ENGINE
Ref # Part Number Qty Description
1 132747 SUB= 532132748
2 17720410 SCREW LT
3 422707 ENGINE B&S 18HP
4 73510600 NUT
5 2751R CLIP T
6 8545J SUB= 272250
7 10040400 LOCKWASHER
8 74780412 SUB= 74780414
9 13280336 PIPE NIPPLE LT
10 13200300 ELBOW
11 132781 CHOKE CONTROL
13 108373X MUFFLER HYT
14 11050600 LOCKWASHER
15 73610600 SUB= 7810H
16 100229L EXHAUST TUBE T
17 11050600 LOCKWASHER
18 17490624 SCREW LT
20 141291 TANK FUEL 1.9 NAT
21 123487X HOSE CLAMP
22 140527 CAP ASM FUEL
23 140020 STRAP TANK FUEL
24 140019 STRAP TANK FRONT
25 17490612 SCREW
26 126564X "STRIP,FORM"
27 CHECK WITH SUPPLIER
28 7833R HOSE T
29 137180 SUB= 532137180
Page 16

425170 (1994) Page 16 of 28
MOWER DECK
Page 17

425170 (1994) Page 17 of 28
MOWER DECK
Ref # Part Number Qty Description
1 140579 "DECK ASM WELD44"""
2 73800500 NUT
3 72110506 SUB= 72270506
4 7631J RUNNER-LH M
5 138457 BRKT.ASM.SW.44/50
6 4939M SUB= 85902
7 130832 SUB= 130833
8 850857 BLADE BOLT
9 10030600 SUB= 10040600
10 140296 WASHER.HARD.BLADE
11 130652 "BLADE.44"" HIPERF"
12 129895 BEARING.BALL
13 137553 SHAFT.ASM.W/BRNG
14 137152 HOUSING.MAND.44.V
15 110485X BEARING
16 136929 SUB= 140329
17 106735X ROD-HINGE T
18 19111016 WASHER
19 105304X CAP-SLEEVE LT
20 123713X SPRING TORSION
21 137607 BRKT DEFLECTOR
22 110452X NUT PUSH M
23 109785X DEFLECTOR SHIELD
24 136321 RUNNER.RH
25 19111216 WASHER M
26 72110614 BOLT
27 19131316 WASHER
28 132823 SUB= 532132823
29 73800600 NUT
30 138776 SUB= 157722
31 137266 SUB= 139729
32 129861 SUB= 153535
33 129963 WASHER
34 72140610 BOLT.3/8-14X1.25
35 72110616 BOLT
36 72110608 BOLT D
37 137166 STIFFENER.ARM.IDL
38 140365 KEEPER BELT IDLER
39 131494 FLAT IDLER PULLEY
40 136572 "PULLEY.DRIVEN.44"""
42 72140506 BOLT
43 136460 "ARM.IDLER.SEC.44"""
44 122052X SPACER RETAINER
45 73680600 SUB= 73690600
46 74760628 BOLT
47 137200 "COVER.MAND.RH.44"""
48 137729 SCREW.1/4-20X5/8
49 136574 COVER.MANDREL.LH
50 137272 ARM.IDLER.PRIMARY
51 137273 "SPRING.SEC.44""VEN"
52 139245 PULLEY.IDLER.VGRO
53 137789 SHIELD.IDLER.44.V
54 142686 BELT-V MOWER PRIM
55 131290 BELT-V.88.12.MW
56 126910X "SPRING,EXTENTION"
57 136577 BAR.ASM.GUAGE.WHL
58 105455X WHEEL.GAGE.BLK.PL
59 4898H BOLT M
Page 18

425170 (1994) Page 18 of 28
MOWER DECK
Ref # Part Number Qty Description
60 139031 PIN.CLEVIS
61 136573 BRACKET.GUAGE.WHL
62 133943 HARDENED WASHER
63 72110612 BOLT.3/8-16X1.50
64 19121414 WASHER
67 73800600 NUT
68 140364 BRACKET PVT MCH
69 74760612 SUB= 74780612
70 140361 "BRACKET SUPT 44"""
71 133944 HARD SMALL WASHER
72 140367 ARM BRAKE ASM
73 139888 BOLT.SHLD.5/16-18
74 133940 SUB= 151785
75 131340 SHOULDER BOLT
76 69180 LOCKNUT
77 133551 PIVOT ROD
78 4497H RETAINER M
79 140363 ROD CLUTCH SECON
80 143354 ROD.CLUTCH.PRIM44
81 73350600 NUT
82 142028 TRUNION ADJ
83 131870 RETURN SPRING
84 128903 SHOULDER BOLT
85 12000029 RING
86 121748X WASHER
87 127845 SPRING KEEPER
88 127847 CLUTCH ARM SECOND
89 140335 LEVER.CLU.PRIM.
90 128759 SUB= 918128759
91 127498 BUSHING
92 132044 SUB= 532132044
93 102403X IDLER-FLAT T
94 139622 SUB= 918139622
100 19171512 WASHER
101 133944 HARD SMALL WASHER
143419 DECK MOWER COMP
143651 MANDREL SERV ASM
Page 19

425170 (1994) Page 19 of 28
MOWER LIFT
Page 20

425170 (1994) Page 20 of 28
MOWER LIFT
Ref # Part Number Qty Description
1 136973 WIRE ASM
2 137111 SHAFT.ASM.LIFT LH
3 138284 PIN GROOVE
4 12000002 SUB= 2225J
5 19211416 WASHER
6 120183X NYLON BEARING
7 109413X GRIP
8 124526X SUB= 125925X
10 122512X SUB= 532122512
11 139865 SUB= 918139865
12 139866 SUB= 151140
13 4939M SUB= 85902
15 127218 LINK.FRONT
16 73350800 NUT
17 130171 TRUNION
18 73800800 NUT.LK.W/WSH.1/2.
19 139868 ARM SUSP REAR
20 3146R RETAINER.SPRING
31 140302 BEARING PVT LH
32 73810600 NUT.LOCK.3/8-24
Page 21

425170 (1994) Page 21 of 28
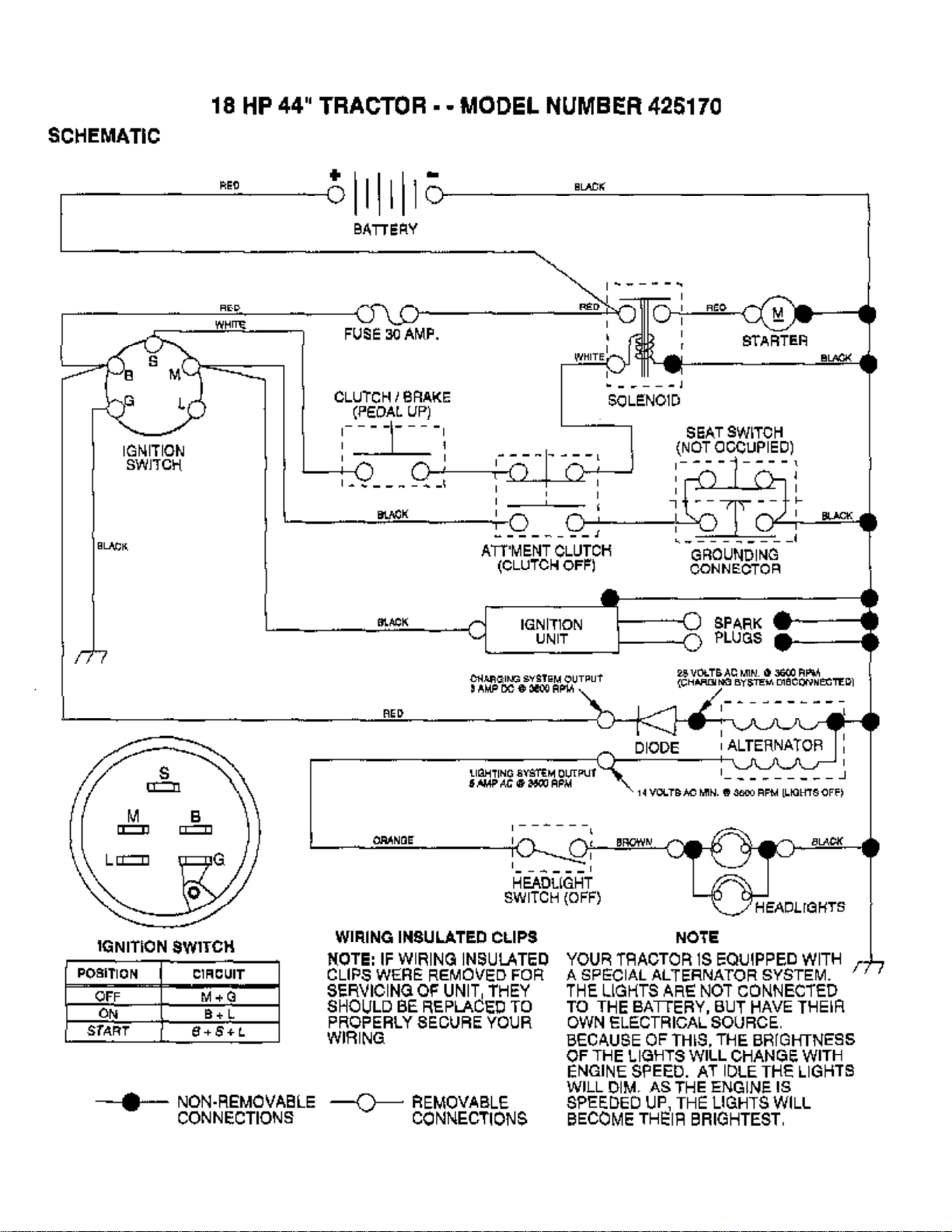
SCHEMATIC
Page 22

425170 (1994) Page 22 of 28
SCHEMATIC
Ref # Part Number Qty Description
REFER TO IMAGE
Page 23

425170 (1994) Page 23 of 28
SEAT
Page 24

425170 (1994) Page 24 of 28
SEAT
Ref # Part Number Qty Description
1 127428 SUB= 140119
2 140551 BRACKET PVT SEAT
3 74760616 BOLT
4 19131610 WASHER PM
5 140407 CLIP PUSH - IN
6 73800600 NUT
7 124181X SPRING COMPRESSIO
8 17490616 SCREW GTV
9 19131614 WASHER
10 140552 SUB= 155925
12 121246X BRKT SWITCH
13 121248X BUSHING
14 72050411 SUB= 872050411
15 134300 SPLIT SPACER
16 121250X SPRING
17 123976X SUB= 73900400
21 139888 BOLT.SHLD.5/16-18
22 73800500 NUT
23 74780814 BOLT
24 19171912 WASHER
25 127018X "BOLT,SHOULDER"
26 10040800 LOCKWASHER
Page 25

425170 (1994) Page 25 of 28
STEERING
Page 26

425170 (1994) Page 26 of 28
STEERING
Ref # Part Number Qty Description
1 133741 SUB= 150547
2 142033 AXLE ASM FRONT
3 135227 SPINDLE LH
4 135228 SPINDLE RH
5 6266H WASHER .T
6 121748X WASHER
7 19272016 WASHER
8 12000029 RING
9 3366R COL. SRTG. BEAR.
10 130468 SUB= 532130468
11 10040600 LOCKWASHER
12 73610600 SUB= 7810H
13 110438X BEARING
14 74011056 BOLT HEX 5/8-11
15 73901000 "NUT-LOC,FLANGE LT"
16 132624 AXLE PIN
17 128758 STEERING SHAFT
18 57079 THRUST WASHER
19 124035X SUPPORT.SHAFT
20 126684X SUB= 532126684
21 10040400 LOCKWASHER
22 71070410 "SCREW,SPECIAL"
23 127501 SUB= 918127501
24 109816X NYLINER T
25 124036X "BRKT,STEERING"
26 12000029 RING
27 136874 GEAR SECTOR
28 6266H WASHER .T
29 17490612 SCREW
30 10040600 LOCKWASHER
31 73610600 SUB= 7810H
32 130465 TIE ROD
33 126847X BUSHING.DRAGLINK
34 19131416 WASHER
35 76020412 COTTER PIN
36 1554J SUB= 155108
37 17431008 SUB= 98000165
38 133742 ST WHL INSERT CAP
39 100712K WASHER
40 73940800 SUB= 73360800
41 100711L ADAPTER LT
43 121749X WASHER
44 121748X WASHER
45 12000029 RING
46 121232X CAP
47 6855M ZERK M
Page 27

425170 (1994) Page 27 of 28
WHEELS & TIRES
Page 28

425170 (1994) Page 28 of 28
WHEELS & TIRES
Ref # Part Number Qty Description
1 59192 VALVE CAP
2 65139 VALVE STEM LT
3 278H FITTING LT
4 106222X SUB= 122073X
5 138468 TIRE.20X8-8
5 59904 TUBE.5.3/4.5/6
5 7152J TUBE.18X9.5-8
6 106732X417 "RIM,FRT T"
6 106108X417 "RIM 8"""
7 104757X HUB CAP
8 9040H "FLANGE, BEARING"